Схемы аварийного освещения для различных помещений в значительной степени отличаются. Это зависит от их размеров, мощности системы аварийного освещения и, собственно, требований к самому освещению. Поэтому на данный момент существует богатое разнообразие схем, которое позволяет решить задачи любой сложности и с различным уровнем капиталовложений.
Где необходимо монтировать аварийное освещение, и какие требования к нему предъявляются
Прежде чем говорить о схемах и сферах применения, давайте разберемся с вопросами, где это аварийное освещение вообще должно быть. Кроме того, обязательно следует разобраться с вопросом норм, предъявляемых к аварийному освещению. Все это детально прописано в СНиП 23-05-95, а в нашей статье мы лишь постараемся, простым языком объяснить все эти требования.
Помещения, в которых обязательно должно быть аварийное освещение
Аварийное освещение подразделяется на два основных типа – это эвакуационное и освещение безопасности. Первое должно обеспечить безопасное передвижение людей в экстренных ситуациях, а второе — минимальный уровень освещенности в местах управления критической инфраструктурой.
| | Исходя из этого, аварийное освещение в обязательном порядке должно быть реализовано в тепловых пунктах, электрических станциях и подстанциях, насосных станциях водоснабжения и отведения, вентиляционных помещениях и в пунктах управления системами кондиционирования, если нарушение работы этих объектов может привести к останову промышленных или жилых зон. |
| | В обязательном порядке, освещение безопасности должно быть в помещениях, прекращение работы в которых может привести к взрывам или пожарам. И даже если остановка работ в определенном помещении приводит к длительному простаиванию всей технологической цепочки, то в них необходимо оборудовать освещение безопасности. |
| | Эвакуационное освещение должно быть во всех промышленных зданиях без естественного освещения. Кроме того, его необходимо монтировать во всех основных проходах если при эвакуации по ним будут перемещаться более 50 человек. Для вспомогательных помещений эта норма ниже и составляет 100 человек. |
| | Обязательно, эвакуационное освещение должно быть в доме с количеством этажей 6 и более, в лечебных и детских учреждениях. Для общежитий его следует оборудовать при длине коридоров более 25 метров, либо при проживании в нем более 50 человек. |
| | В торговых помещениях нормой для установки такого освещения является площадь в 90м2. Кроме того, эвакуационное освещение должно быть установлено над кассами |
| | Такой тип аварийного освещения следует создавать в спортивных, банных, лечебно-профилактических помещениях, ремонтных мастерских, в раздевалках, на кухнях и других объектах общественных зданий. В актовых и конференц-залах его следует монтировать при количестве мест более 100. |
Требования к аварийному освещению
Теперь поговорим о требованиях, которые нормативные акты предъявляют к аварийному освещению. Причем, в зависимости от типа аварийного освещения, эти требования достаточно разительно отличаются.
- Начнем наш разговор с освещения безопасности. Как говорит инструкция, оно должно обеспечивать наименьшую освещенность в размере 5% от нормальной минимальной освещенности. Например, у нас имеется помещение, в котором минимальная норма освещенности составляет 200лк. Соответственно минимальная норма освещения безопасности должна быть не меньше 10лк.
Обратите внимание! Во всех случаях минимальная норма освещения безопасности должна быть не ниже 2лк внутри зданий. На территории предприятия эта норма составляет 1 лк.
- А вот с эвакуационным освещением все немного сложнее. И это связано не с нормой минимальной освещенности, которая для помещений составляет 0,5лк, а для площадок вне помещений 0,2лк, а с правилами размещения самих фонарей.
- Фонари эвакуационного освещения должны быть расположены через каждые 25 метров на пути эвакуации. Кроме того, они в обязательном порядке должны быть на каждом повороте и перед каждой дверью.
- Но дело в том, что нормы запрещают перепад между наиболее и наименее освещенными участками больше чем 1к 40. Это требование зачастую обуславливает применение светильников с максимально рассеянным светом, а также уменьшение расстояний между светильниками.
- Отдельно стоит отметить и лампы, которые следует применять для систем аварийного освещения. Дело в том, что нормативные документы запрещают применение натриевых, ксеноновых, ДРЛ и металлогалогенных ламп, которые достаточно долго разгораются и могут гаснуть в процессе работы.
Схемы для систем аварийного освещения
Имея представление о типах и требованиях, предъявляемых к данным системам освещения, можно говорить и об самих схемах. На данный момент их предложено достаточно большое количество, причем имеются схемы как для достаточно большой сети освещения, так и для небольших по количеству светильников систем.
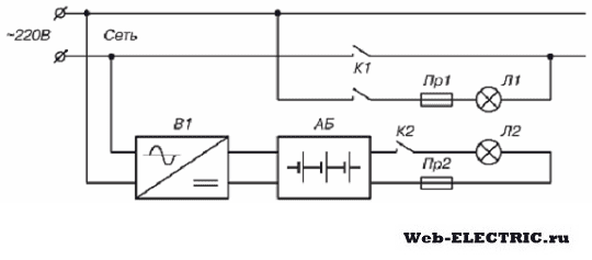
Схема питания аварийного освещения от второго источника питания
Самая простая схема сети аварийного освещения с технической точки зрения — это его питание от независимого источника электроснабжения. Но будем откровенны, применяется такая схема достаточно редко в связи с тем, что в чисто технические условия вмешивается экономическая целесообразность.
Стоимость еще одного подключения к электрической сети во многих случаях заставляет отказаться от такого варианта. А между тем он один из самых удобных.
- Суть данного варианта сводится к следующему. Помещение или группа помещений имеет одно основное питание от электрической сети общего пользования. Для подключения аварийного освещения к помещению подводится еще одна питающая линия. Главным условием этой линии является ее питание от другого источника – это может быть другая система шин на питающей подстанции или вообще другая подстанция.
- Резервная линия питания может иметь меньшую номинальную мощность. Главное, чтоб ее хватило на питание всей сети аварийного освещения и другого электрооборудования, подключенного к ней.
В дальнейшем возможно два варианта:
- Вариант номер один
— это когда от основной линии в нормальном режиме питается все электрооборудование помещения. При исчезновении напряжения на основной линии, сеть аварийного освещения начинает получать питание от резервной линии.
- Второй вариант
— это когда линии аварийного освещения постоянно запитаны от резервной линии, и сеть аварийного освещения работает постоянно, не зависимо от наличия основного питания. В этом случае необходимо иметь возможность подключения сети аварийного освещения к основной линии для проведения ремонтов и устранения неполадок на резервной линии.
Питание от дизельного генератора
Но как мы уже упомянули, цена варианта с подключением двух независимых линий далеко не всегда находится в разумных пределах. Поэтому, иногда проще обойтись своими силами и создать автономный источник питания самостоятельно. Это может быть бензиновый, газовый или дизельный генератор.
- Такой генератор можно установить в специальном помещении. Дополнительно к нему потребуются емкость для хранения топлива. Обычно ее объем принимают достаточным для часа работы генератора, если другое не предусмотрено требованиями к вашему помещению. Обвязка генератора позволит подавать топливо от емкости непосредственно к двигателю. Система автозапуска позволит включать генератор без вашего участия.
- Итак, для данной схемы в нормальных условиях все питание берется от основной линии. При исчезновении на ней напряжения в работу включается дизель генератор. Он обеспечивает питание сети аварийного освещения.
- Но здесь есть несколько, но. Для того чтоб запустить генератор, нужна специальная автоматика, а она питается от электрической сети. Но если питание уже исчезло, то как сработает автоматика?
- Для этого существует несколько вариантов. Наиболее простым и дешевым является вариант использования специального конденсатора, который вполне может запасти достаточный объем электроэнергии для однократной команды на включение.
- Но если генератор не включился с первого раза, то потом его можно включить только вручную. Это не очень удобно, особенно в аварийных ситуациях. Поэтому, зачастую, дополнительно приобретают небольшой аккумулятор, который обеспечит работу системы аварийной автоматики.
Схемы питания с использованием аккумуляторов
Вообще, вариант с использованием аккумуляторов является одним из самых распространенных. Ведь реализовать его своими руками достаточно просто и, в некоторых случаях, он немного дешевле.
- Аккумуляторы электрической энергии позволяют накапливать и хранить энергию. Но если в нашей сети протекает переменный электрический ток, то аккумулятор способен работать только с постоянным током. В связи с этим они требуют установки специальных устройств – инверторов, которые преобразуют переменный ток в постоянный и обратно.
Существует несколько вариантов схем с использованием аккумуляторов для питания аварийной сети:
- Вариант номер один
– это когда питание сети аварийного освещения происходит от инвертора, к этой же сети подключен аккумулятор. В нормальном режиме инвертор подключен к сети переменного тока. Его выходные цепи с постоянным током подключены к щиту постоянного тока (ЩПТ). При обычном режиме работы он питает все светильники, подключенные к сети аварийного освещения, и подпитывает аккумулятор, компенсируя саморазряд батареи.
При исчезновении переменного напряжения инвертор перестает работать. Все питание сети аварийного освещения ложится на аккумуляторную батарею, которая должна обеспечить ее работу не менее получаса, либо другого периода времени.
Обратите внимание! Для всех схем при использовании батареи, ее емкость должна выбираться в соответствии с суммарной мощностью потребления. При этом сама батарея должна периодически подвергаться контрольным зарядам-разрядам для проверки ее.
- Второй вариант
— это когда инвертор подключен непосредственно к батарее. От батареи подключено все аварийное освещение. Инвертор постоянно подзаряжает аккумулятор, что обеспечивает ее постоянную емкость. При отключении питания переменной сети инвертор отключается, и аварийная сеть питается только от батареи, как на видео. - Третий вариант
– это когда инвертор подключен к батарее, а от батареи питается аварийное освещение, но оно постоянно отключено. Только при исчезновении напряжения основного источника сеть аварийного освещения отключается от основного источника и подключается к питанию от батареи.
Но дело в том, что от приведенных выше схем могут питаться только отдельные виды ламп способные работать на постоянном токе. А вот двигатели и некоторые виды светильников не могут работать от постоянного тока. Для их питания в схему второго и третьего варианта возможна установка дополнительного инвертора. Только теперь он будет преобразовывать постоянный ток в переменный. В итоге, на выходе с аккумуляторной батареи мы получим переменный ток.
Светильники со встроенным аккумулятором
Но далеко не всегда необходима такая сложная схема, и аварийное освещение должно быть запитано именно от отдельных групп освещения. Для небольших по площади зданий, для которых достаточно до 50 ламп, значительно целесообразнее использовать светильники со встроенным аккумулятором.
- Суть данной схемы заключается в следующем. Вы приобретаете специальные светильники со встроенным аккумулятором. Этот светильник уже имеет встроенный инвертор, который подзаряжает батарею. В нормальных условиях он питается от сети переменного тока. При исчезновении питания он отключается от сети переменного тока и начинает работать от аккумулятора. Время его работы обычно не превышает 3 часов.
- Светильники могут быть разных типов. Одни постоянно работают от аккумулятора и инвертор подзаряжает его. Другие постоянно работают от сети переменного тока, а от аккумулятора он включается только в аварийных режимах.
- Имеются светильники с одной или несколькими лампами, работающими от переменной сети и одной или несколькими лампами, работающими от аккумулятора. Это позволяет подобрать светильник в точном соответствии с вашими пожеланиями и требованиями.
- Так же такие светильники можно разделить на группы по месту установки батареи. Одни имеют выносную батарею, которую прячут под навесными потолками, другие имеют батарею, которая встроена в сам светильник.
- Гарантийный срок службы таких светильников обычно составляет 10-15 лет. Но на самом деле, это время ограниченно сроком службы аккумулятора. Поэтому после его замены на новый, светильник может проработать и больший срок.
Вывод
Аварийное освещение и схема его подключения имеют множество вариантов. При этом совершенно не обязательно использовать только один из них. Вполне возможны варианты с комбинацией на одном объекте нескольких различных типов. Это позволяет добиться оптимального питания всей аварийной сети и минимальных капиталовложений.
мин.
Электричество так плотно вошло в наш быт, что при отключении света жизнь как будто замирает, дела не делаются, а в доме царит мрак. Чтобы перебои в энергоснабжении не стали диктовать вам свои правила жизни, мы расскажем, как сделать для дома, гаража, дачи и даже палатки
. Конечно же, для несведущих в электрике людей эта затея может показаться не только непостижимой, но и рискованной, но, как известно, все гениальное – просто!
Несомненно, бросаться в омут электричества с головой без минимальных знаний, по меньшей мере, абсурдно. Поэтому для начала следует узнать азы и все тонкости аварийного освещении.
Особенности аварийной подсветки
Экстренная подсветка является независимой от основной сети и призвана создавать достаточную визуализацию для свободного ориентирования людей в темноте при отключении основного освещения.
Согласно регламентам ПУЭ экстренное освещение должно иметь белый свет и минимально допустимую освещенность в 1 лк.
Для обеспечения аварийной подсветки можно использовать любые источники света: лампы накаливания, люминесцентные лампы.
Но наиболее востребованными сегодня являются 12-вольтные светодиоды
LED
. Они дают достаточно света и к тому же значительно экономят запасы энергии аккумулятора, что позволяет использовать такое освещение дольше.
Собираясь установить дома резервные источники света, следует также взять на заметку следующие правила:
В одном помещении следует устанавливать как минимум два светильника, чтобы в случае неисправности одного, второй взял на себя задачу по освещению.
Устанавливать светильники следует так, чтобы они смогли обеспечивать достаточную для ориентирования в темном помещении визуализацию. Лучше всего монтировать лампы в центре помещения, а также в местах повышенной травмоопасности и важности: лестницы, дверные проемы, проходы, повороты, пульт управления освещением, выход.
Следует хорошо продумать схему аварийной подсветки, а также метод её управления: ручной или дистанционный. В случае с ручным методом управления, нужно обеспечить простой доступ к включателю, чтобы в темноте с легкостью найти источник питания освещения.
Создать самостоятельно аварийную подсветку
от аккумулятора
в домашних условиях в принципе сможет любой электрик-любитель, если под рукой будет подробная инструкция.
Для начала нужно подобрать необходимые светильники, напряжение в которых не будет превышать 12 вольт. По сути, это основное требование, которое предъявляется к аварийным источникам света.
В каждой системе экстренной подсветки обязательно должны присутствовать источники автономного питания (аккумуляторные батареи, генераторы), осветительные приборы и другие элементы, например, реле, блок питания, устройство дистанционного управления.
Резервное и центральное освещение устанавливаются параллельно друг другу. Совмещать их нельзя!
Также и укладка линий аварийной и основной системы должна идти отдельно. Это позволит значительно упростить проверку функциональности систем освещения.
В случае с автоматической системой переключения основного освещения на резервное, обе сети подсоединяются к переключателю.
Здесь крайне важно добиться своевременного переключения, именно поэтому сборку такой системы освещения лучше доверить профессионалам.
На сегодняшний день все чаще системы резервного освещения оснащаются устройствами дистанционного управления, такими, как, например, TELEMANDO, который идеально подходит для 12-вольтных светильников типа
LED
. Этот аппарат способствует экономичному расходу заряда резервного источника питания, а также помогает ликвидировать неполадки в сети, если таковые имеются.
Кроме того в самом устройстве предусмотрены встроенные аккумуляторные батареи и двухпозиционный возвратный переключатель. Обычно устройство дистанционного управления монтируется в распределительных щитках на DIN-реях.
Аварийное освещение своими руками, схема
В мире электрики можно отыскать множество схем резервной подсветки разного типа сложности. Давайте же рассмотрим стандартную схему, в которой будут использованы основной и резервный источники питания и разделительные устройства переключения системы со штатного режима в экстренный.
Для данной сборки такой системы освещения потребуются следующие элементы:
- Лампочки (2 шт.), одна из которых будет работать в обычном режиме, а другая будет включаться при аварийных ситуациях.
- Аккумулятор для обеспечения питания лампы в нештатном режиме работы.
- Блок предохранителей.
- Контакты реле.
- Выпрямитель электрического тока.
В штатном режиме главная лампа соединена с сетью с помощью релейного контакта. Блок резервного питания соединяется с выпрямителем электрического тока и пребывает в состоянии беспрерывной подзарядки.
Когда происходит отключение электричества, второй контакт реле автоматически замыкается, и тогда аккумуляторная батарея начинает подавать энергию на резервный источник света.
Такая схема аварийной подсветки предполагает прокладку двух параллельных энергосетей, где одна осуществляет работу основного осветительного элемента, а вторая – исключительно резерва. Для основного освещения можно брать лампы любого вида, когда как для аварийной подсветки следует выбирать маломощные осветительные источники.
Более простая система аварийного освещения представлена на видео:
Появление светодиодов значительно упростило сборку систем аварийного освещения. Именно на базе этих фонариков и пишутся многочисленные простенькие схемы. Вот как раз такую систему на основе аккумулятора и светодиодной ленты мы и попробуем собрать своими руками. Управление такой подсветки – ручное, соответственно и схема сборки самая примитивная.
Инвентарь
- 12-вольтный портативный аккумулятор 4 Ач, или большей ёмкости, если хотите продлить время работы освещения.
- Светодиодная лента – 2 м. Можно взять отрезок ленты и короче, так расход энергии аккумулятора будет меньше, а резервный свет будет работать дольше. В принципе, вместо ленты можно взять любые другие осветительные источники 12
V , в частности светодиодные модули.
- Также нам потребуются контактные провода с разъёмами для соединения аккумулятора с диодами.
Первое, что нам нужно сделать, это подсоединить контактные провода к светодиодной ленте. Если вы используете всю ленту с отходящими от нее родными проводками, то просто соедините контактный провод с проводами ленты цвет к цвету. Также провод с разъемом подсоедините к аккумулятору по полярностям.
Если же вы используете отрезанный кусок ленты, то контактные провода следует припаять к контактам ленты: красный к контакту «+» и черный к контакту «-».
После того как контактные провода будут подключены, подсоединяем разъем ленты к разъему аккумулятора. Светодиоды дают достаточно освещенности. Такую систему можно использовать не только, как аварийную подсветку, но и как осветитель в природных условиях (походы, рыбалка, дача).
LED
лампы аккумуляторные
При отключении света первое спасение от мрака в доме – это фонарик или свечка. Света от них мало, да и работают такие методы крайне непродолжительно, если, конечно, у вас нет обширных запасов свечей и батареек.
Сегодня же интернет-магазины буквально пестрят разными моделями светодиодных светильников с аккумуляторными батареями, которые способны давать достаточно света на протяжении нескольких часов беспрерывной работы. Такие светильники имеют несколько режимов работы, они мобильны, долговечны и доступны по стоимости.
Лампочки на аккумуляторах
Также набирают популярность сегодня и аккумуляторные лампы, которые выглядят, как обычные лампочки с цоколем. Такие источники света имеют 2 режима работы: накопительный и аварийный и оснащены удобным переключателем. В обычном режиме лампочка светит штатно, но при отключении света можно перевести светильник в режим резерва с помощью пульта управления. Стоимость одной такой лампочки доходит до 500 рублей. И это самый простой вариант аварийного освещения на сегодняшний день.
Фотолюминесцентная эвакуационная система
На многих предприятиях все чаще применяется система фотолюминесцентной подсветки. Для этого используются панели, указатели, планы и другие элементы, обработанные люминофором, либо люминофор внедряется в сам материал, из которого изготовлены указательные элементы.
Люминофор способен в течение дня накапливать в себе свет, а в темное время отдает накопленную энергию в виде зеленого свечения. Однако минус такой подсветки в том, что ночью она будет светить всегда и ее невозможно отключить.
Современные технологии призваны облегчить нашу жизнь, и благодаря их развитию такое событие, как отключение электричества, не способно сделать нас беззащитными, как слепых котят, ведь сделать
аварийное освещение своими руками
у себя дома на даче и в гараже сможет каждый.
Современный человек зависим от энергетических технологий комфорта, поэтому отсутствие электричества воспринимается как конец света, поскольку домашняя техника не работает, темно, светильники не горят. В этой статье мы расскажем, как сделать аварийное освещение в доме своими руками, предоставив несколько простых идей, схем монтажа и видео примеров готовых решений.
Светильники на аккумуляторах
Сейчас электронные компоненты сделали рывок в развитии и миниатюризации. Экономичные LED диоды по мощности способны стать основным источником освещения. Аккумуляторы стали доступны по цене, а сложные устройства помещаются в корпус одной микросхемы. Промышленность сейчас выпускает аварийные автономные светильники компактных размеров, устанавливаемых стационарно или с возможностью мобильного перемещения.
Схема работы устройств достаточно простая. В нормальном состоянии, когда присутствует напряжение на входе, электронная схема производит зарядку аккумулятора, контролирует его состояние. В момент отключения электроэнергии, происходит запуск светильника от аккумулятора, и включается аварийное освещение.
Сделать резервный автономный источник света можно практически из хлама. Раньше для светильников использовали люминесцентные лампы, однако для самостоятельного повторения такие схемы относительно сложные, из-за наличия высоковольтного преобразователя. С появлением светодиодов стало на много проще, поскольку его можно питать и от источника 3 вольта. В сети интернет, предлагается множество радиоэлектронных схем, собранных радиолюбителями или же срисованных с серийных, готовых образцов. Разберем самую простую схему резервного освещения для жилого дома:
Источником 12 вольт может быть любой сетевой адаптер, рассчитанный на это напряжение. Диоды VD1 И VD2 блокируют ток разряда через компоненты устройства. Резистор R1 ограничивает зарядный ток аккумулятора. Силовой ключ, при наличии напряжения 12 вольт, закрыт положительным потенциалом на базе транзистора. Тумблером S1 происходит принудительное открывание ключа. Снимая с базы положительное смещение резистором R2, открывая транзистор и подключая батарею к источнику света. Данная схема может быть повторена самостоятельно, выбор элементов не критичен, и можно переделать на другое напряжение. Есть где разгуляться.
Вторая схема аварийного освещения дома более сложная, в ней присутствует цепочка контроля заряда, батареи:
Интегральный стабилизатор LM 317 обеспечивает схему постоянным напряжением, транзистор Т1 стоит в цепочке обратной связи, контролирует величину заряда на батарее и регулирует стабилизатор, добавляя или уменьшая напряжение. На ключе Т2, организованна схема запуска аварийного освещения. При наличии положительного напряжения на базе светодиоды не работают.
В описанных устройствах есть один нюанс, они следят только за наличием напряжения на входе. Если в светлое время суток произойдет перебой с поставками электроэнергии, аварийные светильники честно отработают свое назначение. Т.е. будут работать, пока не разрядится аккумулятор или не поступит электроэнергия. Поэтому лучше сделать резервное освещение по следующей схеме:
В этом варианте присутствует фотореле, которое не позволит включить аварийное освещение в доме в светлое время суток. На транзисторе Т1 организован узел контроля освещенности с фоторезистором LDR1. Как видите они не сложные, элементы доступны и распространены.
ИБП
В качестве готового решения можно использовать компьютерные источники бесперебойного питания UPS. Прокладка аварийной осветительной группы в этом случае должна осуществляться отдельным кабелем, от силовой группы, но осуществлять питание светильников транзитом, через UPS. В данном устройстве можно применять обычные и люминесцентные компактные лампы на 220 вольт.
Техника безопасности играет ключевую роль не только на производстве, но и в офисах, складских помещениях. Требования охраны труда определяют необходимость в аварийном освещении. При организации такого освещения следует использовать автономные источники света. Большую популярность приобрели
аварийные светильники со встроенным аккумулятором.
Аварийное освещение выполняет следующие функции:
- Восстановление подачи света в случае выхода из строя основной системы освещения.
- Безопасное завершение работ и эвакуация в случае возникновения чрезвычайных ситуаций.
Особенно в эвакуации помогает светящаяся надпись «выход», позволяющая даже в задымленном помещении выбрать правильное направление.
Виды систем аварийного освещения
Аварийное освещение не просто является альтернативой штатному, а выполняет важную функцию обеспечения безопасности в чрезвычайных ситуациях.
В зависимости от компоновки
и типов светильников сама аварийная система выполняется по следующим схемам:
Светодиодный аварийный светильник с аккумулятором
Наиболее практичными аварийными источниками света часто называют модели со встроенными аккумуляторами. Подача света при этом не зависит
от централизованного электроснабжения. Каждый светильник имеет собственный аккумулятор, поэтому отсутствуют риски, связанные с выходом из строя центральной аккумуляторной установки.
Однако такая практичность приводит к некоторому усложнению обслуживания. Для поддержания работоспособности системы аварийного освещения нужно следить за зарядом аккумуляторов во всех светильниках. Кроме того, специально назначенный работник должен отвечать за контроль степени износа аккумуляторов, имеющих определенный ресурс.
Использование в качестве источника света светодиодов позволяет сохранить яркость светового потока при минимальном расходе электроэнергии от аккумулятора. Это существенный плюс
, продлевающий время работы аварийного светильника с момента отключения подачи электричества.
Светодиоды имеют продолжительный срок службы, что определяет возможность длительной эксплуатации осветительных приборов.
Чаще всего светильник такого типа с надписью «выход» можно наблюдать в общественных местах.
Цены на светодиодные модели несколько выше, чем на приборы с другими лампами, но важную роль играют преимущества именно таких конструкций. За счет широкого распространения купить такие светильники можно повсеместно.
Преимущества и недостатки
К преимуществам светильников
на светодиодах относятся следующие характеристики:
Недостатки светодиодных светильников назвать трудно
. Многие полагают, что их вообще нет, если не учитывать цены. Из всех преимуществ можно поставить под сомнение только заявленный производителями эксплуатационный ресурс. Однако многократное превышение ресурса работы светодиодов, по сравнению с лампами других типов, остается фактом.
Требования к аварийному освещению
Нормативные документы определяют условия выбора и монтажа осветительных приборов для аварийного освещения. Возможность использования конкретного
светильника в качестве аварийного определяется его маркировкой.
Маркировка аварийных светильников
Наличие специальной маркировки является обязательным!
По маркировке
можно определить тип светильника и его характеристики. Она состоит из четырех частей:
Соблюдение всех требований к аварийному освещению увеличивает цену светильника, однако использование более дешевых немаркированных приборов является нарушением.
Выбор оптимальной модели
Перед тем как купить светильник, стоит внимательно ознакомиться с основными техническими характеристиками моделей:
Аварийные светильники
являются обязательным атрибутом рабочих и других общественных помещений. Они освещают эвакуационные пути и выходы. Оптимальными по праву считаются светодиодные модели с аккумулятором. Однако устройство системы аварийного освещения
лучше доверить специализированным организациям, которые учитывают все тонкости окончательного выбора моделей и монтажа, а также несут ответственность за соответствие установленной системы всем требованиям нормативных документов. Цены на монтаж вполне приемлемы и оправданы отсутствием проблем при эксплуатации и проверках.
Применение светодиодных аварийных светильников с аккумуляторами является современным и эффективным методом исполнения инструкций, закреплённых законодательно в ФЗ (Федеральном законе) N 123-ФЗ «Технический регламент о требованиях пожарной безопасности» (ст. 84, п. 1, ст. 82, п. 9) и прилагающихся к нему подзаконных актах и правилах. Эти источники освещения применяются при эксплуатации жилых помещений, производственных и торговых площадей, медицинских, административных и учебных заведений.
Функции аварийных источников света
Автономные аварийные источники света устанавливаются для обеспечения видимости в период отключения основного централизованного освещения. Факторов, приводящих к отключению основного света много: начиная от простого отключения электричества в связи с профилактическими работами и заканчивая экстренными случаями: пожаром, землетрясением, наводнением. Включение резервной автономной подсветки позволяет в случае опасности:
- Оперативно эвакуировать людей из обесточенных помещений, не блуждая в темноте.
- Точно определить места обычных и экстренных выходов.
- Закончить опасные работы.
- Избежать паники, хаотичных действий и травм.
Очень важно правильно подобрать и установить аварийное освещение. В случае возникновения чрезвычайной ситуации от него часто зависят жизни людей. Наиболее надёжным и практичным на сегодняшний день решением является применение в качестве автономной подсветки светодиодных светильников аварийного освещения с аккумуляторами, встроенными непосредственно в прибор.
Обзор светодиодных светильников
Светодиодные приборы аварийной подсветки производятся различных конструкций, форм и размеров, изготавливаются из различных материалов. Выбор модели прибора зависит от задач, которые он должен выполнять, особенностей места установки, количества времени работы в автономном режиме. Стоит выделить три основные цели установки таких автономных приборов
:
- Организация эвакуационной подсветки.
- Создание резервного освещения малой и обычной интенсивности.
- Обеспечение бесперебойной подачи света в важных рабочих зонах при резком отключении общего электричества.
Приборы эвакуационной подсветки
Такие устройства имеют комбинированное питание, работая в обычном режиме от общей сети, а при её отключении переходят в режим работы от автономного источника энергии. Они могут быть включены в дежурном режиме и работать при отключении общей сети и срабатывании пожарной сигнализации.
Существуют огнеупорные и водонепроницаемые модели с большой ёмкостью аккумуляторов.
Резервное освещение
Приборы для дублирования освещения при отключении основных источников света применяются в местах, где это может повлиять на незавершённые рабочие процессы. Они пригодятся в домах и квартирах, где часто происходят перебои в энергоснабжении. Такие источники света различаются по следующим показателям:
- Мощности освещения.
- Углу рассеивания.
- Ёмкости аккумуляторной батареи.
- Способу крепления.
Все три группы при отключении центрального энергоснабжения переходят в режим работы от отдельного источника питания, но имеют существенные конструктивные особенности, влияющие на общие технические характеристики:
Основные критерии выбора
При подборе необходимой модели нужно обратить внимание на ее характеристики, а именно:
Следует также обратить внимание на яркость пучка, углы рассеивания света и эстетические особенности.
Обслуживание и контроль работоспособности

Перед первичным использованием необходимо полностью зарядить аккумулятор в течение суток. Совмещённые и постоянные типы устройств подключают к сети, но не используют в режиме обычного освещения 24 часа.
Один раз в год необходимо отключить общую сеть от аварийных светильников энергоснабжения и дать им проработать в аварийном режиме до полной разрядки батареи. Отметить время автономной работы от встроенных источников питания. Оно должно примерно соответствовать времени, указанному в паспорте для каждого устройства. В устройствах, реальные показатели работы которых отличаются больше чем на 30%, аккумуляторные батареи подлежат замене.
После полной разрядки батарей необходимо полностью зарядить их в течение суток, не используя устройства ни в одном из доступных режимов.
На некоторых моделях приборов есть специализированная кнопка «Тест». В соответствии с рекомендациями в паспорте устройства при помощи этой кнопки можно произвести профилактическое обслуживание без отключения общей сети.
Преимущества и недостатки использования
Преимуществ в использовании светодиодных аварийных светильников неоспоримо больше, чем недостатков. Тем не менее, они существуют.
Из достоинств можно выделить
:
К недостаткам можно отнести лишь один существенный фактор — ресурс работы аккумуляторов составляет около пяти лет (в зависимости от модели), после чего они подлежат замене.
Светодиодные светильники являются самым перспективным видом приборов иллюминации на сегодняшний день. Технические характеристики позволяют использовать их практически везде. Поэтому выбор в их пользу при создании эффективного аварийного освещения будет технически и экономически оправдан.
Мы больше не будем рекомендовать вам подобный контент.
Отмена
Мы больше не будем рекомендовать вам подобный контент.
Отмена
Мы больше не будем рекомендовать вам подобный контент.
Отмена
Мы больше не будем рекомендовать вам подобный контент.
Отмена
Мы больше не будем рекомендовать вам подобный контент.
Отмена
Мы больше не будем рекомендовать вам подобный контент.
Отмена
Мы больше не будем рекомендовать вам подобный контент.
Отмена
Мы больше не будем рекомендовать вам подобный контент.
Отмена
Мы больше не будем рекомендовать вам подобный контент.
Отмена
Мы больше не будем рекомендовать вам подобный контент.
Отмена
Мы больше не будем рекомендовать вам подобный контент.
Отмена
Мы больше не будем рекомендовать вам подобный контент.
Отмена
Мы больше не будем рекомендовать вам подобный контент.
Отмена
Мы больше не будем рекомендовать вам подобный контент.
Отмена
Мы больше не будем рекомендовать вам подобный контент.
Отмена
Мы больше не будем рекомендовать вам подобный контент.
Отмена
Мы больше не будем рекомендовать вам подобный контент.
Отмена
Мы больше не будем рекомендовать вам подобный контент.
Отмена
Мы больше не будем рекомендовать вам подобный контент.
Отмена
Мы больше не будем рекомендовать вам подобный контент.
Отмена
Мы больше не будем рекомендовать вам подобный контент.
Отмена
Мы больше не будем рекомендовать вам подобный контент.
Отмена
Мы больше не будем рекомендовать вам подобный контент.
Отмена
Мы больше не будем рекомендовать вам подобный контент.
Отмена
Современный человек зависим от энергетических технологий комфорта, поэтому отсутствие электричества воспринимается как конец света, поскольку домашняя техника не работает, темно, светильники не горят. В этой статье мы расскажем, как сделать аварийное освещение в доме своими руками, предоставив несколько простых идей, схем монтажа и видео примеров готовых решений.
Светильники на аккумуляторах
Сейчас электронные компоненты сделали рывок в развитии и миниатюризации. Экономичные LED диоды по мощности способны стать основным источником освещения. Аккумуляторы стали доступны по цене, а сложные устройства помещаются в корпус одной микросхемы. Промышленность сейчас выпускает аварийные автономные светильники компактных размеров, устанавливаемых стационарно или с возможностью мобильного перемещения.
Схема работы устройств достаточно простая. В нормальном состоянии, когда присутствует напряжение на входе, электронная схема производит зарядку аккумулятора, контролирует его состояние. В момент отключения электроэнергии, происходит запуск светильника от аккумулятора, и включается аварийное освещение.
Сделать резервный автономный источник света можно практически из хлама. Раньше для светильников использовали люминесцентные лампы, однако для самостоятельного повторения такие схемы относительно сложные, из-за наличия высоковольтного преобразователя. С появлением светодиодов стало на много проще, поскольку его можно питать и от источника 3 вольта. В сети интернет, предлагается множество радиоэлектронных схем, собранных радиолюбителями или же срисованных с серийных, готовых образцов. Разберем самую простую схему резервного освещения для жилого дома:
Источником 12 вольт может быть любой сетевой адаптер, рассчитанный на это напряжение. Диоды VD1 И VD2 блокируют ток разряда через компоненты устройства. Резистор R1 ограничивает зарядный ток аккумулятора. Силовой ключ, при наличии напряжения 12 вольт, закрыт положительным потенциалом на базе транзистора. Тумблером S1 происходит принудительное открывание ключа. Снимая с базы положительное смещение резистором R2, открывая транзистор и подключая батарею к источнику света. Данная схема может быть повторена самостоятельно, выбор элементов не критичен, и можно переделать на другое напряжение. Есть где разгуляться.
Вторая схема аварийного освещения дома более сложная, в ней присутствует цепочка контроля заряда, батареи:
Интегральный стабилизатор LM 317 обеспечивает схему постоянным напряжением, транзистор Т1 стоит в цепочке обратной связи, контролирует величину заряда на батарее и регулирует стабилизатор, добавляя или уменьшая напряжение. На ключе Т2, организованна схема запуска аварийного освещения. При наличии положительного напряжения на базе светодиоды не работают.
В описанных устройствах есть один нюанс, они следят только за наличием напряжения на входе. Если в светлое время суток произойдет перебой с поставками электроэнергии, аварийные светильники честно отработают свое назначение. Т.е. будут работать, пока не разрядится аккумулятор или не поступит электроэнергия. Поэтому лучше сделать резервное освещение по следующей схеме:
В этом варианте присутствует фотореле, которое не позволит включить аварийное освещение в доме в светлое время суток. На транзисторе Т1 организован узел контроля освещенности с фоторезистором LDR1. Как видите они не сложные, элементы доступны и распространены.
ИБП
В качестве готового решения можно использовать компьютерные источники бесперебойного питания UPS. Прокладка аварийной осветительной группы в этом случае должна осуществляться отдельным кабелем, от силовой группы, но осуществлять питание светильников транзитом, через UPS. В данном устройстве можно применять обычные и люминесцентные компактные лампы на 220 вольт.
Кстати, о том, как выбрать источник бесперебойного питания, мы рассказывали в соответствующей статье. Ознакомьтесь с советами, если хотите сделать аварийное освещение в доме, используя ИБП.
Обзор данной идеи предоставлен на видео:
Применение бесперебойника
Еще одна интересная идея изображена на схеме:
В данной схеме есть зарядное устройство, низковольтное реле, диод, и преобразователь 12/220. Его можно не ставить, а вместо него использовать светодиодные модули на 12 Вольт.
В нормальном состоянии, когда напряжение подается на зарядное устройство, реле, подключенное к клеммам, втянуто, и модули не подключены к аккумулятору. При прекращении подачи на зарядное устройство напряжения, реле замыкает другую группу контактов, включая световые модули. Диод в схеме блокирует разряд батареи через обмотку реле. Данный проект, проще не придумаешь, поэтому он будет под силу человеку, далекому от нюансов электроники.
LED лампы на батарейках
На просторах интернет-магазинов встречаются лампы, с виду обычные LED, но в них присутствует аккумуляторный накопитель, позволяющий работать какое-то время при отсутствии электричества. Данное устройство имеет стандартный цоколь E27, и по размерам поместится в большинство светильников.
С помощью переключателя можно выбрать режим работы лампы, в качестве накопительного — аварийного, или же обычный режим. Используя LED лампочки на аккумуляторах можно сделать резервное освещение в квартире либо жилом доме совсем без усилий. Недостаток аккумуляторных LED ламп в высокой стоимости, около 500 рублей, однако если учитывать, что для всех комнат затраты выйдут около 3 тыс. рублей, можно сказать, что это не так уж и дорого.
Напоследок рекомендуем вам просмотреть еще одну идею организации резервного освещения в частном доме либо гараже на базе солнечных батарей:
Пример использования солнечных панелей
О том, как подключить солнечные батареи своими руками, мы также рассказывали в отдельной статье!
Правила и требования
Касательно аварийного освещения в помещениях существует несколько правил по ПУЭ и другим, не менее важным нормативным документам. Итак, если вы решили сделать в частном доме либо на даче резервные источники света, учитывайте следующие требования:
- В любом помещении должно находиться минимум два аварийных светильника, на случай если один придет в негодность.
- Светильники должны располагаться друг от друга, так чтобы обеспечить минимальную освещенность в 1 Лк, по центру коридора, на пути эвакуации.
- Аварийные осветительные приборы не должны находиться дальше двух метров от важных точек объекта (проходы, двери, повороты, лестницы, пульты управления).
- Светильник должен быть установлен у каждой двери, для выхода из помещения, а также на лестничной площадке, в коридоре, кладовке и даже туалете. Однако для домашних условий это правило не такое уж и важное, тут можно руководствоваться лишь своими предпочтениями.
Вот и все, что хотелось рассказать вам о том, как сделать аварийное освещение в доме своими руками. Надеемся, наши идеи вам понравились!
Советуем также прочитать:
- Как сделать свет в гараже если нет электричества
- Как меньше платить за свет легально
- Какая освещенность должна быть в доме
Как сделать резервное освещение в доме?
Современный человек зависим от энергетических технологий комфорта, поэтому отсутствие электричества воспринимается как конец света, поскольку домашняя техника не работает, темно, светильники не горят. В этой статье мы расскажем, как сделать аварийное освещение в доме своими руками, предоставив несколько простых идей, схем монтажа и видео примеров готовых решений.
Светильники на аккумуляторах
Сейчас электронные компоненты сделали рывок в развитии и миниатюризации. Экономичные LED диоды по мощности способны стать основным источником освещения.
Аккумуляторы стали доступны по цене, а сложные устройства помещаются в корпус одной микросхемы.
Промышленность сейчас выпускает аварийные автономные светильники компактных размеров, устанавливаемых стационарно или с возможностью мобильного перемещения.
Схема работы устройств достаточно простая. В нормальном состоянии, когда присутствует напряжение на входе, электронная схема производит зарядку аккумулятора, контролирует его состояние. В момент отключения электроэнергии, происходит запуск светильника от аккумулятора, и включается аварийное освещение.
Сделать резервный автономный источник света можно практически из хлама. Раньше для светильников использовали люминесцентные лампы, однако для самостоятельного повторения такие схемы относительно сложные, из-за наличия высоковольтного преобразователя.
С появлением светодиодов стало на много проще, поскольку его можно питать и от источника 3 вольта. В сети интернет, предлагается множество радиоэлектронных схем, собранных радиолюбителями или же срисованных с серийных, готовых образцов.
Разберем самую простую схему резервного освещения для жилого дома:
Источником 12 вольт может быть любой сетевой адаптер, рассчитанный на это напряжение. Диоды VD1 И VD2 блокируют ток разряда через компоненты устройства. Резистор R1 ограничивает зарядный ток аккумулятора. Силовой ключ, при наличии напряжения 12 вольт, закрыт положительным потенциалом на базе транзистора.
Тумблером S1 происходит принудительное открывание ключа. Снимая с базы положительное смещение резистором R2, открывая транзистор и подключая батарею к источнику света. Данная схема может быть повторена самостоятельно, выбор элементов не критичен, и можно переделать на другое напряжение. Есть где разгуляться.
Вторая схема аварийного освещения дома более сложная, в ней присутствует цепочка контроля заряда, батареи:
Интегральный стабилизатор LM 317 обеспечивает схему постоянным напряжением, транзистор Т1 стоит в цепочке обратной связи, контролирует величину заряда на батарее и регулирует стабилизатор, добавляя или уменьшая напряжение. На ключе Т2, организованна схема запуска аварийного освещения. При наличии положительного напряжения на базе светодиоды не работают.
В описанных устройствах есть один нюанс, они следят только за наличием напряжения на входе. Если в светлое время суток произойдет перебой с поставками электроэнергии, аварийные светильники честно отработают свое назначение. Т.е. будут работать, пока не разрядится аккумулятор или не поступит электроэнергия. Поэтому лучше сделать резервное освещение по следующей схеме:
В этом варианте присутствует фотореле, которое не позволит включить аварийное освещение в доме в светлое время суток. На транзисторе Т1 организован узел контроля освещенности с фоторезистором LDR1. Как видите они не сложные, элементы доступны и распространены.
ИБП
В качестве готового решения можно использовать компьютерные источники бесперебойного питания UPS. Прокладка аварийной осветительной группы в этом случае должна осуществляться отдельным кабелем, от силовой группы, но осуществлять питание светильников транзитом, через UPS. В данном устройстве можно применять обычные и люминесцентные компактные лампы на 220 вольт.
Кстати, о том, как выбрать источник бесперебойного питания, мы рассказывали в соответствующей статье. Ознакомьтесь с советами, если хотите сделать аварийное освещение в доме, используя ИБП.
Обзор данной идеи предоставлен на видео:
Применение бесперебойника
Еще одна интересная идея изображена на схеме:
В данной схеме есть зарядное устройство, низковольтное реле, диод, и преобразователь 12/220. Его можно не ставить, а вместо него использовать светодиодные модули на 12 Вольт.
В нормальном состоянии, когда напряжение подается на зарядное устройство, реле, подключенное к клеммам, втянуто, и модули не подключены к аккумулятору.
При прекращении подачи на зарядное устройство напряжения, реле замыкает другую группу контактов, включая световые модули. Диод в схеме блокирует разряд батареи через обмотку реле.
Данный проект, проще не придумаешь, поэтому он будет под силу человеку, далекому от нюансов электроники.
LED лампы на батарейках
На просторах интернет-магазинов встречаются лампы, с виду обычные LED, но в них присутствует аккумуляторный накопитель, позволяющий работать какое-то время при отсутствии электричества. Данное устройство имеет стандартный цоколь E27, и по размерам поместится в большинство светильников.
С помощью переключателя можно выбрать режим работы лампы, в качестве накопительного — аварийного, или же обычный режим.
Используя LED лампочки на аккумуляторах можно сделать резервное освещение в квартире либо жилом доме совсем без усилий.
Недостаток аккумуляторных LED ламп в высокой стоимости, около 500 рублей, однако если учитывать, что для всех комнат затраты выйдут около 3 тыс. рублей, можно сказать, что это не так уж и дорого.
Напоследок рекомендуем вам просмотреть еще одну идею организации резервного освещения в частном доме либо гараже на базе солнечных батарей:
Пример использования солнечных панелей
О том, как подключить солнечные батареи своими руками, мы также рассказывали в отдельной статье!
Правила и требования
Касательно аварийного освещения в помещениях существует несколько правил по ПУЭ и другим, не менее важным нормативным документам. Итак, если вы решили сделать в частном доме либо на даче резервные источники света, учитывайте следующие требования:
- В любом помещении должно находиться минимум два аварийных светильника, на случай если один придет в негодность.
- Светильники должны располагаться друг от друга, так чтобы обеспечить минимальную освещенность в 1 Лк, по центру коридора, на пути эвакуации.
- Аварийные осветительные приборы не должны находиться дальше двух метров от важных точек объекта (проходы, двери, повороты, лестницы, пульты управления).
- Светильник должен быть установлен у каждой двери, для выхода из помещения, а также на лестничной площадке, в коридоре, кладовке и даже туалете. Однако для домашних условий это правило не такое уж и важное, тут можно руководствоваться лишь своими предпочтениями.
Вот и все, что хотелось рассказать вам о том, как сделать аварийное освещение в доме своими руками. Надеемся, наши идеи вам понравились!
Советуем также прочитать:
Особенности организации аварийного освещения
На сегодняшний день существуют различные виды освещения. Если со многими их видами обычный пользователь знаком более-менее, то аварийное освещение (тем более светодиодное) для многих остается настоящей загадкой.
Аварийная подсветка
Дело в том, что в доме такой тип подсветки встречается крайне редко. Зато он характерен для промышленных и производственных предприятий. Данная статья расскажет вам, что представляет собой аварийное освещение, а также наиболее важные моменты ее проектирования, организации, тестирования и проверки и обслуживания.
Особенности аварийной подсветки
Аварийное освещение (его еще называют экстренным или эвакуационным) является системой независимого типа подсветки, которое при этом подключено к центральной осветительной установке.
Основное предназначение сводится к созданию видимости на определенном уровне, которое позволяет людям ориентироваться в ситуациях отключения или поломок центрального освещения.
Система аварийного освещения предназначена для создания подсветки, при которой люди смогут свободно ориентироваться в пространстве в любых помещениях промышленных и производственных зданий, а также в доме. При этом вся система должна обязательно отвечать правилам установки электроприборов (ПУЭ).
Обратите внимание! Аварийное освещение является неотъемлемой частью общей системы светового обеспечения помещений в регионах, где часто происходят бедствия природного и техногенного характера. Пример такой подсветки можно найти на любом производственном объекте.
Вариант аварийного освещения
В связи с этим такой системой в обязательном порядке должны оборудоваться все общественные и промышленные предприятия.
Обычно аварийное освещение являются частью рабочего типа подсветки.
Проектирование системы светового обеспечения помещений часто использует для рабочего и экстренного освещения одни и те же осветительные приборы.
При этом система аварийной подсветки может делиться на следующие разновидности:
- резервное. Такой тип подсветки должен обеспечивать такой уровень света, чтобы на предприятии могло поддерживаться работоспособность сотрудников, работающих в учреждениях социальной сферы, а также на вредном производстве. Пример таких учреждений: медицинские объекты, ТЭЦ, АЭС;
Обратите внимание! Размерный тип аварийной подсветки в каждом помещении должен быть представлен минимум двумя светильниками.
- эвакуационное. Основная цель – создание оптимальной видимости для экстренной эвакуации людей, а также быстрого завершения работ экстренного типа.
Особенностью такой подсветки является то, что светильники здесь создают белый свет и низкой степенью освещенностью окружающего пространства.
Очень часто в этой системе используются светильники и лампочки с низкой мощностью (например, 12 вольт).
Как видим, аварийное освещение имеет значительные отличия от рабочего.
Даже в ситуации, когда оно является частью рабочего освещения, т.н. совместная система подсветки.
Когда аварийная подсветка должна быть предусмотрена
Система аварийного освещения выполняет главную задачу – обеспечивает безопасную эвакуацию персонала производств в ситуациях, когда имеется угроза их жизни и здоровью.
Кроме этого проектирование этой системы нужно для предприятий, где протекают процессы, прерывание которых чревато катастрофами.
В связи с этим проектирование данной системы всегда предполагает размещение осветительных приборов по пути безопасного выхода.
Обратите внимание! Такая прокладка проводки и размещения осветительных установок прописана в ПУЭ.
В результате такое проектирование позволяет максимально полно осветить направления движения. При этом минимум света приходиться на центр коридора.
Аварийная подсветка в коридоре
В связи с этим совместная система рабочего и экстренного освещения всегда должна быть установлена в местах, имеющий повышенную травмоопасность. Пример таких участков:
- лестничные пролеты;
- места расположения сложного и опасного оборудования;
- оборудование, являющееся частью системы жизнеобеспечения;
- места, где размещено устройство, которое обязано всегда находиться под контролем (например, реакторы и т.д.);
- выходы из помещений и зданий;
- изгибы коридоров и т. д.
Наличие экстренной подсветки в таких помещениях позволяет не только снизить травматизм персонала во время эвакуации, но и минимизировать панику, что очень важно в таких ситуациях.
Основные требования к проектированию
Проектирование любой системы экстренной подсветки требует использование информации, приведенной в ПУЭ. При этом схема аварийного освещения, которая должна получиться в ходе проектирования, будет зависеть от следующих параметров:
- тип помещения;
- его габариты;
- требования ПУЭ;
- как проводилась прокладка проводки;
- сложность выполняемых видов работ, а также их опасность;
- какая методика будет выбрана для проверки системой экстренного освещения;
- какое управление аварийным освещением будет организовано (ручное, с помощью дистанционного пульта и т.д.)
- тип светильников и источников света (например, с мощностью в 12 вольт);
Обратите внимание! В качестве источника света здесь могут использовать лампы накаливания, газоразрядные, люминесцентные и светодиодные лампочки. Причем светодиоды на сегодняшний день будут наиболее приемлемыми.
- вариант обслуживания и т. д.
Вариант схемы аварийной подсветки
Проектирование системы рабочего и экстренного освещения должно всегда опираться на следующие требования ПУЭ:
- возможна совместная прокладка проводов и оборудования для аварийной системы;
- прокладка проводки должна выполнять по всем нормам электромонтажных работ;
- нужно использовать только белый свет. Оптимальным решением будут светильники с мощностью в 12 вольт;
- устройство системы (особенно светильники) должно подключаться от отдельной сети. Причем оно не должно зависеть от рабочей подсветки;
- под каждый вариант следует подбирать свои осветительные приборы (на 12 вольт), дающие белый свет;
- уровень освещенности, который создает белый свет, идущий от светильников, должен отвечать не только требованиям ПУЭ, но и нормам СНиП.
Кроме этого проектирование (прокладка проводов и т.д.) должно опираться на следующие моменты:
- архитектурные особенности здания;
- проектная документация здания. Это позволит определить наиболее оптимальные места для размещения светильников;
Светильник для аварийной подсветки
- срок эксплуатации осветительных установок, а также их питание.
Все это необходимо знать в ситуации, когда проектируется совместная система рабочего и экстренного светового обеспечения. При этом нюансам создания такой подсветки нужно уделять пристальное внимание, если она будет организовываться своими руками.
Обратите внимание! Если монтаж проводится в доме, то лучше всего воспользоваться услугами профессионалов. Сделать освещение своими руками можно только в случае неукоснительного исполнения всех предписаний норм пожарной безопасности и работ с электроприборами.
Нюансы проектирования аварийной подсветки
Собираясь создать аварийное освещение, нужно определить со следующими моментами:
- какая методика будет применяться для проверки работоспособности выбранных схем аварийной системы. В разных ситуациях подходит та или иная методика проверки. Также правильная методика нужна и для проверки схем подключения светильников;
Обратите внимание! Особенно важна методика проверки при организации аварийной подсветки своими руками.
- вариант подключения осветительных приборов. Сделать монтаж светильника и его подключение к сети питания своими руками также можно по различным схемам. Подключение может проводиться своими руками любых типов источников света. Пример такой схемы приведен ниже;
Вариант схемы подключения светильника к аварийному блоку
- управление аварийным освещением. Оно может осуществляться по типу дистанционного управления или быть ручным (например, управляться через электрощит);
- какое обслуживание будет иметь аварийное освещение. Об этого параметра напрямую зависит то, насколько долго созданную систему можно будет использовать;
- источник света. Согласно требованиям ПУЭ, экстренная подсветка должна иметь белый свет. При этом оптимальным решением будет использование светильников, рассчитанных на мощность в 12 вольт. Белый свет лучше всего дает аварийное освещение led. При этом проверка такой системы будет несложной, так как светодиоды имеют самый продолжительный срок эксплуатации по сравнению с другими источниками света.
Обратите внимание! Белый свет в данной ситуации может иметь различные оттенки (нейтральный, холодный или теплый). Но считается лучшим, если белый свет будет иметь нейтральный или холодный оттенок.
Светодиодная аварийная подсветка
Еще одним нюансом проектирования аварийного освещения является прокладка проводки для питания светильников от сети. Монтаж и прокладка проводов должны осуществляться с учетом всех требования. Только в таком случае все компоненты и само устройство системы проработает долго и качественно, а проверка работоспособности освещения будет проводиться не часто.
Каким образом проводиться установка
Сделать у себя в доме и своими руками аварийное освещение может каждый. Для этого нужно не только придерживаться вышеприведённых правил, рекомендаций и требований, но и провести правильно монтаж.
Перед тем, как приступить к монтажу, необходимо выбрать нужные модели светильников. Они должны давать белый свет и иметь небольшую мощность в 12 вольт.
Это основные требования, предъявляемые к светильников, предназначенных для экстренной работы.
Маломощные светильник аварийного типа работы
Сам монтаж здесь проводиться принципу, аналогичному установке любого типа осветительных приборов. За исключением следующих нюансов:
- эвакуационное и центральное световое обеспечение нужно устанавливать параллельно. Ни в коем случае их нельзя совмещать;
- прокладка линий здесь также должна идти раздельно, а не на месте расположения главной электрической проводки. Это позволит упростить проверки работоспособности системы;
- светильники могут быть оснащены собственным аккумулятором (как было приведено на схеме выше), так и без него. В последнем случае питание аварийной подсветки будет вестись от общего аккумулятора. В связи с этим лучше использовать маломощные светильники на 12 вольт;
- управление (дистанционного или ручного типа) системой светового обеспечения должно вестись из самого помещения. При этом доступ к управлению должен иметь только обслуживающий персонал. Очень часто управлять данной системой можно через электрощит. Самым эффективным способом управления является дистанционный;
Обратите внимание! В связи с этим коридорах должны отсутствовать кнопки, с помощью которых можно включить и выключить аварийный свет.
Электрощит с управлением аварийной подсветкой
- монтаж должен предоставлять доступ обслуживающего персонала ко всем элементам системы. Качественное обслуживание светильников (на 12 вольт) позволит добиться безотказной их работы, даже в экстренных ситуациях, на которые они и рассчитаны. Поэтому нужно регулярно заниматься вопросами тестирования, включая проверку работоспособности осветительных установок и коммуникационных сетей.
Сегодня многие предпочитают управление дистанционного плана. Добиться такого управления 12-вольтными светильниками позволит специальное устройство (например, TELEMANDO). Контроль над системой при установке такого оборудования будет производиться за счет отключения аварийного режима, когда в нем нет потребности.
С помощью такого устройства можно эффективно устранять неполадки, если такие имеют место быть. Такой прибор позволяет экономить заряд аккумуляторов, к которым подключены осветительные приборы. Само устройство имеет встроенные аккумуляторы, а также возвратный двухпозиционный выключатель.
TELEMANDO следует устанавливать в распределительном шкафу на DIN рейку.
Заключение
Аварийная подсветка является необходимостью во многих помещениях. При этом в последнее время его все чаще стали устанавливать в частных домах.
Освещение такого плана позволит быстро эвакуировать людей с помещения в экстренных ситуациях, снижая тем самым риск их травмирования.
Но это возможно только тогда, когда система была спроектирована и организована правильно, а также проходить периодическую проверку своей работоспособности.
Аварийное светодиодное освещение: принцип цепи и советы
В этой статье мы узнаем, как просто построить универсальную схему аварийного освещения на основе светодиодов с использованием нескольких белых светодиодов и уникальной схемотехники, которая помогает повысить общую эффективность устройства.
Мы все знаем о пагубных последствиях глобального потепления, которое с каждым днем сильно захватывает мир.
Хотя основной причиной этого явления почти наверняка является использование ископаемого топлива в качестве основного источника энергии во многих странах, вклад освещения в различных формах в проблему нельзя полностью игнорировать.
Обычные, но старые лампы накаливания стали почти устаревшими, но даже современные КЛЛ (компактные люминесцентные лампы) излучают совсем немного тепла. Белые светодиодные лампы сегодня становятся популярной (и разумной) альтернативой из-за их довольно хороших природных свойств и высокой эффективности.
Принцип функционирования цепи
Чтобы зажечь белый светодиод, нам нужно минимум 3,6 В и максимум 20 мА тока, что является прямым падением напряжения белого светодиода.
В данной схеме мы используем 6-вольтовую батарею в качестве источника питания.
Так что же такого в том, чтобы осветить группу белых светодиодов этой батареей? На первый взгляд, схема довольно обычная, просто соединяющая группу светодиодов параллельно батарее.
Но есть что-то особенное в этой схеме. Это включение четырех светодиодов последовательно с LED и, конечно же, добавление S1.
Мы знаем, что в соответствии с законом Ома напряжение прямо пропорционально току, что подразумевает, что если 6-вольтовое напряжение подается непосредственно на светодиоды, они начнут потреблять избыточный ток, что приведет к ненужному рассеиванию тепла через резисторы и светодиоды, к быстрой разрядке аккумулятора, а так же к снижению эффективности схемы. Это произойдет, потому что разность потенциалов в 6 вольт просто слишком велика, чем прямое напряжение светодиодов (которое составляет 3,6 вольт, как обсуждалось выше).
Добавив 4 диода, мы можем снизить напряжение точно до прямого напряжения светодиодов (так как каждый диод сбрасывает напряжение около 0,6 вольт).
Таким образом, когда батарея полностью заряжена при напряжении около 6 вольт, светодиоды будут получать 3,6 вольта, чего достаточно, чтобы они светились ярко, не рассеивая дополнительную мощность.
Теперь предположим, что напряжение батареи падает до такой степени, что светодиоды становятся слабее по интенсивности. Вы можете просто отрегулировать переключатель S1 на шаг вперед, минуя один из диодов. Это немедленно восстановит яркость светодиодов, возможно, еще на пару часов. После этого процедуру можно повторить, минуя следующий диод.
Таким образом, вы можете получить несколько резервных копий, используя одну и ту же батарею, что было бы невозможно, если бы светодиоды были подключены напрямую.
Список деталей
Для этой цепи аварийного освещения вам понадобятся следующие детали:
- R1 = 1M, ¼ Ватт, 5%, CFR
- R2 = 10K, ¼ Ватт, 5%, CFR
- R3 = 10 Ом 1 Вт
- ВСЕ светодиодные резисторы = 22 Ом, Вт
- C1 = 205/400 В, КПП
- C2 = 100 мкФ, 25 В
- Z1 = 9 В, 1 Вт
- T1 = BD 140
- ВСЕ ДИОДЫ = 1N4007
- S1 = 3-полосный переключатель
- АККУМУЛЯТОР = 6 Вольт 4 Ач
- LED = БЕЛЫЙ, 5мм.
Подключите группу белых светодиодов с несколькими последовательными резисторами к 12-вольтовой батарее, и вот светодиодная цепь аварийного освещения готова!
Существующая схема аварийного освещения светодиодов отличается от других тем, что она потребляет очень мало энергии батареи (6 Вольт) и, таким образом, остается освещенной как минимум на 40% дольше, чем ее обычные аналоги.
Интересно также, что для поддержания свечения белых светодиодов важно напряжение, а не ток. Это свойство белых светодиодов было использовано здесь.
Подсказки по сборке
ВНИМАНИЕ : ВСЯ ЦЕПЬ МОЖЕТ СОДЕРЖАТЬ ОПАСНЫЙ ПЛАВУЩИЙ ТОК ПЕРЕМЕННОГО ТОКА, КОГДА ВКЛЮЧЕНО, ТАК ЧТО ОСТОРОЖНО!БУДЬТЕ ОСТОРОЖНЫ ПРИ ОБРАЩЕНИИ И ИСПЫТАНИИ УСТРОЙСТВА.
Процедура сборки выглядит следующим образом:
- Закончите сборку платы аварийного освещения, правильно спаяя белые светодиоды и другие детали, следуя схеме.
- Размещение и расстояние между белыми светодиодами будет зависеть от размера и структуры корпуса, который может быть построен в домашних условиях или может быть получен в готовом виде.
- Затем вставьте и припаяйте оставшиеся пассивные компоненты, а также транзисторы и диоды. Будьте осторожны с выводами транзисторов и ориентацией диодов.
- Правильно соедините каждый вывод компонента, согнув и припаяв выводы компонента вместе с помощью принципиальной схемы.
- Плотно закрепите аккумулятор и трансформатор в корпусе, из которого выходит только шнур питания переменного тока.
Автоматическое переключение и зарядка аккумулятора
Эта схема аварийного освещения полностью автоматическая и может быть постоянно подключена к сети переменного тока.
Пока питание сети живое, T1 получает прямой положительный выпрямленный потенциал через D1 и, следовательно, не может проводить. Это удерживает светодиоды выключенными, и они не могут загореться.
Тем временем батарея медленно заряжается через D1 и D2.
В тот момент, когда подача переменного тока прекращается, положительный потенциал от базы Т1 удаляется, поэтому он смещается через R2 и начинает проводить, мгновенно освещая матрицу светодиодов.
Аварийное освещение своими руками
Электричество так плотно вошло в наш быт, что при отключении света жизнь как будто замирает, дела не делаются, а в доме царит мрак.
Чтобы перебои в энергоснабжении не стали диктовать вам свои правила жизни, мы расскажем, как сделать для дома, гаража, дачи и даже палатки аварийное освещение своими руками.
Конечно же, для несведущих в электрике людей эта затея может показаться не только непостижимой, но и рискованной, но, как известно, все гениальное – просто!
Несомненно, бросаться в омут электричества с головой без минимальных знаний, по меньшей мере, абсурдно. Поэтому для начала следует узнать азы и все тонкости аварийного освещении.
Как сделать аварийное освещение
Создать самостоятельно аварийную подсветку от аккумулятора в домашних условиях в принципе сможет любой электрик-любитель, если под рукой будет подробная инструкция.
-
Для начала нужно подобрать необходимые светильники, напряжение в которых не будет превышать 12 вольт. По сути, это основное требование, которое предъявляется к аварийным источникам света.
-
В каждой системе экстренной подсветки обязательно должны присутствовать источники автономного питания (аккумуляторные батареи, генераторы), осветительные приборы и другие элементы, например, реле, блок питания, устройство дистанционного управления.
-
Резервное и центральное освещение устанавливаются параллельно друг другу. Совмещать их нельзя!
-
Также и укладка линий аварийной и основной системы должна идти отдельно. Это позволит значительно упростить проверку функциональности систем освещения.
-
В случае с автоматической системой переключения основного освещения на резервное, обе сети подсоединяются к переключателю.
Здесь крайне важно добиться своевременного переключения, именно поэтому сборку такой системы освещения лучше доверить профессионалам.
На сегодняшний день все чаще системы резервного освещения оснащаются устройствами дистанционного управления, такими, как, например, TELEMANDO, который идеально подходит для 12-вольтных светильников типа LED. Этот аппарат способствует экономичному расходу заряда резервного источника питания, а также помогает ликвидировать неполадки в сети, если таковые имеются.
Кроме того в самом устройстве предусмотрены встроенные аккумуляторные батареи и двухпозиционный возвратный переключатель. Обычно устройство дистанционного управления монтируется в распределительных щитках на DIN-реях.
Аварийное освещение своими руками, схема
В мире электрики можно отыскать множество схем резервной подсветки разного типа сложности. Давайте же рассмотрим стандартную схему, в которой будут использованы основной и резервный источники питания и разделительные устройства переключения системы со штатного режима в экстренный.
Для данной сборки такой системы освещения потребуются следующие элементы:
- Лампочки (2 шт.), одна из которых будет работать в обычном режиме, а другая будет включаться при аварийных ситуациях.
- Аккумулятор для обеспечения питания лампы в нештатном режиме работы.
- Блок предохранителей.
- Контакты реле.
- Выпрямитель электрического тока.
В штатном режиме главная лампа соединена с сетью с помощью релейного контакта. Блок резервного питания соединяется с выпрямителем электрического тока и пребывает в состоянии беспрерывной подзарядки.
Когда происходит отключение электричества, второй контакт реле автоматически замыкается, и тогда аккумуляторная батарея начинает подавать энергию на резервный источник света.
Такая схема аварийной подсветки предполагает прокладку двух параллельных энергосетей, где одна осуществляет работу основного осветительного элемента, а вторая – исключительно резерва. Для основного освещения можно брать лампы любого вида, когда как для аварийной подсветки следует выбирать маломощные осветительные источники.
Более простая система аварийного освещения представлена на видео:
Появление светодиодов значительно упростило сборку систем аварийного освещения. Именно на базе этих фонариков и пишутся многочисленные простенькие схемы. Вот как раз такую систему на основе аккумулятора и светодиодной ленты мы и попробуем собрать своими руками. Управление такой подсветки – ручное, соответственно и схема сборки самая примитивная.
Инвентарь
- 12-вольтный портативный аккумулятор 4 Ач, или большей ёмкости, если хотите продлить время работы освещения.
- Светодиодная лента – 2 м. Можно взять отрезок ленты и короче, так расход энергии аккумулятора будет меньше, а резервный свет будет работать дольше. В принципе, вместо ленты можно взять любые другие осветительные источники 12V, в частности светодиодные модули.
- Также нам потребуются контактные провода с разъёмами для соединения аккумулятора с диодами.
Как сделать аварийное освещение своими руками
-
Первое, что нам нужно сделать, это подсоединить контактные провода к светодиодной ленте. Если вы используете всю ленту с отходящими от нее родными проводками, то просто соедините контактный провод с проводами ленты цвет к цвету. Также провод с разъемом подсоедините к аккумулятору по полярностям.
-
Если же вы используете отрезанный кусок ленты, то контактные провода следует припаять к контактам ленты: красный к контакту «+» и черный к контакту «-».
-
После того как контактные провода будут подключены, подсоединяем разъем ленты к разъему аккумулятора. Светодиоды дают достаточно освещенности. Такую систему можно использовать не только, как аварийную подсветку, но и как осветитель в природных условиях (походы, рыбалка, дача).
Узнайте как сделать светильник на солнечной батарее для внутреннего освещения.
LED лампы аккумуляторные
При отключении света первое спасение от мрака в доме – это фонарик или свечка. Света от них мало, да и работают такие методы крайне непродолжительно, если, конечно, у вас нет обширных запасов свечей и батареек.
Сегодня же интернет-магазины буквально пестрят разными моделями светодиодных светильников с аккумуляторными батареями, которые способны давать достаточно света на протяжении нескольких часов беспрерывной работы. Такие светильники имеют несколько режимов работы, они мобильны, долговечны и доступны по стоимости.
Лампочки на аккумуляторах
Также набирают популярность сегодня и аккумуляторные лампы, которые выглядят, как обычные лампочки с цоколем. Такие источники света имеют 2 режима работы: накопительный и аварийный и оснащены удобным переключателем.
В обычном режиме лампочка светит штатно, но при отключении света можно перевести светильник в режим резерва с помощью пульта управления. Стоимость одной такой лампочки доходит до 500 рублей.
И это самый простой вариант аварийного освещения на сегодняшний день.
Фотолюминесцентная эвакуационная система
На многих предприятиях все чаще применяется система фотолюминесцентной подсветки. Для этого используются панели, указатели, планы и другие элементы, обработанные люминофором, либо люминофор внедряется в сам материал, из которого изготовлены указательные элементы.
Люминофор способен в течение дня накапливать в себе свет, а в темное время отдает накопленную энергию в виде зеленого свечения. Однако минус такой подсветки в том, что ночью она будет светить всегда и ее невозможно отключить.
Современные технологии призваны облегчить нашу жизнь, и благодаря их развитию такое событие, как отключение электричества, не способно сделать нас беззащитными, как слепых котят, ведь сделать аварийное освещение своими руками у себя дома на даче и в гараже сможет каждый.
Вам это будет интересно
Освещение в зале с натяжным потолком
Как сделать освещение в маленьком туалете
Как проверить заземление в розетке
Освещение в саду своими руками
Автоматическое аварийное освещение
Автоматическое автономное освещение в работе
Привет!
Автоматическое аварийное освещение с зарядкой
Данная схема автоматического аварийного светодиодного освещения имеет следующие особенности:
1. Яркая и экономичная из-за использования светодиодов.
2. Свет включается автоматически при пропадании напряжения сети и выключается при появлении напряжения.
3. Схема имеет встроенную систему зарядки аккумулятора с автоматическим отключеним зарядки по ее окончании.
4. Не использует сложные и дорогие светодиодные драйверы, собрана на недорогих доступных деталях.
Схема состоит из двух частей: системы зарядки и драйвера светодиодов.
Система зарядки построена на линйеном регуляторе LM317, драйвер светодиодов построен на транзисторе BD140.
Напряжение сети понижается трансформатором до 9 вольт и через диодный мост и сглаживающий конденсатор подеается на вход стабилизатора LM317. Стабилизатор дает зарядный ток через диод IN4007(D5) и токоограничивающий резистор (16ohm) R16. Потенциометром на 2.2K (VR1), выходное напрядение стабилизатора может быть отрегулировано для достижения требуемого зарядного тока. Когда аккумулятор достигает напряжения 6.8V, открывается стабилитрон, и зарядный ток начинает протекать через транзистор BC547 (T1) на землю и перестает заряжать аккумулятор.
Через светодиодный драйвер питаются 12 белый сверхъярких светодиодов диаметром 10mm. Все диоды включены параллельно через резисторы 100 Ом каждый. Все аноды подключены к коллектору транзистора T2, а эмиттер транзистора — напрямую к плюсу 6-ти вольтового аккумулятора. Напряжение с выхода диодного моста подается на базу транзистора T2 через резистор 1 кОм. Когда напряжение присутсвуте, на базе транзистора T2 остается высокий уровень, и транзистор закрыт, и светодиоды не горят. Когда напряжение сети пропадает, на базе транзистора T2 появляется низкий уровень. Транзистор открывается и загораются светодиоды, которые питаются от аккумулятора.
Транзистор BD140 выдерживает ток в 1.5 А. При замене транзистора на более мощный можно увеличить количество светодиодов.
Можно использовать аккумулятор на 12 Вольт, если заменить трансформатор на другой, дающий на вторичной обмотке 12-14 вольт, а также поставить стабилитрон на 14.2 вольта. При этом вместо светодиодов можно использовать обычные светодиодные ленты на 12 вольт.
Какой купить или как собрать самому светодиодный светильник аварийного освещения с аккумулятором
Согласно пожарным нормам, некоторые объекты нуждаются в аварийном освещении. Как альтернатива используется светодиодный светильник аварийного освещения с аккумулятором. Он пригоден для установки в любых помещениях, экономичен, экологически безвреден и просто красиво смотрится. Стоит сразу отметить, что аварийное освещение имеет две функции: эвакуационную – для эвакуации людей в случае ЧП, и освещение безопасности – чтобы исключить аварийную ситуацию, которая может возникнуть из-за отключения света. Аварийный светильник можно либо купить, либо сделать своими руками.
Покупные модели
Магазины электротоваров предлагают большой выбор светильников, в том числе и для нештатных ситуаций. Такие лампы должны обеспечивать достаточный световой поток, чтобы было видно, куда эвакуироваться при аварии, а также быть устойчивыми к агрессивной среде, которая может быть следствием нештатной ситуации. Лучшим вариантом являются светодиодные модели, так как при минимальном энергопотреблении они дают достаточно мощный поток света и при этом очень долговечны.
Вот некоторые модели:
Мощность – всего 2 ватта, однако его хорошо видно на расстоянии, что достигается благодаря исполнению на светодиодах. Переключается в течение одной секунды, заряда хватает на 1,5 часа работы. Конструкция предусматривает подвеску к потолку при помощи тросов. Возможны исполнения не со стрелкой, а с надписями: «выход», «запасной выход», «не входить».

EHP2-01 и его размеры
Кроме подвески к потолку при помощи тросов, имеет возможность крепления на стену. Те же характеристики, что и у предыдущего: время автономной работы при полной зарядке – 1,5 часа, переключение в течение одной секунды, но мощность уже 3 ватта. Вроде бы мелочь, но с учетом того, что это не лампы накаливания, разница будет ощутимая. При необходимости, можно купить такой фонарь с другой надписью: они есть с разными вариантами текста, так что подойдут для любого предприятия.

Эта модель полностью отличается от предыдущих. Здесь нет надписей, потому что его роль не в указании выхода или объяснении что делать, а в том, чтобы включиться при пропадании электричества и дать возможность произвести необходимые действия обученному персоналу. К примеру, предыдущие модели ламп, как правило, предназначены для установки в кинотеатрах, кафе и других местах, где люди, при возникновении непредвиденной ситуации, нуждаются в руководстве – куда идти, что делать. Эта же модель ничего не указывает, а просто светит.

Свет – белый, световой поток, который он дает – 300 Лм. Также снабжен аккумулятором с временем работы в автономном режиме 1,5 часа. Мощность – 5 ватт. Можно крепить на потолок, стену, а также можно носить в руке – очень удобная функция.
Какой выбрать?
Магазины предлагают большой выбор подобных ламп с различными характеристиками, поэтому вопрос «что выбрать именно мне?» вполне закономерен. Хотя универсального совета нет, однако некоторые рекомендации будут весьма полезны.
- Время работы. Понятно, что чем дольше, тем лучше, но желательно иметь какой-то минимум. В среднем, это должно быть не меньше 1,5–2 часов. Эта функция прямо пропорциональна емкости аккумуляторной батареи (чем выше, тем дольше), и обратно пропорциональна мощности лампы. Это важно знать, особенно если хотите доработать купленный прибор своими руками.
- Степень защиты. Обозначается как IP ХХ и означает степень защищенности прибора от пыли и влаги, где первая цифра – уровень защищенности от пыли, а вторая – уровень водонепроницаемости. Минимальное значение для нашего прибора – IP 20, среднее значение, пользующееся популярностью на рынке, – IP Значение IP 65 означает полную защиту от пыли и воды, с возможностью эксплуатировать лампу в местах сильного запыления и присутствия водных струй средней мощности.
- Тип крепления. Выбор крепления зависит от предполагаемого места установки: навесной, настенный, потолочный.
Также есть много других параметров, которые необходимо учесть: размер, цена, цель – будет это просто указатель эвакуационного выхода, или же нужно полноценное освещение места при отключении электроэнергии.
Как собрать самому
Есть много различных схем таких светильников, но если нет очень высоких требований, можно попробовать несложную схему, которую легко собрать своими руками. Она разработана компанией YMYA electronics и пользуется популярностью из-за своей простоты и надежности.

Принцип работы очень прост: как только пропадает 220 В, автоматически зажигаются 12 ярких светодиодов, которые так же автоматически гаснут при появлении напряжения сети.
Эта схема состоит из двух частей: схемы зарядки батареи и управления лампами типа LED. Зарядное устройство состоит из понижающего трансформатора 220/9 В, диодного моста, сглаживающего конденсатора, регулирующего элемента на микросхеме LM317.
Ограничение зарядного тока осуществляется при помощи резистора 16 Ом, 5 ватт, потенциометром 2,2 Ком регулируется ток зарядки, а стабилитрон в цепи базы транзистора ВС547 служит для автоматического отключения заряда батареи.
Вторая часть схемы состоит из транзистора BD140, в коллекторной цепи которого установлена матрица из 12 светодиодов. Резисторы 100 Ом – токоограничивающие. Так как потребляемый ток матрицы может доходить до 1,5 А, транзистор обязательно должен стоять на радиаторе во избежание перегрева и выхода из строя.
Если это слишком сложно, можно взять другую схему, которую собрать своими руками еще проще:

Напряжение 220 вольт подключается к гнезду J1, выпрямляется диодным мостом, собранном на диодах 1N 4004, и поступает на контакты электромагнитного реле. При пропадании напряжения сети реле обесточивается. Нормально закрытые контакты подключают батарею, аварийное освещение включается в работу.
При желании можно подключить не 220 В, а 5 В через контакты J2, J3: теперь схема будет отслеживать наличие этого напряжения. Гнездо J4 используется для подключения зуммера, звонка или любого другого устройства, которое будет оповещать о том, что произошла авария.
Как видим, такие фонари – это не настолько дефицитно или сложно, чтобы отказываться от исполнения требований техники безопасности. Если купить их в нужном количестве дорого, всегда есть альтернативный вариант – собрать своими руками, что будет значительно дешевле.
Простой источник аварийного освещения
Описание схемы и принципа действия простого аварийного светильника на основе энергосберегающей лампы.
Бывают ситуации, когда при отключении электроэнергии необходимо, чтобы какой-то участок остался освещенным. Например, это может быть коридор, подсобное помещение, либо просто рабочее место. В такой ситуации очень поможет аварийный светильник, выполненный на базе обычной энергосберегающей лампы, мощностью не более 9 — 11 Ватт.
Когда сетевое напряжение в норме, лампа работает напрямую от сети. В случае пропадания сетевого напряжения, лампа переключается на питание от аккумулятора. В нормальном режиме работы аккумулятор подзаряжается от сети, тем самым, поддерживая постоянную работоспособность светильника. Принципиальная схема такого светильника показана на рисунке 1.
Работа устройства аварийного освещения в нормальном режиме
В качестве детектора наличия напряжения сети используется мостовой выпрямитель VD3 подключенный через балластный конденсатор С3. Резистор R2 предназначен для ограничения тока в момент зарядки конденсатора С6. Этот конденсатор предназначен для сглаживания пульсаций выпрямленного сетевого напряжения. Светодиод HL1 выполняет роль индикатора сетевого напряжения, через него также подключены соединенные последовательно обмотки реле K1.
Как видно из схемы, реле будет включено только при наличии напряжения в сети и замкнутом выключателе SA1.1. Вторая контактная группа SA1.2 предназначена для подключения аккумуляторной батареи GB1 к преобразователю напряжения.
Напряжение сети через контакт K1.1 поступает на лампу EL1 и первичную обмотку трансформатора T1. В таком состоянии (реле K1 включено) контакты реле K1.3, K1.4 подключают вторичную обмотку трансформатора T1 к выпрямителю на диодах VD1, VD2, выполненного по схеме удвоения напряжения. Это напряжение получается на конденсаторах C4, C5 и используется для питания устройства зарядки аккумулятора.

Рисунок 1. Схема аварийного светильника.
Схема зарядки аккумулятора
Устройство зарядки состоит из управляемого источника тока собранного на регулируемом интегральном стабилизаторе DA1 типа КР142ЕН12А. Максимальный ток зарядки ограничивается сопротивлением резистора R3, и при указанных на схеме номиналах составляет 120 — 130 мА. Звездочка на схеме рядом с обозначением этого резистора означает, что при настройке может потребоваться его подбор.
На параллельном стабилизаторе DA2 собран узел управления процессом зарядки. Когда напряжение аккумулятора невелико стабилизатор DA2 закрыт, светодиод HL2 светит очень слабо, почти не светит, батарея будет заряжаться максимальным током.
Напряжение батареи в процессе зарядки будет постепенно возрастать, и через делитель R5, R6 воздействовать на управляющий электрод стабилизатора DA2. Как только напряжение на этом электроде превысит уровень 2,5 В начнется увеличение катодного тока стабилизатора (вывод 3 DA2). Возрастает яркость свечения светодиода HL2, а ток зарядки будет уменьшаться. Чем ярче светит светодиод, тем меньше ток зарядки. Поэтому ток зарядки плавно уменьшается и постоянно поддерживает батарею в заряженном состоянии. Именно так ведет себя данное устройство при наличии напряжения в сети.
Работа устройства в аварийном режиме
Когда напряжение в сети пропадет обесточится катушка реле K1, и оно возвратится в исходное положение, как показано на схеме. Плюсовой вывод аккумулятора через контакт реле K1.2 соединится с генератором. Но вместе с этим не следует забывать, что сетевой выключатель SA1 останется включенным (на схеме он показан в положении «Выключен»), и его контактная группа SA1.2 уже соединяет минусовой вывод батареи аккумуляторов с генератором, который выполнен на микросхеме DD1. Таким образом, напряжение с аккумулятора будет подано на генератор.
Генератор начнет вырабатывать импульсы частотой около 50 Гц, которые управляют работой усилителя мощности, собранного по мостовой схеме на транзисторных сборках VT1, VT2.
К выходу мостового усилителя через контакты реле K1.3, K1.4 будет подключена вторичная обмотка трансформатора T1, как показано на схеме. В этом режиме трансформатор работает как повышающий и питает лампу EL1. Лампа продолжает светить, получая питание от аккумулятора.
Контакт реле K1.1 в это время разомкнут, поэтому напряжение с трансформатора до выпрямителя VD3 не доходит, а реле K1 остается выключенным. Когда напряжение в сети появится, через выпрямитель VD3 включится реле K1, и нормальная работа устройства восстановится.
Батарея составлена из семи аккумуляторов типоразмера AA емкостью 1000 мА*ч. При использовании лампы EL1 мощностью 11 Вт такой батареи хватает на 45 минут работы светильника. Если требуется большее время автономной работы, достаточно просто установить аккумуляторы большей емкости.
Налаживание устройства аварийного освещения
Налаживание устройства несложно. Его следует начинать с настройки тока подзарядки аккумулятора, для чего следует подключить устройство к сети с полностью заряженным аккумулятором. С помощью подстроечного резистора R6 установить ток подзарядки батареи в пределах 0,5 — 1,0 мА.
После этого отключить блок от сети, должен запуститься генератор. Частота генератора должна быть около 50 — 60 Гц. Подстроить частоту можно подборкой резистора R1.
Напряжение на выходе преобразователя, в случае использования энергосберегающей лампы, при измерении цифровым мультиметром М-832 должно быть в пределах 280 — 305 В. Такое, казалось бы, завышенное напряжение, вместо 220 — 240 В объясняется прямоугольной формой импульсов на выходе преобразователя при работе светильника в аварийном режиме.
Если предполагается использование лампы накаливания, то выходное напряжение преобразователя следует установить в пределах 200 — 215 В.
Необходимого напряжения на выходе преобразователя можно добиться изменением количества витков вторичной обмотки трансформатора. Такую настройку сделать несложно, если трансформатор имеет разборную конструкцию, вторичная обмотка находится поверх первичной либо на отдельной катушке.
Детали и конструкция
Весь электронный блок можно собрать на плате из фольгированного стеклотекстолита толщиной 1,5 мм. Возможный вариант платы показан на рисунке 2.

Рисунок 2. Печатная плата электронного блока светильника.
Плата рассчитана на установку резисторов типа МЛТ-0,125, подстроечного резистора R6 типа СП3-19а. Электролитические конденсаторы импортные с рабочим напряжением не ниже, чем указано на схеме. Конденсаторы С2 и С3 пленочные типа К73-17, конденсатор С7 керамический малогабаритный.
Реле K1 типа РКМ-1, напряжение его срабатывания при последовательном соединении обмоток (как показано на схеме) 24 В при токе срабатывания около 25 мА. В качестве замены подойдет любое реле с такой же схемой контактов, напряжением катушки и током срабатывания, например импортное TRY-24VDC-P4C.
Питание катушки реле осуществляется через выпрямитель VD3, ток через который ограничен балластным конденсатором С3. Его емкость следует подобрать такой, чтобы ток, выдаваемый выпрямителем в режиме короткого замыкания, был чуть больше требуемого для срабатывания реле. Для примененного реле этот ток составляет 30 мА. В случае применения реле другого типа конденсатор С3 придется подобрать.
Максимально допустимый ток светодиода HL1 типа КИПМО1Г-1Л по техническим условиям 60 мА. Поэтому через него, не опасаясь, можно подключить катушку реле K1. Данный светодиод можно заменить любым красного цвета свечения. Чтобы снизить ток через светодиод до допустимого значения параллельно ему придется подключить резистор сопротивлением 150 — 200 Ом. Светодиод HL2 можно заменить любым зеленого свечения, при этом никаких доработок не потребуется.
Трансформатор T1 используется от сетевого адаптера. При токе нагрузки около 1 А напряжение вторичной обмотки должно быть около 9 В, а вторичная обмотка выполнена проводом диаметром не менее 1 мм. Габариты трансформатора должны быть таковы, чтобы он смог уместиться на плате.
Готовая плата устанавливается в корпус подходящих размеров, в котором необходимо сделать отверстия для светодиодов. Для подключения лампы в устройстве следует установить электрическую розетку. Если же электронный блок будет частью светильника, то можно в этом же корпусе установить обычный стандартный патрон.
Схема подключения блока аварийного питания для светодиодных светильников
Здравствуйте, дорогие читатели! В данной статье вы узнаете, что такое аварийное освещение. Разберём схемы с использованием, как отдельных, так и одного осветительных приборов для штатного и нештатного режимов. Любая система аварийного освещения включает в себя генератор электроэнергии или аккумуляторную батарею, само осветительное оборудование, а также дополнительные элементы. Автоматические переключатели соединяют две электросети – основная и аварийная. При этом для пользователей крайне важна автоматичность данных переключений, а также их своевременность.
Использование отдельных осветительных приборов для штатного и нештатного режимов
В большинстве случаев, системы применяются для обустройства нештатного освещения довольно низкой мощности. Эксплуатация отдельного осветительного оборудования во время нормальных условий и в случае непредвиденного сбоя в работе энергосети поможет улучшить уже имеющуюся конструкцию без серьезных ее нарушений.
Схема подключения аварийного освещения, в которой были использованы главный и дополнительный источник питания, а также раздельные оптические устройства для работы в штатном и аварийном режиме содержит следующие компоненты:
- две лампочки, одна из них работает в нормальном режиме, вторая включается во время возникновения нештатной ситуации
- аккумуляторная батарея для питания осветительного элемента при отключении электроэнергии
- предохранительный блок
- контакты реле
- выпрямитель
В нормальном режиме работы основная лампочка соединяется с электросетью посредством определенного контакта реле. Аккумулятор подсоединяется к выпрямителю и находится в состоянии перманентной подзарядки.

Аварийное освещение, раздельные источники для основного и аварийного света
Во время отключения электроэнергии происходит автоматическое замыкание второго контакта реле, после чего энергия от аккумулятора подается на аварийный осветительный элемент. Данная схема светильника аварийного освещения предполагает прокладку двух сетей энергоподачи. Одна из них обеспечивает электричеством основной осветительный элемент, а вторая работает исключительно в нештатной ситуации. В качестве главного элемента можно использовать лампочки какого-либо вида. Для нештатного режима применяются лампочки накаливания гораздо меньшей выходной мощности, нежели основной элемент.
Особенности аварийной подсветки
Экстренная подсветка является независимой от основной сети и призвана создавать достаточную визуализацию для свободного ориентирования людей в темноте при отключении основного освещения.

Согласно регламентам ПУЭ экстренное освещение должно иметь белый свет и минимально допустимую освещенность в 1 лк.
Для обеспечения аварийной подсветки можно использовать любые источники света: лампы накаливания, люминесцентные лампы.

Но наиболее востребованными сегодня являются 12-вольтные светодиоды LED. Они дают достаточно света и к тому же значительно экономят запасы энергии аккумулятора, что позволяет использовать такое освещение дольше.
Собираясь установить дома резервные источники света, следует также взять на заметку следующие правила:
- В одном помещении следует устанавливать как минимум два светильника, чтобы в случае неисправности одного, второй взял на себя задачу по освещению.
- Устанавливать светильники следует так, чтобы они смогли обеспечивать достаточную для ориентирования в темном помещении визуализацию. Лучше всего монтировать лампы в центре помещения, а также в местах повышенной травмоопасности и важности: лестницы, дверные проемы, проходы, повороты, пульт управления освещением, выход.

- Следует хорошо продумать схему аварийной подсветки, а также метод её управления: ручной или дистанционный. В случае с ручным методом управления, нужно обеспечить простой доступ к включателю, чтобы в темноте с легкостью найти источник питания освещения.

Использование одного осветительного прибора (любой вид лампочек) для штатного и нештатного режимов
Данный тип системы нештатного освещения построен на принципе непрерывного питания осветительных элементов. В независимости от того, возникла ли аварийная ситуация, осветительное оборудование работает от переменного тока. Принципиальная схема аварийного освещения способна стабилизировать переменный ток в случае непредвиденных сбоев в работе энергосети.
Схема управление аварийным освещением, которая использует один осветительный прибор для всех режимов работы и осветительные элементы любого типа состоит из следующих компонентов:
- лампочка накаливания для обоих режимов работы
- два контакта реле
- выпрямитель
- инвертор
- аккумулятор

Аварийное освещение, один источник света для нормального и аварийного режима
Данная система очень похожа на предыдущую, но все-таки отличается от нее наличием инвертора. Этот элемент превращает заряд аккумулятора в переменный ток. В случае возникновения нештатной ситуации осветительный элемент запитывается от сети через инвертор и выпрямитель. При помощи данной системы можно добиться незаметного перехода из нормального режима работы в аварийный.
Популярные модели и их характеристики
Рассмотрим наиболее популярные на сегодня модели блоков аварийного подключения, применяемых для светодиодных светильников.
| Модель | Особенности работы и подключения |
| ES1 | Применяется как для светодиодных, так и для люминесцентных лампочек. Параметры работы: Предназначен для светильников от 6 до 58 Вт.Продолжительность действия – 1-3 часа. |
| IS 200 EK-17 | Устанавливается в схему с лэд-элементами или люминесцентным светильником. Характеристики: Выходная мощность – 8 Вт.Выходное напряжение – 220 В.Длительность работы – 1 час.Зарядка – 24 часа.Суммарная мощность – 200 Вт. |
| БАП 20-100-2.0 – 3.0 | Используется для ламповых осветительных приборов. Параметры: Время – 1-3 часа.Рабочее напряжение – 100 В.Емкость АКБ – 2 А. ч. |
| Stabilar BS-200-3 LED | Предназначен для установки в сеть с лед-лампочками. Характеристики функциональности: Выходная мощность – 6 Вт.Продолжительность – 3 часа. |
Большинство блоков аварийного питания серии UNILED устанавливаются в электросхему последовательно соединенных светодиодных светильников номиналом от 1 до 9 вольт. Также они пригодны для монтажа в систему ламп напряжением от 12 В. При этом наличие или отсутствие драйвера никак не влияет на их функциональность.
Внимание! Современные блоки резервного питания для светодиодных светильников, такие как Stabilar BS-200-3 LED, оснащены специальной системой Telecontrol – переводящей устройство из аварийного состояния в режим ожидания. Дополнительная функция Sparklogic позволяет также интегрировать его с пожарной сигнализацией.
Схема аварийного освещения с АВР
Независимый тип в этой большой группе образуют системы, которые дополнительно оснащаются прибором самостоятельного запуска резерва.
Модули аварийного освещения схемы, которая использует прибор самостоятельного запуска резерва, представлены здесь следующими компонентами:
- первый ввод энергии
- второй ввод
- третий ввод
- группа автоматических выключателей
- четыре контакта реле
- реле, контролирующее напряжение в электросети
- две шины питания для разных режимов работы
Если электричество подается на первый ввод, то оно проходит через один контакт, один автоматический выключатель и через шину для нормального режима работы. Если произошел сбой в подаче электроэнергии на первый ввод, ранее используемый контакт размыкается, одновременно с этим замыкается контакт для аварийно работы, после чего электроэнергия поступает на потребители со второго ввода.
Если электроэнергия не поступает на оба первых ввода, система сигнализирует об этом и в автоматическом режиме запускается топливный генератор, после чего происходит замыкание третьего аварийного контакта. После чего электроэнергия поступает на третий ввод. В случае необходимости два реле стабилизируют напряжения на вводе и продолжают контролировать его.
Данные устройства не только оценивают значение напряжения, но и его динамику. То есть система контролирует скачки и провалы в поступлении электроэнергии. Благодаря этому можно не бояться пропаданий света или мигания ламп.

Аварийное освещение, схема аварийного освещения с АВР
Осветительный элемент подключается к шине для нормальной работы посредством автоматических защитных устройств, а к шине для нештатной ситуации через защитные устройства, в то время как сама шина подключает к первой посредством четвертого контакта реле.
Второй ввод электроэнергии может быть представлен отдельной фазой сети или просто независимой системой питания. Очень часто для таких целей используют инверторы, которые трансформируют заряд аккумулятора в переменный ток. Данные системы очень часто устанавливаются на стадионах и других местах скопления людей.
Основным плюсом данных систем является длительный срок эксплуатации осветительных элементов, поскольку они не подвержены разрушительному воздействию скачков напряжения, а также важна надежная резервация энергии.
Вывод
Вышеописанные системы нештатного освещения способны обеспечить на практике любой случай резервирования энергии. Также следует упомянуть о том, что необходимо позаботиться не только о нештатном освещении, но и подаче электроэнергии на технику, резкое прекращение работы которой может повлечь неприятные последствия.
Для корректного выбора, а также создания какой-либо схемы необходимо провести первичный анализ, в ходе которого выяснить необходимую мощность сети, условия использования светильников, а также время для резервирования. Очень важно учитывать еще методы установки линий электросети – воздушный или кабельный.
Кабельное подключение хорошо тем, что в этом случае практически исключены риски обрыва, в то время как воздушные подключения подвержены возникновению таких неприятностей. Очень часто воздушные провода обрываются во время спила деревьев, или же их цепляют слишком габаритные автомобили. Недостатком кабельного коммутирования является сложность ремонта.
В случае проведения каких-либо земляных работ существует риск повредить кабель. В таком случае крайне тяжело отыскать поломку и устранить ее.
Любая система нештатного освещения оснащается аккумуляторными батареями, а также преобразователями электрического тока. Как показывает практика, наиболее надежными на протяжении всего срока эксплуатации являются батареи, которые надежно герметизированы.
Любая система нештатного освещения обладает модульной структурой. Существует возможность монтировать ее на стены и на потолок, в некоторых случаях используются подвесные конструкции. В модулях находятся полупроводниковые инверторные компоненты, которые способны превратить до 90% заряда аккумуляторной батареи в переменный ток. Также благодаря модульной конструкции очень просто производить ремонт одного из элементов системы, а также быстро менять конфигурацию системы. Таким образом, система получается более надежной и долговечной.
Более дорогостоящие системы нештатного освещения могут дополнительно оснащаться сигнализирующим оборудованием, а также техникой для контроля основных функций. Данная техника в автоматическом режиме диагностирует состояние аккумуляторных батарей, а также работоспособность всей конструкции. Некоторые системы оснащаются даже устройствами для удаленного контроля.
Подключение светодиодного светильника к 220В
Способы установки можно условно разделить на три вида. У каждого свои особенности, достоинства и недостатки.
Последовательное
Используется в помещениях, к освещению которых нет высоких требований, чтобы сэкономить длину кабеля. В монтаже используются несколько двойных или тройных проводов. Не следует в одну цепь соединять более шести светодиодных лампочек, в противном случае свет от них будет тусклым. Недостаток способа в том, что при поломке одной лампы, проверять придется каждую – только так можно определить и устранить поломку.

Как осуществить? Обратите внимание на схему подключения. Сложностей такое подключение вызвать не должно. От выключателя к первому светильнику проводится фаза, затем от первого переключателя кабель протягивается к следующему устройству. К последнему светильнику нужно будет проложить ноль, который пущен от распределительной коробки.
Будьте внимательны! Если перепутать питание и ноль местами, светильники будут под постоянным напряжением – это небезопасно.
Параллельное
Такое соединение используется чаще – оно практичнее. Каждый светильник будет ярким настолько, насколько это заявил производитель. Минус заключается в том, что проводника потратить придется намного больше.

Обращайте внимание на кабель ВВГ нг 2*1,5 или 3*1,5 – он негорючий, имеет качественный изоляционный ПВХ-слой. В помещениях с повышенным требованиями можно купить кабель с маркировкой ls, которая означает, что при воспламенении кабель не будет выделять много дыма.
Чтобы осуществить такое подключение, протяните кабель от распределительной коробки через выключатель, поочередно соедините с каждым светильником. Обрезайте кабель после первого и передавайте его к следующему до тех пор, пока все лампы не будут соединены в общую сеть. Плюс такого способа в том, что при поломке одной лампы, сеть остается работоспособной.
Лучевое
Наиболее трудоемкий и дорогой способ соединения. К каждому прибору кабель прокладывается индивидуально.

От распределительного щитка проводим проводник в центр комнаты, а оттуда – к каждому отдельному светильнику. Затем к нулю и фазе проведите одножильные провода, их также проводим к каждой лампе отдельно.
Делаем аварийное освещение от аккумулятора

Часто бывает так, что электроэнергия, по разным причинам отсутствует, и освещения нет. Тогда в ход пускаем свечки, фонарики, ну на худой конец керосиновые лампы. Свечки коптят и пожароопасные, фонарик имеет направленный свет и не всегда большой ресурс свечения. Предлагаю изготовить альтернативу.
В данной конструкции будут использованы доступные компоненты, в основном из старых компьютерных блоков питания. Принципиальная схема устройства приведена ниже:

Источником питания схемы служит 12В аккумулятор, ёмкостью не менее полутора ампер – часов. ВНИМАНИЕ: на выходе схемы у нас получится постоянное напряжение с амплитудой 220 вольт, БУДЬТЕ ОСТОРОЖНЫ. Роль источника света будет выполнять лампочка «экономка», мощностью 8 – 15 ватт.
Компоненты, позаимствованные из компьютерного блока питания:
– импульсный трансформатор;
– ШИМ контроллер TL494;
– высоковольтные конденсаторы (С3, С4);
– высокочастотные диоды (VD1, VD2);
Остальные компоненты необходимо докупить. Все компоненты смонтированы на односторонней печатной плате, размерами 50мм. на 54мм. (минимальные размеры, без учёта места под крепёж).

Файл печатной платы выполнен в программе Sprint-Layout 6.0 (5.0) и прикреплён в конце статьи, в архиве. В файле вид платы со стороны компонентов.
Выходные транзисторы необходимо установить на теплоотвод, радиатор, к примеру, от процессора старого компьютера. Правильно собранное устройство в наладке не нуждается и заработает сразу. При включении плата потребляет кратковременно, на заряд конденсаторов, около 1,5 ампера, затем по окончании заряда 0,75 ампер в час.
Так как корпуса ещё нет, соответственно радиатор для пробы не прикручивал.


Лампочка загорается почти сразу, и светит как от обычной электросети. Лампочку можно расположить либо рядом с корпусом, либо на потолке как альтернативный светильник.
ВНИМАНИЕ: на выходе схемы у нас получится постоянное напряжение с амплитудой 220 вольт, БУДЬТЕ ОСТОРОЖНЫ.
Как сделать автоматическое аварийное освещение своими руками?
Аварийное освещение (серия дачная автоматизация)
Автор: KomSoft
Опубликовано 11.11.2014
Создано при помощи КотоРед.
К созданию этого устройства когда-то подтоклнули две вещи: периодическое пропадание электричества на даче и статья «Устройство защиты аккумуляторной батареи от глубокого разряда «УЗАБ» (https://radiokot.ru/circuit/power/charger/11/). Девайс был собран, протестирован и практически забыт, т.е. в течении двух лет стоял без дела, периодически от скуки включался и выключался для проверки работоспособности. Только недавно, когда на даче выключили свет, и устройство реально понадобилось, решил оформить его в качестве статьи. Устройство не претендует на оригинальность, а относится к разряду тех, которые ищешь в интернете в виде готового решения.
Исходные требования к устройству были таковы:
- В выключенном состоянии совсем не потребляет ток (реализовано — за счет реле схема полностью отключена от аккумуляторной батареи — АБ.)
- При появлении сетевого напряжения (подключении к сети) нагрузка отключается и включается режим заряда АБ.
- Режим защиты АБ — при снижении напряжения (под нагрузкой) до 10.7В включается светодиод «Батарея разряжена», при снижении ниже 10.3В — нагрузка отключается. Пороги срабатывания регулируются.
- «Умная» зарядка в 3 этапа: этап I — зарядка постоянным током 0.2С, этап II — зарядка постоянным напряжением 14.6В, этап III — зарядка постоянным напряжением 13.6В.
- «Умная» зарядка реализована по схеме от volvolyn (https://radiokot.ru/forum/viewtopic.php?f=25&t=23&start=420)
Дай Бог РадиоКоту здоровья и полную миску валерьянки за идеи!

Чтобы не отбирать хлеб у авторов, подробно о работе схем читаем у них. Остановлюсь только на особенностях реализации.
Итак, как живет устройство.
В исходном состоянии, когда устройство стоит отдельно, все отключено от аккумулятора и батарея разряжается только за счет саморазряда.
Нажатие на кнопочку «On» через нормально замкнутые контакты реле К1 подает питание на схему УЗАБ.
Схема УЗАБ отличий от авторской не имеет, за исключением диода VD9. Дополнительный диод VD9 (которого нет в первоначальной схеме УЗАБ) запрещает подачу напряжения в нагрузку через кнопку SB1 «On» до срабатывания реле, что исключает перегорание слаботочной кнопки SB1 или диода VD8 при мощной нагрузке. Во-вторых, он компенсирует падение напряжения на VD8 для нормальной работы схемы сравнения напряжения АБ в УЗАБ.
Далее, если напряжение АБ выше порогового, через компаратор U1A и транзистор VT3 включает реле K2 и подает напряжение на нагрузку. Когда напряжение АБ снижается ниже порога, то вначале загорается светодиод HL4, индицирующий низкий заряд батареи, а затем при дальнейшем снижении напряжения — нагрузка отключается. Вручную отключить нагрузку можно, нажав кнопочку «Off».
При подключении к сети 220В через резистор R12 включается реле К1, отключая нагрузку (зачем нам аварийная лампочка, если есть свет?) и начинается зарядка батареи.
Аккумуляторная батарея (АБ) напряжением 12В подключается к клеммам В+ и В-, нагрузка подключается к «Out 12V». На вход подается напряжение от любого источника постоянного напряжения 17-20В, обеспечивающего нужный ток зарядки (1-2А).
Устройство обильно снабжено индикаторами состояния:
HL1 (оранжевый) — идет зарядка,
HL2 (зеленый) — подключено к сети,
HL3 (зеленый) — подано напряжение на нагрузку,
HL4 (красный) — батарея разряжена и скоро отключится.
Плата, дорожки в слое TOP, т.е. перед нами (темно-синим — перемычки). При повторении зеркалить не нужно:

Расположение деталей, выводные — с обратной стороны платы:

Фото собраной платы (все высокое уложено горизонтально), плата прикручена радиатором к крышке корпуса для теплоотвода ибо L200 нехило греется при зарядке:

Как говорится, правильно собраное устройство начинает работать сразу. Но в данном случае придется поработать отверткой покрутив четыре подстроечных резистора и подобрав еще один.
Настройка УЗАБ:
Резистором R16 — выставить желаемый порог индикации «Батарея разряжена» 10.5-11В.
Резистором R15 — выставить желаемый порог отключения нагрузки 10-10.5В.
Настройка зарядного устройства:
Резистором R11 установить на выходе 13,6. 13,8В без нагрузки.
Резистор R9* (R91*) — подобрать для достижения на выходе 14,6. 14,8В без нагрузки при закороченных К и Э VT1.
Резистором R6 — выставить 0,5В между движком и верхним по схеме выводом R6 (определяет ток зарядки, при котором устройство переходит из режима II в режим III. Я установил 0.45В — чтобы переход происходил при токе 0.02С).
Реализация в железе.
Поскольку я имею дело с компьютерами, реализовано это все практически бесплатно на их потрохах (покупалась только L200C и какие-то мелочи).
Корпус — от блока питания AT/ATX, АБ — после замены в UPS (для наших целей еще сгодиться), вертикально не стала в корпус, да и горизонтально с трудом — пришлось поработать ножовкой. Реле — от мониторов с петли размагничивания. Подстроечники, диоды, конденсаторы и резисторы — оттуда же. Транзисторы КТ502/503 заменяются на аналогичные p-n-p/n-p-n, например на A733/C945 с изменением рисунка платы или впаиванием «раком». Диод КД212 — любой мощный (желательно шоттки) от блока питания на ток более 1А (при использовании батареи 7А/ч зарядный ток 0.7А).
Блок питания используется на 17-20В и ток около 1-1.5А. Я использовал от какого-то старого ноута с нестандартным напряжением, пролежавший много лет в тумбочке из-за своей нестандартности, прикручен на заднюю стенку.

Собственно аварийное освещение — светодиодная лампа на 12В, купленая шефом на eBay как ближний/дальний, а на деле оказавшаяся AntiFog. После перегорания предохранителей в автомобиле две штуки переданы мне в качестве наказания (вторая использована при освещении дачного туалета). Запаяна в переходную платку к разъему Molex от винчестера с прикрученым туда же магнитом на ушках от него же. Естественно можно подключить и другую нагрузку, требующую 12В.

Нажимаем на кнопочку «On» — да будет свет!

Подключаем провод питания — свет выключается, начинается зарядка батареи.

И пусть это устройство используется пореже.
Как сделать резервное освещение в доме?
Несколько простых идей организации аварийного освещения в доме своими руками. Узнайте, как организовать резервное освещение, если временно отключат электроэнергию.
Современный человек зависим от энергетических технологий комфорта, поэтому отсутствие электричества воспринимается как конец света, поскольку домашняя техника не работает, темно, светильники не горят. В этой статье мы расскажем, как сделать аварийное освещение в доме своими руками, предоставив несколько простых идей, схем монтажа и видео примеров готовых решений. Содержание:
- Светильники на аккумуляторах
- ИБП
- LED лампы на батарейках
- Правила и требования
Светильники на аккумуляторах
Сейчас электронные компоненты сделали рывок в развитии и миниатюризации. Экономичные LED диоды по мощности способны стать основным источником освещения. Аккумуляторы стали доступны по цене, а сложные устройства помещаются в корпус одной микросхемы. Промышленность сейчас выпускает аварийные автономные светильники компактных размеров, устанавливаемых стационарно или с возможностью мобильного перемещения.
Схема работы устройств достаточно простая. В нормальном состоянии, когда присутствует напряжение на входе, электронная схема производит зарядку аккумулятора, контролирует его состояние. В момент отключения электроэнергии, происходит запуск светильника от аккумулятора, и включается аварийное освещение.
Сделать резервный автономный источник света можно практически из хлама. Раньше для светильников использовали люминесцентные лампы, однако для самостоятельного повторения такие схемы относительно сложные, из-за наличия высоковольтного преобразователя. С появлением светодиодов стало на много проще, поскольку его можно питать и от источника 3 вольта. В сети интернет, предлагается множество радиоэлектронных схем, собранных радиолюбителями или же срисованных с серийных, готовых образцов. Разберем самую простую схему резервного освещения для жилого дома:
Источником 12 вольт может быть любой сетевой адаптер, рассчитанный на это напряжение. Диоды VD1 И VD2 блокируют ток разряда через компоненты устройства. Резистор R1 ограничивает зарядный ток аккумулятора. Силовой ключ, при наличии напряжения 12 вольт, закрыт положительным потенциалом на базе транзистора. Тумблером S1 происходит принудительное открывание ключа. Снимая с базы положительное смещение резистором R2, открывая транзистор и подключая батарею к источнику света. Данная схема может быть повторена самостоятельно, выбор элементов не критичен, и можно переделать на другое напряжение. Есть где разгуляться.
Вторая схема аварийного освещения дома более сложная, в ней присутствует цепочка контроля заряда, батареи:
Интегральный стабилизатор LM 317 обеспечивает схему постоянным напряжением, транзистор Т1 стоит в цепочке обратной связи, контролирует величину заряда на батарее и регулирует стабилизатор, добавляя или уменьшая напряжение. На ключе Т2, организованна схема запуска аварийного освещения. При наличии положительного напряжения на базе светодиоды не работают.
В описанных устройствах есть один нюанс, они следят только за наличием напряжения на входе. Если в светлое время суток произойдет перебой с поставками электроэнергии, аварийные светильники честно отработают свое назначение. Т.е. будут работать, пока не разрядится аккумулятор или не поступит электроэнергия. Поэтому лучше сделать резервное освещение по следующей схеме:
В этом варианте присутствует фотореле, которое не позволит включить аварийное освещение в доме в светлое время суток. На транзисторе Т1 организован узел контроля освещенности с фоторезистором LDR1. Как видите они не сложные, элементы доступны и распространены.
В качестве готового решения можно использовать компьютерные источники бесперебойного питания UPS. Прокладка аварийной осветительной группы в этом случае должна осуществляться отдельным кабелем, от силовой группы, но осуществлять питание светильников транзитом, через UPS. В данном устройстве можно применять обычные и люминесцентные компактные лампы на 220 вольт.
Кстати, о том, как выбрать источник бесперебойного питания, мы рассказывали в соответствующей статье. Ознакомьтесь с советами, если хотите сделать аварийное освещение в доме, используя ИБП.
Обзор данной идеи предоставлен на видео:
Еще одна интересная идея изображена на схеме:
В данной схеме есть зарядное устройство, низковольтное реле, диод, и преобразователь 12/220. Его можно не ставить, а вместо него использовать светодиодные модули на 12 Вольт.
В нормальном состоянии, когда напряжение подается на зарядное устройство, реле, подключенное к клеммам, втянуто, и модули не подключены к аккумулятору. При прекращении подачи на зарядное устройство напряжения, реле замыкает другую группу контактов, включая световые модули. Диод в схеме блокирует разряд батареи через обмотку реле. Данный проект, проще не придумаешь, поэтому он будет под силу человеку, далекому от нюансов электроники.
LED лампы на батарейках
На просторах интернет-магазинов встречаются лампы, с виду обычные LED, но в них присутствует аккумуляторный накопитель, позволяющий работать какое-то время при отсутствии электричества. Данное устройство имеет стандартный цоколь E27, и по размерам поместится в большинство светильников.
С помощью переключателя можно выбрать режим работы лампы, в качестве накопительного — аварийного, или же обычный режим. Используя LED лампочки на аккумуляторах можно сделать резервное освещение в квартире либо жилом доме совсем без усилий. Недостаток аккумуляторных LED ламп в высокой стоимости, около 500 рублей, однако если учитывать, что для всех комнат затраты выйдут около 3 тыс. рублей, можно сказать, что это не так уж и дорого.
Напоследок рекомендуем вам просмотреть еще одну идею организации резервного освещения в частном доме либо гараже на базе солнечных батарей:
Пример использования солнечных панелей
О том, как подключить солнечные батареи своими руками, мы также рассказывали в отдельной статье!
Правила и требования
Касательно аварийного освещения в помещениях существует несколько правил по ПУЭ и другим, не менее важным нормативным документам. Итак, если вы решили сделать в частном доме либо на даче резервные источники света, учитывайте следующие требования:
- В любом помещении должно находиться минимум два аварийных светильника, на случай если один придет в негодность.
- Светильники должны располагаться друг от друга, так чтобы обеспечить минимальную освещенность в 1 Лк, по центру коридора, на пути эвакуации.
- Аварийные осветительные приборы не должны находиться дальше двух метров от важных точек объекта (проходы, двери, повороты, лестницы, пульты управления).
- Светильник должен быть установлен у каждой двери, для выхода из помещения, а также на лестничной площадке, в коридоре, кладовке и даже туалете. Однако для домашних условий это правило не такое уж и важное, тут можно руководствоваться лишь своими предпочтениями.
Вот и все, что хотелось рассказать вам о том, как сделать аварийное освещение в доме своими руками. Надеемся, наши идеи вам понравились!
Советуем также прочитать:
- Как сделать свет в гараже если нет электричества
- Как меньше платить за свет легально
- Какая освещенность должна быть в доме
Применение бесперебойника
Особенности организации аварийного освещения
На сегодняшний день существуют различные виды освещения. Если со многими их видами обычный пользователь знаком более-менее, то аварийное освещение (тем более светодиодное) для многих остается настоящей загадкой.

Дело в том, что в доме такой тип подсветки встречается крайне редко. Зато он характерен для промышленных и производственных предприятий. Данная статья расскажет вам, что представляет собой аварийное освещение, а также наиболее важные моменты ее проектирования, организации, тестирования и проверки и обслуживания.
Особенности аварийной подсветки
Аварийное освещение (его еще называют экстренным или эвакуационным) является системой независимого типа подсветки, которое при этом подключено к центральной осветительной установке. Основное предназначение сводится к созданию видимости на определенном уровне, которое позволяет людям ориентироваться в ситуациях отключения или поломок центрального освещения.
Система аварийного освещения предназначена для создания подсветки, при которой люди смогут свободно ориентироваться в пространстве в любых помещениях промышленных и производственных зданий, а также в доме. При этом вся система должна обязательно отвечать правилам установки электроприборов (ПУЭ).
Обратите внимание! Аварийное освещение является неотъемлемой частью общей системы светового обеспечения помещений в регионах, где часто происходят бедствия природного и техногенного характера. Пример такой подсветки можно найти на любом производственном объекте.

Вариант аварийного освещения
В связи с этим такой системой в обязательном порядке должны оборудоваться все общественные и промышленные предприятия.
Обычно аварийное освещение являются частью рабочего типа подсветки. Проектирование системы светового обеспечения помещений часто использует для рабочего и экстренного освещения одни и те же осветительные приборы. При этом система аварийной подсветки может делиться на следующие разновидности:
- резервное. Такой тип подсветки должен обеспечивать такой уровень света, чтобы на предприятии могло поддерживаться работоспособность сотрудников, работающих в учреждениях социальной сферы, а также на вредном производстве. Пример таких учреждений: медицинские объекты, ТЭЦ, АЭС;
Обратите внимание! Размерный тип аварийной подсветки в каждом помещении должен быть представлен минимум двумя светильниками.
- эвакуационное. Основная цель – создание оптимальной видимости для экстренной эвакуации людей, а также быстрого завершения работ экстренного типа.
Особенностью такой подсветки является то, что светильники здесь создают белый свет и низкой степенью освещенностью окружающего пространства. Очень часто в этой системе используются светильники и лампочки с низкой мощностью (например, 12 вольт).
Как видим, аварийное освещение имеет значительные отличия от рабочего. Даже в ситуации, когда оно является частью рабочего освещения, т.н. совместная система подсветки.
Когда аварийная подсветка должна быть предусмотрена
Система аварийного освещения выполняет главную задачу – обеспечивает безопасную эвакуацию персонала производств в ситуациях, когда имеется угроза их жизни и здоровью. Кроме этого проектирование этой системы нужно для предприятий, где протекают процессы, прерывание которых чревато катастрофами. В связи с этим проектирование данной системы всегда предполагает размещение осветительных приборов по пути безопасного выхода.
Обратите внимание! Такая прокладка проводки и размещения осветительных установок прописана в ПУЭ.
В результате такое проектирование позволяет максимально полно осветить направления движения. При этом минимум света приходиться на центр коридора.

Аварийная подсветка в коридоре
В связи с этим совместная система рабочего и экстренного освещения всегда должна быть установлена в местах, имеющий повышенную травмоопасность. Пример таких участков:
- лестничные пролеты;
- места расположения сложного и опасного оборудования;
- оборудование, являющееся частью системы жизнеобеспечения;
- места, где размещено устройство, которое обязано всегда находиться под контролем (например, реакторы и т.д.);
- выходы из помещений и зданий;
- изгибы коридоров и т. д.
Наличие экстренной подсветки в таких помещениях позволяет не только снизить травматизм персонала во время эвакуации, но и минимизировать панику, что очень важно в таких ситуациях.
Основные требования к проектированию
Проектирование любой системы экстренной подсветки требует использование информации, приведенной в ПУЭ. При этом схема аварийного освещения, которая должна получиться в ходе проектирования, будет зависеть от следующих параметров:
- тип помещения;
- его габариты;
- требования ПУЭ;
- как проводилась прокладка проводки;
- сложность выполняемых видов работ, а также их опасность;
- какая методика будет выбрана для проверки системой экстренного освещения;
- какое управление аварийным освещением будет организовано (ручное, с помощью дистанционного пульта и т.д.)
- тип светильников и источников света (например, с мощностью в 12 вольт);
Обратите внимание! В качестве источника света здесь могут использовать лампы накаливания, газоразрядные, люминесцентные и светодиодные лампочки. Причем светодиоды на сегодняшний день будут наиболее приемлемыми.
- вариант обслуживания и т. д.

Вариант схемы аварийной подсветки
Проектирование системы рабочего и экстренного освещения должно всегда опираться на следующие требования ПУЭ:
- возможна совместная прокладка проводов и оборудования для аварийной системы;
- прокладка проводки должна выполнять по всем нормам электромонтажных работ;
- нужно использовать только белый свет. Оптимальным решением будут светильники с мощностью в 12 вольт;
- устройство системы (особенно светильники) должно подключаться от отдельной сети. Причем оно не должно зависеть от рабочей подсветки;
- под каждый вариант следует подбирать свои осветительные приборы (на 12 вольт), дающие белый свет;
- уровень освещенности, который создает белый свет, идущий от светильников, должен отвечать не только требованиям ПУЭ, но и нормам СНиП.
Кроме этого проектирование (прокладка проводов и т.д.) должно опираться на следующие моменты:
- архитектурные особенности здания;
- проектная документация здания. Это позволит определить наиболее оптимальные места для размещения светильников;

Светильник для аварийной подсветки
- срок эксплуатации осветительных установок, а также их питание.
Все это необходимо знать в ситуации, когда проектируется совместная система рабочего и экстренного светового обеспечения. При этом нюансам создания такой подсветки нужно уделять пристальное внимание, если она будет организовываться своими руками.
Обратите внимание! Если монтаж проводится в доме, то лучше всего воспользоваться услугами профессионалов. Сделать освещение своими руками можно только в случае неукоснительного исполнения всех предписаний норм пожарной безопасности и работ с электроприборами.
Нюансы проектирования аварийной подсветки
Собираясь создать аварийное освещение, нужно определить со следующими моментами:
- какая методика будет применяться для проверки работоспособности выбранных схем аварийной системы. В разных ситуациях подходит та или иная методика проверки. Также правильная методика нужна и для проверки схем подключения светильников;
Обратите внимание! Особенно важна методика проверки при организации аварийной подсветки своими руками.
- вариант подключения осветительных приборов. Сделать монтаж светильника и его подключение к сети питания своими руками также можно по различным схемам. Подключение может проводиться своими руками любых типов источников света. Пример такой схемы приведен ниже;

Вариант схемы подключения светильника к аварийному блоку
- управление аварийным освещением. Оно может осуществляться по типу дистанционного управления или быть ручным (например, управляться через электрощит);
- какое обслуживание будет иметь аварийное освещение. Об этого параметра напрямую зависит то, насколько долго созданную систему можно будет использовать;
- источник света. Согласно требованиям ПУЭ, экстренная подсветка должна иметь белый свет. При этом оптимальным решением будет использование светильников, рассчитанных на мощность в 12 вольт. Белый свет лучше всего дает аварийное освещение led. При этом проверка такой системы будет несложной, так как светодиоды имеют самый продолжительный срок эксплуатации по сравнению с другими источниками света.
Обратите внимание! Белый свет в данной ситуации может иметь различные оттенки (нейтральный, холодный или теплый). Но считается лучшим, если белый свет будет иметь нейтральный или холодный оттенок.

Светодиодная аварийная подсветка
Еще одним нюансом проектирования аварийного освещения является прокладка проводки для питания светильников от сети. Монтаж и прокладка проводов должны осуществляться с учетом всех требования. Только в таком случае все компоненты и само устройство системы проработает долго и качественно, а проверка работоспособности освещения будет проводиться не часто.
Каким образом проводиться установка
Сделать у себя в доме и своими руками аварийное освещение может каждый. Для этого нужно не только придерживаться вышеприведённых правил, рекомендаций и требований, но и провести правильно монтаж.
Перед тем, как приступить к монтажу, необходимо выбрать нужные модели светильников. Они должны давать белый свет и иметь небольшую мощность в 12 вольт. Это основные требования, предъявляемые к светильников, предназначенных для экстренной работы.

Маломощные светильник аварийного типа работы
Сам монтаж здесь проводиться принципу, аналогичному установке любого типа осветительных приборов. За исключением следующих нюансов:
- эвакуационное и центральное световое обеспечение нужно устанавливать параллельно. Ни в коем случае их нельзя совмещать;
- прокладка линий здесь также должна идти раздельно, а не на месте расположения главной электрической проводки. Это позволит упростить проверки работоспособности системы;
- светильники могут быть оснащены собственным аккумулятором (как было приведено на схеме выше), так и без него. В последнем случае питание аварийной подсветки будет вестись от общего аккумулятора. В связи с этим лучше использовать маломощные светильники на 12 вольт;
- управление (дистанционного или ручного типа) системой светового обеспечения должно вестись из самого помещения. При этом доступ к управлению должен иметь только обслуживающий персонал. Очень часто управлять данной системой можно через электрощит. Самым эффективным способом управления является дистанционный;
Обратите внимание! В связи с этим коридорах должны отсутствовать кнопки, с помощью которых можно включить и выключить аварийный свет.

Электрощит с управлением аварийной подсветкой
- монтаж должен предоставлять доступ обслуживающего персонала ко всем элементам системы. Качественное обслуживание светильников (на 12 вольт) позволит добиться безотказной их работы, даже в экстренных ситуациях, на которые они и рассчитаны. Поэтому нужно регулярно заниматься вопросами тестирования, включая проверку работоспособности осветительных установок и коммуникационных сетей.
Сегодня многие предпочитают управление дистанционного плана. Добиться такого управления 12-вольтными светильниками позволит специальное устройство (например, TELEMANDO). Контроль над системой при установке такого оборудования будет производиться за счет отключения аварийного режима, когда в нем нет потребности. С помощью такого устройства можно эффективно устранять неполадки, если такие имеют место быть. Такой прибор позволяет экономить заряд аккумуляторов, к которым подключены осветительные приборы. Само устройство имеет встроенные аккумуляторы, а также возвратный двухпозиционный выключатель.
TELEMANDO следует устанавливать в распределительном шкафу на DIN рейку.
Заключение
Аварийная подсветка является необходимостью во многих помещениях. При этом в последнее время его все чаще стали устанавливать в частных домах. Освещение такого плана позволит быстро эвакуировать людей с помещения в экстренных ситуациях, снижая тем самым риск их травмирования. Но это возможно только тогда, когда система была спроектирована и организована правильно, а также проходить периодическую проверку своей работоспособности.
Аварийное освещение своими руками
Электричество так плотно вошло в наш быт, что при отключении света жизнь как будто замирает, дела не делаются, а в доме царит мрак. Чтобы перебои в энергоснабжении не стали диктовать вам свои правила жизни, мы расскажем, как сделать для дома, гаража, дачи и даже палатки аварийное освещение своими руками . Конечно же, для несведущих в электрике людей эта затея может показаться не только непостижимой, но и рискованной, но, как известно, все гениальное – просто!

Несомненно, бросаться в омут электричества с головой без минимальных знаний, по меньшей мере, абсурдно. Поэтому для начала следует узнать азы и все тонкости аварийного освещении.
Особенности аварийной подсветки
Экстренная подсветка является независимой от основной сети и призвана создавать достаточную визуализацию для свободного ориентирования людей в темноте при отключении основного освещения.

Согласно регламентам ПУЭ экстренное освещение должно иметь белый свет и минимально допустимую освещенность в 1 лк.
Для обеспечения аварийной подсветки можно использовать любые источники света: лампы накаливания, люминесцентные лампы.

Но наиболее востребованными сегодня являются 12-вольтные светодиоды LED . Они дают достаточно света и к тому же значительно экономят запасы энергии аккумулятора, что позволяет использовать такое освещение дольше.
Собираясь установить дома резервные источники света, следует также взять на заметку следующие правила:
В одном помещении следует устанавливать как минимум два светильника, чтобы в случае неисправности одного, второй взял на себя задачу по освещению.
Устанавливать светильники следует так, чтобы они смогли обеспечивать достаточную для ориентирования в темном помещении визуализацию. Лучше всего монтировать лампы в центре помещения, а также в местах повышенной травмоопасности и важности: лестницы, дверные проемы, проходы, повороты, пульт управления освещением, выход.

Следует хорошо продумать схему аварийной подсветки, а также метод её управления: ручной или дистанционный. В случае с ручным методом управления, нужно обеспечить простой доступ к включателю, чтобы в темноте с легкостью найти источник питания освещения.

Как сделать аварийное освещение
Создать самостоятельно аварийную подсветку от аккумулятора в домашних условиях в принципе сможет любой электрик-любитель, если под рукой будет подробная инструкция.
Для начала нужно подобрать необходимые светильники, напряжение в которых не будет превышать 12 вольт. По сути, это основное требование, которое предъявляется к аварийным источникам света.

В каждой системе экстренной подсветки обязательно должны присутствовать источники автономного питания (аккумуляторные батареи, генераторы), осветительные приборы и другие элементы, например, реле, блок питания, устройство дистанционного управления.
Резервное и центральное освещение устанавливаются параллельно друг другу. Совмещать их нельзя!
Также и укладка линий аварийной и основной системы должна идти отдельно. Это позволит значительно упростить проверку функциональности систем освещения.
В случае с автоматической системой переключения основного освещения на резервное, обе сети подсоединяются к переключателю.
Здесь крайне важно добиться своевременного переключения, именно поэтому сборку такой системы освещения лучше доверить профессионалам.

На сегодняшний день все чаще системы резервного освещения оснащаются устройствами дистанционного управления, такими, как, например, TELEMANDO, который идеально подходит для 12-вольтных светильников типа LED . Этот аппарат способствует экономичному расходу заряда резервного источника питания, а также помогает ликвидировать неполадки в сети, если таковые имеются.
Кроме того в самом устройстве предусмотрены встроенные аккумуляторные батареи и двухпозиционный возвратный переключатель. Обычно устройство дистанционного управления монтируется в распределительных щитках на DIN-реях.

Аварийное освещение своими руками, схема
В мире электрики можно отыскать множество схем резервной подсветки разного типа сложности. Давайте же рассмотрим стандартную схему, в которой будут использованы основной и резервный источники питания и разделительные устройства переключения системы со штатного режима в экстренный.

Для данной сборки такой системы освещения потребуются следующие элементы:
- Лампочки (2 шт.), одна из которых будет работать в обычном режиме, а другая будет включаться при аварийных ситуациях.
- Аккумулятор для обеспечения питания лампы в нештатном режиме работы.
- Блок предохранителей.
- Контакты реле.
- Выпрямитель электрического тока.
В штатном режиме главная лампа соединена с сетью с помощью релейного контакта. Блок резервного питания соединяется с выпрямителем электрического тока и пребывает в состоянии беспрерывной подзарядки.
Когда происходит отключение электричества, второй контакт реле автоматически замыкается, и тогда аккумуляторная батарея начинает подавать энергию на резервный источник света.
Такая схема аварийной подсветки предполагает прокладку двух параллельных энергосетей, где одна осуществляет работу основного осветительного элемента, а вторая – исключительно резерва. Для основного освещения можно брать лампы любого вида, когда как для аварийной подсветки следует выбирать маломощные осветительные источники.
Более простая система аварийного освещения представлена на видео:
Аварийное освещение своими руками
Появление светодиодов значительно упростило сборку систем аварийного освещения. Именно на базе этих фонариков и пишутся многочисленные простенькие схемы. Вот как раз такую систему на основе аккумулятора и светодиодной ленты мы и попробуем собрать своими руками. Управление такой подсветки – ручное, соответственно и схема сборки самая примитивная.
- 12-вольтный портативный аккумулятор 4 Ач, или большей ёмкости, если хотите продлить время работы освещения.
- Светодиодная лента – 2 м. Можно взять отрезок ленты и короче, так расход энергии аккумулятора будет меньше, а резервный свет будет работать дольше. В принципе, вместо ленты можно взять любые другие осветительные источники 12 V , в частности светодиодные модули.

- Также нам потребуются контактные провода с разъёмами для соединения аккумулятора с диодами.
Как сделать аварийное освещение своими руками
Первое, что нам нужно сделать, это подсоединить контактные провода к светодиодной ленте. Если вы используете всю ленту с отходящими от нее родными проводками, то просто соедините контактный провод с проводами ленты цвет к цвету. Также провод с разъемом подсоедините к аккумулятору по полярностям.
Если же вы используете отрезанный кусок ленты, то контактные провода следует припаять к контактам ленты: красный к контакту «+» и черный к контакту «-».

После того как контактные провода будут подключены, подсоединяем разъем ленты к разъему аккумулятора. Светодиоды дают достаточно освещенности. Такую систему можно использовать не только, как аварийную подсветку, но и как осветитель в природных условиях (походы, рыбалка, дача).

LED лампы аккумуляторные
При отключении света первое спасение от мрака в доме – это фонарик или свечка. Света от них мало, да и работают такие методы крайне непродолжительно, если, конечно, у вас нет обширных запасов свечей и батареек.
Сегодня же интернет-магазины буквально пестрят разными моделями светодиодных светильников с аккумуляторными батареями, которые способны давать достаточно света на протяжении нескольких часов беспрерывной работы. Такие светильники имеют несколько режимов работы, они мобильны, долговечны и доступны по стоимости.

Лампочки на аккумуляторах
Также набирают популярность сегодня и аккумуляторные лампы, которые выглядят, как обычные лампочки с цоколем. Такие источники света имеют 2 режима работы: накопительный и аварийный и оснащены удобным переключателем. В обычном режиме лампочка светит штатно, но при отключении света можно перевести светильник в режим резерва с помощью пульта управления. Стоимость одной такой лампочки доходит до 500 рублей. И это самый простой вариант аварийного освещения на сегодняшний день.

Фотолюминесцентная эвакуационная система
На многих предприятиях все чаще применяется система фотолюминесцентной подсветки. Для этого используются панели, указатели, планы и другие элементы, обработанные люминофором, либо люминофор внедряется в сам материал, из которого изготовлены указательные элементы.

Люминофор способен в течение дня накапливать в себе свет, а в темное время отдает накопленную энергию в виде зеленого свечения. Однако минус такой подсветки в том, что ночью она будет светить всегда и ее невозможно отключить.
Современные технологии призваны облегчить нашу жизнь, и благодаря их развитию такое событие, как отключение электричества, не способно сделать нас беззащитными, как слепых котят, ведь сделать аварийное освещение своими руками у себя дома на даче и в гараже сможет каждый.
Вам это будет интересно
Аварийное освещение своими руками

Несомненно, бросаться в омут электричества с головой без минимальных знаний, по меньшей мере, абсурдно. Поэтому для начала следует узнать азы и все тонкости аварийного освещении.
Особенности аварийной подсветки
Экстренная подсветка является независимой от основной сети и призвана создавать достаточную визуализацию для свободного ориентирования людей в темноте при отключении основного освещения.

Согласно регламентам ПУЭ экстренное освещение должно иметь белый свет и минимально допустимую освещенность в 1 лк.
Для обеспечения аварийной подсветки можно использовать любые источники света: лампы накаливания, люминесцентные лампы.

Собираясь установить дома резервные источники света, следует также взять на заметку следующие правила:
В одном помещении следует устанавливать как минимум два светильника, чтобы в случае неисправности одного, второй взял на себя задачу по освещению.
Устанавливать светильники следует так, чтобы они смогли обеспечивать достаточную для ориентирования в темном помещении визуализацию. Лучше всего монтировать лампы в центре помещения, а также в местах повышенной травмоопасности и важности: лестницы, дверные проемы, проходы, повороты, пульт управления освещением, выход.

Следует хорошо продумать схему аварийной подсветки, а также метод её управления: ручной или дистанционный. В случае с ручным методом управления, нужно обеспечить простой доступ к включателю, чтобы в темноте с легкостью найти источник питания освещения.

Как сделать аварийное освещение
Создать самостоятельно аварийную подсветку от аккумулятора в домашних условиях в принципе сможет любой электрик-любитель, если под рукой будет подробная инструкция.
Для начала нужно подобрать необходимые светильники, напряжение в которых не будет превышать 12 вольт. По сути, это основное требование, которое предъявляется к аварийным источникам света.

В каждой системе экстренной подсветки обязательно должны присутствовать источники автономного питания (аккумуляторные батареи, генераторы), осветительные приборы и другие элементы, например, реле, блок питания, устройство дистанционного управления.
Резервное и центральное освещение устанавливаются параллельно друг другу. Совмещать их нельзя!
Также и укладка линий аварийной и основной системы должна идти отдельно. Это позволит значительно упростить проверку функциональности систем освещения.
В случае с автоматической системой переключения основного освещения на резервное, обе сети подсоединяются к переключателю.
Здесь крайне важно добиться своевременного переключения, именно поэтому сборку такой системы освещения лучше доверить профессионалам.

Кроме того в самом устройстве предусмотрены встроенные аккумуляторные батареи и двухпозиционный возвратный переключатель. Обычно устройство дистанционного управления монтируется в распределительных щитках на DIN-реях.

Аварийное освещение своими руками, схема
В мире электрики можно отыскать множество схем резервной подсветки разного типа сложности. Давайте же рассмотрим стандартную схему, в которой будут использованы основной и резервный источники питания и разделительные устройства переключения системы со штатного режима в экстренный.

Для данной сборки такой системы освещения потребуются следующие элементы:
В штатном режиме главная лампа соединена с сетью с помощью релейного контакта. Блок резервного питания соединяется с выпрямителем электрического тока и пребывает в состоянии беспрерывной подзарядки.
Когда происходит отключение электричества, второй контакт реле автоматически замыкается, и тогда аккумуляторная батарея начинает подавать энергию на резервный источник света.
Такая схема аварийной подсветки предполагает прокладку двух параллельных энергосетей, где одна осуществляет работу основного осветительного элемента, а вторая – исключительно резерва. Для основного освещения можно брать лампы любого вида, когда как для аварийной подсветки следует выбирать маломощные осветительные источники.
Более простая система аварийного освещения представлена на видео:
Аварийное освещение своими руками
Появление светодиодов значительно упростило сборку систем аварийного освещения. Именно на базе этих фонариков и пишутся многочисленные простенькие схемы. Вот как раз такую систему на основе аккумулятора и светодиодной ленты мы и попробуем собрать своими руками. Управление такой подсветки – ручное, соответственно и схема сборки самая примитивная.

Как сделать аварийное освещение своими руками
Первое, что нам нужно сделать, это подсоединить контактные провода к светодиодной ленте. Если вы используете всю ленту с отходящими от нее родными проводками, то просто соедините контактный провод с проводами ленты цвет к цвету. Также провод с разъемом подсоедините к аккумулятору по полярностям.
Если же вы используете отрезанный кусок ленты, то контактные провода следует припаять к контактам ленты: красный к контакту «+» и черный к контакту «-».

После того как контактные провода будут подключены, подсоединяем разъем ленты к разъему аккумулятора. Светодиоды дают достаточно освещенности. Такую систему можно использовать не только, как аварийную подсветку, но и как осветитель в природных условиях (походы, рыбалка, дача).

LED лампы аккумуляторные
При отключении света первое спасение от мрака в доме – это фонарик или свечка. Света от них мало, да и работают такие методы крайне непродолжительно, если, конечно, у вас нет обширных запасов свечей и батареек.
Сегодня же интернет-магазины буквально пестрят разными моделями светодиодных светильников с аккумуляторными батареями, которые способны давать достаточно света на протяжении нескольких часов беспрерывной работы. Такие светильники имеют несколько режимов работы, они мобильны, долговечны и доступны по стоимости.

Лампочки на аккумуляторах
Также набирают популярность сегодня и аккумуляторные лампы, которые выглядят, как обычные лампочки с цоколем. Такие источники света имеют 2 режима работы: накопительный и аварийный и оснащены удобным переключателем. В обычном режиме лампочка светит штатно, но при отключении света можно перевести светильник в режим резерва с помощью пульта управления. Стоимость одной такой лампочки доходит до 500 рублей. И это самый простой вариант аварийного освещения на сегодняшний день.

Фотолюминесцентная эвакуационная система
На многих предприятиях все чаще применяется система фотолюминесцентной подсветки. Для этого используются панели, указатели, планы и другие элементы, обработанные люминофором, либо люминофор внедряется в сам материал, из которого изготовлены указательные элементы.

Люминофор способен в течение дня накапливать в себе свет, а в темное время отдает накопленную энергию в виде зеленого свечения. Однако минус такой подсветки в том, что ночью она будет светить всегда и ее невозможно отключить.
Современные технологии призваны облегчить нашу жизнь, и благодаря их развитию такое событие, как отключение электричества, не способно сделать нас беззащитными, как слепых котят, ведь сделать аварийное освещение своими руками у себя дома на даче и в гараже сможет каждый.
Вам это будет интересно
Источник
Как сделать резервное освещение в доме?
Светильники на аккумуляторах
Сейчас электронные компоненты сделали рывок в развитии и миниатюризации. Экономичные LED диоды по мощности способны стать основным источником освещения. Аккумуляторы стали доступны по цене, а сложные устройства помещаются в корпус одной микросхемы. Промышленность сейчас выпускает аварийные автономные светильники компактных размеров, устанавливаемых стационарно или с возможностью мобильного перемещения.

Схема работы устройств достаточно простая. В нормальном состоянии, когда присутствует напряжение на входе, электронная схема производит зарядку аккумулятора, контролирует его состояние. В момент отключения электроэнергии, происходит запуск светильника от аккумулятора, и включается аварийное освещение.
Сделать резервный автономный источник света можно практически из хлама. Раньше для светильников использовали люминесцентные лампы, однако для самостоятельного повторения такие схемы относительно сложные, из-за наличия высоковольтного преобразователя. С появлением светодиодов стало на много проще, поскольку его можно питать и от источника 3 вольта. В сети интернет, предлагается множество радиоэлектронных схем, собранных радиолюбителями или же срисованных с серийных, готовых образцов. Разберем самую простую схему резервного освещения для жилого дома:

Источником 12 вольт может быть любой сетевой адаптер, рассчитанный на это напряжение. Диоды VD1 И VD2 блокируют ток разряда через компоненты устройства. Резистор R1 ограничивает зарядный ток аккумулятора. Силовой ключ, при наличии напряжения 12 вольт, закрыт положительным потенциалом на базе транзистора. Тумблером S1 происходит принудительное открывание ключа. Снимая с базы положительное смещение резистором R2, открывая транзистор и подключая батарею к источнику света. Данная схема может быть повторена самостоятельно, выбор элементов не критичен, и можно переделать на другое напряжение. Есть где разгуляться.
Вторая схема аварийного освещения дома более сложная, в ней присутствует цепочка контроля заряда, батареи:

Интегральный стабилизатор LM 317 обеспечивает схему постоянным напряжением, транзистор Т1 стоит в цепочке обратной связи, контролирует величину заряда на батарее и регулирует стабилизатор, добавляя или уменьшая напряжение. На ключе Т2, организованна схема запуска аварийного освещения. При наличии положительного напряжения на базе светодиоды не работают.
В описанных устройствах есть один нюанс, они следят только за наличием напряжения на входе. Если в светлое время суток произойдет перебой с поставками электроэнергии, аварийные светильники честно отработают свое назначение. Т.е. будут работать, пока не разрядится аккумулятор или не поступит электроэнергия. Поэтому лучше сделать резервное освещение по следующей схеме:

В этом варианте присутствует фотореле, которое не позволит включить аварийное освещение в доме в светлое время суток. На транзисторе Т1 организован узел контроля освещенности с фоторезистором LDR1. Как видите они не сложные, элементы доступны и распространены.
В качестве готового решения можно использовать компьютерные источники бесперебойного питания UPS. Прокладка аварийной осветительной группы в этом случае должна осуществляться отдельным кабелем, от силовой группы, но осуществлять питание светильников транзитом, через UPS. В данном устройстве можно применять обычные и люминесцентные компактные лампы на 220 вольт.
Кстати, о том, как выбрать источник бесперебойного питания, мы рассказывали в соответствующей статье. Ознакомьтесь с советами, если хотите сделать аварийное освещение в доме, используя ИБП.
Обзор данной идеи предоставлен на видео:
Еще одна интересная идея изображена на схеме:

В данной схеме есть зарядное устройство, низковольтное реле, диод, и преобразователь 12/220. Его можно не ставить, а вместо него использовать светодиодные модули на 12 Вольт.
В нормальном состоянии, когда напряжение подается на зарядное устройство, реле, подключенное к клеммам, втянуто, и модули не подключены к аккумулятору. При прекращении подачи на зарядное устройство напряжения, реле замыкает другую группу контактов, включая световые модули. Диод в схеме блокирует разряд батареи через обмотку реле. Данный проект, проще не придумаешь, поэтому он будет под силу человеку, далекому от нюансов электроники.
LED лампы на батарейках
На просторах интернет-магазинов встречаются лампы, с виду обычные LED, но в них присутствует аккумуляторный накопитель, позволяющий работать какое-то время при отсутствии электричества. Данное устройство имеет стандартный цоколь E27, и по размерам поместится в большинство светильников.

С помощью переключателя можно выбрать режим работы лампы, в качестве накопительного — аварийного, или же обычный режим. Используя LED лампочки на аккумуляторах можно сделать резервное освещение в квартире либо жилом доме совсем без усилий. Недостаток аккумуляторных LED ламп в высокой стоимости, около 500 рублей, однако если учитывать, что для всех комнат затраты выйдут около 3 тыс. рублей, можно сказать, что это не так уж и дорого.
Напоследок рекомендуем вам просмотреть еще одну идею организации резервного освещения в частном доме либо гараже на базе солнечных батарей:
О том, как подключить солнечные батареи своими руками, мы также рассказывали в отдельной статье!
Правила и требования
Касательно аварийного освещения в помещениях существует несколько правил по ПУЭ и другим, не менее важным нормативным документам. Итак, если вы решили сделать в частном доме либо на даче резервные источники света, учитывайте следующие требования:
Вот и все, что хотелось рассказать вам о том, как сделать аварийное освещение в доме своими руками. Надеемся, наши идеи вам понравились!
Советуем также прочитать:
Источник














































