Отправляясь куда то в поездку или на природу, я обязательно беру с собой ноутбук. Ноутбук постоянно находится в работе: либо схемы разрабатываю, либо работаю с сайтом. Как всегда зарядка заканчивается на самом интересном месте, неприятный сюрприз не так ли. Задумался прикупить зарядку от прикуривателя, но ценны у нас от 1500р. Так и желание отпало платить за кусок метала, зато появилось желание собрать самостоятельно, тем более, что схемы есть в интернете , но как и в прошлый раз при поисках осциллятора для аргонодуговой сварки, устройства собранны в основном на UC3842. Был вариант собрать на NE555, но как организованна защита по напряжению мне не понравилось, если вылетит ключ, вылетит мой ноутбук.
Понял принцип работы таких преобразователей, принялся за самостоятельную сборку от нулей. Нарисовал схему автомобильного преобразователя для ноутбука, взяв за основу TL494, которых у меня много заказал с Китая
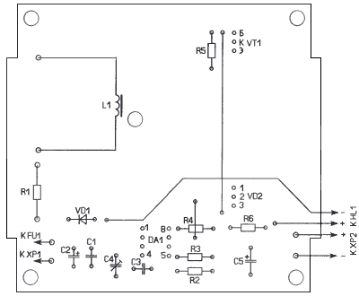
Схема преобразователя Tl494
Особо рассказывать нечего, генератор на TL494 с обратной связью по напряжению и току. Генератор настроен на частоту 134кГц, на выходе частота 67кГц. Согласовал управление полевиком через транзисторный повторитель, что бы разгрузить микросхему. Повторитель собрал на 2SA733 и 2Sc945. Полевик с материнской платы 60N03P с максимальным током 60А и максимальным напряжением 30В, диод Шоттки на 55А оттуда же. На выходе для фильтрации и стабилизации емкости установлена керамика и электролиты два по 470мкФ. На минусовой шине установлен шунт для измерения тока. Все посчитано, к сборке готов. Осталась основная деталь всего преобразователя не сложная в изготовлении
Расчет дросселя для преобразователя
Что бы узнать какая нужна индуктивность, воспользуюсь программкой BoosterRing 6.1 из пакета Все в одном от Владимира Денисенко
Выбираю размер колечка и материал. Колечко кстати из ATX блока питания
В исходных данных выбираю тип дросселя Инвертирующий(buck-boost)
Напряжение питания выбираю исходя от напряжений в бортовой сети автомобиля минимальное 11В, максимальное 15В
Выходное напряжение выбираю 19,5В. Ток потребления 3А, а частота 67кГц
Провод диаметром 0,71мм, так же ставлю галочку использовать желаемый диаметр провода
Нажимаю кнопочку Расчитать
Из расчета знаю, что мне надо сложить 4 провода длиной 1,2м, намотать 27 витков и получить индуктивность 70мкГн. Что я и принялся делать, приготовил все компоненты и принялся аккуратно мотать
Дроссель довольно не плохой для первой намотки на кольцо. Зачистил все проводки и проверил прозвонкой, нет ли между ними КЗ. Cкрутил края всех проводков в косу и пропаял. Тут же применил свою новую приставку для измерения индуктивности, показания почти расчетные, но доматывать было нечего, поэтому оставил как есть.
Основная деталька готова, все остальное мелочь
Печатная плата зарядного для ноутбука
Разработал плату на кусочке текстолита 60*50мм.
Скачать печатную плату
Прочитайте Получить пароль от архива
Перепутал каким то образом местами сток-исток , пришлось резать дорожку и ставить медную перемычку. В проекте косяк свой исправил
Схема запустилась не сразу, сначала было перепаяно десяток резисторов, что бы точно подобрать напряжение и ток защиты. Но в целом схема заработала без проблем
Схему пробовал нагрузить на лампу накаливания 24В 100Вт, ток ограничивается на 2,9А, напряжение проседает .
Выложу фотки преобразователя со всех сторон
Неплохо получилось в итоге, теперь надо подумать о корпусе и шнурке питания. Разъем питания уже мчится с Китая, скоро выложу фотки в корпусе
Так же печатная плата будет работать в условиях сильной вибрации, поэтому необходимо залить схему лаком
С ув. Эдуард
Мы больше не будем рекомендовать вам подобный контент.
Отмена
Мы больше не будем рекомендовать вам подобный контент.
Отмена
Мы больше не будем рекомендовать вам подобный контент.
Отмена
Мы больше не будем рекомендовать вам подобный контент.
Отмена
Мы больше не будем рекомендовать вам подобный контент.
Отмена
Мы больше не будем рекомендовать вам подобный контент.
Отмена
Мы больше не будем рекомендовать вам подобный контент.
Отмена
Мы больше не будем рекомендовать вам подобный контент.
Отмена
Мы больше не будем рекомендовать вам подобный контент.
Отмена
Мы больше не будем рекомендовать вам подобный контент.
Отмена
Мы больше не будем рекомендовать вам подобный контент.
Отмена
Мы больше не будем рекомендовать вам подобный контент.
Отмена
Мы больше не будем рекомендовать вам подобный контент.
Отмена
Мы больше не будем рекомендовать вам подобный контент.
Отмена
Мы больше не будем рекомендовать вам подобный контент.
Отмена
Мы больше не будем рекомендовать вам подобный контент.
Отмена
Мы больше не будем рекомендовать вам подобный контент.
Отмена
Мы больше не будем рекомендовать вам подобный контент.
Отмена
Мы больше не будем рекомендовать вам подобный контент.
Отмена
Мы больше не будем рекомендовать вам подобный контент.
Отмена
Мы больше не будем рекомендовать вам подобный контент.
Отмена
Мы больше не будем рекомендовать вам подобный контент.
Отмена
Мы больше не будем рекомендовать вам подобный контент.
Отмена
Мы больше не будем рекомендовать вам подобный контент.
Отмена
В настоящее время довольно актуальна проблема работы ноутбука в автомобиле. Своей батареи в ноутбуке на долго не хватит, а путешествие на автомобиле может продлиться гораздо дольше времени её работы. Для обеспечения нормальной работы ноутбука от автомобильной сети и служат адаптеры.
Различных адаптеров для работы ноутбука в автомобиле много. Его можно и приобрести в розничной сети, а можно и сделать самому. Эта статья именно для тех, кто не ищет лёгких путей и может что-то сделать своими руками.
Различных схем в интернете множество. Общее требование для такого адаптера — выходное напряжение 18-19 вольт, с током нагрузки около 2,5-3 ампер.
Я решил собрать в этой статье в одну кучу различные схемы таких адаптеров, работоспособность которых проверена практикой. Схемы этих адаптеров при правильной сборке из исправных деталей практически не нуждаются в налаживании и собраны из довольно доступных деталей. Так, что выбирайте, как говорится на свой вкус и цвет.
Авто-адаптеры для ноутбука на таймере 555.
В качестве формирователя ШИМ для этого преобразователя, используется интегральный таймер КР1006ВИ1, импортный аналог NE555, LM555. С его выхода сигнал поступает на ключ, выполненный на полевом транзисторе 45N03, в качестве которого можно применить так же BUZ11, CEB603, CEP703, NDP406, IRFZ33 и многие другие, главное чтобы максимальное их напряжение было не менее 40В, а максимальный ток не менее 15А, ну и корпус желательно ТО-220.
Частота преобразования генератора таймера, определяется конденсатором С1, и при емкости указанной на схеме составляет примерно 40 кГц. Управление скважностью импульсов, осуществляется через 5 вывод таймера. Некоторые типы импортных аналогов таймера имеют другую схему управления по этому входу, и по этому могут работать не корректно.
В качестве диода VD2 можно применить спаренный диод шоттки, с обратным напряжением не менее 40В и максимальным током не менее 15А, так же желательно в корпусе ТО-220. Например SLB1640, или STPS1545 и т.д. Диод VD1 — защита от переполюсовки, прямой ток не менее 6А. Вместо VT2 отлично подойдёт КТ315. Стабилитрон VD3 определяет выходное напряжение преобразователя.
Одна из самых ответственных деталей в этом преобразователе — дроссель. Он намотан на кольце из порошкового железа, диаметром около 27 мм, применяемого в компьютерных блоках питания в качестве дросселя групповой стабилизации. Дроссель имеет 21 виток, тремя сложенными вместе проводами ПЭВ-1, диаметром 0.75 мм. Индуктивность его около 44 мкГн и активное сопротивление около 0.1 ом.
В качестве корпуса для адаптера, используется металлический корпус от 50-ваттного электронного трансформатора. Ее размеры 67?46?30 мм. В этом корпусе вместо двух ключей полу-моста можно удобно разместить полевой транзистор и диод, чтобы прижать их к стенке корпуса для отвода тепла. Корпуса транзистора и диода нужно изолировать от корпуса прокладкой из фторопласта или слюды.
Печатная плата и расположение деталей на плате ниже на рисунке.
Следующая схема практически аналогична первой. Отличается типами применённых в схеме деталей. Если точная установка выходного напряжения в этой схеме не нужна, то вместо PR1, VD2, R5 — можно поставить цепочку из стабилитрона и постоянного резистора, аналогичной VD3, R5 на схеме выше.
Дроссель в этой схеме можно намотать на ферритовом кольце с наружным диаметром от 20 до 40 мм. с магнитной проницаемостью не ниже 2000, и может содержать 50-60 витков провода, диаметром 1,0 мм. Его данные особо не критичны, намотать его можно так же и на отрезке ферритового стержня, диаметром 8-12 мм. и длинной 30-50 мм. Можно так же использовать и готовый дроссель из блока питания компьютера.
Если напряжение под нагрузкой данного преобразователя меньше необходимого, то необходимо увеличить количество витков применяемого дросселя.
Следующая схема так же выполнена на интегральном таймере. По сложности она практически не отличается от вышеприведённых. В этой схеме реализована защита от пониженного входного напряжения бортовой сети автомобиля, и в случае его снижения ниже 9 В — выходное напряжение преобразователя тоже начинает снижаться, предотвращая насыщение дросселя и выход из строя силового ключа. Также имеется защита выхода от значительного перенапряжения: в случае нарушения обратной связи выходное напряжение преобразователя ограничивается величиной порядка 25 В.
Выходное напряжение этого преобразователя 19 вольт, максимальный ток нагрузки около 4,7 ампера.
Частота преобразования данного адаптера может находиться в пределах 55…84 кГц. Напряжение на выводе 5 составляет 4,1…6 В в зависимости от входного напряжения. Этот диапазон определяется сопротивлением резистора R1. В случае малой нагрузки модулирующее напряжение может быть ниже указанных значений. Вывод 4 микросхемы соединён с выводом 5 для того, чтобы генератор при необходимости мог отключаться и пропускать импульсы. Такая необходимость бывает при работе преобразователя с малой нагрузкой или без нагрузки, что бы не произошёл бы дальнейший рост выходного напряжения, приводящий к перегрузке цепи обратной связи. Поэтому, если модулирующее напряжение снизилось примерно до 0,7 В, на вывод 4 микросхемы поступает сигнал сброса и приостанавливает работу генератора. Поскольку при малой нагрузке генератор работает в режиме «стоп-старт», возможно появление акустических шумов, однако это не препятствует нормальному функционированию преобразователя.
Силовой транзистор КП727Б можно заменить на КП723 c буквами А-В, КП746 c буквами А-В, а также на любые аналогичные импортные, рассчитанные на постоянный ток не менее 15 А и имеющие, по возможности, малое сопротивление открытого канала.
Диод с барьером Шоттки КД272А заменяется на 2Д2998 с буквами Б, В, КД2998 с буквами В-Д, MBR1635, MBR1645, а также любые другие диоды Шоттки, рассчитанные на прямой ток не менее 15 А и обратное напряжение не менее 25 В. Диод VD2 и транзистор VT2 необходимо снабдить теплоотводами площадью по 50 см2 каждый.
Транзистор VT1 — на любые другие транзисторы, у которых типовое значение коэффициента передачи тока базы составляет около 100 при токе коллектора 1 мА.
Дроссель L1 наматывается проводом ПЭВ-2 диаметром 1,25 мм на двух сложенных вместе кольцевых магнитопроводах КП27?15?6 из пермаллоя МП140. Подойдёт и более тонкий провод, соединённый в несколько жил с общей площадью сечения около 1 мм2. Намотка содержит 16 витков.
Можно также применить жёлто-белый кольцевой магнитопровод T106-26 размерами 27х14х12 мм от много-обмоточного дросселя в блоке питания компьютера, в этом случае оставляется имеющаяся на дросселе обмотка в 24 витка провода диаметром 1 мм, остальные обмотки удаляются. При самостоятельной намотке она выполняется в один полный слой провода диаметром 1…1,25 мм. Подойдут и другие дроссели с индуктивностью не менее 18 мкГн, рассчитанные на утроенный максимальный ток нагрузки.
С другой стороны, индуктивность дросселя не должна быть слишком большой: при его индуктивности порядка 100 мкГн и более обратная связь стабилизатора может потерять устойчивость, и на коллекторе транзистора VT1 будут незатухающие колебания.
Для подключения этого устройства к бортовой сети автомобиля, или аналогичных — провода, соединяющие вилку и вход преобразователя должны быть сечением не менее 2,5 мм2. Следует иметь в виду, что входной ток подобных устройств, может достигать 10 А. Он не должен течь через пружину внутри вилки «прикуривателя». Для этого пружина дублируется проводом.
Авто-адаптеры для ноутбука на микросхеме UC3843.
Описываемый ниже адаптер, представляет собой однотактный импульсный повышающий преобразователь, собранный по типовой схеме на микросхеме UC3843. Он обеспечивает на выходе напряжение 16.5 В при токе до 4 А.
При сборке этой схемы использовались SMD- компоненты, благодаря чему, размеры собранного устройства составляют 45x30x15 мм.
Устройство собрано на двухсторонней печатной плате, размером 37?23 мм. из стеклотекстолита, толщиной 1.5 мм. Верхняя сторона платы используется только в качестве экрана и общего провода. Печатная плата устройства (зеркальное изображение) приведена ниже на рисунке.
Катушка L1 и конденсатор С9 установлены с обратной стороны платы (под катушку в плате сделан вырез), все остальные детали — так, как показано на рисунке. Типы примененных компонентов приведены в таблице.
Правильно собранное устройство налаживания не требует. Если требуется иное выходное напряжение, следует изменить величину резистора R9, исходя из того, что на резисторе R10 должно при этом получиться напряжение, равное 2.5 В.
Вот, посмотрите ещё один вариант исполнения данного адаптера с применением элементов SMD.
Рисунок печатной платы данного устройства.
Расположение элементов на печатной плате данного устройства.
Схема второго адаптера практически не отличается от вышеприведённой. Разница лишь в том, что в данной схеме можно регулировать выходное напряжение в пределах 14-27 вольт. Средний ток нагрузки её составляет 2,5 ампера.
Применённые схеме транзисторы, диоды, а так же данные используемого дросселя — аналогичны и заменяемые на описанные в аналогичных схемах выше. Поэтому останавливаться подробно на этом не буду.
Ниже на фотографиях вариант сборки данной схемы с применением так же SMD-= компонентов.
Если нет необходимости регулировать выходное напряжение на выходе данного преобразователя, то тогда переменный резистор R9 можно исключить, и подобрать резистор R8 так, чтобы выходное напряжение преобразователя соответствовало необходимому.
Авто-адаптеры для ноутбука на микросхеме КР1156ЕУ5 (МС34063).
Описываемое устройство повышает напряжение бортовой сети автомобиля от 12 до 18 вольт, при этом обеспечивая выходной ток, равный 3.2 ампера, что вполне достаточно для работы ноутбука. Устройство собрано на основе популярной отечественной микросхемы КР1156ЕУ5 (иностранный аналог — МС34063).
Вариант исполнения данного преобразователя на фото ниже. Печатная плата данного преобразователя размещена в литом алюминиевом корпусе и закрыта крышкой.
Налаживание сводится к установке частоты преобразования, соответствующей максимальному КПД. Для этого ВХОД преобразователя через амперметр подключают к источнику постоянного тока напряжением 12В и мощностью не менее 100 Вт, в качестве которого можно применить импульсный блок питания от компьютера. К выходу преобразователя подключают нагрузочный резистор сопротивлением 5,1 Ом мощностью 50Вт (например ПЭВ-50) и параллельно ему — вольтметр постоянного тока. Конденсатором С4 плавно изменяя частоту преобразования, добиваются минимального значения выходного тока при неизменном выходном напряжении. Если не требуется получить максимальный КПД преобразователя, конденсатор С4 можно не устанавливать, но емкость конденсатора С3 должна быть 360пФ.
Вариант исполнения печатной платы и размещение деталей на ней, показаны на рисунках ниже.
Ещё один адаптер, выполненный на подобной микросхеме, отличается от вышеприведённого тем, что выходное напряжение у него можно установить в пределах необходимого при помощи подстроечного резистора, ну и немного усложнённой схемой выхода.
Этот адаптер собран на печатной плате, размером 60х35 мм. Рисунок печатной платы в формате «SL-6,0» можно скачать с сервера.
Скачать печатную плату;
Скачать
Авто-адаптер для ноутбука на микросхеме TL494.
Следующий авто-адаптер для работы ноутбука от бортовой сети автомобиля, собран из деталей от компьютерных блоков питания. В качестве ШИМ-регулятора в данном адаптере используется широко распространённая в таких блоках питания, микросхема TL494 и её аналоги.
ШИМ-регулятор на микросхеме TL494 работает здесь на частоте 40 кГц и управляет силовым полевым транзистором.
Схема обеспечивает при выходной мощности в 50-60 Вт (при 20 В на выходе) КПД 90%, и при нагрузке 100 Вт — КПД 85%. Пульсации выходного напряжения при этом могут достигать 0,5 вольта, а максимальный средний входной ток 12А. Если такие пульсации не устраивают, то их можно уменьшить, увеличив ёмкость выходных электролитических конденсаторов.
Большой входной ток (при нагрузке 100 Вт) требует тщательной разработки печатной платы. Силовые проводники (дорожки), могут быть усилены проволокой. Силовой входной кабель должен иметь по крайней мере не менее сечение 1,5 мм?, и непосредственно припаян к печатной плате.
В качестве выходных силовых транзисторов желательно использовать те, у которых малое сопротивление открытого канала. В частности SUP75N06-07L, SUP75N03-08,SMP60N03-10L,IRL1004,IRL3705N. Хуже будет работать транзистор BUZ11, так как по сравнению с первым, у него сопротивление открытого канала в пять раз больше.
Так же серьёзно следует отнестись к выбору силового диода и дросселя, которые должны быть рассчитаны на ток, не менее 10А.
Авто-адаптер для ноутбука на микросхеме UC1843.
Ещё один авто-адаптер для работы ноутбука от бортовой сети автомобиля, собран на не очень дешёвой и не так распространённой микросхеме, ШИМ-регуляторе UC1843. Схема обеспечивает на выходе напряжение 18 вольт с током нагрузки до 5-ти ампер. Рассмотрим схему адаптера.
Выходное напряжение этого адаптера, можно устанавливать в пределах 16-35 вольт, переменным резистором R2. Для охлаждения транзистора и диода при токе нагрузки до 5-ти ампер — достаточно небольшого радиатора, например от компьютерных блоков питания. Вариант исполнения данной схемы, смотрите ниже на рисунке.
В данном адаптере так же можно применить транзисторы и диоды, которые были описаны в вышеприведённых схемах, так как все они в основном построены по одному принципу, поэтому подробно на их замене останавливаться не буду.
Авто-адаптеры для ноутбука на микросхеме LT1070, LM2577T-ADJ.
Приведу ещё пару схем авто-адаптеров, с применением не так широко распространённых и не очень дешёвых микросхем.
Первый авто-адаптер собран на микросхеме LT1070. Это пожалуй самая дорогая и менее доступная микросхема из всех описанных здесь конструкций. Это DC-DC преобразователь, который поддерживает на выходе напряжение 19 вольт, при токе нагрузке 2,5-3А.
Для контроля уровня выходного напряжения и его стабилизации, используется внутренняя схема стабилизации микросхемы LT1070. Суть ее работы в том, что она таким образом изменяет скважность импульсов, поступающих на первичную обмотку трансформатора, чтобы на выводе 2 А1 — было постоянное напряжение 1,24V.
Дня получения стабильного выходною напряжения, нужно с выхода вторичного выпрямителя на VD2, постоянное напряжение через делитель — подать на вывод 2 А1. А соотношение резисторов делителя должно быть таким, чтобы при правильном напряжении на выходе, на выводе 2 А1 было напряжение 1,24V. Резисторы делителя это R3 и R4.
Точным подбором R4 устанавливают требуемое номинальное стабилизированное выходное напряжение. В данном случае, это 19V.
Для намотки трансформатора, взято ферритовое кольцо внешним диаметром 32 мм. из феррита 2000НМ. Кольцо нужно обернуть тонким слоем фторопластовой пленки или лакоткани. Можно кольцо ничем не оборачивать, а покрыть слоем эпоксидного пака. После его высыхания можно наматывать обмотки. Вполне возможно, что для намотки трансформатора можно использовать и кольцо отличающегося диаметра и марки феррита, — нужно экспериментировать!
Первичная обмотка содержит 40 витков обмоточного провода, состоящего из двух вместе сложенных проводов ПЭВ 0,43. Можно использовать и одинарный провод сечением 0.9, но наматывать будет сложнее Вторичная обмотка содержит 70 витков такого же двойного провода. Сначала наматывают первичную обмотку, а затем на её поверхность вторичную, укладывая провод в том же направлении, что и наматывали первичную. На схеме начала обмоток трансформатора отмечены точками.
Для дросселей используются кольца диаметром 18-20 мм. Они содержат по 30 витков такого же двойного провода, как и для намотки трансформатора.
Схема преобразователя собрана на печатной плате с односторонним расположением печатных дорожек.
Микросхему и диоды необходимо укрепить на радиаторах. Общим радиатором может служить металлический корпус, в котором собран преобразователь.
При правильном монтаже и исправных деталях налаживание сводится к проверке выходного напряжения. Если оно отличается от необходимого нужно изменить сопротивление резистора R4. Уменьшение сопротивления ведет к повышению напряжения, а увеличение к его понижению.
Второй, аналогичный по характеристикам адаптер, собран на микросхеме LM2577T-ADJ. Эта схема из всех приведённых, наверно самая простая, но микросхема, применённая здесь, тоже не так широко-доступная, хотя гораздо чаще имеется в продаже, чем
LT1070
, да и не так дорога, как вышеупомянутая (видел от 5$).
Печатная плата для этого адаптера не делалась, детали были установлены на макетную плату и монтаж выполнен монтажными проводами. На выборе дросселя и диода, я останавливаться не буду, всё это есть в описаниях выше, так что выбирайте на свой вкус.
Микросхема прикреплена к алюминиевой пластине, которая служит радиатором, и вся эта конструкция помещена в подходящий пластмассовый корпус.
Надеюсь, что из всего разнообразия описанных схем, Вы найдёте себе наиболее подходящую по исполнению и применённым в сборке наиболее доступным радиодеталям.
Удачи в сборке.
Сегодня Вы узнаете как из подручных средств и паяльника сделать самодельное зарядное устройство к ноутбуку Asus eeepc.
Самодельное зарядное устройство для нетбука Asus eeepc 701 можно сделать самому за 1 час. В основе данного зарядного устройства лежит регулируемый стабилитрон TL 431 и усилитель тока, реализованный на биполярном транзисторе КТ819Г. Изначально, зарядное устройство проектировалось для питания распространенного нетбука Asus eeepc 701 от бортовой сети легкового автомобиля, однако, его можно легко превратить в самодельное зарядное устройство
, работающее от сети переменного тока 220В. Достаточно на вход подать 12 вольт от блока питания способного обеспечить ток 3-4 Ампера.
В процессе заряда нетбука, ток потребляемый от зарядного устройства достигает 2,5 Ампер, так что транзистору следует организовать нормальный отвод тепла. С указанными на схеме элементами зарядное устройство начинает работать сразу
и настройки не требует. Для предотвращения перегрева и выхода стабилитрона из строя, он усилен вторым, запаянным параллельно. По входу и выходу схемы з/у желательно поставить предохранители, на входе так же можно поставить диоды для защиты от переполюсовки, однако на диодах образуется падение напряжения, что может сказаться на работе зарядного устройства от бортовой сети с плохими контактами на панели предохранителей. начинает корректно работать при входном напряжении порядка 11,5 Вольт и выше. При подключении к ноутбуку, сперва проверьте напряжение на выходе (должно быть 9,5-10 Вольт), а так же обратите внимание на полярность разъема eeepc!
Вы также можете прислать любые
свои , и я с удовольствием их размещу на этом сайте с указанием Вашего авторства! Для этого пришлите письмо на samodelkainfo{собачка}
yandex.ru вместо {собачка} подставьте @
Процесс зарядки лэптопа без использования зарядного устройства — довольно сложная, однако вполне выполнимая задача. В данной статье мы вам максимально подробно расскажем о способах реализации средств подзарядки ноутбука, если нет в наличии родного и, что немаловажно, исправного адаптера питания.
Ввиду того, что действия по зарядке ноутбука без адаптера питания требуют прямого вмешательства в работу портативного компьютера, важно сделать замечание касательно автоматического решения проблем с включением устройства без использования батареи и зарядника. Таким образом, после внимательного изучения предписаний вы сможете не только восполнить энергию батареи, но и заставить ноут работать вовсе без встроенного источника питания.
Кроме прочего, вам следует понимать некоторые дополнительные аспекты, заключающиеся в возможных неполадках компьютера и напрямую связанные с причиной возникновения необходимости подобного рода зарядки. Углубляясь в суть сказанного, прежде чем выполнять рекомендации из инструкции, обязательно убедитесь в исправности лэптопа.
Будьте предельно осторожны, выполняя какие-либо действия, изначально не предусмотренные производителем! В целом, даже после четкого исполнения рекомендаций мы не можем дать гарантию, что устройство будет заряжаться до уровня нормы. Более того, вполне могут произойти осложнения, например, в виде короткого замыкания и выгорания внутренних компонентов питания ноутбука.
Способ 1: Заряжаем аккумулятор без ноутбука
Заключается такой метод зарядки ноутбука в том, чтобы отключить непосредственно сам аккумулятор от портативного компьютера и, путем использования некоторых инструментов, восполнить запас энергии. При этом вам все же может потребоваться адаптер питания от лэптопа, который, однако, вполне возможно подменить на любой другой, удовлетворяющий требованиям технической спецификации.
Обратите внимание, что в рамках приведенной нами подробной инструкции по данному методу мы также рассмотрели возможность замены батареи на новый компонент. Исходя от темы настоящей статьи, эти примечания вполне могут оказаться полезными, так как путем замены старого разряженного аккумулятора на заряженный новый, возможно восстановить полноценную работоспособность ноута.
Способ 2: Используем прямое подключение
По аналогии с первым способом, данный метод является в крайней степени радикальным и предназначен для пользователей, которые, как минимум, имели опыт работы с теми или иными электрическими приборами. Несмотря на это, конечно, даже новичок может справиться с требуемыми задачами, однако при возникновении малейших сомнений лучше перейти сразу к следующему разделу статьи.
Ноутбук может прийти в негодность от неправильных действий и нарушений правил безопасности.
Переходя к сути способа прямого подключения, важно сделать оговорку на малочисленность существующих методов. Как итог, какой бы из вариантов зарядки вы не выбрали, перед вами встают определенные требования, в целом равноценные покупке нового зарядного устройства.
Определившись с приоритетами, вам потребуется заранее подготовить пару небольших проводков с медными мягкими жилами и любой достаточно мощный внешний блок питаний, напряжение от которого, как минимум, должно быть эквивалентно стандартному адаптеру. Тут же учтите, что при недостатке напряжения заряд к аккумулятору поступать все же будет, однако не полностью.
Недостаток вольтажа используемого блока питания, вероятнее всего, будет проявляться в существенных упадках производительности портативного компьютера.
Чтобы избежать проблем, работать следует с выключенным ноутбуком и отключенным от сети адаптером питания. Желательно также изъять батарею, пока не будет налажен канал передачи электроэнергии к лэптопу.
- центр – «+»
; - край – «-»
.
Нейтральная линия обычно проходит через отрицательный контакт.
Закончив с подключением проводков, можно заняться блоком питания в зависимости от его ценности.
Помимо описанного, можно поступить и несколько иначе.
Когда выбранный вами адаптер несколько мощнее оригинального, стоит проявить особую внимательность, чтобы не допустить перегрева компонентов ноутбука и непосредственно самой батареи.
На этом, по сути, со способом можно закончить, так как после выполнения рекомендаций останется лишь установить аккумулятор и дождаться его полной загрузки.
Способ 3: Используем USB-порты
Как известно, сегодня достаточно большое количество возможностей предоставляют стандартные USB-порты, имеющиеся буквально на любом портативном компьютере. В число таких дополнительных возможностей по праву можно отнести зарядку аккумулятора без использования оригинального зарядного устройства.
Следует заметить, что хотя специальные кабели и можно без особых проблем приобрести в любом магазине электроники, все же у них есть определенные требования к заряжаемому устройству. Напрямую это касается наличия у портативного компьютера современного порта USB 3.1, способного передавать нужные импульсы.
Узнать о наличии подобного входа можно путем прочтения технической спецификации от компьютера, где описаны все имеющиеся порты. Обычно нужное гнездо имеет название USB 3.1 (Type-C).
Итак, как зарядить ноутбук без зарядки через USB:
Безусловно, благодаря такому подходя к восполнению энергии в батареи вы можете пользоваться всеми возможностями ноутбуками без каких-либо видимых ограничений.
Способ 4: Используем внешний аккумулятор
Этот способ, в отличие от прочих, позволяет заряжать ноутбук не только в домашних условиях, но и в любом другом месте. Более того, от вас по-прежнему не требуется стандартная зарядка от портативного компьютера.
Обратите внимание, что внешняя батарея, именуемая Power Bank, предназначена для подзарядки не только ноутбуков, но и других портативных гаджетов. В зависимости от разновидности приобретенного аккумулятора вы сможете подзарядить сразу несколько устройств.
Приведенные на скриншотах в рамках статьи устройства не являются рекомендованными – выбор зависит только от вас.
Используя такой подход, в особенности если вы располагаете несколькими накопителями, можно увеличить стандартный лимит работы аккумулятора лэптопа до уровня эксплуатации стандартного адаптера питания.
Способ 5: Используем автоинвертор
Многие владельцы автомобилей и вместе с тем пользователи ноутбуков сталкивались с проблемой нехватки стандартного заряда батареи при активном использовании компьютера в пути. В таком случае идеальным решение трудности является специальный автомобильный конвертор, преобразующий базовое напряжение транспортного средства.
Тут стоит оговориться, что воспользоваться подобным устройством можно как при наличии стандартного адаптера питания, так и при его отсутствии. Однако, учитывая, что в вашем случае скорее всего зарядника нет вовсе, потребуется дополнительный USB-переходник.
Помимо сказанного, вполне можно приобрести автомобильный адаптер питания для вашего ноутбука и заряжать компьютер с его помощью через прикуриватель. Однако такие блоки питания обычно поддерживаются ограниченным количеством моделей лэптопов.
Данный способ, как можно заметить, является скорее дополнительным и подойдет в качестве решения в единичных случаях.
Способ 6: Используем электрогенератор
В современных реалиях многие пользователи прибегают к помощи таких гаджетов, как солнечные батареи или любые другие портативные генераторы, с целью зарядки личных устройств. Такое отношение к подобным видам подзарядки вполне оправдано, так как аккумулятор, зачастую, восполняется достаточно быстро.
Главной отрицательной чертой подобных гаджетов выступает их зависимость от тех или иных погодных явлений, что делает использование в домашних условиях несколько затруднительным.
- Первым дело нужно приобрести в магазине электроники нужное вам устройство.
- Не забывайте уточнять у консультантов мощность гаджета, затрагивая тему подзарядки ноутбука.
- Когда устройство будет при вас, воспользуйтесь соответствующим переходником, чтобы подключить генератор энергии к зарядному гнезду лэптопа.
- Обычно нужный комплект переходников поставляется вместе с гаджетом.
- После подключения проследите, чтобы источник работал без каких-либо проблем.
- В течение некоторого количества времени после начала энергия постепенно перейдет к базовой батареи ноутбука.
В нашем случае это солнечная батарея, ввиду максимальных показателей компактности.
Подобные генераторы способны сохранять в себе напряжение, являясь своеобразной разновидностью Power Bank. То есть, например, можно оставить солнечную батарею под открытым небом и в скором времени она сможет запитать все ваши устройства.
Вместительность хранилища зависит от модели генератора.
На этом с инструкцией можно закончить.
Вне зависимости от выбранного вами способа заряда батареи вы сможете восполнить энергетический запас аккумулятора. И хотя все методы являются довольно равноценными, при отсутствии нужных деталей и знаний куда выгоднее будет все же обзавестись новым адаптером питания.
В путешествие по Кавказу мы как и все туристы взяли с собой кучу электроники: 2 телефона, зеркальный фотоаппарат, мыльница, 2 жпса (автомобильный и туристический), зарядки для аккумуляторов фонарей, переносная радиостанция и ноутбук. Согласен — тут много лишнего, но ведь опыт — сын ошибок трудных:)
Самая большая проблема всего этого барахла — его нужно заряжать. Почти все современные устройства питаются либо от 5 Вольт, либо от 12, и благо в автомобиле есть оба напряжения. Но есть и относительно проблемные устройства: ноутбук и зеркалка, на которые нужно 220В для родной зарядки, или контроллер заряда 2S лития от 12 Вольт.Редко какой ноутбук сейчас работает от 12 вольт — это древние нетбуки требовали такого напряжения. Современные же почти все весьма прожорливые, хотят питаться от 18-20 Вольт и съедают, как правило, до 3 Ампер.
Вот у меня как раз такой помощник штурмана и лежит — Itronix IX-250. Это воистину не убиваемый кирпич, который можно использовать как табуретку, подставку под домкрат, сендтрак, доску для нарезки овощей и после этого открыть в нем карту и ехать дальше.
Собственно, этому товарищу нужны те самые 19В @ 3А которых штатно в машине не найти. Многие делают просто — покупают инвертор, который втыкают в прикуриватель, в инвертор обычную сетевую зарядку метра три длинной, и туда уже ноутбук. Получается следующее преобразование: =12В — ~220В — =19В.
Данная конструкция имеет единственный плюс — через инвертор можно заряжать не только ноутбук, но и другие штуки, типа той же зеркалки.
Однако, минусов намного больше:
Ооочень длинная борода конструкция, которая в длительной поездке, а тем более на соревнованиях будет постоянно мешаться под ногами.
кпд этой цепочки стремится к нулю:) на каждом преобразователе (инвертер+бп ноутбука) будет теряться до 10-30% энергии просто на нагрев воздуха.
покупать инвертор с модифицированным синусом мне не позволяют внутренние предубеждения и техническое образование, а хороший — с чистым синусом стоит приличных денег, и покупать его только для ноута сильно накладно.
качество недорогих инверторов оставляет желать лучшего, и это опасно для ноутбука.
Рассмотрев возможные варианты подключений я остановился на повышающем DC-DC преобразователе. То есть, будем поднимать напрямую постоянные 12(14)В бортовой сети в постоянные 19В. Такой преобразователь можно купить готовый, но те что были представлены в локальных магазинах совсем не внушали доверия: не вентилируемый пластиковый корпус, тонюсенькие провода, хлипкий пластик… Да что там говорить — у меня на работе такой, раскаляется аки чайник и начинает вонять.
Я решил попробовать заколхозить подобную штуку сам. Не буду лукавить — я не рассчитывал, и не разводил плату а воспользовался уже готовой:
150W Boost Converter DC to DC 10-32V to 12-35V
Входное напряжение: 10-32В
Выходное напряжение: 12-35В
Мак. выходной ток: 6А
Макс. ток на входе: 10А
В открытом виде, как понимаете, использовать его в машине невозможно, потому неплохо было бы найти для платы шкурку. Например :
Преобразователь предварительно нужно было немного допилить: зашунтировать электролитические конденсаторы керамикой для фильтрации ВЧ шума, и подправить обратную связь шим контроллера как советует .
Взяв в руки плату и корпус становится очевидно, что в коробочку плата с радиаторами не влезет, да и без — тоже. Чтобы впихнуть невпихуемое решено было выпаять радиаторы, силовые элементы (диодную сборку и мосфет) и подрезать на заточном станке плату до нужных размеров.
После срезания одного торца пришлось дорожку восстановить проводом, и пользуясь случаем выпаял светодиод и клемники — они там не нужны. Ноги силовых элементов пришлось изогнуть так, чтобы теплорассеивающая часть была на одном уровне с новым краем платы для хорошего контакта с новым «радиатором».
Диодная сборка и мосфет были посажены на термопасту через терморезиночку прямо на аллюминиевый корпус служащий радиатором и надежно закреплены винтом.
В качестве разъема был выбран GX16-4 — это «авиационный» 4х контактный разъем выдерживающий токи до 15 ампер по паспорту. По двум штырькам я пустил входящее напряжение, а по оставшимся двум — выходящее повышенное. Плюсом такого разъема является его относительная герметичность и надежная фиксация штекера.
Предвидя тяжелые условия эксплуатации я позаботился и о кабелях: входной был взят термостойкий многожильный 2*1мм2 в двойной силиконовой оболочке (Basoglu SIMH). Честно говоря, я даже не ожидал такого качества — кабель очень мягкий, приятный на ощупь, внутри внешней оболочки провода в тальке, паяется отлично. В качестве выходного использовал обычный ноутбучный коаксиал. Это как правило очень износостойкие кабели с хорошим сечением. Я давно уже использую такие для поделок, где на кабель будут приходится постоянные нагрузки. Штекер для ноутбука напаял из того что было (временно).
Оба кабеля с небольшими ухищрениями заделал в разъем, а на тонкий кабель надел пружинку — такая конструкция очень сильно продлевает жизнь кабелей около разъемов, т.к. намного увеличивает радиус изгиба и предотвращает заломы. Не лишним будет и ферритовое колечко на выходную линию для гашения помех.
Удобнее, конечно, было бы использовать две розетки в корпусе — на вход и на выход с разных сторон. Это и в монтаже удобнее, и «проходная» конструкция удобнее в эксплуатации. Но каждая пара папа-мама локально стоит 200р, сэкономил.
При желании и небольших усилиях конструкцию можно сделать полностью герметичной, ведь и у корпуса и у разъема уже есть задел на это.
Я своим ноутбуком смог нагрузить преобразователь только на 3.6А @ 11.8В на входе, при этом за 20 минут работы на таком токе корпус прогрелся немного сильнее окружающей температуры. Пирометр показывает 32,3°С. Измерять температуру алюминиевой коробки пирометром не совсем корректно, но даже после закрашивания области черным маркером показания не изменились.
Вот так выглядит вся конструкция в машине, ноут без аккумулятора для подтверждения работы. Пол часа работы ноутбука на холостом ходу никак не сказались на температуре преобразоателя, тем более от 13,8В бортовой сети ему будет работать проще, чем от 11.8В дома.
Бюджет вышел около 1000 рублей учитывая что половина деталей бралась в Китае. Если брать все локально — можно цены смело умножать на два.
Теперь о впечатлениях.
На мартовских выходных откатал аж двое соревнований: «Весенний прорыв» штурманом на боевом УАЗе и приуроченные к 8 марта «Королева авто», уже пилотом, на своей машине.
Уже на первых соревнованиях я оценил всё удобство зарядки — ничего нигде не висит и не болтается. Я зарядку включил в прикуриватель и все засунул под сиденье, а оттуда к ноуту шел один единственный кабель питания. Бп, кстати, почти не греется. Был момент, когда я не заметил, как вывалился штекер питания из ноута, и он около часа работал от батареи, после чего блоку питания пришлось тянуть и зарядку батареи, и работу ноута. А все усугублялось еще тем, что в уазе на полную работала печка дующая в ноги — аккурат под сиденье, и в этот момент корпус блока питания был по ощущениям градусов 45-50, то есть немного горячее, чем теплый.
Еще раз убедился в том, что сделал правильно, что купил толстый кабель — часто получалось так, что при крутом уклоне капотом вниз БП вылетал под ноги, и я какое-то время топтался по нему. Очевидно, тонкий кабель в таких условиях умрет намного быстрее.
Единственное, что, пожалуй, стоит изменить в связке БП — ноутбук — это разьем питания самого ноутбука. Нужно поставить туда что-то типа GX16-2, такого как на блоке питания. Это позволит предотвратить случайные выпадания штекера и вероятность облома гнезда от материнской плате в ноутбуке при рывке за кабель.
19.02.2013
Если статья
оказалось полезной,
появились вопросы или не согласны с данной статьей
— пожалуйста
, . Спасибо.
Наконец то дошли руки, чтобы рассмотреть вопрос: Как зарядить наши любимые игрушки, такие как телефон, фотоаппарат, mp3- плееры в экстремальных случаях, когда отсутствует оригинальное зарядное устройство?
Сразу же хочу оговориться что я не шаман и не Кашпировский , силой мысли у меня зарядить аккумулятор не получилось и поэтому сразу скажу: для зарядки, в любом случае, потребуется другой источник электрической энергии напряжением на выходе большим чем напряжение аккумулятора *
, откуда будем перекачивать энергию в аккумулятор нашего устройства.
* можно конечно зарядить источником у которого напряжение меньше, но для этого потребуется преобразователь который будет увеличивать напряжение — этот вариант так же буду рассматривать в этой статье.
ВНИМАНИЕ
: Неправильная зарядка и эксплуатация аккумуляторов может привести к полному выходу из строя аккумулятора (устройства), или значительной потери емкости, взрыву и т.д. и т.п. Статья написана чисто в ознакомительных целях. НЕ ПОВТОРЯТЬ!!!
Наиболее часто в мобильных устройствах (ноутбуки, мобильные телефоны, КПК и другие) применяют литий-ионные (Li-ion) аккумуляторы. Это связано с их преимуществами по сравнению с широко использовавшимися ранее никель-металлгидридными (Ni-MH) и никель-кадмиевыми (Ni-Cd) аккумуляторами.
Не буду описывать устройство и принцип работы данного типа аккумуляторов, т.к. в интернете полно описаний. Кратко хочется отметить только один пункт:
Li-ion аккумуляторные батареи коммерческого назначения имеют наиболее совершенную защиту среди всех типов батарей. Как правило в схеме защиты Li-ion батарей используется ключ на полевом транзисторе, который при достижении на элементе батареи напряжения 4,30 В открывается и тем самым прерывает процесс заряда. Кроме того, имеющийся термопредохранитель при нагреве батареи до 90 °С отсоединяет цепь ее нагрузки, обеспечивая таким образом ее термальную защиту. Но и это не все. Некоторые аккумуляторы имеют выключатель, который срабатывает при достижении порогового уровня давления внутри корпуса, равного 1034 кПа (10,5 кг/м 2), и разрывает цепь нагрузки. Есть и схема защиты от глубокого разряда, которая следит за напряжением аккумуляторной батареи и разрывает цепь нагрузки, если напряжение снизится до уровня 2,5 В на элемент.
Итак начнем с самого простого:
Самый легкий способ:
использовать другое зарядное устройство с аналогичными характеристиками. Здесь можем столкнуться со следующими трудностями:
- Несоответсвие разъемов
Указанная проблема легко разрешается в устройствах с круглым разъемом и намного сложнее с плоскими разъемами.
Рассмотрим более подробно указанный способ с практической части:
Итак: по условиям задачи у нас есть телефон, зарядное устройство от другой модели, разъем которого не подходит
| Телефон без зарядного устройства | Зарядник от другой модели |
| Характеристики аккумуляторов примерно совпадают, отсюда я могу сделать вывод: зарядное устройство должно подойти для зарядки телефона, у которого отсутствует зарядное устройство | Нам понадобиться: 2 небольших кусочка провода, и трубка из изоляционного материала, (например кусочек трубки от стержня шариковой ручки или кусочек изоляции от провода подходящего диаметра) с наружным диаметром примерно подходящим под диаметр на входе разъема телефона |
В данном примере, я использовал кусочек трубки от стержня шариковой ручки. Как видим путем несложных манипуляции, удалось зарядить телефон motorola используя зарядное устройство от nokia
1) Вставляем провода в разъем телефона
2) Соединяем вторые концы проводов к разъему от зарядного устройства
Поставленная задача достигнута, зарядка пошла
p.s. Спустя несколько часов, телефон показывал 100% зарядку.
Гораздо сложнее приспособить телефон, где входной разъем не круглый, однако во многих случаях указанный способ так же работает. О том как это у меня получилось расскажу чуть позже…
Рассмотрим второй случай, который так же легко решается как и в первом случае:Требуется зарядить ноутбук, в
округ куча зарядок от ноутов, но разъемы не подходят..
Здесь во многих случаях даже проще чем с телефонами. Практически все ноутбуки (по крайне мере те ноутбуки которые мне встречались) имеют разъем круглого сечения
В таблице несколько видов разъемов которые мне попадались:
| 1) | 2) | 3) | 4) |
Рассмотрим вариант: вариант 1 и самую простую ситуацию: диаметр центрального контакта на ноутбуке меньше диаметра на зарядном устройстве. В этом случае зарядное устройство будет свободно вставляться в разъем ноутбука однако зарядки не будет, т.к. не будет контакта. В данном случае проблема решается элементарно: берется несколько жилок из тонкого многожильного провода, вставляется внутрь отверстия на разъеме который идет от БП и соединяется к ноутбуку. Если выходные характеристики БП подходят к вашему ноутбуку, то зарядка пойдет немедленно.
Жилки от проводов вставлены внутрь разъема
Важно: Необходимо проследить за температурой на разъеме соединения БП к ноутбуку, т.к. в случае плохого контакта возможно перегрев, что может привести к поломке разъема на ноутбук, тогда потребуется ремонт с разборкой ноутбука.
В случае нагрева разъема из за плохого контакта, следует увеличит количество жилок, которые вставили внутрь разъема.
Второй немаловажный момент: необходимо обратить внимание на правильную полярность, полярность подключения как правило обозначается как на ноутбуке так и на зарядном устройстве, как правило «+» это центральный вывод но могут быть исключения, поэтому лучше перестраховаться
Еще один простой способ определить полярность соединения для конкретной модели, если есть под рукой интернет, то запрашиваем поисковую систему например для своего ноутбука я нашел множество картинок при запросе: «Toshiba satellite зарядник картинки»
И еще, хотелось дополнительно обратить внимание на один момент, обычно сзади ноутбука приклеивается наклейка с указанием параметров которые требуется от зарядного устройства, например такая табличка:
т.е. в данном случае требуется зарядное устройство с напряжением на выходе 19 Вольт и выдаваемый ток должен быть не менее 3,16А.
Для зарядки, более критичным является выходное напряжение, хотя допускается небольшой разброс, по практике скажу что ноутбук, который испытывал вполне нормально работал и заряжался при нижнем значении напряжения 16 вольт и верхний предел я проверял 22 вольта.
Что касается выходного тока от БП, то обычно указывается максимальный параметр, т.е. если только заряжать не включая ноутбук то параметр может быть в 2-3 раза ниже.
Касательно всех параметров, я в ближайшее время проведу дополнительные измерения, и опубликую.
Рассмотрим аналогичный случай, только имеем наоборот, диаметр центрального провода на зарядном устройстве меньше диаметра центрального провода на ноутбуке.
В данном случае поступаем точно так же, как поступили с телефоном еще в самом начале, находим подходящую трубку и при помощи кусочков проводов сооружаем переходник, все это будет выглядит примерно так, как на картинках ниже
Тут поле для фантазии не ограничено, мне было достаточно 2-х кусочков провода и пустого стержня от гелиевой ручки:
Не сложными манипуляциями получаем примерно такую конструкцию:
который вставляем в разъем ноутбука
Если прижать провода к столу например скотчем и не двигать ноутбук, можно не только заряжать, а даже поработать пока ноутбук заряжается ?
Итак, мы рассмотрели самые простые способы, когда по условиям у нас есть практически все необходимое (подходящее по параметрам зарядное устройство) нам только необходимо было адаптировать разъемы.
Понемногу буду переходит к более сложным условиям.
Будем рассматривать ситуаций, когда для зарядки придется снимать аккумулятор.
Имея в распоряжении внешнее зарядное устройство, можно без проблем зарядить аккумуляторы многих устройств.
Например мне под руку попалось вот такое устройство:
Смотрим на характеристики
Как видим диапозон выходного напряжения довольно большой от 4,2 до 8,4 Вольта
Первая задача: определить полярность на клеммах, которую можно решить множеством способов
Вторая задача: присоединить клеммы зарядного устройства к клеммам аккумулятора
Здесь рассмотрю на примере следующего аккумулятора:
Например я использовал кусочек картона, два провода и кусок изоленты, которым обмотал контакты закрепленные на картоне вокруг аккумулятора:
Светящийся красный светодиод в данном примере, означает что идет процесс зарядки
Если статья
оказалось полезной,
появились вопросы или не согласны с данной статьей
— пожалуйста
, . Спасибо.
как говориться: чтобы победить врага надо знать его изнутри)
попробуем теперь зарядить аккумулятор ноутбука без зарядного устройства. Поискав информацию про устройство аккумулятора и не найдя ничего, решил разобрать аккумуляторный блок. Посмотрим из чего она состоит:
Аккумулятор ноутбука toshiba satellite
Посмотрим что за зверь ?
Как видно из характеристики, напряжение 10,8 Вольт, емкость 4Ач, т.е. теоретически его реально зарядить от автомобильного аккумулятора напряжением 12 Вольт
Как видно из фотографии, блок аккумулятора во первых состоит из 6 ти отдельных элементов, которые попарно соединены параллельно, и получившиеся 3 элемента соединены последовательно.
Самое сложное, это разобраться в схеме соединения, которая переплетена электроникой. т.е. вопрос такой, к каким же проводам подключиться, чтобы аккумулятор не превратить в кирпич и плюс к тому же обеспечить зарядку?
Вот он сам разъем, куда и попробую подать ток, чтобы обеспечить заряд аккумулятора
Безопасный, но долгий и нудный способ- это зарядить каждую пару элементов по отдельности, отпаивать элементы не требуется, нужен какой либо источник тока напряжением от 4 до 8 вольт и желательно использовать балласт, можно использовать любой зарядник для Li аккумуляторов.
И хотелось быстро пробежаться :
На первом месте
- мне надо зарядить ноут но зарядка сломалась*
Наверно самый лучший совет: Отремонтировать зарядку или приобрести аналогичный но исправный
На втором месте:
- надо зарядить ноут есть стационарный комп*
К сожалению блок питания выдает стабилизированные 12 В, 5 В, есть и другие напряжения, но 12 вольт недостаточно для зарядки ноутбука
Тут можно рассмотреть вариант или залезть внутрь блока питания и заняться переделкой, для увлечения выходного напряжения, можно так же собрать преобразователь с 12 например 19 вольт (возможно ближе к зиме попробую испытать на практике и результатами конечно же поделюсь) или же используя напряжение 5 В через балластный резистор заряжать элементы отдельно- как описывал в последнем случае.
- Есть: Устройство которое надо зарядить, есть зарядка от другого устройства, которая подходит по характеристикам но не подходит разъем.
Ниже способ временного востановления порванного провода от зарядного устройства
Автомобильная зарядка для ноутбука
Пользуясь ноутбуком, рано ли поздно сталкиваешься с ситуацией когда аккумулятор ноутбука выходит из строя и не заряжается, соответственно ноутбук можете использовать только как настольный компьютер. Мобильность его при этом становится совсем не мобильной.
Часто выезжаю на машине, при этом ноутбук не помешал бы… и вот наткнулся на одном сайте радиолюбителей на статью о том, как сделать автомобильный адаптер для ноутбука.
Современные портативные компьютеры, так называемые, ноутбуки, пользуются заслуженной популярностью. Они намного удобнее стационарных настольных собратьев. Ноутбук можно взять с собой, например, в деловую поездку, пользоваться им при выездных работах. И даже как домашний «центр развлечения» ноутбук более удобен, так как занимает минимум места. Однако, на мой взгляд, есть один чрезвычайно важный минус, — большинство ноутбуков питаются от сетевого источника напряжением 19V, что делает невозможным их непосредственное питание от бортовой сети автомобиля (12-14V). А это очень важно, особенно при выездной работе, так как емкости собственной батареи ноутбука обычно хватает не более чем на два часа работы в активном режиме. А как быть, если вам, на каком-то объекте нужно целые сутки обрабатывать какие-то данные, а под рукой нет никакого источника питания кроме бортовой сети «УАЗика», на котором вы приехали? А если у вас вообще батарея перестала работать (вышла из строя и не заряжается, а вам нужно в поездке сипользовать ноутбук….
Безусловно, должны быть какие-то сетевые адаптеры, позволяющие подключать ноутбук к автомобилю, но, практически в широкой продаже их нет, а если и есть, то цена «под-заказ из Германии» получается близкой к цене целого ноутбука.
Ниже приводится описание относительно несложной схемы адаптера (DC-DC преобразователя), повышающего напряжение бортовой сети автомобиля до 19V, необходимого для питания ноутбука. И поддерживающего это напряжение стабильным.
Рис. 1
Адаптер выполнен на основе микросхемы LM3524, представляющей собой высокочастотный импульсный DC-DC преобразователь с накачкой на индуктивности, с выходным током до 200mA, выходной ток которого, в данной схеме, повышен до 3,5-4А с помощью мощного транзисторного ключа (на транзисторах VT1 и VT2).
Рассмотрим схему внимательнее. Напряжение от бортовой сети автомобиля поступает в цепь питания микросхемы D1 и выходного ключа через плавкий предохранитель Р1 и низкоомный проволочный резистор R6, смягчающий пуск генератора и работающий в схеме защиты от перегрузки. Ток потребления микросхема D1 определяет по напряжению на R6, поступающему на входы контроля перегрузки — выводы 4 и 5 D1. Напряжение на R6 тем больше, чем больше ток нагрузки (и фактический ток потребления от источника).
Пара выходных транзисторов микросхемы D1 включены параллельно (эмиттеры -выводы 14 и 11, коллекторы — выводы 12 и 13). Нагружены коллекторы выходных транзисторов резистором R10. С этого резистора импульсы поступают на неинвертирующий ключ на транзисторах VT1 и VT2. Транзистор VT1 служит предварительным инвертором, а s качестве выходного транзистора VT2 используется мощный полевой ключевой транзистор с малым сопротивлением открытого канала. Благодаря малому сопротивлению открытого канала, несмотря на значительный ток, мощность на нем рассеивается небольшая, и радиатор практически не требуется. Исключительно «для гарантии» на него установлен пластинчатый радиатор от выходного транзистора кадровой развертки телевизора типа 3-УСЦТ (пластина размерами, примерно, 25х35мм).
Накачка напряжения происходит на индуктивности L1. Диод VD2 выпрямляет импульсы самоиндукции и на конденсаторе С11 возникает некоторое постоянное напряжение.
Для стабилизации выходного напряжения используется компаратор, входы которого -выводы 1 и 2 D1. На вывод 2 через делитель R1-R2 подается опорное напряжение от внутреннего стабилизатора микросхемы (выход стабилизатора, — вывод 16). На вывод 1 подается напряжение с выхода источника питания, пониженное делителем R3-R4-R5. Величина выходного напряжения зависит от соотношения плеч этого делителя, и устанавливается подстроечным резистором R4 (фактически, в пределах от 15-ти до 22-х вольт). Желательно, чтобы резистор R4 был многооборотным, — так его установка будет точнее и стабильнее.
Катушка L1 намотана на кольцевом ферри-товом магнитопроводе внешним диаметром 28мм. Всего 30 витков провода ПЭВ 1,56.
Диод VD2 (диод Шотки) должен допускать прямой постоянный ток не менее 5А.
Транзистор BU278 можно заменить любым другим аналогичным транзистором, например, BUZ21L Транзистор ВС548 можно заменить любым n-p-п транзистором общего применения, например, КТ503.
Микросхему LM3524 желательно выбрать в DlP-корпусе (удобнее паять). Можно заменить такой же микросхемой SG3524, но другого производства.
Резистор R6 — проволочный, мощностью не менее 2W.
Все конденсаторы должны быть рассчитаны на напряжение не ниже 25V.
Налаживание сводится к установке выходного напряжения подстроечным резистором R4. Желательно чтобы R4 был многооборотным. Можно R4 предварительно заменить переменным резистором, а после регулировки измерить его сопротивление. Затем, набрать необходимое сопротивление из постоянных резисторов (путем последовательного или параллельного включения), и установить эту «сборку» вместо R4.
Преобразователь был собран на макетной печатной плате, поэтому схема разводки дорожек не прорабатывалась.
При подключении к автомобильной бортовой сети необходимо строго соблюдать полярность. В противном случае преобразователь выходит из строя. Оптимально -подключение непосредственно к клеммам аккумулятора. В этом случае будет минимум помех, как от преобразователя, так и на преобразователь. Корпус преобразователя должен быть экранированным.
Автор: Каравкин В.
(Просмотров 119 , в т.ч. 1 сегодня)
Для тех, кому немало времени приходится проводить в пути, и, вместе с тем, не переставать работать, будет очень полезен преобразователь напряжения, с помощью которого можно зарядить ноутбук. Сделать это можно в персональном автомобиле от бортовой сети на 12 Вольт.
Создание преобразователя DC/DC
DC/DC преобразователь отлично подходит для запитки ноутбука во время езды в автомобиле. Данная схема рабочая и очень функциональная. Она обеспечивает выходной ток до 5 Ампер и выходное напряжение в 19 Вольт. В общем и целом схема имеет мощность в 100 Ватт. Часть мощности рассеивается в форме тепла на некоторых частях, к примеру, полевом транзисторе, а также на диодной сборке.
Диодная сборка есть в каждом компьютерном блоке питания. Практически каждая из них рассчитана на напряжение в 30-40 Вольт, в иногда показатель доходит и до 60 Вольт. При этом допустимый ток не меньше 10 Ампер. Мощность полевого ключа влияет на выходной ток схемы. А в данном случае речь идет о IRFZ44 с током 49 Ампер.
При желании ключ можно подобрать более мощный. В любом случае и полевой транзистор и диодная сборка в обязательном порядке должны быть на теплоотводах. Они очень перегреваются, поэтому данный факт следует учитывать.
Особенности преобразователя
Дроссель – двадцать один виток с помощью миллиметрового провода на кольце из порошкового железа. Причем, желательно, чтобы провод был потолще, примерно один-два миллиметра. Чтобы было удобнее наматывать – мотается несколько жил тонкого провода. И кольцо, и дроссель в общем достаются из блока питания.
Дроссель выполняет роль накопителя тока, а потому ВЧ всплески от дросселя выпрямляются с помощью диодной сборки. После этого они накапливаются в выходном конденсаторе. Этот конденсатор обычно имеет емкость в 1000-4700 мкФ, в то время, как напряжение составляет от 25 Вольт.
Таймер 555 подключается, как генератор импульсов и настраивается на частоту около 110кГц. В этой схеме наиболее эффективной частотой таймера будет 80-150кГц. Транзистор небольшой мощности BC337 с успехом заменяется на другой маломощный вариант с обратной проводимостью: S9014/9018, BC556/557, KT3102/315.
Напряжение на выходе стабилизировано и зависит по большей мере от номинала стабилитрона, который задействуется. Если нужного номинала нет, то можно использовать последовательно подключенные стабилитроны. В такой ситуации, желательно, чтобы стабилитроны имели мощность в 1-1, 5 Ватт, хотя и маломощные варианты также могут продуктивно работать.
На входе питания ставится предохранитель, который впрочем, необязателен. Он спасает схему от перегрузки и незапланированных коротких замыканий на выходе, которые могут случиться.
В конце, готовый преобразователь можно установить в небольшой пластиковый корпус от какого-то адаптера, можно даже использовать корпус от нерабочего зарядника ноутбука.
При использовании малогабаритных теплоотводов для полеяого ключа и диодной сборки, желательно схему дополнить небольшим кулером, для отвода теплого воздуха. Очень советую использовать металлический, а еще лучше алюминиевый корпус, который одновременно будет в роли теплоотвода для силовых элементов.
Выходная мощность (выходной ток) схемы во многом зависит от полевого ключа и дросселя, с учетом этого, данный инвертор способен отдавать довольно большой ток на выходе.
КПД прибора на высоком уровне, благодаря импульсной схематике.
С использованием нашей схемы можно соорудить универсальный повышающий преобразователь напряжения, т.е получить буквально любое выходное напряжение (в пределах разумного). Для этого нужно будет намотать соответствующий дроссель, заменить выходной конденсатор и настроить узел стабилизации на нужное вам выходное напряжение.
Автор; АКА Касьян
Главная » Зарядные устройства
Автор admin На чтение 2 мин. Просмотров 6.4k. Опубликовано 08.06.2013
Зарядка автономных ПК (ноутбуков и нетбуков) в автомобиле достаточно простое дела. Стандартное зарядное устройство для зарядки ноутбука должно иметь выходное напряжение 18 Вольт при токе не менее 1,5Ампер. Современные технологии дают возможность собрать достаточно компактный и надежный DC-DC инвертор с питанием от бортовой сети автомобиля, выходное напряжение такого инвертора именно 18 Вольт, а максимальный выходной ток схемы составляет 3,5 Ампер. Выходное напряжение стабильные 18 Вольт даже тогда, когда входное напряжение ровно 7 Вольтам.

—————————————————————-

Генератор реализован на таймере 555. Сигнал с микросхемы подается на затвор мощного силового транзистора. Выбор транзистора далеко не критичен, можно использовать любые N-канальные полевые транзисторы с током более 10 Ампер, можно ставить широко-применяемые силовые ключи серии IRFZ44 или любые другие. Транзистор КТ342 можно заменить на более доступный КТ315 или любой другой биполярный транзистор малой мощности.

Накопительный дроссель мотается на кольце феррита или порошкового железа (такие кольца можно найти в компьютерных блоках питания). Обмотка мотается 3-ч жилами провода 0,7мм (каждая) и состоит из 20 витков. Витки равномерно растянуты по всему кольцу.

———————————————————–

Предохранитель и диод можно исключить из схемы, последний служит защитой от переплюсовки входного напряжения. В качестве выпрямителя после дросселя использован мощный сдвоенный диод Шоттки, который может быть заменен практически любым диодом Шоткки (или импульсным) с током не менее 5-6 Ампер.
КС518(А) – отечественный стабилитрон на 18 Вольт с мощностью 1 ватт, его можно заменить на аналогичный, например BZV85-C18.
Схема не требует дополнительной настройки и работает бесшумно. Диод Шоттки и полевой транзистор устанавливают на теплоотвод, поскольку в ходе работы с выходной нагрузкой, на них наблюдается тепловыделение. Доброго всем настроения.
Автор: АКА КАСЬЯН
.
Автомобильная зарядка для ноутбука. Своими руками.
адаптер для подключения ноутбука в авто своими руками
Полевое зарядное устройство для ноутбука и телефона своими руками
ЗАРЯДНОЕ УСТРОЙСТВО НОУТБУКА В АВТО.
Зарядка автомобильного аккумулятора блоком питания от ноутбука
Ноутбук в машине, без преобразователя на 220 вольт!
мощное зарядное устройство мобильных устройств для автомобиля своими руками
ЗАЧЕМ НУЖЕН ЭТОТ ЦИЛИНДР НА ШНУРЕ ДЛЯ ЗАРЯДКИ НОУТБУКА?
автомобильная зарядка для ноутбука
Автомобильный адаптер питания ноутбука своими руками
Главная »
Новинки »
Зарядка ноутбука в автомобиле своими руками
- ×òî äåëàòü?
- Âèäåî
- Êàðòèíêè
- Êàðòû è ìàðøðóòû
-
Ïî÷èòàòü æóðíàë ïîòðåáèòåëÿ
- NoFolloW çà íàìè â Twitter!
- Êàòàëîã /
- Âèäåî /
- Àâòîìîáèëüíàÿ çàðÿäêà…
ÑàìèÑóÑàìè hand made â óäîâîëüñòâèå
Àâòîìîáèëüíàÿ çàðÿäêà äëÿ íîóòáóêà. Ñâîèìè ðóêàìè. Âèäåî ïðî ïëàòó ïîâûøàþùåãî ïðåîáðàçîâàòåëÿ;
Êîìïëåêòóþùèå è èíñòðóìåíò ïîêóïàë çäåñü Øíóð ïèòàíèÿ äëÿ SAÌSUNG;
Øíóðû ïèòàíèÿ äëÿ íîóòáóêîâ ðàçíûå;
Øíóð ïèòàíèÿ óíèâåðñàëüíûé, íà ëþáîé íîóòáóê;
Øòåêåð â ïðèêóðèâàòåëü;
Òåðìîïàñòà;
Ìóëüòèìåòð;
Ìóëüòèìåòð ñàìûé äåøåâûé;
Ïîõîæèå âèäåî
Óíèâåðñàëüíîå çàðÿäíîå óñòðîéñòâî äëÿ íîóòáóêà.
Íîóòáóê îò àêêóìóëÿòîðà 12 âîëüò
Ñâåðëî äëÿ ñâåðëåíèÿ êâàäðàòíûõ îòâåðñòèé
Àâòîìîáèëüíûé áëîê ïèòàíèÿ äëÿ íîóòáóêà 80Âò — Äîðàáîòêà
Êàê çàðÿäèòü àâòîìîáèëüíûé àêêóìóëÿòîð çàðÿäêîé îò íîóòáóêà? Åñòü ðåøåíèå!
Àâòîìîáèëüíàÿ çàðÿäêà äëÿ íîóòáóêà
ÌÎÁÈËÜÍÀß ÑÂÀÐÊÀ ÍÎÂÎÃÎ ÏÎÊÎËÅÍÈß ÊÎÍÒÀÊÒÍÀß ÑÂÀÐÊÀ ÌÅ×ÒÛ ÑÀÌÛÉ ÁÞÄÆÅÒÍÛÉ ÂÀÐÈÀÍÒ ÍÎÂÛÉ ÓÐÎÂÅÍÜ
Ñàìîäåëüíûé Power Bank íà 50.000 mAh.
Äîðàáîòêà ëàáîðàòîðíîãî áëîêà ïèòàíèÿ íà îñíîâå ìîäóëÿ DPS5005.
ÑÁÎÐÊÀ ÌÎÙÍÎÃÎ ÀÊÊÓÌÓËßÒÎÐÀ ÄËß ÑÊÓÒÅÐÀ ÈËÈ ÌÎÏÅÄÀ ÑÂÎÈÌÈ ÐÓÊÀÌÈ.18+
Êàê çàðÿæàòü íîóòáóê îò ïîâåðáàíêà — USB çàðÿäíèê äëÿ ËÞÁÛÕ ãàäæåòîâ
Çàðÿäíîå óñòðîéñòâî èç èìïóëüñíîãî áëîêà ïèòàíèÿ






















































































