Регулятор напряжения блока питания. Блок питания своими руками
Конкурс начинающих радиолюбителей
“Моя радиолюбительская конструкция”
Конструкция несложного лабораторного блока питания на транзисторах от “0” до “12” вольт, и подробное описание всего процесса изготовления устройства
Конкурсная конструкция начинающего радиолюбителя:
“Регулируемый блок питания 0-12 В на транзисторах”
Здравствуйте уважаемые друзья и гости сайта!
Представляю на ваш суд четвертую конкурсную работу.
Автор конструкции – Фолкин Дмитрий, город Запорожье, Украина.
Регулируемый блок питания 0-12 В на транзисторах
Мне нужен был БП, регулируемый от 0 и до … В (чем больше, тем лучше). Я пересмотрел несколько книг и остановился на конструкции, предложенной в книге Борисова «Юный радиолюбитель». Там очень хорошо все расписано, как раз для начинающего радиолюбителя. В процессе создания такого сложного для меня устройства я допускал некоторые ошибки, анализ которых я сделал в данном материале. Мое устройство состоит из двух частей: электрической части и деревянного корпуса.
Часть 1. Электрическая часть БП.
Рисунок 1
– Принципиальная электрическая схема блока питания из книги
Я начал с подбора необходимых деталей. Некоторые из них я нашел у себя, а другие покупал на радиорынке.
Рисунок 2
– Детали для электрической части
На рис. 2 представлены такие детали:
1 – вольтметр
, показывающий выходное напряжение БП (я купил вольтметр без названия с тремя шкалами, к которому для правильных показаний необходимо подбирать шунтирующий резистор);
2 – вилка сетевого питания БП
(я взял зарядку от Motorola, вынул плату, а вилку оставил);
3 – лампочка с патроном
, которая будет служить индикатором подключения БП к сети (лампочка 12.5 В 0.068 А, две таких я нашел в каком-то старом радиоприемнике);
4 – выключатель из сетевого удлинителя
для компьютера (внутри него есть лампочка, к сожалению, у меня была сгоревшая);
5 – резистор 10 кОм переменный регулировочный группы А
, т.е. с линейной функциональной характеристикой и ручка к нему; нужен для плавного изменения выходного напряжения БП (я взял СП3-4ам, а ручку из радиоприемника);
6 – красная «+» и черная «-» клеммы
, служащие для подключения нагрузки к БП;
7 – плавкий предохранитель 0.5 А
, установленный в фиксаторах на ножках (я нашел в старом радиоприемнике стеклянный предохранитель 6Т500 с четырьмя ножками);
8 – трансформатор понижающий 220 В/12 В
также на четырех ножках (можно ТВК-70; у меня был без маркировки, но продавец написал на нем «12 В»);
9 – четыре диода с максимальным выпрямленным током 0.3 А
для выпрямительного диодного моста (можно Д226, серии Д7 с любой буквой или выпрямительный блок КЦ402; я взял Д226Б);
10 – транзистор средней или большой мощности
с радиатором и фиксирующим фланцем (можно П213Б или П214 – П217; я взял П214 сразу с радиатором, чтобы не грелся);
11 – два электролитических конденсатора на 500 мкФ
или больше, один 15 В или больше, второй 25 В или больше (можно К50-6; я взял К50-35 оба на 1000 мкФ, один 16 В, второй 25 В);
12 – стабилитрон с напряжением стабилизации 12 В
(можно Д813, Д811 или Д814Г; я взял Д813);
13 – маломощный низкочастотный транзистор
(можно МП39, МП40 – МП42; у меня МП41А);
14 – резистор постоянный 510 Ом, 0.25 Вт
(можно МЛТ; я взял подстроечный СП4-1 на 1 кОм, потому что его сопротивление надо будет подбирать);
15 – резистор постоянный 1 кОм, 0.25 Вт
(мне попался высокоточный ±1%);
16 – резистор постоянный 510 Ом, 0.25 Вт
(у меня МЛТ)
Также для электрической части мне понадобилось:
– односторонний фольгированный текстолит
(рис. 3);
– самодельная минидрель
со сверлами диаметром 1, 1.5, 2, 2.5 мм;
– проводки, болтики, гаечки и другие материалы и инструменты.
Рисунок 3
– На радиорынке мне попался очень старый советский текстолит
Далее, измеряя геометрические размеры имеющихся элементов, я нарисовал будущую плату в программе , которая не требует установки. Затем я взялся за изготовление печатной платы методом ЛУТ. Делал это первый раз, поэтому воспользовался данным видеоуроком _http://habrahabr.ru/post/45322/.
Этапы изготовления печатной платы:
1
. Распечатал в типографии на лазерном принтере на глянцевой бумаге 160 г/м2 нарисованную плату и вырезал (рис. 4).
Рисунок 4
– Изображение дорожек и расположение элементов на глянцевой бумаге
2
. Отрезал кусок текстолита размером 190х90 мм. За неимением ножниц по металлу воспользовался обычными канцелярскими ножницами, резалось долго и тяжело. С помощью наждачной бумаги нулевки и 96% этилового спирта подготовил текстолит к переносу тонера (рис. 5).
Рисунок 5
– Подготовленный фольгированный текстолит
3
. Сначала с помощью утюга перенес тонер с бумаги на металлизированную часть текстолита, грел долго, около 10 минут (рис. 6). Потом вспомнил, что хотел сделать еще и шелкографию, т.е. нанесение рисунка на плату со стороны деталей. Приложил бумагу с изображением деталей на не металлизированную часть текстолита, грел не долго, около 1 минуты, получилось плоховато. Все-таки сначала надо было шелкографию, а потом переносить дорожки.
Рисунок 6
– Бумага на текстолите после прогревания утюгом
4
. Далее необходимо удалить эту бумагу с поверхности текстолита. Я использовал теплую воду и щетку для обуви с металлическими ворсинками в середине (рис. 7). Оттирал бумагу очень усердно. Возможно, это была ошибка.
Рисунок 7
– Щетка для обуви
5
. После отмывки от глянцевой бумаги, на рисунке 8 видно, что тонер перевелся, но некоторые дорожки разорваны. Наверняка это из-за усердной работы щеткой. Поэтому пришлось купить маркер для CDDVD дисков и дорисовать им практически все дорожки и контакты вручную (рис. 9).
Рисунок 8
– Текстолит после переноса тонера и удаления бумаги
Рисунок 9
– Дорисованные маркером дорожки
6
. Далее необходимо вытравить ненужный металл с текстолита, оставив нарисованные дорожки. Делал это так: налил в пластиковую посудину 1 л теплой воды, насыпал туда пол баночки хлорного железа и размешал пластиковой чайной ложкой. Затем положил туда фольгированный текстолит с размеченными дорожками (рис. 10). На баночке с хлорным железом обещанное время травления 40-50 минут (рис. 11). Подождав указанной время, я не обнаружил на будущей плате никаких изменений. Поэтому высыпал все хлорное железо, что было в баночке, в воду и размешал. В процессе травления я помешивал раствор пластмассовой ложечкой для ускорения процесса. Травилось долго, около 4 часов. Чтобы ускорить травление, можно было бы подогревать воду, но я такой возможности не имел. Раствор с хлорным железом можно восстановить с помощью железных гвоздей. У меня их не оказалось, поэтому я использовал толстые болты. Медь осела на болтах, а в растворе появился осадок. Раствор я слил в трехлитровую пластмассовую бутылку с толстым горлышком и поставил в кладовке.
Рисунок 10
– Заготовка печатной платы плавает в растворе хлорного железа
Рисунок 11
– Баночка с хлорным железом (масса не указана)
7
. После травления (рис. 12) я аккуратно промыл плату теплой водой с мылом и удалил тонер с дорожек этиловым спиртом (рис. 13).
Рисунок 12
– Текстолит с вытравленными дорожками и тонером
Рисунок 13
– Текстолит с вытравленными дорожками без тонера
8
. Далее я принялся за сверление отверстий. Для этого у меня есть самодельная минидрель (рис. 14). Для ее изготовления пришлось разобрать старый сломанный принтер Canon i250. Оттуда я взял моторчик на 24 В, 0.8 А, блок питания к нему и кнопку. Затем на радиорынке я приобрел цанговый патрон на вал 2 мм и 2 комплекта сверл диаметром 1, 1.5, 2, 2.5 мм (рис. 15). Патрон надевается на вал моторчика, вставляется сверло с держателем и зажимается. Сверху на моторчик я приклеил и припаял кнопку, которая приводит минидрель в действие. Сверла не особо поддаются центрированию, поэтому их немного «водит» по сторонам при работе, но в любительских целях использовать можно.
Рисунок 14
–
Рисунок 15
–
Рисунок 16
– Плата с высверленными отверстиями
9
. Потом покрываю плату флюсом, смазывая ее толстым слоем аптечного глицерина с помощью кисточки. После этого можно лудить дорожки, т.е. покрывать их слоем олова. Начав с широких дорожек, большой каплей припоя на паяльнике я водил по дорожкам, пока полностью не залудил плату (рис. 17).
Рисунок 17
– Луженая плата
10. В конце произвел монтаж деталей на плату. Начал я с самых массивных трансформатора и радиатора, а закончил транзисторами (где-то читал, что в конце всегда паяют транзисторы) и соединительными проводами. Также в конце монтажа в разрыв цепи стабилитрона, отмеченный на рис. 1 крестом, я включил мультиметр и подобрал такое сопротивление подстроечного резистора СП4-1, чтобы в этой цепи установился ток 11 мА. Такая наладка описана в книге Борисова «Юный радиолюбитель».
Рисунок 18
– Плата с деталями: вид снизу
Рисунок 19
– Плата с деталями: вид сверху
На рисунке 18 видно, что я немного не угадал с расположением отверстий для монтажа трансформатора и радиатора, пришлось досверливать. Также почти все отверстия для радиодеталей оказались немного меньше в диаметре, потому что ножки радиодеталей не влазили. Возможно дырки стали меньше после лужения припоем, поэтому следовало бы их сверлить после лужения. Отдельно надо сказать про отверстия под транзисторы – их расположение также оказалось неправильным. Тут мне надо было внимательнее и тщательнее рисовать схему в программе Sprint-Layout. При расположении базы, эмиттера и коллектора транзистора П214 мне следовало бы учитывать, что радиатор устанавливается на плату своей нижней стороной (рис. 20). Чтобы припаять выводы транзистора П214 к нужным дорожкам пришлось использовать медные кусочки провода. А у транзистора МП41А пришлось отогнуть вывод базы в другую сторону (рис. 21).
Рисунок 20
– Отверстия для выводов транзистора П214
Рисунок 21
– Отверстия для выводов транзистора МП41А
Часть 2. Изготовление деревянного корпуса БП.
Для корпуса мне понадобилось:
— 4 фанерных доски 220х120 мм;
– 2 фанерных доски 110х110 мм;
– 4 фанерных кусочка 10х10х110 мм;
– 4 фанерных кусочка 10х10х15 мм;
– гвозди, 4 тюбика суперклея.
Этапы изготовления корпуса:
1
. Сначала я распилил большой кусок фанеры на доски и кусочки необходимого размера (рис.22).
Рисунок 22
– Отпиленные фанерные доски для корпуса
2
. Потом просверлил с помощью минидрели отверстие под провода на вилку питания БП.
3
. Затем соединил с помощью гвоздей и суперклея дно и боковые стенки корпуса.
4
. Далее приклеил внутренние деревянные части конструкции. Длинные стойки (10х10х110 мм) склеиваются к низу и по бокам, удерживая собой боковые стенки. Маленькие квадратные кусочки приклеил к низу, на них будет устанавливаться и крепиться печатная плата (рис. 23). Также внутри вилки и сзади корпуса я закрепил держатели для проводов (рис. 24).
Рисунок 23
– Корпус: вид спереди (видны подтеки от клея)
Рисунок 24
– Корпус: вид сбоку (и тут клей дает о себе знать)
5
. На лицевую панель корпуса выносились: вольтметр, лампочка, выключатель, переменный резистор, две клеммы. Мне требовалось просверлить пять круглых и одно прямоугольное отверстие. Это заняло продолжительное время, так как нужных инструментов не было и приходилось использовать что было под рукой: минидрель, прямоугольный напильник, ножницы, наждачная бумага. На рис. 25 можно увидеть вольтметр, к одному из контактов которого присоединен шунтирующий подстроечный резистор на 100 кОм. Опытным путем с помощью 9 В батарейки и мультиметра было установлено, что вольтметр дает правильные показания при сопротивлении шунта 60 кОм. Патрон для лампочки отлично приклеился на суперклей, а выключатель и без клея хорошо закрепился в прямоугольном отверстии. Переменный резистор неплохо вкрутился в дерево, а клеммы закрепились на гайках и болтах. Из выключателя я удалил подсвечивающую лампочку, поэтому на выключателе вместо трех осталось два контакта.
Рисунок 25
– Внутренности БП
Закрепив плату в корпусе, установив необходимые элементы на передней панели, соединив компоненты с помощью проводов и прикрепив переднюю стенку суперклеем я получил готовое функциональное устройство (рис. 26).
Рисунок 26
– Готовый БП
На рис. 26 можно увидеть по цвету, что лампочка стоит другая, не та, которая подбиралась изначально. Действительно, при подключении 12.5 В лампочки, рассчитанной на ток 0.068 А ко вторичной обмотке трансформатора (как было указано в книге), она перегорала через несколько секунд работы. Вероятно из-за большого тока во вторичной обмотке. Следовало подыскать новое место присоединения лампочки. Лампочку я заменил на целую такую же по параметрам, но покрашенную в темно-синий цвет (чтобы глаза не слепило) и с помощью проводов подпаял ее параллельно после конденсатора C1. Теперь она работает продолжительное время, но в книге указано напряжение в той цепи равное 17 В и я боюсь придется снова подыскивать новое место для лампочки. Также на рис. 26 видно, что в выключатель сверху вставлена пружина. Она необходима для надежной работы кнопки, которая болталась. Ручка на переменном резисторе, изменяющая выходное напряжение БП для лучшей эргономичности была укорочена.
При включении БП сверяю показания вольтметра и мультиметра (рис. 27 и 28). Максимальное выходное напряжение равно 11 В (куда-то подевался 1 В). Дальше я решил измерить максимальный выходной ток и при выставлении на мультиметре максимального предела в 500 мА стрелка зашкаливала. Это значит, что максимальный выходной ток несколько больше 500 мА. При плавном кручении ручки переменного резистора также плавно изменяется выходное напряжение БП. Но изменение напряжения от нуля стартует не сразу, а примерно через 1/5 оборота ручки.
Итак, потратив значительное количество времени, сил и финансов, я все-таки собрал БП с регулируемым выходным напряжением 0 – 11 В и выходным током более 0.5 А. Если смог я, то сможет и кто-либо другой. Всем удачи!
Рисунок 27
– Проверка БП
Рисунок 28
– Проверка правильности показаний вольтметра
Рисунок 29
– Установка выходного напряжения 5 В и проверка с помощью контрольной лампочки
Уважаемые друзья и гости сайта!
Не забывайте высказывать свое мнение по конкурсным работам и принимайте участие в обсуждениях на форуме сайта. Спасибо.
Приложения к конструкции:
(15.0 KiB, 1,272 hits)
(38.2 KiB, 1,225 hits)
Довольно часто приходится, на время тестирования, запитывать различные поделки или устройства. И пользоваться аккумуляторами, подбирая соответствующее напряжение, стало уже не в радость. Потому решил собрать регулируемый блок питания. Из нескольких вариантов которые пришли в голову, а менно: переделать из компьютерного ATX блока питания, или собрать линейный, или приобрести KIT набор, или собрать из готовых модулей — я выбрал последнее.
Данный вариант сборки мне приглянулся из-за нетребовательных познаний в облати электроники, скоростью сборки, и в случае чего, быстрой замены или добавления какого-либо из модулей. Общая стоимость всех комплектующих вышла около $15, а мощность в итоге получилась ~100 Ватт, при максимальном выходном напряжении 23В.
Для создания данного регулируемого блока питания понадобится:
- Импульсный блок питания 24В 4А
- Понижающий преобразователь на XL4015 4-38В в 1.25-36В 5А
- Вольт-амперметр 3 или 4 символьный
- Два понижающих преобразователя на LM2596 3-40В в 1.3-35В
- Два потенциометра 10К и ручки к ним
- Два терминала под бананы
- Кнопка вкл/выкл и разъем под питание 220В
- Вентилятор 12В, в моем случае слимовый на 80мм
- Корпус, какой угодно
- Стоечки и болтики для крепления плат
- Провода, я использовал от умершего блока питания ATX.
После нахождения и приобретения всех комплектующих приступаем к сборке по схеме ниже. По ней у нас получится регулируемый блок питания с изменением напряжения от 1.25В до 23В и ограничением тока до 5А, плюс дополнительная возможность зарядки устройств через порты USB, потребляемое количество силы тока, которых, будет отображаться на В-А метре.
Предварительно размечаем и вырезаем отверстия под вольт-амперметр, ручки потенциометров, терминалы, выходы USB на лицевой стороне корпуса.
В виде площадки для крепления модулей используем кусок пластика. Он защитит от нежелаемого короткого замыкания на корпус.
Размечаем и сверлим расположение отверстий плат, после чего вкручиваем стойки.
Прикручиваем пластиковую площадку к корпусу.
Выпаиваем на блоке питания клемму, и впаиваем по три провода на + и -, зараннее отрезаной длины. Одна пара пойдет на основной преобразователь, вторая на преобразователь для питания вентилятора и вольт-амперметра, третья на преобразователь для выходов USB.
Устанавливаем разъем питания 220В и кнопку вкл/выкл. Подпаиваем провода.
Прикручиваем блок питания и подключаем к клемме провода 220В.
С основным источником питания разобрались, теперь переходим к главному преобразователю.
Выпаиваем клеммы и подстроечные резисторы.
Припаиваем провода к потенциометрам, отвечающим за регулировку напряжения и тока, и к преобразователю.
Подпаиваем толстый красный провод от В-А метра и выходной плюс от основного пробразователя к выходной плюсовой клемме.
Готовим USB выход. Соединяем дата + и — у каждого USB отдельно, чтобы подключаемое устройство могло заряжаться, а не синхронизироваться. Припаиваем провода к запаралеленным + и — контактам питания. Провода лучше взять потолще.
Припаиваем желтый провод от В-А метра и минусовой от USB-выходов к выходной минусовой клемме.
Провода питания вентилятора и В-А метра подключаем к выходам дополнительного преобразователя. Для вентилятора можно собрать терморегулятор (схема ниже). Понадобится: силовой MOSFET транзистор (N канальный) (его я достал из обвязки питания процессора на материнской плате), подстроечник 10 кОм, сенсор температуры NTC с сопротивлением 10 кОм (термистор) (его достал из сломанного блока питания ATX). Термистор крепим термоклеем к микросхеме основного преобразователя, или к радиатору на этой микросхеме. Подстроечником настраиваем на определенную температуру срабатывания вентилятора, например, 40 градусов.
Подпаиваем к выходному плюсу другого, дополнительного преобразователя плюс выходов USB.
Берем одну пару проводов из блока питания и подпаиваем на вход основного преобразователя, потом вторую — на вход доп. преобразователя для USB, для обеспечения входящего напряжения.
Прикручиваем вентилятор с решеткой.
Припаиваем третью пару проводов из блока питания к доп. преобразователю для вентилятора и В-А метра. Прикручиваем все к площадке.
Подключаем провода к выходным клеммам.
Прикручиваем потенциометры на лицевую сторону корпуса.
Крепим USB-выходы. Для надежной фиксации было сделано П-образное крепление.
Настраиваем выходные напряжения на доп. преобразователях: на 5.3В, с учетом падения напряжения при подключении нагрузки к USB, и на 12В.
Стягиваем провода для аккуратного внутреннего вида.
Закрываем корпус крышкой.
Клеим ножки для устойчивости.
Регулируемый блок питания готов.
Видеоверсия обзора:
P.S. Можно сделать покупку чуть дешевле при помощи кешбека епн — — специализированная система возврата части потраченных денег на покупки с AliExpress, GearBest, Banggood, ASOS, Ozon. Использовав кешбек епн можно вернуть назад от 7% до 15% от потраченных в этих магазинах денег. Ну, а если есть желание заработать на покупках, тогда тебе сюда —
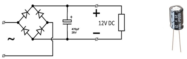
Из статьи вы узнаете, как изготовить блок питания регулируемый своими руками из доступных материалов. Его можно использовать для питания бытовой аппаратуры, а также для нужд собственной лаборатории. Источник постоянного напряжения может применяться для тестирования таких устройств, как реле-регулятор автомобильного генератора. Ведь при его диагностике возникает необходимость в двух напряжениях — 12 Вольт и свыше 16. А теперь рассмотрите особенности конструкции блока питания.
Трансформатор
Если устройство не планируется использовать для зарядки кислотных аккумуляторов и питания мощной аппаратуры, то нет необходимости в использовании крупных трансформаторов. Достаточно применить модели, мощность у которых не более 50 Вт. Правда, чтобы сделать регулируемый блок питания своими руками, потребуется немного изменить конструкцию преобразователя. Первым делом нужно определиться с тем, какой диапазон изменения напряжения будет на выходе. От этого параметра зависят характеристики трансформатора блока питания.
Допустим, вы выбрали диапазон 0-20 Вольт, значит, отталкиваться нужно от этих значений. Вторичная обмотка должна иметь на выходе переменное напряжение 20-22 Вольта. Следовательно, на трансформаторе оставляете первичную обмотку, поверх нее проводите намотку вторичной. Чтобы вычислить необходимое количество витков, проведите замер напряжения, которое получается с десяти. Десятая часть этого значения — это напряжение, получаемое с одного витка. После того как будет сделана вторичная обмотка, нужно произвести сборку и стяжку сердечника.
Выпрямитель
В качестве выпрямителя можно использовать как сборки, так и отдельные диоды. Перед тем как сделать регулируемый блок питания, проведите подбор всех его компонентов. Если высокая на выходе, то вам потребуется использовать мощные полупроводники. Желательно их устанавливать на алюминиевых радиаторах. Что касается схемы, то предпочтение нужно отдавать только мостовой, так как у нее намного выше КПД, меньше потерь напряжения при выпрямлении Однополупериодную схему использовать не рекомендуется, так как она малоэффективна, на выходе возникает много пульсаций, которые искажают сигнал и являются источником помех для радиоаппаратуры.
Блок стабилизации и регулировки
Для изготовления стабилизатора и разумнее всего использовать микросборку LM317. Дешевый и доступный каждому прибор, который позволит за считаные минуты собрать качественный блок питания регулируемый своими руками. Но его применение требует одной важной детали — эффективного охлаждения. Причем не только пассивного в виде радиаторов. Дело в том, что регулировка и стабилизация напряжения происходят по весьма интересной схеме. Устройство оставляет ровно то напряжение, которое необходимо, а вот излишки, поступающие на его вход, преобразуются в тепло. Поэтому без охлаждения вряд ли микросборка долго проработает.
Взгляните на схему, в ней нет ничего сверхсложного. Всего три вывода у сборки, на третий подается напряжение, со второго снимается, а первый необходим для соединения с минусом блока питания. Но здесь возникает маленькая особенность — если включить между минусом и первым выводом сборки сопротивление, то появляется возможность проводить регулировку напряжения на выходе. Причем блок питания регулируемый своими руками может изменять выходное напряжение как плавно, так и ступенчато. Но первый тип регулировки наиболее удобный, поэтому его используют чаще. Для реализации необходимо включить сопротивление переменное 5 кОм. Кроме того, между первым и вторым выводом сборки требуется установить постоянный резистор сопротивлением около 500 Ом.
Блок контроля силы тока и напряжения
Конечно, чтобы эксплуатация устройства была максимально удобной, необходимо проводить контроль выходных характеристик — напряжения и силы тока. Строится схема регулируемого блока питания таким образом, что амперметр включается в разрыв плюсового провода, а вольтметр — между выходами устройства. Но вопрос в другом — какой тип измерительных приборов использовать? Самый простой вариант — это установить два LED-дисплея, к которым подключить схему вольт- и амперметра, собранную на одном микроконтроллере.
Но в блок питания регулируемый, своими руками изготавливаемый, можно смонтировать пару дешевых китайских мультиметров. Благо их питание можно произвести непосредственно от устройства. Можно, конечно, использовать и стрелочные индикаторы, только в этом случае нужно проводить градуировку шкалы для
Корпус устройства
Изготавливать корпус лучше всего из легкого, но прочного металла. Идеальным вариантом окажется алюминий. Как уже было упомянуто, схема регулируемого блока питания содержит элементы, которые сильно нагреваются. Следовательно, внутри корпуса нужно монтировать радиатор, который для большей эффективности соединить можно с одной из стенок. Желательно наличие принудительного обдува. Для этой цели можно использовать термовыключатель в паре с вентилятором. Устанавливать их необходимо непосредственно на радиаторе охлаждения.
«Ну все! Решено! Буду заниматься радиолюбительством!» — решили Вы для себя. Ну что ж, очень-очень похвально. Но с чего же начать начинающему радиолюбителю? Без каких же прибамбасов он как рыба на суше? Конечно же, дорогие мои, это что ни на есть самое простое устройство и самое нужное в радиолюбительстве — Блок питания . Кому-то проще его купить в ближайшем радиомагазе, ну а у кого-то нету такой возможности в силу различных обстоятельств. Поэтому, речь в данной статье пойдет о том, как же своими еще корявыми, не приспособленными под паяльник ручонками собрать самый простой блок питания
.
Как то недавно мне в инете попалась одна схемка очень простенького блока питания с возможностью регулировать напряжение. Регулировать напряжение можно от 1 Вольта и до возможности регулировки в 36 Вольт, в зависимости от того, какой трансформатор поставите на этот блок питания.
Ну что же, настало время разглядеть схемку этого блока питания.
Внимание!
Внимательно посмотрите на LM317T в самой схеме! Третья нога (3) микросхемы цепляется с конденсатором С1, то есть третяя нога является ВХОДОМ, а вторая нога (2) цепляется с конденсатором С2 и резистором на 200 Ом и является ВЫХОДОМ.
Вот распиновка микросхемы LM317T:
PS: Очень часто это упускают из виду и жалуются потом в личке, что схема не рабочая.
Ну думаю, тут все понятно, с помощью трансформатора трансформируем из переменки 220 Вольт до 25 Вольт переменки, не более. Меньше можно, больше нет. Потом все это дело выпрямляем диодным мостом и сглаживаем пульсации с помощью кондера С1. Все это подробно описано в статье Как получить из переменного напряжения постоянное . И вот самый главный наш козырь в блоке питания — высокостабильный регулятор напряжения микросхема LM317T. На момент написания статьи цена этой микрухи 14 руб. Дешевле даже чем буханка белого хлеба:-) Я знаю, что вам очень лень качать даташиты (техническое описание радиокомпонента) и переводить с английского языка характеристики микрух, поэтому объясню, что значит сие микросхема.
LM317T является регулятором напряжения. Он очень похож на наши Трехвыводные стабилизаторы напряжения , но при одном условии, что мы можем регулировать выходное напряжение этой микросхемы.
Прекрасно, не правда ли? И если транс нам будет выдавать до 27-28 Вольт, то мы спокойно можем регулировать напряжение от 1,2 и до 37 Вольт. Но я бы не стал подымать планку более 25 Вольт на выходе транса. Микросхема может быть исполнена в корпусе ТО-220:
или в корпусе D2 Pack
Она может пропускать через себя максимальную силу тока в 1,5 Ампер, что вполне достаточно для питания ваших безделушек (ну смотря еще какой транс, берите помощнее) без просадки напряжения. То есть мы можем выдать напряжение в 36 Вольт при силе тока в нагрузку до 1,5 Ампера, при этом у нас эта микруха все равно будет выдавать также 36 Вольт — это в идеале. Ну а в реале просядут доли Вольта, что не очень критично. При большом токе в нагрузке целесообразней поставить эту микру на радиатор.
Для того, чтобы собрать схему, нам также понадобится переменный резистор на 6,8 КилоОм, можно и на 10 КилоОм, а также постоянный резистор на 200 Ом, желательно от 1 Ватта. Ну и на выходе ставим кондер фильтра в 100 мкФ. Асболютно простая схемка!
Здесь мы видим импортный диодный мост GBU606. Он рассчитан на ток до 6 Ампер, что с лихвой хватает нашему блоку питания, так как наш блок будет выдавать максимум 1,5 Ампера в нагрузку. LM-ку я поставил на радиатор с помощью пасты КПТ-8 для улучшения теплообмена. Ну а все остальное, думаю, вам знакомо.
А вот и допотопный транс, который выдает мне напругу 12 Вольт переменки.
Все это аккуратно упаковываем в корпус и выводим провода.
Ну как Вам? 😉 Сам тащусь)))
Минимальное напряжение у меня получилось 1,25 Вольт, а максимальное — 15 Вольт.
Ставлю любое напряжение, в данном случае самые распространенные 12 Вольт и 5 Вольт
Все работает на УРА!
Очень удобен сей девайс для регулировки оборотов минидрели , которая используется для сверления плат.
Кстати, на Али можно найти сразу готовый набор этого блока без трансформатора.
Ссылочка на этот кит-набор
.
Лень собирать? Можно взять готовый 5 Амперный меньше чем за 2$:
.
С трансформатором и корпусом уже будет подороже:
Вот так он будет выглядеть при сборке
Глянуть его можно по этой
ссылке. Может быть найдете подешевле.
Главная » Разное » Блок питания 24 вольта своими руками
БЛОК ПИТАНИЯ 24В
Трансформатор для такого напряжения и тока, надо на мощность от 100 ватт. Например ТС-160 или из линейки ТАН/ТН. Питание на них подаётся с серединного отвода вторичной обмотки. Для защиты микросхемы LT1083 от бросков тока во время переходных процессов, используется диод IN4002. Точно установить напряжение выхода нужно подстроечным резистором, после чего заменить его на постоянный такого же номинала.
Готовый БП разместил в корпус из оргстекла с подсветками. Подсветка блока питания выполнена на индикаторной лампе и синих светодиодах. Один выключатель для сети, а вторым — переключается режим 12-24В. Соединение с нагрузкой многожильными проводами, с сечением более 1мм. Материал прислал: Гость.
Форум по блокам питания
Обсудить статью БЛОК ПИТАНИЯ 24В
radioskot.ru
Блок питания 1,5в, 3,3в, 5в, 12в, 24в, самому собрать из подручных деталей мощный блок. Схемы блоков питания. Сборка простого блока питания.
В разделы: Советы Схемы → Простой блок питания
Как самому собрать простой блок питания и мощный источник напряжения. Порой приходится подключать различные электронные приборы, в том числе самодельные, к источнику постоянного напряжения 12 вольт. Блок питания несложно собрать самостоятельно в течении половины выходного дня. Поэтому нет необходимости приобретать готовый блок, когда интереснее самостоятельно изготовить необходимую вещь для своей лаборатории.
Блок питания 12в
Каждый, кто захочет сможет изготовить 12 — ти вольтовый блок самостоятельно, без особых затруднений. Кому-то необходим источник для питания усилителя, а кому запитать маленький телевизор или радиоприемник … Шаг 1: Какие детали необходимы для сборки блока питания … Для сборки блока, заранее подготовьте электронные компоненты, детали и принадлежности из которого будет собираться сам блок …. -Монтажная плата. -Четыре диода 1N4001, или подобные. Мост диодный. -Стабилизатор напряжения LM7812. -Маломощный понижающий трансформатор на 220 в, вторичная обмотка должна иметь 14В — 35В переменного напряжения, с током нагрузки от 100 мА до 1А, в зависимости от того какую мощность необходимо получить на выходе. -Электролитический конденсатор емкостью 1000мкФ — 4700мкФ. -Конденсатор емкостью 1uF. -Два конденсатора емкостью 100nF. -Обрезки монтажного провода. -Радиатор, при необходимости. Если необходимо получить максимальную мощность от источника питания, для этого необходимо подготовить соответствующий трансформатор, диоды и радиатор для микросхемы. Шаг 2: Инструменты …. Для изготовления блока необходимы инструменты для монтажа: -Паяльник или паяльная станция -Кусачки -Монтажный пинцет -Кусачки для зачистки проводов -Устройство для отсоса припоя. -Отвертка. И другие инструменты, которые могут оказаться полезными. Шаг 3: Схема и другие …
Для получения 5 вольтового стабилизированного питания, можно заменить стабилизатор LM7812 на LM7805. Для увеличения нагрузочной способности более 0,5 ампер, понадобится радиатор для микросхемы, в противном случае он выйдет из строя от перегрева. Однако, если необходимо получить несколько сотен миллиампер (менее, чем 500 мА) от источника, то можно обойтись без радиатора, нагрев будет незначительным.
Кроме того, в схему добавлен светодиод, чтобы визуально убедиться, что блок питания работает, но можно обойтись и без него.
Блок питания 12в 30а
Схема блока питания 12в 30А. При применении одного стабилизатора 7812 в качестве регулятора напряжения и нескольких мощных транзисторов, данный блок питания способен обеспечить выходной ток нагрузки до 30 ампер. Пожалуй, самой дорогой деталью этой схемы является силовой понижающий трансформатор. Напряжение вторичной обмотки трансформатора должно быть на несколько вольт больше, чем стабилизированное напряжение 12в, чтобы обеспечить работу микросхемы. Необходимо иметь в виду, что не стоит стремиться к большей разнице между входным и выходным значением напряжения, так как при таком токе теплоотводящий радиатор выходных транзисторов значительно увеличивается в размерах. В трансформаторной схеме применяемые диоды должны быть рассчитаны на большой максимальный прямой ток, примерно 100А. Через микросхему 7812 протекающий максимальный ток в схеме не составит больше 1А. Шесть составных транзисторов Дарлингтона типа TIP2955 включенных параллельно, обеспечивают нагрузочный ток 30А (каждый транзистор рассчитан на ток 5А), такой большой ток требует и соответствующего размера радиатора, каждый транзистор пропускает через себя одну шестую часть тока нагрузки. Для охлаждения радиатора можно применить небольшой вентилятор.
Проверка блока питания
При первом включении не рекомендуется подключать нагрузку. Проверяем работоспособность схемы: подсоединяем вольтметр к выходным клеммам и измеряем величину напряжения, оно должно составлять 12 вольт, или значение очень близко к нему. Далее подключаем нагрузочный резистор 100 Ом, мощностью рассеивания 3 Вт, или подобную нагрузку — типа лампы накаливания от автомобиля. При этом показание вольтметра не должно изменяться. Если на выходе отсутствует напряжение 12 вольт, отключите питание и проверьте правильность монтажа и исправность элементов.
Перед монтажом проверьте исправность силовых транзисторов, так как при пробитом транзисторе напряжение с выпрямителя прямиком попадает на выход схемы. Чтобы избежать этого, проверьте на короткое замыкание силовые транзисторы, для этого измерьте мультиметром по раздельности сопротивление между коллектором и эмиттером транзисторов. Эту проверку необходимо провести до монтажа их в схему.
Блок питания 3 — 24в
Схема блока питания выдает регулируемое напряжение в диапазоне от 3 до 25 вольт, при токе максимальной нагрузки до 2А, если уменьшить токоограничительный резистор 0,3 ом, ток может быть увеличен до 3 ампер и более. Транзисторы 2N3055 и 2N3053 устанавливаются на соответствующие радиаторы, мощность ограничительного резистора должно быть не менее 3 Вт. Регулировка напряжения контролируется ОУ LM1558 или 1458. При использовании ОУ 1458 необходимо заменить элементы стабилизатора, подающие напряжение с вывода 8 на 3 ОУ с делителя на резисторах номиналом 5.1 K.
Максимальное постоянное напряжение для питания ОУ 1458 и 1558 36 В и 44 В соответственно. Силовой трансформатор должен выдавать напряжение, как минимум на 4 вольт больше, чем стабилизированное выходное напряжение. Силовой трансформатор в схеме имеет на выходе напряжение 25.2 вольт переменного тока с отводом посредине. При переключении обмоток выходное напряжение уменьшается до 15 вольт.
Схема блока питания на 1,5 в
Схема блока питания для получения напряжения 1,5 вольта, используется понижающий трансформатор, мостовой выпрямитель со сглаживающим фильтром и микросхема LM317.
Схема регулируемого блока питания от 1,5 до 12,5 в
Схема блока питания с регулировкой выходного напряжения для получения напряжения от 1,5 вольта до 12,5 вольт, в качестве регулирующего элемента применяется микросхема LM317. Ее необходимо установить на радиатор, на изолирующей прокладке для исключения замыкания на корпус.
Схема блока питания с фиксированным выходным напряжением
Схема блока питания с фиксированным выходным напряжением напряжением 5 вольт или 12 вольт. В качестве активного элемента применяется микросхема LM 7805, LM7812 она устанавливается на радиатор для охлаждения нагрева корпуса. Выбор трансформатора приведен слева на табличке. По аналогии можно выполнить блок питания и на другие выходные напряжения.
Схема блока питания мощностью 20 Ватт с защитой
Схема предназначена для небольшого трансивера самодельного изготовления, автор DL6GL. При разработке блока ставилась задача иметь КПД не менее 50%, напряжение питания номинальное 13,8V, максимум 15V, на ток нагрузки 2,7а. По какой схеме: импульсный источник питания или линейный? Импульсные блоки питания получается малогабаритный и кпд хороший, но неизвестно как поведет себя в критической ситуации, броски выходного напряжения … Несмотря на недостатки выбрана схема линейного регулирования: достаточно объемный трансформатор, не высокий КПД, необходимо охлаждение и пр. Применены детали от самодельного блока питания 1980-х годов: радиатор с двумя 2N3055. Не хватало еще только µA723/LM723-регулятор напряжения и несколько мелких деталей. Регулятор напряжения напряжения собран на микросхеме µA723/LM723 в стандартная включении. Выходные транзисторы Т2, Т3 типа 2N3055 для охлаждения устанавливаются на радиаторы. При помощи потенциометра R1 устанавливается выходное напряжение в пределах 12-15V. При помощи переменного резистора R2 устанавливается максимальное падение напряжение на резисторе R7, которое составляет 0,7В (между контактами 2 и 3 микросхемы). Для блока питания применяется тороидальный трансформатор (может быть любой по вашему усмотрению).
На микросхеме MC3423 собрана схема срабатывающая при превышении напряжения (выбросах) на выходе блока питания, регулировкой R3 выставляется порог срабатывания напряжения на ножке 2 с делителя R3/R8/R9 (2,6V опорное напряжение), с выхода 8 подается напряжение открывающее тиристор BT145, вызывающее короткое замыкание приводящее к срабатыванию предохранителя 6,3а.
Для подготовки блока питания к эксплуатации (предохранитель 6,3а пока не участвует) выставить выходное напряжение например, 12.0В. Нагрузите блок нагрузкой, для этого можно подключить галогенную лампу 12В/20W. R2 настройте, что бы падение напряжение было 0,7В (ток должен быть в пределах 3,8А 0,7=0,185Ωх3,8). Настраиваем срабатывание защиты от перенапряжения, для этого плавно выставляем выходное напряжение 16В и регулируем R3 на срабатывание защиты. Далее выставляем выходное напряжение в норму и устанавливаем предохранитель (до этого ставили перемычку).
Описанный блок питания можно реконструировать для более мощных нагрузок, для этого установите более мощный трансформатор, дополнительно транзисторы, элементы обвязки, выпрямитель по своему усмотрению.
Самодельный блок питания на 3.3v
Если необходим мощный блок питания, на 3,3 вольта, то его можно изготовить, переделав старый блок питания от пк или используя выше приведенные схемы. К примеру, в схема блока питания на 1,5 в заменить резистор 47 ом большего номинала, или поставить для удобства потенциометр, отрегулировав на нужное напряжение.
Трансформаторный блок питания на КТ808
У многих радиолюбителей остались старые советские радиодетали, которые валяются без дела, но которые можно с успехом применить и они верой и правдой вам долго будут служить, одна из известных схем UA1ZH, которая гуляет по просторам интернета. Много копий и стрел сломано на форумах при обсуждении, что лучше полевой транзистор или обычный кремниевый или германиевый, какую температуру нагрева кристалла они выдержат и кто из них надежнее? У каждой стороны свои доводы, ну а вы можете достать детали и смастерить еще один несложный и надежный блок питания. Схема очень простая, защищена от перегрузки по току и при параллельном включении трех КТ808 может выдать ток 20А, у автора использовался такой блок при 7 параллельных транзисторов и отдавал в нагрузку 50А, при этом емкость конденсатора фильтра была 120 000 мкф, напряжение вторичной обмотки 19в. Необходимо учитывать, что контакты реле должны коммутировать такой большой ток.
При условии правильного монтажа, просадка выходного напряжения не превышает 0.1 вольта
Блок питания на 1000в, 2000в, 3000в
Если нам необходимо иметь источник постоянного напряжения на высокое напряжение для питания лампы выходного каскада передатчика, что для этого применить? В интернете имеется много различных схем блоков питания на 600в, 1000в, 2000в, 3000в. Первое: на высокое напряжение используют схемы с трансформаторов как на одну фазу, так и на три фазы (если имеется в доме источник трехфазного напряжения).
Второе: для уменьшения габаритов и веса используют бестрансформаторную схему питания, непосредственно сеть 220 вольт с умножением напряжения. Самый большой недостаток этой схемы — отсутствует гальваническая развязка между сетью и нагрузкой, как выход подключают данный источник напряжения соблюдая фазу и ноль.
В схеме имеется повышающий анодный трансформатор Т1 (на нужную мощность, к примеру 2500 ВА, 2400В, ток 0,8 А ) и понижающий накальный трансформатор Т2 — ТН-46, ТН-36 и др. Для исключения бросков по току при включении и защите диодов при заряде конденсаторов, применяется включение через гасящие резисторы R21 и R22. Диоды в высоковольтной цепи зашунтированы резисторами с целью равномерного распределения Uобр. Расчет номинала по формуле R(Ом)=PIVх500. С1-С20 для устранения белого шума и уменьшения импульсных перенапряжений. В качестве диодов можно использовать и мосты типа KBU-810 соединив их по указанной схеме и, соответственно, взяв нужное количество не забывая про шунтирование.
R23-R26 для разряда конденсаторов после отключения сети. Для выравнивания напряжения на последовательно соединенных конденсаторах параллельно ставятся выравнивающие резисторы, которые рассчитываются из соотношения на каждые 1 вольт приходится 100 ом, но при высоком напряжении резисторы получаются достаточно большой мощности и здесь приходится лавировать, учитывая при этом, что напряжение холостого хода больше на 1,41.
Еще по теме
Трансформаторный блок питания 13,8 вольта 25 а для КВ трансивера своими руками. Трансформаторный блок питания Ремонт и доработка китайского блока питания для питания адаптера.
Доработка блока питания
Схемы блоков питания
Схемы. Самодельный блок питания на 1,5 вольта, 3 вольта, 5 вольт, 9 вольт, 12 вольт, 24 вольта. Стабилизатор 7812, 7805
www.110volt.ru
Схема регулируемого блока питания 0…24 В, 0…3 А, с регулятором тока ограничения.
Схема регулируемого блока питания 0…24 В, 0…3 А,с регулятором тока ограничения.

В статье мы приводим вам не сложную принципиальную схему регулируемого 0 …24 Вольта блока питания. Ограничение тока регулируется переменным резистором R8 в диапазоне 0 … 3 Ампера. При желании этот диапазон можно увеличить путем уменьшения номинала резистора R6. Данный ограничитель тока является защитой блока питания от перегрузок и коротких замыканий на выходе. Величина выходного напряжения задается переменным резистором R3. И так, принципиальная схема:

Максимальное напряжение на выходе блока питания зависит от напряжения стабилизации стабилитрона VD5. В схеме применен импортный стабилитрон BZX24, его U стабилизации лежит в диапазоне 22,8…25,2 Вольта согласно описанию.
Стабилитрон bzx-27
Вы можете скачать datashit на все стабилитроны этой линейки (BZX2…BZX39) по прямой ссылке с нашего сайта:
Так же в схеме можно применить отечественный стабилитрон КС527.
Список элементов схемы блока питания:
● R1 — 180 Ом, 0,5 Вт● R2 — 6,8 кОм, 0,5 Вт● R3 — 10 кОм, переменный (6,8…22 кОм)● R4 — 6,8 кОм, 0,5 Вт● R5 — 7,5 кОм, 0,5 Вт● R6 — 0,22 Ом, 5 Вт (0,1…0,5 Ом)● R7 — 20 кОм, 0,5 Вт● R8 — 100 Ом, подстраиваемый (47…330 Ом)● С1, С2 — 1000 х 35V (2200 х 50V)● С3 — 1 х 35V● С4 — 470 х 35V● 100n — керамический (0,01…0,47 мкФ)● F1 — 5 Ампер● Т1 — КТ816, можно поставить импортный BD140● Т2 — BC548, можно поставить BC547● Т3 — КТ815, можно поставить импортный BD139● Т4 — КТ819, можно поставить импортный 2N3055● Т5 — КТ815, можно поставить импортный BD139● VD1…VD4 — КД202, или импортная диодная сборка на ток не менее 6 Ампер● VD5 — BZX24 (BZX27), можно заменить отечественным КС527
● VD6 — АЛ307Б (RED LED)
О выборе конденсаторов.
С1 и С2 стоят параллельно, поэтому их емкости складываются. Номиналы их выбираются из примерного расчета 1000 мкФ на 1 Ампер тока. То есть, если вы захотите поднять максимальный ток БП до 5…6 Ампер, значит номиналы С1 и С2 можно поставить по 2200 мкФ каждая. Рабочее напряжение этих конденсаторов выбирается изи расчета Uвх * 4/3 , то есть, если напряжение на выходе диодного моста составляет порядка 30 Вольт, значит (30*4/3=40) конденсаторы должны быть расчитаны на рабочее напряжение не менее 40 Вольт.Номинал конденсатора С4 выбирается примерно из расчета 200 мкФ на 1 Ампер тока.
Печатная плата блока питания 0…24 В, 0…3 А:

О деталях блока питания.
● Трансформатор — должен быть соответствующей мощности, то есть если максимальное напряжение вашего блока питания составляет 24 Вольта, и вы рассчитываете, что ваш БП должен обеспечивать ток порядка 5 Ампер, соответственно (24 * 5 = 120) мощность трансформатора должна быть не менее 120 Ватт. Обычно трансформатор выбирают с небольшим запасом по мощности (от 10 до 50 %) Подробнее о расчете можно прочитать статью:
Простой расчет понижающего трансформатора.
Если вы решили применить в схеме тороидальный трансформатор, его расчет описан в статье:
Как рассчитать тороидальный трансформатор
● Диодный мост — по схеме собран на отдельных четырех диодах КД202, они расчитаны на прямой ток 5 Ампер, параметры в таблице ниже:

5 Ампер это максимальный ток для этих диодов, и то установленных на радиаторы, поэтому для тока в 5 и более ампер лучше применять импортные диодные сборки ампер на 10.
Как альтернативу можете рассмотреть 10 Амперные диоды 10А2, 10А4, 10А6, 10А8, 10А10, внешний вид и параметры на картинках ниже:


Скачать datashit 10A05…10
На наш взгляд, лучшим вариантом выпрямителя будет применение импортных диодных сборок, например, типа KBU-RS 10/15/25/35 A, они и токи большие выдерживают, и места занимают гораздо меньше.

Параметры можете скачать по прямой ссылке:
16-KBU-RS_10A_15A_25A_35A.RAR
● Транзистор Т1 — может слегка нагреваться, поэтому лучше его установить на небольшой радиатор или пластину из алюминия.
● Транзистор Т4 — однозначно будет нагреваться, поэтому ему нужен хороший радиатор. Это связано с мощностью, рассеиваемой на этом транзисторе. Приведем пример: на коллекторе транзистора Т4 имеем 30 Вольт, на выходе БП установили 12 Вольт, а ток при этом течет 5 Ампер. Получается, что 18 Вольт остается на транзисторе, а 18 Вольт умноженное на 5 Ампер получим 90 Ватт, это та мощность которая будет рассеиваться на транзисторе Т4. И чем меньшее напряжение вы установите на выходе БП, тем мощность рассеивания будет больше. Отсюда следует то, что транзистор следует выбирать внимательно, и обращать внимание на его характеристики. Ниже находятся две прямые ссылки на транзисторы КТ819 и 2N3055, можете скачать их себе на компьютер:
2N3055_datashit.RAR
КТ819_datashit.rar
Регулировка тока ограничения.
Включаем блок питания, регулятором выходного напряжения устанавливаем 5 Вольт на выходе в холостом режиме, подключаем к выходу резистор 1 Ом мощностью не менее 5 Ватт с последовательно подключенным амперметром.С помощью подстроечного резистора R8 устанавливаем необходимый ток ограничения, и чтобы убедиться, что ограничение работает, вращаем регулятор уровня выходного напряжения вплоть до крайнего положения, то есть до максимума, при этом величина выходного тока должна быть неизменной. Если вам не нужно изменять ток ограничения, тогда вместо резистора R8 установите перемычку между эмиттером Т4 и базой Т5, и тогда при номинале резистора R6 0,39 Ом ограничение тока будет происходить при токе 3 Ампера.
Как увеличить максимальный ток БП.
● Применение трансформатора соответствующей мощности, способного длительно отдавать требуемый ток в нагрузку.● Применение диодов или диодных сборок, способных длительно выдерживать требуемый ток.
● Применение параллельного соединения регулирующих транзисторов (Т4). Схема параллельного включения ниже:

Мощность резисторов Rш1 и Rш2 не менее 5 Ватт. Транзисторы оба устанавливаются на радиатор, компьютерный вентилятор на обдув лишним не будет.● Увеличение номиналов емкостей С1, С2, С4. (Если применять БП для заряда автомобильных аккумуляторов, этот пункт не критичен)● Дорожки печатной платы, по которым будут течь большие токи, залудить оловом потолще, или поверх дорожек напаять дополнительный провод их утолщающий.● Применение толстых соединительных проводов по линиям больших токов.
Внешний вид собранной платы блока питания:

www.komitart.ru
Как получить двадцать четыре вольта из компьютерного блока питания
Статья поясняет как переделать обычный компьютерный блок питания на напряжение 24 вольта.
В некоторых случаях возникает потребность в мощных источниках питания для различного оборудования, рассчитанного на напряжение 24 вольта.
В этой статье расскажу как можно переделать обычный компьютерный блок питания как АТХ так и АТ на напряжение 24 в. Так же из нескольких таких блоков можно компоновать любые напряжения для питания всевозможных устройств.
Например для питания местной АТС УАТСК 50/200М, рассчитанной на напряжение 60 в и мощность около 600 Ватт, автор статьи заменил обычные громадные трансформаторные блоки на три маленьких компьютерных блоков питания которые аккуратно умещались на стенке рядом с рубильником питания и почти не создавая при этом никакого шума.
Переделка заключается в добавлении двух силовых диодов, дросселя и конденсатора. Схема аналогичная шине питания +12в после импульсного трансформатора, только диоды и полярность конденсатора обращены наоборот, как показано на рисунке (фильтрующие конденсаторы не показаны).
Прелесть такой переделки заключается в том, что цепи защиты и стабилизации напряжения остаются не тронутыми и продолжают работать в прежнем режиме. Возможно получить напряжение отличное от 24 вольт (например 20 или 30), но для этого придётся изменить параметры делителя опорного напряжения управляющей микросхемы и изменить либо отключить схему защиты, что сделать уже более сложно.
Дополнительные диоды Д1 и Д2 крепятся через изоляцию на том же самом радиаторе, что и остальные, в любом удобном месте но с обеспечением полного пятна контакта с радиатором.
Дроссель Л1 крепиться в любом доступном на плате месте (можно приклеить), но следует отметить, что в различных моделях и марках блоков питания он будет греться по-разному, возможно даже больше чем уже стоящий по цепи + Л2 (зависит от качества блока питания). В таком случае нужно либо подбирать индуктивность (которая не должна быть меньше стандартной Л2) либо крепить его непосредственно на корпус (через изоляцию) для отвода тепла.
Проверять блок можно на полной нагрузке или на нагрузке, на которую он у вас будет работать. При этом корпус должен быть полностью закрыт (как положено). При проверке следует наблюдать не перегреваются ли радиаторы, на которых закреплены полупроводники и дополнительно установленный дроссель по цепи -12в. К примеру, блок питания рассчитанный на 300 ватт можно нагрузить током 10-13А при напряжении 24В. Не лишним будет проверить пульсации выходного напряжения осциллографом.
Так же очень важно отметить, что если у вас будут работать вместе два или более блоков соединённые последовательно, то корпус (массу) схемы нужно ОТКЛЮЧИТЬ от металлического корпуса блока питания (я это делал простым перерезанием дорожек в местах крепления платы к шасси). Иначе вы получите короткое замыкание или через провод заземления шнуров питания или через касание корпусов друг к другу. Для наглядности исправной работы блока можно вывести наружу лампочку или светодиод.
Отличие переделки стандартов АТ и АТХ заключается лишь в запуске блока. АТ начинает работать сразу после включения в сеть 220 в, а АТХ нужно либо запускать сигналом PS-ON, как это сделано на компьютере, либо заземлить провод этого сигнала (обычно он подходит к управляющей ножке микросхемы). При этом блок так же будет стартовать при включении в сеть.
Яков Кузнецов
electrik.info
Импульсный блок питания 24В 18А
Акопов Роберт UN7RX, arg777 (at) mail.ru http://arcalc.do.am/
Импульсный блок питания рассчитан на выходное напряжение в пределах 20-28В, при максимальном долговременном токе нагрузки 10А без принудительного охлаждения и до 18А при использовании вентилятора. В качестве контроллера используется широко распространенная в промышленных устройствах микросхема UC3825. Ее выбор был обусловлен, прежде всего, наличием. Ну, а раз она является (наряду с 3525) промышленным стандартом, то и не пришлось долго раздумывать. Блок питания представляет собой типовой полумост с оптронной развязкой ОС по напряжению. Защита по току осуществляется с помощью трансформатора тока. К особенностям можно отнести повышенные требования к монтажу и конструкции. Причин тут несколько. Во-первых, примененный контроллер имеет высокую граничную рабочую частоту, управляющие входы контроллера достаточно высокоимпедансные и чувствительны к наводкам. Это обязывает соблюдать некоторые правила монтажа такого контроллера и его обвязки. Во-вторых, специфика применения данного БП предъявляла жесткие требования по различным помехам, как радиочастотным, так и акустическим. Последнее наложило ограничение на разработку конструкции, в частности, на минимизацию габаритов и размещение некоторых компонентов. Часто используемое «компьютерное» расположение силовых элементов и радиаторов было исключено, как и применение комплектующих рассчитанными на эксплуатацию в основном, в режиме обдува, то есть, без заметного запаса по параметрам. Это касается прежде всего размеров сердечников трансформатора и дросселя L1.
Схему БП можно условно разделить на три части. Первая — это входные цепи питания, содержащие противопомеховый фильтр, варистор и узел ограничения броска тока заряда конденсатора фильтра питания, состоящий из резистора R16 и простейшего реле времени на транзисторе VT4. Вторая – узел контроллера, выделенный синим цветов. И третья, силовая, преобразовательная часть, с фильтром на выходе.
В зависимости от требований, используется также плата дополнительных фильтров, если в этом есть необходимость.
Рисунки печатных плат в формате lay можно скачать здесь. На печатных платах детали не промаркированы, но учитывая несложность конструкции, определить их соответствие принципиальной схеме, несложно. Схема собрана на двух печатных платах, основной и субплате контроллера. Так удалось решить проблему с чувствительностью этой микросхемы к различного рода наводкам. Обратите внимание, что субплата контроллера двусторонняя, на одной смонтированы SMD компоненты, а другая сторона в виде сплошной фольги, использована как общий провод и экран.
Конденсатор С6 установлен навесным монтажом, поверх С7.
Данные намоточных компонентов:
Трансформатор Tr1 намотан на сердечнике из феррита N67 размером 26х6х6 и содержит 3х16 витков провода ПЭЛШО 0.35. Tr2 выполнен на таком же феррите, размер сердечника 42х10х20, первичная обмотка выполнена литцендратом из проводов 0.08 и суммарным диаметром скрутки 1мм, с общей шелковой изоляцией и содержит 17 витков. Вторичная обмотка — 2х5 витков медной ленты толщиной 0.4 и шириной 12 мм. Вспомогательная обмотка для питания контроллера содержит 2х3 витка провода ПЭЛШО 0.35 Дроссель L1 на кольце из спеченного мопермаллоя, проницаемостью 63. Размеры кольца 28х15х15, цвет защитного покрытия — желтый, с белым торцом. Число витков — 25. Трансформатор тока использован готовый, первичная обмотка представляет собой пропущенный в отверстие кольца провод МГТФ c диаметром жилы ок. 1.5мм. Вторичка — примерно 150 — 200 витков провода на кольце М16х8х6, проницаемость около 2000. Дроссель L2 готовый, на ферритовом стержне, диаметр провода 2мм. Дросселя внешних фильтров выполнены на ферритовых сердечника с высокой проницаемостью (4000) , при их намотке следует правильно расположить обмотки, чтобы исключить подмагничивание сердечника — для этого каждая полуобмотка мотается на свой половине кольца, а направление намоток должно быть противофазным. Следует отметить, что зачастую, применение тех, или иных деталей, определялось их наличием, а не обязательной необходимостью применять именно этот компонент. При повторении ИБП стоит это учитывать. Обратите внимание на обязательное подключение конденсатора С27 к корпусу радиатора. В противном случае могут возникнуть паразитные колебания. Реле Rel1 любое, на рабочее напряжение 24В и ток через контакты не менее 3А.
Внешний вид ИБП:
Вид сбоку на монтаж силовых полупроводников:
Вид снизу
Субплата контроллера
Обратите внимание на то, что выходная отрицательная шина питания, заземлена на радиатор при помощи полоски медной фольги шириной 10мм, которая заведена под стойку платы и прижата винтом крепления.
Обсуждение БП здесь.
www.qrz.ru
Простой универсальный блок питания своими руками
Простой универсальный блок питания своими руками
Блок питания – незаменимая вещь в арсенале радиолюбителя. Обычно готовые регулируемые блоки питания стоят весьма приличные суммы, поэтому очень часто для домашней радиолаборатории блок питания изготавливается самостоятельно.
Итак, прежде всего нужно определиться с требованиями к блоку питания. Мои требования были таковыми:
1) Стабилизированный регулируемый выход 3–24 В с нагрузкой по току минимум 2 А для питания радиоаппаратуры и налаживаемых радиосхем.
2) Нерегулируемый выход 12/24 В с большой нагрузкой по току для опытов по электрохимии
Для удовлетворения первой части я решил использовать готовый интегральный стабилизатор, а для второй – сделать выход после диодного моста в обход стабилизатора.
Итак, после того как определились с требованиями начинаем поиски деталей. У себя в закромах я нашел мощный трансформатор ТС-150–1 (кажется от проектора), который как раз выдает 12 и 24 В, конденсатор на 10000 мкФ 50 В.
Остальное пришлось закупать. Итак в кадре трансформатор, конденсатор, микросхема стабилизатора и обвязка:
После длительных поисков подходящего корпуса была куплена салфетница Ikea (299 руб) которая отлично подошла по габаритам и была выполнена из толстого пластика (2 мм) и с крышкой из нержавейки. В магазине радиодеталей также были куплены врезные выключатели, радиатор для стабилизатора, диодный мост (на 35А) и механический вольтметр для визуального контроля напряжения, что бы не прибегать каждый раз к услугам мультиметра. Детали на фото:
Итак, немного теории. В качестве стабилизатора было решено применить интегральный стабилизатор, который по принципу работы представляет собой линейный компенсационный стабилизатор. Промышленностью выпускаются множество микросхем-стабилизаторов, как на фиксированное напряжение, так и регулируемые. Микросхемы бывают разной мощности, как на 0,1 А так и на 5 А и более. Данные микросхемы обычно содержат в себе защиту от короткого замыкания в нагрузке. При конструировании блока питания нужно решить, какой мощности нужен стабилизатор, и должен он быть на фиксированное напряжение или регулируемым. Подобрать соответствующую микросхему можно в таблицах, например тут: http://promelec.ru/catalog_info/48/74/256/116/
Или тут: http://promelec.ru/catalog_info/48/74/259/119/
Схема включения регулируемого стабилизатора:
Нерегулируемые включаются еще проще, но на всякий случай поглядите в даташите. Для своего блока питания я взял стабилизатор КР142ЕН22А на 7.5А. Единственная тонкость, мешающая легко получать большие токи, это тепловыделение. Дело в том что мощность равная (Uвх-Uвых)*I будет рассеиваться стабилизатором виде тепла, а возможности по рассеянию тепла весьма ограничены, поэтому для получения больших стабилизированных токов нужно также менять Uвх, например коммутирую обмотки трансформатора. Что касается схемы. C1 выбирается исходя из 2000 мкФ на каждый ампер получаемого тока. С2-С4 желательно разместить непосредственно рядом со стабилизатором. Также рекомендуется параллельно со стабилизатором включить диод в обратном направлении для защиты от переполюсовки. В остальном схема блока питания классическая.
220 вольт подается на первичную обмотку трансформатора, со вторичной обмотки снятое напряжение идет на диодный мост, и выпрямленное поступает на сглаживающий конденсатор большой емкости. К конденсатору подключается стабилизатор, но напряжение можно снимать и напрямую с конденсатора, когда нужны большие токи и не важна стабилизация. Привести конкретную инструкцию что куда паять бессмысленно – всё решается исходя из имеющихся деталей.
Вот внешний вид платочки, припаянной к стабилизатору:
Детали скомпонованы в корпусе и сделаны все необходимые прорези в крышке. Во время обработки были заменены врезные выключатели на тумблеры т.к. для их установки нужно меньше труда, а нержавейка, из которой сделана крышка, очень плохо поддается обработке вручную.
Все детали установлены и соединены проводами. Сечение проводов выбирается исходя из максимальных токов. Чем сечение больше тем лучше.
Ну и фото получившегося блока питания:
Выключатель слева вверху – выключатель питания. Правее него выключатель режима «force» отключающего стабилизатор и дающего выход непосредственно с диодного моста (10А при 12/24В). Ниже выключатель 12/24 В коммутирующий части вторичной обмотки. Под вольтметром ручка переменного резистора регулировки. Ну и клеммы выхода.
Автор проекта: Spiritus
Снова блок питания, на этот раз 24 Вольта, 20 Ампер и 480 Ватт. Обзор блока питания 24 Вольта. Устройство и тест блока питания
По большому счету блоки питания друг от друга особо ничем не отличаются, но в этот раз все пошло по другому, отличалось многое, и об этом я и расскажу, выделяя ключевые моменты, думаю что это будет полезно.
Постараюсь сделать обзор коротким, ну или по крайней мере не очень длинным ?
Отличия начались еще с упаковки. Для начала в коробке было специальное «окошко», через которое видно наклейку с наименованием БП, удобно.
Во вторую очередь оказалось, что БП запаян в пленку, что также раньше мне не встречалось.
Внешне блок питания практически не отличается от предыдущей модели мощностью 360 Ватт, те же размеры, такая же решетка вентилятора.
В своих обзорах я практически всегда показываю фото клеммника. Начал я так делать после комментария, где мне писали что бывают БП, где крышка не открывается полностью, и вот мне тоже попался такой блок. Позже выяснилось, что это можно исправить, но «из коробки» крышка полностью не открывалась, неудобно.
Маркировка клемм не в виде наклейки, а проштампована на крышке. Также сделана предупреждающая надпись около вентилятора.
Крышка довольно тонкая, в одном месте ее даже продавило.
Как водится, есть и резистор для подстройки выходного напряжения, а также светодиод индикации работы.
Блок питания промаркирован как S-480-24. Выходной ток 20 Ампер. Я наверное никогда не пойму, зачем БП маркируют как LED Power supply, при чем здесь светодиоды если Бп универсальный, видимо так они лучше продаются.
Присутствует предупреждающая наклейка, а также переключатель 110/220 Вольт.
Выпущен БП в конце 2016 года, можно сказать что свежий.
Когда я снял крышку, то на некоторое время даже завис ? Ну наконец то что-то отличное от уже набивших оскомину классических БП на базе TL494. Внутри практически пусто, как говорится -это жжж.. неспроста.
Корпус также немного отличается, обычно крышка крепится на шести винтах, в данном случае два винта и пара выступов вверху.
Чтобы было лучше понятно разницу между «классическим» БП и этим, я сделал пару фото в сравнении с предыдущим БП 12 Вольт 360 Ватт.
Первым делом осмотр крепления силовых элементов. И хотя если транзисторы или диоды стоят парами, то 99% что проблем не будет, я все равно продолжаю осматривать крепеж.
Транзисторы и диоды прижаты планками к алюминиевому корпусу. Но теплораспределительных пластинок нет, т.е. силовые элементы просто прижаты к самому корпусу.
Замечаний нет, все ровно и аккуратно, даже накидали теплопроводящей пасты, сначала может показаться что ее уж слишком много, но на самом деле под элементами остался совсем тонкий слой.
Если внимательно посмотреть на второе фото, то можно заметить маркировку на печатной плате, судя по которой плата проектировалась для БП мощностью 360 Ватт.
Охлаждает начинку вентилятор диаметром 60мм. По ощущениям довольно производительный, впрочем об этом говорит и соотношение мощности к его размеру. Шумит не очень сильно, но заметно.
Первым же тестом идет измерение диапазона регулировки выходного напряжения.
1. Исходно БП был настроен на чуть большее чем 24 Вольта напряжение.
2. Минимально можно выставить около 14 Вольт, но работает БП в таком режиме нестабильно, пришлось переключить тестер в режим отображения минимальных и максимальных значений. Судя по всему БП в таком режиме недогружен, ШИМ контроллеру не хватает питания и он делает постоянный рестарт.
3. Стабильно БП начинает работать ближе к напряжению в 20 Вольт.
4. Максимально получилось выставить около 27 Вольт.
5. Выставляем штатные 24 Вольта и замечаем две вещи. Регулировка довольно грубая, непонятно зачем сделали регулировку аж от 14 Вольт, вполне могли урезать диапазон до 20-27, было бы более плавно.
6. Но проблема в другом, по мере прогрева выходное напряжение немного «плывет» вверх, это можно заметить по параметру МАХ и времени рядом.
Раз уж измерял напряжение, то попутно измерил емкость входных и выходных конденсаторов.
Входные имеют суммарную емкость в 313 мкФ, что маловато для мощности 480 Ватт, с выходными картина не лучше, около 7000мкФ, тоже хотелось бы больше. Но как я неоднократно указывал, у брендовых БП емкость выходных конденсаторов примерно такая же при подобных характеристиках БП.
Вот теперь можно спокойно разобрать и посмотреть, какие отличия нам приготовили китайские инженеры.
Первый «сюрприз» ждал меня практически сразу. Еще при разборке я обратил внимание, что мест для винтов крепления платы пять, а самих винтов всего четыре. Но отсутствовал не средний, как обычно, а угловой.
Забегая немного вперед, скажу, винт нашелся когда я случайно стукнул плату уже ближе к концу осмотра, предположительно он был под трансформатором. Непорядок.
На входе блока питания установлен фильтр от помех, поступающих со стороны блока питания в сеть. Фильтр набран в типичной для подобных БП конфигурации.
1. Перед фильтром установлен предохранитель и пара термисторов для ограничения пускового тока. Иногда меня спрашивают, а зачем отмечают в таких БП фазу и ноль. Дело в том, что в БП один предохранитель и стоит он обычно по линии фазы, соответственно при выходе БП из строя электроника не только обесточится, а и не будет под потенциалом фазы.
2. Дальше идет помехоподавляющий конденсатор и двухобмоточный дроссель, намотанный довольно толстым проводом.
3. Все помехоподавляющие конденсаторы, которые влияют на безопасность, применены правильного Y2 типа. В фильтре использован только один простой высоковольтный конденсатор, но его применение не снижает уровень безопасности.
4. Диодный мост набран из четырех диодов 1N5408, что на мой взгляд не очень хорошо при таких мощностях, спасает ситуацию только активное охлаждение. Зато рядом видно место под установку конденсатора. На это место можно установить конденсатор на напряжение 400-450 Вольт и он будет «помогать» уже установленным.
Необычно выглядят четыре фильтрующих конденсатора вместо привычных двух. На корпусе значок известной фирмы, но не обольщайтесь, это не фирменные конденсаторы. Внешне это заметно по кривизне термоусадки вверху корпуса.
Заявленная емкость фильтра 470мкф, включение 2S2P, реальная емкость 313мкФ, я не думаю что реальные фирменные конденсаторы имели бы такой разброс, да и сам габарит говорит за себя.
Что интересно, трансформатор применен примерно того же размера, что и в предыдущем БП 360 Ватт. Но работает обозреваемый БП на частоте в 2 раза больше, чем у предыдущего.
1. В этот раз применены полевые транзисторы, а не привычные по предыдущим обзорам, биполярные. Транзисторы IRFP460, но судя по внешнему виду транзисторы отличаются, что может говорить об их БУшности, потому как на нормальном производстве обычно транзисторы из одной партии, не говоря о внешнем виде.
2. Примерно та же картина и с выходными диодыми сборками. Обе имеют маркировку 43CTQ100, но при этом разные внешне.
3. Выходной дроссель намотан в четыре провода и имеет относительно небольшой размер, особенно в сравнении с предыдущими моделями БП, которые я обозревал.
4. Выходные конденсаторы неизвестного производителя, напряжение 35 Вольт, емкость 2200мкФ.
Выходной помехоподавляющий дроссель привычно отсутствует, да и вообще в мощных БП (по крайней мере китайских) попадается крайне редко.
Рядом с конденсаторами находится мощный резистор, «благодаря» которому при прогреве «уползает» выходное напряжение.
Обычно в обзорах я осматриваю печатную плату и чаще всего пишу — плата чистая, пайка аккуратная, но не в этом случае, здесь все наоборот.
Но кроме всего прочего меня удивила разводка печатной платы. Чаще всего рекомендуется размещать силовые узлы как можно ближе друг к другу. А если сказать точнее, то — связанные силовые узлы.
В данном случае мы видим кучу длинных дорожек идущих от силовых транзисторов к трансформатору, параллельно им идет дорожка питания, а также общий провод. На мой личный взгляд такое решение не очень правильно и чревато большими помехами в радиоэфире. Ситуацию спасает только полностью металлический корпус блока питания, который рекомендуется заземлить.
Выходная часть большей частью представляется из себя полностью залуженные полигоны, что правильно при таких токах.
Но если посмотреть чуть ниже, то мы увидим жменьку радиодеталей, это элементы цепи обратной связи, с другой стороны платы, сразу над ними, расположен нагрузочный резистор (нарисовал на фото), который ощутимо греется. Нагрев влияет на компоненты и напряжение «плывет», не помогают даже точные резисторы. В данном случае это не страшно, так как уход небольшой, но он есть. Перфекционисты могут просто поднять резистор над платой и попутно уменьшить нагрев стоящего рядом электролитического конденсатора.
А вот за резисторы под сетевым фильтром спасибо. Мало того что резисторы стоят как минимум парами, а в цепи питания ШИМ контроллера так вообще 4 штуки. Так еще и присутствуют резисторы до диодного моста и после. Первые разряжают входной помехоподавляющий конденсатор, вторые, конденсаторы фильтра питания.
БП собран на базе популярного ШИМ контроллера UC2845, потому получается, что БП однотактный. Еще одно важное отличие, так как предыдущие были на базе TL494. По сути оба ШИМ контроллера разработаны примерно в одно время, потому на данный момент являются самыми классическими среди применяемых в БП. Данная особенность является плюсом, так как такие БП проще в ремонте.
Не обошлось и без косяков. Вообще китайский БП и косяки, братья навек, меняется только уровень.
В данном случае сразу был обнаружен неприпаянный вывод снаббера одного из выходных диодов, не очень хорошо.
Кроме этого по всей плате видны мелкие шарики припоя, а также следы от пайки в ванне. Данные следы могут либо вообще не повлиять, либо просто выгореть при первом включении и также никак не повлиять, либо вывести БП из строя. Исправляеются недоработки очень просто, но технолог на производстве явно получает свою зарплату зря, если он там вообще есть.
Блок питания с такой схемотехникой я еще не обозревал, потому вдвойне было интересно начертить его схему. Если на фото кажется что деталей в нем совсем мало, то глядя на схему такое ощущение пропадает.
Дальше я разбил схему на условные узлы, цвета могут быть малоконтрастны, извините, выбор небольшой.
1. Красный — силовая высоковольтная (горячая) часть
2. Синий — выходная низковольтная (холодная) часть, узел обратной связи и схема питания вентилятора.
3. Зеленый — ШИМ контроллер и его штатная обвязка.
4. Оранжевый — предположительно узел плавного старта и защиты от КЗ на выходе.
5. Неизвестный мне цвет — диод около трансформатора, узел защиты от насыщения трансформатора.
Номиналы и позиционные обозначения в большинстве соответствуют реальности, но номиналы некоторых SMD конденсаторов указаны ориентировочно, так как я не выпаивал их из платы.
Данный БП построен по однотактной прямоходовой (Forward) схемотехнике, тогда как более распространенные маломощные однотактные БП строятся по однотактной обратноходовой (Flyback).
На блок схеме я выделил цветом узлы прямоходового преобразователя (справа), которых нет в схеме обратноходового (слева). В прямоходовом добавлен диодов, дроссель и одна из обмоток трансформатора включена в обратной полярности (это важно).
Кроме того есть еще одно отличие, в случае прямоходовой схемы у сердечника трансформатора не делают зазор, который обязателен в обратноходовой схеме.
Прямоходовая схемотехника (особенно однотактная) очень похожа на классический понижающий (stepdown) преобразователь.
В обоих схемах входной ключ «накачивает» выходной дроссель, а в паузе через диод отдает энергию в нагрузку. Только в случае прямоходомого БП в роли ключа выступает как сам транзистор, так и трансформатор и один из выходных диодов.
Покажу сходные узлы, они обозначены одним цветом для наглядности. Думаю что теперь понятно, почему выше я писал, что фильтрующего выходного дросселя в этом БП нет, потому как тот что установлен является накопительным. Закорачивать этот дроссель категорически нельзя.
Обычно прямоходовая схема используется при больших мощностях, а обратноходовая при малых. Обусловлено это тем, что у обратноходовой схемы трансформатор имеет зазор и размеры трансформатора начинают становиться существенными, кроме того контролировать выбросы труднее и схема может работать менее стабильно.
Но у прямоходовых мощных схем также хватает сложностей. В данном случае в схему добавлен дополнительный диод и обмотка трансформатора. Эта цепь необходима для защиты трансформатора от насыщения при нештатных ситуациях (например КЗ в нагрузке). В цветном варианте схемы этот узел отмечен «неизвестным цветом».
Цитата, описывающая этот узел, взята отсюда (внимание, возможна навязчивая реклама).
Данная схема имеет несколько существенных недостатков. Во-первых, работа с однополярными токами в обмотках трансформатора требует мер по снижению одностороннего намагничения сердечника. Во-вторых, при размыкании ключа энергия, накопленная в индуктивности намагничения трансформатора, не может «разрядиться» самостоятельно, поскольку все выводы трансформатора «повисают в воздухе». В этом случае возникает индуктивный выброс — повышение напряжения на силовых электродах ключевого транзистора, что может привести к его пробою. В-третьих, короткое замыкание выходных клемм преобразователя обязательно выведет силовую часть из строя, следовательно, требуются тщательные меры по защите от КЗ.
Недостаток, связанный с намагничением сердечника однополярными токами, присущ всем однотактным схемам, и с ним успешно бо-рятся введением немагнитного зазора. Для борьбы с перенапряжениями используется дополнительная обмотка, «разряжающая» индуктивный элемент в фазе холостого хода током г3, как показано на рисунке
Дабы не перегружать читателей ненужной информацией, завязываю с теорией и перехожу к практике, а точнее к тестам.
Тестовый стенд стандартен для моих обзоров и состоит из:
1. Электронная нагрузка
2. Мультиметр
3. Осциллограф
4. Тепловизор
5. Термометр
6. Ваттметр, обзора нет.
7. Ручка карандаш и бумажка.
Уже на холостом ходу присутствуют небольшие пульсации, в данном случае некритичные.
Для теста использовалась комбинация из резисторов и электронной нагрузки.
1. Сначала было подключено два резистора, которые обеспечивали ток нагрузки около 4.8 Ампера, электронная нагрузка добавляла нагрузку до 5 Ампер.
Пульсации на мой взгляд великоваты для 25% нагрузки.
2. Та же пара резисторов с током 4.8 Ампера + 5.2 на электронной, в сумме 10 Ампер.
Пульсации более 100мВ, выходное напряжение немного поднялось, что хоть и является побочным эффектом, но в данном случае полезным.
1. Два резистора 4.8 Ампера + 10.2 на электронной, в сумме 15 Ампер.
Пульсации выросли, причем довольно существенно. На осциллографе выставлено 50мВ на клетку, щуп в положении 1:1, дальше можете посчитать сами.
Выходное напряжение еще немного поднялось.
2. В дополнение к двум нагрузочным резисторам добавил третий, в сумме получилось 7.2 Ампера + электронная 12.8, в сумме 20 Ампер ток нагрузки.
Пульсации еще выросли и стали очень ощутимыми, на установленном пределе измерения еле хватает экрана оциллографа.
Выходное напряжение также немного поднялось, но отмечу один момент. Выше я писал, что по мере прогрема напряжение растет, в процессе теста напряжение стояло жестко. Колебания если и были, то в пределах одного последнего знака. Т.е. подняли ток нагрузки, напряжение поднялось и не меняется до следующего шага теста, так что здесь плюс.
Измерение КПД стало уже неотъемлемой частью моих тестов БП, не обошел я вниманием и этот экземпляр, тем более что он имеет другую схемотехнику.
В итоге у меня вышло:
Вход — Выход — КПД.
7.1 — 0 — 0
144 — 120 — 83,3%
277 — 240 — 86,6%
414 — 360 — 86,9%
556 — 480 — 86,3%
На мой взгляд КПД находится на довольно приличном уровне, лучше чем у предыдущих БП, обзоры которых я делал.
Теперь по поводу температуры и ее распределения между элементами.
Больше всего нагревается входной диодный мост и трансформатор, но в обоих случаях температура находится далеко от критичной, потому я вполне могу сказать, что БП мог бы выдать и 550-600 Ватт. Особенно отмечу низкую температуру силовых транзисторов, они не прогревались выше 52 грудсов даже при максимальной мощности.
Тест проходил стандартно, 20 минут прогрев на 25% мощности, потом 20 минут на 50% и т.п. Общее время теста составило около полтора часа так как последний тест я решил немного продлить.
По большому счету не имело значения сколько бы я тестировал этот БП, так как термопрогрев у устройств с активным охлаждением наступает очень быстро и что через 20 минут, что через час, температура будет почти неизменной. У БП с пассивным охлаждением это время гораздо больше, потому я стараюсь тестировать их дольше.
Но не обошлось и без одной не очень приятной мелочи, свойственной блокам питания с активным охлаждением. Дело в том, что нормальная температура компонентов сохраняется в основном благодаря постоянному току воздуха внутри корпуса. Когда я снимал крышку для тестов, то отмечал быстрый рост температуры. К сожалению данная особенность свойственна всем БП имеющим активное охлаждение и при нагрузке выше 50% с остановленным вентилятором обычно заканчивается печально.
Чаще всего такое происходит из-за перегрева силового трансформатора. Я частенько отмечаю важность контроля температуры именно трансформатора, так при нагреве выше определенной температуры феррит теряет свои свойства.
Если объяснить «на пальцах», то происходит следующее:
Представьте себе насос (транзисторы инвертора), схему управления (ШИМ контроллер), баллон (трансформатор) и клапан (выходные диоды).
Насос качает воду (допустим) в баллон, потом пауза, выходной клапан сливает воду, потом цикл повторяется.
Чем больше нужна мощность, тем больше воды мы качаем в баллон. Но тут происходит перегрев, объем нашего баллона уменьшается раз в 5, но схема управления этого не знает и пытается качать как и раньше. Так как баллон стал меньше, то насос начинается работать с большой перегрузкой, а дальше два варианта, либо лопнет баллон, либо сгорит насос. Так как баллон очень крепкий, то выгорает насос, чаще всего унося с собой и схему управления и предохранитель.
Потому важно следить не за транзисторами, температура которых можно достигать и 150 градусов, а за трансформатором, у которого предел 110-120 градусов.
Блок питания не имеет контроля работы вентилятора и термозащиты, потому в случае его остановки (пыль, заклинивание), скорее всего сгорит. Такая ситуация с многими блока питания и потому важно следить за состоянием системы охлаждения.
На фото видно рост температуры трансформатора, где буквально за 20 секунд она поднимается с 92 градусов до 100 при снятой крышке. На самом деле температура изначально была ниже, просто она успела подрасти пока я открыл крышку и делал первое фото.
Зато в процессе теста нагрузочные резисторы грелись от души, температура около 250 градусов даже при обдуве, температура электронной нагрузки была существенно ниже, хотя на ней рассеивалось почти в 2 раза больше. Зато после последжних тестов у моей нагрузки в итоге подгорел один из термовыключателей и она норовила выключиться гораздо раньше чем достигала перегрева, никак не займусь новой версией.
Выводы.
Не буду расписывать преимущества и недостатки, а постараюсь дать выжимку из того, что я увидел.
Блок питания прошел тест под полной нагрузкой, нагрев был в пределах нормы и даже ниже ее, что дает возможность предположить нормальную работы и при заметно больших мощностях.
Но вот качество изготовления сильно хромает, также расстраивает заниженная емкость входных и низкое качество выходных конденсаторов. Данное устройство больше похоже на конструктор для сборки нормального БП, но укомплектованный абы как.
Получается что с одной стороны ругать не хочется, ведь БП работает, и работает нормально, с другой мелочи в виде капелек припоя, выпадающего винтика и т.п. требуют «доработки напильником».
Магазин дал купон для обзора — S480power, с ним цена выходит $22.99. На мой личный взгляд, даже с такими недоработками цена вполне адекватна, если не страшит перспектива проверки и доработки, то вполне нормально. Если хотите вариант купил и пользуйся, то лучше взять Менвелл, но цена будет выше. Купон будет действовать две недели.
На этом все, как обычно жду вопросов, а также комментариев. Ну а меня ждет блок питания мощностью 600 Ватт.
БЛОК ПИТАНИЯ 24В
Недавно возникла необходимость получить напряжение примерно 24В при токе до 3А. Сначала решил собрать стабилизатор на транзисторах, но как оказалось этот вопрос можно решить ещё проще. В этом мне хорошо помогла микросхема LT1083 предназначенная для установки в стабилизаторы с низким падением напряжения для токов нагрузки вплоть до 7А.
В микросхеме LT1083 падение напряжения составляет всего 1В, поэтому на ней выделяется тепла меньше, чем на других аналогичных микросхемах серии 78Lхх и трансформатор нужно на меньшее напряжение. Подробнее параметры LT1083, LT1084, LT1085 смотрите в даташите. Схема блока питания на 24В:
Входное напряжение стабилизатора LT1083 — до 30В. Но лучше не доходить до такого предельного значения и выбрать трансформатор со вторичной обмоткой хотябы на пять вольт меньше. И прежде чем подключать микросхему проверьте, чтоб после диодного моста и конденсатора фильтра было меньше 30-ти вольт. Ведь после выпрямления переменного напряжения в постоянное, оно увеличится на 25%.
Микросхемы LT1083, LT1084, LT1085 могут выпускаться в разных вариантах корпусов. Ниже приведена цоколёвка выводов для них.
Трансформатор для такого напряжения и тока, надо на мощность от 100 ватт. Например ТС-160 или из линейки ТАН/ТН. Питание на них подаётся с серединного отвода вторичной обмотки. Для защиты микросхемы LT1083 от бросков тока во время переходных процессов, используется диод IN4002. Точно установить напряжение выхода нужно подстроечным резистором, после чего заменить его на постоянный такого же номинала.
Готовый БП разместил в корпус из оргстекла с подсветками. Подсветка блока питания выполнена на индикаторной лампе и синих светодиодах. Один выключатель для сети, а вторым — переключается режим 12-24В. Соединение с нагрузкой многожильными проводами, с сечением более 1мм. Материал прислал: Гость.
Форум по блокам питания
Форум по обсуждению материала БЛОК ПИТАНИЯ 24В
| КВАРЦЕВЫЕ ГЕНЕРАТОРЫ SMD Изучение принципа действия и параметров кварцевого генератора, выбор КГ для различных устройств. |
Компактный регулируемый блок питания 24В 5А
Решил переделать свой лабораторный блок питания. Хоть он и надежный, но тяжелый и занимает много места. На рабочем столе всегда не хватает. Планируя перестановку. Решил повесить навесную полку и под ней полно места. Идея пришла быстро, делаю навесной лабораторный блок питания.
Понадобится
Корпусом у меня будет коробка от старого модема. В ней полно места, да и собирать буду на модулях.
Силовой частью служит модуль из Китая. На выходе модуля 24 вольта и обещают внушительный ток, как для габаритов модуля.
Регулировать выходное напряжение, буду при помощи готового модуля. Модуль довольно распространенный, информации о нем много, цена очень хорошая.
Вместо подстроечных резисторов установлю регулировочные, отечественные. Лучше конечно взять проволочные резисторы, но я применю, какие есть. Так же нужно подобрать ручки на них.
Сетевой тумблер у меня Т3, у меня их валом.
Клеммы нужны разного цвета, чтоб не перепутать при подключении устройств.
Вольтамперметр из Китая. Очень хорошо себя зарекомендовал. Габариты в самый раз.
Изготовление лабораторного блока из китайских модулей
На корпусе делаю разметку под элементы передней панели. Вырезаю. Пластик довольно мягкий, можно вырезать острым ножом.
Примеряю место под модули. Сверлю отверстия, и устанавливаю модули. Сетевой модуль устанавливаю на втулки. Втулки нарезал из силиконовой трубки. Выходные провода с сетевого модуля сразу прикрутил. Вынес провода под регулировочные резисторы. Схему нет смысла рисовать, все банально просто. С сетевого модуля, провода идут на регулировочный модуль. На клеммы провода идут через вольтамперметр.
Припаял провода к резисторам. Нашел ручки, разного цвета. На резистор регулировки тока идет 3 провода, на напряжение 2.
Сетевой провод запаял на тумблер. С тумблера провода идут на модуль. Очень удобное место было под тумблер.
Для питания вольтамперметра применил стабилизатор. Собран стабилизатор на TL431. Можно его не ставить, но решил перестраховаться. Можно питать и от 24 вольт. Стабилизатор можно рассчитать в интернете.
Для плавности регулировки, параллельно регулировочному резистору установил постоянный резистор на 27 кОм.
Подключил к регулировочному модулю входные и выходные провода. Стабилизатор для вольтамперметра тоже прикрутил к модулю. Стабилизатор залил термо клеем.
Закрываю. Включаю. Подключил на выход автомобильную лампу. Стабилизация работает отлично.
Лабораторный блок питания отлично вписался в мастерской. Не занимает место. Удобно пользоваться
Ссылки на модули:
Смотрите видео
Переделываем блок питания в картинках / Хабр
Доброе время суток обитателю хабрахабра!
Довело меня увлечение электроникой до момента, когда дешевого китайского паяльника стало мало. Было принято волевое решение собрать паяльную станцию своими руками. Но вот беда, оказалось что в городе достать трансформатор на
24 вольта
просто невозможно. Благодаря этому прискорбному факту и родилась статья.
В закромах нашлись несколько старых блоков питания ATX, и начался долгий и тернистый путь к получению заветных 24 вольт.
Как известно у ATX есть линия, выдающая -12 вольт с силой тока около 0,5 ампер, так почему бы её не усилить? Но первый блин, как известно, комом: при попытке запитать чудо паяльник блок питания сделал «БЗЗЗ» и ушел на покой.
Второй попыткой было решено сделать удвоитель напряжения. Но удвоителю на вход нужен переменный ток, который можно взять от трансформатора. Но, как оказалось, и этот путь не привел к успеху…
Продолжение истории под катом (осторожно: много картинок)
Из вооружения был только дешевый мультиметр, который показал, что на трансформаторе около 10 вольт переменного тока. Ну чтож, можно идти в бой! На макетке был собран удвоитель. К сожалению, его фотография сохранилась только одна, так сказать, в боевом режиме
Какого же было удивление, когда мультиметр показал на выходе все 50 вольт! Опровержением постулатов физики заниматься не захотелось, поэтому была приобретена тяжелая артиллерия в виде осциллографа. Картинка на выводах трансформатора получилась следующая
Это с пред делителем 1:10 на щупе и цена деления в 1 вольт. Оказывается трансформатор и выдает заветные 24 вольта, только очень страшной формы (не удивительно, что китайский мультиметр не справился с задачей).
Новая задача — переделать удвоитель в выпрямитель. Заодно было решено перенести всю силовую часть будущей паяльной станции в блок питания. Схема получилась вот такая
Пояснение по схеме:
Диоды D2, D4 (Шоттки 30А 60В) образуют обычный диодный мост, на вход которого приходит 24 вольта ужасной формы, а на выходе — те же 24, но постоянного (стоит заметить, что на выходе ток практически ровный!)
Стабилизатор U1 (7805) понижает напряжение до 5 вольт
Конденсаторы С1 (1000uF, 60V) и С2 (220uF, 16V) — электролиты, выполняющие роль фильтра. В теории перед выходом еще надо поставить керамику, которая бы ловила высокочастотные помехи, но она будет стоять в паяльной станции.
Внешний вид:
На этом электронная часть закончена, осталось собрать все в корпусе.
Первым делом обрезаем все провода, они должны комфортно поместиться в корпус. Провода собраны в пары, чтобы выдерживать большую нагрузку, концы смотаны и залужены.
После этого, добавляем кнопку запуска блока питания. Для запуска ATX нужно замкнуть PS_ON (зеленый провод) на землю (любой из черных).На выключатель у меня ушло 3 провода — PS_ON, GND и один из +5 (красный провод). Последний нужен для питания светодиода внутри кнопки.
Ах, да, выключатель пришлось немного модифицировать, ибо внутри стояла галогенка, рассчитанная на 220 вольт. Пришлось вытащить потроха и заменить на светодиод (5в) и резистор (511R).
К корпусу одного БП была применена грубая сила и он стал плоским (это будет дно конструкции).
На текущем этапе была собрана и запущена бета-версия вот такого вида
Срезаем все лишнее на корпусе с кулером. Так все выглядит в разобранном состоянии:
На корпусе размещаем 9 гнезд RCA и один молекс (выход для паяльной станции)
Внутри все выглядит ужасающе:
Внешне не многим лучше, но уже не так пугает:
Пришло время проверить как справляется наша «пристройка» со своими обязанностями
5 вольт (цена деления — 2 вольта, осциллограф немножко не откалиброван)
24 вольта (цена деления 1 вольт + пред делитель на щупе 1:10)
Как видно, справляется хорошо! Небольшой стресс тест в виде двухчасового кручения моторчика так же пройден успешно. наконец то можно приступать к созданию паяльной станции…
Уф, кажется все. Спасибо всем, кто осилил до конца. Буду рад критике конструкции (версии 2.0 однозначно быть) и текста.
PS. Спасибо хабражителю TheHorse за инвайт
Импульсный блок питания 24В 18А
Импульсный блок питания рассчитан на выходное напряжение в пределах 20-28В, при максимальном долговременном токе нагрузки 10А без принудительного охлаждения и до 18А при использовании вентилятора. В качестве контроллера используется широко распространенная в промышленных устройствах микросхема UC3825. Ее выбор был обусловлен, прежде всего, наличием. Ну, а раз она является (наряду с 3525) промышленным стандартом, то и не пришлось долго раздумывать.
Блок питания представляет собой типовой полумост с оптронной развязкой ОС по напряжению. Защита по току осуществляется с помощью трансформатора тока.
К особенностям можно отнести повышенные требования к монтажу и конструкции. Причин тут несколько. Во-первых, примененный контроллер имеет высокую граничную рабочую частоту, управляющие входы контроллера достаточно высокоимпедансные и чувствительны к наводкам. Это обязывает соблюдать некоторые правила монтажа такого контроллера и его обвязки. Во-вторых, специфика применения данного БП предъявляла жесткие требования по различным помехам, как радиочастотным, так и акустическим. Последнее наложило ограничение на разработку конструкции, в частности, на минимизацию габаритов и размещение некоторых компонентов. Часто используемое «компьютерное» расположение силовых элементов и радиаторов было исключено, как и применение комплектующих рассчитанными на эксплуатацию в основном, в режиме обдува, то есть, без заметного запаса по параметрам. Это касается прежде всего размеров сердечников трансформатора и дросселя L1.
Схему БП можно условно разделить на три части. Первая — это входные цепи питания, содержащие противопомеховый фильтр, варистор и узел ограничения броска тока заряда конденсатора фильтра питания, состоящий из резистора R16 и простейшего реле времени на транзисторе VT4. Вторая – узел контроллера, выделенный синим цветов. И третья, силовая, преобразовательная часть, с фильтром на выходе.
В зависимости от требований, используется также плата дополнительных фильтров, если в этом есть необходимость.
Рисунки печатных плат в формате lay можно скачать здесь.
На печатных платах детали не промаркированы, но учитывая несложность конструкции, определить их соответствие принципиальной схеме, несложно.
Схема собрана на двух печатных платах, основной и субплате контроллера. Так удалось решить проблему с чувствительностью этой микросхемы к различного рода наводкам. Обратите внимание, что субплата контроллера двусторонняя, на одной смонтированы SMD компоненты, а другая сторона в виде сплошной фольги, использована как общий провод и экран.
Конденсатор С6 установлен навесным монтажом, поверх С7.
Данные намоточных компонентов:
Трансформатор Tr1 намотан на сердечнике из феррита N67 размером 26х6х6 и содержит 3х16 витков провода ПЭЛШО 0.35.
Tr2 выполнен на таком же феррите, размер сердечника 42х10х20, первичная обмотка выполнена литцендратом из проводов 0.08 и суммарным диаметром скрутки 1мм, с общей шелковой изоляцией и содержит 17 витков.
Вторичная обмотка — 2х5 витков медной ленты толщиной 0.4 и шириной 12 мм.
Вспомогательная обмотка для питания контроллера содержит 2х3 витка провода ПЭЛШО 0.35
Дроссель L1 на кольце из спеченного мопермаллоя, проницаемостью 63. Размеры кольца 28х15х15, цвет защитного покрытия — желтый, с белым торцом. Число витков — 25.
Трансформатор тока использован готовый, первичная обмотка представляет собой пропущенный в отверстие кольца провод МГТФ c диаметром жилы ок. 1.5мм.
Вторичка — примерно 150 — 200 витков провода на кольце М16х8х6, проницаемость около 2000.
Дроссель L2 готовый, на ферритовом стержне, диаметр провода 2мм.
Дросселя внешних фильтров выполнены на ферритовых сердечника с высокой проницаемостью (4000) , при их намотке следует правильно расположить обмотки, чтобы исключить подмагничивание сердечника — для этого каждая полуобмотка мотается на свой половине кольца, а направление намоток должно быть противофазным.
Следует отметить, что зачастую, применение тех, или иных деталей, определялось их наличием, а не обязательной необходимостью применять именно этот компонент. При повторении ИБП стоит это учитывать.
Обратите внимание на обязательное подключение конденсатора С27 к корпусу радиатора. В противном случае могут возникнуть паразитные колебания. Реле Rel1 любое, на рабочее напряжение 24В и ток через контакты не менее 3А.
Внешний вид ИБП:
Вид сбоку на монтаж силовых полупроводников:
Вид снизу
Субплата контроллера
Обратите внимание на то, что выходная отрицательная шина питания, заземлена на радиатор при помощи полоски медной фольги шириной 10мм, которая заведена под стойку платы и прижата винтом крепления.
Обсуждение БП здесь.
Регулируемый блок питания на 24 вольта, схема сборки источника постоянного тока
Я сделал простой компьютерный блок питания на 24 вольта для использования дома. Он может выдавать напряжение 17В с силой постоянного тока до 3А. По этой схеме вы сможете сделать своими руками такой же универсальный регулируемый источник питания для дома.
ПРЕДУПРЕЖДЕНИЕ: В этом проекте идет работа с высоким напряжением, будьте осторожны!
Шаг 1: Электросхема
- Сначала входы подключаются к трансформатору. Я использовал трансформатор приблизительно 65 Вт. Если посчитать по формуле (Мощность = сила тока * напряжение), можно оценить, какая мощность вам необходима.
- Затем я сделал диодный мост. Таким образом, мы можем получить постоянный ток.
- Следующий шаг — фильтрация. Я использовал конденсаторы 3300 µF для фильтрации. Можно использовать 2 конденсатора по 2200 µF, так будет даже лучше.
- В своей схеме я использовал LM350. LM350 создает разницу в 1.25В между входом и выходом. Таким образом, мы должны вычислить R1 и RV1, чтобы настроить наш выход Vout = 1,25 В (1 + RV1 / R1) + Iadj * Rv1. Мощность рассчитывается по формуле: P = I * (Vin-Vout).
- D5, D6 и D7 – это защитные диоды. Они защищают конденсаторы от разряда через точки с малой силой тока в регуляторе.
- C1 является обходным конденсатором для входа. Подойдет дисковый на 0.1F или танталовый на 1F.
- C7 фильтрует помехи на потенциометре. Не нужно брать больше, чем 20 µF
- Низковольтные регуляторы LDO, которые должны потреблять мощность в нашем диапазоне. Для моего LM350 подошел на 10mA, потому что я использовал 5-ваттный резистор. Лучше взять на 10Вт.
Вторая схема для вентилятора с постоянным током и дополнительным входом.
Шаг 2: Список компонентов
Для основной схемы:
- Трансформатор (65 Вт)
- LM350
- 1n5401 Диоды — 4 шт.
- 3300 µF 50В Конденсатор
- 0.1uf Пленочный конденсатор
- 1n4007 Диоды — 3 шт.
- 2.5 кОм Потенциометр
- 2.2 µF Электролитический конденсатор
- 120R 1Вт Резистор.
- 22 µF 50В Электролитический конденсатор
- 100 µF 50В Электролитический конденсатор
- 4.7 µF 35В Танталовый конденсатор
- 150R 5Вт Резистор (рассчитайте для своей схемы, если используете другую)
- Стеклянный плавкий предохранитель (3A-3.3A)
Для второй схемы:
- Светодиод
- Вентилятор
- 1n4007 Диоды
- 470 µF 35В Электролитический конденсатор
Шаг 3: Делаем печатную плату
После того, как я нарисовал печатную плату и напечатал её на принтере, я перевожу её на медную доску. После этого я изменил и доработал некоторые дорожки. Вы должны быть уверены, что дорожки печатной платы смогут выдержать 3A. После этого я нанес кислоту.
Шаг 4: Паяльная маска
После того, как я растворил медь в кислоте, я нанес паяльную маску на свои платы. Создание маски припоя довольно сложное, но у нее много преимуществ. Во-первых, она защищает от коррозии и предотвращает короткое замыкание. После паяльной маски нужно просверлить в плате отверстия.
Шаг 5: Время паять
Пайка является одной из важнейших частей этого проекта. Необходимо припаять компоненты так, как показано в схеме. По моему мнению, LM350 нужно припаивать в последнюю очередь. После пайки нужно проверить, нет ли короткого замыкания.
Шаг 6: Сборка
При сборке вашей цепи вы должны правильно провести провода. Я использовал стеклянные плавкие предохранители, хоть их и нет в схеме. Я соединяю цепь последовательно и подключаю к входу трансформатора. Осторожнее с коротким замыканием, иначе вы можете испортить ваш регулируемый импульсный блок питания.
Шаг 7: Запуск
Если вы будете следовать схеме простого блока питания с регулировкой напряжения, то в итоге у вас получится отличный источник питания!
Как легко сделать адаптер 24 В или источник питания постоянного тока дома
Как легко сделать адаптер 24 В или источник постоянного тока дома
В этом проекте мы узнаем, как легко сделать адаптер 24 В или источник питания постоянного тока в домашних условиях, выполнив несколько простых шагов с помощью принципиальной схемы. это очень простой полезный и самодельный проект. Если вы выполните следующие действия, вы легко сможете создать свой собственный источник питания на 24 В.
| как сделать источник питания 24 В постоянного тока |
для создания этого проекта нам понадобятся некоторые компоненты.
Компоненты для изготовления адаптера 24В:
- Трансформатор 12-0-12 или 24 В, 1 А
- LM7824 Регулятор напряжения
- Радиатор
- 50v 1000 мкФ конденсатор
- 1N4007 Диод (4)
- светодиод
- Резистор 1 кОм 1/4 Вт
- Печатная плата
- Проволока для пайки
- Паяльник
Схема подключения источника питания 24 В постоянного тока:
| Схема источника питания 24 В |
- Трансформатор имеет 2 стороны.одна сторона используется для ввода, а вторая — для вывода.
- Входная сторона трансформатора подключается к источнику постоянного тока 220 В.
Как сделать диодный мост:
- Берем 4 диода 1N4007.
1: 1-я диодная головка соединяется со 2-м хвостовым диодом
2: 2-я диодная головка соединяется с 3-ей диодной головкой.
3: и 3-й хвостовой диод соединяется с 4-й диодной головкой.
4: и 4-й диодный хвост подключаются к 1-му диодному хвосту
- Выходная сторона трансформатора соединяется диодным мостом.
1 провод соединяет 1 и 2 номер
2-й провод подключается между 3 и 4 числом.
- Теперь подключите конденсатор 50 В, 1000 мкФ с диодным мостом.
1: положительная сторона конденсатора подключается между 2 и 3 числовыми контактами.
2: отрицательная сторона подключается между 1 и 4 числовым контактом.
- Теперь подключите резистор 1 кОм и светодиод с положительным и отрицательным проводом.
- Теперь возьмем регулятор напряжения LM7824.
1: 1-й используется для входа
2: 2-й контакт используется для заземления
3: 3-й используется для вывода
- Теперь 1-й контакт регулятора напряжения соединить с плюсовой стороной конденсатора. или положительный полюс провода.
- 2-й контакт регулятора напряжения соединить с проводом заземления.или отрицательная сторона конденсатора.
- 3-й контакт регулятора напряжения обеспечивает положительное питание 24 В
- и 2-й контакт регулятора напряжения используются для отрицательного питания или заземляющего провода. как диаграмма.
Это несколько шагов, если вы будете правильно следовать, то легко сделаете схему источника питания LM7824 . узнаем больше батареи при просмотре видео.
Видео как сделать самодельный блок питания 24в постоянного тока:
мы стараемся объяснить все с помощью простых простых шагов с видео и принципиальной схемой.Просто следуйте принципиальной схеме и сделайте этот проект.
Цепь источника питания 24 В, 5 А
В этом проекте мы продемонстрируем схему источника питания 24 В 5 А, использующую микросхему контроллера напряжения LM7824 и транзистор TIP2955. Блок питания предназначен для подачи электроэнергии на электрическую нагрузку.
Это идеальная схема для использования там, где у вас есть потребности 24 В с сильным током. Схема обеспечивает стабильное выходное напряжение с некоторыми неявными свойствами микросхемы контроллера напряжения LM7824. Например, защита от короткого замыкания, тепловое отключение и т. Д. Устройство LM78xx организовано по существу как фиксированный стабилизатор напряжения. Эти устройства можно использовать с другими частями для обеспечения гибких напряжений и токов.Эта схема работает с комбинацией биполярного PNP-транзистора под названием TIP2955, контроллера напряжения IC LM7824, выпрямителя на диодном мосту, резисторов, конденсаторов и трансформатора с центральным отводом.
Необходимое оборудование Компоненты
[inaritcle_1]
LM7824 Распиновка
Принципиальная схема
Контур Работа
В этой цепи трансформатор переменного тока 230 В на 24 В понижает сетевое напряжение.Это входное переменное напряжение затем выпрямляется 10-амперным диодным мостом. Кроме того, конденсатор емкостью 2200 мкФ 50 В используется для фильтрации шума и других факторов от источника напряжения, а два других конденсатора емкостью 0,33 мкФ и 10 мкФ используются для развязки сигналов.
LM7824 — это микросхема положительного стабилизатора напряжения, которая выдает прямой выход 24 В постоянного тока, ток выхода этой ИС не должен превышать 1,5 ампер, поэтому транзистор TIP2955 использует для увеличения выходного тока до 5 А. Использование разумных радиаторов с ИС и транзистором увеличивает термостабильность схемы.
Приложения и способы использования
Блоки питания
на 24 В имеют широкую область применения. Некоторые из них:
- Используется для питания электрических нагрузок 24 В
- Свойства теплового отключения делают его более надежным и лучше всего подходящим в областях, где существуют строгие ограничения по тепловыделению
2x серверных источника питания HP на 24 В
Во время моих исследований по преобразованию источника питания сервера (PS с этого момента) для использования RC, я также столкнулся с тем, как связать 2 из этих парней последовательно, чтобы получить 24V.Так что, конечно, мне пришлось попробовать.
Источники питания
Когда я получил свой первый DPS-600PB и переделал его для использования с дистанционным управлением, я знал, что он станет идеальным кандидатом для источника питания 24 В. Поэтому я заказал еще одну пару, и теперь я готов преобразовать их и соединить последовательно.
Прежде чем я смог соединить их последовательно
, мне пришлось сначала преобразовать их для использования RC. Я просто выполнил ту же процедуру, что и другой блок. Фактически, я следовал той же самой процедуре, поэтому технически у меня было всего 3 идентичных блока PS.Я сделал это для того, чтобы не ограничивать себя, делая эти 2 единицы как-то разными. Это позволило бы мне переназначить использование каждой единицы по мере необходимости.
Заботы о безопасности
В ходе исследования я обнаружил много опасений по поводу безопасности, которые возникают у людей при выполнении такого рода проектов. Наибольшую озабоченность вызывает простейший метод «плавающего» выхода постоянного тока на втором источнике питания, чтобы соединить их последовательно, а именно удаление заземления переменного тока на одном устройстве. Это удаляет
«страховочная сетка» от PS, и поэтому, если PS выйдет из строя, корпус может быть электрифицирован с помощью 120 В переменного тока.Есть несколько подходов к решению этой проблемы — от простого игнорирования ее до установки неоновой лампы на 120 В переменного тока между корпусами, которая будет служить индикатором проблемы. Я решил не обращать внимания на беспокойство, но изолировал себя от подразделений.
Изготовление 24V
На самом деле последовательное подключение блоков PS было простым, я просто сделал перемычку, чтобы подключить выход 12 В на одном устройстве к выходу заземления на другом. Потом просто подключаю к оставшимся выходам и пуф, 24В. Но, конечно, не все так просто.Сначала мне пришлось столкнуться с тем, что я плаваю на выходе одного блока, а заземление постоянного тока привязано к корпусу. Поэтому, если я соединю 2 устройства последовательно, и они соприкоснутся, это вызовет короткое замыкание на землю. Но становится еще хуже. К корпусу привязано не только заземление постоянного тока, но и заземление переменного тока. Это означает, что даже если я физически изолирую корпуса друг от друга, подключение двух блоков к стене все равно вызовет короткое замыкание. Я рассмотрел свои варианты; 1) отключите заземление переменного тока внутри одного блока, 2) отключите заземление переменного тока за пределами одного устройства, или 3) отключите заземление постоянного тока от одного корпуса.Я выбрал №2 и планировал сделать специальный кабель, который соединяет заземление переменного тока только с одним устройством. Это подводит меня к следующей части … коробке.
Сборка
1-е поколение: PS в коробке
Я видел, как многие люди просто заворачивали блоки PS в упаковочную ленту, а затем склеивали их вместе. Хотя это сработало бы, я хотел попробовать поместить единицы в коробку и сделать ее более законченной. Я потратил около недели, пытаясь найти идеальную коробку для размещения блоков PS.В конце концов я остановился на коробке деталей Align 450. У меня их пара, и хотя они не идеально подходят, это самое близкое, что я смог найти.
Осмотрев коробку, я понял, где я хочу установить вилку питания и банановые вилки. Затем я много думал о том, как заставить воздух двигаться через коробку. В конце концов, я решил установить вилку питания в правом нижнем углу, банановые заглушки — в верхнем левом углу, отверстие для впуска воздуха — в нижнем левом углу и отверстие для выпуска воздуха — в верхнем правом углу.Что касается вентиляционных отверстий, я выбрал несколько отверстий 3/8 дюйма для правого бокового вентиляционного отверстия и 50-миллиметровую решетку вентилятора для левого.
Все работы выполнялись либо дрелью, либо дремелем. Корпус сделан из алюминиевой окантовки вокруг прессованного картона, покрытого алюминиевой обшивкой. С картоном легко работать, но кожа очень тонкая и очень хрупкая.
Я использовал кусок очень плотного пенополистирола, чтобы заполнить пространство между двумя блоками и изолировать их друг от друга. Как только пенополистирол стал подходящего размера, я использовал упаковочную ленту, чтобы скрепить два блока и пену.Наконец, я использовал две полоски из пеноматериала, чтобы удерживать блоки PS на месте и предотвращать рециркуляцию воздуха внутри корпуса.
Электропроводка
После установки корпуса 3-контактного разъема переменного тока я работал над изготовлением некоторых кабелей для подключения к обоим блокам PS. У меня на работе слишком много компьютерных шнуров питания, поэтому пара из них была принесена в жертву проекту. Я обрезал их, чтобы сделать их как можно меньше, а затем снял черную оболочку, чтобы обнажить провода. Затем я обрезал их до нужной длины и удалил заземление с одного разъема.Напоследок припаял их к корпусу.
Далее выходная сторона. Я соединил выход каждого PS с помощью провода 12awg и 4-миллиметровых патронов с внутренней резьбой. Я использовал 12awg, потому что он у меня был, но 10awg, вероятно, лучший выбор для этого использования. Все, что больше, — пустая трата. Это сделало их взаимозаменяемыми, а также их можно было использовать вне корпуса как обычный 12 В PS. Чтобы соединить блоки PS вместе, я сделал простую перемычку с 4-миллиметровыми штыревыми коннекторами на каждом конце. Один конец идет к 1-му выходу PS GND, а другой конец — к 2-му выходу PS 12V.Другой выход каждого PS был затем подключен к банановым заглушкам. Последним шагом было припаять провод к каждой из заглушек типа «банан», заделать их 4-миллиметровыми штырями и затем подключить их к оставшимся двум выводам.
Конечный результат
В целом я доволен конечным результатом. Он больше, чем мне хотелось бы, но я не могу особо жаловаться, это блок питания мощностью 1100 Вт +. Чехол немного приглушил поклонников, но они все еще присутствуют.
Внутри укомплектованного блока питания.
Воздуховыпускные отверстия и порт переменного тока.
Выход 24 В и воздухозаборник.
БП укомплектованный ?
2-го поколения: БП в картоне
У меня была большая коробка, сидящая без дела
ничего и я подумал, а почему бы не попробовать обернуть блоки ПС в картон? я
означают, что важно изолировать 2 единицы, а картон делает
это действительно хорошо. Во всяком случае, я использую его некоторое время, и это
действительно хорошо работает.Таким образом, я считаю это довольно хорошим решением.
и тот, который легко попробовать, тот, который не изменяет единицы измерения, поэтому он
легко отменить его позже, если будет найдено лучшее решение.
Правильно, картон.
Входная сторона.
Вот быстрый трос, который я скинул.
Это выходная сторона. Я использовал пластик, чтобы удержать
последовательное соединение.
3-е поколение: голый PS + другие модели
у меня
некоторое время играл с идеями, но просто не мог придумать
тот, который мне нравился долгое время. Ну, я думаю, что нашел это, и я
очень доволен конечным результатом. Я использовал агрегаты на 2 л.с. из кейса
выше и начал с удаления оперативно заменяемого разъема и платы. я
установил 2 банановых гнезда в одном блоке, отключил заземление постоянного тока на
другой и установил в него одинарный банановый домкрат. Затем я выяснил
способ легко скрутить два блока и скрыть серию
связь.Ниже приведен конечный результат вместе с двумя другими наборами единиц I
пробовали (см. Преобразование другого блока питания сервера для использования RC) .
Слева: HP 575 Вт, посередине: Dell 700 Вт, справа: Dell 550 Вт
| Категории Close Outs! Еженедельная распродажа Новые продукты Ардуино Малина Пи Электронные корпуса и боксы Кабель, шнуры и провода Химическая промышленность, электроника Компоненты электронные Разъемы Компьютерные аксессуары Модули охлаждения, термоэлектрический элемент Пельтье Счетчики и таймеры Электронные комплекты Вентиляторы осевые Предохранители электронные Радиаторы Термоусадочные трубки ЖК-дисплеи Светодиодные фонарики Светодиодные и Светодиодные Дисплеи Лазеры и линзы Магниты Электронные двигатели и компоненты Панельные счетчики и измерительные шунты Печатные платы Шнуры питания Блоки питания 19-дюймовые стоечные системы Реле — Мощность Паяльное оборудование Колонки и сирены Шаговые двигатели и драйверы Переключатели электронные Телефон Испытательное оборудование, электронное Термостаты цифровые Инструменты электронные Трансформаторы силовые УФ лампы Клапаны и цилиндр Видео, видеонаблюдение и безопасность Уникальные предметы
|
Как построить самодельный трансформатор 24 В переменного тока в постоянный ток 20 А с использованием старых деталей
Прежде чем мы обсудим блок трансформатора 24 В переменного тока в постоянный ток 20 А и детали его проводки, для нас будет важно узнать о пара вещей по этому поводу.
Во-первых, здесь слово «трансформатор» относится к «преобразованию», а не к обычному понижающему трансформатору (хотя он нам также понадобится здесь) и, во-вторых, к номинальному току 20 ампер, как указано в заголовке или любом другом Рейтинг в этом отношении может быть совершенно неуместным просто потому, что номинальный ток будет зависеть от мощности подключенной нагрузки и должен быть выбран соответствующим образом.
Например, предположим, что вам нужна бутылка с водой и рядом есть два пруда с водой, один немного больше, а другой относительно меньше, поэтому вас не будет беспокоить, где вы окунули бутылку, поскольку оба источника смогут с комфортом снабдит вас бутылкой воды.
Аналогия в точности сопоставима с токами в электрических системах. Если мы предположим, что максимальный ток, требуемый подключенной нагрузкой, будет намного больше 10 А, тогда, вероятно, нам потребуется вход 20 А, чтобы быть в большей безопасности, однако, если потребность ниже 5 А, то вышеуказанный выбор будет полная трата денег и места, поскольку избыточная мощность практически никогда не вступит в игру.
Еще один важный фактор, о котором следует помнить при номинальных значениях тока, заключается в том, что вы никогда не сможете подключить нагрузку, которая может потреблять ток, близкий к номинальному входному значению, потому что, поскольку сопутствующее напряжение прямо пропорционально силе тока, оно упадет почти до ноль в приведенном выше случае, превращая все в КРАСНЫЙ ГОРЯЧИЙ.Эмпирическое правило — поддерживать максимальное потребление тока ниже 50% от номинального значения для безопасной работы.
Давайте вернемся к предлагаемой конструкции и посмотрим, как мы можем сконструировать трансформатор 24 В переменного тока в 20 А постоянного тока в следующем разделе.
Трансформаторы и преобразователи
Для создания преобразователя переменного тока в постоянный на 24 В вам потребуются следующие основные электронные детали, и сборка должна быть завершена за считанные минуты:
Понижающий трансформатор с номинальным током, как описано в предыдущий раздел, имеющий вторичную обмотку 0-24 В и входную первичную обмотку в зависимости от спецификаций страны.
Четыре диода с номиналами снова в зависимости от нагрузки (мы обсудим это в следующем содержании),
A Конденсатор фильтра, значение которого (мкФ) может не быть критическим, 1000 мкФ вполне достаточно, однако напряжение критично , которое всегда должно быть вдвое больше входного напряжения питания, поэтому вы можете выбрать его как 50,
А, красный светодиод и токоограничивающий резистор (4,7 кОм, 1/4 Вт),
Подходящий шкаф для крепления вышеуказанных компонентов. внутри корпуса.
Подсказки по конструкции
Подключение вышеуказанных устройств очень просто и может быть выполнено с помощью следующих шагов:
Первый шаг включает в себя сборку четырех диодов в качестве мостового выпрямителя.Это можно сделать, соединив их, как показано на схеме, над частью общей печатной платы или просто скрутив выводы вместе, соблюдая полярность. Более графическое представление дано ЗДЕСЬ.
Тип выбора диода будет зависеть от нагрузки, если она ниже 0,5 А, вы можете выбрать диоды 1N4007, при токе выше 2 А будет достаточно 1N5408, а при потреблении, превышающем этот уровень, потребуется выбрать диоды непосредственно в соответствии с потребляемым током. .
Затем приобретенный конденсатор можно подключить к мосту в соответствии со схемой, опять же, необходимо обратить внимание на полярность — противоположное соединение может привести к сильному взрыву или повреждению конденсатора.
Дополнительный светодиодный / резисторный индикаторный узел также может быть припаян поперек конденсатора.
После завершения вышеуказанных сборок осталось только подключить его к вторичным выходным проводам трансформатора.
Наконец, первичная обмотка трансформатора должна быть подключена через сетевой шнур, чтобы ее можно было подключить для требуемого преобразования.
После подключения светодиод должен немедленно загореться, и на конденсаторе станет доступным желаемый выход 24 В постоянного тока, который можно использовать для требуемых приложений.
Подсказки по применению
Одним из применений схемы, приведенной выше, было бы ее использование для замены дорогостоящего трансформатора 24 В переменного тока на 20 А постоянного тока или, точнее, преобразователя мощности для таких приложений, как приводные двигатели для выдвижных навесов. Трансформатор также можно использовать дома, в офисе, в кемпинге, а также во время прогулок и пикников. В помещении устройство может быть просто запитано от сетевой розетки с розеткой переменного тока 110 В, которая подключается к первичной обмотке трансформатора, как описано выше, а полученный выход постоянного тока 24 В может использоваться в соответствии с потребностями.
На открытом воздухе эта схема может оказаться очень удобной и может использоваться либо с существующим генератором переменного тока вашего кемпера / прицепа, либо от дизельного генератора. Здесь схема становится более гладкой и легкой, поскольку громоздкий понижающий трансформатор не требуется и может быть полностью исключен.
Вход 24 В переменного тока от генератора переменного тока напрямую интегрирован в точки, где ранее была подключена вторичная обмотка понижающего трансформатора, то есть через входы мостового выпрямителя.
Преобразованный выход 24 В постоянного тока от блока может использоваться либо для зарядки инверторной батареи, либо просто с соответствующими приборами, для работы которых требуется входная мощность 24 В.
Источник питания постоянного тока 24 В / 2 А
Схема блока питания на 24 вольта очень проста. В нем используются стабилитроны и транзисторы Дарлингтона типа TIP122. Выходное напряжение установлено на 24 В при выходном токе 2 ампера.
Понижение напряжения сектора 230 В обеспечивает трансформатор TR1, вторичное напряжение которого составляет 24 В.Доступное напряжение после выпрямления и фильтрации составляет порядка 32–34 В (в зависимости от трансформатора и напряжения).
Электролитический конденсатор C1 обеспечивает фильтрацию выпрямленного напряжения для получения необходимого выходного напряжения. Его значение зависит от максимального выходного тока, который вы хотите получить, установленный здесь 4700 мкФ позволит вам просто отфильтровать выходной ток 2 А. Вы можете уменьшить его до 2200 мкФ, если вам не нужно больше 1 А. Предлагаемая схема позволяет использовать один или два радиальных конденсатора 2200 мкФ-4700 мкФ, выбор за вами в зависимости от размера конденсатора, который вы можете получить.
Стабилизация напряжения возложена на стабилитрон, который поддерживается транзистором Дарлингтона для увеличения выходного тока (транзистор TIP122 несет ток коллектора 5 А непрерывно, так что это нормально). Фактически, если вы посмотрите на диаграмму, вы обнаружите, что там два стабилитрона вместо одного. Этот выбор позволяет легко изменять выходное напряжение, выбирая другие значения стабилитронов. Для этой модели он использовал стабилитрон на 12 В (BZX55C12) и на 13 В (BZX55C13), так что выходное напряжение близко к максимальному выходному току 24 В.
Мастер, описание устройства которого в первой части, задавшись целью сделать блок питания с регулировкой, не стал усложнять себе дело и просто использовал платы, которые лежали без дела. Второй вариант предполагает использование еще более распространенного материала – к обычному блоку была добавлена регулировка, пожалуй, это очень многообещающее по простоте решение при том, что нужные характеристики не будут потеряны и реализовать задумку можно своими руками даже не самому опытному радиолюбителю. В бонус еще два варианта совсем простых схем со всеми подробными объяснениями для начинающих. Итак, на ваш выбор 4 способа.
Расскажем, как сделать регулируемый блок питания из ненужной платы компьютера. Мастер взял плату компьютера и выпилил блок, питающий оперативку.
Так он выглядит.
Определимся, какие детали нужно взять, какие нет, чтобы отрезать то, что нужно, чтобы на плате были все компоненты блока питания. Обычно импульсный блок для подачи тока на компьютер состоит из микросхемы, шим контроллера, ключевых транзисторов, выходного дросселя и выходного конденсатора, входного конденсатора. На плате еще и зачем-то присутствует входной дроссель. Его тоже оставил. Ключевые транзисторы – может быть два, три. Есть посадочное место по 3 транзистор, но в схеме не используется.
Сама микросхема шим контроллера может выглядеть так. Вот она под лупой.
Может выглядеть как квадратик с маленькими выводами со всех сторон. Это типичный шим контроллер на плате ноутбука.
Так выглядит блок питания импульсный на видеокарте.
Точно также выглядит блок питания для процессора. Видим шим контроллер и несколько каналов питания процессора. 3 транзистора в данном случае. Дроссель и конденсатор. Это один канал.
Три транзистора, дроссель, конденсатор – второй канал. 3 канал. И еще два канала для других целей.
Вы знаете как выглядит шим-контроллер, смотрите под лупой его маркировку, ищите в интернете datasheet, скачиваете pdf файл и смотрите схему, чтобы ничего не напутать.
На схеме видим шим-контроллер, но по краям обозначены, пронумерованы выводы.
Обозначаются транзисторы. Это дроссель. Это конденсатор выходной и конденсатор входной. Входное напряжение в диапазоне от 1,5 до 19 вольт, но напряжение питание шим-контроллера должно быть от 5 вольт до 12 вольт. То есть может получиться, что потребуется отдельный источник питания для питания шим-контроллера. Вся обвязка, резисторы и конденсаторы, не пугайтесь. Это не нужно знать. Всё есть на плате, вы не собираете шим-контроллер, а используете готовый. Нужно знать только 2 резистора – они задают выходное напряжение.
Резисторный делитель. Вся его суть в том, чтобы сигнал с выхода уменьшить примерно до 1 вольта и подать на вход шим-контроллера фидбэк – обратная связь. Если вкратце, то изменяя номинал резисторов, можем регулировать выходное напряжение. В показанном случае вместо резистора фидбэк мастер поставил подстроечный резистор на 10 килоом. Этого оказалось достаточным, чтобы регулировать выходное напряжение от 1 вольта до примерно 12 вольт. К сожалению, не на всех шим-контроллерах это возможно. Например, на шим контроллерах процессоров и видеокарт, чтобы была возможность настраивать напряжение, возможность разгона, выходное напряжение сдается программно по несколькоканальной шине. Менять выходное напряжение такого шим контроллера можно разве только перемычками.
Итак, зная как выглядит шим-контроллер, элементы, которые нужны, уже можем выпиливать блок питания. Но делать это нужно аккуратно, так как вокруг шим-контроллера есть дорожки, которые могут понадобиться. Например, можно видеть – дорожка идёт от базы транзистора к шим контроллеру. Её сложно было сохранить, пришлось аккуратно выпиливать плату.
Используя тестер в режиме прозвонки и ориентируясь на схему, припаял провода. Также пользуясь тестером, нашел 6 вывод шим-контроллера и от него прозвонил резисторы обратной связи. Резистор находился рфб, его выпаял и вместо него от выхода припаял подстроечный резистор на 10 килоом, чтобы регулировать выходное напряжение, также путем про звонки выяснил, что питание шим-контроллера напрямую связано со входной линией питания. Это значит, что не получиться подавать на вход больше 12 вольт, чтобы не сжечь шим-контроллер.
Посмотрим, как блок питания выглядит в работе
Припаял штекер для входного напряжения, индикатор напряжения и выходные провода. Подключаем внешнее питание 12 вольт. Загорается индикатор. Уже был настроен на напряжение 9,2 вольта. Попробуем регулировать блок питания отверткой.
Пришло время заценить, на что способен блок питания. Взял деревянный брусок и самодельный проволочный резистор из нихромовой проволоки. Его сопротивление низкое и вместе с щупами тестера составляет 1,7 Ом. Включаем мультиметр в режим амперметра, подключаем его последовательно к резистору. Смотрите, что происходит – резистор накаляется до красна, напряжение на выходе практически не меняется, а ток составляет около 4 ампер.
Раньше мастер уже делал похожие блоки питания. Один вырезан своими руками из платы ноутбука.
Это так называемое дежурное напряжение. Два источника на 3,3 вольта и 5 вольт. Сделал ему на 3d принтере корпус. Также можете посмотреть статью, где делал похожий регулируемый блок питания, тоже вырезал из платы ноутбука (https://electro-repair.livejournal.com/3645.html). Это тоже шим контроллер питания оперативной памяти.
Как сделать регулирующий БП из обычного, от принтера
Пойдет речь о блоке питания принтера canon, струйный. Они много у кого остаются без дела. Это по сути отдельное устройство, в принтере держится на защелке.
Его характеристики: 24 вольта, 0,7 ампера.
Понадобился блок питания для самодельной дрели. Он как раз подходит по мощности. Но есть один нюанс – если его так подключить, на выходе получим всего лишь 7 вольт. Тройной выход, разъёмчик и получим всего лишь 7 вольт. Как получить 24 вольта?
Как получить 24 вольта, не разбирая блок?
Ну самый простой – замкнуть плюс со средним выходом и получим 24 вольта.
Попробуем сделать. Подключаем блок питания в сеть 220. Берем прибор и пытаемся измерить. Подсоединим и видим на выходе 7 вольт.
У него центральный разъем не задействован. Если возьмем и подсоединим к двум одновременно, напряжение видим 24 вольта. Это самый простой способ сделать так, чтобы данный блок питания не разбирая, выдавал 24 вольта.
Необходим самодельный регулятор, чтобы в некоторых пределах можно было регулировать напряжение. От 10 вольт до максимума. Это сделать легко. Что для этого нужно? Для начала вскрыть сам блок питания. Он обычно проклеен. Как вскрыть его, чтобы не повредить корпус. Не надо ничего колупать, поддевать. Берем деревяшку помассивнее либо есть киянка резиновая. Кладем на твердую поверхность и по шву лупим. Клей отходит. Потом по всем сторонам простучали хорошенько. Чудесным образом клей отходит и все раскрывается. Внутри видим блок питания.
Достанем плату. Такие бп легко переделать на нужное напряжение и можно сделать также регулируемый. С обратной стороны, если перевернем, есть регулируемый стабилитрон tl431. С другой стороны увидим средний контакт идет на базу транзистора q51.
Если подаем напряжение, то данный транзистор открывается и на резистивном делителе появляется 2,5 вольта, которые нужно для работы стабилитрона. И на выходе появляется 24 вольта. Это самый простой вариант. Как его завести можно еще – это выбросить транзистор q51 и поставить перемычку вместо резистора r 57 и всё. Когда будем включать, всегда на выходе непрерывно 24 вольта.
Как сделать регулировку?
Можно изменить напряжение, сделать с него 12 вольт. Но в частности мастеру, это не нужно. Нужно сделать регулируемый. Как сделать? Данный транзистор выбрасываем и вместо резистор 57 на 38 килоома поставим регулируемый. Есть старый советский на 3,3 килоома. Можно поставить от 4,7 до 10, что есть. От данного резистора зависить только минимальное напряжение, до которого он сможет опускать его. 3,3 -сильно низко и не нужно. Двигатели планируется поставить на 24 вольта. И как раз от 10 вольт до 24 – нормально. Кому нужно другое напряжение, можно большого сопротивления подстроечный резистор.
Приступим, будем выпаивать. Берём паяльник, фен. Выпаял транзистор и резистор.
Подпаял переменный резистор и попробуем включить. Подал 220 вольт, видим 7 вольт на нашем приборе и начинаем вращать переменный резистор. Напряжение поднялось до 24 вольт и плавно-плавно вращаем, оно падает – 17-15-14 то есть снижается до 7 вольт. В частности установлено на 3,3 ком. И наша переделка оказалась вполне успешной. То есть для целей от 7 до 24 вольт вполне приемлемая регулировка напряжения.
Такой вариант получился. Поставил переменный резистор. Ручку и получился регулируемый блок питания – вполне удобный.
Видео канала “Технарь”.
Такие блоки питания найти в Китае просто. Наткнулся на интересный магазин, который продает б/у блоки питания от разных принтеров, ноутбуков и нетбуков. Они разбирают и продают сами платы, полностью исправные на разные напряжения и токи. Самый большой плюс – это то, что они разбирают фирменную аппаратуру и все блоки питания качественные, с хорошими деталями, во всех есть фильтры.
Фотографии – разные блоки питания, стоят копейки, практически халява.
Простой блок с регулировкой
Простой вариант самодельного устройства для питания приборов с регулировкой. Схема популярная, она распространена в Интернете и показала свою эффективность. Но есть и ограничения, которые показаны на ролике вместе со всеми инструкциями по изготовлению регулированного блока питания.
Самодельный регулированный блок на одном транзисторе
Какой можно сделать самому самый простой регулированный блок питания? Это получится сделать на микросхеме lm317. Она уже сама с собой представляет почти блок питания. На ней можно изготовить как регулируемый по напряжению блок питания, так и потоку. В этом видео уроке показано устройство с регулировкой напряжения. Мастер нашёл несложную схему. Входное напряжение максимальное 40 вольт. Выходное от 1,2 до 37 вольта. Максимальный выходной ток 1,5 ампер.
Без теплоотвода, без радиатора максимальная мощность может быть всего 1 ватт. А с радиатором 10 ватт. Список радиодеталей.
Приступаем к сборке
Подключим на выход устройства электронную нагрузку. Посмотрим, насколько хорошо держит ток. Выставляем на минимум. 7,7 вольта, 30 миллиампер.

Видео Radioblogful. Видеоблог паяльщика.
Все мастера, занимающиеся ремонтом электронной аппаратуры, знают о важности наличия лабораторного блока питания, с помощью которого можно получать различные значения напряжения и тока для использования при зарядке устройств, питании, тестировании схем и т. д. В продаже имеется много разновидностей таких аппаратов, но опытным радиолюбителям вполне по силам изготовить лабораторный блок питания своими руками. Использовать для этого можно бывшие в употреблении детали и корпуса, дополнив их новыми элементами.
Простое устройство
Самый простой блок питания состоит всего из нескольких элементов. Начинающим радиолюбителям будет несложно разработать и собрать эти легкие схемы. Главный принцип – создать выпрямительную схему для получения постоянного тока. При этом уровень напряжения на выходе меняться не будет, он зависит от коэффициента трансформации.
Основные компоненты для схемы простого блока питания:
- Понижающий трансформатор;
- Выпрямительные диоды. Можно включить их по схеме моста и получить полноволновое выпрямление либо использовать полуволновое устройство с одним диодом;
- Конденсатор для сглаживания пульсаций. Выбирается электролитический тип емкостью 470-1000 мкФ;
- Проводники для монтажа схемы. Их поперечное сечение определяется величиной нагрузочного тока.
Для конструирования 12-вольтового БП нужен трансформатор, который понижал бы напряжение с 220 до 16 В, так как после выпрямителя напряжение немного уменьшается. Такие трансформаторы можно найти в бывших в употреблении компьютерных блоках питания или приобрести новые. Можно встретить рекомендации о самостоятельной перемотке трансформаторов, но на первых порах лучше обойтись без этого.
Диоды подойдут кремниевые. Для устройств небольших по мощности есть в продаже уже готовые мосты. Важно их правильно подсоединить.
Это основная часть схемы, пока еще не совсем готовая к использованию. Надо поставить дополнительно после диодного моста стабилитрон для получения лучшего выходного сигнала.
Получившееся устройство является обычным блоком питания без дополнительных функций и способно поддерживать небольшие нагрузочные токи, до 1 А. При этом возрастание тока может повредить компоненты схемы.
Чтобы получить мощный блок питания, достаточно в этой же конструкции установить один или более усилительных каскадов на транзисторных элементах TIP2955.
Важно!
Для обеспечения температурного режима схемы на мощных транзисторах необходимо предусмотреть охлаждение: радиаторное или вентиляционное.
Регулируемый блок питания
Блоки питания с регулировкой по напряжению помогут решать более сложные задачи. Имеющиеся в продаже устройства различаются по параметрам регулирования, показателям мощности и др. и подбираются с учетом планируемого использования.
Простой регулируемый блок питания собирается по примерной схеме, представленной на рисунке.
Первая часть схемы с трансформатором, диодным мостом и сглаживающим конденсатором похожа на схему обычного БП без регулирования. В качестве трансформатора также можно использовать аппарат из старого блока питания, главное, чтобы он соответствовал выбранным параметрам по напряжению. Этот показатель для вторичной обмотки ограничивает регулирующий предел.
Как работает схема:
- Выпрямленное напряжение выходит к стабилитрону, который определяет максимальную величину U (можно взять на 15 В). Ограниченные параметры этих деталей по току требуют установки в схему транзисторного усилительного каскада;
- Резистор R2 является переменным. Меняя его сопротивление, можно получить разные величины выходного напряжения;
- Если регулировать также ток, то второй резистор устанавливается после транзисторного каскада. В данной схеме его нет.
Если требуется другой диапазон регулирования, надо установить трансформатор с соответствующими характеристиками, что потребует также включения другого стабилитрона и т. д. Для транзистора необходимо радиаторное охлаждение.
Измерительные приборы для простейшего регулируемого блока питания подойдут любые: аналоговые и цифровые.
Соорудив регулируемый блок питания своими руками, можно применять его для устройств, рассчитанных на различные значения рабочего и зарядного напряжения.
Двухполярный блок питания
Устройство двуполярного блока питания более сложное. Заниматься его конструированием могут опытные электронщики. В отличие от однополярных, такие БП на выходе обеспечивают напряжение со знаком «плюс» и «минус», что необходимо при питании усилителей.
Хотя изображенная на рисунке схема является простой, ее исполнение потребует определенных навыков и знаний:
- Потребуется трансформатор со вторичной обмоткой, разделенной на две половины;
- Одними из главных элементов служат интегральные транзисторные стабилизаторы: КР142ЕН12А – для прямого напряжения; КР142ЕН18А – для обратного;
- Для выпрямления напряжения используется диодный мост, можно его собрать на отдельных элементах или применить готовую сборку;
- Резисторы с переменным сопротивлением участвуют в регулировании напряжения;
- Для транзисторных элементов обязательно монтировать радиаторы охлаждения.
Двухполярный лабораторный блок питания потребует установки также контролирующих приборов. Сборка корпуса производится в зависимости от габаритов устройства.
Защита блока питания
Самый простой метод защиты БП – установка предохранителей с плавкими вставками. Есть предохранители с самостоятельным восстановлением, не требующие замены после перегорания (их ресурс ограничен). Но они не обеспечивают полноценной гарантии. Зачастую происходит повреждение транзистора до перегорания предохранителя. Радиолюбители разработали различные схемы с применением тиристоров и симисторов. Варианты можно найти в сети.
Для изготовления кожуха устройства каждый мастер использует доступные ему способы. При достаточном везении можно найти готовое вместилище для прибора, но все равно придется менять конструкцию фронтальной стенки, чтобы поместить туда контролирующие приборы и регулирующие ручки.
Некоторые идеи для изготовления:
- Измерить габариты всех компонентов и вырезать стенки из алюминиевых листов. На фронтальной поверхности нанести разметку и проделать необходимые отверстия;
- Скрепить конструкцию уголком;
- Нижнее основание БП с мощными трансформаторами должно быть усилено;
- Для внешней обработки прогрунтовать поверхность, покрасить и закрепить лаком;
- Схемные компоненты надежно изолируются от внешних стенок во избежание появления напряжения на корпусе при пробое. Для этого возможно проклеить стенки изнутри изолирующим материалом: толстым картоном, пластиком и т. д.
Многие устройства, особенно большой мощности, требуют установки охлаждающего вентилятора. Его можно сделать с функционированием в постоянном режиме либо изготовить схему автоматического включения и выключения по достижении заданных параметров.
Схема реализуется установкой термодатчика и микросхемы, обеспечивающей управление. Чтобы охлаждение было эффективным, необходим свободный доступ воздуха. Значит, задняя панель, около которой монтируют кулер и радиаторы, должна иметь отверстия.
Важно!
Во время сборки и ремонта электротехнических устройств надо помнить об опасности поражения электрическим током. Конденсаторы, находившиеся под напряжением, разряжать обязательно.
Собрать качественный и надежный лабораторный блок питания своими руками возможно, если использовать исправные компоненты, четко просчитывать их параметры, пользоваться проверенными схемами и необходимыми приборами.
Видео
Для радиолюбителей, да и вообще современного человека, незаменимой вещью в доме является блок питания (БП), ведь он имеет очень полезную функцию — регулирование напряжения и тока.
При этом мало кто знает, что сделать такой прибор при должном старании и знаниях радиоэлектроники вполне реально своими руками. Любому радиолюбителю, которому нравится возиться дома с электроникой, самодельные лабораторные блоки питания позволят заниматься своим хобби без ограничений. Как раз о том, как своими руками сделать регулируемый тип блок питания расскажет наша статья.
Что нужно знать
Блок питания с регулировкой тока и напряжения в современном доме – необходима вещь. Этот прибор, благодаря своему специальному устройству, может преобразовать напряжение и ток, имеющееся в сети до того уровня, который может потреблять конкретный электронный прибор.
Вот примерная схема работы, по которой можно своими руками сделать подобный прибор.
Но готовые БП стоят достаточно дорого, для того чтобы покупать их под конкретные нужды. Поэтому сегодня очень часто преобразователи для напряжения и тока изготавливаются своими руками.
Обратите внимание! Самодельные лабораторные блоки питания могут иметь различные габариты, показатели мощности и прочие характеристики. Все зависит от того, какой именно преобразователь вам нужен и для каких целей.
Профессионалы могут легко сделать мощный блок питания, в то время как новичкам и любителям подойдет для начала простой тип прибора. При этом схема, в зависимости от сложности, может использоваться самая разная.
Что нужно учитывать
Регулируемый блок питания представляет собой универсальный преобразователь, который может использоваться для подключения любой бытовой или вычислительной аппаратуры. Без него ни один домашний прибор не сможет функционировать нормально.
Такой БП состоит из следующих составных частей:
- трансформатор;
- преобразователь;
- индикатор (вольтметр и амперметр).
- транзисторы и прочие детали, необходимые для создания качественной электрической сети.
Схема, приведенная выше, отражает все компоненты прибора.
Кроме этого, данный тип блока питания должен обладать защитой на сильный и слабый ток. В противном случае любая внештатная ситуация может привести к тому, что преобразователь и подключенный к нему электрический прибор просто перегорит.
К этому результату также может привести неправильная спайка компонентов платы, неправильное подключение или монтаж.
Если вы новичок, то для того чтобы сделать регулируемый тип блока питания своими руками лучше выбирать простой вариант сборки. Одним из простых видов преобразователя является 0-15В БП. Он имеет защиту от превышения показателя тока в подключенной нагрузке. Схема для его сборки размещена ниже.
Простая схема сборки
Это, так сказать, универсальный тип сборки. Схема здесь доступна для понимания любому человеку, который хотя бы раз держал в руках паяльник. К преимуществам этой схемы можно отнести следующие моменты:
- она состоит из простых и доступных деталей, которые можно отыскать либо на радиорынке, либо в специализированных магазинах радиоэлектроники;
- простой тип сборки и дальнейшей настройки;
- здесь нижний предел для напряжения составляет 0,05 вольт;
- двухдиапазонная защита для показателя тока (на 0,05 и 1А);
- обширный диапазон для выходных напряжений;
- высокая стабильность в функционировании преобразователя.
Диодный мост
В этой ситуации с помощью трансформатора напряжение будет обеспечиваться в диапазоне на 3В больше, чем имеется максимальное требуемое напряжение для выхода. Из этого следует, что блок питания, способный регулировать напряжение в пределах до 20В, нуждается в трансформаторе минимум на 23 В.
Обратите внимание! Диодный мост следует выбирать, исходя из показателя максимального тока, который будет ограничиваться имеющейся защитой.
Конденсатор для фильтра 4700мкф позволит чувствительной к помехам по питанию техники не давать фон. Для этого потребуется компенсационный стабилизатор, имеющий коэффициент подавления для пульсаций более 1000.
Теперь, когда с основными аспектами сборки мы разобрались, необходимо обратить внимание на требования.
Требования к прибору
Чтобы создать простой, но одновременно качественный и мощный блок питания с возможностью регулировать напряжение и ток своими руками, необходимо знать, какие требования существуют к такому типу преобразователей.
Эти технические требования выглядят так:
- регулируемый стабилизированный выход на 3–24 В. При этом нагрузка по току должна составлять минимум 2 А;
- нерегулируемый выход на 12/24 В. При этом предполагается большая нагрузка по току.
Чтобы выполнить первое требование, следует использовать в работе интегральный стабилизатор. Во втором случае выход необходимо сделать уже после диодного моста, так сказать, в обход стабилизатора.
Приступаем к сборке
Трансформатор ТС-150–1
После того как вы определились с требованиями, которым должен отвечать ваш постой блок питания регулируемого типа, а также была выбрана подходящая схема, можно начинать саму сборку. Но прежде всего запасемся нужными нам деталями.
Для сборки вам понадобятся:
- мощный трансформатор. Например, ТС-150–1. Он способен выдавать напряжение в 12 и 24 В;
- конденсатор. Можно использовать модель на 10000 мкФ 50 В;
- микросхема для стабилизатора;
- обвязки;
- детали схемы (в нашем случае — схема, которая указана выше).
После этого по схеме собираем своими руками регулируемый блок питания в точном соответствии со всеми рекомендациями.
Последовательность действий должна быть соблюдена.
Готовый БП
Для сборки БП используются следующие детали:
- германиевые транзисторы (в большинстве своем). Если вы захотите заменить их на более современные кремневые элементы, тогда нижний МП37 обязательно должен остаться германиевым. Здесь используются МП36, МП37, МП38 транзисторы;
- на транзисторе собирается токоограничительный узел. Он обеспечивает отслеживание падения на резисторе напряжения.
- стабилитрон Д814. Он определяет регулировку максимального выходного напряжения. На себя он забирает половину от выходного напряжения;
Обратите внимание! Поскольку стабилитрон Д814 отбирает ровно половину напряжения на выходе, то его следует выбирать для создания 0-25В выходного напряжения примерно на 13 В.
- нижний предел в собранном блоке питания имеет показатель напряжения всего 0,05 В. Такой показатель редкость для более сложных схем сборки преобразователя;
- стрелочные индикаторы отображают показатели тока и напряжения.
Детали для сборки
Для размещения всех деталей необходимо выбрать стальной корпус. Он сможет экранировать трансформатор и плату блока питания. В результате вы избежите ситуации появления различного рода помех для чувствительной аппаратуры.
Получившийся преобразователь можно спокойно использовать для питания любой бытовой аппаратуры, а также экспериментов и проверок, проводимых в домашней лаборатории. Также такой прибор можно применять для оценки работоспособности автомобильного генератора.
Заключение
Используя простые схемы для сборки регулируемого типа блока питания, вы сможете набить руку и в дальнейшем делать своими руками более сложные модели. Не стоит брать на себя непосильный труд, так как в конечном итоге вы можете не получить желаемый результат, а самодельный преобразователь будет работать неэффективно, что негативным образом может сказаться как на самом приборе, так и на функциональности электроаппаратуры, подключенной к нему.
Если же все сделать правильно, то на выходе вы получите отличный блок питания с регулировкой напряжения для своей домашней лаборатории или других бытовых ситуаций.

В частные дома и квартиры подается однофазное переменное напряжение 220 В. Оно идеально подходит для работы электрических лампочек накаливания, освещающих жилище. Однако для бытовой техники необходимо питание от постоянного тока и с гораздо меньшим напряжением.
Общие понятия о сети
Всем известно, чтобы заработал телевизор или компьютер необходимо его подключить к электрической розетке. Однако не все знают, что блоки и узлы телевизора
не могут включаться напрямую от электросети 220В.
И этому есть две причины:
- В розетке переменный ток, а компонентам телевизора необходим постоянный;
- Различные узлы и схемы телевизора для своей работы используют напряжения различной величины. А для этого понадобится несколько линий с различным показателями.
К примеру, для работы радиоприемника необходимо постоянное напряжение 9В. А для компьютера 5В и 12 В.
Для того чтобы получить напряжение необходимой величины существуют блоки питания, которые расположены в корпусе бытовой техники.
Что такое блок питания?
Блоком питания называется электронное устройство
, преобразующее переменное напряжение в постоянное. Оно обеспечивает отдельные компоненты, током и напряжением необходимого номинала.
Блок питания – это источник электроэнергии для всех компонентов прибора.
Можно ли обойтись без блока питания? Можно, но не всегда.
Вместо БП можно использовать аккумуляторы или батарейки
.
Такой принцип приемлемый в ноутбуках, приемниках или плеерах, где потребляемая мощность не слишком велика.
Для стационарного компьютера или телевизора такое включение нецелесообразно.

- Трансформаторные;
- Импульсные.
Каждый из этих блоков идеально подходит для тех или иных электронных приборов, согласно заданным техническим характеристикам.
Выделить лучший или худший тип невозможно. Они имеют свои преимущества и недостатки и успешно решают поставленную перед ними задачу.
Трансформаторный БП состоит из понижающего трансформатора с первичной обмоткой под сетевое напряжение. И вторичной обмоткой из расчета необходимого напряжения и тока.
Преобразование переменного напряжения
в постоянное осуществляется с помощью выпрямителя. Затем пульсирующее напряжение сглаживается с помощью конденсаторов большой емкости. В схему трансформаторного блока могут входить фильтры от высокочастотных помех, защита от короткого замыкания, стабилизаторы тока и напряжения.
Трансформаторные блоки питания отличаются простотой конструкции, высокой надежностью, доступностью элементной базы и низким уровнем собственных помех. Собираются по простым схемам.
Однако такие БП имеют большой вес и габариты, низкий коэффициент полезного действия.
Импульсные блоки питания основаны на принципе первоначального выпрямления входящего напряжения, с последующим преобразованием в импульсы повышенной частоты.
В импульсных блоках
с гальванической развязкой, питание сети подается на трансформатор (с гораздо меньшими размерами, чем в трансформаторном БП).
Если гальваническая развязка от питающей сети не нужна, то импульсы сразу подаются на низкочастотный выходной фильтр.
Благодаря использованию отрицательной обратной связи, импульсные блоки питания выдают стабильные характеристики независимо от колебаний входящего напряжения и величины нагрузки.
Импульсные БП имеют сравнительно небольшие габариты и вес. Они охватывают широкий диапазон входящего напряжения и частоты, отличаются высоким показателем коэффициента полезного действия.
К недостаткам следует отнести высокочастотный уровень помех, вызванный принципом работы импульсных блоков питания.
Как правило, блоки питания уже встроены в аппаратуру
, и нет необходимости в этом что-то менять. Однако в отдельных случаях возникает необходимость иметь обособленный блок питания на определенное напряжение.
Например: радиоприемник рассчитан на работу от батареек и не имеет встроенного регулирующего устройства. Резонно использовать отдельно стоящий БП. Это избавит от хлопот, связанных с частой заменой элементов питания.
В случае когда радиолюбитель занимается изготовлением или ремонтом радиоэлектронных устройств, ему приходится работать с аппаратурой, использующей различные напряжения питания. Тогда полезным будет блок питания с регулируемым выходным напряжением.
Конечно, такое устройство можно приобрести в магазине электроники
. Однако творческому человеку куда приятнее изготовить такой прибор своими руками. Тем более что в продаже может не оказаться блока питания с необходимыми мастеру характеристиками.
В радиожурналах и на просторах интернета можно найти огромное количество всевозможных схем регулируемых блоков питания.
Но в радиолюбительской практике вполне достаточно иметь простой регулируемый БП от 0 до 12В. Такой прибор под силу изготовить своими руками как опытному, так и начинающему радиолюбителю.
Преимущества блока питания
Схема простого, но надежного блока питания с плавной регулировкой состоит из двух частей:
- Основная часть (сам блок питания);
- Транзисторная схема регулятора выходного напряжения.
В основную часть входит:
- Понижающий трансформатор мощностью до 30Вт. Необходим трансформатор с первичной обмоткой, рассчитанной на переменный ток 220В и вторичной обмоткой с выходным напряжением 15В и током 2-3 ампера;
- Выпрямитель, собранный на четырех диодах КД202 (или аналогичных) для преобразования постоянного напряжения из переменного;
- Электролитический конденсатор емкостью не менее 1000 микрофарад. Благодаря своей способности накапливать и отдавать напряжение он выполняет функцию сглаживающего фильтра. Чем выше номинал конденсатора, тем меньше скачки напряжения.
В транзисторную схему входит:
- Параметрический стабилизатор, состоящий из резистора и стабилитрона. На стабилитроне образуется постоянная величина с малым коэффициентом отклонения;
- Переменный резистор, осуществляющий плавное изменение выходного напряжения;
- Эмиттерный повторитель, состоящий из двух транзисторов работающих в режиме усиления тока.
При правильном монтаже, устройство начинает работать сразу, без каких-либо настроек в схеме.
Проверяем в работе
Подключаем вольтметр к выходу БП. Поворачиваем регулятор напряжения на минимум. Показания вольтметра должны равняться нулю. Плавно переводим регулятор в правое положение. Показания вольтметра должны плавно увеличиваться вплоть до максимума +12В.
Параллельно вольтметру включаем нагрузку в пол-ампера
. Просадка выходного напряжения должна быть минимальной.
При всей простоте конструкции, БП выдает неплохие характеристики и параметры.
Небольшие доработки своими руками позволят улучшить конструкцию. К примеру, можно установить узел защиты от перегрузок, или установить внутренний вольтметр.
Всем давно известно, что без нормального регулируемого блока питания не возможно запустить ни один девайс сделанный своими руками. Ведь блок питания это основа радиолюбительской лаборатории, поэтому в этой статье я расскажу, как сделать простой регулируемый блок питания из доступных деталей всего на двух транзисторах. На этом рисунке изображена простая для изготовления схема регулируемого блока питания.
Эта схема очень неприхотлива в радиодеталях по этому, собрать её может каждый начинающий радиолюбитель практически из того, что имеется под рукой. Диодный мост Br1 пойдет практически любой с силой тока не менее 3А. Если нет диодного моста, замените его подходящими диодами. Конденсатор С1 можно заменить любым от 1000 мкФ до 10 000 мкФ. Переменный резистор Р1 от 5 до 10 кОм. Транзистор Т1 КТ815, BD137, BD139 транзистор Т2 КТ805, КТ819, TIP41, MJE13009 и многие другие советские и импортные аналоги, подбираются согласно требуемой нагрузке и мощности источника питания.
Диод D1 с силой тока не менее 3А, можно вообще заменить перемычкой, он защищает конденсатор C2 от переполюсовки при подключении к блоку питания аккумулятора. Источником питания для этой схемы может служить любой трансформатор от 12 до 30 вольт. Для своего блока питания я использовал тороидальный трансформатор от музыкального центра с двумя последовательно соединенными обмотками по 13,5В и силой тока 3,5А. После выпрямления напряжения на выходе получилось 30 вольт.
Все детали блока питания я, как всегда разместил на печатной плате размером 6,5 на 4,5 см. При установке транзисторов обратите внимание на цоколевку. Например у транзистора КТ819 ножки располагаются так ECB, а у транзистора MJE13009 так BCE, по этому транзисторы лучше всего соединить с платой небольшими кусочками провода и тогда у вас не возникнет проблем с правильной установкой транзисторов на радиаторе.
Два транзистора установите на одном радиаторе без изоляционных прокладок потому, что коллекторы транзисторов на схеме соединяются вместе. Не забудьте места крепления транзисторов смазать термопастой. Диодную сборку желательно закрепить на небольшом радиаторе, она тоже не слабо нагревается. Для контроля выходных характеристик желательно установить универсальный китайский измерительный прибор (УКИП) обозначенный на схеме V/A1.
Все компоненты блока питания я разместил в стандартном корпусе от компьютерного блока питания. Только из за большого размера тороидального трансформатора от музыкального центра вентилятор пришлось разместить снаружи, но это на технические характеристики блока питания особо не влияет.
Благодаря мощному 3,5 амперному тороидальному трансформатору этот универсальный регулируемый блок питания я использую для питания различных самоделок и в качестве зарядного устройства для небольших аккумуляторов.
Друзья, желаю вам удачи и хорошего настроения! До встречи в новых статьях!


















































































































