Технический прогресс идет вперед семимильными шагами, сейчас даже дошкольники имеют мобильный и умеют выходить в интернет, а видя человека, разговаривающего на улице самого с собой, никто не покрутит пальцем у виска – уже все знакомы с гарнитурой-Bluetooth, относящейся к беспроводным технологиям. Работает такой передатчик с использованием закодированных сигналов, что, помимо удобства, позволяет защитить личные данные. Беспроводной модуль позволяет наладить связь среди нескольких устройств.
Применение Bluetooth
Это приспособление встраивают сейчас практически во все сотовые телефоны, многие модели ноутбуков. Это позволяет значительно расширить их коммуникативные способности:
- Можно обмениваться различными файлами (фотографиями, видео, музыкой) между телефонами, телефоном и ноутбуком, коммуникатором, камерой.
- Модуль позволяет подключать к телефонам или персональным компьютерам какие-либо периферийные устройства (беспроводную гарнитуру, наушники, колонки, видеокамеры и прочие гаджеты).
- Разговаривать по телефону, не держа его руками.
- Можно создать беспроводную сеть между несколькими своими ПК и другими устройствами дома или в небольшом офисе, что позволить иметь постоянный доступ к необходимым файлам с любого устройства.
- Bluetooth-адаптер дает возможность выходить в интернет, синхронизировав ПК с мобильным.
То есть беспроводные устройства необходимы не только для использования гарнитуры «свободные руки», но и облегчают коммуникацию между компьютером и гаджетами.
Как сделать внутренний bluetooth модуль для ноутбука?
Для активного человека может быть неудобным пользоваться внешним bluetooth-адаптером. Некоторые умельцы предлагают модифицировать его своими руками во внутренний, перепаяв устройство на USB-разъем. Этот вариант подойдет только тем, кто тесно дружит с паяльником и имеет опыт по сборке-разборке ноутбуков.
Работа по усовершенствованию гаджета своими руками ведется в несколько этапов:
Если все сделано со знанием дела, то устройство должно заработать.
Можно ли сделать беспроводной модуль самостоятельно?
Иногда звучит вопрос: можно ли сделать передатчик своими руками? Этот вариант воплотить в жизнь достаточно сложно. Микросхему своими руками в домашних условиях не собрать, так как она очень миниатюрна, требует очень тонкой работы, а подборку диапазона частоты проводят с помощью интегральных решений, протокол же годами разрабатывался специалистами.
Поэтому радиолюбителям остается лишь, воспользовавшись готовыми bluetooth-передатчиками, модифицировать их по своему усмотрению, добавляя своими руками в готовую схему необходимые элементы. Некоторые предлагают усовершенствовать модулем музыкальную колонку или сделать беспроводные динамики, а также добавить передатчик в аудиосистему автомобиля, чтобы избежать нагромождения проводов и загружать любимую музыку прямо из интернета.
Видео ниже подробно показывает как это сделать.Но любом случае такая работа руками требует хороших знаний и навыков в радиотехнике, иначе из одного работающего bluetooth-модуля и дополнительных элементов можно получить набор разрозненных радиодеталей.
Данный проект осуществляется за пару часов, если вы уже имели дело с ремонтом электроники, и за один вечер, если беретесь за дело в первый раз. Его цель – колонка блютуз своими руками и за минимальные средства из любых старых динамиков. В качестве бонуса я расскажу о том, как сделать блютуз колонку своими руками из обычного смартфона.
Инструменты и материалы
Переделка потребует минимального набора инструментов
:
- дрель;
- отвертка крестовая;
- ножницы или кусачки;
- тонкий паяльник на 30-40 ватт;
Необходимые материалы
для устройства блютуз колонки, помимо динамиков:
- литий-ионная батарея 3,7 В;
- модуль блютуз BLK-MD-SPK-B (стоит 10 долларов на али);
- Разъем 3,5 мм;
- Штекер 3,5 мм;
- Провода, в идеале — 4 разных цветов;
- Выключатель.
Дополнительно понадобится
изолента, припой, флюс для пайки и термоклей (хороший суперклей тоже подойдет).
1. Создание корпуса
Приготовление к созданию самодельной блютуз колонки начинается с разбора корпуса или создания нового. Некоторые умудряются изготовить очень даже красивые подиумы для динамиков из фанеры, пвх-труб и даже футляров от очков.
2. Выключатель и разъем питания
Просверлите в корпусе отверстие для имеющейся у вас кнопки включения, если она не предусмотрена конструкцией. Вклейте его надежным клеем и проделайте тоже самое с разъемом на 3,5 мм. Пластик сверлите на низких оборотах, чтобы не перегреть его и не расплавить.
3. Подсоединение к блютуз-модулю
К отрицательному выводу одного динамика припаяйте два провода, еще один – к положительному. Один отрицательный провод у нас пойдет на второй динамик, а остальные – на блютуз-модуль.
4. Подключение беспроводного модуля
На приведенном изображении показана микросхема для сборки блютуз колонки своими руками с помощью BLK-MD-SPK-В. Контакты с 3
по 5
будут использованы под вывод звука, 13
и 12
– для питания.
3
— Общий провод динамиков.
4
— Положительный провод левого.
5
— Положительный провод правого.
12
— Питание (+).
13
— Питание (-).
Контакты у модуля, который применял я, очень небольшие, поэтому приходилось паять очень осторожно, дабы их не повредить. Пропаянную плату можно крепить внутри конструкции.
5. Подключение аккумулятора
Очередным этапом крепим 3 провода к аккумуляторной батарее: плюсовой контакт, минусовой и еще один провод для контроля за зарядом. Все три пойдут на разъем питания 3,5 мм, а плюсовой еще и ко второму контакту на кнопке включения.
Важно!
Для зарядки подходит постоянно напряжение 3,5-4 В и ток заряда не меньше 500 мА. Можно использовать любое подходящее по параметром зарядное устройство от старого мобильника.
6. Проверка работоспособности
Как только сборка завершена, настало время включать bluetooth на телефоне или другом источнике и запускать поиск беспроводной техники поблизости. Если при соединении с новеньким гаджетом запросят пароль, используйте стандартные четыре нуля.
Вот и всё, сделана достаточно мощная блютуз колонка своими руками, далее начинается новая жизнь без проводов.
Внешний динамик из смартфона
Как сделать блютуз колонку из обычной я рассказал. Но воспроизводить звук можно и через любой смартфон. Например, если у вас в самый неподходящий момент сломалась аудиосистема ноутбука. Для этого не нужен ни паяльник, ни провода, ни приобретение микросхем в Китае. Достаточно специального приложения для Android или iOS. Таких программ на сегодняшний день очень много, вы можете выбрать любую по своему вкусу. Для примера я расскажу о w.
Это приложение условно-бесплатно. То есть им вполне можно пользоваться и никому не платить, но в этом случае каждые 45 минут сигнал будет прерываться не очень приятным звуком и блоком с рекламой. 3$ за полную версию снимут лимит и подарят бонусом хорошее сжатие, а также возможность нескольких соединений одновременно.
Итак, как из телефона сделать блютуз колонку самому своими руками?
- Скачиваем SoundWire
Если какой-то из шагов остался непонятен, все этапы сборки блютуз колонки своими руками на видео легко найти в интернете или ниже.
Технический прогресс идет вперед семимильными шагами, сейчас даже дошкольники имеют мобильный и умеют выходить в интернет, а видя человека, разговаривающего на улице самого с собой, никто не покрутит пальцем у виска – уже все знакомы с гарнитурой-Bluetooth, относящейся к беспроводным технологиям. Работает такой передатчик с использованием закодированных сигналов, что, помимо удобства, позволяет защитить личные данные. Беспроводной модуль позволяет наладить связь среди нескольких устройств.
Применение Bluetooth
Это приспособление встраивают сейчас практически во все сотовые телефоны, многие модели ноутбуков. Это позволяет значительно расширить их коммуникативные способности:
- Можно обмениваться различными файлами (фотографиями, видео, музыкой) между телефонами, телефоном и ноутбуком, коммуникатором, камерой.
- Модуль позволяет подключать к телефонам или персональным компьютерам какие-либо периферийные устройства (беспроводную гарнитуру, наушники, колонки, видеокамеры и прочие гаджеты).
- Разговаривать по телефону, не держа его руками.
- Можно создать беспроводную сеть между несколькими своими ПК и другими устройствами дома или в небольшом офисе, что позволить иметь постоянный доступ к необходимым файлам с любого устройства.
- Bluetooth-адаптер дает возможность выходить в интернет, синхронизировав ПК с мобильным.
То есть беспроводные устройства необходимы не только для использования гарнитуры «свободные руки», но и облегчают коммуникацию между компьютером и гаджетами.
Как сделать внутренний bluetooth модуль для ноутбука?
Для активного человека может быть неудобным пользоваться внешним bluetooth-адаптером. Некоторые умельцы предлагают модифицировать его своими руками во внутренний, перепаяв устройство на USB-разъем. Этот вариант подойдет только тем, кто тесно дружит с паяльником и имеет опыт по сборке-разборке ноутбуков.
Работа по усовершенствованию гаджета своими руками ведется в несколько этапов:
Если все сделано со знанием дела, то устройство должно заработать.
Можно ли сделать беспроводной модуль самостоятельно?
Иногда звучит вопрос: можно ли сделать передатчик своими руками? Этот вариант воплотить в жизнь достаточно сложно. Микросхему своими руками в домашних условиях не собрать, так как она очень миниатюрна, требует очень тонкой работы, а подборку диапазона частоты проводят с помощью интегральных решений, протокол же годами разрабатывался специалистами.
Поэтому радиолюбителям остается лишь, воспользовавшись готовыми bluetooth-передатчиками, модифицировать их по своему усмотрению, добавляя своими руками в готовую схему необходимые элементы. Некоторые предлагают усовершенствовать модулем музыкальную колонку или сделать беспроводные динамики, а также добавить передатчик в аудиосистему автомобиля, чтобы избежать нагромождения проводов и загружать любимую музыку прямо из интернета.
Видео
ниже подробно показывает как это сделать.Но любом случае такая работа руками требует хороших знаний и навыков в радиотехнике, иначе из одного работающего bluetooth-модуля и дополнительных элементов можно получить набор разрозненных радиодеталей.
14.02.2018
Технический прогресс идет вперед семимильными шагами, сейчас даже дошкольники имеют мобильный и умеют выходить в интернет, а видя человека, разговаривающего на улице самого с собой, никто не покрутит пальцем у виска – уже все знакомы с гарнитурой-Bluetooth, относящейся к беспроводным технологиям . Работает такой передатчик с использованием закодированных сигналов, что, помимо удобства, позволяет защитить личные данные. Беспроводной модуль позволяет наладить связь среди нескольких устройств.
Многие из самых современных моделей уже интегрированы в основном для облегчения сопряжения со смартфонами. Просто увеличьте расстояние между источником звука и громкоговорителем и идите, без необходимости поиска, входа в меню, загрузки приложений конфигурации или ввода кодов сопряжения.
Что касается профиля, то тот, который поддерживается нашим докладчиком, тот или другой будет определять из функций того же самого качества звука, который мы можем получить. Оба они должны быть совместимы с теми же профилями, чтобы использовать их. Он чаще всего используется для получения аудиоконтента в наушниках.
. Другие решения уже есть, когда некоторые бренды загружаются.
Применение Bluetooth
Это приспособление встраивают сейчас практически во все сотовые телефоны , многие модели ноутбуков. Это позволяет значительно расширить их коммуникативные способности:
- Можно обмениваться различными файлами (фотографиями, видео, музыкой) между телефонами, телефоном и ноутбуком, коммуникатором, камерой.
- Модуль позволяет подключать к телефонам или персональным компьютерам какие-либо периферийные устройства (беспроводную гарнитуру , наушники, колонки, видеокамеры и прочие гаджеты).
- Разговаривать по телефону, не держа его руками.
- Можно создать беспроводную сеть между несколькими своими ПК и другими устройствами дома или в небольшом офисе, что позволить иметь постоянный доступ к необходимым файлам с любого устройства.
- Bluetooth-адаптер дает возможность выходить в интернет, синхронизировав ПК с мобильным.
То есть беспроводные устройства необходимы не только для использования гарнитуры «свободные руки», но и облегчают коммуникацию между компьютером и гаджетами.
Если мы уже их спариваем, более прямо начать отправлять аудио, когда мы захотим, не дожидаясь. Уменьшение размера и веса динамика обычно приводит к снижению производительности за счет использования разных материалов как в корпусе, так и в драйверах. В дизайне беспроводного динамика найдутся детали, которые обычно оцениваются как ручки или возможность носить чехлы или переносить их с одной стороны на другую в рюкзак без затруднений или чрезмерных неудобств.
Технические требования к рассмотрению
Если мы намерены часто использовать оборудование на открытом воздухе, настоятельно рекомендуем иметь устойчивый профиль, чтобы он, по крайней мере, поддерживал брызги воды и пыли или песка, хотя есть модели, которые могут даже погружаться и что они продолжают работать. Там мы найдем много ключей, которые расскажут нам о бумаге.
Как сделать внутренний bluetooth модуль для ноутбука?
Для активного человека может быть неудобным пользоваться внешним bluetooth-адаптером. Некоторые умельцы предлагают модифицировать его своими руками во внутренний, перепаяв устройство на USB-разъем. Этот вариант подойдет только тем, кто тесно дружит с паяльником и имеет опыт по сборке-разборке ноутбуков.
Внутренняя батарея и громкая связь
Четыре основных из них. Сопротивление Это сопротивление, которое система выступает против прохождения тока, и оно должно быть как можно меньше, поскольку это будет хорошим признаком общего качества оборудования. Количество каналов и размер драйверов В мире динамиков, хотя количество каналов не является прямым сигналом качества, которое мы получим, они предоставляют нам больше возможностей. Обычно дело в том, что на рынке мы находим системы 0 или здесь идет размер драйверов, которые являются ключевыми, когда мы говорим, например, о сабвуфере. В небольших размерах не так много возможностей предложить хорошее воспроизведение басов, и именно там мы можем найти некоторые важные отличия. Он должен быть широким.
. Около 10 часов — это ценность, которую мы должны требовать от нашего портативного оборудования, и следует учитывать, что этот показатель автономии обычно указывается для использования динамика на 50% от его максимального объема.
Работа по усовершенствованию гаджета своими руками ведется в несколько этапов:
Если все сделано со знанием дела, то устройство должно заработать.
Можно ли сделать беспроводной модуль самостоятельно?
Иногда звучит вопрос: можно ли сделать передатчик своими руками? Этот вариант воплотить в жизнь достаточно сложно. Микросхему своими руками в домашних условиях не собрать, так как она очень миниатюрна, требует очень тонкой работы, а подборку диапазона частоты проводят с помощью интегральных решений, протокол же годами разрабатывался специалистами.
При оценке покупки динамика с внутренней батареей не забывайте время зарядки и систему, используемую каждым оборудованием. Чтобы убедиться, что приобретаемое вами оборудование является громкой, и намного лучше, если микрофоны несут какую-либо технологию для снижения окружающего шума.
С новыми стандартами беспроводной передачи было значительно улучшено в этом типе соединения между устройствами. Уже для памяти были времена, когда качество звука, передаваемого с этой системой, было очень низким. В настоящее время вы можете наслаждаться качественным звуком в огромном количестве динамиков всех видов, которые будут адаптироваться в качестве перчатки для ваших нужд.
Поэтому радиолюбителям остается лишь, воспользовавшись готовыми bluetooth-передатчиками, модифицировать их по своему усмотрению, добавляя своими руками в готовую схему необходимые элементы. Некоторые предлагают усовершенствовать модулем музыкальную колонку или сделать беспроводные динамики, а также добавить передатчик в аудиосистему автомобиля, чтобы избежать нагромождения проводов и загружать любимую музыку прямо из интернета.
Минимальные требования для беспроводного динамика любого типа
Беспроводная технология спроектирована таким образом, что источник звука может находиться на некотором расстоянии от динамика. По этой причине ряд кнопок, встроенных в тот же громкоговоритель, что и громкость, включение питания, кнопка сопряжения или управление дорожками и т.д. Придадут комплексу дополнительный комфорт, не допуская доступа к вашему смартфону, планшету или Независимо от источника звука для внесения корректировок.
Больше, чем беспроводные соединения
Наличие определенных соединений принесет вам универсальность и расширит возможности использования. Перед началом поиска вам должно быть ясно, какое использование вы дадите докладчику. Он не имеет тех же функций и спецификаций, что и динамик, предназначенный для того, чтобы оставаться неподвижным в вашем доме, один предназначен для ношения на весь день.
Видео
ниже подробно показывает как это сделать.Но любом случае такая работа руками требует хороших знаний и навыков в радиотехнике, иначе из одного работающего bluetooth-модуля и дополнительных элементов можно получить набор разрозненных радиодеталей.
Первым и самым важным является аккумулятор. Чтобы наслаждаться часами музыкальных развлечений, это будет базовая батарея, которая оправдывает ваши ожидания. Требуемый минимум составляет приблизительно 8 часов непрерывного воспроизведения, хотя некоторые могут достигать совершенно 15 часов использования.
Кроме того, важно просмотреть информацию о времени зарядки аккумулятора, как только оно будет исчерпано, поскольку некоторые устройства могут иметь чрезмерно длительное время зарядки. Еще одна важная функция, которую должен иметь динамик для вашего смартфона или планшета, состоит в том, что он легкий и компактный.
Bluetooth колонка своими руками? Да, сейчас я расскажу самый легкий способ, как из своей старой домашней акустики сделать довольно популярную в наше время Bluetooth аппаратуру.
Bluetooth колонка, как обстоят дела
С появлением у меня техники Apple я начал довольно сильно интересоваться технологиями, которые реализованы в данных устройствах, одна из таких технологий была — AirPlay. Технология позволяла потоково передавать аудио и видео на другое устройство с вашего iPhone, iPad. Данные передавались через Wi-Fi, что позволяло сохранить качество при передачи по воздуху. Но существовала одна проблема, эта проблема всех Apple устройств — цена. Такие колонки имели цену $300 и выше, что отбивало желание приобрести такое устройство, ведь размер самой колонки был довольно не велик.
В дополнение к уже упомянутым функциям, основным является знать диапазон приема громкоговорителя. Он считает, что чем дальше динамик от источника звука, тем ниже прием, и, следовательно, качество звука будет потеряно. Что-то очень полезно, так как они используют ссылку, уже созданную между вашим смартфоном и динамиком, чтобы удобно отвечать на ваши вызовы, не отключая музыку или не вынимая смартфон из кармана. Когда вы получите вызов, пауза проигрывателя на вашем смартфоне или планшете будет активирована, и громкоговоритель будет излучать звуковой сигнал.
Позже я подумал, что у меня ведь есть колонки дома, зачем мне переплачивать за новые? Мне нужен только устройство, которое будет принимать сигнал AirPlay. Поискав в интернете, я понял, что AirPlay «прикрутить» не получится, но есть возможность использовать Bluetooth и выйдет это на много дешевле. Первым делом я пошел на китайские онлайн-магазины, на которых и производил поиск. Так как часто заказывал товары с AliExpress, данное устройство было заказано именно оттуда.
Когда вы закончите разговор и закончите разговор, вы снова воспроизведете музыку в точном месте, где вы остановились перед вызовом. Это даст вам больше спокойствия, когда речь заходит о переноске вашего докладчика, так как это неизбежно, при использовании на открытом воздухе, немного попадется или ударит, подвергнется воздействию влажности паркового газона или жаре летнего дня.
Масштабируемость — очень необычная особенность среди переносных беспроводных динамиков, но это очень полезно в некоторых случаях, и вы будете рады, что ваш динамик обладает этой функцией. Это, например, позволит вам присоединиться к вашему докладчику к вашему другу и быстро создать звуковую систему 0, которая существенно улучшит качество звука, или вы сможете расширить зону покрытия, чтобы охватить больше площади.
Устройство не имеет бренда, названия и каких то других обозначений, но при подключение оно называет себя «BT310REV».
Внешний вид.
Как видно на фото ниже, устройство довольно компактное и не будет мешаться в машине. Благодаря тому, что в комплект входит переходник, вы сможете сразу вставить один конец переходника в магнитолу автомобиля, а другой конец в Bluetooth приемник. Аналогично вы можете поступить и с колонками. Вот вам и «Bluetooth колонка своими руками». Приемник выполнен из Soft-touch пластика черно матового цвета. Для данного устройства это идеальный вариант, оно не заметно, но в тот же момент не выглядит отвратно.
Идеально подходит для вечеринок или импровизированных встреч. Наслаждение звуковой системой домашнего кинотеатра не должно сопровождаться путаницей кабелей, разбросанных по всей комнате. Условия мощности эквивалентны любому типу динамиков и обусловлены использованием, которое будет передано устройству.
В общем, идеал заключается в том, что они способны воспроизводить весь спектр частот, которые человек может воспринимать. Этот диапазон составляет 20 Гц басовых частот и 000 Гц высоких частот. То есть, если динамик способен охватить весь диапазон частот, он может воспроизводить звук с большим количеством нюансов и более правдоподобным для реальности. Если этот диапазон уменьшен в нижней части, динамик не сможет предложить глубокий бас. Если вы сделаете это сверху, вы не оцените более высокие тона.
Звук.
Звук у данного приемника на 3.5 из 5. Версия Bluetooth старая, из-за этого скорость передачи ниже, чем могла быть. По сравнение с соединением по кабелю, звук тихий и присутствуют шумы, но если вы включите на дешевых колонках или простых «пищалках» в машине, но думаю разницы вы не заметите никакой.
Что касается мощности звука, это напрямую связано с размером громкоговорителей. По чисто физическим причинам, 1, 5-дюймовый динамик может не обеспечивать такое же качество и мощность звука, как и 5-дюймовый динамик. Производители знают об этих ограничениях, поэтому они разработали портативные устройства, способные интегрировать до 3-х типов динамиков или драйверов, которые воспроизводят разные диапазоны частот и все в компактном размере, которые можно носить в кармане.
Даже с ограничениями по размеру рекомендуется, чтобы выбранный громкоговоритель имел звуковое давление не менее 80 дБ. Кроме того, всегда старайтесь протестировать динамики перед их покупкой. Очень хорошие характеристики говорящего, в конце концов, действительно важно, что тип звука, который вы создаете, радует вас, и, поскольку это субъективное восприятие каждого человека, у вас будет последнее слово.
Технические характеристики устройства:
- Версия передатчика: v3+EDR, Class 2 (Support A2DP V1.2 (built in Mic).
- Питание: зарядка от USB 5V DC.
- Скорость передачи данных: 3 Mbps.
- Расстояние передачи: до 5 метров. Также ловит за бетонной стеной.
- Присутствует микрофон.
- Батарея на 220mAh. Как заявлено, хватает на 8 часов работы.
- Работает со всеми iOS и Android смартфонами.
Комплект поставки:
- Bluetooth передатчик
- 3,5 мм стерео переходник
- Micro USB шнур для зарядки
- Руководство пользователя на английском
Использование Bluetooth приемника.
- Для начала подключите приемник к колонкам.
- Нажмите единственную кнопку на нем. Продержите так 3-4 секунды, после чего в колонках вы услышите в колонках женский голос и начнет гореть синий индикатор.
- Включите Bluetooth на своем устройстве и подключитесь к приемнику. Его имя «BT310REV».
- На iPaв все подключилось без проблем, музыка играла из любого приложения системы. Также в статус-баре отображался заряд устройства.
Для отключение приемника зажмите кнопку до того момента, пока не погаснет синий индикатор.
Вы также можете использовать его для подключения к динамикам вашего компьютера и без проводов наслаждаться любимой музыкой, не заменяя их новыми. Благодаря своему размеру вы можете взять мини-дискотеку в любой уголок мира. От пляжа до кемпинга в любом горном массиве в мире.
Личное мнение по данному устройству.
Устройство однозначно нужное и очень мне понравилось. Внешний вид привлекательный. Звук хоть не идеальный, но все же лучше, чем мог быть. Не стоит думать, что сейчас я только хвалю устройство. На самом деле оно китайское, со всеми его вытекающими. Большое количество брака и как вы уже догадались, бракованный экземпляр попался и мне.
Она имеет хорошее качество звука.
. Сначала давайте посмотрим наш выбор, а затем посмотрим, какая победная лошадь. За менее чем 40 евро у вас есть этот маленький, но запугивающий динамик. Это самый компактный, меньше, чем чашка кофе, и с качеством более чем приемлемым. Это правда, что когда вы ставите его на максимум, появляются его недостатки, но по этой цене вы не можете просить больше.
Маленький динамик идеально подходит для подключения к мобильному телефону или планшету. Он соответствует корню своей ценой, но аудиовыход чрезмерно справедлив, так как он всего 6 Вт. Не много, но достаточно для комнаты или места без чрезмерного внешнего шума.
Как все было: Порядка 3 раз я подключал приемник к разным колонкам и он работал, но подключение длилось не более 5 минут, все было отлично. Я был просто рад. Но в один из вечеров я решил устроить проверку устройства и подключил его на долгое время. Играл он у меня порядка 45 минут и тут начались проблемы. Сигнал начинал прерываться все чаще и чаще, слышались икания музыки. Такое чувство, что он просто не успевал принять сигнал, принимал уже новый и предыдущий пропускал. Длилось это 2-3 минуты, в это время и пробовал остановить музыку, приемник опять пару секунд играл, но вновь начинал прерываться. Прошли те 2-3 минуты и начался ад, из колонок понеслось жуткое пищания смешанное с ультразвуком. Bluetooth приемник не перезагружался, пришлось ждать, пока батарейка сядет. После полной разрядки устройство поработало пару минут и при повторной попытке включения больше не включилось. На данный момент восстановить его не получилось.
Соединения расположены сзади и многофункциональные кнопки на одной стороне. Финиш, по-видимому, неплох, но не просите слишком много за эту цену.
Хорошо, отныне они больше слов. При более высокой цене, конечно, больше, но разницы, которые вы не можете сделать с идеей.
Он имеет встроенные два динамика 6 Вт и микрофон, чтобы использовать его в руках, хотя правда, последняя из них имеет практически весь этот список.
Тем не менее, это лучшее соотношение цены и качества, так как эта марка превышена с каждой командой, которая выводит ее на рынок. Для вас идея, что более 20 человек за раз разговаривают, не могут пощекотать это маленькое изобретение, что если с очень большим объемом бас начнет показывать свои недостатки, но мы можем попросить немного больше Спикер этих измерений.
Но не смотря на это, Bluetooth колонка своими руками готова
, приобретайте устройства данного типа и используйте!
В последнее время все чаще можно встретить людей, которые слушают музыку не в наушниках, а благодаря использованию Bluetooth колонки. Это переносное устройство представляет собой корпус, в котором вместе с динамиками размещен аккумулятор и ресивер, получающий сигнал от телефона по Bluetooth-каналу.
Портативные колонки отличаются приятным звучанием и высокой громкостью, к сожалению, их приобретение зачастую связно с существенными финансовыми расходами. Рассмотрим, как сделать блютуз колонку своими руками, сэкономив при этом приличную сумму денег.
Необходимые компоненты
Прежде чем приступать к изготовлению, необходимо убедиться, что все требуемые элементы присутствуют под рукой. К ним относится:
- Старая колонка небольшого размера либо корпус и два динамика.
- Bluetooth-ресивер, получающий сигнал от телефона и передающий звучание мелодии на динамики. Заказать этот компонент можно в Китае либо в интернет-магазине, расположенном поблизости. Обычно такие изделия стоят сравнительно недорого. В настоящее время ресивер можно приобрести за 6 долларов с учетом доставки.
- Аккумулятор от старого телефона. Чем больше емкость батареи, тем дольше будет работать колонка без необходимости подключения к зарядному устройству.
- Усилитель звука (от 0,5 доллара на Aliexpress). В текущем примере используется усилитель класса D, модель pam8403, напряжение 5В.
- Также потребуется рабочий паяльник, припой, герметик или клей.
Если все требуемые компоненты уже находятся на столе и готовы к использованию, то можно приступать к сборке устройства.
Мощная блютуз колонка своими руками
Первым этапом изготовления является знакомство со схемой Bluetooth-ресивера. Для этого требуется разобрать его корпус. Внутри находится:
- антенна;
- Bluetooth-приемник;
- память;
- контроллер зарядки;
- два светодиода, отображающие уровень заряда и процесс восполнения емкости;
- усилитель звука;
- конденсатор;
- тумблер включения-выключения питания;
- также на плате припаяны гнезда для подключения зарядного устройства (Micro-USB) и присоединения наушников или колонки посредством разъема 3,5 мм.
На обратной стороне, в зависимости от модели ресивера, может находиться небольшой аккумулятор. Его потребуется заменить на более емкий, чтобы увеличить время автономной работы колонки. Это единственная доработка, которая потребуется в отношении покупного ресивера.
Подключение емкой батареи
Замена батареи своими руками для Bluetooth колонки проводится следующим образом:
- Разогревается паяльник и его жалом выпаивается два контакта (плюс и минус) на плате. Процедура обеспечивает отключение аккумулятора с малой емкостью. Дальше его можно отклеить и убрать либо оставить в корпусе.
- На подготовленный аккумулятор напаивается два провода (если он съемный). В случае с несъемными аккумуляторами все проще — там контакты сразу идут от корпуса, поэтому паять ничего не придется.
- Соблюдая полярность, припаять провода к плате ресивера. На батарее и ресивере обозначены контакты плюсовой и минусовой полярности.
- Провести проверку проделанной работы, включив устройство. Об этом должен сообщить светодиодный индикатор.
- От динамика, отвечающего за левый канал, отходят два провода — плюс и минус. Их следует подсоединить к соответствующим контактам на плате (они маркированы отметкой «L»). Канал для динамика выбирается произвольно.
- От динамика, который выбран для воспроизведения правого канала также взять два провода и припаять на схему. Место в данном случае обозначено буквой «R».
- Выпаять разъем зарядки и переключатель.
- Сделать их выносными посредством припаивания проводов требуемой длины.
- Проделать в корпусе отверстия для установки указанных элементов.
- Выполнить монтаж при помощи эпоксидной смолы или другого прочного вещества.
Пайка контактов усилителя
Следующий крупный этап создания самодельной портативной колонки заключается в пайке всех необходимых контактов к усилителю. Разберем эту процедуру пошагово в разрезе подключаемых элементов. Итак, чтобы соединить усилитель с ресивером потребуется припаять на него три провода от штекера mini-jack. Делается это так:
На этом этапе сигнал поступает от ресивера на усилитель, однако дальше не проходит, поскольку к нему не подключены провода от двух динамиков. В верхней части платы находится пометка «Out», а рядом с ней два набора контактов (плюс и минус). Схема подключения динамиков блютуз колонки своими руками следующая:
Теперь динамики соединены с усилителем и ресивером, а значит соединение всех необходимых контактов практически завершено. Осталось только подать питание на усилитель:Если все функционирует исправно, выполняется сборка компонентов внутри корпуса колонки.
На этом сборка завершена. Если хочется получить более аккуратный вариант, то потребуется:
В этом случае все рабочие элементы будут спрятаны под корпусом, что придаст Bluetooth-колонке привлекательный внешний вид и схожесть с моделью серийного производства.
По итогу самодельная портативная колонка обойдется владельцу в 7-8 долларов, что значительно меньше, нежели цены на самые дешевые готовые варианты, предлагаемые производителями. Перед началом работы придется приобрести требуемые элементы, поэтому процесс включает небольшую подготовку. Из инструментов потребуется только паяльник и некоторое количество тонких проводов. Четко следуя инструкции, сборка и пайка контактов не вызовет трудностей, к тому же все места подключений имеют соответствующую маркировку на платах.
Из любых колонок можно сделать беспроводную акустику, сигнал на которую подаётся со смартфона, планшета или компьютера с помощью Bluetooth. Для этого DIY-проекта потребуются:
Любые стереоколонки (например, от старого музыкального центра).
— Усилитель со встроенным модулем Bluetooth.
— Блок питания.
Усилитель можно приобрести на AliExpress или другом подобном сайте. Качественные усилители стоят от 10 долларов и выше, причём в продаже есть модели, которые состоят просто из платы, а есть в корпусах с кнопками для сопряжения с источником звука, управления громкостью и переключения треков. Модели в корпусах чуть дороже, но зато вам не придётся самостоятельно выпиливать корпус и искать подходящие по размеру кнопки.
К усилителю потребуется подключить блок питания (как правило, на 12 вольт), они продаются отдельно и часто встречаются на Avito и других онлайн-барахолках. Для раскачки мощных колонок нужен БП с силой тока 2 или 3 ампера, а для небольшой акустики хватит 1 ампера или даже меньше.
Подключите к усилителю колонки и блок питания, нажмите на кнопку сопряжения и установите беспроводное соединение с источником звука. Если всё исправно, прозвучит сигнал означающий, что пора включать музыку.
Если у вас «завалялись» сломанные Bluetooth-наушники, вы можете использовать их для изготовления такой портативной блютуз колонки.
Устройство работает на усилителе TDA7297 мощностью 15 ВТ с 10-ти ваттным динамиком и имеет разъем aux. Спереди колонки установлены четыре светодиода, которые меняют цвет в зависимости от ритма музыки. Внутри корпуса установлены три перезаряжаемых литий-ионных аккумулятора 18650.
Как сделать блютуз колонку своими руками — комплектующие и инструменты
Прежде, чем приступать к сборке, необходимо заготовить детали. Итак, для монтажа Bluetooth-колонки своими руками понадобится:
- Колонка 10 Вт.
- Усилитель TDA7297.
- Bluetooth-наушники.
- Arduino nano.
- Литий-ионные аккумуляторы 18650 — 3 шт.
- Светодиоды RGB — 4 шт.
- Выключатель.
- Тумблер 2-х позиционный 6-контактный.
- Разъем для наушников.
- Потенциометр 10 кОм — 2 шт.
- Диод IN4007.
- Крепеж.
- Цветные провода.
- Булавки.
- Разъемы.
- Паяльник.
- Припой.
- Супер-клей.
- Ножовка.
- Кусачки.
- Плоскогубцы.
- Отвертка.
- Дремел.
- Краска.
- Кисточка.
- Карандаш.
- Наждачная бумага.
- Линейка.
- Термоусадка.
- Зажигалка.
- Клеевой пистолет.
Как собрать корпус для портативной Bluetooth колонки своими руками?
В первую очередь из ДСП вырезаем 6 панелей:
- 12х12 см — 2 шт.;
- 12х9,5 см — 2 шт.;
- 11х9,5 см — 2 шт.
- Смотрите также, как сделать
На передней панели размечаем и вырезаем отверстие для динамика.
Сверлим отверстия для крепления динамика.
Шлифуем срезы на отверстии.
Обрабатываем все края наждачной бумагой.
Задняя панель коробки должна быть съемной, поэтому на ней делаем шипы, а на прилегающих панелях — пазы.
Вот какой получится задняя панель.
А вот какими боковые:
Собираем три стороны корпуса.
Как собрать блютуз колонку своими руками — монтаж «начинки»
Прикручиваем динамик.
Устанавливаем выключатель, тумблер и потенциометры.
По углам сверлим отверстия для RGB светодиодов.
Плата усилителя для блютуз колонки
К плате припаиваем провода по цвету, как на фото.
Монтаж Bluetooth модуля для колонки
Разбираем корпус Bluetooth-модуля. Выпаиваем два провода, которые шли к наушникам и штекеру, а затем припаиваем 4 раздельных на те же места.
- Схема
Плата Arduino для Bluetooth-колонки
Для проекта будем использовать следующие контакты: Vcc, Gnd, 5v, A0, A1, D9, D10 и D11. Устанавливаем на плату Ардуино штыревые разъемы. Припаиваем к ним провода.
Монтаж RGB светодиодов в портативную Blurtooth-колонку
Одинарный RGB светодиод отличается тем, что в его одном корпусе совмещены три светодиода — красный, зеленый и синий. Соответственно они имеют четыре ноги, одна — катод общий, три — аноды.
- Пошаговая инструкция по созданию самодельного
Соединяем проводами все 4 катода светодиодов. Затем соединяем аноды по цветам: четыре красных, четыре зеленых и четыре и синих. Вторые концы проводов, так же спаиваем вместе. Изолируем контакты термоусадкой.
Устанавливаем светодиоды в отверстия по углам передней панели. Фиксируем термоклеем.
Блютуз колонка своими руками: схема и монтаж
Монтируем электрочасть согласно схеме. Все соединения изолируем термоусадочной трубкой. Закрепляем провода внутри корпуса термоклеем.
Окончательная сборка корпуса самодельной блютуз-колонки
На боковой панели сверлим отверстия для аудио-разъема. На верхнюю панель устанавливаем Bluetooth модуль.
Устанавливаем панели на место.
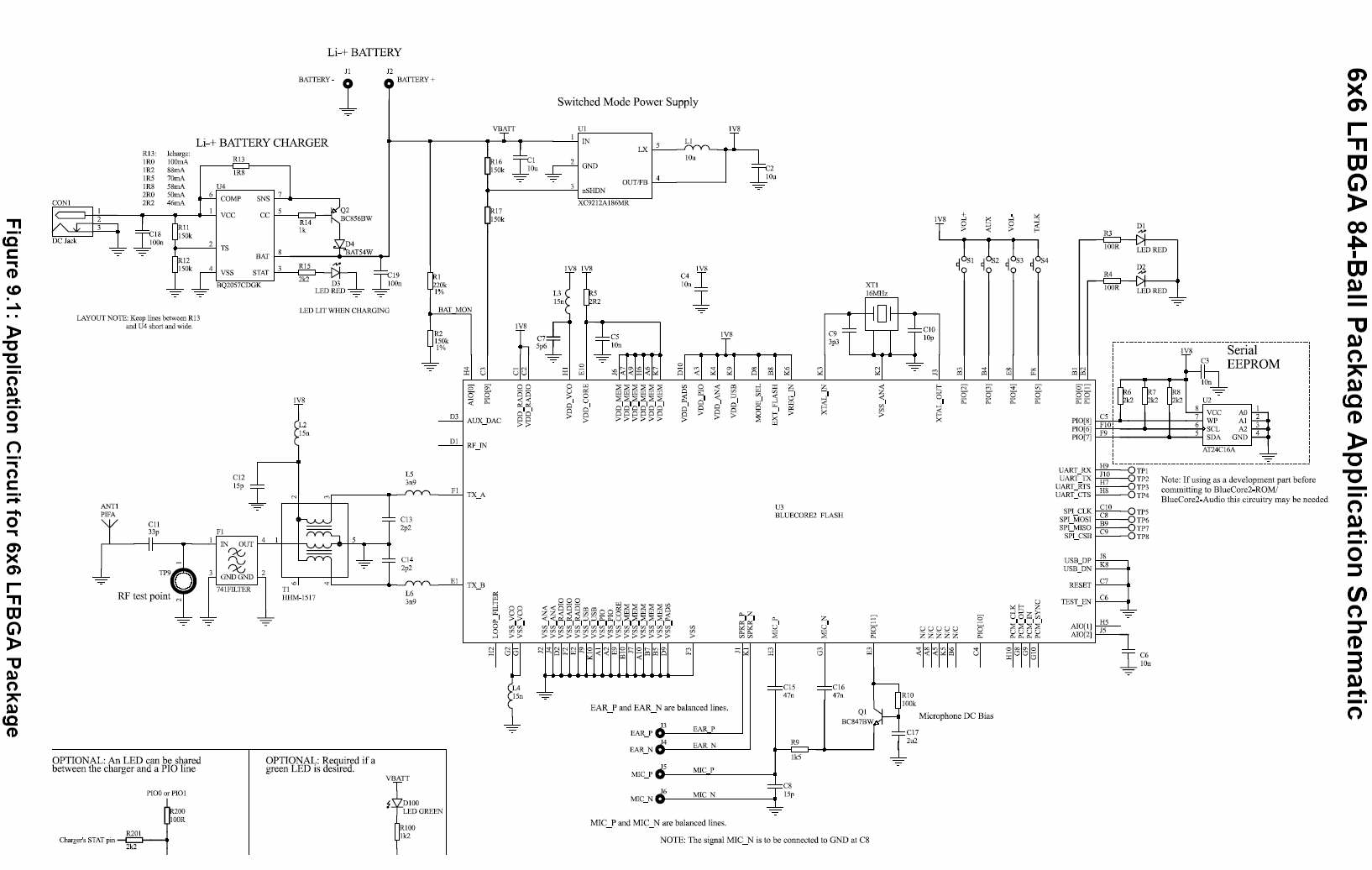
Словом Bluetooth — называют технологию передачи данных по радиоканалу на небольшом расстоянии в несколько метров, для связи мобильных телефонов, компьютеров и других цифровых устройств. Интерфейс Bluetooth отличается низким уровнем энергопотребления и невысокой стоимостью. В настоящее время используется чаще всего для связи между сотовыми телефонами и беспроводными гарнитурами. Радиоинтерфейс Bluetooth предназначался для передачи данных и речевых сообщений.
В традиционном варианте гарнитуры модуль Bluetooth имеет микросхему, небольшой литий-ионный аккумулятор 3,7В 50мА, микрофон, динамик и кнопку включения.
Низкая стоимость аппаратной части, хорошая степень защиты и простота в использовании — сделали весьма популярным этот стандарт. Bluetooth использует частоты в районе 2,4-2,48 ГГц и не требует лицензирования. На настоящее время мировое промышленное сообщество приняло эту технологию как общий стандарт.
Удобства для пользователей, которые обеспечивает технология Bluetooth, наверняка будет иметь огромную популярность. Скажем, когда вы приходите в офис, ваш карманный компьютер тут же автоматически синхронизируется с настольным ПК, передаются новые контакты на ваш мобильный телефон и т.д.
Bluetooth-модуль содержит формирующую, приёмо-передающую часть аппаратуры и встроенное программное обеспечение. Связь между модулем и хост-контроллером производится с помощью высокоскоростного USB-интерфейса или UART/PCM-интерфейса. Интерфейс хост-контроллера в модуле Bluetooth является командным интерфейсом. Хост через ИХК направляет команды, а в ответ принимает от модуля сообщения об их выполнении; менеджер связи устанавливает необходимую конфигурацию хост-контроллера.
Вluetooth имеет два варианта связи: синхронную и асинхронную. Первый вид рассчитан на установление симметричного соединения и служит для передачи голоса. Скорость передачи информации при этом 64 Кит/с. Асинхронный вариант предназначен для пакетной передачи данных, скорость передачи cоставляет 720 Кбит/с. В начале блока находится код доступа, за ним идёт заголовок пакета, содержащий контрольную сумму пакета и информацию о его параметрах, и в конце область, непосредственно содержащая пересылаемую информацию.
Схема одного из радиомодулей Bluetooth приведена ниже:
Спектр частот, выделенный для Bluetooth, имеет диапазон 2,402…2,480 ГГц, который разбит на несколько каналов. Полоса каждого канала 1 МГц. Смена каналов производится по псевдослучайному закону. Постоянное чередование частот позволяет радиоинтерфейсу транслировать информацию по всему диапазону и исключать воздействия помех со стороны других устройств. Если данный канал занят, система перейдёт на другой, свободный от помех.
Обсудить статью СХЕМА УСТРОЙСТВА BLUETOOTH
Из любых колонок можно сделать беспроводную акустику, сигнал на которую подаётся со смартфона, планшета или компьютера с помощью Bluetooth. Для этого DIY-проекта потребуются:
Любые стереоколонки (например, от старого музыкального центра).
— Усилитель со встроенным модулем Bluetooth.
— Блок питания.
Усилитель можно приобрести на AliExpress или другом подобном сайте. Качественные усилители стоят от 10 долларов и выше, причём в продаже есть модели, которые состоят просто из платы, а есть в корпусах с кнопками для сопряжения с источником звука, управления громкостью и переключения треков. Модели в корпусах чуть дороже, но зато вам не придётся самостоятельно выпиливать корпус и искать подходящие по размеру кнопки.
К усилителю потребуется подключить блок питания (как правило, на 12 вольт), они продаются отдельно и часто встречаются на Avito и других онлайн-барахолках. Для раскачки мощных колонок нужен БП с силой тока 2 или 3 ампера, а для небольшой акустики хватит 1 ампера или даже меньше.
Подключите к усилителю колонки и блок питания, нажмите на кнопку сопряжения и установите беспроводное соединение с источником звука. Если всё исправно, прозвучит сигнал означающий, что пора включать музыку.
14.02.2018
Технический прогресс идет вперед семимильными шагами, сейчас даже дошкольники имеют мобильный и умеют выходить в интернет, а видя человека, разговаривающего на улице самого с собой, никто не покрутит пальцем у виска – уже все знакомы с гарнитурой-Bluetooth, относящейся к беспроводным технологиям . Работает такой передатчик с использованием закодированных сигналов, что, помимо удобства, позволяет защитить личные данные. Беспроводной модуль позволяет наладить связь среди нескольких устройств.
Многие из самых современных моделей уже интегрированы в основном для облегчения сопряжения со смартфонами. Просто увеличьте расстояние между источником звука и громкоговорителем и идите, без необходимости поиска, входа в меню, загрузки приложений конфигурации или ввода кодов сопряжения.
Что касается профиля, то тот, который поддерживается нашим докладчиком, тот или другой будет определять из функций того же самого качества звука, который мы можем получить. Оба они должны быть совместимы с теми же профилями, чтобы использовать их. Он чаще всего используется для получения аудиоконтента в наушниках.
. Другие решения уже есть, когда некоторые бренды загружаются.
Применение Bluetooth
Это приспособление встраивают сейчас практически во все сотовые телефоны , многие модели ноутбуков. Это позволяет значительно расширить их коммуникативные способности:
- Можно обмениваться различными файлами (фотографиями, видео, музыкой) между телефонами, телефоном и ноутбуком, коммуникатором, камерой.
- Модуль позволяет подключать к телефонам или персональным компьютерам какие-либо периферийные устройства (беспроводную гарнитуру , наушники, колонки, видеокамеры и прочие гаджеты).
- Разговаривать по телефону, не держа его руками.
- Можно создать беспроводную сеть между несколькими своими ПК и другими устройствами дома или в небольшом офисе, что позволить иметь постоянный доступ к необходимым файлам с любого устройства.
- Bluetooth-адаптер дает возможность выходить в интернет, синхронизировав ПК с мобильным.
То есть беспроводные устройства необходимы не только для использования гарнитуры «свободные руки», но и облегчают коммуникацию между компьютером и гаджетами.
Если мы уже их спариваем, более прямо начать отправлять аудио, когда мы захотим, не дожидаясь. Уменьшение размера и веса динамика обычно приводит к снижению производительности за счет использования разных материалов как в корпусе, так и в драйверах. В дизайне беспроводного динамика найдутся детали, которые обычно оцениваются как ручки или возможность носить чехлы или переносить их с одной стороны на другую в рюкзак без затруднений или чрезмерных неудобств.
Технические требования к рассмотрению
Если мы намерены часто использовать оборудование на открытом воздухе, настоятельно рекомендуем иметь устойчивый профиль, чтобы он, по крайней мере, поддерживал брызги воды и пыли или песка, хотя есть модели, которые могут даже погружаться и что они продолжают работать. Там мы найдем много ключей, которые расскажут нам о бумаге.
Как сделать внутренний bluetooth модуль для ноутбука?
Для активного человека может быть неудобным пользоваться внешним bluetooth-адаптером. Некоторые умельцы предлагают модифицировать его своими руками во внутренний, перепаяв устройство на USB-разъем. Этот вариант подойдет только тем, кто тесно дружит с паяльником и имеет опыт по сборке-разборке ноутбуков.
Внутренняя батарея и громкая связь
Четыре основных из них. Сопротивление Это сопротивление, которое система выступает против прохождения тока, и оно должно быть как можно меньше, поскольку это будет хорошим признаком общего качества оборудования. Количество каналов и размер драйверов В мире динамиков, хотя количество каналов не является прямым сигналом качества, которое мы получим, они предоставляют нам больше возможностей. Обычно дело в том, что на рынке мы находим системы 0 или здесь идет размер драйверов, которые являются ключевыми, когда мы говорим, например, о сабвуфере. В небольших размерах не так много возможностей предложить хорошее воспроизведение басов, и именно там мы можем найти некоторые важные отличия. Он должен быть широким.
. Около 10 часов — это ценность, которую мы должны требовать от нашего портативного оборудования, и следует учитывать, что этот показатель автономии обычно указывается для использования динамика на 50% от его максимального объема.
Работа по усовершенствованию гаджета своими руками ведется в несколько этапов:
Если все сделано со знанием дела, то устройство должно заработать.
Можно ли сделать беспроводной модуль самостоятельно?
Иногда звучит вопрос: можно ли сделать передатчик своими руками? Этот вариант воплотить в жизнь достаточно сложно. Микросхему своими руками в домашних условиях не собрать, так как она очень миниатюрна, требует очень тонкой работы, а подборку диапазона частоты проводят с помощью интегральных решений, протокол же годами разрабатывался специалистами.
При оценке покупки динамика с внутренней батареей не забывайте время зарядки и систему, используемую каждым оборудованием. Чтобы убедиться, что приобретаемое вами оборудование является громкой, и намного лучше, если микрофоны несут какую-либо технологию для снижения окружающего шума.
С новыми стандартами беспроводной передачи было значительно улучшено в этом типе соединения между устройствами. Уже для памяти были времена, когда качество звука, передаваемого с этой системой, было очень низким. В настоящее время вы можете наслаждаться качественным звуком в огромном количестве динамиков всех видов, которые будут адаптироваться в качестве перчатки для ваших нужд.
Поэтому радиолюбителям остается лишь, воспользовавшись готовыми bluetooth-передатчиками, модифицировать их по своему усмотрению, добавляя своими руками в готовую схему необходимые элементы. Некоторые предлагают усовершенствовать модулем музыкальную колонку или сделать беспроводные динамики, а также добавить передатчик в аудиосистему автомобиля, чтобы избежать нагромождения проводов и загружать любимую музыку прямо из интернета.
Минимальные требования для беспроводного динамика любого типа
Беспроводная технология спроектирована таким образом, что источник звука может находиться на некотором расстоянии от динамика. По этой причине ряд кнопок, встроенных в тот же громкоговоритель, что и громкость, включение питания, кнопка сопряжения или управление дорожками и т.д. Придадут комплексу дополнительный комфорт, не допуская доступа к вашему смартфону, планшету или Независимо от источника звука для внесения корректировок.
Больше, чем беспроводные соединения
Наличие определенных соединений принесет вам универсальность и расширит возможности использования. Перед началом поиска вам должно быть ясно, какое использование вы дадите докладчику. Он не имеет тех же функций и спецификаций, что и динамик, предназначенный для того, чтобы оставаться неподвижным в вашем доме, один предназначен для ношения на весь день.
Видео
ниже подробно показывает как это сделать.Но любом случае такая работа руками требует хороших знаний и навыков в радиотехнике, иначе из одного работающего bluetooth-модуля и дополнительных элементов можно получить набор разрозненных радиодеталей.
Первым и самым важным является аккумулятор. Чтобы наслаждаться часами музыкальных развлечений, это будет базовая батарея, которая оправдывает ваши ожидания. Требуемый минимум составляет приблизительно 8 часов непрерывного воспроизведения, хотя некоторые могут достигать совершенно 15 часов использования.
Кроме того, важно просмотреть информацию о времени зарядки аккумулятора, как только оно будет исчерпано, поскольку некоторые устройства могут иметь чрезмерно длительное время зарядки. Еще одна важная функция, которую должен иметь динамик для вашего смартфона или планшета, состоит в том, что он легкий и компактный.
Bluetooth колонка своими руками? Да, сейчас я расскажу самый легкий способ, как из своей старой домашней акустики сделать довольно популярную в наше время Bluetooth аппаратуру.
Bluetooth колонка, как обстоят дела
С появлением у меня техники Apple я начал довольно сильно интересоваться технологиями, которые реализованы в данных устройствах, одна из таких технологий была — AirPlay. Технология позволяла потоково передавать аудио и видео на другое устройство с вашего iPhone, iPad. Данные передавались через Wi-Fi, что позволяло сохранить качество при передачи по воздуху. Но существовала одна проблема, эта проблема всех Apple устройств — цена. Такие колонки имели цену $300 и выше, что отбивало желание приобрести такое устройство, ведь размер самой колонки был довольно не велик.
В дополнение к уже упомянутым функциям, основным является знать диапазон приема громкоговорителя. Он считает, что чем дальше динамик от источника звука, тем ниже прием, и, следовательно, качество звука будет потеряно. Что-то очень полезно, так как они используют ссылку, уже созданную между вашим смартфоном и динамиком, чтобы удобно отвечать на ваши вызовы, не отключая музыку или не вынимая смартфон из кармана. Когда вы получите вызов, пауза проигрывателя на вашем смартфоне или планшете будет активирована, и громкоговоритель будет излучать звуковой сигнал.
Позже я подумал, что у меня ведь есть колонки дома, зачем мне переплачивать за новые? Мне нужен только устройство, которое будет принимать сигнал AirPlay. Поискав в интернете, я понял, что AirPlay «прикрутить» не получится, но есть возможность использовать Bluetooth и выйдет это на много дешевле. Первым делом я пошел на китайские онлайн-магазины, на которых и производил поиск. Так как часто заказывал товары с AliExpress, данное устройство было заказано именно оттуда.
Когда вы закончите разговор и закончите разговор, вы снова воспроизведете музыку в точном месте, где вы остановились перед вызовом. Это даст вам больше спокойствия, когда речь заходит о переноске вашего докладчика, так как это неизбежно, при использовании на открытом воздухе, немного попадется или ударит, подвергнется воздействию влажности паркового газона или жаре летнего дня.
Масштабируемость — очень необычная особенность среди переносных беспроводных динамиков, но это очень полезно в некоторых случаях, и вы будете рады, что ваш динамик обладает этой функцией. Это, например, позволит вам присоединиться к вашему докладчику к вашему другу и быстро создать звуковую систему 0, которая существенно улучшит качество звука, или вы сможете расширить зону покрытия, чтобы охватить больше площади.
Устройство не имеет бренда, названия и каких то других обозначений, но при подключение оно называет себя «BT310REV».
Внешний вид.
Как видно на фото ниже, устройство довольно компактное и не будет мешаться в машине. Благодаря тому, что в комплект входит переходник, вы сможете сразу вставить один конец переходника в магнитолу автомобиля, а другой конец в Bluetooth приемник. Аналогично вы можете поступить и с колонками. Вот вам и «Bluetooth колонка своими руками». Приемник выполнен из Soft-touch пластика черно матового цвета. Для данного устройства это идеальный вариант, оно не заметно, но в тот же момент не выглядит отвратно.
Идеально подходит для вечеринок или импровизированных встреч. Наслаждение звуковой системой домашнего кинотеатра не должно сопровождаться путаницей кабелей, разбросанных по всей комнате. Условия мощности эквивалентны любому типу динамиков и обусловлены использованием, которое будет передано устройству.
В общем, идеал заключается в том, что они способны воспроизводить весь спектр частот, которые человек может воспринимать. Этот диапазон составляет 20 Гц басовых частот и 000 Гц высоких частот. То есть, если динамик способен охватить весь диапазон частот, он может воспроизводить звук с большим количеством нюансов и более правдоподобным для реальности. Если этот диапазон уменьшен в нижней части, динамик не сможет предложить глубокий бас. Если вы сделаете это сверху, вы не оцените более высокие тона.
Звук.
Звук у данного приемника на 3.5 из 5. Версия Bluetooth старая, из-за этого скорость передачи ниже, чем могла быть. По сравнение с соединением по кабелю, звук тихий и присутствуют шумы, но если вы включите на дешевых колонках или простых «пищалках» в машине, но думаю разницы вы не заметите никакой.
Что касается мощности звука, это напрямую связано с размером громкоговорителей. По чисто физическим причинам, 1, 5-дюймовый динамик может не обеспечивать такое же качество и мощность звука, как и 5-дюймовый динамик. Производители знают об этих ограничениях, поэтому они разработали портативные устройства, способные интегрировать до 3-х типов динамиков или драйверов, которые воспроизводят разные диапазоны частот и все в компактном размере, которые можно носить в кармане.
Даже с ограничениями по размеру рекомендуется, чтобы выбранный громкоговоритель имел звуковое давление не менее 80 дБ. Кроме того, всегда старайтесь протестировать динамики перед их покупкой. Очень хорошие характеристики говорящего, в конце концов, действительно важно, что тип звука, который вы создаете, радует вас, и, поскольку это субъективное восприятие каждого человека, у вас будет последнее слово.
Технические характеристики устройства:
- Версия передатчика: v3+EDR, Class 2 (Support A2DP V1.2 (built in Mic).
- Питание: зарядка от USB 5V DC.
- Скорость передачи данных: 3 Mbps.
- Расстояние передачи: до 5 метров. Также ловит за бетонной стеной.
- Присутствует микрофон.
- Батарея на 220mAh. Как заявлено, хватает на 8 часов работы.
- Работает со всеми iOS и Android смартфонами.
Комплект поставки:
- Bluetooth передатчик
- 3,5 мм стерео переходник
- Micro USB шнур для зарядки
- Руководство пользователя на английском
Использование Bluetooth приемника.
- Для начала подключите приемник к колонкам.
- Нажмите единственную кнопку на нем. Продержите так 3-4 секунды, после чего в колонках вы услышите в колонках женский голос и начнет гореть синий индикатор.
- Включите Bluetooth на своем устройстве и подключитесь к приемнику. Его имя «BT310REV».
- На iPaв все подключилось без проблем, музыка играла из любого приложения системы. Также в статус-баре отображался заряд устройства.
Для отключение приемника зажмите кнопку до того момента, пока не погаснет синий индикатор.
Вы также можете использовать его для подключения к динамикам вашего компьютера и без проводов наслаждаться любимой музыкой, не заменяя их новыми. Благодаря своему размеру вы можете взять мини-дискотеку в любой уголок мира. От пляжа до кемпинга в любом горном массиве в мире.
Личное мнение по данному устройству.
Устройство однозначно нужное и очень мне понравилось. Внешний вид привлекательный. Звук хоть не идеальный, но все же лучше, чем мог быть. Не стоит думать, что сейчас я только хвалю устройство. На самом деле оно китайское, со всеми его вытекающими. Большое количество брака и как вы уже догадались, бракованный экземпляр попался и мне.
Она имеет хорошее качество звука.
. Сначала давайте посмотрим наш выбор, а затем посмотрим, какая победная лошадь. За менее чем 40 евро у вас есть этот маленький, но запугивающий динамик. Это самый компактный, меньше, чем чашка кофе, и с качеством более чем приемлемым. Это правда, что когда вы ставите его на максимум, появляются его недостатки, но по этой цене вы не можете просить больше.
Маленький динамик идеально подходит для подключения к мобильному телефону или планшету. Он соответствует корню своей ценой, но аудиовыход чрезмерно справедлив, так как он всего 6 Вт. Не много, но достаточно для комнаты или места без чрезмерного внешнего шума.
Как все было: Порядка 3 раз я подключал приемник к разным колонкам и он работал, но подключение длилось не более 5 минут, все было отлично. Я был просто рад. Но в один из вечеров я решил устроить проверку устройства и подключил его на долгое время. Играл он у меня порядка 45 минут и тут начались проблемы. Сигнал начинал прерываться все чаще и чаще, слышались икания музыки. Такое чувство, что он просто не успевал принять сигнал, принимал уже новый и предыдущий пропускал. Длилось это 2-3 минуты, в это время и пробовал остановить музыку, приемник опять пару секунд играл, но вновь начинал прерываться. Прошли те 2-3 минуты и начался ад, из колонок понеслось жуткое пищания смешанное с ультразвуком. Bluetooth приемник не перезагружался, пришлось ждать, пока батарейка сядет. После полной разрядки устройство поработало пару минут и при повторной попытке включения больше не включилось. На данный момент восстановить его не получилось.
Соединения расположены сзади и многофункциональные кнопки на одной стороне. Финиш, по-видимому, неплох, но не просите слишком много за эту цену.
Хорошо, отныне они больше слов. При более высокой цене, конечно, больше, но разницы, которые вы не можете сделать с идеей.
Он имеет встроенные два динамика 6 Вт и микрофон, чтобы использовать его в руках, хотя правда, последняя из них имеет практически весь этот список.
Тем не менее, это лучшее соотношение цены и качества, так как эта марка превышена с каждой командой, которая выводит ее на рынок. Для вас идея, что более 20 человек за раз разговаривают, не могут пощекотать это маленькое изобретение, что если с очень большим объемом бас начнет показывать свои недостатки, но мы можем попросить немного больше Спикер этих измерений.
Но не смотря на это, Bluetooth колонка своими руками готова
, приобретайте устройства данного типа и используйте!
Данный проект осуществляется за пару часов, если вы уже имели дело с ремонтом электроники, и за один вечер, если беретесь за дело в первый раз. Его цель – колонка блютуз своими руками и за минимальные средства из любых старых динамиков. В качестве бонуса я расскажу о том, как сделать блютуз колонку своими руками из обычного смартфона.
Инструменты и материалы
Переделка потребует минимального набора инструментов
:
- дрель;
- отвертка крестовая;
- ножницы или кусачки;
- тонкий паяльник на 30-40 ватт;
Необходимые материалы
для устройства блютуз колонки, помимо динамиков:
- литий-ионная батарея 3,7 В;
- модуль блютуз BLK-MD-SPK-B (стоит 10 долларов на али);
- Разъем 3,5 мм;
- Штекер 3,5 мм;
- Провода, в идеале — 4 разных цветов;
- Выключатель.
Дополнительно понадобится
изолента, припой, флюс для пайки и термоклей (хороший суперклей тоже подойдет).
1. Создание корпуса
Приготовление к созданию самодельной блютуз колонки начинается с разбора корпуса или создания нового. Некоторые умудряются изготовить очень даже красивые подиумы для динамиков из фанеры, пвх-труб и даже футляров от очков.
2. Выключатель и разъем питания
Просверлите в корпусе отверстие для имеющейся у вас кнопки включения, если она не предусмотрена конструкцией. Вклейте его надежным клеем и проделайте тоже самое с разъемом на 3,5 мм. Пластик сверлите на низких оборотах, чтобы не перегреть его и не расплавить.
3. Подсоединение к блютуз-модулю
К отрицательному выводу одного динамика припаяйте два провода, еще один – к положительному. Один отрицательный провод у нас пойдет на второй динамик, а остальные – на блютуз-модуль.
4. Подключение беспроводного модуля
На приведенном изображении показана микросхема для сборки блютуз колонки своими руками с помощью BLK-MD-SPK-В. Контакты с 3
по 5
будут использованы под вывод звука, 13
и 12
– для питания.
3
— Общий провод динамиков.
4
— Положительный провод левого.
5
— Положительный провод правого.
12
— Питание (+).
13
— Питание (-).
Контакты у модуля, который применял я, очень небольшие, поэтому приходилось паять очень осторожно, дабы их не повредить. Пропаянную плату можно крепить внутри конструкции.
5. Подключение аккумулятора
Очередным этапом крепим 3 провода к аккумуляторной батарее: плюсовой контакт, минусовой и еще один провод для контроля за зарядом. Все три пойдут на разъем питания 3,5 мм, а плюсовой еще и ко второму контакту на кнопке включения.
Важно!
Для зарядки подходит постоянно напряжение 3,5-4 В и ток заряда не меньше 500 мА. Можно использовать любое подходящее по параметром зарядное устройство от старого мобильника.
6. Проверка работоспособности
Как только сборка завершена, настало время включать bluetooth на телефоне или другом источнике и запускать поиск беспроводной техники поблизости. Если при соединении с новеньким гаджетом запросят пароль, используйте стандартные четыре нуля.
Вот и всё, сделана достаточно мощная блютуз колонка своими руками, далее начинается новая жизнь без проводов.
Внешний динамик из смартфона
Как сделать блютуз колонку из обычной я рассказал. Но воспроизводить звук можно и через любой смартфон. Например, если у вас в самый неподходящий момент сломалась аудиосистема ноутбука. Для этого не нужен ни паяльник, ни провода, ни приобретение микросхем в Китае. Достаточно специального приложения для Android или iOS. Таких программ на сегодняшний день очень много, вы можете выбрать любую по своему вкусу. Для примера я расскажу о w.
Это приложение условно-бесплатно. То есть им вполне можно пользоваться и никому не платить, но в этом случае каждые 45 минут сигнал будет прерываться не очень приятным звуком и блоком с рекламой. 3$ за полную версию снимут лимит и подарят бонусом хорошее сжатие, а также возможность нескольких соединений одновременно.
Итак, как из телефона сделать блютуз колонку самому своими руками?
- Скачиваем SoundWire
Если какой-то из шагов остался непонятен, все этапы сборки блютуз колонки своими руками на видео легко найти в интернете или ниже.
Технический прогресс идет вперед семимильными шагами, сейчас даже дошкольники имеют мобильный и умеют выходить в интернет, а видя человека, разговаривающего на улице самого с собой, никто не покрутит пальцем у виска – уже все знакомы с гарнитурой-Bluetooth, относящейся к беспроводным технологиям. Работает такой передатчик с использованием закодированных сигналов, что, помимо удобства, позволяет защитить личные данные. Беспроводной модуль позволяет наладить связь среди нескольких устройств.
Многие из самых современных моделей уже интегрированы в основном для облегчения сопряжения со смартфонами. Просто увеличьте расстояние между источником звука и громкоговорителем и идите, без необходимости поиска, входа в меню, загрузки приложений конфигурации или ввода кодов сопряжения.
Что касается профиля, то тот, который поддерживается нашим докладчиком, тот или другой будет определять из функций того же самого качества звука, который мы можем получить. Оба они должны быть совместимы с теми же профилями, чтобы использовать их. Он чаще всего используется для получения аудиоконтента в наушниках.
. Другие решения уже есть, когда некоторые бренды загружаются.
Применение Bluetooth
Это приспособление встраивают сейчас практически во все сотовые телефоны, многие модели ноутбуков. Это позволяет значительно расширить их коммуникативные способности:
- Можно обмениваться различными файлами (фотографиями, видео, музыкой) между телефонами, телефоном и ноутбуком, коммуникатором, камерой.
- Модуль позволяет подключать к телефонам или персональным компьютерам какие-либо периферийные устройства (беспроводную гарнитуру, наушники, колонки, видеокамеры и прочие гаджеты).
- Разговаривать по телефону, не держа его руками.
- Можно создать беспроводную сеть между несколькими своими ПК и другими устройствами дома или в небольшом офисе, что позволить иметь постоянный доступ к необходимым файлам с любого устройства.
- Bluetooth-адаптер дает возможность выходить в интернет, синхронизировав ПК с мобильным.
То есть беспроводные устройства необходимы не только для использования гарнитуры «свободные руки», но и облегчают коммуникацию между компьютером и гаджетами.
Если мы уже их спариваем, более прямо начать отправлять аудио, когда мы захотим, не дожидаясь. Уменьшение размера и веса динамика обычно приводит к снижению производительности за счет использования разных материалов как в корпусе, так и в драйверах. В дизайне беспроводного динамика найдутся детали, которые обычно оцениваются как ручки или возможность носить чехлы или переносить их с одной стороны на другую в рюкзак без затруднений или чрезмерных неудобств.
Технические требования к рассмотрению
Если мы намерены часто использовать оборудование на открытом воздухе, настоятельно рекомендуем иметь устойчивый профиль, чтобы он, по крайней мере, поддерживал брызги воды и пыли или песка, хотя есть модели, которые могут даже погружаться и что они продолжают работать. Там мы найдем много ключей, которые расскажут нам о бумаге.
Как сделать внутренний bluetooth модуль для ноутбука?
Для активного человека может быть неудобным пользоваться внешним bluetooth-адаптером. Некоторые умельцы предлагают модифицировать его своими руками во внутренний, перепаяв устройство на USB-разъем. Этот вариант подойдет только тем, кто тесно дружит с паяльником и имеет опыт по сборке-разборке ноутбуков.
Внутренняя батарея и громкая связь
Четыре основных из них. Сопротивление Это сопротивление, которое система выступает против прохождения тока, и оно должно быть как можно меньше, поскольку это будет хорошим признаком общего качества оборудования. Количество каналов и размер драйверов В мире динамиков, хотя количество каналов не является прямым сигналом качества, которое мы получим, они предоставляют нам больше возможностей. Обычно дело в том, что на рынке мы находим системы 0 или здесь идет размер драйверов, которые являются ключевыми, когда мы говорим, например, о сабвуфере. В небольших размерах не так много возможностей предложить хорошее воспроизведение басов, и именно там мы можем найти некоторые важные отличия. Он должен быть широким.
. Около 10 часов — это ценность, которую мы должны требовать от нашего портативного оборудования, и следует учитывать, что этот показатель автономии обычно указывается для использования динамика на 50% от его максимального объема.
Работа по усовершенствованию гаджета своими руками ведется в несколько этапов:
Если все сделано со знанием дела, то устройство должно заработать.
Можно ли сделать беспроводной модуль самостоятельно?
Иногда звучит вопрос: можно ли сделать передатчик своими руками? Этот вариант воплотить в жизнь достаточно сложно. Микросхему своими руками в домашних условиях не собрать, так как она очень миниатюрна, требует очень тонкой работы, а подборку диапазона частоты проводят с помощью интегральных решений, протокол же годами разрабатывался специалистами.
При оценке покупки динамика с внутренней батареей не забывайте время зарядки и систему, используемую каждым оборудованием. Чтобы убедиться, что приобретаемое вами оборудование является громкой, и намного лучше, если микрофоны несут какую-либо технологию для снижения окружающего шума.
С новыми стандартами беспроводной передачи было значительно улучшено в этом типе соединения между устройствами. Уже для памяти были времена, когда качество звука, передаваемого с этой системой, было очень низким. В настоящее время вы можете наслаждаться качественным звуком в огромном количестве динамиков всех видов, которые будут адаптироваться в качестве перчатки для ваших нужд.
Поэтому радиолюбителям остается лишь, воспользовавшись готовыми bluetooth-передатчиками, модифицировать их по своему усмотрению, добавляя своими руками в готовую схему необходимые элементы. Некоторые предлагают усовершенствовать модулем музыкальную колонку или сделать беспроводные динамики, а также добавить передатчик в аудиосистему автомобиля, чтобы избежать нагромождения проводов и загружать любимую музыку прямо из интернета.
Минимальные требования для беспроводного динамика любого типа
Беспроводная технология спроектирована таким образом, что источник звука может находиться на некотором расстоянии от динамика. По этой причине ряд кнопок, встроенных в тот же громкоговоритель, что и громкость, включение питания, кнопка сопряжения или управление дорожками и т.д. Придадут комплексу дополнительный комфорт, не допуская доступа к вашему смартфону, планшету или Независимо от источника звука для внесения корректировок.
Больше, чем беспроводные соединения
Наличие определенных соединений принесет вам универсальность и расширит возможности использования. Перед началом поиска вам должно быть ясно, какое использование вы дадите докладчику. Он не имеет тех же функций и спецификаций, что и динамик, предназначенный для того, чтобы оставаться неподвижным в вашем доме, один предназначен для ношения на весь день.
Видео
ниже подробно показывает как это сделать.Но любом случае такая работа руками требует хороших знаний и навыков в радиотехнике, иначе из одного работающего bluetooth-модуля и дополнительных элементов можно получить набор разрозненных радиодеталей.
Первым и самым важным является аккумулятор. Чтобы наслаждаться часами музыкальных развлечений, это будет базовая батарея, которая оправдывает ваши ожидания. Требуемый минимум составляет приблизительно 8 часов непрерывного воспроизведения, хотя некоторые могут достигать совершенно 15 часов использования.
Кроме того, важно просмотреть информацию о времени зарядки аккумулятора, как только оно будет исчерпано, поскольку некоторые устройства могут иметь чрезмерно длительное время зарядки. Еще одна важная функция, которую должен иметь динамик для вашего смартфона или планшета, состоит в том, что он легкий и компактный.
Bluetooth колонка своими руками? Да, сейчас я расскажу самый легкий способ, как из своей старой домашней акустики сделать довольно популярную в наше время Bluetooth аппаратуру.
Bluetooth колонка, как обстоят дела
С появлением у меня техники Apple я начал довольно сильно интересоваться технологиями, которые реализованы в данных устройствах, одна из таких технологий была — AirPlay. Технология позволяла потоково передавать аудио и видео на другое устройство с вашего iPhone, iPad. Данные передавались через Wi-Fi, что позволяло сохранить качество при передачи по воздуху. Но существовала одна проблема, эта проблема всех Apple устройств — цена. Такие колонки имели цену $300 и выше, что отбивало желание приобрести такое устройство, ведь размер самой колонки был довольно не велик.
В дополнение к уже упомянутым функциям, основным является знать диапазон приема громкоговорителя. Он считает, что чем дальше динамик от источника звука, тем ниже прием, и, следовательно, качество звука будет потеряно. Что-то очень полезно, так как они используют ссылку, уже созданную между вашим смартфоном и динамиком, чтобы удобно отвечать на ваши вызовы, не отключая музыку или не вынимая смартфон из кармана. Когда вы получите вызов, пауза проигрывателя на вашем смартфоне или планшете будет активирована, и громкоговоритель будет излучать звуковой сигнал.
Позже я подумал, что у меня ведь есть колонки дома, зачем мне переплачивать за новые? Мне нужен только устройство, которое будет принимать сигнал AirPlay. Поискав в интернете, я понял, что AirPlay «прикрутить» не получится, но есть возможность использовать Bluetooth и выйдет это на много дешевле. Первым делом я пошел на китайские онлайн-магазины, на которых и производил поиск. Так как часто заказывал товары с AliExpress, данное устройство было заказано именно оттуда.
Когда вы закончите разговор и закончите разговор, вы снова воспроизведете музыку в точном месте, где вы остановились перед вызовом. Это даст вам больше спокойствия, когда речь заходит о переноске вашего докладчика, так как это неизбежно, при использовании на открытом воздухе, немного попадется или ударит, подвергнется воздействию влажности паркового газона или жаре летнего дня.
Масштабируемость — очень необычная особенность среди переносных беспроводных динамиков, но это очень полезно в некоторых случаях, и вы будете рады, что ваш динамик обладает этой функцией. Это, например, позволит вам присоединиться к вашему докладчику к вашему другу и быстро создать звуковую систему 0, которая существенно улучшит качество звука, или вы сможете расширить зону покрытия, чтобы охватить больше площади.
Устройство не имеет бренда, названия и каких то других обозначений, но при подключение оно называет себя «BT310REV».
Внешний вид.
Как видно на фото ниже, устройство довольно компактное и не будет мешаться в машине. Благодаря тому, что в комплект входит переходник, вы сможете сразу вставить один конец переходника в магнитолу автомобиля, а другой конец в Bluetooth приемник. Аналогично вы можете поступить и с колонками. Вот вам и «Bluetooth колонка своими руками». Приемник выполнен из Soft-touch пластика черно матового цвета. Для данного устройства это идеальный вариант, оно не заметно, но в тот же момент не выглядит отвратно.
Идеально подходит для вечеринок или импровизированных встреч. Наслаждение звуковой системой домашнего кинотеатра не должно сопровождаться путаницей кабелей, разбросанных по всей комнате. Условия мощности эквивалентны любому типу динамиков и обусловлены использованием, которое будет передано устройству.
В общем, идеал заключается в том, что они способны воспроизводить весь спектр частот, которые человек может воспринимать. Этот диапазон составляет 20 Гц басовых частот и 000 Гц высоких частот. То есть, если динамик способен охватить весь диапазон частот, он может воспроизводить звук с большим количеством нюансов и более правдоподобным для реальности. Если этот диапазон уменьшен в нижней части, динамик не сможет предложить глубокий бас. Если вы сделаете это сверху, вы не оцените более высокие тона.
Звук.
Звук у данного приемника на 3.5 из 5. Версия Bluetooth старая, из-за этого скорость передачи ниже, чем могла быть. По сравнение с соединением по кабелю, звук тихий и присутствуют шумы, но если вы включите на дешевых колонках или простых «пищалках» в машине, но думаю разницы вы не заметите никакой.
Что касается мощности звука, это напрямую связано с размером громкоговорителей. По чисто физическим причинам, 1, 5-дюймовый динамик может не обеспечивать такое же качество и мощность звука, как и 5-дюймовый динамик. Производители знают об этих ограничениях, поэтому они разработали портативные устройства, способные интегрировать до 3-х типов динамиков или драйверов, которые воспроизводят разные диапазоны частот и все в компактном размере, которые можно носить в кармане.
Даже с ограничениями по размеру рекомендуется, чтобы выбранный громкоговоритель имел звуковое давление не менее 80 дБ. Кроме того, всегда старайтесь протестировать динамики перед их покупкой. Очень хорошие характеристики говорящего, в конце концов, действительно важно, что тип звука, который вы создаете, радует вас, и, поскольку это субъективное восприятие каждого человека, у вас будет последнее слово.
Технические характеристики устройства:
- Версия передатчика: v3+EDR, Class 2 (Support A2DP V1.2 (built in Mic).
- Питание: зарядка от USB 5V DC.
- Скорость передачи данных: 3 Mbps.
- Расстояние передачи: до 5 метров. Также ловит за бетонной стеной.
- Присутствует микрофон.
- Батарея на 220mAh. Как заявлено, хватает на 8 часов работы.
- Работает со всеми iOS и Android смартфонами.
Комплект поставки:
- Bluetooth передатчик
- 3,5 мм стерео переходник
- Micro USB шнур для зарядки
- Руководство пользователя на английском
Использование Bluetooth приемника.
- Для начала подключите приемник к колонкам.
- Нажмите единственную кнопку на нем. Продержите так 3-4 секунды, после чего в колонках вы услышите в колонках женский голос и начнет гореть синий индикатор.
- Включите Bluetooth на своем устройстве и подключитесь к приемнику. Его имя «BT310REV».
- На iPaв все подключилось без проблем, музыка играла из любого приложения системы. Также в статус-баре отображался заряд устройства.
Для отключение приемника зажмите кнопку до того момента, пока не погаснет синий индикатор.
Вы также можете использовать его для подключения к динамикам вашего компьютера и без проводов наслаждаться любимой музыкой, не заменяя их новыми. Благодаря своему размеру вы можете взять мини-дискотеку в любой уголок мира. От пляжа до кемпинга в любом горном массиве в мире.
Привлечение музыки повсюду и возможность поделиться ею откроет больше дверей, чем вы думаете. Перевернувшись перед отъездом в нашу последнюю поездку, подумайте, что, если мы будем носить музыку для каравана? В результате этого мы задали себе больше вопросов, например, будут ли компактные колонки с достаточным качеством?
Личное мнение по данному устройству.
Устройство однозначно нужное и очень мне понравилось. Внешний вид привлекательный. Звук хоть не идеальный, но все же лучше, чем мог быть. Не стоит думать, что сейчас я только хвалю устройство. На самом деле оно китайское, со всеми его вытекающими. Большое количество брака и как вы уже догадались, бракованный экземпляр попался и мне.
Она имеет хорошее качество звука.
. Сначала давайте посмотрим наш выбор, а затем посмотрим, какая победная лошадь. За менее чем 40 евро у вас есть этот маленький, но запугивающий динамик. Это самый компактный, меньше, чем чашка кофе, и с качеством более чем приемлемым. Это правда, что когда вы ставите его на максимум, появляются его недостатки, но по этой цене вы не можете просить больше.
Маленький динамик идеально подходит для подключения к мобильному телефону или планшету. Он соответствует корню своей ценой, но аудиовыход чрезмерно справедлив, так как он всего 6 Вт. Не много, но достаточно для комнаты или места без чрезмерного внешнего шума.
Как все было: Порядка 3 раз я подключал приемник к разным колонкам и он работал, но подключение длилось не более 5 минут, все было отлично. Я был просто рад. Но в один из вечеров я решил устроить проверку устройства и подключил его на долгое время. Играл он у меня порядка 45 минут и тут начались проблемы. Сигнал начинал прерываться все чаще и чаще, слышались икания музыки. Такое чувство, что он просто не успевал принять сигнал, принимал уже новый и предыдущий пропускал. Длилось это 2-3 минуты, в это время и пробовал остановить музыку, приемник опять пару секунд играл, но вновь начинал прерываться. Прошли те 2-3 минуты и начался ад, из колонок понеслось жуткое пищания смешанное с ультразвуком. Bluetooth приемник не перезагружался, пришлось ждать, пока батарейка сядет. После полной разрядки устройство поработало пару минут и при повторной попытке включения больше не включилось. На данный момент восстановить его не получилось.
Соединения расположены сзади и многофункциональные кнопки на одной стороне. Финиш, по-видимому, неплох, но не просите слишком много за эту цену.
Хорошо, отныне они больше слов. При более высокой цене, конечно, больше, но разницы, которые вы не можете сделать с идеей.
Он имеет встроенные два динамика 6 Вт и микрофон, чтобы использовать его в руках, хотя правда, последняя из них имеет практически весь этот список.
Тем не менее, это лучшее соотношение цены и качества, так как эта марка превышена с каждой командой, которая выводит ее на рынок. Для вас идея, что более 20 человек за раз разговаривают, не могут пощекотать это маленькое изобретение, что если с очень большим объемом бас начнет показывать свои недостатки, но мы можем попросить немного больше Спикер этих измерений.
Но не смотря на это, Bluetooth колонка своими руками готова
, приобретайте устройства данного типа и используйте!
Устройство работает на усилителе TDA7297 мощностью 15 ВТ с 10-ти ваттным динамиком и имеет разъем aux. Спереди колонки установлены четыре светодиода, которые меняют цвет в зависимости от ритма музыки. Внутри корпуса установлены три перезаряжаемых литий-ионных аккумулятора 18650.
Как сделать блютуз колонку своими руками — комплектующие и инструменты
Прежде, чем приступать к сборке, необходимо заготовить детали. Итак, для монтажа Bluetooth-колонки своими руками понадобится:
- Колонка 10 Вт.
- Усилитель TDA7297.
- Bluetooth-наушники.
- Arduino nano.
- Литий-ионные аккумуляторы 18650 — 3 шт.
- Светодиоды RGB — 4 шт.
- Выключатель.
- Тумблер 2-х позиционный 6-контактный.
- Разъем для наушников.
- Потенциометр 10 кОм — 2 шт.
- Диод IN4007.
- Крепеж.
- ДСП.
- Цветные провода.
- Булавки.
- Разъемы.
- Паяльник.
- Припой.
- Супер-клей.
- Ножовка.
- Кусачки.
- Плоскогубцы.
- Отвертка.
- Дремел.
- Краска.
- Кисточка.
- Карандаш.
- Наждачная бумага.
- Линейка.
- Термоусадка.
- Зажигалка.
- Клеевой пистолет.
Как собрать корпус для портативной Bluetooth колонки своими руками?
В первую очередь из ДСП вырезаем 6 панелей:
- Смотрите также, как сделать цветомузыку своими руками
На передней панели размечаем и вырезаем отверстие для динамика.
Сверлим отверстия для крепления динамика.
Шлифуем срезы на отверстии.
Обрабатываем все края наждачной бумагой.
Задняя панель коробки должна быть съемной, поэтому на ней делаем шипы, а на прилегающих панелях — пазы.
Вот какой получится задняя панель.
А вот какими боковые:
Собираем три стороны корпуса.
Как собрать блютуз колонку своими руками — монтаж «начинки»
Устанавливаем выключатель, тумблер и потенциометры.
По углам сверлим отверстия для RGB светодиодов.
Плата усилителя для блютуз колонки
К плате припаиваем провода по цвету, как на фото.
Монтаж Bluetooth модуля для колонки
Разбираем корпус Bluetooth-модуля. Выпаиваем два провода, которые шли к наушникам и штекеру, а затем припаиваем 4 раздельных на те же места.
Плата Arduino для Bluetooth-колонки
Для проекта будем использовать следующие контакты: Vcc, Gnd, 5v, A0, A1, D9, D10 и D11. Устанавливаем на плату Ардуино штыревые разъемы. Припаиваем к ним провода.
Монтаж RGB светодиодов в портативную Blurtooth-колонку
Одинарный RGB светодиод отличается тем, что в его одном корпусе совмещены три светодиода — красный, зеленый и синий. Соответственно они имеют четыре ноги, одна — катод общий, три — аноды.
- Пошаговая инструкция по созданию самодельного лампового усилителя звука
Соединяем проводами все 4 катода светодиодов. Затем соединяем аноды по цветам: четыре красных, четыре зеленых и четыре и синих. Вторые концы проводов, так же спаиваем вместе. Изолируем контакты термоусадкой.
Устанавливаем светодиоды в отверстия по углам передней панели. Фиксируем термоклеем.
Блютуз колонка своими руками: схема и монтаж
Монтируем электрочасть согласно схеме. Все соединения изолируем термоусадочной трубкой. Закрепляем провода внутри корпуса термоклеем.
Окончательная сборка корпуса самодельной блютуз-колонки
На боковой панели сверлим отверстия для аудио-разъема. На верхнюю панель устанавливаем Bluetooth модуль.
Устанавливаем панели на место.
Припаиваем провода Bluetooth модуля и прикручиваем аудио разъем.
Загрузка кода для работы портативной Bluetooth-колонки
Подключаем USB-кабель компьютера Ардуино и загружаем код.
Батарейный отсек для самодельной блютуз колонки
Батарейный отсек изготавливаем из дерева, а контакты — из булавок.
Подключаем и устанавливаем батарейный отсек в корпус колонки.
Покраска корпуса блютуз-колонки и финальные «штрихи»
Красим корпус колонки.
Устанавливаем ручки на потенциометры.
Видеоинструкция по изготовлению Bluetooth-колонки:
Данный проект осуществляется за пару часов, если вы уже имели дело с ремонтом электроники, и за один вечер, если беретесь за дело в первый раз. Его цель – колонка блютуз своими руками и за минимальные средства из любых старых динамиков. В качестве бонуса я расскажу о том, как сделать блютуз колонку своими руками из обычного смартфона.
Инструменты и материалы
Переделка потребует минимального набора инструментов :
- дрель;
- отвертка крестовая;
- ножницы или кусачки;
- тонкий паяльник на 30-40 ватт;
Необходимые материалы для устройства блютуз колонки, помимо динамиков:
- литий-ионная батарея 3,7 В;
- модуль блютуз BLK-MD-SPK-B (стоит 10 долларов на али);
- Разъем 3,5 мм;
- Штекер 3,5 мм;
- Провода, в идеале — 4 разных цветов;
- Выключатель.
Дополнительно понадобится изолента, припой, флюс для пайки и термоклей (хороший суперклей тоже подойдет).
1. Создание корпуса
Приготовление к созданию самодельной блютуз колонки начинается с разбора корпуса или создания нового. Некоторые умудряются изготовить очень даже красивые подиумы для динамиков из фанеры, пвх-труб и даже футляров от очков.
2. Выключатель и разъем питания
Просверлите в корпусе отверстие для имеющейся у вас кнопки включения, если она не предусмотрена конструкцией. Вклейте его надежным клеем и проделайте тоже самое с разъемом на 3,5 мм. Пластик сверлите на низких оборотах, чтобы не перегреть его и не расплавить.
3. Подсоединение к блютуз-модулю
К отрицательному выводу одного динамика припаяйте два провода, еще один – к положительному. Один отрицательный провод у нас пойдет на второй динамик, а остальные – на блютуз-модуль.
4. Подключение беспроводного модуля
На приведенном изображении показана микросхема для сборки блютуз колонки своими руками с помощью BLK-MD-SPK-В. Контакты с 3 по 5 будут использованы под вывод звука, 13 и 12 – для питания.
3 — Общий провод динамиков.
4 — Положительный провод левого.
5 — Положительный провод правого.
Контакты у модуля, который применял я, очень небольшие, поэтому приходилось паять очень осторожно, дабы их не повредить. Пропаянную плату можно крепить внутри конструкции.
5. Подключение аккумулятора
Очередным этапом крепим 3 провода к аккумуляторной батарее: плюсовой контакт, минусовой и еще один провод для контроля за зарядом. Все три пойдут на разъем питания 3,5 мм, а плюсовой еще и ко второму контакту на кнопке включения.
Важно! Для зарядки подходит постоянно напряжение 3,5-4 В и ток заряда не меньше 500 мА. Можно использовать любое подходящее по параметром зарядное устройство от старого мобильника.
6. Проверка работоспособности
Как только сборка завершена, настало время включать bluetooth на телефоне или другом источнике и запускать поиск беспроводной техники поблизости. Если при соединении с новеньким гаджетом запросят пароль, используйте стандартные четыре нуля.
Вот и всё, сделана достаточно мощная блютуз колонка своими руками, далее начинается новая жизнь без проводов.
Внешний динамик из смартфона
Как сделать блютуз колонку из обычной я рассказал. Но воспроизводить звук можно и через любой смартфон. Например, если у вас в самый неподходящий момент сломалась аудиосистема ноутбука. Для этого не нужен ни паяльник, ни провода, ни приобретение микросхем в Китае. Достаточно специального приложения для Android или iOS. Таких программ на сегодняшний день очень много, вы можете выбрать любую по своему вкусу. Для примера я расскажу о w.
Это приложение условно-бесплатно. То есть им вполне можно пользоваться и никому не платить, но в этом случае каждые 45 минут сигнал будет прерываться не очень приятным звуком и блоком с рекламой. 3$ за полную версию снимут лимит и подарят бонусом хорошее сжатие, а также возможность нескольких соединений одновременно.
Итак, как из телефона сделать блютуз колонку самому своими руками?
- Скачиваем SoundWire на компьютер с официального сайта и на смартфон с Google Play.
- Запускаем на обоих устройствах и ждем пока они друг друга обнаружат.
- В компьютерной версии выбираем источник звука из найденных.
- Наслаждаемся решением проблемы!
Если какой-то из шагов остался непонятен, все этапы сборки блютуз колонки своими руками на видео легко найти в интернете или ниже.
Данный проект осуществляется за пару часов, если вы уже имели дело с ремонтом электроники, и за один вечер, если беретесь за дело в первый раз. Его цель – колонка блютуз своими руками и за минимальные средства из любых старых динамиков. В качестве бонуса я расскажу о том, как сделать блютуз колонку своими руками из обычного смартфона.
Инструменты и материалы
Переделка потребует минимального набора инструментов :
- дрель;
- отвертка крестовая;
- ножницы или кусачки;
- тонкий паяльник на 30-40 ватт;
Необходимые материалы для устройства блютуз колонки, помимо динамиков:
- литий-ионная батарея 3,7 В;
- модуль блютуз BLK-MD-SPK-B (стоит 10 долларов на али);
- Разъем 3,5 мм;
- Штекер 3,5 мм;
- Провода, в идеале — 4 разных цветов;
- Выключатель.
Дополнительно понадобится изолента, припой, флюс для пайки и термоклей (хороший суперклей тоже подойдет).
1. Создание корпуса
Приготовление к созданию самодельной блютуз колонки начинается с разбора корпуса или создания нового. Некоторые умудряются изготовить очень даже красивые подиумы для динамиков из фанеры, пвх-труб и даже футляров от очков.
2. Выключатель и разъем питания
Просверлите в корпусе отверстие для имеющейся у вас кнопки включения, если она не предусмотрена конструкцией. Вклейте его надежным клеем и проделайте тоже самое с разъемом на 3,5 мм. Пластик сверлите на низких оборотах, чтобы не перегреть его и не расплавить.
3. Подсоединение к блютуз-модулю
К отрицательному выводу одного динамика припаяйте два провода, еще один – к положительному. Один отрицательный провод у нас пойдет на второй динамик, а остальные – на блютуз-модуль.
4. Подключение беспроводного модуля
На приведенном изображении показана микросхема для сборки блютуз колонки своими руками с помощью BLK-MD-SPK-В. Контакты с 3 по 5 будут использованы под вывод звука, 13 и 12 – для питания.
3 — Общий провод динамиков.
4 — Положительный провод левого.
5 — Положительный провод правого.
Контакты у модуля, который применял я, очень небольшие, поэтому приходилось паять очень осторожно, дабы их не повредить. Пропаянную плату можно крепить внутри конструкции.
5. Подключение аккумулятора
Очередным этапом крепим 3 провода к аккумуляторной батарее: плюсовой контакт, минусовой и еще один провод для контроля за зарядом. Все три пойдут на разъем питания 3,5 мм, а плюсовой еще и ко второму контакту на кнопке включения.
Важно! Для зарядки подходит постоянно напряжение 3,5-4 В и ток заряда не меньше 500 мА. Можно использовать любое подходящее по параметром зарядное устройство от старого мобильника.
6. Проверка работоспособности
Как только сборка завершена, настало время включать bluetooth на телефоне или другом источнике и запускать поиск беспроводной техники поблизости. Если при соединении с новеньким гаджетом запросят пароль, используйте стандартные четыре нуля.
Вот и всё, сделана достаточно мощная блютуз колонка своими руками, далее начинается новая жизнь без проводов.
Внешний динамик из смартфона
Как сделать блютуз колонку из обычной я рассказал. Но воспроизводить звук можно и через любой смартфон. Например, если у вас в самый неподходящий момент сломалась аудиосистема ноутбука. Для этого не нужен ни паяльник, ни провода, ни приобретение микросхем в Китае. Достаточно специального приложения для Android или iOS. Таких программ на сегодняшний день очень много, вы можете выбрать любую по своему вкусу. Для примера я расскажу о w.
Это приложение условно-бесплатно. То есть им вполне можно пользоваться и никому не платить, но в этом случае каждые 45 минут сигнал будет прерываться не очень приятным звуком и блоком с рекламой. 3$ за полную версию снимут лимит и подарят бонусом хорошее сжатие, а также возможность нескольких соединений одновременно.
Итак, как из телефона сделать блютуз колонку самому своими руками?
- Скачиваем SoundWire на компьютер с официального сайта и на смартфон с Google Play.
- Запускаем на обоих устройствах и ждем пока они друг друга обнаружат.
- В компьютерной версии выбираем источник звука из найденных.
- Наслаждаемся решением проблемы!
Если какой-то из шагов остался непонятен, все этапы сборки блютуз колонки своими руками на видео легко найти в интернете или ниже.
Ни для кого не является секретом тот факт, что на полках современного магазина можно найти огромное количество самых разнообразных блютуз-колонок. Эти устройства, позволяющие воспроизводить звук с телефона или другого аналогичного гаджета без каких-либо кабелей, обладают огромным количеством самых разнообразных характеристик.

В зависимости от своих качеств, блютуз-колонки могут обходиться покупателям, как в пару сотен, так и в несколько десятков тысяч рублей. Как правило, дешевые колонки быстро ломаются, так как производятся они из самых недорогих материалов, не отличающихся хорошим качеством. Дорогие модели, способные прослужить долгое время, часто не обладают достаточной выходной мощностью.

Многие люди часто задаются вопросом о том, можно ли собрать портативную колонку своими руками. В данном руководстве подробно рассматриваются все этапы создания и подключения самодельного беспроводного устройства для передачи звука.

Необходимые материалы
Такое достаточно сложное устройство, как беспроводная Bluetooth колонка, может быть собрана из запасных частей и деталей от старых моделей. Самые лучшие самодельные устройства с динамиком, обращенным вверх, изготавливаются из простых подручных материалов.

В качестве стенки для корпуса колонки можно брать обычные сантехнические пластиковые трубы, внутренний диаметр которых превышает три-четыре сантиметра.
Обратите внимание: в работе может задействоваться даже стандартный канализационный слив – главное найти подходящие динамики нужных габаритов, и проследить, чтобы они не падали вглубь собранного аппарата.

Из чего можно собрать колонку
Также хорошим «донором» становятся игровые наушники, выбрасываемые на мусор после долгих лет службы. Мембранная часть наушников попросту не может служить вечно – со временем она ломается, а звуковые катушки перегорают. Однако корпус наушников все еще может использоваться в качестве детали для самодельной блютуз колонки.

Корпус подобных устройств, как правило, обладает достаточными размерами и позволяет поместить в него динамик, воспроизводящий звуки в достаточно внушительном диапазоне. Блютуз колонка своими руками из старой колонки, вышедшей из строя, также имеет право на жизнь.

Помимо расходных материалов, следует приобрести набор болтов, подойдут обычные шайбы и гайки под них. Также нужно докупить клей, способный сохнуть за пару секунд, лучше взять универсальный «Момент-1».

Не забываем и о материалах для нижнего участка, покупаем несколько заглушек. Практически все предметы из вышеприведенного перечня без особых проблем приобретаются в одном супермаркете со строительным или сантехническим отделом.

Электронная составляющая блютуз-колонки
Основой будущего устройства для беспроводной передачи звука станет модуль блютуз. Без него собрать Bluetooth колонку своими руками не получится. Подобрать такой модуль можно на сайте популярного интернет магазина Aliexpress. Стоимость детали колеблется в промежутке от 7 до 15 долларов, так что подобная покупка не сильно ударит по бюджету.

В качестве примера – отличным образом может подойти модуль BLK-MD-SPK-B. При выборе устройства следует обратить внимание на наличие разъема и штекера 3,5mm Mini Jack. Также в комплекте, как правило, идут необходимые в дальнейшей работе разноцветные провода и устройство включения.

Плату следует подобрать исходя из типа динамика. Практически любой электротехнический интернет магазин предлагает на выбор десятки готовых усилителей звука. Далее мы расскажем о том, как сделать блютуз колонку своими руками.

Что понадобится
Из инструментов понадобятся:
- Электрическая дрель или аналогичное устройство.
- Плоская отвертка.
- Крестовая отвертка.
- Паяльная станция малой мощности – от 20 до 40 ватт.
- Изолента, водостойкий лак – в виде средств, использующихся для изоляции токоведущих участков. Также следует приобрести изоляционные кабели и трубки.

Обратите внимание на то, что паяльная станция должна обладать малым показателем мощности. Используя слишком мощный паяльник, вы рискуете попросту перегреть слишком мелкие и тонкие выводы радиодеталей и микросхем.

А, как известно, практически все радиодетали, получившие излишнюю дозу тепла, перегреваются и получают, так называемый, тепловой пробой. Ввиду этого явления детали становятся практически бесполезными и не могут выполнять свои функции в качестве инструментов для создания многофункциональных частей.

Пошаговое руководство по изготовлению колонки
Как нетрудно догадаться, основное отличие собираемой колонки от простого устройства заключается в присутствии платы беспроводной передачи сигнала.
Подобная деталь обладает достаточно внушительными габаритами, относительно общего размера устройства, а также требует дополнительного питания, вследствие чего возникает потребность в дополнительной батарее.

Умная колонка своими руками собирается достаточно просто – следует внимательно выполнять все рекомендации и не пропускать важных моментов.

В общих чертах, создание беспроводной блютуз колонки проводится в несколько этапов:
- Заготовка подходящего корпуса для будущего устройства – по чертежу и размерам, высчитанным относительно габаритов всех функциональных деталей. В корпусе пропиливаются все необходимые грани, просверливаются входные отверстия и выделяются зазоры.
- Установка блютуз модуля и устройства-усилителя, монтаж аккумуляторной батареи и платы для получения зарядки.
- Финальная сборка готовых модулей.

Обратите внимание: после завершения работ по изготовлению корпуса, следует в первую очередь заняться установкой аккумуляторной батареи. Блютуз колонка своими руками, схема которой рассмотрена в данной статье, собирается в несколько шагов, подробно описанных далее.
Установка аккумулятора
Для обеспечения качественной работы беспроводной колонки следует подобрать аккумуляторную батарею с мощностью в несколько ампер-часов. Самым лучшим вариантом будет составление конструкции из двух или трех модулей, собственная емкость которых достигает 2-3А.

Подобные детали продаются на радио рынках, в виде старых аккумуляторов от телефонов и планшетов.

После нахождения нужной детали следует выполнить следующие действия:
- Определите место расположения аккумуляторной батареи и примерьте ее к корпусу будущей колонки.
- Используя паяльную станцию, подсоедините к батарее провода, а затем временно их изолируйте.
- Закрепите аккумулятор на дно корпуса, также отличным местом может стать боковая стенка. Для фиксации используется супер клей.
- Аккумуляторная батарея присоединена и готова к дальнейшему подключению к ней прочих устройств. Следует выполнить следующие этапы работы:
- Используя паяльник, присоедините USB-кабель к участку для зарядки.
- Установите в корпус модуль заряда и закрепите его с помощью супер клея или герметика.
- Соедините между собой выход модуля и вход аккумулятора, обращая внимание на полярность.

В качестве проверки следует подключить аккумулятор к телефону или планшету, с помощью присоединенного модуля USB. В том случае, если на плате загорелся светодиод – все работает верно.

Затем следует выполнить следующие действия:
- Соедините с помощью паяльника обратный модуль с двумя парами входных и выходных проводов. Обратите внимание на то, что следует оставлять обрыв для питания, его нужно подключать последовательно.
- Закрепите выключатель с помощью супер клея или герметика.
- Подсоедините выключатель к разрыву питания с помощью паяльной станции.
- Проверьте устройство методом его активации, в случае, если все верно, на выключателе загорится светодиод.
После выполняются такие шаги:
- Все пропаянные контакты изолируются с помощью подручных материалов: герметика или изолирующей ленты. Следует внимательно отнестись к этому этапу работы, так как модули, полученные из Китая, обладают крайне низкими показателями защиты, вследствие чего выгорают даже при небольших выходных замыканиях.
- Обратный модуль питания закрепляется на корпусе колонки с помощью супер клея или герметика.

На этом первый этап сборки собственной самодельной блютуз колонки завершен. Интерфейс питания полностью готов, а платы узлов надежно зафиксированы в корпусе устройства. Пора переходить к монтажу усилителя и беспроводного модуля Bluetooth.

Установка усилителя
Для начала, следует определиться с тем, в какое именно место вы будете монтировать усилитель. Следует понимать, что эта деталь обладает достаточным весом и внушительными габаритами, так что ее следует крепить особым образом. Выполняются следующие шаги:
- Усилитель устанавливается в корпус.
- Припаиваются входные провода, провода выхода и провода питания.
- Устанавливается выходной разъем.
- Подводится питание.

Помните, что слишком мощный, большой и тяжелый усилитель превратит беспроводную блютуз колонку в стационарное устройство. Выбирайте деталь исходя из своих потребностей и нужд.

Установка Bluetooth модуля
Монтажные работы по закреплению и подключению модуля блютуз выполняются следующим образом:
- Определяется место прикрепления детали, исходя из ее габаритов.
- С помощью паяльной станции плата присоединяется к входным проводам и выходным каналам.

Затем выполняются следующие шаги:
- Модуль блютуз подключается к усилителю.
- Подключается питание.
- Изолируются места применения паяльной станции.
- Модуль закрепляется в корпусе.
- Монтируется антенна

На данном этапе работа практически выполнена, осталось только установить динамик.
Установка динамика
Схема подключения динамика:
- Динамик закрепляется на корпусе колонки.
- Ушки динамика прикручиваются на грань корпуса устройства.
- Провода выхода усилителя соединяются с входными контактами динамика.
- Колонка закрывается.

После того, как вы подключите динамик и закроете коробку, следует завершить все работы по окончательному оформлению корпуса колонки. Работа выполнена, устройство можно тестировать.

Фото блютуз-колонки своими руками




































































