Как сделать телевизор из старого монитора. Конвертер AV to VGA
? Как подключить монитор VGA к тюльпану или ПК к телевизору. Конвертер VGA в RCA и RCA в VGA.
? Как подключить монитор VGA к тюльпану или ПК к телевизору. Конвертер VGA в RCA и RCA в VGA.
Кабель VGA на тюльпан /// ОБМАН
Кабель VGA на тюльпан /// ОБМАН
Те, кто являются обладателями значительного количества аудио- и видеоаппаратуры, стоят перед выбором: сделать самому или приобрести в магазине переходник, который будет конвертировать сигналы разных типов. Что уж и говорить, но заводские устройства стоят весьма немало, однако часто можно обойтись и без них. И в рамках статьи будет рассказано о том, как сделать переходник VGA RCA. Также будут даны ответы на часто задаваемые вопросы.
Что собой представляет VGA RCA переходник
Схема данного прибора может показаться сложной, но исключительно до того момента, пока вы в ней не разберётесь. Чем является данное устройство? Это переходник из тюльпанов (RCA разъемов) аналогового видеовыхода в VGA D-Sub на 15 pin-ов. Рассмотренное здесь устройство можно использовать, чтобы подключить DVD проигрыватель или спутниковый тюнер к мультимедийному проектору. Конечно, при условии, что нет возможности работы напрямую посредством однотипного кабеля, что обычно распространено в дешевых или устаревших приборах.
В чем заключается идея?
Как реализовать такую задумку? Вам необходим компьютерный кабель (тип – витая пара классификации CAT5/CAT5e), предназначенный, чтобы передавать видеосигнал. Использовать именно его будем из-за того, что передача осуществляется на расстояние в пятьдесят метров без потери качества.
Для начала нам необходимо обзавестись тремя разъемами RCA и одним D-Sub15 pin (это штекер), а также витой парой. Последнюю деталь лучше брать экранированную STP, чем UTP. Но такую сложнее достать, что сказывается на цене. Поэтому тут рассматривается вопрос возможностей и желаний. Особой разницы между элементами нет, но есть один нюанс: UTP лучше использовать, если длина кабеля меньше 10 метров. Если расстояние большее, то лучше всё же будет найти STP.
Распиновка
Как провести распиновку для разъема D-Sub на 15 pin-он? Номера идут слева направо:
1 – R-Y (Pr).
2 – Y.
3 – B-Y (Pb).
4 – Ground – Brown.
5 – Ground – WhtBrown.
6 – Ground R-Y (Pr) – WhtRed.
7 – Ground Y – WhtGreen.
8 – Ground B-Y (Pb) – WhtBlue.
9 – Не нужен.
10 – Ground.
11 – Не нужен.
12 – DDC DAT.
13 – Horizontal Synchronization.
14 – Vertical Synchronization.
15 – DDC Clock.
На кабель-переходник VGA RCA нам требуется шесть пинов из представленных пятнадцати. Как правильно осуществить распайку разъемов и контактов? Ознакомьтесь с данным рисунком, и вам будет понятно, как и что делать.
Итак, давайте посмотрим, что получилось. Если всё правильно было спаяно, то у вас сейчас есть переходник, который может подавать видеосигнал на VGA D-Sub на 15 pin-ов проектора. Как примерно должен выглядеть конечный продукт, можете посмотреть на фотографиях, представленных в статье.
Проверка
Провода пар, на концах которых спаяны RCA штекеры, полезно будет обжать термоусадкой, чтобы получить большую жесткость. В целом сейчас можно подключать результат труда и наслаждаться им (если всё было спаяно, как нужно). Парные провода, на концы которых пристроены RCA штекеры, можно обжать термоусадкой, чтобы получить большую жесткость.
В данном случае использовался тюнер спутниковый с компонентным видеовыходом на 3 RCA в качестве источника сигналов и мультимедийный проектор Sanyo, где не было предусмотрено отдельного такого же видеовхода. Если на данный момент нет возможности убедиться в работоспособности получившегося переходника, то можно только внимательно осмотреть всю конструкцию и убедится, что никаких упущений не было, и всё спаяно так, как указано в статье.
Что необходимо понимать
Следует отдавать себе отчёт в том, что рассмотренный переходник может обеспечить работу и полноценное функционирование устройства, у которого есть VGA видеовход, только в том случае, если он может приводить автоопределение типа поступающего видеосигнала. Показателем этого будет возможность выбора режима, в котором будут передаваться данные на RGB/YPbPr. На использование позитивно скажется отправка указанных типов сигналов. Почему так?
Дело в том, что RGB и HV.синхр (как, пример, данные, идущие с выхода видеокарты персонального компьютера) преобразовывается в RGB, который имеет синхроимпульсы в зеленом канале (Y). Он, в свою очередь, превращается в цветоразностный YPbPr. И как результат, можно сделать заключение, что эти сигналы не являются одним и тем же, хотя и могут передавать ту же информацию. Поэтому внимательно изучите, как выглядит VGA RCA переходник.
Часто задаваемые вопросы
Основываясь на данных, представленных в статье, можно предположить, что у читателей возникли некоторые вопросы. Однако подобная тема затрагивается не впервые, поэтому такую информацию можно найти без труда. Мы выяснили, как сделать VGA RCA переходник своими руками. Теперь рассмотрим возможные его усовершенствования.
Какие переходники можно сделать с использованием витой пары?
- VGA удлинители – специальные кабели, которые имеют разъемы D-Sub 15 pin на своих обоих концах, при этом вход и выход у них работают по одной технологии.
- RCA (3xRCA) используется, чтобы передавать компонентные видеосигналы. На каждом конце находится по три разъема. Применяется при работе с плеером DVD и телевизором.
- RCA (D-Sub15pin) был рассмотрен немного выше. Здесь компонентные Y, Pr, Pb в VGA.
- Чтобы передавать аналоговый звук, одновременно может использоваться две пары стереосигналов (на каждом конце по 4 RCA разъема).
Для чего необходима свободная пара Brown-Brown/Wht?
Её можно использовать, чтобы передавать моноаудиосигнал от DVD проигрывателя, когда имеется аудиовход мультимедийного проектора (при условии, что у него есть динамики). В противоположном случае данную пару лучше будет обрезать и заизолировать. Поэтому следует хорошо продумать аспекты и то, как VGA RCA переходник будет использоваться.
Как можно сделать переходник Scart VGA?
Если источник видеосигнала имеет полный Scart видеовыход, то подобное устройство можно сделать без проблем. Для этого проводится распиновка контактов следующим образом (сначала выходы):
- 7 – синий;
- 11 – зелёный;
- 15 – красный.
Теперь земля:
- 5 – синий;
- 9 – зелёный;
- 13 – красный.
В остальном всё делается так, как было ранее описано в статье.
Заключение
Что можно сказать напоследок? Внимательно изучите представленные рисунки и на деталях мысленно представьте, что и как вы будете делать. Во время работы соблюдайте предельную осторожность и внимательность – ведь если промахнуться с заземлением, то последствия будут довольно печальными и весьма негативными. В итоге получится не VGA RCA для техники, а необходимость купить новое устройство для воспроизведения видео. Но если всё получится – то соединение компьютера, проектора, телевизора и многих других приборов сейчас не будет проблемой. Главное, необходимо убедится, что всё выводы подсоединены к нужным выходам, и не случится никаких казусов.
Но вместе с этим можно поднять вопрос и о рентабельности сборки данного переходника. Дело в том, что его можно купить за 100-150 рублей, что не является высокой ценой. Время, потраченное на создание переходника своими силами, в конечном итоге обойдется дороже. Единственный приемлемый вариант – если уже всё есть, и необходимо только сделать данное устройство. С чисто любительской точки зрения подобный опыт может быть ценным, если есть прицел на работу, тесно связанную с восстановлением и созданием подобных устройств в будущем.
Converter VGA TO VIDEO — Используется для конвертирования видеосигнала VGA в AV (вход VGA, выходы: VGA, SVHS, AV)
С
помощью этого конвертера подключите ваш ПК к телевизору, вы можете
использовать большой экран, чтобы смотреть фильмы с вашего ПК,
просматривать интернет, или просто для использования в качестве
основного или в качестве дополнительного экрана компьютера.
Конвертер
поставляется с VGA, S-Video, RCA кабелем. Кнопки управления конвертером
удобно расположены на боковой стороне устройства таким образом, Вы
можете быстро настроить качество изображения для любых марок TV.
Устройство
plug-and-play ready, вы можете просто подключить его к телевизору и
использовать без установки программного обеспечения . Устройство
работает на всех операционных системах, включая Windows, Mac и Linux!
Если
вы когда-нибудь хотели использовать телевизор в качестве экрана
компьютера, то этот продукт для вас. Этот видео конвертер совместим со
всеми телевизорами, которые используют RCA или S-Video подключение, и
все компьютерные мониторы, которые используют подключение VGA.
Этот мощный и простой в использовании видео конвертер, поставляется с всеми типами используемых кабелей.
Конвертер
поддерживает преобразование RCA AV входящего сигнала в VGA видеосигнал
для отображения видео на мониторе компьютера, так что вы можете
подключить ваш PSP, PS2, видеокамера, DV и других видео-устройств,
которое использует RCA AV-выход, вы можете подключить компьютер,
монитор, видео конвертер для просмотра.
Особенности:
1 х Вход VGA сигнала, 1 х выход VGA сигнала.
1х выход AV видео, 1 х выход S-Video.
1 х ACPI 5 V
Вход разрешение VGA: 640×480(60/72/75/75HZ),800×600(60/75Hz),1024×768(60/75Hz),1280×1024(60Hz.)
Выход: VGAVideoS-Video сигналов.
Посмотреть фотографии одновременно на монитор и телевизор.
Поддержка систем: ТВ-систем NTSC(Тайвань и США), NTSC-EIAJ(Япония),PAL(Европа,Китай),PAL-M(Бразилия),PAL-N(Уругвай, Парагвай).
Поддержка OVERSCAN и UNDERSCAN режим отображения.
Размеры : 100 мм(длина) x56mm(Ширина)x36mm(высота).
Технические характеристики
— Высокое разрешение VGA в AV Video Converter — использование телевизора в качестве монитора компьютера
— ПК к телевизору конвертер (VGA-композитный или S-video)
— частоту обновления можно легко переключаться между 60HZ-75HZ, изображения не фликуют
—
Разрешающая способность может быть легко переключаться между(640*480/
800*600/ 1024*768/ 1280*1024/ 1440*900/ 1680*1050),ЭЛТ-монитор и
ЖК-монитор совместимы
— Функция extra strong шумоподавления 3D-изображение делает фотографии четкими и стабильными
— Отличительные функции PIP, и размер и положение окон можно регулировать
— AV/S terminator входной интерфейс может быть подключен к DVD/PDP/PS2/игры, консоли и т.д.
— Широкополосный ПК/ТВ-переключатель(200MHZ)
Выходы:
— Композитный видео (желтый)
— S-Video
— VGA
Входы:
— USB 5v питания
— VGA
VGA резолюции:
— 640 x 480 (60/70/75Hz)
— 800 x 600 (60/75Hz)
— 1024 x 768 (60/75Hz)
— 1280 x 1024 (60 Гц)
Кнопки управления:
— PAL/NTSC выключатель ON/Off
— Меню
— Zoom
— Вверх
— Вниз
— ВПраво
— Влево
Гарантия 6 МЕСЯЦЕВ с даты продажи Производство — Китай
Внимание! Внешний вид товара, комплектация и характеристики могут изменяться производителем без предварительных уведомлений. Данный
интернет-сайт носит исключительно информационный характер и ни при
каких условиях не является публичной офертой, определяемой положениями
статьи 437 (2) гражданского кодекса российской федерации.
| Архив — только для чтения |
| Переходник VGA — тюльпан | ||||
| ||||
| ||||
| ||||
| ||||
| ||||
| ||||
| ||||
| ||||
| ||||
|
Внимание! Форум переехал на Tehnodium.ru
Преобразование Video в VGA или монитор как телевизор
У меня имеется преклонный, в годах, ЭЛТ (CRT) монитор SONY 200 GS Trinitron. Отличные цвета, хорошее состояние, но уже морально устаревший, хотя физически ещё хоть куда. Мысль использовать этот обычный компьютерный монитор с 15 pin VGA (D-sub) входом как телевизор довлела давно, но до реализации на практике никак не доходило. И вот настал этот долгожданный момент. Был заказан конвертер модели HDV200-A. Он позволяет преобразовывать обычный стандартный сигнал Video от любого источника: DVD, VCR, TV тюнера (DVB-T, DVB-С, DVB-S), камеры и etc. в VGA (D-sub), который стандартный почти во всех мониторах. 
Сигнал Video брался от HD цифрового тюнера Витязь HDR-826 www.vityas.com/catalog/tuner/82.html Данный тюнер универсальный и позволяет принимать цифровые сигналы как эфирные – DVB-T, так и кабельные — DVB-C, есть возможность подключения карточки доступа (кодированные каналы). Выходы (тюнера) — SCART, RCA, HDMI. В нашем случае использовался SD сигнал (576i) DVB-C цифрового пакета местного кобельного оператора. Фото с экрана монитора канала Кино хит ниже
Текущее разрешение [email protected] Изображение четкое, без хвостов, повторов, переходов и всяких тянучек, т.к. изначально используется сигнал от цифрового тюнера. Разрешение, устанавливается последовательным нажатием кнопки Resolution. Другой кнопкой Menu изменяются параметры монитора – Яркость, Насыщенность, Контрастность, Цветовой оттенок. Кнопка Input – переключение между входными сигналами от разных источников. При выборе текущие режимы высвечиваются на экране монитора и через несколько секунд исчезают. Текущие настройки при отключении питания конвертера судя по всему сохраняются. Сбоку конвертера имеется разъём для подключения выносного блока питания 5V. Рядом индикатор питания – красный светодиод заклеенный стикером о проверке качества. Смотрится это довольно прикольно, т.е. подсвеченный стикер.
mysku.ru
Конвертер VGA видео сигнала в VGA / S-Video / AV видео
Converter VGA TO VIDEO — Используется для конвертирования видеосигнала VGA в AV (вход VGA, выходы: VGA, SVHS, AV)
С
помощью этого конвертера подключите ваш ПК к телевизору, вы можете
использовать большой экран, чтобы смотреть фильмы с вашего ПК,
просматривать интернет, или просто для использования в качестве
основного или в качестве дополнительного экрана компьютера.
Конвертер
поставляется с VGA, S-Video, RCA кабелем. Кнопки управления конвертером
удобно расположены на боковой стороне устройства таким образом, Вы
можете быстро настроить качество изображения для любых марок TV.
Устройство
plug-and-play ready, вы можете просто подключить его к телевизору и
использовать без установки программного обеспечения . Устройство
работает на всех операционных системах, включая Windows, Mac и Linux!
Если
вы когда-нибудь хотели использовать телевизор в качестве экрана
компьютера, то этот продукт для вас. Этот видео конвертер совместим со
всеми телевизорами, которые используют RCA или S-Video подключение, и
все компьютерные мониторы, которые используют подключение VGA.
Этот мощный и простой в использовании видео конвертер, поставляется с всеми типами используемых кабелей.
Конвертер
поддерживает преобразование RCA AV входящего сигнала в VGA видеосигнал
для отображения видео на мониторе компьютера, так что вы можете
подключить ваш PSP, PS2, видеокамера, DV и других видео-устройств,
которое использует RCA AV-выход, вы можете подключить компьютер,
монитор, видео конвертер для просмотра.
Особенности:
1 х Вход VGA сигнала, 1 х выход VGA сигнала.1х выход AV видео, 1 х выход S-Video.1 х ACPI 5 VВход разрешение VGA: 640×480(60/72/75/75HZ),800×600(60/75Hz),1024×768(60/75Hz),1280×1024(60Hz.)Выход: VGAVideoS-Video сигналов.Посмотреть фотографии одновременно на монитор и телевизор.Поддержка систем: ТВ-систем NTSC(Тайвань и США), NTSC-EIAJ(Япония),PAL(Европа,Китай),PAL-M(Бразилия),PAL-N(Уругвай, Парагвай).Поддержка OVERSCAN и UNDERSCAN режим отображения.Размеры : 100 мм(длина) x56mm(Ширина)x36mm(высота).
Технические характеристики
— Высокое разрешение VGA в AV Video Converter — использование телевизора в качестве монитора компьютера
— ПК к телевизору конвертер (VGA-композитный или S-video)
— частоту обновления можно легко переключаться между 60HZ-75HZ, изображения не фликуют
—
Разрешающая способность может быть легко переключаться между(640*480/
800*600/ 1024*768/ 1280*1024/ 1440*900/ 1680*1050),ЭЛТ-монитор и
ЖК-монитор совместимы
— Функция extra strong шумоподавления 3D-изображение делает фотографии четкими и стабильными
— Отличительные функции PIP, и размер и положение окон можно регулировать
— AV/S terminator входной интерфейс может быть подключен к DVD/PDP/PS2/игры, консоли и т.д.
— Широкополосный ПК/ТВ-переключатель(200MHZ)
Выходы:
— Композитный видео (желтый)
— S-Video
— VGA
Входы:
— USB 5v питания
— VGA
VGA резолюции:
— 640 x 480 (60/70/75Hz)
— 800 x 600 (60/75Hz)
— 1024 x 768 (60/75Hz)
— 1280 x 1024 (60 Гц)
Кнопки управления:
— PAL/NTSC выключатель ON/Off
— Меню
— Zoom
— Вверх
— Вниз
— ВПраво
— Влево
Гарантия 6 МЕСЯЦЕВ с даты продажи Производство — Китай
Внимание! Внешний вид товара, комплектация и характеристики могут изменяться производителем без предварительных уведомлений. Данный
интернет-сайт носит исключительно информационный характер и ни при
каких условиях не является публичной офертой, определяемой положениями
статьи 437 (2) гражданского кодекса российской федерации.
applecam.ru
Как подключить приставку с RCA к VGA монитору. RCA to VGA.
Рассмотрим способ, который позволит подключить приставку или видеоплеер с видеовыходом RCA к VGA монитору от компьютера (RCA to VGA).
Друзья, мы писали ранее о способе подключения устройства с VGA видеовыходом к устройству с тюльпанами RCA (по компонентному видеосигналу) по витой паре. Однако, многие пользователи в комментариях задавали вопрос о том, как подключить устройство с композитным видеовыходом RCA к старому VGA монитору (RCA to VGA). Поэтому, возвращаемся к этому вопросу.
ВИДЕО-ОБЗОР
Статьи по теме:Как подключить звук через HDMI на колонки. Конвертер HDMI to SPDIF.Как удлинить HDMI по витой пареКонвертер HDMI to RCAКак подключить VGA по витой пареКонвертер звука Optical в Analog AudioПереходник HDMI DVI. Теория, основы, распиновка, подключение.
И так, просто вот таким переходником, самодельным или готовым, такое подключение осуществить невозможно, так как он предназначен для подключения компьютера с VGA к телевизорам. В том случае видеокарта сама преобразует сигналы и выдает на этот переходник. А вот для решения нашей задачи нужен активный преобразователь — конвертер RCA to VGA.

Конвертер RCA к VGA имеет VGA видеовход и позволяет одновременно подключить и компьютер с VGA видеовыходом. При этом, кнопкой на конвертере можно выбрать подключенное устройство.Питание конвертера RCA to VGA осуществляется от USB, кабель для этого присутствует в комплекте, однако самого блока питания нет. Подключить его можно либо к телефонному блоку питания с USB либо к USB порту любого устройства. Также конвертер имеет ряд настроек, навигация по меню настроек осуществляется кнопками на панели устройства.
В отзывах к конвертеру RCA to VGA пользователи отмечают отличную работоспособность устройства. Так что, именно такой конвертер RCA to VGA позволит решить проблему подключения ТВ приставки с RCA к VGA монитору от старого компьютера.
Приобрести конвертер RCA to VGA с полным комплектом видеокабелей и блоком питания EU стандарта можно на Aliexpress за 12$ по ссылке: http://aliexpress.com/converter-rca-to-vga.html
Поделиться ссылкой:
Понравилось это:
Нравится Загрузка…
Похожее
blog.avisproject.com.ua
VGA конвертер
Устройство VGA конвертер – удобно для дома
Компактный VGA конвертер – устройство, которое необходимо для того, чтобы преобразовывать VGA формат в какой-либо другой формат, с целью подключения друг к другу несовместимых устройств. Используя такой прибор, вы без труда сможете подключить свой старенький компьютер, в котором встроена аналоговая графическая карта, к новому телевизору, который работает только с форматом HDMI.
Для того чтобы выполнить такую процедуру, вам необходим конвертер VGA HDMI, который очень просто купить в нашем магазине. Но на это возможности и варианты не заканчиваются. Вы также можете использовать специальный конвертер, чтобы подключать к компьютеру и другие устройства. К примеру, телевизор, который имеет только порты в виде классических «тюльпанов». В этом случае вам стоит приобрести конвертер VGA RCA.
Именно поэтому, если вам срочно понадобилось подключить к старому компьютеру новый монитор, необходимо купить конвертер VGA, который позволит сделать это без каких-либо проблем. Наш магазин готов предложить своим клиентам качественный VGA конвертер цена, на который сравнительно низка, поэтому вы будете довольны своей покупкой. Работайте только с профессионалами, и вы всегда останетесь довольны результатом.
Конвертер HDMI VGA – сделайте жизнь проще
Конвертер переходник HDMI VGA – устройство, которое нужно для того, чтобы передать сигнал от HDMI источника к VGA приемнику. Это достигается за счет того, что конвертер преобразует сигнал, позволяя осуществить его нормальный прием. Казалось бы, данный формат давно устарел, поэтому никому не нужно осуществлять такие манипуляции.
Однако у многих людей есть приборы, обладающие лишь входом VGA, поэтому им очень сложно подключить к ним новое оборудование, работающее на интерфейсе HDMI. Именно тут на помощь и приходят такие устройства, как конвертер интерфейсов HDMI в VGA.
Сами эти устройства не занимают много места, поскольку они очень компактны. Именно поэтому их очень удобно использовать в домашних условиях. Конвертер сигнала VGA в HDMI – очень полезное устройство, которое может пригодиться каждому.
Если вас заинтересовал преобразователь конвертер VGA HDMI, вы всегда можете приобрести его в нашем магазине по отличной цене. Мы гарантируем качество всех продаваемых нами устройств. Именно поэтому, если вы решили VGA HDMI конвертер купить у нас, можете быть спокойны за качество. Покупка не доставит вам никаких проблем.
Также у нас вы можете приобрести конвертер переходник HDMI VGA audio. Компактный VGA audio HDMI конвертер идеальное решение для преобразования звукового сигнала.
Конвертер VGA HDMI RCA – легкое преобразование форматов
Конвертер VGA HDMI RCA – устройство, которое позволяет передавать сигнал VGA на устройства, которые обладают входом HDMI или же RCA. Это крайне удобно в тех ситуациях, когда необходимо подключить старый компьютер к новому телевизору с интерфейсом HDMI или же старому телевизору, который не принимает VGA сигнал, но имеет вход RCA.
Эти устройства крайне удобны, поэтому давно заслужили любовь пользователей. Вы всегда можете без проблем приобрести качественный конвертер VGA HDMI RCA по очень привлекательной цене в нашем магазине. Мы гарантируем качество каждого нашего продукта.
Компактный Component VGA конвертер – решение большой проблемы
Component – второе название формата YPBPR. Данный формат используется для того, чтобы обеспечить раздельную передачу яркости и цветности. Несмотря на то, что сейчас очень сложно найти оборудование с таким разъемом, некоторые все еще используются. Иногда бывает необходимо подключить источник с таким сигналом, к приемнику, работающему с VGA интерфейсом.
Специально для этого необходим component VGA конвертер, который позволяет перевести сигнал в необходимый нам VGA. Такие устройства очень компактны и удобны в использовании, поэтому они очень популярны среди пользователей.
Конвертер scart VGA – устройство, решающие проблему совместимости
В Европе для подключения мультимедийных устройств используется специальный формат SCART. Именно поэтому с оборудованием, привезенным из европейских стран, часто возникают проблемы совместимости. К примеру с различным оборудованием, которое работает на VGA интерфейсе.
Для того чтобы решить такую проблему необходим SCART VGA конвертер. Данное устройство помогает без особых проблем осуществлять передачу сигналов между оборудованием, работающим на разных интерфейсах. Вы всегда можете приобрести такое устройство в нашем магазине по оптимальной цене и высокого качества.
Конвертер AV VGA – вторая жизнь старого оборудования
Интерфейс AV – композитный аудио и видеоинтерфейс, который используется в большинстве телевизоров предыдущих поколений. Он является наиболее простым способом подключения к телевизору плееров или же видеомагнитофонов. Такой метод подключения был крайне популярен в прошлом, однако сейчас он сильно сдал свои позиции, поскольку имеется большое количество более продвинутых интерфейсов.
В связи с тем, что иногда возникает необходимость подключить старый телевизор к устройству, которое не поддерживает формат AV, необходимо использовать конвертер AV VGA. Это позволяет без проблем осуществить передачу сигнала с одного устройства на другое, даже при условии того, что без конвертера VGA в видео, данные устройства попросту несовместимы.
Видео конвертер VGA to Video – очень популярное устройство, которое является не только очень компактным, но и функциональным. Поэтому у вас не возникнет никаких проблем, используя конвертер сигнала в VGA. Вы сможете без проблем использовать свой старый телевизор для просмотра видео с источников, работающих на интерфейсе VGA используя видео конвертер AV в VGA. Вы без проблем можете купить VGA видео конвертер в нашем магазине по очень привлекательной цене.
Конвертер BNC VGA – незаменим при работе с радиоаппаратурой
Разъем BNC – общий тип RF разъема, который используется для коаксиальных кабелей. Такой тип конвекторов чаще всего используют в видео и радиоаппаратуре, где передача сигналов делается по радиочастотным кабелям. Чаще всего такой разъем бывает установлен в промышленно-торговом оборудовании.
Иногда необходимо передать сигнал с устройства с разъема BNC на VGA. Для этого необходимо использовать конвертер BNC VGA, который вы можете без проблем приобрести в нашем магазине. Мы гарантируем высокое качество и отличные цены, поэтому для вас не станет проблемой купить конвертер видеосигнала BNC VGA.
Конвертер VGA RCA – легкое решение изменения сигнала
Разъем RCA – очень популярный в прошлом стандарт, который иначе называют «тюльпан». Если учесть, что у многих людей еще осталось оборудование, работающее на данном интерфейсе, может возникнуть проблема совместимости с более современными устройствами. Чтобы решить эту проблему может понадобиться конвертер RCA VGA, который позволяет изменить сигнал на необходимый.
Конвертер VGA тюльпан – очень удобное устройство, которое может понадобиться многим людям. Именно поэтому если вы решили конвертер VGA RCA купить, мы готовы предложить вам самые оптимальные варианты по разумным ценам.
Конвертер RGB VGA – решает вопрос совместимости
Формат RGB – одна из разновидностей компонентного видеосигнала. Чаще всего такой выход имеется на проигрывателях DVD, и он необходим для того, чтобы вывести изображение на монитор компьютера. Несмотря на то, что такой формат вывода несколько устарел, у многих людей еще остаются приборы, которые нужно подключить к устройству с VGA входом.
Для того чтобы преобразовать сигнал RGB в VGA необходим специальный конвертер RGB в VGA. Такое устройство помогает без особых проблем разобраться с вопросом совместимости устройств. Приобрести такой конвертер вы можете в нашем магазине по наиболее оптимальной цене.
Конвертер S-video VGA – передача сигнала S-video на VGA вход
Формат S-video – один из разновидностей компонентного видеоинтерфейса, который позволяет осуществлять раздельную передачу компонентов видеосигнала. Такой тип интерфейса практически исключает возможные перекрестные помехи, которые могут возникать при разделении сигналов.
Для того чтобы подключить устройство S-video к VGA, необходим специальный прибор. Он носит название конвертер S-video VGA. Компактный конвертер Video VGA позволяет обеспечить качественный сигнал при передаче на любое устройство, работающее на интерфейсе VGA. В нашем магазине конвертер S Video VGA купить можно без особых проблем.
Конвертер TV VGA – передает сигнал от телевизора к компьютеру
Сигнал TV – классический телевизионный сигнал, который можно встретить на любом телевизоре. Для того чтобы подключить телевизор с классическими TV выходами к компьютеру с VGA входом, необходим специальный прибор.
Такое устройство называется конвертер TV в VGA. Данный прибор позволяет осуществить качественную передачу сигнала и устраняет проблему несовместимости. Вы без проблем можете приобрести такой конвертер в нашем магазине по оптимальной цене. Притом мы гарантируем высокое качество продукта, который продаем. Обращайтесь к нам и будьте уверены, что вы будете довольны.
Конвертер USB VGA – стирает грани прогресса
Конвертер USB VGA – устройство, которое позволяет подключить к вашему компьютеру монитор, обладающий аналоговым входом. Используя данный прибор, вы сможете избежать всех возможных проблем с совместимостью.
Очень часто у людей возникает проблема с подключением к компьютеру старого монитора. В такой ситуации нельзя обойтись без конвертера. Именно поэтому, если вам необходимо решить такой вопрос, вы можете приобрести в нашем магазине качественный конвертер, который позволит вам добиться отличного качества сигнала даже на старых устройствах вывода.
Конвертер VGA в композит – решение многих проблем.
Композитный сигнал – это комплекс видеоинтерфейсов, которые обеспечивают раздельную передачу составляющих видеосигнала. Наиболее известные форматы видео, которые являются композитный – это S-Video и RCA.
Несмотря на то, что такой тип сигнала несколько устарел, у многих еще остались устройства, которые работают именно с такими интерфейсами. В связи с этим, может возникнуть необходимость подключить такие устройства к VGA входу. Для этого нужно использовать такое устройство, как конвертер VGA в композит.
old.ascompro.ru
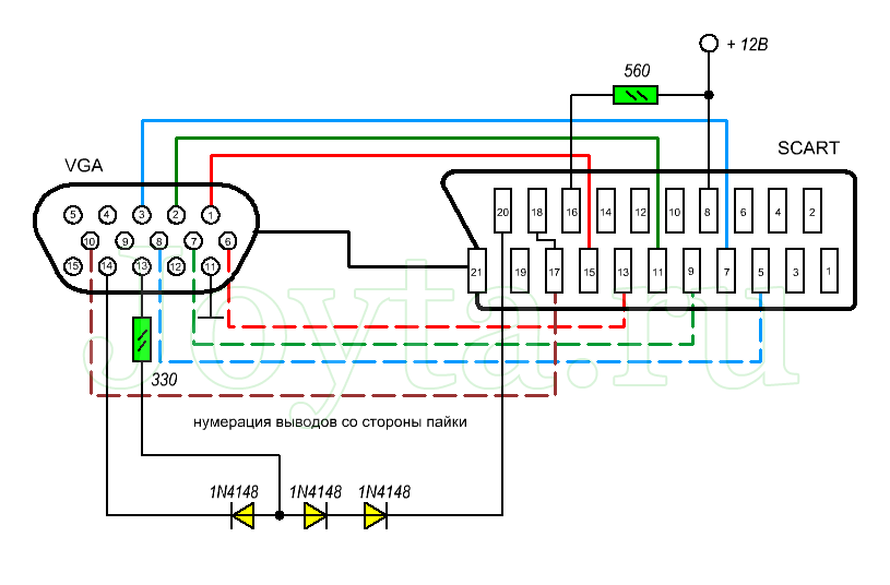
Переходник, позволяющий соединить видео выход компьютера с обычным цветным телевизором. Ниже рассмотрим несколько вариантов подобного переходника, опишем плюсы и минусы каждой конструкции и приведем советы по изготовлению переходника VGA SCART своими руками.
Прежде чем начать, одно важное уточнение: все советы и инструкции в настоящем руководстве, представлены «как есть», и каждый использует их на свой страх и риск.
Назначение выводов VGA-SCART
Чтобы понять функционирование приведенных ниже схем переходников VGA SCART, рассмотрим различные типы сигналов, которые необходимо передать от компьютера к телевизору.
Сигнал RGB
Основной сигнал, который передается по кабелю от компьютера к телевизору, это RGB сигнал с разбивкой на три составляющие (R-красный, G-зеленый, B-синий) К счастью, в данном случае стандартный и разъем SCART полностью совместимы (выходы: амплитуда 0,7В, сопротивление 75-го Ом). Поэтому вы можете напрямую подключить соответствующие контакты, не прибегая к использованию специальных схем или устройств (позже рассмотрим и этот вариант).
Общий провод
В VGA и SCART разъемах несколько выводов имеющие соединение с общим проводом (массой), которые часто бывают соединены друг с другом внутри кабеля. Их общее соединение позволяет свести на нет различные помехи (особенно в отношении трех RGB линий). То же самое относится и к экранированному кабелю.
Примечание: по существу общий провод бывает только один, поэтому это нормально, что все контакты имеющие обозначение массы соединены вместе.
Сигнал Аудио
Для того, чтобы вывести звук на телевизор, необходимо взять кабель со стандартным 3,5 мм разъемом для ПК и подключите его на прямую к разъему SCART. Можно вывести как моно, так и стерео звук, не прибегая к использованию специальных устройств и схем. Только будьте осторожны, чтобы не путать аудио-выход с аудио-входом, поскольку у SCART они расположены рядом.
Сигналы коммутации
Как уже упоминалось ранее, вход SCART может принимать различные типы сигналов. Для того чтобы телевизору понять какой тип сигнала подан на вход, существует специальный контакт «RGB Blanking» (вывод 16). Если на данный контакт подать напряжение 0…0,4В, то телевизор будет ожидать «Композитный сигнал», если 1…3В, то сигнал «RGB». Использование данного вида сигнала крайне важно для функционирования переходника VGA-SCART, и как мы увидим далее, существуют различные способы получить его.
Другой вывод, который может нас заинтересовать – это «Swtch» (вывод 8). Данный вывод предназначен для переключения режима TV/AV. Также на некоторых телевизорах этот вывод позволяет установить «соотношение» сторон изображения:
- Режим ТВ режим — от 0 до 2 В.
- Режим AV с соотношением 16: 9 – от 5 до 8В.
- Режим AV с соотношением 4: 3 — от 9,5 до 12В.
Если не подавать сигнал на данный вывод, то телевизор останется в состоянии по умолчанию (режим TV), и тогда для перехода в режим AV нам нужно будет воспользоваться пультом дистанционного управления.
Сигналы синхронизации
Здесь начинается самое сложное в вопросе построения VGA-SCART переходника. Синхронизация сигналов у видеокарты компьютера сильно отличается от системы синхронизации, которая используются в обычном телевизоре, поэтому необходимо прибегнуть к некоторым уловкам, чтобы сделать их совместимыми. Отличие между собой большинства схем VGA-SCART переходников основано на способах решения этой проблемы.
В компьютере стандартный VGA предполагает использование двух различных сигналов для синхронизации, один вертикальный (60 Гц) и один горизонтальный (31 кГц). Оба сигнала работают в соответствии с логикой TTL и, следовательно, имеют пиковое значение, равное 5В. И наконец, сигналы могут быть либо положительным, либо отрицательным в зависимости от используемого режима работы видео.
Вместе с тем, телевизору необходим только один составной сигнал синхронизации с пиковым значением около 1…3В. Также частота горизонтальной развертки значительно ниже, около 15 кГц (вертикальная, а практически совпадает 50…60 Гц). Наконец, сигнал должен быть всегда отрицательного характера.
Основная проблема, с которой мы сталкиваемся — горизонтальная синхронизации. Собрать схему для этого преобразования достаточно сложное занятие. В этом случае, как правило, вносят изменения в сам источник сигнала (видеокарту), используя специальное программное обеспечение или даже модифицированный VGA (вроде знаменитого ArcadeVGA), чтобы получить непосредственно 15 кГц на выходе VGA. Этот вопрос мы рассмотри далее.
Получение синхросигнала 15кГц программными средствами
Как уже упоминалось в предыдущем разделе, решением главной задачи при построении переходника VGA SCART, это получение сигнала горизонтальной синхронизации на 15 кГц. Как правило, решение достигается за счет изменения, в основном в области программного обеспечения, настройки видеокарты персонального компьютера. Кроме этого, сигналы синхронизации должен быть отрицательным, т.е. с постоянным уровнем до + 5В, который устремляется к нулю во время самого импульса.
Программа Soft-15кГц
Это интересное программное обеспечение под Winows XP/Vista, созданное немецким программистом, позволяет очень простым способом получить сигнал синхронизации в 15 кГц отрицательного типа. Она совместима с большинством видеокарт, и очень проста в использовании.
Единственным ее недостатком является то, что во время запуска операционной системы сигнал от видеокарты остается на уровне 31khz, так что вы не можете видеть ничего до конца загрузки Windows. Пользоваться программой Soft15khz довольно просто: после загрузки, просто распакуйте rar-архив с программой и запустите ее (не требуется установка), далее нажимаете на «Install 15кГц» и перезагружаете компьютер.
(1,4 Mb, скачано: 1 536)
Это мощное программное обеспечение для редактирования всех параметров видеокарты, в том числе и получение синхросигнала в 15 кГц. Программа не является бесплатной, хотя она может с успехом использоваться в условно-бесплатной версии (единственный недостаток в данном случае является наличие заставки, которое длится около шести секунд при запуске). Скачать программу PowerStrip можно с официального сайта .
Получение синхросигнала 15кГц аппаратными средствами
Обратимся теперь к изучению различных схем переходников VGA SCART, начиная от самых простых до самых сложных. Начнем, пожалуй, с распиновки выводов VGA и SCART разъемов:
Базовая схема с композитной синхронизацией (только для видеокарт ATI RADEON)
- Плюсы
: Легко реализовать, не требует никаких специальных компонентов. - Минусы:
Требуется внешний источник питания 5 В и 12В, работает только с определенными ATI Radeon видеокартами.
В основном используются три линии RGB (VGA контакты 1, 2, 3) подключаемые к соответствующим контактам SCART (контакты 15, 11, 7). Так же необходимо соединить и общие провода каждого канала (конечно достаточно одного общего провода, но для качественного экранирования лучше использовать их все). Для этого выводы с VGA (6,7,8) необходимо соединить с 13, 9, 5 SCART.
Примечание: эти связи всегда одинаковы во всех схемах переходников. Пунктирный коричневый провод, который соединяет контакты 10 VGA и 17 SCART общий провод сигнала синхронизации. Черный провод, связывает экрананированные оболочки кабеля обоих разъемов. И, наконец, коричневый провод, который идет от 13 контакта VGA к 20 SCART передает составной синхронизирующий сигнал.
ВНИМАНИЕ: Для того, чтобы эта схема переходника VGA SCART работала, очень важно, чтобы видеокарта поддерживала режим синхронизирующего сигнала на выводе 13, который обычно отсутствует у большинства видеокарт и только некоторые видеокарты, принадлежащие к семейству ATI RADEON могут поддерживать данный режим работы.
Получение сигнала синхронизации с помощью диодов и резисторов
- Плюсы
: Работает с любыми видеокартами, наличие функции включение по внешнему сигналу. - Минусы:
Требуется внешнее питание 12В.
Рассмотрим первую схему переходника. В данном случае соединения линий R, G, B и массы такое же, как и у предыдущей схемы. Схема позволяет использовать обычную видеокарту (не генерирующую композитный видеосигнал). Сигналы синхронизации от контактов 13 и 14 VGA смешивают в цепи диодов и резистора 330 Ом, а затем передаются на обычный 20-контактный Scart.
Использование биполярного транзистора для смешивания двух синхронизирующих сигналов обеспечивает хорошее качество изображения.
Вместо использования внешнего источника питания, напряжение 5В взято с вывода 9 VGA. Правда не все видеокарты способны обеспечить это напряжение, особенно карты старшего поколения. В любом случае все последние модели, совместимые с VESA 2.0 должны подойти. В данной схеме к выводу 8 подведено не 12В (для включения режима AV), а 5В. При поддержки телевизором режима переключения соотношения сторон при 5В будет активировано соотношение 16: 9 вместо 4: 3.
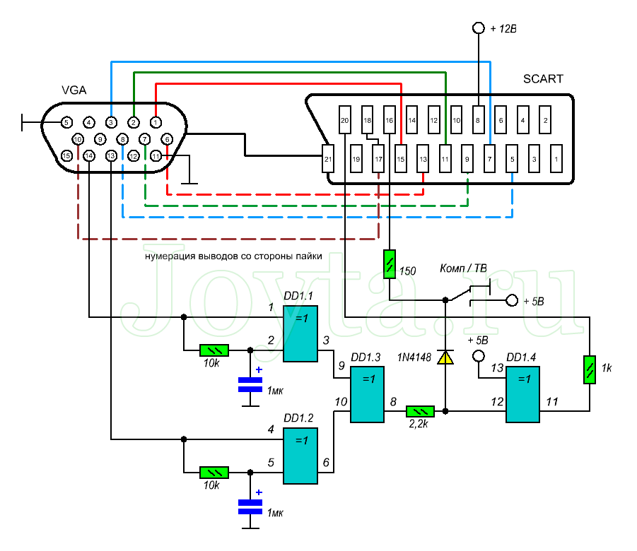
Переходник на микросхеме 74HC86
- Плюсы:
Отличное качество и совместимость (работает с любыми видеокартами) - Минусы:
Безусловно одна из наиболее сложных схем.
Схема переходника VGA SCART построена на интегральной микросхеме 74HC86 (четыре логических элемента «Исключающее ИЛИ»). Также требуется наличие внешнего источника питания 5В. Сигналы смешиваются при помощи элементов исключающее ИЛИ, на выходе которого получается композитный сигнал отличного качества. Переходник работает с любым телевизором, обеспечивает отрицательный сигнал на частоте 15кГц.
VGA-SCART — переходник, который используется для передачи звуковых, а также видеосигналов. Основным параметром модели считается предельная частота синхронизации. Состоит устройство из дренажного проводника, внешней изоляции и экранированной оплетки.
Используются кабели VGA-SCART для подключения проигрывателей, стереосистем, а также телевизоров и мониторов. Предельная пропускная способность устройств колеблется в районе 5,5 Мбит в секунду. Для того чтобы узнать больше информации, нужно рассмотреть параметры некоторых моделей.
Характеристики Atcom
Подключить можно к монитору или телевизору. Отличительной чертой модификации считается высокий параметр пропускной способности на уровне 5,6 Мбит в секунду. Непосредственно звуковая частота у модели равняется 190 кГц. В данном случае автоматическая синхронизация происходит быстро. Если верить отзывам покупателей, то у модели редко возникают проблемы с воспроизведением видеофайлов.
Пороговая частота синхронизации лежит в районе 90 МГц. Внешняя изоляция у модели выполнена качественно. Кабель SCART-VGA установлен восьмиканального типа. Усилитель в представленной модификации не предусмотрен. Купить эту модель пользователь способен по цене от 1300 руб. Сделать переходник SCART-VGA своими руками довольно сложно.
Модели AudioQuest
Этот VGA-SCART-переходник можно использовать для подключения мониторов и телевизоров. Внешняя оплетка у него установлена высокого качества. Также важно отметить, что у модели используются усилители. Таким образом, проблемы с перебоями питания возникают редко. Максимальное разрешение переходника равняется 1080 р. Предельная частота аудиосигнала колеблется в районе 130 МГц. Все основные форматы сжатия модель поддерживает.
Также важно упомянуть о технологии реверсивного канала. Система «Сайд» также предусмотрена у модели. В первую очередь она помогает решить многие проблемы с дифференциальной передачей сигналов. Если верить отзывам покупателей, то проблемы с субдискретизацией встречаются нечасто. Поддержка 3D у этого переходника предусмотрена. За один раз система способна обрабатывать не боле пяти потоков аудиосигнала. Параметр предельной пропускной способности колеблется в районе 6 Мбит в секунду.
Отзывы о Bandridge
Многие владельцы хорошо отзывают об этом переходнике. Изоляция у него выполнена довольно качественно. Проблемы с синхронизацией возникают нечасто. В данном случае находится на высоком уровне. Предельная частота синхронизации переходника составляет целых 230 МГц. Работать устройство способно с видеосигналами различного расширения. С форматами сжатия также редко возникают проблемы. Для стереосистем модель подходит хорошо. Усилитель с у модели не предусмотрен. Протоколы «Линк» она поддерживает не всех серий.
Если говорить про звуковую частоту, то она находится на уровне 200 кГц. Для различных коммутаторов модель подходит. Синхронизация аудиосигнала, как правило, происходит без прерываний. Также многие специалисты отмечают высокий параметр перепадов уровней. Однако недостатки у переходников все-таки есть. В первую очередь важно упомянуть о низкой дискретизации. Многопотоковые данные порой передаются с задержкой. Также возникают проблемы с видеофайлами расширения 1080 р. На указанный переходник VGA-SCART цена колеблется в районе 1300 руб.
Параметры Belkin
Представленный VGA-SCART переходник изготовлен с поддержкой глубокого цвета. Наиболее часто модель приобретают для домашних кинотеатров. Длина кабеля в данном случае равняется 2,3 метра. Для мониторов устройство также подходит. Предельная пропускная способность переходника равняется 4,3 Мбит в секунду. Непосредственно пороговая частота синхронизации находится на уровне 210 МГц. Если верить покупателям, то сбои при передаче аудиосигналов возникают редко.
При необходимости переходник можно использовать в качестве видеосендера. Функция «Сайд» у модели предусмотрена. Для вещательного контента переходник подходит. Звуковая частота модификации располагается на уровне 180 кГц. Скорость дифференциальной передачи файлов зависит от предельного разрешения данных. Со стандартами УСС модель работает.
Однако важно отметить и недостатки переходников указанной серии. В первую очередь это низкий уровень дискретизации. С передачей двойного видеопотока часто возникают проблемы. Система автоматической синхронизации не предусмотрена. Стоит этот переходник типа SCART-VGA на сегодняшний день около 1800 руб.
Характеристики Cablexpert
Указанный переходник производится с системой динамической синхронизации видео. Параметр звуковой частоты максимум составляет 130 кГц. Проблемы с поддержкой протоков «Линк» у моделей не возникают. Показатель пропускной способности равняется 4,5 Мбит в секунду. Протоколы СЕС представленная конфигурация поддерживает. Скорость дифференциальной передачи сигнала зависит от типа подключенного устройства.
Если верить покупателям, то прерывания при синхронизации возникают редко. Проблемы с многоканальным звуком также не страшны. В целом переходник подходит как для обычных телевизоров, так и мощных стереосистем. Купить представленную модель пользователь способен по цене от 2100 руб.
Модели CommScope
Это недорогой и удобный VGA-SCART-переходник. Схема устройства включает в себя двойную внутреннюю изоляцию. Если верить отзывам покупателей, то внешняя оболочка перекручивается очень редко. Кабель SCART-VGA в данном случае используется шестиканального типа. Непосредственно пропускная способность максимум равняется 4,6 Мбит в секунду. 23-битный цвет система поддерживает без проблем. Параметр звуковой частоты максимум составляет 150 кГц.
Система динамической синхронизации в устройстве не предусмотрена. Однако важно упомянуть о наличии системы «Сайд». В данном случае она позволяет значительно расширить поддержку 3D. Также она помогает при воспроизводстве двойного видеопотока. Скорость декодирования у модели высокая. Частота синхронизации составляет максимум 130 МГц. Для коммутаторов модель подходит. Купить ее пользователь может в магазине за 1400 руб.
Отзывы о Computer Cable
Этот переходник изготавливается с системой звуковой поддержки. Проблемы с 3D указанной модели не страшны. Также она хорошо справляется с многопотоковыми файлами. Все основные форматы сжатия устройство поддерживает. При необходимости можно работать с разрешением 1080 р. Система «Сайд» в устройстве не предусмотрена.
Если говорить про характеристики, то важно отметить, что пропускная способность максимум равняется 4,3 Мбит в секунду. Все основные протоколы «Линк» система поддерживает. Звуковая частота конфигурации составляет 120 кГц. Для стереосистем модель подходит хорошо. Также она часто используется для подключения компьютерных мониторов. Продается этот переходник по цене от 1200 руб.
Параметры Crown
Указанный VGA-SCART-переходник используется для подключения стереосистем и телевизоров. Отличительной особенностью модели считается качественная система автосинхронизации. Репитер у нее используется многоканального типа. Пропускная способность максимум равняется 3,3 Мбит в секунду. Проблемы с дискретизацией в устройстве возникают редко. Звуковая частота максимум равняется 230 кГц. Если верить покупателям, то проблемы с 3D переходнику не страшны.
Как утверждают специалисты, перепады уровней наблюдаются редко. Также важно отметить, что модель способна справляться с двойным видеопотоком. Внешняя оболочка в устройстве выполнена довольно качественно. Купить представленный переходник можно за 1400 руб.
Характеристики Defender
Указанный SCART-VGA-переходник часто применяется для компьютерных мониторов. С передачей звукового сигнала устройство справляется отлично. Многие покупатели отдают предпочтение модели за отличную внешнюю оболочку. Если говорить про параметры, то пропускная способность максимум равняется 3,4 Мбит в секунду. С разрешением 2К переходник работает без проблем.
Звуковая частота максимум составляет 120 МГц. Система «Сайд» у модели, к сожалению, не поддерживается. Также важно отметить, что могут возникать определенные проблемы с цветопередачей. Однако система автоматической синхронизации работает должным образом. Большинство протоколов «Линк» устройство поддерживает. Купить представленный переходник пользователь может по цене от 1800 руб.
Модели Digitus
Данный SCART-VGA-переходник продается с поддержкой многоканальных Усилитель в данном случае используется с репитером. Непосредственно пропускная способность максимум составляет 3,6 Мбит в секунду. С разрешением 2К модель справляется без проблем. Также важно отметить, что переходник поддерживает большинство протоколов «Линк».
Звуковая частота устройства максимум равняется 140 кГц. Система «Сайд» в нем есть. Скорость дифференциальной передачи данных не сильно высокая. Однако важно упомянуть о технологии двойного видеопотока. В первую очередь это позволяет увеличить скорость дискретизации. Также система способна работать с некоторыми форматами сжатия. Продается данный переходник по цене от 2300 руб.
Всем привет. У меня, очень давно на крыше лежал старый семнадцати дюймовый монитор, который припадал пылью. Валялся он долго, ровно до того момента, пока я случайно не набрел на статью, о конвертере сигнала с RCA (в народе «тюльпана») на VGA. Там, автор статьи подключал монитор к спутниковому тюнеру, а вместо динамиков использовал компьютерные колонки.
Я тоже решил провернуть такой фокус со своим старым монитором, так сказать, дать ему вторую жизнь в качестве телевизора на кухне. После заказа, а именно через 18 дней, я получил посылку на почте.
Упакован сам девайс был очень хорошо, а именно обвит кучей слоев пупырчатой пленки.
Добравшись до содержимого, имеем такую комплектацию:
- Конвертер
- Блок питания
- Кабель VGA на VGA
- Кабель RCA на RCA
- Кабель S-video на S-video
- Инструкция на английском языке.
Комплектация конвертера
Как видите, комплектация не маленькая, все необходимые шнуры уже есть в комплекте.
Очень удивило само покрытие корпуса конвертера. Он покрыт софт-тачем, на ощупь немного похожего на резиновое покрытие. Именно благодаря ему, корпус намного меньше подвержен всяким механическим повреждениям, и такой приятный на ощупь.
После покупки, меня ждал неприятный сюрприз от своего старого монитора. Полежав на крыше, включатся он отказался, так что для демонстрации подключил конвертер на другой, уже Led монитор.
Подключается все очень легко. Кабель от монитора, подключаем в разъем VGA
OUT
, кабель от тюнера или DVD подключаем в разъем Video
IN
. Блок питания в розетку, а его выход в разъем 5
v
Power
. После этого все начинает работать.
Пример работы
У меня на мониторе, сразу появилась идеальная картинка, даже учитывая то, что сигнал идет по аналоговому кабелю RCA. В конверторе есть меню, которое дает возможность подрегулировать некоторые параметры, такие как яркость, смещение изображения, но я там ничего не трогал. Использовали лишь кнопку mode, которая отвечает за переключение расширения экрана, подобрав нужное расширение именно для моего монитора.
Если Вы решите, сделать себе такой же телевизор из монитора, рекомендую именно этот переходник, так как его качество работы находится на высшем уровне.
Покупал здесь
. Продавец очень хороший, отправил товар на второй день.
Всем спасибо за просмотр.
PS. Старый монитор отремонтировал, была трещина на ТДКСе.
Развитие технологий в современном мире не останавливается ни на секунду. Современная техника постоянно открывает для потребителей новые функции и возможности. Однако важен не только новый функционал. В первую очередь, требуется четкое понимание как использовать новые девайсы.
Проведя анализ тематических форумов и сайтов, можно понять, что большое число пользователей не знает о способах подключения мониторов с VGA-портом к видеокарте с выходом на DVI-D. Неопытные люди зачастую получают совет от таких же, не до конца осведомленных любителей, опирающихся на свой, зачастую неудачный, опыт. Обычно предлагают купить переходник DVI-D VGA, мотивируя это его дешевизной, а не практичностью.
Но переходник такого типа вряд ли вообще будет работать, поэтому рекомендуется использовать конвертер сигнала DVI-D в VGA, а не так называемый переходник с DVI на VGA.
Для того чтобы разобраться во всех тонкостях подключения такого типа, нужно понять принцип работы.
Как работает DVI-D соединение?
DVI (Digital Visual Interface), что в переводе с английского «цифровой видеоинтерфейс», используется для соединения и синхронизации видеоизображения между видеокартой и монитором, телевизором, либо любым другим устройством отображения. DVI-D — это технология, позволяющая сохранить качество картинки при переходе с аналогового на цифровой сигнал. Такой тип соединения выдаст максимальную четкость изображения. Важно отметить, что данный тип подключения передает исключительно цифровой сигнал. Подключение при помощи DVI-D является основным для общей массы цифровых телевизоров нового поколения и максимум выдает 2К разрешение.
Данная технология начала активно использоваться производителями передовых телевизоров и мониторов, что создало массу проблем множеству владельцев персональных компьютеров. Связано это с тем, что многие пользователи до сих пор вынуждены пользоваться устаревшим VGA соединением.
Что такое VGA подключение?
VGA (Video Graphics Array) — это технология передачи изображения, которая сохранилась еще с прошлого века, она до сих пор используется некоторыми пользователями. Такой тип подключения предназначен для передачи аналогового сигнала. Лучшее качество, которое доступно при VGA-подключении – это разрешение 1280×720, другими словами HD. Ни о каком 2К разрешении, а также передачи изображения в формате 3D, говорить не приходиться.
На данный момент большинство производителей устройств воспроизведения отказались от данной технологии, считая ее устаревшей. Именно поэтому видеокарты новых моделей оснащены исключительно DVI-D портом, но подавляющая масса юзеров не всегда хотят менять монитор по первому требованию, и до сих пор используют устройства воспроизведения с VGA портом. То есть просто так подсоединить старый монитор без каких-либо накладок и потери качества изображения невозможно. Специалисты рекомендуют воспользоваться несколькими приемами соединения, однако для того, чтобы найти действенный способ, нужно разобраться в самом процессе. Чем мы сейчас и займемся.
DVI/VGA переходник своими руками
В связи с тем, что технологии работают через разные порты и относятся к разным поколениям, пользователь должен четко понимать, что и тип сигнала, передаваемый от одного устройства к другому, тоже разный. То есть для стабильного использования устройства воспроизведения требуется цифро-аналоговый конвертер, а не сделанный DVI/VGA-переходник своими руками или купленный на барахолке. Ведь устройство такого типа просто не в силах преобразовать сигнал из аналогового в цифровой и/или просто не будет работать, или пользователь не сможет получить изображения нужного качества.
Типы переходников
Обратим внимание на типы переходников, которые советуют приобрести пользователи тематических форумов, сайтов и других всевозможных источников:
Цена таких устройств крайне небольшая, но подавляющее большинство юзеров считает, что воспользоваться таким переходником DVI-D VGA гораздо проще, чем менять старую видеокарту, покупать монитор с подходящим портом, или искать более качественное предложения. Однако это не совсем так. Стоимость переходника с DVI на VGA составляет от 2 до 5 долларов. А по факту покупатель получает на выходе абсолютно бесполезный переходник, чтобы, как и многие его товарищи по несчастью, удивиться: почему ничего не получается. Так где же кроется причина неработоспособности VGA DVI переходника? На этот вопрос мы сейчас и ответим.
Распиновка разъемов
Зная распиновку портов, мастера сомнительного порядка пришли к заключению, что, соединив определенные разъемы, они получат прекрасный переходник DVI-D/VGA!
А по факту, если хорошо знать схему данных портов, то сразу ясно, что данное устройство не может функционировать вообще! Если взглянуть на порт, становится понятно, что в DVI нет пинов, которые и отвечают за передачу аналогового сигнала.
Преобразователь DVI-D/VGA
Единственным возможным способом подключения будет преобразователь DVI-D/VGA. Конечно, цена его выше, чем у переходника, однако мы уже выяснили, что лучше доплатить, чем просто выкинуть несколько долларов, как говорится, на ветер. Переходник с DVI на VGA не сможет преобразовать аналоговый сигнал в цифровой, без чего пользователь не сможет подключить ни один гаджет. Принцип действия преобразователя DVI-D to VGA в конвертировании цифрового сигнала в аналоговый.
Советы
Что же мы имеем в остатке? Первое: пользователю необходимо обращать свое внимание только на мнение профессионалов, имеющих достаточную компетенцию. Доверять советам из-за дешевизны решения проблемы, либо из-за популярности метода не стоит — это чревато или бессмысленной потерей денежных средств, или растратой драгоценного времени.
Во-вторых, если очевидно, что такой метод решения проблемы не функционирует у подавляющего большинства, значит, нужно понять, отчего он не работает, прежде чем принимать скоропостижные решения и надеяться, что в конкретном случае все заработает. То есть, конечно, можно попробовать купить переходник с DVI на VGA и сэкономить деньги, надеясь на маловероятный результат. Но лучше купить преобразователь, который гарантирует работоспособность подключения.
Источник
Интерфейсы DVI-D и VGA: особенности разъёмов, совместимость, можно ли сделать переходник своими руками
Несмотря на рост популярности HDMI и других современных интерфейсов, VGA всё ещё актуален и применяется для передачи видеоданных чаще всех. Стандарт Video Graphics Array, выпущенный IBM, сегодня, как и тридцать лет назад используют в мониторах и видеоадаптерах. При необходимости подключить монитор с аналоговым разъёмом к новой видеокарте, транслирующей цифру, используют переходники DVI VGA. На деле такие устройства не всегда работают, поскольку здесь встаёт вопрос совместимости, потому специалисты рекомендуют вместо переходников применять конвертеры сигнала.
Особенности разъёмов DVI-D и VGA
Интерфейсы будут серьёзно отличаться как методом передачи и обработки сигнала, так и разъёмами. В чём разница между двумя стандартами DVI и VGA понятно даже из определений.
Digital Visual Interface (DVI) являет собой цифровой интерфейс, позволяющий передавать видеоизображения на цифровые устройства, как правило, это видеокарта — монитор. Портом DVI оснащают поддерживающие технологию девайсы, её применение обеспечивает получение картинки в лучшем качестве.
В случае с модификацией DVI-D передаётся исключительно цифровой видеосигнал, тогда как аналоговый канал отсутствует, а современные GPU-модули оборудуются именно таким интерфейсом. При этом не все спешат полностью обновить технику, а несовместимость технологий создаёт очевидные проблемы для владельцев мониторов с VGA, возникает необходимость в приобретении преобразователей.
Поскольку модификации DVI отличаются между собой, разъёмы могут быть следующих типов:
Отличаются версии стандарта ещё и по количеству каналов (Dual Link в названии говорит о наличии двух цифровых каналов, Single Link — реализован только один канал), что напрямую влияет на пропускную способность.
Стандарту Video Graphics Array уже ни один десяток лет, это аналоговый интерфейс 1987 года разработки, которым оснащались мониторы компьютеров и видеокарты. С появлением ЖК-мониторов возникла необходимость дважды конвертировать видеосигнал, что стало нецелесообразным, в результате чего аналоговый сигнал было решено исключить из цепочки.
Максимальное качество при передаче видеосигнала через VGA — HD, так что формат Full HD или 3D-файлы не будут воспроизводиться, поэтому спецификация считается уже морально устаревшей, несмотря на то, что пока ещё остаётся популярной среди пользователей. Максимальное разрешение, которое достигается с аналоговым интерфейсом, составляет всего 1280х1024 пикселя, что было неплохо 20 лет тому назад, сегодня же более актуален цифровой формат, позволяющий получить картинку с разрешением 2560х1600 пикселей.
Интерфейс VGA может быть следующих типов:
Распиновка разъёма VGA
Распиновка разъёма DVI-D (Dual Link)
Проблемы совместимости
Приобретая новую видеокарту, у обладателя монитора старого образца сразу же возникает вопрос, как подключить DVI-D к VGA. Первым делом пользователь, видя разительные отличия разъёмов, приобретает переходник, однако не всегда такое решение помогает справиться с проблемами несовместимости.
Так, отсутствие контактов C1-C4 на DVI-D (4 прямоугольных отверстия на разъёме) обуславливает отсутствие возможности трансляции аналогового сигнала. Глядя на распиновку, можно сразу определить, что к старому средству вывода изображения современный видеоадаптер не подходит и даже при условии отправки монитором сигнала шанс, что картинка появится, минимален.
Распиновка, которая поддерживает передачу с DVI на VGA
Подключение VGA монитора к видеокарте DVI-D может осуществляться посредством специального устройства, конвертирующего сигнал.
Решение вопроса
Исходя из распиновки, стоит понимать, что даже сделав DVI-D/VGA переходник своими руками, мы не получим изображение на экране, поскольку преобразование видеосигнала не осуществляется путём распайки. Появление картинки может означать, что видеоадаптером всё же поддерживается аналоговая передача, то есть перед вами DVI-I или A.
Несмотря на несовместимость технологий, подключить VGA к DVI-D всё же возможно, поскольку информацию можно не только передавать, а и преобразовывать. Так, подключение реализуется посредством устройства, называемого преобразователем или конвертером. Хотя приспособление внешне может напоминать простой переходник, в отличие от него, здесь имеется дополнительный модуль. Многим моделям прибора также требуется отдельное питание, да и стоить преобразователь будет значительно дороже, но экономить на нём не стоит, поскольку такой подход может стать причиной некорректности подключения.
Задачей конвертера является конвертирование цифры в аналоговый сигнал, что позволяет отправить данные с современного GPU-модуля на устаревшую модель устройства вывода изображения, включая также телевизоры и проекторы. При этом девайсы чаще всего оборудованы более продвинутым разъёмом HDMI, также работающим с цифрой, потому проблем с подключением видеокарты возникать не должно. В таком случае в дополнительном использовании адаптеров нет необходимости.
Рекомендуем при выборе конвертера учитывать возможную несовместимость с техникой и необходимость в организации отдельного питания. Аудио передаётся посредством дополнительного кабеля, поскольку речь при использовании вышеописанных технологий идёт исключительно о трансляции видеосигнала. Если длина шнура, соединяющего компьютер и монитор или телеприёмник, составляет менее 1,5 метра, подключать к источнику питания не является обязательным условием. Кроме того, в идеале лучше, если частота средства вывода и преобразователя совпадала. Если же диагональ дисплея будет свыше 40 дюймов, на дисплее могут возникнуть полосы.
Источник
Распиновка разъемов vga. Можно ли подключить к компьютеру телевизор? Какие самые важные факторы при выборе видеокабеля
Video Graphics Adapter (сокращенно VGA) – один из самых популярных интерфейсов для передачи видеоданных. Несмотря на стремительный рост популярности цифрового HDMI и других интерфейсов, рабочие VGA мониторы сохраняются у большого количества пользователей. Случается так, что возникает необходимость соединить такой монитор с устройствами, имеющими другой тип разъема, или же использовать его как телевизор. А также может возникнуть желание использовать в качестве монитора имеющийся телевизор, в котором есть только тюльпан RCA. В таких случаях выручить способен переходник или адаптер. Однако такие устройства могут стоить дополнительных денег, и можно обойтись «своими силами», изготовив переходник самостоятельно.
Что представляет собой VGA?
VGA-разъем — это аналоговый разъем, который предназначается для подключения монитора к компьютеру. Впервые данный стандарт появился еще в далеком 1987 году, когда был разработан компанией IBM специально для серии новых компьютеров. В системах данной серии использовалась видеоплата, которая получила одно название с самим разъемом, при этом разрешение данной видеоплаты было по сегодняшним меркам небольшим (всего 640х480 пикселей). Таким образом, если вы где-нибудь встретите понятие «VGA-разъем» или «VGA-разрешение», можете примерно отталкиваться именно от этих цифр.
Несмотря на то что данный формат появился достаточно давно, его использование встречается по сегодняшний день на множестве современных моделей видеокарт. Предельно допустимое разрешение, которое предусматривают VGA-разъемы, составляет 1280х1024 пикселей, в то время как частота обновления кадров может достигать 75 Гц.
Если на экран будет выводиться изображение большего размера, то в таком случае будут заметны серьезные потери в качестве. Именно по этой причине с течением времени все более и более активно начинают использоваться другие методы цифровой передачи данных.


Описание интерфейса

Для того чтобы передать изображение через данный интерфейс, используют схему RGB. VGA-коннектор при помощи специальных переходников можно совмещать и с другими интерфейсами, например, SCART. Более сложным считается переходник на интерфейс DVI. В компьютерных магазинах еще можно приобрести кабель DVI-VGA, причем этот интерфейс представлен обоими типами — DVI-I и DVI-D. Кроме основных контактов, отвечающих за передачу видеосигналов, через разъем VGA передается служебная информация между телевизором и источником сигнала, например, данные о количестве цветов, разрешении экрана и др.
VESA DDC
DDC представляет собой специализированный способ интеграции цифрового интерфейса с разъемом VGA и обеспечивает нормальное подключение монитора к видеокарте. Первая версия данного стандарта появилась в 1994 году, а включала она в себя формат EDID 1.0, определяя несколько вариантов физических каналов. Вторая версия данного формата, которая появилась уже в 1996 году, выделила EDID в абсолютно отдельный стандарт, а также определила новый протокол DDC2B+. Еще через год была выпущена новая версия, которой уже был представлен обновленный протокол DDC2Bi, а также предусматривалась поддержка разъема VESA Plug and Display. Помимо всего прочего, в конечной версии был предусмотрен разъем для плоских дисплеев с раздельными адресами оборудования.
В 1999 года стандарт DDC был полностью заменен на E-DDC, а EDID на сегодняшний день представляет собой не более чем вспомогательный стандарт, при помощи которого определяется формат сжатого двоичного файла, который описывает свойства, а также графические режимы монитора, записывающиеся в чип памяти производителем данного монитора.
Учимся ремонтировать кинескопные, LED и ЖК телевизоры вместе.

Всем привет. У меня, очень давно на крыше лежал старый семнадцати дюймовый монитор, который припадал пылью. Валялся он долго, ровно до того момента, пока я случайно не набрел на статью, о конвертере сигнала с RCA (в народе «тюльпана») на VGA. Там, автор статьи подключал монитор к спутниковому тюнеру, а вместо динамиков использовал компьютерные колонки.
Я тоже решил провернуть такой фокус со своим старым монитором, так сказать, дать ему вторую жизнь в качестве телевизора на кухне. После заказа, а именно через 18 дней, я получил посылку на почте.
Упакован сам девайс был очень хорошо, а именно обвит кучей слоев пупырчатой пленки.

Добравшись до содержимого, имеем такую комплектацию:

Как видите, комплектация не маленькая, все необходимые шнуры уже есть в комплекте.
Очень удивило само покрытие корпуса конвертера. Он покрыт софт-тачем, на ощупь немного похожего на резиновое покрытие. Именно благодаря ему, корпус намного меньше подвержен всяким механическим повреждениям, и такой приятный на ощупь.
После покупки, меня ждал неприятный сюрприз от своего старого монитора. Полежав на крыше, включатся он отказался, так что для демонстрации подключил конвертер на другой, уже Led монитор.
Подключается все очень легко. Кабель от монитора, подключаем в разъем VGA OUT, кабель от тюнера или DVD подключаем в разъем Video IN. Блок питания в розетку, а его выход в разъем 5v Power. После этого все начинает работать.
Читать также: Подшипник как определить размер

Конвертер уже в подключенном состоянии

У меня на мониторе, сразу появилась идеальная картинка, даже учитывая то, что сигнал идет по аналоговому кабелю RCA. В конверторе есть меню, которое дает возможность подрегулировать некоторые параметры, такие как яркость, смещение изображения, но я там ничего не трогал. Использовали лишь кнопку mode, которая отвечает за переключение расширения экрана, подобрав нужное расширение именно для моего монитора.
Если Вы решите, сделать себе такой же телевизор из монитора, рекомендую именно этот переходник, так как его качество работы находится на высшем уровне.
Всем спасибо за просмотр.
PS. Старый монитор отремонтировал, была трещина на ТДКСе.
Кабель-переходник VGA-RCA используется для подключения аудио- и видеоустройств. Так, например, при помощи него можно подключить DVD-проигрыватель, спутниковый тюнер, который имеет аналоговый компонентный видеовыход, к мультимедийному проектору с компонентным видеовходом. Довольно часто пользователи бытовой аппаратуры стоят перед выбором: купить переходник VGA-RCA (либо удлинитель) или сделать его самому. Это связано с тем, что стоимость длинных оригинальных кабелей от ведущих производителей довольно высока. А денежные, да и трудовые затраты на собственноручное изготовление такого устройства весьма невелики. В этой статье мы рассмотрим, что представляет собой VGA-RCA-переходник, а также его распиновку. Благодаря этой информации вы сможете изготовить упомянутый кабель самостоятельно.

Разъем монитора VGA DDC2 уже предусматривает двустороннюю связь, то есть изначально монитор может транслировать свои технические характеристики, после чего компьютер подстраивается под используемые монитором параметры. Двунаправленная шина данных представляет собой синхронную шину, которая несколько схожа Access.bus. Такая шина основывается на технологии I2C, о чем свидетельствует также то, что они используют даже стандартные сигналы данного стандарта.
В современных компьютерах предусматривается нагрузка 15 кОм в том случае, если речь идет о каналах SCLK или же SDA. По первому каналу монитором должна обеспечиваться нагрузка кОм, при этом DDC2B-шина представляет собой однонаправленный вариант и предусматривает только единственного мастера на шине, которым будет используемый графический адаптер. Монитор продолжает функционировать в качестве ведомого устройства на стандартной 7-битной I2C-шине, имея адрес 50h и обеспечивая до 256 байт EDID ROM. По той причине, что данный доступ предусматривает исключительно чтение, первый I2C постоянно будет A1h.
Распиновка VGA — правильная распайка мониторного шнура
Распиновка VGA — корректная распайка мониторного разъема
Распиновка VGA. Мониторный VGA-разъем и в настоящее время является наиболее известным и популярным интерфейсом мониторов, который был разработан компанией IBM более тридцати лет назад. Но даже невзирая на это, видео стандарт VGA, можно встретить установленным на большинстве современной компьютерной технике. Особенно на компьютерах, где необходимо вывести видео в упрощенном графическом режиме, с разрешением 640×480.
Абсолютно все графические карты производимые в мире совместимы с таким режимом. Процесс вывода видеоинформации с высоким разрешением, происходит исключительно после того, как загрузятся драйвера графического адаптера во время запуска операционной системы.
Распиновка VGA провода согласно его цветовой маркировке очень помогает в некоторых случаях, например: Когда выполняется самостоятельное тестирование проводников на предмет обрыва или при необходимости увеличить длину провода.
К сведению: Промышленность выпускает кабели VGA имеющие длину порядка тридцати метров.
Пятнадцати-контактный разъем VGA, конструкция которого представляет собой форму трапеции с размещенными выводами по трехрядной схеме, в каждом ряду имеется по пять контактов. Для обеспечения корректного соединения комплементарных разъемов, контакты в колодке установлены в не симметричном порядке. Такое устройство, благодаря своей форме, гарантирует правильное соединение кабеля. Последовательность нумерации выходных контактов положено обозначать как показано на снимке ниже:
Распиновка VGA согласно цветовой маркировке
Распиновка коннектора Mini VGA
Перепайка VGA разъема
Распиновка VGA-разъема Формата E-DDC показала себя в качестве наиболее эффективной версии данного разъема, при этом она и является самой последней среди всех существующих. Она впервые была введена в 1999 году и характеризовалась тем, что информация о дисплее хранилась в памяти устройства, объем которой занимал приблизительно 32 Кб. Стоит отметить тот факт, что в 2007 году была также утверждена версия E-DDC, которая предусматривала поддержку таких стандартов, как DisplayID и DisplayPort.
Общая информация
Этот выход аналоговых сигналов на монитор знаком практически каждому пользователю персонального компьютера. VGA-разъем предназначен для соединения любого современного телевизора или монитора. Рассматриваемый интерфейс можно встретить как на новейшем оборудовании, так и на довольно старом. В современных ноутбуках с целью минимизации занимаемого разъемом пространства на корпусе устройства производители чаще всего не используют винтовые крепления кабеля к разъему, поэтому пользователю необходимо быть предельно осторожным при перемещении ноутбука.
Распиновка 9-контактного разъема
Распиновка VGA-разъема с 9 контактами осуществляется следующим образом:
Стоит отметить, что если рассматривается стандартный разъем VGA, распиновка будет несколько иной, так как там предусматривается 15 контактов.
Как сделать удлинитель?
Часто случается так, что нужно сделать достаточно длинный кабель с разъемом VGA, который будет объединять оборудование, например, в разных комнатах.
Конечно, можно просто взять и купить длинный кабель разъем VGA-разъем VGA, распиновка которого позволяет иметь нужную вам длину, но на самом деле первое, что говорит не в пользу такого решения — это его стоимость. За такой готовый кабель, длина которого составляет 15 метров, придется отдать не менее 20$ в зависимости от качества исполнения, не говоря уже о том, в какую цену вам обойдется кабель, длина которого еще больше по сравнению с вышеуказанной.
Вторая проблема, которая относится к помещениям, где уже сделан финишный ремонт — это то, что единственный оптимальный вариант протянуть кабель — провести его за плинтусом. При этом на самом деле нужно понимать, что заводской кабель может иметь достаточно большую толщину, кроме того, он оснащается также специализированными толстыми ферритовыми кольцами, в связи с чем проложить его за плинтусом оказывается невозможно. Если же нужно будет протянуть кабель через стену в соседнюю комнату, то в таком случае потребуется проделать отверстие, диаметр которого будет соответствовать ширине разъема D-sub 15pin. Если говорить более понятным языком, то вряд ли кого-то заинтересует под VGA-разъем распайка, для монтажа которой нужно будет сверлить отверстие диаметром около 40 мм.
Решение вопроса
Проблема с несовместимостью достаточно серьёзная – но вполне решаемая. Благодаря тому, что данные могут не просто передаваться, но и преобразовываться, специалистами уже давно изобретено другое устройство, называющее преобразователем или конвертером DVI-D в VGA.
На вид оно, действительно, может напоминать обычный переходник, однако оборудовано дополнительным, увеличивающим размер приспособления, модулем.

Рис. 6. Конвертер DVI-D VGA.
В задачи устройства входит конвертирование цифрового сигнала в аналоговый. И, за счёт более сложной конструкции, стоит такой преобразователь в несколько раз дороже. с другой стороны, возникает вопрос – зачем продаются в интернет-магазинах переходники DVI-D VGA?
Ответить на него несложно – причина заключается в некомпетентности некоторых продавцов. Или, возможно, в желании продать больше товара, не имеющего тех функций, ради которых его покупают. На самом же деле, на сайтах, где указывается достоверная информация о переходниках и кабелях, можно увидеть в описании другие параметры – переход осуществляется не с DVI-D, а с DVI—I на VGA.

Рис. 7. Правильное указание параметров переходника в онлайн-магазине.
Делаем сами
Таким образом, есть два фактора, которые представляют собой основные недостатки применения готового кабеля — это его стоимость, а также габариты. Именно по этой причине гораздо более подходящим вариантом является полностью самостоятельная распайка VGA-разъема.
В данном случае нами будет осуществляться транслирование сигнала в данном формате от компьютера на монитор через экранированную пару 5/6 категорий, так как данное решение является гораздо более дешевым и эффективным вариантом. В данном случае будет использоваться FTP Cat.5e, не оснащенный активными приемо-передатчиками. Стоимость в данном случае будет составлять примерно 0.30$ за каждый метр, в связи с чем за полный кабель длиной 15 метров вам нужно будет потратить не более 4.5$, что, конечно же, на порядок меньше по сравнению с 20 долларами, а если говорить о еще большей длине, то в этом случае стоимость в конечном итоге будет варьироваться еще больше.
Конечно, в интерфейсе VGA по 13 из 15 контактов предусматривается трансляции аналогового компонентного видеосигнала, в то время как сигналы горизонтальной и вертикальной синхронизации, а также прочая сервисная информация и сигналы управления будут гораздо худшего качества. В то же время экранированная витая пара FTP Cat.5e предусматривает всего 8 проводников, однако этого вполне достаточно для того, чтобы передавать видеоданные на монитор от компьютера.


Для чего необходима свободная пара Brown, Brown Wht
В одном из вариантов распиновки можно встретить задействованные контакты под номерами 4 и 5 – Brown и Brown Wht. Они могут пригодиться в отдельных случаях. К примеру, некоторые проекторы поддерживают возможность приема и воспроизведения звука. В таком случае можно попытаться передать на них одноканальный аудиосигнал. Именно за него и будет отвечать эта пара контактов. Если же переходник не будет использоваться для такого проектора, то необходимости в этой паре нет. При пайке эти контакты просто пропускаются и изолируются, как и все остальные.
Делаем проще
Оптимальный же вариант — это использование переходника VGA-RJ45 без пайки, так как в данном случае достаточно будет обжать концы витой пары экранированным модульным разъемом. Если же у вас нет никакого желания приступать к пайке, то в таком случае пара таких переходников будет стоить вам не более 5$. Если же вы хотите сэкономить деньги, а может, у вас нет возможности найти такой переходник в данный момент, то в таком случае у вас остается только один вариант — паять.
Таким образом, вы сами сможете выбрать, как именно вам удобнее поступить и каким образом сделать себе такой удлинитель. В случае необходимости может также осуществляться пайка любых видов переходников, одним из наиболее популярных среди которых является переходник на «тюльпан».
В современном мире уже невозможно представить жизнь без компьютерных технологий. У каждого человека есть смартфон в руках, практически у всех дома есть телевизор, а также компьютер. Все они улучшают жизнь человека в той или иной степени. Но для корректной их работы требуются хотя бы базовые знания компьютерных технологий, в частности, являются важными знания компьютерных интерфейсов.
Одним из самых важных и нужных интерфейсов для настольных или, как их ещё называют, персональных компьютеров является vga разъем, так как по нему подключается большинство нынешних мониторов (телевизоров), будь то старые мониторы или современные мониторы с разрешением Full HD. Важно это помнить, так как самые современные мониторы (телевизоры) с разрешением выше 1920х1080 уже отказываются от этого разъёма. Именно этот интерфейс передачи видеосигналов
мы сегодня и рассмотрим.
VGA — означает «video graphics array». Первая итерация VGA разъёма появилась ещё в далёком 1987 году. Тогда она толком не могла передавать картинку и передавала не более 256 цветов. Но современная версия имеет намного более широкие возможности. Обычно её называют 15-контактным vga разъёмом или 15-контактным d-sub разъёмом.
Стоит упомянуть где встречается разъем vga для полного понимания зачем же он нужен. Во-первых, это мониторы. В мониторах vga
пока что является наиважнейшим разъёмом. Во-вторых, в телевизорах. В телевизорах vga является тем самым разъёмом, который помогает к нему подключить различного рода проигрыватели, ресиверы, ТВ-приставки и так далее. Помимо различного рода мониторов, vga присутствует практически на всей технике, которой необходимо передавать видеосигнал.
Какие переходники можно сделать с использованием витой пары

Витая пара – это основной инструмент для передачи данных в большинстве интерфейсов. Как цифровых, так и аналоговых. С ее помощью возможно сделать VGA — VGA переходник своими руками, который будет служить удлинителем. Но и это не предел возможностей такого кабеля. С помощью витой пары возможно сделать следующие виды адаптеров:
На самом деле, это далеко не полный список. Все, чем ограничен полет фантазии – это тип передаваемых данных. Все данные, которые передаются в аналоговом виде и могут быть расшифрованы как RGB-сигнал, могут успешно проходить через переходник VGA. С цифровыми так, увы, не получится. Выше уже говорилось о том, что это принципиально разный тип передачи информации. Если говорить коротко, то у цифрового интерфейса каждый канал выдает только одно значение, а у аналогового – множество.
Конечно, при большом желании возможно найти плату для конвертера сигнала, приобрести ее и самостоятельно изготовить HDMI VGA или другой переходник. Однако потраченное время не будет стоить той разницы в деньгах, которую удастся сэкономить (если вообще удастся). Поэтому предпочтительнее все же изготовить переходник, а не пытаться мастерить сложный конвертер, который может и не заработать.


Распиновка
После долгого вступления перейдём к описанию схемы распиновки
vga разъёма. Как уже было упомянуто раньше, он состоит из 15 контактов. Подробно изучим каждый контакт и то за что он отвечает. Подсчёт каналов ведётся справа налево, сверху вниз.
Иногда при разговоре о распиновке всяких разъёмов, можно услышать мельком также о распайке монитора. Но не стоит беспокоиться, распиновка и распайка разъёма — это одно и то же
Особенности разъема
Конструктивно разъем VGA выполнен по несимметричной двухкомпонентной схеме. Контакты вилки снабжены защитной юбкой, она же обеспечивает заданное положение вилки относительно розетки при подключении к розетке. Контакты – штыревые, располагаются в три ряда со взаимным смещением соседних рядов на половину шага. На части разъемов номера первого и последнего контактов ряда указаны прямо на торцевой части корпуса.
Форма вилки удобна для подключения, надежность ее соединения с розеткой в собранном состоянии обеспечивается двумя невыпадающими винтами.
Сигналы цветности передаются по коаксиальным трубкам, для передачи сигналов синхронизации используются обычные провода.
Нумерация контактов в vga разъеме
Распиновка VGA кабеля
стандартизована, соответствие номеров контактов и их назначение приводится в таблице.
| Номер контакта | Назначение | Обозначение |
| 1 | Сигнал красного цвета | RED |
| 2 | Сигнал зеленого цвета | GREEN |
| 3 | Сигнал синего цвета | BLUE |
| 4 | Не задействован | — |
| 5 | Земля | GND |
| 6 | Земля канала красного сигнала | RED RTN |
| 7 | Земля канала зеленого сигнала | GREEN RTN |
| 8 | Земля канала синего сигнала | BLUE RTN |
| 9 | + 5 B | VDC |
| 10 | Земля | GND |
| 11 | Младший (нулевой) бит идентификатора монитора | ID0 |
| 12 | Единичный бит идентификатора монитора | ID1 |
| 13 | Импульсы строчной синхронизации | HSync |
| 14 | Импульсы кадровой синхронизация | VSync |
| 15 | Старший бит идентификатора монитора | ID2 |
Как уже было упомянуто выше, в d-sub кабеле используется некая технология под названием EDDC, что означает Enhanced display data channel. Эта технология призвана для двустороннего общения
компьютера, точнее, видеоадаптера с монитором. В описании распиновки d-sub упоминалось бинарное число. Это самое число является ключом к внутренней памяти монитора и оно передаётся к компьютеру, для возможности чтения необходимой информации с внутренней памяти монитора. А само общение необходимо для более точной настройки монитора для лучшей производительности и качества картинки.
Также важной информацией является то, что d-sub — это аналоговая технология, так что она переносит аналоговый сигнал. Отсюда вытекает, что качество такого сигнала напрямую зависит от качества самого кабеля и распайки
. От толщины кабеля, от качества изоляции, от длины кабеля и качества используемого проводника и зависит качество кабеля. Из этого следует сделать вывод, что по-настоящему качественные d-sub кабели не могут быть дешёвыми, ведь они дороги в изготовлении.
В заключение, пятнадцатиконтактный d-sub — это распространённый разъем, передающий аналоговый сигнал, который встречается почти во всей нынешней компьютерной технике. Её спецификации являются приемлемыми для большей части аудитории. Самым большим нюансом является то, что эта технология уже довольно старая и практически изжила своё. На смену ей приходят новые разъёмы, которые проводят цифровой сигнал, вместо аналогового сигнала.
Used for laptops. The image and below table are the newer 15-pin VGA VESA DDC2 connector
VGA DDC2 connector pinout:
| Pin | Name | Dir | Description |
| 1 | RED | ||
| 2 | GREEN | ||
| 3 | BLUE | ||
| 4 | RES | RESERVED | |
| 5 | GND | Ground | |
| 6 | RGND | Red Ground | |
| 7 | GGND | Green Ground | |
| 8 | BGND | Blue Ground | |
| 9 | KEY | — | Key (No pin) / Optional +5V output from graphics card |
| 10 | SGND | Sync Ground | |
| 11 | ID0 | Monitor ID Bit 0 (optional) | |
| 12 | SDA | I2C bidirectional data line | |
| 13 | HSYNC or CSYNC | ||
| 14 | VSYNC | Vertical Sync which works also as data clock | |
| 15 | SCL | I2C data clock in DDC2, Monitor ID3 in DDC1 |
Note: Direction is Computer relative Monitor. All VGA pinout signals except R, G, B are TTL level signals.
The basic VGA display modes of 80×25 character mode and 640×480 in graphics mode are still supported by all modern graphic cards, independent of the extended modes supported by these cards.
VGA video specifications are:
VESA Display Data Channel is a method for integrating digital interface to VGA connector so as to enable the monitor and graphics card to communicate. The first version of the DDC standard was adopted in August 1994. It included the EDID 1.0 format and specified DDC1, DDC2B and DDC2Ab physical links. DDC version 2, introduced in 1996, split EDID into a separate standard and introduced the DDC2B+ protocol. DDC version 3, 1997, introduced the DDC2Bi protocol and support for VESA Plug and Display and Flat Panel Display Interface on separate device addresses. The DDC standard has been superseded by E-DDC in 1999. Extended display identification data (EDID) is a companion standard; it defines a compact binary file format describing the monitor»s capabilities and supported graphics modes, stored in a read-only memory (EEPROM) chip programmed by the manufacturer of the monitor.
DDC1 allows the monitor to tell its parameters to the computer. When the VGA graphics card detects data on data-line it starts to read the data coming from the monitor synchronous to vertical sync pulse. Vertical sync pulse frequency can be increased up to 25 KHz for the time of the data transfer if a DDC1 compliant monitor is found (be sure not to send those high frequencies to non DDC1 monitors!).
DDC2 (DDC2B) allows bidirectional communication: monitor can tell its parameters and the computer can adjust monitor settings. The bidirectional data bus is a synchronous data bus similar to Access Bus and is based on I2C technology. The signals in the data bus are standard I2C signals. The computer provides 15 kohm pull-up for the SDA and SCLK lines. Monitor must provide 47 kohm pull-up on SCLK line. DDC2B bus is unidirectional and allows only one bus master — the graphics adapter. The monitor acts as a slave device at the 7-bit I²C address 50h, and provides 128-256 bytes of read-only EDID. Because this access is always a read, the first I²C octet will always be A1h.
E-DDC (Enhanced Display Data Channel) is the most recent revision of the DDC standard. Version 1 was introduced in 1999 and featured up to 32 Kbytes of display information storage for use by the Enhanced EDID (E-EDID) standard. E-DDC Version 1.2, approved in 2007, introduced support for DisplayPort and DisplayID standards
HDMI (High Definition Multimedia Interface)
— мультимедийный интерфейс, который позволяет передавать по кабелю до 10 м вместе с видеосигналом еще и аудио без потерь качества. Передача по одному кабелю одновременно видео и аудио данных уменьшает количество соединительных проводов. Разработкой и поддержкой этого стандарта занимаются именитые компании электронной индустрии, такие как: Hitachi, Panasonic, Philips, Sony, Thomson и Toshiba. Благодаря этому, стандарт довольно быстро приобрел популярность, и теперь большинство видеоустройств, для вывода изображений высокого разрешения, имеет хотя бы один разъем HDMI.
В первой версии этого стандарта пропускная способность была 5 Гб/с, а в версии 1.3 она была увеличена в два раза и HDMI кабель способен передавать до 10.2 Гб/с. Кроме этого, в версии HDMI 1.3 была увеличена частота синхронизации до 340 Мгц и благодаря этому стало возможным подключать мониторы высокого разрешения, с поддержкой глубины цвета до 48 бит.
Главным конкурентом HDMI можно назвать разъем DisplayPort.

Если на вашей видеокарте отсутствует, то эту проблема легко решается с помощью переходника и разъема DVI.
VGA pinout: monitor ID detection pin assignments
This monitor type detection is becoming more and more obsolete nowadays. New VGA plug-and-play monitors communicate with the computer according to VESA DDC standard.
The older VGA pinout with monitor ID is:
| Pin | Name | Dir | Description |
| 1 | RED | Red Video (75 ohm, 0.7 V p-p) | |
| 2 | GREEN | Green Video (75 ohm, 0.7 V p-p) | |
| 3 | BLUE | Blue Video (75 ohm, 0.7 V p-p) | |
| 4 | ID2 | Monitor ID Bit 2 | |
| 5 | GND | Ground | |
| 6 | RGND | Red Ground | |
| 7 | GGND | Green Ground | |
| 8 | BGND | Blue Ground | |
| 9 | KEY | — | Key (No pin) |
| 10 | SGND | Sync Ground | |
| 11 | ID0 | Monitor ID Bit 0 | |
| 12 | ID1 | Monitor ID Bit 1 | |
| 13 | HSYNC or CSYNC | Horizontal Sync (or Composite Sync) | |
| 14 | VSYNC | Vertical Sync | |
| 15 | ID3 | Monitor ID Bit 3 |
ID pins set-up 4 11 12 ID2 ID0 ID1 n/c n/c n/c no monitor n/c n/c GND Mono monitor which does not support 1024×768 n/c GND n/c Color monitor which does not support 1024×768 GND GND n/c Color monitor which supports 1024×768
GND means connected to ground n/c means that the pin is not connected anywhere
Большинство жидкокристаллических и плазменных телевизоров имеют VGA-разъем, или как его еще называют, D-sub. Кроме того, он используется в для соединения системного блока и монитора. Аббревиатура VGA произошла от названия компьютерных видеоадаптеров. VGA-разъемразработан фирмой Canon. Сперва он был самым миниатюрным по сравнению с другими аналогичными соединителями.
Источник


































