Прежде подробного рассмотрения проблемы обрисуем круг задач, зная конечную цель, будет проще избрать нужное направление. Изготовление акустических систем своими руками нечастый случай. Практикуется профи, начинающими музыкантами, когда магазинные варианты не устраивают. Появляется задача встраивания в мебель или качественного прослушивания уже имеющейся медиа. Это типичные примеры, которые решаются набором общепринятых способов. Рассмотрением мы и займемся. Не рекомендуем листать по диагонали устройство акустической системы, вникайте!
Устройство акустических систем
Нет шансов сделать акустическую систему самостоятельно без понимания теории. Любителям музыки следует знать, что биологический вид Homo Sapiens слышит внутренним ухом звуковые колебания частот 16-20000 Гц. Когда дело касается классических шедевров, то разброс высок. Нижний край – 40 Гц, верхний – 20 000 Гц (20 кГц). Физический смысл этого факта заключается в том, что не все динамики способны воспроизвести сразу полный спектр. Относительно медленные частоты лучше удаются массивным сабвуферам, а пищание на нижней границе воспроизводят менее габаритные громкоговорители. Понятно, что для большинства людей это ничего не значит. И даже если часть сигнала пропадет, не будет воспроизведена, никто этого и не заметит.
Полагаем, что те, кто поставил целью самостоятельное изготовление акустической системы, должны критично оценивать звук. Полезно будет знать, что годная колонка имеет два и более динамиков, чтобы иметь возможность отразить звучание обширной полосы из слышимого спектра. А вот сабвуфер даже в сложных системах один. Это связано с тем, что низкие частоты заставляют вибрировать окружение, проникая даже сквозь стены. Становится непонятным, откуда именно несутся басы. Следовательно, и колонка НЧ одна – сабвуфер. А вот что касается прочего, то человек уверенно скажет, с какого направления пришел тот или иной спецэффект (луч ультразвука блокируется ладонью).
В связи со сказанным проведем делением акустических систем:
- Звук в формате Моно непопулярен, поэтому избегаем касаться исторических экскурсов.
- Звучание Стерео обеспечивается двумя каналами. Оба содержат низкие и высокие частоты. Лучше подойдут равноценные колонки, снабженные парой динамиков (басы и писк).
- Звук Вокруг отличается наличием большего числа каналов, создающих эффект объемного звучания. Избегаем увлекаться тонкостями, традиционно 5 колонок плюс сабвуфер доносят гамму меломанам. Конструкция многообразна. Поныне ведутся исследования, ставящими целью улучшить качество передачи акустики. Расстановка традиционная такова: по четырем углам комнаты (грубо говоря) по колонке, сабвуфер стоит на полу слева или в центре, под телевизором помещается фронтальная колонка. Последняя в любом случае снабжается двумя динамиками и более.
Важно создать правильный корпус для каждой колонки. Низкие частоты потребуют наличия деревянного резонатора, для верхней границы диапазона — не важно. В первом случае бока ящика служат дополнительными излучателями. Найдете видео, демонстрирующее габаритные размеры, соответствующие длинам волн низких частот по науке, практически остается копировать готовые конструкции, дельной литературы тематика лишена.
Круг задач очерчен, читатели понимают — самодельная акустическая система строится следующими элементами:
- набор динамиков частот сообразно числу каналов;
- фанера, шпон, доски корпуса;
- декоративные элементы, краска, лак, морилка.
Проектирование акустики
Изначально выбираем количество колонок, тип, местоположение. Очевидно, изготавливать в большем числе, нежели имеет каналов домашний кинотеатр, неразумный тактический ход. Кассетному магнитофону хватит двух колонок. К домашнему кинотеатру выйдет уже не менее шести корпусов (динамиков будет больше). Согласно потребностям аксессуары встраиваются в мебель, качество воспроизведения низких частот хромает. Теперь вопрос выбора динамиков: в издании авторства Найденко, Карпова приведена номенклатура:
- Низкие частоты – головка CA21RE (H397) посадкой на 8 дюймов.
- Средний диапазон – головка MP14RCY/P (H522) на 5 дюймов.
- Верхние частоты – головка 27TDC (H1149) на 27 мм.
Приводили базовые принципы конструирования акустических систем, предлагали электрическую схему фильтра, рассекающего поток на две части (выше дан перечень трех поддиапазонов), приводили название покупных динамиков, решающих задачу создания двух колонок стерео. Избегаем повторяться, читатели могут взять труд полистать раздел, найти конкретные названия.
Следующим вопросом будет фильтр. Полагаем, фирма National Semiconductor не обидится, если отскриним чертеж усилителя перевода Ридико. Рисунок показывает активный фильтр с питанием +15, -15 вольт, 5 однотипных микросхем (операционных усилителей), граничная частота поддиапазонов вычисляется формулой, приведенной на изображении (дублируем текстом):
П – число Пи, известное школьникам (3,14); R, C – номиналы резистора, емкости. На рисунке R = 24 кОм, С — замалчивается.
Активный фильтр, питаемый электрическим током
Учитывая возможности выбранных динамиков, читатель сможет подобрать параметр. Берутся характеристики полосы воспроизведения колонки, находится стык перекрытия между ними, туда выносится граничная частота. Благодаря формуле, вычисляем величину емкости. Номинал сопротивления избегайте трогать, причина: может (спорный факт) задавать рабочую точку усилителя, коэффициент передачи. На частотной характеристике, приведенной в переводе, которую опускаем, граница составляет 1 кГц. Давайте посчитаем емкость указанного случая:
С = 1 / 2П Rf = 1 / 2 х 3,14 х 24000 х 1000 = 6,6 пФ.
Не ахти какая большая емкость, выбирается из условия максимально допустимого напряжения. В схеме с источниками +15 и -15 В вряд ли стоит номинал, превышающий суммарный уровень (30 вольт), возьмите пробивное напряжение (справочник поможет) не менее 50 вольт. Не пытайтесь поставить электролитические конденсаторы постоянного тока, схема обретает шансы взлететь на воздух. Отсутствует смысл разыскивать исходную схему чипа LM833 по причине Сизифова труда. Некоторые читатели найдут замену микросхеме, отличающуюся… надеемся на понимание.
Насчет сравнительно небольшой емкости конденсаторов (рознично и суммарной) описание фильтра говорит: благодаря низкому импедансу головок без активных компонентов номиналы пришлось бы увеличить. Закономерно вызывая появление искажений, обусловленных наличием электролитических конденсаторов, катушек с ферромагнитным сердечником. Не стесняйтесь двигать границу деления диапазонов, общая пропускная способность остается прежней.
Пассивные фильтры соберет своими руками каждый обученный пайке, курс школьной физики. В крайнем случае заручитесь помощью Гоноровского, лучше некуда расписаны тонкости прохождения сигналов через радиоэлектронные линии, обладающие нелинейными свойствами. Приведенный материал заинтересовал авторов фильтрами низкой и высокой частоты. Желающие поделить сигнал на три части должны зачитываться трудами, раскрывающими базис полосовых фильтров. Максимально допустимое (или пробивное) напряжение выйдет мизерным, номинал станет значительным. Под стать упомянутым электролитическим конденсаторам емкости номиналом десятки микрофарад (три порядка выше используемых активным фильтром).
Новичков тревожит вопрос получения напряжения +15, -15 В питания акустических систем. Намотайте трансформатор (пример приводился, программа ПК Trans50Hz), снабдите двухполупериодным выпрямителем (диодный мост), профильтруйте, наслаждайтесь. Наконец, активный или пассивный фильтр прикупите. Называется указанная вещица кроссовером, внимательно подбирайте динамики, диапазоны точнее соотносите с параметрами фильтра.
Для пассивных кроссоверов акустических систем найдете в интернете множество калькуляторов (http://ccs.exl.info/calc_cr.html). Исходными цифрами программа расчета принимает входные сопротивления динамиков, частоту деления. Введите данные, программа-робот быстро снабдит величинами емкостей и индуктивностей. На приведенной страничке задавайте тип фильтра (Бесселя, Баттерворта, Линквица-Райли). На наш взгляд задачка для профи. Приведенный выше активный каскад образован фильтрами Баттерворта 2-го порядка (скорость снижения АЧХ 12 дБ на октаву). Касается частотной (АЧХ) характеристики системы, понятно только профессионалам. Если сомневаетесь, выбирайте золотую серединку. В прямом смысле ставьте галку на третьем кружке (Бессель).
Акустика компьютерных колонок
Довелось посмотреть на Ютуб видео: юноша объявил, что сделает акустическую систему своими руками. Отрок талантлив: раскурочил колонки персонального компьютера — ну, совсем никакие — извлек на свет Божий усилитель с регулятором, поместил в спичечный коробок (корпус акустической системы). Компьютерные динамики известны плохим воспроизведением низких частот. Сами устройства маленькие, легкие, во-вторых, буржуи материалами экономят. Откуда в акустической системе взяться басам. Юноша взял… читайте дальше!
Наидорожайший компонент музыкального центра. Акустика класса hi-end стоимостью обходит дешевую квартиру. Ремонт, сборка колонок неплохой бизнес.
Усилитель низкой частоты акустической системы соберет продвинутый радиолюбитель, никаких кулибиных не нужно. Из спичечного коробка торчит ручка регулятора громкости, вход с одной стороны, выход — с другой. Динамики старой акустической системы малы. Юноша раздобыл старенький громкоговоритель не сказочных размеров, но солидный. С колонки советских времен акустической системы.
Чтобы звук не тревожил воздух пищанием, умный отрок сколотил дюймовые доски ящиком. Динамик старенькой акустической системы поместил в размеров почтовой коробки, сместил, как это делается производителями современных сабвуферах домашних кинотеатров. Изнутри колонку звукоизолятором отделывать поленился. Желающий может использовать для акустической системы ватин, другой схожий материал. Маленькие динамики помещены вовнутрь продолговатых коробок, только-только вмещающих торцом громкоговоритель. Гордый отрок подключил один канал акустической системы на два маленьких динамика, второй — на один большой. Работает.
Юноша сказочный молодец, не пьет в подворотне, уподобляясь сверстникам, не портит в свободное время будущих невест, занят делом. Как говорил один знакомый: «Молодому поколению прощается недостаток знания и опыта, не избыток наглости, упроченного равнодушием».
Улучшения
Решили усовершенствовать методику, откровенно надеемся, дополнение поможет сделать акустическую систему самостоятельно несколько качественнее. Проблема? Понятие выдумано радиотехниками, создателями акустических систем — частота. Вибрация Вселенной имеет частоту. Говорят, даже ауре человека присуще. Каждая добротная колонка недаром вмещает несколько динамиков. Большие предназначены для низких частот, басов; прочие — для средних и высоких. Не только размер, а и устройство у них разное. Мы уже обсуждали этот вопрос и интересующихся отсылаем к написанным обзорам, где приводится классификация акустических систем, раскрываются принципы действия наиболее популярных.
Компьютерщикам известен системный зуммер, работающий по прерыванию BIOS, который способен вроде бы выдавать один звук, но талантливые программисты выписывали на нем вычурные мелодии, даже с попыткой цифрового синтеза и воспроизведения голоса. Однако при желании бас такая пищалка выдать не может.
К чему этот разговор… Большой динамик следовало бы не просто приспособить на один из каналов, а присудить специализацию басов. Как известно, большинство современных композиций (Звук Вокруг не берем) рассчитаны на два канала (стереовоспроизведение). Получается, что два одинаковых динамика (маленьких) играют одни и те же ноты, смысл в этом маленький. В то же время с этого же канала бас теряется, а высокие частоты гибнут на большом динамике. Как быть? Предлагаем внедрить в схему пассивные полосовые фильтры, которые помогут разбить поток на две части. Схему берем иностранного издания по той простой причине, что она первой попалась на глаза. Вот ссылка на исходный сайт chegdomyn.narod.ru. Радиолюбитель переснял из книги, приносим извинения автору, что не указываем первоисточник. Это происходит по той простой причине, что он нам не известен.
Итак, картинка. Бросаются сразу в глаза слова Woofer и Tweeter. Как не сложно догадаться, это, соответственно, сабвуфер для низких частот, и динамик для высоких. Охватывается диапазон музыкальных произведений 50-20000 Гц, причем на сабвуфер приходится полоса нижних частот. Радиолюбители могут сами по известным формулам просчитать полосы пропускания, для сравнения ля первой октавы, как известно, составляет 440 Гц. Считаем, что для нашего случая такое деление подойдет. Вот только хотелось бы найти два больших динамика, по одному на каждый канал. Смотрим схему…
Не совсем музыкальная схема. В положении, занимаемом системой, идет фильтрация голоса. Диапазон 300-3000 Гц. Переключатель подписан Narrow, переводится, как полоса. Чтобы получить Wide (широкое) воспроизведение, опускаем клеммы. Поклонники музыки могут выкинуть полосовой фильтр Narrow, любителям бороздить скайп рекомендуем избегать поспешного решения. Схеме напрочь исключит петлевой эффект микрофона, известный повсеместно: пронзительное гудение вследствие переусиления (положительной обратной связи). Ценный эффект, даже военный знает сложности использования громкой связи. Владелец ноутбука осведомлен…
Для устранения эффекта обратной связи изучите вопрос, найдите, на какой частоте резонирует система, отрежьте лишнее фильтром. Очень удобно. Касательно популярной музыки микрофон отключаем, уносим подальше от динамиков (случай караоке), начинаем петь. Фильтры верхних и нижних частот оставим неизменными, изделия просчитаны неизвестными западными друзьями. Испытывающим затруднения, читая иностранные чертежи, поясняем, схема изображает (полосовой фильтр Narrow отброшен):
- Емкость 4 мкФ.
- Неиндуктивные сопротивления R1, R2 номиналом 2,4 Ом, 20 Ом.
- Индуктивность (катушка) 0,27 мГн.
- Сопротивление R3 8 Ом.
- Конденсатор С4 17 мкФ.
Динамики должны соответствовать. Советы указанного сайта. Сабвуфером пойдет МСМ 1853, пищалкой (слово не списали) послужит РЕ 270-175. Полосы пропускания посчитаете самостоятельно. Большая буква Ω означает кОмы — ничего страшного нет, поменяйте номинал. Напоминаем, емкости параллельно соединенных конденсаторов складываются, как последовательно включенные резисторы. На случай, если сложно достать подходящие номиналы. Вряд ли получится изготовить динамики своими руками, набрать небольшие номиналы сопротивлений реально. Не используйте катушки, вырезаем пластины нихрома, подобных сплавов. После изготовления резистор лакируется, большого тока не планируется, защищать элемент не следует.
Индуктивности проще намотать самостоятельно. Логично использовать онлайн-калькулятор, задав емкость, получим параметры: количество витков, диаметр, материал сердечника, толщину жилы. Приведем пример, избегая быть голословными. Посещаем Яндекс, набираем нечто вроде «онлайн калькулятор индуктивности». Получаем ряд ответов выдачи. Выбираем понравившийся сайт, начинаем думать, как намотать индуктивность акустической системы номиналом 0,27 мГн. Нам понравился сайт coil32.narod.ru, начнем работу.
Исходные сведения: индуктивность 0,27 мГн, диаметр каркаса 15 мм, проволока ПЭЛ 0,2, длиною намотки 40 миллиметров.
Сразу возникает вопрос, видя калькулятор, где взять номинальный диаметр изолированной проволоки… Потрудились, нашли на сайте servomotors.ru таблицу, взятую из справочника, которую приводим в обзоре, считайте на здоровье. Диаметр меди составляет 0,2 мм, изолированной жилы – 0,225 мм. Скармливаем смело величины калькулятору, вычисляя нужные величины.
Получилась двухслойная катушка, числом витков 226. Длина провода составила 10,88 метра сопротивлением порядка 6-ти Ом. Главные параметры найдены, начинаем мотать. Самодельная акустическая система выполняется в ручной работы корпусе, примостить фильтр место найдется. К одному выходу подключаем пищалку, к другому – сабвуфер. Пару слов касательно усиления. Может статься, каскад усилителя не потянет четыре динамика. Каждая схема охарактеризована некой нагрузочной способностью, выше нельзя подпрыгнуть. Устройство акустической системы рассчитано, учитывая фиксированный запас, чтобы согласовать нагрузку, часто применяется эмиттерный повторитель. Каскад, заставляющий схему работать, полная отдача на любой динамик.
Напутствие начинающим конструкторам
Считаем, помогли читателям понять, как правильно конструировать акустическую систему. Пассивные элементы (конденсаторы, резисторы, катушки индуктивности) сможет достать, изготовить каждый. Осталось собрать корпус акустической системы своими руками. А за этим, верим, дело не станет. Важно понять, музыка сформирована гаммой частот, обрезаемых неправильным изготовлением устройства. Собравшись сделать акустическую систему, подумайте над этим, поищите компоненты. Важно передать великолепие мелодии, будет твердая уверенность: труд не пропал даром. Акустическая система прослужит долго, радость подарит.
Верим, изготовление акустических систем своими руками читателям будет в удовольствие. Грядущее время уникально. Поверьте, в начале XX века нельзя было черпать информацию тоннами ежедневно. Обучение выливалось тяжким кропотливым трудом. Приходилось обшаривать пыльные полки библиотек. Возрадуйтесь интернету. Страдивари пропитывал древесину скрипок уникальным составом. Скрипачи современности продолжают выбирать итальянские экземпляры. Вдумайтесь, прошло 30 лет, воз остался позади.
Нынешнему поколению известны марки клеев, наименования материалов. Необходимое продается магазинами. СССР лишил изобилия людей, снабдив относительной стабильностью. Сегодня преимущество описывается возможностью изобретения уникальных способов заработка. Профессионал-самоучка везде срубит капусты.
Посвященном акустике помещения мы выяснили, что любая комната — своего рода резонатор, драматически влияющий на характер звучания системы. Теперь пришла пора поговорить непосредственно об источниках этого самого звучания, то есть об акустических системах.
Чтобы как следует разобраться в процессах, происходящих в ящике, на стенке которого смонтирован один или несколько динамиков, нужно вдумчиво прочитать пару-тройку книжек, в каждой из которых формул больше, чем во всем школьном курсе физики. Я забираться в такие дебри не буду, так что не стоит данный материал как исчерпывающий анализ или руководство по постройке аудиофильских колонок. Однако очень надеюсь, что он поможет начинающим меломанам (да и некоторым хроническим тоже) как следует сориентироваться в разнообразии акустических решений, каждое из которых его разработчики, разумеется, называют единственно правильным.
Некоторое время после изобретения в 1924 году электродинамического излучателя с коническим диффузором (окей, просто динамика), его деревянное обрамление исполняло в первую очередь декоративные и защитные функции. Оно и понятно — после долгих лет прослушивания пластинок через слюдяные мембраны и раструбы граммофонов, саунд нового устройства и безо всякой акустической доработки казался просто апофеозом благозвучия.
Мембраны граммофонов изготавливались чаще всего из алюминия или слюды
Однако технологии записи быстро совершенствовались и стало понятно, что более-менее правдоподобно воспроизвести слышимый диапазон динамиком, просто закрепленном на некой подставке, крайне проблематично. Дело в том, что предоставленная сама себе динамическая головка находится в состоянии акустического короткого замыкания. То есть волны от фронтальной и тыловой поверхностей диффузора, излучаемые, понятное дело, в противофазе, беспрепятственно накладываются друг на друга, что самым печальным образом отражается на эффективности работы, и в первую очередь на передаче басов.
Кстати, в процессе данного рассказа я буду чаще всего рассуждать именно о низких частотах, так как их воспроизведение — ключевой момент в работе любого корпуса АС. ВЧ-драйверы в силу малой длины излучаемых волн во взаимодействии с внутренним объемом колонки вообще не нуждаются, и чаще всего полностью от него изолированы.
Душа нараспашку
Самый простой способ отделить фронтальное излучения динамика от тылового — смонтировать его на щите как можно большего размера. Из этой простой идеи и родились, собственно, первые акустические системы, представлявшие собой ящик с открытой задней стенкой, поскольку для компактности края щита просто взяли, да и загнули под прямым углом. Однако в плане воспроизведения басов успехи подобных конструкций впечатляли не слишком. Помимо несовершенства корпуса проблема была еще и в очень небольшом по современным понятиям ходе подвески диффузоров. Чтобы хоть как-то выйти из положения, использовались динамики как можно большего размера, способные развивать приемлемое звуковое давление при небольшой амплитуде колебаний.

Несмотря на кажущуюся примитивность подобных конструкций, у них имелись и кое-какие достоинства, причем настолько специфические и интересные, что адепты открытых АС не перевелись до сих пор.
Начать с того, что отсутствие каких-либо препятствий на пути звуковых волн – лучший путь к повышению чувствительности. Момент этот особенно ценен для аудиофильских ламповых усилителей, в особенности однотактных или лишенных обратной связи. Бумажные диффузоры большого диаметра даже на мощности порядка четырех-пяти ватт способны создать довольно-таки внушительный, и при этом на удивление открытый и свободный саунд.

Что же касается тылового излучения, то чтобы не вносить искажений в прямой звук, оно должно приходить к слушателю с заметной задержкой (свыше 12-15 мс) — в таком случае его влияние ощущается как легкая реверберация, лишь добавляющая в саунд воздуха и расширяющая музыкальное пространство. Тонкость в том, что для создания этой самой «заметной задержки» колонки, разумеется, должны быть расположены на изрядном расстоянии от стен. К тому же большая площадь передней панели и внушительные размеры НЧ-драйверов соответствующим образом сказываются на общих габаритах АС. Одним словом, обладателей небольших и даже средних жилых комнат просьба не беспокоиться.
Кстати, частный случай открытых систем — акустика, построенная на электростатических излучателях. Только за счет почти невесомой диафрагмы большой площади, ко всем вышеописанным преимуществам, у электростатов добавляется способность филигранно передавать даже самые резкие динамические контрасты, а благодаря отсутствию разделения сигнала в зонах СЧ и ВЧ, еще и завидная тембральная точность.
Открытое оформление
Плюсы:
Высококлассные открытые колонки — отличный способ получить реальный кайф от прослушивания пуристских ламповых однотактников.
Минусы:
Про жирные компрессионные басы лучше забыть сразу. Весь звуковой тракт должен быть подчинен идее открытой акустики, а сами колонки придется выбирать из крайне ограниченного числа предложений.
Запертый в ящике
С ростом мощности и улучшением параметров усилителей сверхвысокая чувствительность акустики перестала быть главным камнем преткновения, а вот проблемы неравномерности АЧХ, и в особенности правильного воспроизведения басов, стали еще более актуальными.
Гигантский шаг к прогрессу в данном направлении сделал в 1954 году американский инженер Эдгар Вильчур. Он запатентовал акустическую систему закрытого типа, и это был отнюдь не трюк в стиле нынешних патентных троллей.

К тому моменту уже был изобретен фазоинвертор и, понятное дело, к ящику с дном динамик тоже примеряли неоднократно, только вот ничего хорошего из этого не получалось. Из-за упругости замкнутого объема воздуха приходилось или терять существенную часть энергии диффузора, или делать корпус непомерно большим, чтобы снизить градиент давления. Вильчур же решил обратить зло во благо. Он сильно понизил упругость подвеса, переложив таким образом контроль за движением диффузора на объем воздуха — пружину куда более линейную и стабильную, чем гофр или резиновое кольцо.

Так удалось не только полностью избавиться от акустического короткого замыкания и поднять отдачу на низких частотах, но и ощутимо сгладить АЧХ на всем ее протяжении. Однако обнаружился и минорный момент. Выяснилось, что демпфирование замкнутым объемом воздуха приводит к повышению резонансной частоты подвижной системы и резкому ухудшению воспроизведения частот ниже данного порога. Для борьбы с такой неприятностью пришлось увеличивать массу диффузора, что логичным образом привело к снижению чувствительности. Плюс поглощение внутри «черного ящика» чуть ли не половины акустической энергии, не могло не внести вклада в снижение звукового давления. Одним словом, новому типу колонок потребовались усилители довольно серьезной мощности. К счастью, на тот момент они уже существовали.

Сегодня закрытое оформление применяется по большей части в сабвуферах, особенно в тех, что претендуют на серьезное музыкальное исполнительство. Дело в том, что для домашних кинотеатров энергичная отработка самых низких басов часто оказывается важнее динамической и фазовой точности на всем протяжении НЧ-диапазона. А вот объединив относительно компактный закрытый саб с приличными сателлитами, можно добиться куда более правильного звука — пускай и не наполненного сверхглубокими басами, зато крайне быстрого, собранного и четкого. Всё вышесказанное можно отнести и на счет полнодиапазонных колонок, «закрытые» модели которых изредка появляются на рынке.
Закрытый ящик
Плюсы:
Образцовая скорость атаки и разрешение в низкочастотном диапазоне. Относительная компактность конструкции.
Минусы:
Требуется достаточно мощный усилитель. Сверхглубоких басов на грани инфразвука добиться весьма затруднительно.
Дело — труба
Еще одним способом обуздания противофазного тылового излучения стал фазоинвертор, по-русски буквально «разворачиватель фазы». Чаще всего он представляет собой полую трубку, смонтированную на передней или задней поверхности корпуса. Принцип работы понятен из названия и незамысловат: раз избавляться от излучения обратной стороны диффузора трудно и нерационально, значит нужно синхронизировать его по фазе с фронтальными волнами и использовать на благо слушателей.

По сути труба с воздухом является самостоятельной колебательной системой, получающей импульс от движения воздуха внутри корпуса. Обладая совершенно определенной частотой резонанса, фазоинвертор работает тем эффективнее, чем ближе колебания диффузора к частоте его настройки. Звуковые волны более высоких частот сдвинуть с места воздух в трубе просто не успевают, а более низкие хотя и успевают, но чем они ниже, тем сильнее смещается фаза излучения фазоинвертора, и, соответственно, его эффективность. Когда поворот фазы достигает 180 градусов, тоннель начинает откровенно и весьма эффективно глушить звук басового драйвера. Именно этим объясняется очень крутое падение звукового давления АС ниже частоты настройки фазоинвертора — 24 дБ/окт.

У закрытого ящика, между прочим, на частотах ниже резонансной спад АЧХ куда более плавный — 12 дБ/окт. Однако в отличие от глухой коробки, коробка с трубой в боковой стенке не заставляет конструкторов идти на любые хитрости ради максимального снижения резонансной частоты самого динамика, что довольно хлопотно и дорого. Тоннель фазоинвертора настроить куда проще — достаточно подобрать ее внутренний объем. Это, правда, в теории. На практике, как всегда, начинаются непредвиденные сложности, например, на больших уровнях громкости воздух на выходе из отверстия может шуметь почти как ветер в печном дымоходе. К тому же инертность системы частенько становится причиной падения скорости атаки и ухудшения артикуляции на басах. Одним словом, простор для экспериментов и оптимизации перед конструкторами фазоинверторных систем открывается просто невероятный.
Фазоинвертор
Плюсы:
Энергичная отдача на НЧ, возможность воспроизведения самых глубоких басов, относительная простота и дешевизна изготовления (при изрядной сложности расчета).
Минусы:
В большинстве реализаций проигрывает закрытому ящику в скорости атаки и четкости артикуляции.
Обойдемся без катушки
Попытки избавиться от генетических проблем фазоинвертора, а заодно и сэкономить на объеме корпуса без ущерба для глубины баса, натолкнули разработчиков на идею заменить полую трубу на мембрану, приводимую в движение колебаниями все того же рабочего объема воздуха. Проще говоря, в закрытом ящике установили еще один низкочастотный драйвер, только без магнита и звуковой катушки.

Конструкция получила название «пассивный излучатель» (Passive radiator), которое сплошь и рядом не слишком грамотно переводят с английского как «пассивный радиатор». В отличие от трубы сабвуфера, пассивный диффузор занимает куда меньше пространства в корпусе, не так критичен к расположению, и к тому же он, как и воздух внутри закрытого ящика, демпфирует ведущий драйвер, сглаживая его АЧХ.

Еще один плюс — с увеличением площади излучающей поверхности для достижения нужного звукового давления требуется меньшая амплитуда колебаний, а значит, снижаются последствия нелинейной работы подвеса. Колеблются оба диффузора синфазно, а резонансная частота свободной мембраны настраивается точной регулировкой массы — к ней попросту подклеивают грузик.
Пассивный излучатель
Плюсы:
Компактность корпуса при впечатляющей глубине басов. Отсутствие фазоинверторных призвуков.
Минусы:
Увеличение массы излучающих элементов приводит к росту переходных искажений и замедлению импульсного отклика.
Выход из лабиринта
Акустика, вооруженная фазоинверторами и пассивными излучателями, воспроизводит глубокие басы благодаря резонаторам, работающим при посредничестве воздуха внутри АС. Однако кто сказал, что объем колонки не может играть роль низкочастотного излучателя сам по себе? Конечно может, и соответствующая конструкция называется акустический лабиринт. По сути, она представляет собой волновод, протяженностью в половину или четверть длины волны, на которой планируется добиться резонанса системы. Иными словами конструкция настраивается по нижней границе частотного диапазона АС. Конечно использовать волновод полной длины волны было бы еще эффективнее, но тогда для частоты, скажем, 30 Гц, его пришлось бы делать 11-метровым.

Чтобы в колонке разумных размеров уместить даже вдвое более компактную конструкцию, в корпусе устанавливают перегородки, формирующие максимально компактный изогнутый волновод, поперечным сечением примерно равным площади диффузора.
От фазоинвертора лабиринт отличается в первую очередь менее «резонансным» (то есть не акцентированным на определенной частоте) звучанием. Относительно низкая скорость и ламинарность движения воздуха в широком волноводе препятствует возникновению турбулентности, порождающей, как мы помним, нежелательные призвуки. Кроме того, в данном случае драйвер свободен от компрессии, повышающей резонансную частоту, ведь его тыловое излучение не встречает практически никаких препятствий.

Бытует мнение, что акустические лабиринты создают меньше проблем со стоячими волнами в комнате. Однако при малейших просчетах в разработке или изготовлении, стоячие волны могут возникнуть в самом волноводе, который, в отличие от фазоинвертора, имеет куда более сложную структуру резонансов.
Вообще надо сказать, что грамотный расчет и точная настройка акустического лабиринта — процессы весьма непростые и трудоемкие. Именно по этой причине данный тип корпуса встречается нечасто, и только в АС очень серьезного ценового уровня.
Акустический лабиринт
Плюсы:
Не только хорошая отдача, но и высокая тональная точность басов.
Минусы:
Нешуточные размеры, очень высокая сложность (читай — стоимость) создания правильно работающей конструкции.
Эй, на пароме!
Рупор — самый древний и, пожалуй, самый провокационный тип акустического оформления. Выглядит круто, если не сказать эпатажно, звучит ярко, а временами… В старых фильмах герои иногда кричат друг другу что-то в рупор, и характерная окраска такого звука давно стала мемом и в музыкальном, и в киношном мире.

Конечно от жестяной воронки с ручкой теперешняя акустика ушла очень далеко, но принцип работы все тот же — рупор повышает сопротивление воздушной среды для лучшего согласования с относительно высоким механическим сопротивлением подвижной системы динамика. Таким образом, повышается его КПД, а заодно и формируется четкая направленность излучения. В отличие от всех описанных ранее конструкций, рупор чаще всего используется в высокочастотных звеньях АС. Причина проста — его сечение увеличивается по экспоненте, и чем ниже воспроизводимая частота, тем большим должен быть размер выходного отверстия — уже на 60 Гц потребуется раструб диаметром 1,8 м. Понятно, что такие монструозные конструкции больше подходят для стадионных концертов, где их действительно периодически можно встретить.
Главный козырь адептов рупорного воспроизведения заключается в том, что акустическое усиление позволяет при заданной звуковой отдаче уменьшить ход мембраны, а значит, поднять чувствительность и улучшить музыкальное разрешение. Да-да, снова кивок обладателям ламповых однотактников. К тому же при грамотном расчете раструбы могут играть роль акустических фильтров, круто отсекая звук за пределами своей полосы и позволяя ограничиться самыми простыми, а потому вносящими минимальные искажения электрическими кросоверами, а иногда и вообще обойтись без них.

Скептики же не устают напоминать о характерной рупорной окраске, особенно заметной на вокале, и придающей ему характерную гнусавость. Побороть данную неприятность действительно нелегко, хотя судя по тому, как играют лучшие образцы High-End-рупоров, вполне реально.
Рупор
Плюсы:
Высокий акустический КПД, а значит, отличная чувствительность и неплохое музыкальное разрешение системы.
Минусы:
Характерная трудноустранимая окраска звука, недетские размеры средне- и тем более низкочастотных конструкций.
Круги на воде
Именно такой аналогией проще всего описать характер излучения контрапертурных акустических систем, впервые разработанных в Советском Союзе в 80-х годах прошлого века. Принцип работы нетривиален: пара одинаковых динамиков смонтирована так, что их диффузоры расположены друг напротив друга в горизонтальной плоскости и двигаются симметрично, то сжимая, то разжимая воздушную прослойку. В результате создаются кольцевые воздушные волны, равномерно расходящиеся во все стороны. Причем характеристики этих волн в процессе их распространения искажаются минимально, а их энергия затухает медленно — пропорционально расстоянию, а не его квадрату, как в случае обычных АС.

Помимо дальнобойности и круговой направленности, контрапертурные системы интересны на удивление широкой вертикальной дисперсией (порядка 30 градусов против стандартных 4-8 гр.), а также отсутствием доплеровского эффекта. Для динамиков он проявляется в биениях сигнала, вызванных постоянным изменением расстояния от источника звука до слушателя из-за колебаний диффузора. Правда, реальная слышимость данных искажений до сих пор вызывает много споров.
Взаимное проникновение концентрических звуковых полей правой и левой колонок создают весьма обширную и равномерную зону объемного восприятия, то есть по сути вопрос точного позиционирования АС относительно слушателя становится не актуален.

Характерная особенность контрапертуры в том, что звук, приходящий к слушателю фактически со всех сторон, хотя и создает впечатляющий эффект присутствия, не может в полной мере передать информацию о звуковой сцене. Отсюда рассказы слушателей об ощущении летающего по комнате рояля и прочих чудесах виртуальных пространств.
Контрапертура
Плюсы:
Широкая зона эффектного объемного восприятия, натуралистичность тембров благодаря нетривиальному использованию волновых акустических эффектов.
Минусы:
Акустическое пространство заметно отличается от звуковой сцены, задуманной при записи фонограммы.
И другие…
Если вы думаете, что на этом список вариантов оформления колонок исчерпывается, значит вы сильно недооцениваете конструкторский энтузиазм электроакустиков. Я описал только наиболее ходовые решения, оставив за кадром близкую родственницу лабиринта — трансмиссионную линию, полосовой резонатор, корпус с панелью акустического сопротивления, нагрузочные трубы…

Подобная экзотика встречается довольно редко, но иногда она материализуется в конструкции с действительно уникальным звучанием. А иногда и нет. Главное не забывать, что шедевры, как и посредственности, встречаются во всех оформлениях, что бы ни говорили идеологи того или иного бренда.
Подготовлено по материалам журнала «Stereo & Video», июнь 2016 г.
Изготовить акустические колонки на основе фирменных динамиков может показаться на первый взгляд достаточно простой работой. Однако в действительности самостоятельно сделать колонки не так-то просто, как-то может показаться на первый взгляд.
В этой статье на нашем мы расскажем вам, как правильно изготовить акустику своими руками на основе фирменных динамиков. Кросовер выполнен на металоплёночных
конденсаторах и резисторах от Jantzen Audio.
Катушки индуктивности, металлопленочные конденсаторы и резисторы располагаются на печатной плате. Для изготовления акустических ящиков мы использовали фанеру с толщиной в 18 миллиметров. Общий объем ящика для акустики составил 13 литров, а вес изготовленной колонки – 6 килограмм.
Расчёт объема и габаритов колонок осуществлялся при помощи программы BassBox 6 Pro. А расчёт кроссоверов выполнялся при помощи плагина Х over 3 Pro. Рекомендуем использовать клей Titebond Original Wood Glue. Трубку фазоинвертора использовали Intertechnik BR SL 45. Обшивка акустики осуществлялась специальной тканью Audiomania 101-14 черного цвета.
Схема кроссовера
Изготовление акустического корпуса
Все необходимые размеры были получены с помощью специальной утилиты. Выполнять распил по чертежу фанеры можно как самостоятельно, так и доверить данную работу опытным профессионалам. В последнем случае вы получите максимально качественную работу, что и обеспечит эффектный внешний вид конструкции.
Стенки приклеиваются поэтапно при помощи специального клея по дереву. Для повышения прочности конструкции можно применять оконные штапики, которые в данном случае фактически являются ребрами жесткости. Необходимо изнутри обклеить фанеру ватином, который заранее подрезан по исходным размерам. Тем самым вы улучшите акустические показатели корпуса устройства.
В том случае, если раскрой вы делали самостоятельно, необходимо пройтись по стыкам фрезеровальной машинкой и тщательно отшлифовать стыки, закругляя грани. После того как ящик будет готов его можно обклеить декоративной пленкой, которая имитирует структуру дерева или же применять черную акустическую ткань. В данном случае выбор исключительно за вами.
Монтируем кроссовер
Как правило, тестирование кроссовера для акустики занимает порядка нескольких недель. Во время тестов вам необходимо подобрать оптимальное звучание, после чего можно приступать к завершающим монтажным работам. Платы для кроссовера обклеиваются силиконовым герметиком или клеем на основе силикона.
После застывания герметика можно приступать к припаиванию радиоэлементов. При выполнении данной работы не следует жалеть припоя. Работа должна выполняться как можно качественнее. Собрав кроссоверы, закрепляем их в корпусе колонки. Вам лишь останется подсоединить специальным акустическим кабелем динамики с кроссовером.
Закрепляем динамики саморезами в корпусе и тщательно герметизируем место стыка, что обеспечить максимально возможную герметичность внутренней емкости колонки. Качество звучания изготовленных самостоятельно колонок на основе динамиков Visaton находится на высочайшем уровне. По показателям качества они не уступают готовым фирменным колонкам от известных брендов и при этом стоимость их изготовления куда ниже.
Расчет кроссовера для акустики75
Расчет кроссовера для акустики, как известно, очень важная операция. На свете не существует идеальных акустических систем, способных воспроизводить частотный диапазон полностью.
И тогда на помощь приходят отдельные участки спектра динамиков. К примеру, если надо воспроизводить НЧ, применяют сабвуфер, а чтобы воспроизвести ВЧ, устанавливают мидбасы.
Когда все эти динамики вместе взятые начинают играть, то может произойти путаница перед поступлением на тот или иной излучатель. По этой причине и необходим бывает активный или пассивный кроссовер для акустики.
В этой статье мы узнаем, для чего нужен расчет фильтра, рассмотрим пассивные кроссоверы, узнаем как они строятся на катушках индуктивности и конденсаторах.
Расчет кроссовера
Чтобы подключить 2-полосную(см.) или другую акустику с большим количеством полос к 1 каналу усилителя или ГУ, нужно некое отдельное устройство, разделяющее сигнал. При этом оно должно выделять для каждой полосы свои частоты. Именно такие устройства и называются фильтрами или кроссоверами.
Примечание. В комплекте с компонентной акустикой, как правило, уже идет пассивный кроссовер. Его готовил производитель и он рассчитан уже изначально.
Но что делать, если нужно разделить частоты по иной схеме (к примеру, если комплект акустики собран из отдельных компонентов)?
В этом случае речь идет о расчете кроссовера.Отметим сразу, что рассчитать кроссовер совершенно не сложно и даже можно самостоятельно изготовить его.
Ниже приводится инструкция о том, как рассчитать кроссовер:
- Скачиваем специальную программу. Это может быть Crossover Elements Calculator на компьютер;
- Вводим сопротивления низкочастотного и высокочастотного динамиков. Сопротивление – это номинальное значение сопротивления акустики, выражаемое в Ом. Как правило, средним значением является 4 Ом;
- Вводим частоту раздела кроссовера. Здесь полезно будет знать, что частоту надо вводить в Гц, но ни в коем случае не в кГц.
Примечание. Если кроссовер второго порядка, то надо еще ввести тип кроссовера.
- Получить ожидаемый результат можно, нажав на кнопку расчета.
Кроме того, надо знать следующее:
- Емкость конденсаторов, а вернее их значение вводится в Фарадах;
- Индуктивность рассчитывается в Генри (mH).
Схема расчета фильтра выглядит примерно так:
Фильтры разного порядка
Чтобы ясно понимать схему расчета кроссовера(см.), нужно понимать разницу между фильтрами разного порядка. Об этом и пойдет речь ниже.
Примечание. Существуют несколько порядков кроссовера. В данном случае порядок означает параметр кроссовера, который характеризует его способность ослаблять не нужные частотные сигналы.
Первый порядок
Схема 2-х полосного кроссовера этого порядка выглядит следующим образом:
По схеме видно, что ФНЧ или фильтр низких частот построен на катушке индуктивности, а фильтр высоких частот – на конденсаторе.
Примечание. Такой выбор компонентов не случаен, так как сопротивление катушки индуктивности повышается прямо пропорционально увеличению частоты. А вот что касается конденсатора, то здесь обратно пропорционально. Получается, что такая катушка отлично пропускает НЧ, а конденсатор отвечает за пропуск ВЧ. Все просто и оригинально.
Следует также знать, что кроссоверы первого порядка, а вернее их номинал, зависит от выбранной частоты разделения и величины сопротивления колонки. Проектируя ФНЧ, надо в первую очередь обратить внимание на частоту среза НЧ и СЧ динамиков(см.).
А вот проектируя ФВЧ, надо аналогичным образом поступить уже с ВЧ.
Пассивный кроссовер
Наиболее доступной на сегодня считается именно пассивная фильтрация, так как она сравнительно проста в реализации. С другой стороны, не все так просто.
Речь идет о следующих недостатках:
- Согласовать параметры и значение фильтров с характеристиками излучателей колонок очень сложная штука;
- В процессе эксплуатации может наблюдаться нестабильность параметров . К примеру, если повысится сопротивление звуковой катушки при нагреве. В связи с этим значительно ухудшится достигнутое в процессе разработки согласование;
- Фильтр, обладая внутренним сопротивлением, забирает некоторую часть выходной мощности усилителя. Одновременно с этим ухудшается демпфирование, а это сказывается на качестве звучания и четкости передачи нижнего регистра.
Как известно, на сегодняшний день самыми распространенными акустическими системами считаются 2-х компонентные варианты.
В них фильтр разделяет звуковой сигнал на два диапазона:
- Первый диапазон предназначается исключительно для низких и средних частот. В данном случае используется кроссовер для нижних частот или ФНЧ;
- Второй диапазон предназначен для ВЧ. Здесь уже используется другой фильтр ФВЧ.
Примечание. Вариантов реализации фильтра может быть несколько, но он все должно отвечать определенным канонам.
Ниже приводится список требований, которым обязательно должен соответствовать кроссовер:
- Фильтр не должен оказывать влияния на частотный спектр и волну выходящего аудиосигнала;
- Должен создавать для усилителя, независимую от частоты нагрузку активного характера;
- Должен суметь обеспечивать вместе с акустическими системами формирование диаграммы направленности. Это должно быть реализовано так, чтобы до слушателя доходило максимум излучения.
Из статьи мы узнали, как проводится расчет кроссовера акустических систем своими руками. В процессе работ будет полезно также изучить схемы, посмотреть видео обзор и фото – материалы.
Если научиться самостоятельно рассчитывать фильтр, платить за услуги специалистам не придется. Таким образом, цена операции сводится к минимуму, ведь надо только приложить немного терпения и уделить некоторое время изучению.
Высококачественные звуковые колонки для домашней звукоусилительной аппаратуры воспроизводят НЧ-сигналы с частотой 30-50 Гц, что соответствует длине звуковой волны 7-10 м. Чтобы эффективно излучать такие колебания, нужны динамические головки с большим диаметром диффузора (существуют экземпляры d 400 мм). Однако на практике чаще всего применяются «динамики» размером от 200 до 300 мм. Их собственная резонансная частота составляет 15-30 Гц.
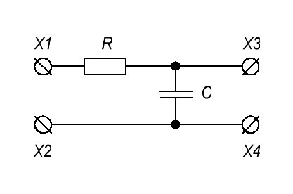
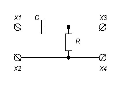
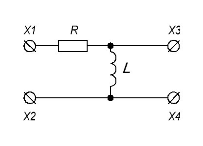
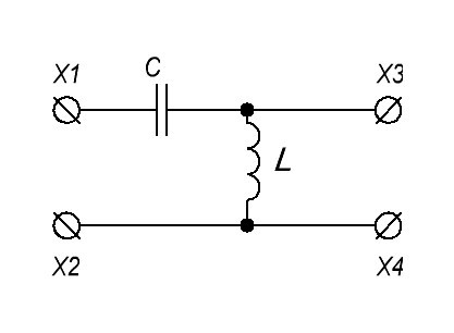
Когда на головку подают звуковой сигнал, ее подвижная система колеблется, излучая в обе стороны одинаковые по силе, но противоположные по фазе звуковые колебания, которые имеют ненаправленный характер. Корпус «динамика» не в состоянии изолировать одну от другой области сжатия и разрежения воздуха. В результате в точке слушания звуковое давление имеет низкий уровень. Это явление известно в технике как акустическое короткое замыкание. Устраняют его, помещая акустический излучатель в закрытый ящик (рис. 1). (Символы на рисунках обозначают: а — ширину, Ь — глубину, с — высоту ящика, х — толщину материала, (1 — толщину планки). Часто в нем делают одно или даже несколько отверстий, располагая их в определенных местах корпуса (рис. 2). Такие отверстия называются фазоинвер-торами, или басрефлекторами. Их разновидность — пассивный излучатель (рис. 3), представляющий собой неподключенную динамическую головку. Расположение отверстий на передней панели корпуса звуковой колонки выбирают таким образом, чтобы обратное излучение совпадало с фронтальным, повышая тем самым низкочастотное звуковое давление.
Важное значение для акустических колонок имеют их размеры, форма и материалы, из которых они сделаны, внутренняя «начинка» и оформление лицевой панели. Тем самым корпус влияет на технические параметры установленной в нем динамической головки и прежде всего на повышение ее собственной резонансной частоты. Немаловажную роль здесь играют диаметр диффузора и «литраж» корпуса. С увеличением его объема и уменьшением размеров подвижной системы резонансная частота изменяется незначительно. Если же головку с большим диффузором установить в сравнительно небольшой ящик, резонансная частота заметно изменится — низкие частоты «срезаются», и в результате эффективный частотный диапазон колонки сужается. Иными словами, неправильно подобранный по объему корпус может ухудшить качество воспроизведения даже очень хорошей динамической головки.
Для эффективной отдачи головки на низких частотах болгарские радиолюбители рекомендуют выбирать объемы колонки, исходя из приведенных в таблице данных.
При использовании фазоинвертора также необходимо выполнять определенные требования. Отверстие под него должно быть расположено на расстоянии не менее 60-80 мм от НЧ-головки и в 40-50 мм от задней стенки корпуса. На таком же расстоянии от отверстия укладывают и звукопоглощающий материал. Лучше, если фазоинвертор расположен под НЧ-головкой.
Рекомендуемые размеры для фазоинверторов зависят от «литража» колонки и диаметра диффузора головки. Так, с головкой d 125 мм, установленной в корпусе с внутренним объемом В дм3, труба фазоинвертора имеет d 50 (46) мм и Ь=60 мм. Для громкоговорителя объемом 16 дм3, диаметр диффузора которого равен 160 мм, нужна труба d 50 мм и длиной 100 мм. Соответственно для головки d 200 мм при объеме У=30 дм3 размеры трубы составят d 75 мм, Ь = 100 мм. У громкоговорителя d 300 мм, при N4 = 60 дм3 труба должна иметь d 75 мм и Ь = = 220 мм.
Форма корпуса, как внутренняя, так и наружная, также влияет на частотную характеристику громкоговорителя. Наиболее приемлема — сферическая, а самая неподходящая — куб, когда динамическая головка расположена в геометрическом центре одной из его сторон. В цилиндрическом корпусе наиболее благоприятное расположение головки — поперечное (рис. 4а), а не продольное (рис 46), хотя крепить ее в последнем случае намного про це.
Если корпус имеет наиболее распространенную форму параллелепипеда, низкочастотный «динамик» лучше всего установить несимметрично относительно сторон отражательной доски (рис. 1).
Разновидность колонки в форме параллелепипеда показана на рисунке 5.
Хорошие акустические данные у громкоговорителя с корпусом в виде треугольной призмы (рис. 6) или усеченной пирамиды (рис 7, 8).
Для объема 5-10 дм3 и мощности «динамика» 6-10 Вт достаточна толщина стенок ящика 8-10 мм, а для V =» 40-60 дм3 и мощности 40-100 Вт — остальные — из фанеры или ДСП. Однако при больших габаритах корпуса и значительной мощности динамической головки в нем все же могут возникать нежелательные вибрации. Чтобы их избежать, стенки колонки стягивают деревянными рейками сечением 40 X40 мм или металлическими прутками d 6- 10 мм (рис. 10).
Фазоинверторы изготавливают из пластмассовых или металлических (например, дюралюминиевых) труб с толщиной стенок не менее 2 мм.
Минералы также применяют в качестве материала для постройки колонок. На первом месте стоит мрамор. Благодаря слоистой структуре он хорошо гасит звук, и поэтому в нем не возникают резонансные колебания. Мрамор легко обрабатывается, но как недостаток следует отметить, что он тяжел и хрупок.
Стенки корпуса соединяют между собой одним из способов, показанных на рисунке 11. Легче изготовить ящик со съемными передней и задней панелями.
Сначала вырезают боковые стенки. Перед сборкой к ним необходимо приклеить и затем прибить мелкими гвоздями ограничительные монтажные рейки размером 15X15 или 20X20 мм и длиной, указанной на рисунке 12.
Стенки корпуса склеивают клеем «Универсал» или С-200 и через каждые 15-20 мм вбивают тонкие гвозди для большей надежности крепления. Ящик будет еще крепче, если по его углам вклеить дополнительные бруски (рис. 13). Свободные места заливают эпоксидкой. По собранной таким образом обтяжке определяют размеры лицевой и задней панелей. Их изготавливают из дерева хвойных пород. Исходя из имеющихся динамических головок, намечают расположение отверстий под них (рис. 14).
Колонки часто украшают декоративными рамками из деревянных реек сечением 15×15 мм. Радиоткань натягивают на отражательную доску и закрепляют кнопками или мебельными гвоздями.
Внутренний объем колонки заполняют каким-нибудь звукопоглощающим материалом, например стекловатой. Количество ее определяют путем измерения резонансной частоты. Наполнение корпуса считается нормальным, если она снизилась на 10-12%. Опытным путем установлено, что для этого потребуется 30-40 г стекловаты или 10-15 г полиэстероновой ваты (ямболена) на 1 дм3. Можно использовать и ветошь. Звукопоглощающий материал помещают в чехол из плотной ткани.
Если размеры корпуса правильно выбраны и он тщательно уплотнен, то при аккуратном нажатии на диффузор низкочастотной головки ее подвижная система плавно возвращается в первоначальное положение. Отсутствие такого явления свидетельствует о наличии акустических потерь, снижающих звуковое давление на низких частотах на 1-2 дБ.
Заметили ошибку? Выделите ее и нажмите Ctrl+Enter
, чтобы сообщить нам.
Разделительные фильтры с плоской АЧХ обладают рядом преимуществ перед фильтрами других типов, и являются наиболее употребляемыми в настоящее время в АС класса HI-FI. Поэтому в методике расчета будет рассмотрен только этот тип фильтров. Суть расчета состоит в том, что сначала разделительные фильтры рассчитываются из условия активной нагрузки и источника напряжения с бесконечно малым выходным сопротивлением (что справедливо для современных усилителей звуковой частоты). Затем принимаются меры, направленные на снижение влияния амплитудно-частотных и фазочастотных искажений громкоговорителей и комплексного характера их входного сопротивления на характеристики фильтров.
Водонепроницаемые. Характеристика материала, технологии или конструктивной системы, которая гарантирует непроницаемость жидкости. Прямая передача. Основной путь шума через раздел. Боковая передача. Косвенное распространение шума через жесткое разбиение разделов, граничащих с разделом здания, что приводит к уменьшению потенциала для предсказуемого предсказания или только для прямой передачи.
Знание коэффициента пропускания используется для определения размеров тепловых установок, поскольку оно информирует нас о рассеиваемых калориях, например, из фасадной стены зимой; путем умножения коэффициента пропускания на разность температур между нагретой внутренней средой и внешней холодной средой, можно рассчитать, сколько тепловой энергии рассеивает эту перегородку за 1 час. Теплопроводность определяется как инверсия теплового сопротивления. Ультразвуковой, инфракрасный. Звуки, которые не могут быть услышаны людьми из-за более высоких или низких частот в зону чувствительности уха.
Расчет разделительных фильтров начинается с определения их порядка и нахождения параметров элементов лестничного фильтра прототипа нижних частот.
Фильтром-прототипом называется лестничный фильтр нижних частот, значения элементов которого нормированы относительно единичной частоты среза и единичной активной нагрузки. Рассчитав элементы фильтра нижних частот определенного порядка при реальной частоте и реальном значении сопротивления нагрузки, можно путем применения преобразования частоты определить схему и рассчитать значения элементов фильтра верхних частот и полосового фильтра соответствующего порядка. Нормированные значения элементов фильтра-прототипа, работающего от источника напряжения, определяются путем разложения в цепную дробь его выходной проводимости. Нормированные значения элементов фильтров-прототипов для расчета разделительных фильтров «всепропускающего типа с плоской АЧХ» 1…6-го порядка сведены в таблицу:
Животные часто различают ультра и инфракрасные лучи, которые люди не замечают, и в некоторых случаях могут излучать их как напоминание или ориентировать и захватывать добычу. Ультразвуковые приборы определяются как имеющие частоту выше 000 Гц, тогда как инфракрасные — это частоты с частотой ниже 20 Гц.
Скорость распространения звука. Звук распространяется только через так называемую «среду распространения звука», которая может иметь совершенно иной характер: воздух, вода, металлы, строительные материалы и т.д. если нет среды, звук не может распространяться, например, в пустоте, звуки не слышны. Скорость, с которой движется «шум», зависит от среды, в которой она происходит.
| Порядок фильтра | Значение нормированных параметров значения z | |||||
| 1 | 2 | 3 | 4 | 5 | 6 | |
| 1 | 1,0 | – | – | – | – | – |
| 2 | 2,0 | 0,5 | – | – | – | – |
| 3 | 1,5 | 1,33 | 0,5 | – | – | – |
| 4 | 1,88 | 1,59 | 0,94 | 0,35 | – | – |
| 5 | 1,54 | 1,69 | 1,38 | 0,89 | 0,31 | – |
| 6 | 1,8 | 1,85 | 1,47 | 1,12 | 0,73 | 0,5 |
На рис.1 представлена схема фильтра-прототипа шестого порядка. Схемы фильтров прототипов меньших порядков образуются путем отбрасывания соответствующих элементов – α
(начиная с больших) – например, фильтр-прототип 1-го порядка состоит из одной индуктивности α
1
и нагрузки R
н
.
Рис. 1.
Схема односторонне нагруженного фильтра-прототипа нижних частот 6-го порядка
Однако они не предназначены для компенсации недостатков акустической системы, поскольку они служат для коррекции цвета конкретного источника звука, и в этой степени назовем его «тонким». Использование эквалайзеров для всей акустической системы имеет целью выравнивание характеристик, чтобы компенсировать нежелательные резонансы и слегка побеждать те фрагменты, которые подавлены.
Это по-прежнему самый распространенный тип эквалайзера, используемый для компенсации характеристик передачи звука. Название исходит из того, что его передняя пластина представляет собой «щетинные» потенциометры скольжения, положение которых отражает результирующие характеристики передачи устройства.
Значение реальных параметров элементов, соответствующих выбранному порядку разделительных фильтров, сопротивлению нагрузки R
н
(Ом) и частоте среза (разделения) f
d
(Гц) рассчитываются следующим образом:
а) для фильтра нижних частот:
каждый элемент α
-индуктивность
фильтра-прототипа переводится в реальную индуктивность (Гн), рассчитываемую по формуле:
В графических эквалайзерах вся полоса сверху вниз в равных частях. Ну, насколько широки эти области? Это, в свою очередь, зависит от их количества, поэтому рассмотрим некоторые из наиболее распространенных. Диапазон регулировки обычно находится в пределах ± 12 дБ или ± 15 дБ. У нас часто есть возможность переключать диапазон демпфирования, например, между ± 12 дБ и ± 6 дБ, чтобы иметь возможность точно регулировать желаемое ослабление или усиление.
Здесь следует сказать, что графическому эквалайзеру не нужно «пугать» большое количество потенциометров на данный момент. И это когда это будет цифровая «графика». В этом случае у нас будет только большой дисплей и несколько кнопок. Хотя на самом деле, если у нас уже есть цифровое устройство, трудно назвать его строго графическим уравнением, потому что тогда в подавляющем большинстве случаев мы имеем возможность не только регулировать усиление или подавление полосы пропускания. Но здесь мы уже достигли следующей группы таких устройств.
L=αR
н
/
2πf
d
каждый элемент α
-емкость
фильтра-прототипа переводится в реальную емкость (Ф), рассчитываемую по формуле:
C=α/
2πf
d
R
н
б) для фильтра верхних частот:
каждый элемент α
-индуктивность
фильтра-прототипа заменяется реальной емкостью рассчитываемой по формуле:
Если мы имеем дело с полномасштабным эквалайзером, то мы ставим себе не только уровень усиления или затухания данной полосы, но и центральную частоту этой полосы и ее ширину. В аналоговых версиях последние в основном ограничены, в зависимости от цели фильтра, в цифровых устройствах в повестке дня находятся параметрические эквалайзеры с фильтрами, которые могут быть настроены на любую частоту из полного спектра звука. Сколько из этих фильтров использовать, мы будем иметь, это зависит от устройства.
Чем больше вы знаете, тем лучше. Параметрический эквалайзер имеет преимущество перед графикой, что мы можем точно настроить фильтр на частоту, которую мы «сглаживаем» и улучшаем, и, кроме того, иметь возможность установить ширину полосы пропускания для ее соответствия, чтобы не отрицательно влиять на часть соседней полосы, которая не требует наше вмешательство. Его недостаток намного сложнее, особенно при работе с аналоговыми устройствами, которые в значительной степени отскакивают от цены. Что еще мы можем встретить в оборудовании, которое будет мешать акустическому прохождению?
C=
1/
2πf
d
αR
н
каждый элемент α
-емкость
фильтра-прототипа заменяется реальной индуктивностью, рассчитываемой по формуле:
L=R
н
/
2πf
d
α
в) для полосового фильтра:
каждый элемент α
-индуктивность
заменяется на последовательный контур, состоящий из реальных L
и C
-элементов, рассчитываемых по формулам
Ну, например, во что-то по-английски. В отличие от ранее описанных, в этом случае мы не можем «поднять», т.е. усилить группу, а только подавить. Может быть, пора сказать несколько слов об теории фильтров и объяснить, что это такое: октавы, кварты, трети.
Фильтр нижних частот, как следует из названия, проходит без повреждения частот, лежащих в нижней части полосы, и подавляет высокие частоты. Фильтр верхних частот меняет направление, подавляет частоту в нижней части полосы пропускания и передает «вверх».
Где граница между «дном» и «вершиной»? Таким образом, недвусмысленно установлено. Обычно либо мы устанавливаем эту частоту самостоятельно, либо накладываем ее производителем, если она является фильтром такого типа, как мы можем встретить в любом канальном микшере или предусилителе.
L=αR
н
/
2π
(f
d
2
-f
d
1
)
где f
d
2
и f
d
1
– соответственно нижняя и верхняя частоты среза полосового фильтра,
С=
1/
4π
2 f
0 2 L
где f
0 =√ f
d
1
f
d
2
– средняя частота полосового фильтра.
Оставшиеся два: полосовой или полосовой барьер. Разница между ними как между отрицательной и положительной, так и с матрицей и экструзией. В первом случае передается только часть полосы, в то время как остальные подавляются, а в фильтрах фильтрации другая часть полосы передается в дополнение к определенному сегменту, который подавляется.
Для верхних и нижних фильтров наиболее важными параметрами, которые нас интересуют, являются. По этой причине фактические характеристики низко — и высокочастотных фильтров не являются горизонтальными в полосе перехода, но некоторые из них крутые или менее крутые. Но факт остается фактом: он никогда не будет вертикальной линией, так что теперь у нас есть проблема, где разместить предельную частоту.
Каждый элемент α
-емкость заменяется на параллельный контур, состоящий из реальных L
и C
-элементов, рассчитываемых по формулам:
С=α/
2π(f
d
2
-f
d
1
)R
н
,
L=
1/
4π
2 f
0 2 C
Пример.
Требуется рассчитать значения элементов раздельных фильтров для трехполосной АС.
Наиболее надежным и простым в использовании и, следовательно, наиболее часто используемым является предельная частота, соответствующая частоте, на которой ослабление составляет -3 дБ относительно заданного значения. По этой причине эту частоту также называют тремя частотами децибел или тремя частотами затухания децибел.
Если, скажем, мы хотим, чтобы наш фильтр нижних частот двигался без искажения полосы пропускания до 1 кГц и подавлял что-либо выше этого значения, то не обманывайте себя, такой идеал не встретит даже самого компактного цифрового фильтра. Всегда определенную часть полосы в области граничной частоты мы должны «записывать», т.е. предполагаем, что часть полосы, которую мы хотим пройти без искажений, постепенно будет ослабляться, а часть, которую мы считаем, должна быть полностью подавлена, на выходе из макета, хотя и значительно, значительно «задушили».
Выбираем разделительные фильтры второго порядка. Пусть выбранные значения частот разделения составляют: между низкочастотным и среднечастотным каналом f
d
1
=500 Гц, между среднечастотными и высокочастотными f
d
2
=5000 Гц. Сопротивление громкоговорителей на постоянном токе: низкочастотного и среднечастотного – 8 Ом, высокочастотного – 16 Ом.
Насколько широка группа, мы можем предсказать, зная наклон характеристик. Давайте посмотрим на этот параметр. Наклон характеристики задается в единицах, определяющих величину затухания на полосу частот, в которой происходит затухание. Это может звучать неловко, но это так с определениями.
Мы, очевидно, выражаем затухание в дБ. Хуже того, чтобы определить пропускную способность. Первая мысль, которая приходит на ум — ну, если эта полоса частот, то, может быть, в Гц? Узел в этом состоит в том, что Гц является линейной единицей, и наше ухо имеет уродливую привычку получать звуки и оценивать их по логарифмической шкале, а не по линейности. И это как с точки зрения уровня звука, так и звука. Поэтому затухание или усиление определяются в дБ.
Рис. 2.
Пример расчета разделительных фильтров трехполосной АС а)
АЧХ громкоговорителей без фильтров; б)
АЧХ громкоговорителей с фильтрами, цепями согласования и коррекции; в)
суммарная АЧХ АС на рабочей оси и при смещении микрофона на угол ±10° в вертикальной плоскости
Итак, как бороться с группой? Он использовался вместо линейного масштаба в Гц в качестве интервала. Вмешательство — это концепция, хорошо известная музыкантам, но также звукорежиссеры или акустика должны быть ненавязчивыми. Интервал — это разница в расстоянии между отдельными звуками. Эти расстояния имеют свои имена: вторая, третья, четвертая, пятая или октава — это лишь некоторые из них. У нас уже был контакт с третьей, четвертой и октавой — при обсуждении графического эквалайзера.
Они характеризуются определенным фиксированным расстоянием между двумя звуками. Нам больше всего интересна октава, потому что мы очень часто будем ее использовать. Октава — это расстояние между первым и восьмым звуками диапазона. Почему это так интересно и самобытно? Потому что отношение частот этих звуков равно 2, поэтому расстояние, равное октаве, удваивает частоту основного звука.
Амплитудно-частотные характеристики громкоговорителей, измеренные в заглушенной камере на рабочей оси АС на расстоянии 1 м, изображены на рис.2, а) (низкочастотный громкоговоритель 100ГД-1
, среднечастотный 30ГД-8
, высокочастотный 10ГД-43
).
Рассчитаем фильтр нижних частот:
Значение нормированных параметров элементов определим из таблицы: α
1
=2,0, α
2
=0,5.
Итак, опять же, это значение затухания, которое имеет место в «растяжении», равно удвоению частоты. Если снова вычесть октаву, т.е. умножить кГц на 2, мы получим 30 дБ на частоте 4 кГц и 8 кГц будет на уровне 20 дБ. Итак, мы видим, что такое простой и полезный параметр. Просто будьте осторожны, чтобы не попасть в ловушку. Однако мы должны помнить, что мы постоянно двигаемся в логарифмическом масштабе, поэтому мы не можем легко разделить диапазон 1-2 кГц пополам, как это происходит в линейном масштабе.
В зависимости от конфигурации у нас будет либо фильтр нижних частот, либо фильтр верхних частот. Например, если мы получим ослабление фильтра на 30 дБ, нам понадобятся 5 октав, то есть от 250 Гц до 8 кГц. Наверное, нет необходимости — сами выводы. Поэтому такие фильтры не используются вне школьных лабораторий, когда необходимо разъяснить молодым ученикам идею фильтров.
Из рис.1 определяем схему фильтра-прототипа нижних частот: фильтр состоит из индуктивности α
1
, емкости α
2
и нагрузки R
н
.
Значения реальных элементов фильтров нижних частот находим по выражениям и :
L
1 НЧ
=αR
н
/
2πf
d
1
=2,0·8,0/(2·3,14·500)=5,1 мГн,
C
1 НЧ
=α/
2πf
d
1
R
н
=0,5/(2·3,14·500·8,0)=20 мкФ.
Ну, еще лучше, в «тяге» двух октавного фильтра подавляется сигнал на 24 дБ, или нет откровения. И даже если мы больше не забываем о факте лавинообразного повышения цены такого устройства, то нужно учитывать растущую проблему поддержания стабильности такой сложной системы.
Вы должны знать, Дорогой читатель, что фильтры такого высокого порядка не являются пассивными системами, состоящими только из катушек, конденсаторов и резисторов. Здесь «высшая школа вождения» должна идти в виде активных схем: транзисторов, диодов, интегральных схем. И если такая система теряет устойчивость, вместо фильтра мы имеем красиво возбужденный генератор. Поэтому мы не хотим слышать какие-то странные звуки, крики и крики, даже если это концерт экспериментальной музыки.
Значения элементов полосового фильтра (для среднечастотного громкоговорителя) определяем в соответствии с выражениями …:
L
1 СЧ
=α
1
R н /
2π
(f
d
2
-f
d
1
)=2,0·8,0/2·3,14(5000-500)=0,566 мГн
(сторона ВЧ)
С
1 СЧ
=
1/
4π
2 f
0 2 L
1 СЧ =1/4·3,14 2 ·5000·500·5,66·10 -4 =18 мкФ
(сторона НЧ)
С
2 СЧ
=α
2
/
2π(f
d
2
-f
d
1
)R
н
=0,5/2·3,14(5000-500)·8,0=2,2 мкФ
(сторона ВЧ)
L
2 СЧ
=
1/
4π
2 f
0 2 C
2 СЧ =1/4·3,14 2 ·5000·500·2,2·10 -6 =4,6 мГн
(сторона НЧ)
Значения элементов фильтра верхних частот определяем в соответствии с выражениями и :
C
1 ВЧ
=
1/
2πf
d
2
α
1
R
н
=1/(2·3,14·5000·2,0·16)=1,00 мкФ,
L
2 ВЧ
=R
н
/
2πf
d
2
α
2
=16/(2·3,14·5000·2,0)=0,25 мГн.
Для согласования фильтров с входным комплексным сопротивлением громкоговорителей может применяться специальная согласующая цепь. При отсутствии этой цепи входное сопротивление громкоговорителя оказывает влияние на АЧХ и ФЧХ разделительных фильтров. Параметры элементов согласующей цепи, включаемой параллельно громкоговорителю, находятся из условия:
Y
c
(s
)+
Y
ГР
(s
)=1/
R
E
,
где Y
c
(s
)
– проводимость согласующей цепи, Y
ГР
(s
)
– входная проводимость громкоговорителя, R
E
– электрическое сопротивление громкоговорителя на постоянном токе.
Схема согласующей цепи изображена на рис.3. Цепь является дуальной по отношению к эквивалентной электрической схеме громкоговорителя. Значения элементов цепи определяем следующим образом:
R
K
1
=
R
E
,
C
K
1
=
L
VC
/
R
E
2
R
K
= R
E 2 /R
ES =Q
ES R
E /Q
MS ,
C
K
=L
CES / R
E 2 =1/Q
ES R
E 2
π
f
s
,
L
K
=C
MES
R
E
2
=Q
ES R
E /2
π
f
s
,
где L
VC
– индуктивность звуковой катушки, f
s
,
C
MES
,
L
CES
,
R
ES
– электромеханические параметры громкоговорителя.
Для компенсации входного сопротивления низкочастотного громкоговорителя применяют упрощенную цепь, состоящую из последовательно включенных сопротивления R
K1
и емкости C
K1
. Это объясняется тем, что механический резонанс громкоговорителя не оказывает влияния на характеристики фильтра нижних частот и компенсируется только индуктивный характер входного сопротивления громкоговорителя. Целесообразность подключения полной согласующей цепи к высокочастотным и среднечастотным громкоговорителям оправдана в том случае, если резонансная частота громкоговорителя находится вблизи частоты среза фильтра верхних частот или нижней частоты среза полосового фильтра. В том случае, если частоты среза фильтров значительно выше резонансных частот громкоговорителей, включение упрощенной цепи является достаточным.
Рис.3
. Схема согласующей цепи для компенсации комплексного характера входного сопротивления громкоговорителя
Влияние входного комплексного сопротивления громкоговорителей можно рассмотреть на примере разделительных фильтров второго порядка верхних и нижних частот (рис.4).
Рис. 4.
Электрическая эквивалентная схема громкоговорителя с разделительными фильтрами 2-го порядка: а – с фильтром нижних частот; б – с фильтром верхних частот; (1 – фильтр; 2 – громкоговоритель)
Параметры НЧ громкоговорителя выбраны таким образом, что его АЧХ соответствует аппроксимации по Баттерворту, т.е. полная добротность Q
ts
=0,707. Частота среза фильтра нижних частот выбрана в 10 раз больше резонансной частоты громкоговорителя f
d =10f
s
. Индуктивность звуковой катушки выбрана из условия: Q VC
=0,1, где Q
VC
– добротность звуковой катушки, определяемая как:
Q
VC
=L
VC 2π
f
s
/
R
E
,
где f s
– резонансная частота громкоговорителя, R
E – сопротивление звуковой катушки на постоянном токе, L VC
– индуктивность звуковой катушки.
Значение Q
VC
=0,1 соответствует среднестатистическому значению индуктивности звуковой катушки мощных низкочастотных громкоговорителей. Вследствие этого можно считать, что индуктивность звуковой катушки L
VC
и активное сопротивление R
E
включены параллельно емкости фильтра C
1
и образуют в области частоты среза фильтра широкий максимум АЧХ входного сопротивления, за которым следует острый провал (рис.5,а). Соответствующие изменения АЧХ фильтра по напряжению заключаются в небольшом подъеме АЧХ на частоте f
≈
2
f
s
(вследствие индуктивности звуковой катушки) и плавном провале, за которым следует резкий пик АЧХ из-за резонанса цепи, образуемой индуктивностью звуковой катушки и емкостью разделительного фильтра. Соответствующие изменения АЧХ и Z
BX после включения согласующей цепи из последовательно включенного резистора и конденсатора показаны на рис.5,а (кривые 2, 4, 6). Включение согласующей цепи приближает характер входного сопротивления громкоговорителя к активному и АЧХ разделительного фильтра по напряжению к желаемому. Однако вследствие влияния индуктивности звуковой катушки АЧХ по звуковому давлению отличается от желаемой (кривая 4), поэтому даже после согласующей цепи иногда требуется небольшая подстройка элементов фильтров и цепи согласования.
Рис. 5
АЧХ и входное сопротивление разделительных фильтров 2-го порядка, нагруженных на громкоговоритель: а) фильтр нижних частот; б) фильтр верхних частот;
- АЧХ по напряжению на выходе фильтра без согласующей цепи;
- АЧХ по напряжению на выходе фильтра с согласующей цепью;
- АЧХ по звуковому давлению без согласующей цепи;
- АЧХ по звуковому давлению с согласующей цепью;
- входное сопротивление фильтра с громкоговорителем без согласующей цепи;
- входное сопротивление фильтра с громкоговорителем с согласующей цепью.
В случае фильтра верхних частот влияние комплексного характера входного сопротивления громкоговорителя на входное сопротивление и АЧХ фильтра носит иной характер. Если частота среза фильтра верхних частот находится вблизи частоты резонанса громкоговорителя f
s
(случай, иногда встречающийся в фильтрах для среднечастотных громкоговорителей, но практически невозможный для высокочастотных громкоговорителей), входное сопротивление фильтра верхних частот с громкоговорителем без согласующей цепи может иметь глубокий провал вследствие того, что на частоте резонанса громкоговорителя f
s
его входное сопротивление значительно возрастает и имеет чисто активный характер. Фильтр оказывается как бы на холостом ходу, из-за резкого возрастания сопротивления нагрузки и его входное сопротивление определяется последовательно включенными элементами C
1 ,
L
1
.
Чаще встречается ситуация, когда частота среза фильтра верхних частот f
d значительно выше частоты резонанса громкоговорителя f
s
. На рис.5,б дан пример влияния входного сопротивления громкоговорителя и его компенсации на АЧХ фильтра верхних частот по напряжению и звуковому давлению. Частота среза фильтра выбрана значительно выше частоты резонанса громкоговорителя f
d
≈8
f
s
, параметры громкоговорителя Q
TS
=1,5
, Q
MS
=10, Q
VC =0,08.
Подъем АЧХ по звуковому давлению и напряжению в высокочастотной области, сопровождаемый провалом входного сопротивления, объясняется влиянием индуктивности звуковой катушки L
VC
. На более высоких частотах АЧХ падает, а входное сопротивление растет за счет возрастания индуктивного сопротивления звуковой катушки.
Кривые 2, 4, 6 на рис.5,б показывают влияние согласующей RC
-цепи.
Выходное сопротивление разделительного фильтра верхних частот, растущее с понижением частоты, оказывает влияние на электрическую добротность громкоговорителя, увеличивая ее, и соответственно увеличивает полную добротность и форму АЧХ по звуковому давлению. Иными словами, имеет место эффект «раздемпфирования» громкоговорителя. Для набежания этого необходимо выбирать крутизну спада АЧХ фильтра и частоту среза фильтра верхних частот f
d
>>
f
s
так, чтобы на частоте резонанса f
s
ослабление сигнала было не менее 20 дБ.
При расчете разделительных фильтров в примере, рассмотренном выше, принималось, что характер нагрузки – активный, поэтому рассчитаем согласующие цепи, компенсирующие комплексный характер входного сопротивления громкоговорителя.
Частота разделения низкочастотного и среднечастотного каналов f
d
1
выбрана примерно на две октавы выше резонансной частоты среднечастотного громкоговорителя, а частота разделения среднечастотного и высокочастотного каналов f
d
2
– на две октавы выше резонансной частоты высокочастотного громкоговорителя. Кроме того, можно принять, что индуктивность звуковой катушки высокочастотного громкоговорителя пренебрежимо мала в рабочем диапазоне частот и ей можно пренебречь (это справедливо для большинства высокочастотных громкоговорителей). В этом случае можно ограничиться применением упрощенной согласующей цепи для низкочастотного и среднечастотного громкоговорителей.
Пример
.
Измеренные (или определенные из кривой АЧХ входного сопротивления) индуктивности звуковых катушек: низкочастотного громкоговорителя L
VC
=3·10 -3 Г
=3 мГн
, среднечастотного громкоговорителя L
VC =0,5·10 -3 Г=0,5 мГн
. Тогда значение элементов компенсирующих цепей рассчитывают по формулам и :
для НЧ: R
K
1
–
R
π
=8 Ом; С
К1 =L
VC /R
2 E =3
·10 -3 /64=47 мкФ
для СЧ: R’
K
1
=
R
E
-8 Ом; С’
К1 =L
VC /R
2 E =0,5
·10 -3 /64=8,0 мкФ.
На АЧХ среднечастотного громкоговорителя имеется пик, увеличивающий неравномерность суммарной АЧХ АС (рис.2,а); в этом случае целесообразно включить амплитудный корректор. Режектирующее звено (рис.6) применяется для коррекции пиков АЧХ громкоговорителей или всей АС. Это звено имеет чисто активное входное сопротивление, равное сопротивлению нагрузки R
H
и поэтому может быть включено между фильтром и громкоговорителем с скомпенсированным входным сопротивлением. В случае включения режектирующего звена на входе АС схема может быть упрощена, так как отпадает необходимость в элементах C
q
, L
q
,
R
q
, обеспечивающих активный характер входного сопротивления звена. Значения элементов рассчитываются по формулам:
R
K
≈
R
H
(10 0,05
N
-1),
L
K
=
R
K
∆
f
/2π
f
0
2
, C
K =1/L
K 4π
2
f
0
2
,
C
q
=
L
K
/
R
H
2
,
L
q
=
C
K
R
H
2
,
R
q
=
R
H
(1+
R
H
/
R
K
),
где R
H
– сопротивление громкоговорителя (скомпенсированное) или входное сопротивление АС (Ом) в области резонансной частоты режектирующего звена;
∆
f
– полоса частот корректируемого пика АЧХ (отсчитывается по уровню – 3 дБ), Гц;
f
0
– резонансная частота режектора, Гц;
N
– величина пика АЧХ, дБ.
Рис. 6.
Режектирующее звено: а) принципиальная схема; б) АЧХ
Применим режектирующее звено, включенное между фильтром и среднечастотным громкоговорителем с согласующей цепью.
Из АЧХ среднечастотного громкоговорителя определяем ∆
f
=1850 Гц, f
0
=4000 Гц, N
=6 дБ. Сопротивление среднечастотного громкоговорителя с согласующей цепью R
H
=8 Ом.
Значения элементов режектирующего звена следующее:
R
K
≈
R
H
(10 0,05
N
-1)=8(10 0,05·6 -1)=7,96 Ом,
L
K
=
R
K
∆
f
/2π
f
0
2
=7,96·1850/2π
(4000) 2 =0,147 мГн,
C
K
=1/L
K 4π
2
f
0
2
=1/1,47·10 -4 (2π
4000) 2 =11мкФ,
C
q
=
L
K
/
R
H
2
=1,47·10 -4 /64=2,3 мкФ,
L
q
=
C
K
R
H
2
=10,8·10 -6 ·64=0,7 мГн,
R
q
=
R
H
(1+
R
H
/
R
K
)=8(1+8/7,96)≈16,0 Ом.
В рассматриваемом примере АЧХ высокочастотного и среднечастотного громкоговорителя имеют средние уровни примерно на 6 дБ и соответственно 3 дБ выше, чем АЧХ низкочастотного громкоговорителя (запись звукового давления осуществлялась при подаче на все громкоговорители синусоидального напряжения одинаковой величины). В этом случае для уменьшения неравномерности суммарной АЧХ АС необходимо ослабить уровень среднечастотных и высокочастотных составляющих. Это можно сделать либо с помощью корректирующего высокочастотного звена первого порядка (рис.7), элементы которого рассчитываются по формулам:
R
K
≈
R
H
(10 0,05
N
-1),
L
K
=
R
K
/2π
f
d
√(10 0,1
N
-2), N
≥3 дБ,
Либо с помощью Г-образных пассивных аттенюаторов, обеспечивающих заданный уровень ослабления N
(дБ) и заданное входное сопротивление R
BX
(рис.8). Значение элементов аттенюатора рассчитываем по формулам:
R
1
≈
R
BX
(1-10 0,05
N
),
R
2
≈
R
H
R
BX
10 0,05
N
/(R
H
–
R
BX
10 0,05
N
).
Рис. 7.
Звено 1-го порядка, корректирующее высокие частоты: а) принципиальная схема; б) АЧХ
Рис. 8.
Пассивный Г-образный аттенюатор
Рассчитаем для примера значения элементов аттенюатора для ослабления на 6 дБ сигнала высокочастотного громкоговорителя. Пусть входное сопротивление громкоговорителя с включенным аттенюатором равняется входному сопротивлению громкоговорителя, т.е. 16 Ом, тогда:
R
1
≈16(1-10 0,05·6)≈8,0 Ом,
R
2
≈16·10 0,05·6 /(1-10 0,05·6)≈16,0 Ом.
Аналогично рассчитаем значения элементов аттенюатора для среднечастотного громкоговорителя: R
1
=4,7 Ом, R
2
=39 Ом. Аттенюаторы включаются сразу после громкоговорителей с согласующими цепями.
Полная схема разделительных фильтров изображена на рис.9, АЧХ АС с рассчитанными фильтрами – на рис.2,в.
Как было сказано выше, фильтры четных порядков допускают только один вариант полярности включения громкоговорителей, в частности, фильтры второго порядка требуют включения в противофазе. Для рассматриваемого примера низкочастотный и высокочастотный громкоговоритель должны иметь идентичную полярность включения, а среднечастотный – обратную. Требования к полярности включения громкоговорителей рассматривались выше на модели АС с идеальными громкоговорителями. Поэтому при включении реальных громкоговорителей, имеющих собственную ФЧХ≠0, (в случае выбора частот разделения вблизи граничных частот рабочего диапазона громкоговорителей или при большой неравномерности АЧХ громкоговорителей) условие согласования реальных ФЧХ каналов может не соблюдаться. Поэтому для контроля реальной ФЧХ по звуковому давлению громкоговорителей с фильтрами необходимо пользоваться фазометром с линией задержки или определять условие согласования косвенно по характеру суммарной АЧХ АС в полосах разделения каналов. Правильной полярностью включения громкоговорителей можно считать ту, которая соответствует меньшей неравномерности суммарной АЧХ в полосе разделения каналов. Точное согласование ФЧХ разделяемых каналов при удовлетворении всем остальным требованиям (плоская АЧХ и т.д.) осуществляется численными методами синтеза оптимальных разделительных фильтров-корректоров на компьютере.
Рис.9.
Принципиальная электрическая схема АС с рассчитанными разделительными фильтрами (емкости в микрофарадах, индуктивности – в миллигенри, сопротивления – в омах).
В разработке пассивных разделительных фильтров важную роль играет их конструкция, а также выбор типа конкретных элементов – конденсаторов, катушек индуктивности, резисторов, в частности, большое влияние на характеристики АС с фильтрами оказывает взаимное размещение катушек индуктивности, при их неудачном расположении вследствие взаимной связи возможны наводки сигнала между близко расположенными катушками. По этой причине их рекомендуется располагать взаимно перпендикулярно, только такое расположение позволяет свести к минимуму их влияние друг на друга. Катушки индуктивности являются одним из важнейших компонентов пассивных разделительных фильтров. В настоящее время многие зарубежные фирмы применяют катушки индуктивности на сердечниках из магнитных материалов, обеспечивающих большой динамический диапазон, низкий уровень нелинейных искажений и малые габариты катушек. Однако конструирование катушек с магнитными сердечниками связано с применением специальных материалов, поэтому до настоящего времени многие разработчики применяют катушки с воздушными сердечниками, основные недостатки которых – большие габариты при условии малых потерь (особенно в фильтре низкочастотного канала), а также большой расход меди; достоинства – пренебрежимо малые нелинейные искажения.
Конфигурация катушки индуктивности с воздушным сердечником, изображенная на рис.10, является оптимальной, так как она обеспечивает максимальное отношение L
/R
, т.е. катушка с заданной индуктивностью L
, намотанная проводом выбранного диаметра, имеет при данной конфигурации намотки наименьшее сопротивление R
или наибольшую добротность по сравнению с любой другой. Отношение L
/R
, имеющее размерность времени, связано с размерами катушки соотношением :
L
/R
=161,7alc
/(6a
+9l
+10c
);
L
– в микрогенри, R
– в омах, a
, l
, c
– в миллиметрах.
Рис.10.
Катушка индуктивности с воздушным сердечником оптимальной конфигурации: а) в разрезе; б) внешний вид.
Расчетные соотношения для данной конфигурации катушки: a
=1,5с
, l
=c
; конструктивный параметр катушки c
=√(L
/R
8,66)
, число витков N
=19,88√(L
/
c
),
диаметр провода в миллиметрах, d
=0,841c
/√
N
, масса провода (материал – медь) в граммах, q
=
c
3
/21,
длина провода в миллиметрах, B=187,3√
Lc
.
В том случае, если катушка индуктивности рассчитывается, исходя из провода данного диаметра, основные расчетные соотношения выглядят следующим образом:
конструктивный параметр c
= 5 √(d
4
19,88 2
L
/0,841 4)=3,8 5 √(d
4
L
)
, сопротивление провода R
=L
/c
2 8,66
.
Найдем, для примера параметры катушки индуктивности рассчитанного ранее фильтра нижних частот. Индуктивность катушки составляет L
1НЧ =5,1 мГ
. Сопротивление R
катушки на постоянном токе определим из допустимого затухания сигнала, вносимого реальной катушкой на низких частотах. Пусть ослабление сигнала за счет потерь R
в катушке составляет N
≤1дБ
. Поскольку сопротивление низкочастотного громкоговорителя на постоянном токе составляет R
E
=8 Ом, то допустимое сопротивление катушки, определяемое из выражения R
≤R
E (10 0,05N
-1),
составляет R
≤0,980 Ом
; тогда конструктивный параметр катушки c
=√5100/0,98·8,66=24,5 мм
; количество витков N
=19,8√(5100/24,5)=287
; диаметр провода d
=0,841·24,5/√287=1,2 мм
; масса провода q
=24,5 3 /21,4≈697 кГ
; длина провода B
=187,3√(85,1·24,5)≈46 м.
Другим важным элементом пассивных разделительных фильтров являются конденсаторы. Обычно в фильтрах используют бумажные или пленочные конденсаторы. Из бумажных наиболее употребляемы отечественные конденсаторы МБГО. Достоинством этих типов конденсаторов являются малые потери, высокая температурная стабильность, недостатком – большие габариты, снижение допустимого максимального напряжения на высоких частотах. В настоящее время в фильтрах ряда зарубежных АС используют электролитические неполярные конденсаторы с малыми внутренними потерями, объединяющие достоинства рассмотренных конденсаторов и свободные от их недостатков.
По материалам из книги:
«Высококачественные акустические системы и излучатели» (Алдошина И.А., Войшвилло А.Г.)
Прежде подробного рассмотрения проблемы обрисуем круг задач, зная конечную цель, будет проще избрать нужное направление. Изготовление акустических систем своими руками нечастый случай. Практикуется профи, начинающими музыкантами, когда магазинные варианты не устраивают. Появляется задача встраивания в мебель или качественного прослушивания уже имеющейся медиа. Это типичные примеры, которые решаются набором общепринятых способов. Рассмотрением мы и займемся. Не рекомендуем листать по диагонали устройство акустической системы, вникайте!
Устройство акустических систем
Нет шансов сделать акустическую систему самостоятельно без понимания теории. Любителям музыки следует знать, что биологический вид Homo Sapiens слышит внутренним ухом звуковые колебания частот 16-20000 Гц. Когда дело касается классических шедевров, то разброс высок. Нижний край – 40 Гц, верхний – 20 000 Гц (20 кГц). Физический смысл этого факта заключается в том, что не все динамики способны воспроизвести сразу полный спектр. Относительно медленные частоты лучше удаются массивным сабвуферам, а пищание на нижней границе воспроизводят менее габаритные громкоговорители. Понятно, что для большинства людей это ничего не значит. И даже если часть сигнала пропадет, не будет воспроизведена, никто этого и не заметит.
Полагаем, что те, кто поставил целью самостоятельное изготовление акустической системы, должны критично оценивать звук. Полезно будет знать, что годная колонка имеет два и более динамиков, чтобы иметь возможность отразить звучание обширной полосы из слышимого спектра. А вот сабвуфер даже в сложных системах один. Это связано с тем, что низкие частоты заставляют вибрировать окружение, проникая даже сквозь стены. Становится непонятным, откуда именно несутся басы. Следовательно, и колонка НЧ одна – сабвуфер. А вот что касается прочего, то человек уверенно скажет, с какого направления пришел тот или иной спецэффект (луч ультразвука блокируется ладонью).
В связи со сказанным проведем делением акустических систем:
- Звук в формате Моно непопулярен, поэтому избегаем касаться исторических экскурсов.
- Звучание Стерео обеспечивается двумя каналами. Оба содержат низкие и высокие частоты. Лучше подойдут равноценные колонки, снабженные парой динамиков (басы и писк).
- Звук Вокруг отличается наличием большего числа каналов, создающих эффект объемного звучания. Избегаем увлекаться тонкостями, традиционно 5 колонок плюс сабвуфер доносят гамму меломанам. Конструкция многообразна. Поныне ведутся исследования, ставящими целью улучшить качество передачи акустики. Расстановка традиционная такова: по четырем углам комнаты (грубо говоря) по колонке, сабвуфер стоит на полу слева или в центре, под телевизором помещается фронтальная колонка. Последняя в любом случае снабжается двумя динамиками и более.
Важно создать правильный корпус для каждой колонки. Низкие частоты потребуют наличия деревянного резонатора, для верхней границы диапазона — не важно. В первом случае бока ящика служат дополнительными излучателями. Найдете видео, демонстрирующее габаритные размеры, соответствующие длинам волн низких частот по науке, практически остается копировать готовые конструкции, дельной литературы тематика лишена.
Круг задач очерчен, читатели понимают — самодельная акустическая система строится следующими элементами:
- набор динамиков частот сообразно числу каналов;
- фанера, шпон, доски корпуса;
- декоративные элементы, краска, лак, морилка.
Проектирование акустики
Изначально выбираем количество колонок, тип, местоположение. Очевидно, изготавливать в большем числе, нежели имеет каналов домашний кинотеатр, неразумный тактический ход. Кассетному магнитофону хватит двух колонок. К домашнему кинотеатру выйдет уже не менее шести корпусов (динамиков будет больше). Согласно потребностям аксессуары встраиваются в мебель, качество воспроизведения низких частот хромает. Теперь вопрос выбора динамиков: в издании авторства Найденко, Карпова приведена номенклатура:
- Низкие частоты – головка CA21RE (H397) посадкой на 8 дюймов.
- Средний диапазон – головка MP14RCY/P (H522) на 5 дюймов.
- Верхние частоты – головка 27TDC (H1149) на 27 мм.
Приводили базовые принципы конструирования акустических систем, предлагали электрическую схему фильтра, рассекающего поток на две части (выше дан перечень трех поддиапазонов), приводили название покупных динамиков, решающих задачу создания двух колонок стерео. Избегаем повторяться, читатели могут взять труд полистать раздел, найти конкретные названия.
Следующим вопросом будет фильтр. Полагаем, фирма National Semiconductor не обидится, если отскриним чертеж усилителя перевода Ридико. Рисунок показывает активный фильтр с питанием +15, -15 вольт, 5 однотипных микросхем (операционных усилителей), граничная частота поддиапазонов вычисляется формулой, приведенной на изображении (дублируем текстом):
П – число Пи, известное школьникам (3,14); R, C – номиналы резистора, емкости. На рисунке R = 24 кОм, С — замалчивается.
Активный фильтр, питаемый электрическим током
Учитывая возможности выбранных динамиков, читатель сможет подобрать параметр. Берутся характеристики полосы воспроизведения колонки, находится стык перекрытия между ними, туда выносится граничная частота. Благодаря формуле, вычисляем величину емкости. Номинал сопротивления избегайте трогать, причина: может (спорный факт) задавать рабочую точку усилителя, коэффициент передачи. На частотной характеристике, приведенной в переводе, которую опускаем, граница составляет 1 кГц. Давайте посчитаем емкость указанного случая:
С = 1 / 2П Rf = 1 / 2 х 3,14 х 24000 х 1000 = 6,6 пФ.
Не ахти какая большая емкость, выбирается из условия максимально допустимого напряжения. В схеме с источниками +15 и -15 В вряд ли стоит номинал, превышающий суммарный уровень (30 вольт), возьмите пробивное напряжение (справочник поможет) не менее 50 вольт. Не пытайтесь поставить электролитические конденсаторы постоянного тока, схема обретает шансы взлететь на воздух. Отсутствует смысл разыскивать исходную схему чипа LM833 по причине Сизифова труда. Некоторые читатели найдут замену микросхеме, отличающуюся… надеемся на понимание.
Насчет сравнительно небольшой емкости конденсаторов (рознично и суммарной) описание фильтра говорит: благодаря низкому импедансу головок без активных компонентов номиналы пришлось бы увеличить. Закономерно вызывая появление искажений, обусловленных наличием электролитических конденсаторов, катушек с ферромагнитным сердечником. Не стесняйтесь двигать границу деления диапазонов, общая пропускная способность остается прежней.
Пассивные фильтры соберет своими руками каждый обученный пайке, курс школьной физики. В крайнем случае заручитесь помощью Гоноровского, лучше некуда расписаны тонкости прохождения сигналов через радиоэлектронные линии, обладающие нелинейными свойствами. Приведенный материал заинтересовал авторов фильтрами низкой и высокой частоты. Желающие поделить сигнал на три части должны зачитываться трудами, раскрывающими базис полосовых фильтров. Максимально допустимое (или пробивное) напряжение выйдет мизерным, номинал станет значительным. Под стать упомянутым электролитическим конденсаторам емкости номиналом десятки микрофарад (три порядка выше используемых активным фильтром).
Новичков тревожит вопрос получения напряжения +15, -15 В питания акустических систем. Намотайте трансформатор (пример приводился, программа ПК Trans50Hz), снабдите двухполупериодным выпрямителем (диодный мост), профильтруйте, наслаждайтесь. Наконец, активный или пассивный фильтр прикупите. Называется указанная вещица кроссовером, внимательно подбирайте динамики, диапазоны точнее соотносите с параметрами фильтра.
Для пассивных кроссоверов акустических систем найдете в интернете множество калькуляторов (http://ccs.exl.info/calc_cr.html). Исходными цифрами программа расчета принимает входные сопротивления динамиков, частоту деления. Введите данные, программа-робот быстро снабдит величинами емкостей и индуктивностей. На приведенной страничке задавайте тип фильтра (Бесселя, Баттерворта, Линквица-Райли). На наш взгляд задачка для профи. Приведенный выше активный каскад образован фильтрами Баттерворта 2-го порядка (скорость снижения АЧХ 12 дБ на октаву). Касается частотной (АЧХ) характеристики системы, понятно только профессионалам. Если сомневаетесь, выбирайте золотую серединку. В прямом смысле ставьте галку на третьем кружке (Бессель).
Акустика компьютерных колонок
Довелось посмотреть на Ютуб видео: юноша объявил, что сделает акустическую систему своими руками. Отрок талантлив: раскурочил колонки персонального компьютера — ну, совсем никакие — извлек на свет Божий усилитель с регулятором, поместил в спичечный коробок (корпус акустической системы). Компьютерные динамики известны плохим воспроизведением низких частот. Сами устройства маленькие, легкие, во-вторых, буржуи материалами экономят. Откуда в акустической системе взяться басам. Юноша взял… читайте дальше!
Наидорожайший компонент музыкального центра. Акустика класса hi-end стоимостью обходит дешевую квартиру. Ремонт, сборка колонок неплохой бизнес.
Усилитель низкой частоты акустической системы соберет продвинутый радиолюбитель, никаких кулибиных не нужно. Из спичечного коробка торчит ручка регулятора громкости, вход с одной стороны, выход — с другой. Динамики старой акустической системы малы. Юноша раздобыл старенький громкоговоритель не сказочных размеров, но солидный. С колонки советских времен акустической системы.
Чтобы звук не тревожил воздух пищанием, умный отрок сколотил дюймовые доски ящиком. Динамик старенькой акустической системы поместил в размеров почтовой коробки, сместил, как это делается производителями современных сабвуферах домашних кинотеатров. Изнутри колонку звукоизолятором отделывать поленился. Желающий может использовать для акустической системы ватин, другой схожий материал. Маленькие динамики помещены вовнутрь продолговатых коробок, только-только вмещающих торцом громкоговоритель. Гордый отрок подключил один канал акустической системы на два маленьких динамика, второй — на один большой. Работает.
Юноша сказочный молодец, не пьет в подворотне, уподобляясь сверстникам, не портит в свободное время будущих невест, занят делом. Как говорил один знакомый: «Молодому поколению прощается недостаток знания и опыта, не избыток наглости, упроченного равнодушием».
Улучшения
Решили усовершенствовать методику, откровенно надеемся, дополнение поможет сделать акустическую систему самостоятельно несколько качественнее. Проблема? Понятие выдумано радиотехниками, создателями акустических систем — частота. Вибрация Вселенной имеет частоту. Говорят, даже ауре человека присуще. Каждая добротная колонка недаром вмещает несколько динамиков. Большие предназначены для низких частот, басов; прочие — для средних и высоких. Не только размер, а и устройство у них разное. Мы уже обсуждали этот вопрос и интересующихся отсылаем к написанным обзорам, где приводится классификация акустических систем, раскрываются принципы действия наиболее популярных.
Компьютерщикам известен системный зуммер, работающий по прерыванию BIOS, который способен вроде бы выдавать один звук, но талантливые программисты выписывали на нем вычурные мелодии, даже с попыткой цифрового синтеза и воспроизведения голоса. Однако при желании бас такая пищалка выдать не может.
К чему этот разговор… Большой динамик следовало бы не просто приспособить на один из каналов, а присудить специализацию басов. Как известно, большинство современных композиций (Звук Вокруг не берем) рассчитаны на два канала (стереовоспроизведение). Получается, что два одинаковых динамика (маленьких) играют одни и те же ноты, смысл в этом маленький. В то же время с этого же канала бас теряется, а высокие частоты гибнут на большом динамике. Как быть? Предлагаем внедрить в схему пассивные полосовые фильтры, которые помогут разбить поток на две части. Схему берем иностранного издания по той простой причине, что она первой попалась на глаза. Вот ссылка на исходный сайт chegdomyn.narod.ru. Радиолюбитель переснял из книги, приносим извинения автору, что не указываем первоисточник. Это происходит по той простой причине, что он нам не известен.
Итак, картинка. Бросаются сразу в глаза слова Woofer и Tweeter. Как не сложно догадаться, это, соответственно, сабвуфер для низких частот, и динамик для высоких. Охватывается диапазон музыкальных произведений 50-20000 Гц, причем на сабвуфер приходится полоса нижних частот. Радиолюбители могут сами по известным формулам просчитать полосы пропускания, для сравнения ля первой октавы, как известно, составляет 440 Гц. Считаем, что для нашего случая такое деление подойдет. Вот только хотелось бы найти два больших динамика, по одному на каждый канал. Смотрим схему…
Не совсем музыкальная схема. В положении, занимаемом системой, идет фильтрация голоса. Диапазон 300-3000 Гц. Переключатель подписан Narrow, переводится, как полоса. Чтобы получить Wide (широкое) воспроизведение, опускаем клеммы. Поклонники музыки могут выкинуть полосовой фильтр Narrow, любителям бороздить скайп рекомендуем избегать поспешного решения. Схеме напрочь исключит петлевой эффект микрофона, известный повсеместно: пронзительное гудение вследствие переусиления (положительной обратной связи). Ценный эффект, даже военный знает сложности использования громкой связи. Владелец ноутбука осведомлен…
Для устранения эффекта обратной связи изучите вопрос, найдите, на какой частоте резонирует система, отрежьте лишнее фильтром. Очень удобно. Касательно популярной музыки микрофон отключаем, уносим подальше от динамиков (случай караоке), начинаем петь. Фильтры верхних и нижних частот оставим неизменными, изделия просчитаны неизвестными западными друзьями. Испытывающим затруднения, читая иностранные чертежи, поясняем, схема изображает (полосовой фильтр Narrow отброшен):
- Емкость 4 мкФ.
- Неиндуктивные сопротивления R1, R2 номиналом 2,4 Ом, 20 Ом.
- Индуктивность (катушка) 0,27 мГн.
- Сопротивление R3 8 Ом.
- Конденсатор С4 17 мкФ.
Динамики должны соответствовать. Советы указанного сайта. Сабвуфером пойдет МСМ 1853, пищалкой (слово не списали) послужит РЕ 270-175. Полосы пропускания посчитаете самостоятельно. Большая буква Ω означает кОмы — ничего страшного нет, поменяйте номинал. Напоминаем, емкости параллельно соединенных конденсаторов складываются, как последовательно включенные резисторы. На случай, если сложно достать подходящие номиналы. Вряд ли получится изготовить динамики своими руками, набрать небольшие номиналы сопротивлений реально. Не используйте катушки, вырезаем пластины нихрома, подобных сплавов. После изготовления резистор лакируется, большого тока не планируется, защищать элемент не следует.
Индуктивности проще намотать самостоятельно. Логично использовать онлайн-калькулятор, задав емкость, получим параметры: количество витков, диаметр, материал сердечника, толщину жилы. Приведем пример, избегая быть голословными. Посещаем Яндекс, набираем нечто вроде «онлайн калькулятор индуктивности». Получаем ряд ответов выдачи. Выбираем понравившийся сайт, начинаем думать, как намотать индуктивность акустической системы номиналом 0,27 мГн. Нам понравился сайт coil32.narod.ru, начнем работу.
Исходные сведения: индуктивность 0,27 мГн, диаметр каркаса 15 мм, проволока ПЭЛ 0,2, длиною намотки 40 миллиметров.
Сразу возникает вопрос, видя калькулятор, где взять номинальный диаметр изолированной проволоки… Потрудились, нашли на сайте servomotors.ru таблицу, взятую из справочника, которую приводим в обзоре, считайте на здоровье. Диаметр меди составляет 0,2 мм, изолированной жилы – 0,225 мм. Скармливаем смело величины калькулятору, вычисляя нужные величины.
Получилась двухслойная катушка, числом витков 226. Длина провода составила 10,88 метра сопротивлением порядка 6-ти Ом. Главные параметры найдены, начинаем мотать. Самодельная акустическая система выполняется в ручной работы корпусе, примостить фильтр место найдется. К одному выходу подключаем пищалку, к другому – сабвуфер. Пару слов касательно усиления. Может статься, каскад усилителя не потянет четыре динамика. Каждая схема охарактеризована некой нагрузочной способностью, выше нельзя подпрыгнуть. Устройство акустической системы рассчитано, учитывая фиксированный запас, чтобы согласовать нагрузку, часто применяется эмиттерный повторитель. Каскад, заставляющий схему работать, полная отдача на любой динамик.
Напутствие начинающим конструкторам
Считаем, помогли читателям понять, как правильно конструировать акустическую систему. Пассивные элементы (конденсаторы, резисторы, катушки индуктивности) сможет достать, изготовить каждый. Осталось собрать корпус акустической системы своими руками. А за этим, верим, дело не станет. Важно понять, музыка сформирована гаммой частот, обрезаемых неправильным изготовлением устройства. Собравшись сделать акустическую систему, подумайте над этим, поищите компоненты. Важно передать великолепие мелодии, будет твердая уверенность: труд не пропал даром. Акустическая система прослужит долго, радость подарит.
Верим, изготовление акустических систем своими руками читателям будет в удовольствие. Грядущее время уникально. Поверьте, в начале XX века нельзя было черпать информацию тоннами ежедневно. Обучение выливалось тяжким кропотливым трудом. Приходилось обшаривать пыльные полки библиотек. Возрадуйтесь интернету. Страдивари пропитывал древесину скрипок уникальным составом. Скрипачи современности продолжают выбирать итальянские экземпляры. Вдумайтесь, прошло 30 лет, воз остался позади.
Нынешнему поколению известны марки клеев, наименования материалов. Необходимое продается магазинами. СССР лишил изобилия людей, снабдив относительной стабильностью. Сегодня преимущество описывается возможностью изобретения уникальных способов заработка. Профессионал-самоучка везде срубит капусты.
В данной статье поговорим о фильтре высоких и низких частот, как характеризуются и их разновидностях.
Фильтры высоких и низких частот
— это электрические цепи, состоящие из элементов, обладающих нелинейной АЧХ — имеющих разное сопротивление на разных частотах.
Частотные фильтры можно поделить на фильтры верхних (высоких) частот и фильтры нижних (низких) частот. Почему чаще говорят «верхних», а не «высоких» частот? Потому, что в звукотехнике низкие частоты заканчиваются 2 килогерцами и начинаются высокие частоты. А в радиотехнике 2 килогерца это другая категория – частота звука, а значит «низкая частота»! В звукотехнике есть ещё понятие — средние частоты. Так вот, фильтры средних частот, это, как правило, либо комбинация двух фильтров нижних и верхних частот, либо другого рода полосовой фильтр.
Повторимся ещё раз:
Для характеристики фильтров низких и высоких частот, да и не только фильтров, а любых элементов радиосхем, существует понятие – амплитудно-частотная характеристика
, или АЧХ
Частотные фильтры характеризуются показателями
Частота среза
– это частота, на которой происходит спад амплитуды выходного сигнала фильтра до значения 0,7 от входного сигнала.
Крутизна частотной характеристики фильтра
– это характеристика фильтра, показывающая, насколько резко происходит уменьшение амплитуды выходного сигнала фильтра при изменении частоты входного сигнала. В идеале нужно стремиться к максимальному (вертикальному) спаду АЧХ.
Частотные фильтры изготавливаются из элементов, обладающих реактивными сопротивлениями – конденсаторов и катушек индуктивности. Реактивные сопротивления, используемых в фильтрах конденсаторов (Х C
) и катушек индуктивности (X L
) связаны с частотой ниже приведёнными формулами:
Расчёт фильтров до проведения экспериментов с использованием специального оборудования (генераторов, спектр-анализаторов и других приборов), в домашних условиях проще сделать в программе Microsoft Excel, сделав простейшую автоматическую расчётную табличку (надо уметь работать с формулами в Excel). Я пользуюсь таким способом, для расчёта любых цепей. Сначала делаю табличку, подставляю данные, получаю расчёт, который переношу на бумагу в виде графика АЧХ, меняю параметры, и снова рисую точки АЧХ. В таком способе, не надо разворачивать «лабораторию измерительных приборов», расчёт и рисование АЧХ производится быстро.
Следует добавить, что расчёт фильтра тогда будет верен, когда будет выполняться правило:
Для обеспечения точности фильтра, необходимо чтобы значение сопротивления элементов фильтра было приблизительно на два порядка меньше (в 100 раз) сопротивления нагрузки подключаемой к выходу фильтра. С уменьшением этой разницы, качество фильтра ухудшается. Связано это с тем, что сопротивление нагрузки влияет на качество частотного фильтра. Если Вам не нужна высокая точность, то эту разницу можно снизить до 10 раз.
Частотные фильтры бывают:
1. Одноэлементные (конденсатор – как фильтр высоких частот, или дроссель – как фильтр низких частот);
2. Г-образные – по внешнему виду напоминают букву Г, обращённую в другую сторону;
3. Т-образные – по внешнему виду напоминают букву Т;
4. П-образные – по внешнему виду напоминают букву П;
5. Многозвенные – те же Г-образные фильтры соединённые последовательно.
Одноэлементные фильтры высоких и низких частот
Как правило, одноэлементные фильтры высоких и низких частот применяют непосредственно в акустических системах мощных усилителей звуковой частоты, для улучшения звучания самих звуковых «колонок».
Они подключаются последовательно с динамическими головками. Во первых, они берегут как динамические головки от мощного электрического сигнала, так и усилитель от низкого сопротивления нагрузки не нагружая его лишними динамиками, на той частоте, которую эти динамики не воспроизводят. Во вторых, они делают воспроизведение приятнее на слух.
Чтобы рассчитать одноэлементный фильтр, необходимо знать реактивное сопротивление катушки динамической головки. Расчёт производится по формулам делителя напряжения, что так же справедливо для Г-образного фильтра. Чаще всего, одноэлементные фильтры подбирают «на слух». Для выделения высоких частот на «пищалке» последовательно с ней устанавливается конденсатор, а для выделения низких частот на низкочастотном динамике (или сабвуфере), последовательно с ним подключается дроссель (катушка индуктивности). Например, при мощностях порядка 20…50 Ватт, на пищалки оптимально использовать конденсатор на 5…20 мкФ, а в качестве дросселя низкочастотного динамика использовать катушку, намотанную медным эмалированным проводом, диаметром 0,3…1,0 мм на бобину от видеокассеты VHS, и содержащую 200…1000 витков. Указаны широкие пределы, потому, как подбор – дело индивидуальное.
Г- образные фильтры
Г- образный фильтр высоких, или низких частот
— делитель напряжения, состоящий из двух элементов с нелинейной АЧХ. Для Г-образного фильтра действует схема и все формулы, делителя напряжения.
Г-образные частотные фильтры на конденсаторе и резисторе
R 1
С
Х C
.
Принцип действия такого фильтра: конденсатор, обладая малым реактивным сопротивлением на высоких частотах, пропускает ток беспрепятственно, а на низких частотах его реактивное сопротивление максимально, поэтому ток через него не проходит.
Из статьи «Делитель напряжения» мы знаем, что значения резисторов можно описать формулами:
или
Х C
и частоту среза.
R 2
к сопротивлению резистора R 1
(Х C
) соответствует: R 2
/ R 1
= 0,7/0,3 = 2,33
. Отсюда следует: С = 1,16 / R 2
πf
, где f
– частота среза АЧХ фильтра.
R 2
делителя напряжения на конденсатор С
, обладающий своим реактивным сопротивлением Х C
.
Принцип действия такого фильтра: конденсатор, обладая малым реактивным сопротивлением на высоких частотах, шунтирует токи высоких частот на корпус, а на низких частотах его реактивное сопротивление максимально, поэтому ток через него не проходит.
Из статьи «Делитель напряжения» мы используем те же формулы:
или
Принимая входное напряжение за 1 (единицу), а выходное напряжение за 0,7 (значение соответствующее срезу), зная, реактивное сопротивление конденсатора, которое равно:
Подставив значения напряжений, мы найдём Х C
и частоту среза.
R 2
(Х C
) к сопротивлению резистора R 1
соответствует: R 2
/ R 1
= 0,7/0,3 = 2,33
. Отсюда следует: С = 1 / (4.66 x R 1
πf)
, где f
– частота среза АЧХ фильтра.
Г-образные частотные фильтры на катушке индуктивности и резисторе
Фильтр высоких частот получается путём замены резистора R 2
L
X L
.
Принцип действия такого фильтра: индуктивность, обладая малым реактивным сопротивлением на низких частотах, шунтирует их на корпус, а на высоких частотах её реактивное сопротивление максимально, поэтому ток через неё не проходит.
Подставив значения напряжений, мы найдём X L
и частоту среза.
Как и в случае с фильтром высоких частот, расчёты можно делать и в обратном порядке. С учётом того, что амплитуда выходного напряжения фильтра (как делителя напряжения) на частоте среза АЧХ должна быть равна 0,7 от входного напряжения, следует, что отношение сопротивления резистора R 2
(X L
) к сопротивлению резистора R 1
соответствует: R 2
/ R 1
= 0,7/0,3 = 2,33
. Отсюда следует: L = 1.16 R 1
/ (πf)
.
Фильтр низких частот получается путём замены резистора R 1
делителя напряжения на катушку индуктивности L
, обладающую своим реактивным сопротивлением X L
.
Принцип действия такого фильтра: катушка индуктивности, обладая малым реактивным сопротивлением на низких частотах, пропускает ток беспрепятственно, а на высоких частотах её реактивное сопротивление максимально, поэтому ток через неё не проходит.
Используя те же формулы из статьи «Делитель напряжения» и принимая входное напряжение за 1 (единицу), а выходное напряжение за 0,7 (значение соответствующее срезу), зная, реактивное сопротивление катушки индуктивности, которое равно:
Подставив значения напряжений, мы найдём X L
и частоту среза.
Можно делать расчёты и в обратном порядке. С учётом того, что амплитуда выходного напряжения фильтра (как делителя напряжения) на частоте среза АЧХ должна быть равна 0,7 от входного напряжения, следует, что отношение сопротивления резистора R 2
к сопротивлению резистора R 1
(X L
) соответствует: R 2
/ R 1
= 0,7/0,3 = 2,33
. Отсюда следует: L = R 2
/ (4,66 πf)
Г-образные частотные фильтры на конденсаторе и дросселе
Фильтр высоких частот получается из обыкновенного делителя напряжения путём замены не только резистора R 1
на конденсатор С
, а так же резистора R 2
на дроссель L
. Такой фильтр имеет более значительный срез частот (более крутой спад) АЧХ, чем указанные выше фильтры на RC
или RL
цепях.
Как производилось ранее, используем те же способы расчёта. Конденсатор С
, обладает своим реактивным сопротивлением Х C
, а дроссель L
— реактивным сопротивлением X L
:
Подставляя значения различных величин — напряжений, входных или выходных сопротивлений фильтров, мы можем найти С
и L
, частоту среза АЧХ. Можно так же делать расчёты и в обратном порядке. Так, как переменных величин две – индуктивность и ёмкость, то чаще всего задают значение входного или выходного сопротивления фильтра как делителя напряжения на частоте среза АЧХ, а исходя из этого значения, находят остальные параметры.
Фильтр низких частот получается путём замены резистора R 1
делителя напряжения на катушку индуктивности L
, а резистора R 2
на конденсатор С
.
Как было описано ранее, используются те же способы расчёта, через формулы делителя напряжения и реактивные сопротивления элементов фильтров. При этом, приравниваем значение резистора R 1
к реактивному сопротивлению дросселя X L
, а R 2
к реактивному сопротивлению конденсатора Х C
.
Т — образные фильтры высоких и низких частот
Т- образные фильтры высоких и низких частот, это те же Г- образные фильтры, к которым добавляется ещё один элемент. Таким образом, они рассчитываются так же как делитель напряжения, состоящий из двух элементов с нелинейной АЧХ. А после, к расчётному значению суммируется значение реактивного сопротивления третьего элемента. Другой, менее точный способ расчёта Т-образного фильтра начинается с расчёта Г-образного фильтра, после чего, значение «первого» рассчитанного элемента Г-образного фильтра увеличивается, или уменьшается в два раза – «распределяется» на два элемента Т-образного фильтра. Если это конденсатор, то значение ёмкости конденсаторов в Т-фильтре увеличивается в два раза, а если это резистор или дроссель, то значение сопротивления, или индуктивности катушек уменьшается в два раза. Преобразование фильтров показано на рисунках. Особенность Т-образных фильтров заключается в том, что они по сравнению с Г-образными, своим выходным сопротивлением оказывают меньшее шунтирующее действие на радио цепи, стоящие за фильтром.
П — образные фильтры высоких и низких частот
П-образные фильтры, это те же Г- образные фильтры, к которым добавляется ещё один элемент впереди фильтра. Всё, что было написано для Т-образных фильтров справедливо для П-образных, разница лишь в том, что они по сравнению с Г-образными, несколько увеличивают шунтирующее действие на радио цепи, стоящие перед фильтром.
Как и в случае с Т-образными фильтрами, для расчёта П-образных используют формулы делителя напряжения, с добавлением дополнительного шунтирующего сопротивления первого элемента фильтра. Другой, менее точный способ расчёта П-образного фильтра начинается с расчёта Г-образного фильтра, после чего, значение «последнего» рассчитанного элемента Г-образного фильтра увеличивается, или уменьшается в два раза – «распределяется» на два элемента П-образного фильтра. В противоположность Т-образному фильтру, если это конденсатор, то значение ёмкости конденсаторов в П-фильтре уменьшается в два раза, а если это резистор или дроссель, то значение сопротивления, или индуктивности катушек увеличивается в два раза.
В связи с тем, что изготовление катушек индуктивности (дросселей) требует определённых усилий, а иногда и дополнительного места для их размещения, то более выгодным бывает изготовление фильтров из конденсаторов и резисторов, без применения катушек индуктивности. Это особенно актуально на звуковых частотах. Так, фильтры верхних частот обычно делают Т-образными, а нижних частот делают П-образными. Есть ещё фильтры средних частот, которые, как правило, делают Г-образными (из двух конденсаторов).
Полосовые резонансные фильтры
Полосовые резонансные частотные фильтры – предназначены для выделения, или режекции (вырезания) определённой полосы частот. Резонансные частотные фильтры могут состоять из одного, двух, или трех колебательных контуров, настроенных на определённую частоту. Резонансные фильтры обладают наиболее крутым подъёмом (или спадом) АЧХ, по сравнению с другими (не резонансными) фильтрами. Полосовые резонансные частотные фильтры могут быть одноэлементными — с одним контуром, Г-образными – с двумя контурами, Т и П-образными – с тремя контурами, многозвенными – с четырьмя и более контурами.
На рисунке представлена схема Т-образного полосового резонансного фильтра, предназначенного для выделения определённой частоты. Состоит он из трёх колебательных контуров. C 1
L 1
и C 3
L 3
– последовательные колебательные контуры, на резонансной частоте имеют малое сопротивление протекающему току, а на других частотах наоборот – большое. Параллельный контур C 2
L 2
наоборот, имеет большое сопротивление на резонансной частоте, обладая малым сопротивлением на других частотах. Для расширения ширины полосы пропускания такого фильтра, уменьшают добротность контуров, изменяя конструкцию катушек индуктивности, расстраивая контура «вправо, влево» на частоту, немного отличающуюся от центральной резонансной, параллельно контуру C 2
L 2
подключают резистор.
На следующем рисунке представлена схема Т-образного режекторного резонансного фильтра, предназначенного для подавления определённой частоты. Он, как и предыдущий фильтр состоит из трёх колебательных контуров, но принцип выделения частот у такого фильтра другой. C 1
L 1
и C 3
L 3
– параллельные колебательные контуры, на резонансной частоте имеют большое сопротивление протекающему току, а на других частотах – маленькое. Параллельный контур C 2
L 2
наоборот, имеет малое сопротивление на резонансной частоте, обладая большим сопротивлением на других частотах. Таким образом, если предыдущий фильтр резонансную частоту выделяет, а остальные частоты подавляет, то этот фильтр, беспрепятственно пропускает все частоты, кроме резонансной частоты.
Порядок расчёта полосовых резонансных фильтров основан всё на том же делителе напряжения, где в качестве единичного элемента выступает LC контур с его характеристическим сопротивлением. Как рассчитывается колебательный контур, определяются его резонансная частота, добротность и характеристическое (волновое) сопротивление вы можете найти в статье
Тема сведения акустических систем довольно популярна среди радиолюбителей. Этому способствует не только желание созидать, благо динамиков нынче на любой бюджет, но также и неудовлетворительное качестве серийной акустики. Изготовление фильтров требует как правило большого опыта, отчасти эмпирического, так как строгий математический расчет в лице симуляций никак не отражает звучание, и тем более не может дать ответ как сводить. Примерная прикидка не всегда дает ожидаемые результаты.
Виной тому отсутствие внятной теории именно сведения, а не электрических фильтров, с ними все ясно, чего нельзя сказать про сведение, где все базируется на нюансах которые в литературе как правильно не описаны. Цель данной статьи поведать некоторые особенности проектирования фильтров на реальном примере. В этой статье, к величайшему сожалению, не будет полноценного расчета или инструкции как брать и делать, ибо каждый случай уникален и требует персонального рассмотрения, и в лучшем случае можно указать на что обратить внимание и задать вектор размышлений в целом.
Важные характеристики АС
Для начала разберёмся чем характеризуется акустическая система. Тут три характеристики: амплитудная, фазовая и импедансная
.
- АЧХ
считается наиболее важной, так как больше определяет звучание, впрочем не в ней счастье, ровная АЧХ еще не гарантия хорошего звука. - ФЧХ
сама о себе не слышна, может быть слышен резкий перегиб фазы в точке раздела. - ИЧХ
вовсе на звучание не влияет, зато влияет на усилитель, но не на каждый, а лишь на тот у которого высокое внутреннее сопротивление, в частности ламповые.
Из-за кривого импеданса многие колонки могут не спеться с лампой, вся неровность импеданса вылезет в АЧХ. В каком-то случае это может пойти на пользу, но надеяться на это не стоит, хотя бы потому, что такая акустика будет крайне чувствительна к усилителю, станут слышны лампы, их режимы, а сравнение с каменным усилителем становится вообще не корректным.
Потому, если задаться цель построить акустику мало чувствительную к усилителю, необходимо обеспечить постоянство импеданса во всем диапазоне частот, а это накладывает определенные ограничения. В частности это обязывает применять фильтра настроеные на равную частоту среза и имеющие равную добротность.
Это правило позволяет для настройки фильтра контролировать только линейность импеданса, что исключает необходимость измерения АЧХ фильтров и в случаи отсутствия хорошего микрофона в измерении ачх динамиков, то есть можно обойтись минимальным набором приборов: генератором (возможно программным) и вольтметром.
Практическая работа
Плавно переходим от теории к практике. Достались мне винтажные колонки под названием Kompaktbox B 9251. И первое что было сделано — произведено прослушивание.
С холодным камнем звук был в среднем не плох, а если говорить конкретно, то местами хороший, а местами как попало. С теплой лампой играть вообще отказались. На основе этих наблюдений был сделан вывод о наличии глубоко зарытого потенциала. Вскрытие показало, что немецкие инженеры решили обойтись одним единственным конденсатором последовательно с ВЧ головкой. Измерение АЧХ дало страшную картину. На рисунке АЧХ одной колонки, кривая с глубокой дыркой на 6 кгц из-за плохого контакта разъема, на нее внимание не обращать. АЧХ отдельно ВЧ и НЧ приведены ниже.
Частота раздела
Тут самое время задуматься о частоте раздела. Обычно частота раздела выбирается на ровных горизонтальных участках, вдали от резонансов и завалов, стараясь обойти внезапные неравномерности как потенциальные источники искажений… А если вспомнить что существует фаза, о которой мало известно, а если известно, то векторно ачх на бумажке не сложишь, а из-за кривизны фаз даже на идеально ровной ачх что-то вылезет, что-то провалится в большей или меньшей степени. Также надо помнить что может дать сам динамик, особенно ВЧ, скажем не надо заставлять дюймовый купольник играть от двух, а тем более одного килогерца, даже если он способен их отыграть по АЧХ.
Не забывайте, что большой ход порождает интермодуляционные искажения, поэтому каждому размеру динамика соответствует свой диапазон частот. В свете вышесказанного понятие частоты раздела размазывается на область, куда стоить сводить, а конечную точку подбирать иначе, например на слух. Или вовсе не подбирать, но про это чуть позже.
Итак, смотрим какие уникальные динамики нам достались. Высокочастотник начинает валить с 1,3 кгц, значит ниже его пускать нельзя. С другой стороны низкочастотник пытается играть по самые 10 кгц, с переменным успехом. Однако здравый смысл подсказывает, что выше килогерца его пускать плохая затея. И что спрашивается делать, если рабочие диапазоны динамиков не пересекаются?
Тут есть два варианта: если спады имеют адекватную крутизну, то лучше всего сводить в ямку, особенно если ямка получается широкой. В случае же нашем, когда спады круты как обрывы, надо держатся подальше от самого крутого из них. Чаще всего это может случится с высокочастотником, им всегда тяжко работать у нижней границы диапазона, поэтому им целесообразнее облегчить жизнь возлагая воспроизведение нижней части диапазона на НЧ динамик, который отыграет хоть плохо, но не нагадит. Поэтому ограничиваем диапазон участком от 1,5 кгц до 2,2 кгц.
Порядок фильтра и его добротность
Следующий параметр, с которым надо определиться — это порядок фильтра и его добротность. В данной статье будут рассматриваться два порядка, первый и второй.
- С первым все просто: есть катушка, есть конденсатор, считаем их параметры под требуемую частоту среза и при надобности корректируем значения до получения желаемой АЧХ, ФЧХ, ИЧХ.
- Со вторым порядком по-хитрее, там уже две катушки и два конденсатора. От значений номиналов зависит такой параметр как добротность, он определяет крутизну спада АЧХ и в некоторой степени сдвиг фазы. Поскольку влияние фазового сдвига и крутизны умозрительно не прикинешь, остается просто выбрать в какую сторону думать. А думать тут в сторону низкой добротности, читай больше индуктивности в катушках, меньше емкости в конденсаторах.
Как выбрать порядок. Тут руководствуются уже знакомыми соображениями о том, на что способны излучатели, в особенности высокочастотник. Если большой ход ему противопоказан (как в нашем случае) то предпочтение отдаем второму порядку.
Для полноты картины следует упомянуть, что порядок также определяет степень совместной работы динамиков, но это уже информация для самостоятельного размышления.
Импедансная характеристика динамиков
Когда с примерными параметрами все более или менее ясно, самое время переходить к практике. Снимаем импедансную характеристику динамиков. С целью оценки сопротивления на графике имеется лесенка с шагом в один Ом. Скачек на 110 герцах это переключение с 10 Ом на 20.
Разумеется с такими горбами ни один фильтр нормально, и уж тем более расчетно работать не будет, особенно фильтр НЧ. Фильтру ВЧ этот подъем работать в общем то не мешает, однако как упоминалось ранее такой подъем на конце диапазона приведет к подъему высоких частот, в случае если усилитель имеет высокое сопротивление. Это можно использовать и во благо, оставив подъем небольшим.
Для выравнивания этих подъемов применяют так называемую цепочку Цобеля. Она состоит из последовательно включенных резистора и конденсатора. Проще всего ее подобрать методом научного тыка: берется реостат, горсть конденсаторов, и все это двигается пока не получится ровная линия.
Для примерного представления что от чего зависит привожу набор графиков для различных емкостей и сопротивлений. Ступенька начинается с 10 Ом.
Зная минимальное сопротивление НЧ звена, нужно привести к такому же и ВЧ звено. Тут много вариантов как соединить два резистора и цепочку Цобеля, и каждый кто решился на такой отважный шаг как сведение сам способен определить вид подключения и номиналы резисторов, поэтому описывать данную процедуру здесь излишне. Конкретно в данных колонках по результатам предварительного прослушивания решено было оставить родные резисторы на 2,2 ома и цепочку Цобеля параллельно ВЧ динамику.
Сведение фильтров
Теперь начинается финальный этап — сведение фильтров. Пора намотать катушки… или не намотать? Мотать всегда лень, нет провода, каркасов, конкретных значений индуктивности. В виду этих причин поискав в хламе нашлись пары катушек на 0,8 мкг и 3 мкг — на них и пришлось строить. В крайнем случаи всегда же можно домотать или отмотать лишнее.
По графику видно, что раздел попал в район 1,8 кгц, что вполне вписывается в задуманные границы. Подбором конденсаторов удалось добиться следующего импеданса. На частоте раздела имеется два бугорка, но их высота меньше полу ома — это не критично. Это не конечный его вид, в последствии был несколько увеличен резистор в цепочке Цобеля пищалки.
На приведенных выше картинках АЧХ как самого фильтра, так и АЧХ динамиков с его включением.
Фазировка динамиков
На этом сведение подходит в концу. Остается только определиться с фазировкой динамиков. Тут есть как минимум три способа: на слух, по форме АЧХ и по фазовому сдвигу на частоте раздела. Если у динамиков АЧХ и ФЧХ в меру линейная, и фильтр фазу на разделе сильно не накручивает, то при смене правильной фазы на неправильную на частоте раздела появится глубокий провал, пропустить его сложно. В таком случае стоит подгонять фазу по по ее сдвигу. Сделать это можно осциллографом подавая на горизонтальную развертку сигнал с усилителя, а на вертикальное отклонение с микрофона.
Подают на вход усилителя синус с частотой раздела и не меняя взаимного расположения микрофона и колонки переключают ВЧ и НЧ динамики. По одинаковости фигур Лиссажу делается вывод о равенстве фаз излучателей. Этот метод хорошо подходит для фильтров первого порядка. С кривизной наших динамиков этот метод себя не оправдывает, поэтому сравниваем АЧХ при разной фазировке.
Второй вариант заметно хуже. Однако и первый не предел мечтаний, но так как двигать индуктивности катушек не просто, а ковыряться дальше уже лень, то все было оставлено как есть.
Сборка фильтров
В завершение пару слов про сборку. В фильтре применяются сравнительно большие емкости, 20 мкф, 27 мкф, а места в корпусе и так не много, бумаги или пленки не набрать. Приходится ставить электролиты. И если в фильтре НЧ звучание от их применения пострадает не сильно, а в цобеле их можно и вовсе не услышать, то в фильтре ВЧ звучанием конденсаторов пренебрегать опасно. Именно по этой причини были применены бумажный МБГЧ и пленочный К73-16, а все электролиты зашунтированы бумажными МБГО на 4 мкФ.
Не стоит увлекаться параллеленьем сильно разных конденсаторов. Основной критерий здесь тангенс угла потерь. Если к примеру поставить в шунт к бумажному конденсатору аудиофильский полипропилен, то скорее всего вылезут верха и будут они кислотные. Вероятно тут можно составить аналогию с внутренним сопротивлением, сравнив с ним тангенс угла потерь: чем он меньше, тем больше через конденсатор пройдет сигнала, а поскольку емкость у такого высококачественного конденсатора меньше, то через него пройдет только высокочастотная часть сигнала, отсюда и имеем повышенные уровень верхов. Но это только аналогия, для лучшего понимания влияния шунтов на звук.
Про то как надо разносить катушки и какой толщины применять провода статей написано предостаточно, повторяться здесь не буду. Проще показать картинку (тут неправильно припаян цобель высокочастотника, он должен стоять после резистора).
Звучание системы
И конечно же надо сказать про звук. Стало лучше, сцена получилась очень недурственная. Кривизна АЧХ особо не слышна, даже наоборот, подъем на середине поддает детальности, верхов как ни странно хватает. Был замечен интересный эффект на басу. Как можно заметить по АЧХ на сотне герц большой подъем, а за ним завал, разумеется качающего баса нет, но есть мид бас. К примеру партия гитары кажется немного просаженным, а нижний бас, партия бас гитары, переходит как бы в слышимую область и читается очень четко, создается впечатление наличия того самого низкого баса.
Конечно ящики маловаты, и порой слышно подбубнивание, для устранения этого эффекта в каждую колонку было добавлено по 30 грамм натуральней шерсти. В целом данная акустика играет тепло и мягко даже без лампового усилителя, сохраняя в звуке строгость и точность камня, а вот с теплой лампой получается перебор мягкости. Все же им нужен усилитель по-строже — триод или двухтакт, но это тема для следующих экспериментов. Специально для сайта — SecreTUseR.
Обсудить статью ФИЛЬТР ДЛЯ АКУСТИКИ
В своей жизни вы не раз слышали слово “фильтр”. Фильтр для воды, воздушный фильтр, масляной фильтр, “фильтруй базар” в конце концов). В воздушном, водяном, масляном и других видах фильтров происходит очистка от посторонних частиц и примесей. Но что же фильтрует электрический фильтр? Ответ простой: частоту.
Что такое электрический фильтр
Электрический фильтр
– это устройство для выделения желательных компонентов спектра (частот) и/или для подавления нежелательных. Для остальных частот, которые не входят в , фильтр создает большое затухание, вплоть до полного их исчезновения.
Характеристика идеального фильтра должна вырезать строго определенную полосу частота и “давить” другие частоты до полного их затухания. Ниже пример идеального фильтра, который пропускает частоты до какого-то определенного значения частоты среза.
На практике такой фильтр реализовать нереально. При проектировании фильтров стараются как можно ближе приблизиться к идеальной характеристике. Чем ближе к идеальному фильтру, тем лучше он будет исполнять свою функцию фильтрации сигналов.
Фильтры, которые собираются только на пассивных радиоэлементах, таких как , называют пассивными фильтрами
. Фильтры, которые в своем составе имеют один или несколько активных радиоэлементов, типа или , называют активными фильтрами
.
В нашей статье мы будем рассматривать пассивные фильтры и начнем с самых простых фильтров, состоящих из одного радиоэлемента.
Одноэлементные фильтры
Как вы поняли из названия, одноэлементные фильтры состоят из одного радиоэлемента. Это может быть либо конденсатор, либо катушка индуктивности. Сами по себе катушка и конденсатор не являются фильтрами – это ведь по сути просто радиоэлементы. А вот вместе с и с нагрузки их уже можно рассматривать как фильтры. Здесь все просто. Реактивное сопротивление конденсатора и катушки зависят от частоты. Подробнее про реактивное сопротивление вы можете прочитать в статье.
В основном одноэлементные фильтры применяются в аудиотехнике. Для фильтрации используется либо катушка, либо конденсатор, в зависимости от того, какие частоты надо выделить. Для ВЧ-динамика (пищалки), мы последовательно с динамиком соединяем конденсатор, который будет пропускать через себя ВЧ-сигнал почти без потерь, а низкие частоты будет глушить.
Для сабвуферного динамика нам нужно выделить низкие частоты (НЧ), поэтому последовательно с сабвуфером соединяем катушку индуктивности.
Номиналы одиночных радиоэлементов можно, конечно, рассчитать, но в основном подбирают на слух.
Для тех, кто не желает заморачиваться, трудолюбивые китайцы создают готовые фильтры для пищалок и сабвуфера. Вот один из примеров:
На плате мы видим 3 клеммника: входной клеммник (INPUT), выходной под басы (BASS) и клеммник под пищалку (TREBLE).
Г-образные фильтры
Г-образные фильтры состоят из двух радиоэлементов, один или два из которых имеют нелинейную АЧХ.
RC-фильтры
Думаю, начнем с самого известного нам фильтра, состоящего из резистора и конденсатора. Он имеет две модификации:
С первого взгляда можно подумать, что это два одинаковых фильтра, но это не так. В этом легко убедиться, если построить АЧХ для каждого фильтра.
В этом деле нам поможет Proteus. Итак, АЧХ для этой цепи
будет выглядеть вот так:
Как мы видим, АЧХ такого фильтра беспрепятственно пропускает низкие частоты, а с ростом частоты ослабляет высокие частоты. Поэтому, такой фильтр называют фильтром низких частот (ФНЧ).
А вот для этой цепи
АЧХ будет выглядеть таким образом
Здесь как раз все наоборот. Такой фильтр ослабляет низкие частоты и пропускает высокие частоты, поэтому такой фильтр называется фильтром высокой частоты (ФВЧ).
Наклон характеристики АЧХ
Наклон АЧХ в обоих случаях равняется 6 дБ/октаву после точки, соответствующей значению коэффициента передачи в -3дБ, то есть частоты среза. Что означает запись 6 дБ/октаву? До или после частоты среза, наклон АЧХ принимает вид почти прямой линии при условии, что коэффициент передачи измеряем в . Октава – это соотношение частот два к одному. В нашем примере наклон АЧХ в 6 дБ/октаву говорит о том, что при увеличении частоты в два раза, у нас прямая АЧХ растет (или падает) на 6 дБ.
Давайте рассмотрим этот пример
Возьмем частоту 1 КГц. На частоте от 1 КГц до 2 КГц падение АЧХ составит 6 дБ. На промежутке от 2 КГц и до 4 КГц АЧХ снова падает на 6 дБ, на промежутке от 4 КГц и до 8 КГц снова падает на 6 дБ, на частоте от 8 КГц и до 16 КГц затухание АЧХ снова будет 6 дБ и тд. , следовательно, наклон АЧХ составляет 6 дБ/октаву. Есть также такое понятие, как дБ/декада. Оно используется реже и обозначает разницу между частотами в 10 раз. Как найти дБ/декаду можно прочитать в статье.
Чем больше крутизна наклона прямой АЧХ, тем лучше избирательные свойства фильтра:
Фильтр, с характеристикой наклона в 24 дБ/октаву явно будет лучше, чем в 6 дБ/октаву, так как становится более приближенным к идеальному.
RL-фильтры
Почему бы не заменить конденсатор катушкой индуктивности? Получаем снова два типа фильтров:
Для этого фильтра
АЧХ принимает такой вид:
Получили все тот же самый ФНЧ
а для такой цепи
АЧХ примет такой вид
Тот же самый фильтр ФВЧ
RC и RL фильтры называют фильтрами первого порядка
и они обеспечивают наклон характеристики АЧХ в 6 дБ/октаву после частоты среза.
LC-фильтры
А что если заменить резистор конденсатором? Итого мы имеем в схеме два радиоэлемента, реактивное сопротивление которых зависит от частоты. Здесь получаются также два варианта:
Давайте рассмотрим АЧХ этого фильтра
Как вы могли заметить, его АЧХ в области низких частот получилась наиболее плоской и заканчивается шипом. Откуда вообще он взялся? Мало того, что цепь собрана из пассивных радиоэлементов, так она еще и усиливает сигнал по напряжению в области шипа!? Но не стоит радоваться. Усиливает по напряжению, а не по мощности. Дело в том, что мы получили , у которого, как вы помните, на частоте резонанса возникает резонанс напряжений. При резонансе напряжений, напряжение на катушке равняется напряжению на конденсаторе.
Но это еще не все. Это напряжение в Q раз больше, чем напряжение, подаваемое на последовательный колебательный контур. А что такое Q? Это . Вас этот шип не должен смущать, так как высота пика зависит от добротности, которая в реальных схемах составляет небольшое значение. Примечательна эта схема также тем, что наклон ее характеристики составляет 12 дБ/октаву, что в два раза лучше, чем у RC и RL фильтров. Кстати, если даже максимальная амплитуда превышает значения в 0 дБ, то все равно полосу пропускания определяем на уровне в -3 дБ. Об этом тоже не стоит забывать.
Все то же самое касается и ФВЧ фильтра
Как я уже сказал, LC фильтры называют уже фильтрами второго порядка
и они обеспечивают наклон АЧХ в 12 дБ/октаву.
Сложные фильтры
Что будет, если соединить два фильтра первого порядка друг за другом? Как ни странно, получится фильтр второго порядка.
Его АЧХ будет более крутой, а именно 12 дБ/октаву, что характерно для фильтров второго порядка. Догадайтесь, какой наклон будет у фильтра третьего порядка;-) ? Все верно, прибавляем 6 дБ/октаву и получаем 18 дБ/октаву. Соответственно, у фильтра 4 -ого порядка наклон АЧХ будет уже 24 дБ/октаву и тд. То есть, чем больше звеньев мы соединим, тем круче будет наклон АЧХ и тем лучше будут характеристики фильтра. Все оно так, но вы забыли то, что каждый последующий каскад вносит свою лепту в ослабление сигнала.
В приведенных схемах мы строили АЧХ фильтра без внутреннего сопротивления генератора а также без нагрузки. То есть в данном случае сопротивление на выходе фильтра равняется бесконечности. Значит, желательно делать так, чтобы каждый последующий каскад имел значительно бОльшее входное сопротивление, чем предыдущий. В настоящее время каскадирование звеньев уже кануло в лету и сейчас используют активные фильтры, которые построены на ОУ.
Разбор фильтра с Алиэкспресс
Для того, чтобы вы уловили предыдущую мысль, мы разберем простой пример от наших узкоглазых братьев. На Алиэкпрессе продаются различные фильтры для сабвуфера. Рассмотрим один из них.
Как вы заметили, на нем написаны характеристики фильтра: данный тип фильтра рассчитан на сабвуфер мощностью 300 Ватт, наклон его характеристики 12 дБ/октаву. Если соединять к выходу фильтра саб с сопротивлением катушки в 4 Ома, то частота среза составит 150 Гц. Если же сопротивление катушки саба 8 Ом, то частота среза составит 300 Гц.
Для полных чайников продавец даже привел схему в описании товара. Выглядит она вот так:
Чаще всего можно увидеть прямо на динамиках значение сопротивления катушки на постоянном токе: 2 Ω, 4 Ω, 8 Ω. Реже 16 Ω. Значок Ω после цифр обозначает Омы. Также не забывайте, что катушка в динамике обладает индуктивностью.
Как ведет себя катушка индуктивности на разных частотах?
Как вы видите, на постоянном токе катушка динамика обладает активным сопротивлением, так как она намотана из медного провода. На низких частотах в дело вступает , которое вычисляется по формуле:
где
Х L — сопротивление катушки, Ом
П — постоянная и равна приблизительно 3,14
F — частота, Гц
L — индуктивность, Гн
Так как сабвуфер предназначен именно для низких частот, значит, последовательно с активным сопротивлением самой катушки добавляется реактивное сопротивление этой же самой катушки. Но в нашем опыте мы это учитывать не будем, так как не знаем индуктивность нашего воображаемого динамика. Поэтому, все расчеты в опыте берем с приличной погрешностью.
Как утверждает китаец, при нагрузке на фильтр динамика в 4 Ома, его полоса пропускания будет доходить до 150 Герц. Проверяем так ли это:
Его АЧХ
Как вы видите, частота среза на уровне в -3 дБ составила почти 150 Герц.
Нагружаем наш фильтр динамиком в 8 Ом
Частота среза составила 213 Гц.
В описании на товар утверждалось, что частота среза на 8-омный саб составит 300 Гц. Думаю, можно поверить китайцам, так как во-первых, все данные приближенные, а во-вторых, симуляция в программах далека от реальности. Но суть опыта была не в этом. Как мы видим на АЧХ, нагружая фильтр сопротивлением большего номинала, частота среза сдвигается в большую сторону. Это также надо учитывать при проектировании фильтров.
Полосовые фильтры
В прошлой статье мы с вами рассматривали один из примеров полосового фильтра
Вот так выглядит АЧХ этого фильтра.
Особенность таких фильтров такова, что они имеют две частоты среза. Определяются они также на уровне в -3дБ или на уровне в 0,707 от максимального значения коэффициента передачи, а еще точнее K u max /√2.
Полосовые резонансные фильтры
Если нам надо выделить какую-то узкую полосу частот, для этого применяются LC-резонанcные фильтры. Еще их часто называют избирательными. Давайте рассмотрим одного из их представителя.
LC-контур в сочетании с резистором R образует . Катушка и конденсатор в паре создают , который на частоте резонанса будет иметь очень высокий импеданс, в народе – обрыв цепи. В результате, на выходе цепи при резонансе будет значение входного напряжения, при условии если мы к выходу такого фильтра не цепляем никакой нагрузки.
АЧХ данного фильтра будет выглядеть примерно вот так:
Если взять по оси Y значение коэффициента передачи, то график АЧХ будет выглядеть следующим образом:
Постройте прямую на уровне в 0,707 и оцените полосу пропускания такого фильтра. Как вы можете заметить, она будет очень узкой. Коэффициент добротности Q позволяет оценить характеристику контура. Чем большее добротность, тем острее характеристика.
Как же определить добротность из графика? Для этого надо найти резонансную частоту по формуле:
где
f 0- это резонансная частота контура, Гц
L — индуктивность катушки, Гн
С — емкость конденсатора, Ф
Подставляем L=1mH и С=1uF и получаем для нашего контура резонансную частоту в 5033 Гц.
Теперь надо определить полосу пропускания нашего фильтра. Делается это как обычно на уровне в -3 дБ, если вертикальная шкала в , либо на уровне в 0,707, если шкала линейная.
Давайте увеличим верхушку нашей АЧХ и найдем две частоты среза.
f 1 = 4839 Гц
f 2 = 5233 Гц
Следовательно, полоса пропускания Δf=f 2 – f 1 = 5233-4839=394 Гц
Ну и осталось найти добротность:
Q=5033/394=12,77
Режекторные фильтры
Другой разновидностью LC схем является последовательная LC-схема.
Ее АЧХ будет выглядеть примерно вот так:
Конечно, этот недостаток можно устранить, поместив катушку индуктивности в экран из мю-металла, но от этого она станет только дороже. Проектировщики всячески пытаются избежать катушек индуктивности, если это возможно. Но, благодаря прогрессу, в настоящее время катушки не используются в активных фильтрах, построенных на ОУ.
Заключение
В радиоэлектронике фильтры находят множество применений. Например, в области электросвязи полосовые фильтры используются в диапазоне звуковой частоты (20 Гц-20 КГц). В системах сбора данных используются фильтры низких частот (ФНЧ). В музыкальной аппаратуре фильтры подавляют шумы, выделяют определенную группу частот для соответствующих динамиков, а также могут изменять звучание. В системах источников питания фильтры часто используются для подавления частот, близких к частоте сети 50/60 Герц. В промышленности фильтры применяются для компенсации косинуса фи, а также используются как фильтры гармоник.
Резюме
Электрические фильтры используются для выделения какого-либо диапазона частота и глушат ненужные частоты.
Фильтры, построенные на пассивных радиоэлементах, таких как резисторы, катушки индуктивности и конденсаторы, называют пассивными фильтрами. Фильтры в которых имеется активный радиоэлемент, типа транзистора или ОУ, называются активными фильтрами.
Чем круче спад характеристики АЧХ, тем лучше избирательные свойства фильтра.
При участии JEER
В этой статье будет рассказано о том, как сделать фильтр высокой частоты своими руками. Но прежде чем мы с вами начнем в этом разбираться, мы должны кое-что понять. То, что же из себя представляют сами фильтры высоких и низких частот.
Определение
Фильтры можно поделить на верхние (высокие) и нижние (низкие) частоты. Почему люди часто говорят “верхние”, а не “высокие” частоты? Происходит это из-за того, что с двух килогерц начинаются высокие в звукотехнике. Но два килогерца в радиотехнике — это частота звука, и поэтому ее называют “низкой”.
Также существует такое понятие, как средняя частота. Относится оно к звукотехнике. Так что же такое фильтр средней частоты? Это комбинация из нескольких вышеперечисленных устройств. Также это может быть полосовой фильтр.
Фильтр высокой частоты — это электронный или какой-нибудь прочий аппарат, который пропускает верхние частоты сигнала, и который на входе подавляет частоту сигнала в соответствии с ранее заданным срезом. Степень подавленности будет также зависеть от определенного типа фильтра.
Низкочастотный отличается тем, что он может пропускать входящий сигнал, который будет ниже заданного среза, при этом подавляя верхние частоты.
Область применения
Фильтр высокой частоты можно использовать для того, чтобы выделять высокочастотные сигналы. Также часто его применяют при обработке аудиосигналов, например, в раздельных фильтрах, которые еще называют кроссоверными. Также они используются для обрабатывания изображений, чтобы можно было осуществить преобразование в частотной области.
Вот из чего состоит простейший фильтр высоких частот:
- Резистор.
- Конденсатор.
Работа сопротивления на емкость (R х С) есть постоянной времени (длительность протекания процесса) для данного фильтра, которая будет обратно пропорциональна частоте среза в герцах (единица измерения процессов колебаний).
Расчет фильтра высоких частот
Итак, как же мы можем провести расчет? Чтобы выполнить все действия на дому, нужно сделать одну из самых простых таблиц автоматического расчета в Microsoft Excel, но для этого нужно уметь пользоваться формулами в этой программе.
Можно пользоваться такой формулой:
Где f — это частота среза; R — это Ом; С — это емкость конденсатора, Ф (фарады).
Типы
Представленные устройства бывают пяти видов, и сейчас мы с вами их поочередно рассмотрим.
- П-образные — по виду напоминают букву П;
- Т-образные — напоминают букву Т;
- Г-образные — напоминают букву Г;
- одноэлементные (конденсатор служит фильтром для высоких частот);
- многозвенные — это те же самые Г-образные фильтры, только в этом случае они соединены последовательно.
П-образные
Можно сказать, что эти фильтры такие же, как и Г-образные, но к ним присоединяется вдобавок еще одна часть вначале. Все, что будет написано для Т-образных, будет верно и для П-образных. Отличия лишь заключаются в том, что у них увеличится шунтирующее действие на радиоцепь, стоящую спереди.
Вот вам примеры перехода Г-образного RC фильтра в П-образный RC также высоких частот:
На изображении можно заметить, что к исходной цепи добавляется еще один резистор 2R, расположенный параллельно первому.
Вот пример преобразования в RL:
Здесь вместо резисторра выстпает катушка индуктивности. Так же добавляется вторая (2L), расположенная параллельно первой.
И третий пример — преобразования в LC:
Т-образные
Т-образный фильтр — это тот же самый Г-образный, только с добавлением еще одного элемента.
Они будут рассчитываться таким же образом как и делитель напряжения, который будет состоять из двух частей с нелинейным АЧХ. Далее к полученному значению необходимо прибавить число реактивного сопротивления третьего элемента.
Также можно использовать и другой метод расчета, однако на практике он менее точен. Его суть заключается в том, что после полученного значения первой рассчитанной части Г-образного фильтра переменная растет или падает в двойне и распределяется на два элемента.
Если это будет конденсатор, тогда значение емкости катушек растет вдвойне, если же это резистор или дроссель, тогда значение сопротивления катушек, наоборот, падает вдвойне.
Примеры преобразования приведены ниже.
Переход Г-образного RC фильтра в Т-образный:
На изображении видено, что для перехода необходимо добавить второй конденсатор (2C).
Переход RL:
В данном случае все по аналогии. Для успешного перехода необходимо добавить второй резистор, подключенный последовательно.
Переход LC:
Г-образные
Г-образный фильтр — это делитель напряжения, который состоит из двух составляющих с нелинейной АЧХ (амплитудно-частотная характеристика). Для данного фильтра разрешается использовать схему и все формулы делителя напряжения.
Его можно представить так:
Если мы заменим сопротивление R1 на конденсатор, то у нас получится фильтр верхних частот. Фото измененной схеме вы можете наблюдать ниже:
Формулы для расчета:
U вх=U вых*(R1+R2)/R2; U вых=U вх*R2/(R1+R2); R общ=R1+R2
R1=U вх*R2/U вых — R2; R2=U вых*R общ/U вх
Сейчас давайте наглядно рассмотрим, как провести расчет.
Фильтр высоких частот для пищалок
Строение такого фильтра довольно простое. Он будет состоять всего лишь из двух деталей — конденсатора и сопротивления.
Роль фильтра, который будет отсеивать среднечастотные и низкочастотные составляющие в аудиосигнале, будет исполнять непосредственно роль самого конденсатора. И простите за тавтологию, сопротивление будет выполнять роль сопротивления, то есть уменьшать уровень громкости.
Важно: высокие частоты эквалайзером с главного устройства не отрезаются — это будет вести к плохому звучанию. Лучше уменьшать их количество при помощи сопротивления.
Затрачиваемые материалы для создания
Для создания фильтра высокой частоты для пищалки вам будут необходимы следующие материалы:
- одно сопротивление 5,5 Ом;
- одно сопротивление 4,0 Ом;
- два конденсатора МБМ 1,0 мкФ;
- изолента либо термоусадочная трубка.
Активный фильтр высоких частот
Активные фильтры обладают огромным преимуществом перед их пассивными «сородичами», тем более на частотах, значение которых меньше 10 кГЦ. Дело в том, что пассивные содержат катушки повышенной индуктивности и конденсаторы, которые обладают большой емкостью. Из-за этого они получаются громоздкими и дорогостоящими, и поэтому их характеристика по итогу выходит далеко не идеальной.
Большой индуктивности достигают благодаря увеличенному количеству витков катушки и использования ферромагнитного сердечника. Это освобождает ее свойства чистой индуктивности, потому что длинный провод катушки с большим числом витков имеет значимое сопротивление, а ферромагнитный сердечник подвергается влиянию температуры, что в значительной мере сказывается на его магнитных свойствах. Из-за того, что необходимо использовать большую емкость, приходится применять конденсаторы, которые обладают не лучшей стабильностью. К ним можно отнести электролитические конденсаторы. Фильтры, именуемые активными, во-многом лишены указанных выше недостатков.
Дифференциаторные и интеграторные схемы построены с применением операционных усилителей, они собой представляют простейшие активные фильтры. Когда выбирают элементы схемы по четкой инструкции, соблюдая зависимость от частоты дифференциатора, они становятся высокочастотными фильтрами, а от частоты интеграторов, напротив, — низкочастотными. Фото, объясняющие все сказанное, приведено ниже:
Фильтр высоких частот на усилителе
Рассмотрим настройку усилителя в машине.
Перед тем в машине, нужно сбросить все настройки главного устройства на нули. Величину частоты среза кроссовера нужно выставить в диапазоне 50-70 Гц. Фронтальный фильтр канала на усилителе в автомобиле устанавливают в положение высоких частот. Частота среза в данном случае выставляется в диапазоне 70-90 Гц.
Если конструкция будет предусматривать поканальное усиление фронтальных колонок, то нужно провести отдельную настройку высокочастотных динамиков. Для этого фильтр нужно установить в соответствующем положении и частоту среза выбрать в районе 2500 Гц.
Помимо прочего, нужно настроить чувствительность усилителя. Для этого его изначально необходимо сбросить на ноль, главное — устройство перевести в режим максимальной громкости, а следом начать увеличивать чувствительность. В тот момент, когда появится искажение звука, нужно прекратить вращение регулятора, а также стоит немного убавить саму чувствительность.
Еще есть незатейливый способ, как можно проверить качество звука: если после включения в сабвуфере слышны щелчки, а в динамике треск — это означает то, что имеются помехи для сигнала.
Басы не должны быть привязаны к сабвуферу. Для этого нужно повернуть регулятор фазы на сабвуфере на 180 градусов. Если этого регулятора нет, то нужно поменять местами положительный и отрицательный провода подключения.
Настроить звуковой процессор. Для этого необходимо отрегулировать временные задержки по каждому из каналов. Нужно установить временную задержку по левому каналу для того, чтобы звук, исходящий из левых динамиков достигал водителя в одно время с правым. Должно создаваться ощущение, что звук исходит из центральной части салона.
Кроме всего вышеперечисленного, звуковым процессором можно убрать привязку басов к задней части салона. Для того чтобы это сделать, нужно задать одинаковые задержки в правом и левом канале фронтальной акустики. Вследствие этого устранится локализация басов в районе сабвуфера.
Если Вы обнаружите минимумы импеданса около 3 Ом, не расстраивайтесь. Некоторые модели АС известных фирм имеют минимум до 2,6 Ом. Одна — две модели даже 2 Ом! С другой стороны, ничего хорошего в таких «провалах» импеданса нет. Усилители перегреваются, работая на такую нагрузку, если Вы слушаете музыку громко. Растут искажения усилителя в области минимумов сопротивления акустической системы.
Для ламповых триодных усилителей особенно опасны минимумы в области низких и средне-низких частот. При этом если импеданс падает ниже 3 Ом, возможен выход из строя выходных ламп. Выходные пентоды в таких случаях не ломаются.
Важно помнить, что выходное сопротивление усилителя участвует в настройке фильтра акустической системы. Например, если обеспечить форсаж на 1 дБ области Fc, настраивая АС с транзисторным усилителем, у которого почти нулевое выходное сопротивление, то при подключении этих акустических систем к ламповому усилителю (типовое выходное сопротивление ~2 Ом) от форсажа не останется и следа. АЧХ будет другой. Для повторения характеристики, достигнутой с транзисторным усилителем, в случае работы с ламповым аппаратом, придется создать другой фильтр.
Слушатель, способный к развитию собственной личности, со-временем приходит к пониманию ценности хороших ламповых усилителей. По этой причине я обычно настраиваю АС с ламповым усилителем, а при подключении к транзисторному усилителю последовательно с АС ставлю 10-и Ваттный малоиндукционный (не более 4-8 uН) резистор сопротивлением 2 Ом.
Если Вы обладаете транзисторным усилителем, но не исключаете возможность приобретения в будущем ламповой техники, то подключайте при настройке и последующей эксплуатации Ваши АС к выходу усилителя через вышеуказанные резисторы. Тогда, при переходе на ламповый усилитель, не потребуется настраивать АС заново, достаточно подключиться к нему напрямую, без резисторов.
Для тех, кто не может раздобыть генератор, рекомендую найти тестовый CD с дорожками, содержащими испытательные сигналы для оценки АЧХ. При этом Вы не сможете плавно менять частоту испытательного сигнала и пропустите точку самого глубокого падения импеданса в области его спада. Тем не менее, даже приблизительная оценка частотной характеристики импеданса будет полезна. Для ориентировочной оценки псевдошумовые сигналы в треть-октавных полосах даже удобнее, чем синусоидальные. Такие сигналы есть на тестовом CD журнала «Салон AV» (#07 от 2002 года).
В крайнем случае можно обойтись без измерений импеданса, если ограничить форсаж отдачи на частоте среза фильтра величиной 1 дБ. При этом условии импеданс вряд-ли упадет сильнее чем на 20%. Например, для 4-х Омной АС это соответствует минимуму в 3,2 Ом, что допустимо.
Учтите, что «поймать» параметры элементов фильтра, нужные для желаемой коррекции АЧХ, Вам придется самостоятельно. Предварительный расчет пробных фильтров нужен чтобы изначально не промахнуться «на километр».
В простой фильтр НЧ-СЧ головки можно добавлять резисторы для некоторых манипуляций с АЧХ, которые могут потребоваться при настройке Ваших АС.
Если средний уровень звукового давления этого динамика выше соответствующего параметра ВЧ головки, необходимо включить последовательно с динамиком резистор. Варианты включения — на Рис. 6а и 6б.
Величину необходимого снижения отдачи НЧ-СЧ головки, выраженную в дБ обозначим символом N. Тогда:
Где Rд — среднее значение импеданса динамика.
Можете вместо расчетов воспользоваться следующей информацией:
Таблица 1
Где V ус — действующее значение напряжения на выходе усилителя. V д — то же на динамике. V д меньше, чем V с, благодаря ослаблению сигнала резистором R 1 . Кроме того, N = N вч — N нч, где N нч и N вч уровень звукового давления развиваемый, соответственно, НЧ и ВЧ головками. Эти уровни — усредненные по полосам воспроизводимым НЧ и ВЧ головками. Естественно, N нч и N вч измеряются в дБ.
Пример быстрой оценки необходимой величины R1:
Для N = 1 дБ; R1 = Rд (1,1 — 1) = 0,1 Rд.
Для N = 2 дБ; R1 = Rд (1,25 — 1) = 0,25 Rд.
Для N = 6 дБ; R1 = Rд (2 — 1) = Rд.
Более конкретный пример:
Rд = 8 Ом, N = 4 дБ.
R1 = 8 Ом (1,6 — 1) = 4,8 Ом.
Как рассчитать мощность R1?
Пусть Р д — паспортная мощность НЧ-СЧ громкоговорителя, PR 1 — допустимая мощность, рассеиваемая R 1 .Тогда:
Не следует затруднять отвод тепла от R 1 , то есть не надо обматывать его изолентой, заливать термоклеем и т. п.
Особенности предварительного расчета фильтра с R1:
Для схемы на Рис. 6б значения L 1 и C 1 рассчитываются на воображаемый динамик, суммарное сопротивление которого R Σ = R 1 + R д. При этом L 1 получается больше, а C 1 — меньше, чем у фильтра без R 1 .
Для схемы на Рис. 6а — все наоборот: введение в схему R 1 требует уменьшения L 1 и увеличения С 1 . Проще рассчитывать фильтр по схеме Рис 6б. Пользуйтесь именно этой схемой.
Дополнительная коррекция АЧХ при помощи резистора:
Если, для улучшения равномерности АЧХ, необходимо уменьшить подавление фильтром сигналов выше частоты среза, можно применить схему, приведенную на Рис. 7.
Применение R 2 в этом случае приводит к уменьшению отдачи в F с. Выше F c отдача, напротив, растет по сравнению с фильтром без R 2 . Если необходимо восстановить близкую к исходной АЧХ (измеренной без R 2), следует уменьшить L 1 и увеличить C 1 в одинаковой пропорции. На практике диапазон R 2 находится в пределах: R 2 ~= (0,1-1) * R д.
Коррекция АЧХ:
Простейший случай: на достаточно равномерной характеристике имеется зона завышенной отдачи («презенс») в области средних частот. Можно применить корректор в виде резонансного контура (Рис. 8).
На частоте резонанса
Контур имеет некоторое значение импеданса, в соответствии с величиной которого сигнал на динамике ослабляется. Вне частоты резонанса ослабление уменьшается, таким образом, контур может избирательно подавлять «презенс». Ориентировочно рассчитать, значения L 2 и C 2 в зависимости от F p и степени подавления N 2 (в дБ) можно так:
Удобно воспользоваться таблицей 1. Нарисую ее по другому:
Пример. Необходимо подавить «презенс» с центральной частотой 1600 Гц. Импеданс громкоговорителя — 8 Ом. Степень подавления: 4 дБ.
Конкретная форма АЧХ громкоговорителя может потребовать более сложной коррекции. Примеры на Рис. 9.
Случай на Рис. 9а — самый простой. Легко подобрать параметры корректирующего контура, так как «презенс» имеет форму «зеркальную» возможной характеристике фильтра.
На Рис. 9б показан другой возможный вариант. Видно, что простейший контур позволяет «разменять» один большой «горб» на два маленьких с небольшим провалом АЧХ в придачу. В таких случаях нужно сначала увеличить L 2 и уменьшить С 2 . Это расширит полосу подавления до нужных пределов. Затем следует зашунтировать контур резистором R 3 , как показано на Рис. 10. Величина R3 выбирается исходя из необходимой степени подавления сигнала, подаваемого на динамик в полосе, определяемой параметрами контура. R 3 = R д (Δ — 1)
Пример: Надо подавить сигнал на 2 дБ. Динамик — 8 Ом. Обращаться к Таблице 1. R 3 = 8 Ом (1,25 — 1) = 2 Ом.
Как в этом случае происходит коррекция, показано на Рис. 9в.
Для современных громкоговорителей довольно характерно сочетание двух проблем: «презенс» в области 1000-2000 Гц и некоторый избыток верхней середины. Возможный вид АЧХ показан на Рис. 11а.
Наиболее свободный от вредных «побочных» эффектов способ коррекции требует небольшого усложнения контура. Корректор показан на Рис. 12.
Резонанс контура L 2 , С 2 нужен, как обычно, для подавления «презенса». Ниже Fp сигнал почти без потерь проходит на динамик через L 2 . Выше F p сигнал идет через С 2 и ослабляется резистором R 4 .
Оптимизируется корректор в несколько этапов. Так как введение R 4 ослабляет резонанс контура L 2 ,C 2 , то изначально следует выбрать L 2 больше, а C 2 меньше. Это обеспечит избыточное подавление на F p , которое нормализуется после введения R 4 . R 3 = R д (Δ — 1), где «Δ» — величина подавления сигналов выше F p . «Δ» выбирается в соответствии с избытком верхней середины, сверяясь с таблицей 1. Этапы коррекции условно проиллюстрированы на Рис. 11б.
В редких случаях требуется обратное воздействие на наклон АЧХ при помощи корректирующей цепи. Ясно, что для этого R 4 должен переместиться в цепь L 2 . Схема на Рис. 13.
Проблемная АЧХ и ее коррекция для этого случая показана на Рис. 14.
При опредленном сочетании величин L2, C2 и R4 корректор может не иметь особенного подавления на Fp. Пример, когда необходимо именно такая коррекция, показан на Рис. 15.
При необходимости можно использовать фильтр второго порядка и корректирующий контур совместно. Варианты включения — на Рис. 16.
ри одинаковых номиналах элементов вариант а) обеспечивает большую отдачу на средних частотах и на частоте среза. В принципе, подбором значений элементов можно почти уровнять АЧХ АС для обоих вариантов фильтра. По некоторым причинам, о которых долго говорить, советую чаще применять вариант а). Иногда очень выраженный «презенс» требует применения варианта б). Совместная работа фильтра и корректора проиллюстрирована на Рис. 17.
Рассмотрим фильтры для ВЧ динамиков.
Для ВЧ головок гораздо чаще, чем для НЧ динамиков, применим фильтр первого порядка, то есть просто конденсатор включенный последовательно с громкоговорителем. То, что такой простой фильтр вносит ощутимый наклон в АЧХ динамика, не так пагубно влияет на звучание, как в случае НЧ динамика. Во-первых, нередко этот наклон частично компенсируется плавным комплементарным (взаимодополняющим) наклоном АЧХ НЧ динамика в той же частотной области. Во-вторых, некоторый «провал» в области нижнего верха (3-6 кГц) вполне допустим по результатам субъективных экспертиз. Возможный ход АЧХ ВЧ-динамика без фильтра, с фильтром и совместно с НЧ динамиком показан на Рис. 18.
Не следует бояться экспериментов с подключением ВЧ динамика в противофазе с НЧ громкоговорителем. Иногда это один из немногих способов добиться хорошего звучания. Наиболее вероятные результаты перемены полярности ВЧ головки показаны на Рис. 19
Автор admin На чтение 3 мин Просмотров 5к. Опубликовано 07.10.2018
Трёхполосные акустические системы, состоящие из трёх динамиков, являются самым удачным решением для высококачественного звуковоспроизведения. В них используются три типа звуковых головок. Они отличаются по размеру, конструктивным особенностям и полосе воспроизводимых частот. Для разделения всего частотного диапазона выдаваемого усилителем низкой частоты используются полосовые фильтры-кроссоверы. В них используются конденсаторы дроссели и, реже, резисторы.
Сделать своими руками фильтр для динамика НЧ очень просто.Основным элементом устройства является индуктивность или дроссель. Катушка включается последовательно с низкочастотным динамиком.
Фильтр для низкочастотного динамика
Фильтр нижних частот из дросселя и конденсатора большой ёмкости называется схемой Баттерворта второго порядка. Он обеспечивает спад частот выше частоты среза до 12 dBна октаву. Схема работает следующим образом. Индуктивность в LC контуре выполняет функцию переменного резистора. Его сопротивление прямо пропорционально частоте ивозрастает с увеличением диапазона. Поэтому высокие частоты практически не попадают на НЧ динамик. Такую же функцию выполняет и конденсатор. Его сопротивление обратно пропорционально частоте и он включается параллельно громкоговорителю.
Поскольку схема устройства должна хорошо пропускать низкие частоты и обрезать высокие, то конденсаторы такого устройства имеют большую ёмкость.Пассивный фильтр для динамика может быть выполнен по более сложной схеме. Если соединить две схемы Баттерворта последовательно, то получится устройство четвёртого порядка из двух индуктивностей и двух конденсаторов. Оно обеспечивает спад частотной характеристики низкочастотного громкоговорителя в 24 децибела на октаву.
Для того чтобы выровнять частотную характеристику и более точно согласовать схему Баттерворта и динамик, между катушкой индуктивности и конденсатором, включается резистор с небольшим сопротивлением. Для этой цели лучше использовать проволочные резисторы.
Фильтры для динамиков своими руками
Сделать фильтр для динамика совсем не сложно. Он состоит всего из двух элементов – конденсатора и катушки индуктивности. Рассчитать параметры радиоэлементов для пассивной схемы низкой частоты второго порядка проще всего на онлайн калькуляторе. Там можно задать желаемый уровень среза и сопротивление акустической головки. Программа выдаст требуемую ёмкость конденсатора и индуктивность катушки. Например, выбран уровень среза 150 Гц, а сопротивление динамика равно 4 Ом. Калькулятор выдаст следующие значения:
- Ёмкость конденсатора – 187 мкф
- Индуктивность катушки – 6,003 мГн
Требуемую ёмкость можно получить из параллельно соединённых конденсаторов К78-34, которые специально разработаны для работы в акустических системах. Кроме того есть обновлённая линейка конденсаторов аналогичного типа. Это KZKWhiteLine. В качестве недорогих аналогов, радиолюбители часто используют конденсаторы типа МБГО или МБГП.
Катушка индуктивности на 6 мГн наматывается на оправке диаметром 1 см и длиной 6 см. Поскольку катушка не имеет магнитного сердечника в качестве бобины можно использовать цилиндр из любого материала, на который для удобства намотки, нужно сделать щёчки. Для намотки используется медный провод типа ПЭЛ диаметром 1 мм. Длина проволоки 84 метра. Намотку нужно делать виток к витку.























































































































