Автомобильные часы вольтметр в авто.Часы в классику
Дешевые автомобильные часы из Китая
Пропала подсветка в часах авто Hyundai Accent? Сделаем!
Часы VST-7042v взамен стоковым…
Купить часы автомобильные электронные!!Автомобильные часы купить в интернет магазине
Автомобильные часы-термометр VST — 7043
Часы с подсветкой и термометром
3 В 1 ЧАСЫ, ТЕРМОМЕТР, ВОЛЬТМЕТР ДЛЯ АВТО
Электронные часы в автомобиль из Китая за 2.8$
часы электронные паяем сами
Также смотрите:
- Geely ck otaka 2007 отзывы видео
- Автомобили тесла моторс видео
- Видео тест драйвы по грязи рено дастер
- Samsung galaxy premier i9260 замена тачскрина видео
- Диорама своими руками мастер класс
- Бмв е36 видео тюнинга
- Видео мастер пиратка
- Автомобиль из покрышек своими руками
- Как размножается калина красная видео
- Вождение автомобиля коробка автомат видео
- История хонда аккорд видео
- Автомобиль не заводится в мороз видео
- Subaru legacy тюнинг своими руками
- Актуатор своими руками для автомобиля
- Капитальный ремонт двигателя шевроле лачетти своими руками
Главная »
Новинки »
Автомобильные электронные часы с подсветкой своими руками
С каждым днем становится все больше и больше, появляется много новых статей, то новым посетителям довольно сложно сразу сориентироваться и пересмотреть за раз все уже написанное и ранее размещенное.
Мне же очень хочется обратить внимание всех посетителей на отдельные статьи, которые были размещены на сайте ранее. Для того что бы не пришлось долго искать нужную информацию я сделаю несколько «входных страниц» со ссылками на наиболее интересные и полезные статьи по отдельным темам.
Первую такую страничку назовем «Полезные электронные самоделки». Здесь рассматриваются простые электронные схемы, которые доступны для реализации людям любого уровня подготовки. Схемы построены с использованием современной электронной базы.
Вся информация в статьях изложена в очень доступной форме и в объеме, необходимом для практической работы. Естественно, что для реализации таких схем нужно разбираться хотя бы в азах электроники.
Итак, подборка наиболее интересных статей сайта по тематике «Полезные электронные самоделки»
. Автор статей — Борис Аладышкин.
Современная элементная база электроники значительно упрощает схемотехнику. Даже обычный сумеречный выключатель теперь можно собрать всего из трех детелей.
В статье описывается простая и надежная схема управления электронасосом. Несмотря на предельную простоту схемы устройство может работать в двух режимах: водоподъем и дренаж.
В статье приведены несколько схем аппаратов для точечной сварки.
С помощью описываемой конструкции можно определить работает или нет механизм, расположенный в другом помещении или здании. Информацией о работе является вибрация самого механизма.
Рассказ о том, что такое трансформатор безопасности, для чего он нужен и как его можно изготовить самостоятельно.
Описание простого устройства, отключающего нагрузку в случае выхода сетевого напряжения за допустимые пределы.
В статье рассмотрена схема простого терморегулятора с использованием регулируемого стабилитрона TL431.
Статья о том, как сделать устройство плавного включения ламп с помощью микросхемы КР1182ПМ1.
Иногда при пониженном напряжении в сети или пайке массивных деталей пользоваться паяльником становится просто невозможно. Вот тут на помощь и может придти повышающий регулятор мощности для паяльника.
Статья о том, чем можно заменить механический терморегулятор масляного отопительного радиатора.
Описание простой и надежной схемы терморегулятора для системы отопления.
В статье дается описание схемы преобразователя выполненного на современной элементной базе, содержащего минимальное количество деталей и позволяющего получить в нагрузке значительную мощность.
Статья о различных способах подключения нагрузки к блоку управления на микросхемах с помощью реле и тиристоров.
Описание простой схемы управления светодиодными гирляндами.
Конструкция простого таймера, позволяющего включать и выключать нагрузку, через заданные интервалы времени. Время работы и время паузы друг от друга не зависят.
Описание схемы и принципа действия простого аварийного светильника на основе энергосберегающей лампы.
Подробный рассказ о популярной «лазерно-утюжной» технологии изготовления печатных плат, её особенностях и нюансах.
Одно из распространенных хобби любителей и профессионалов в области электроники – это конструирование и изготовление различных самоделок для дома. Электронные самоделки не требуют больших материальных и финансовых затрат и выполняться могут в домашних условиях, поскольку работы с электроникой являются, по большей части, «чистыми». Исключение составляет только изготовление разнообразных корпусных деталей и иных механических узлов.
Полезные электронные самоделки могут использоваться во всех областях быта, начиная от кухни и заканчивая гаражом, где многие занимаются усовершенствованием и ремонтом электронных устройств автомобиля.
Самоделки на кухне
Кухонные самоделки из области электроники могут составлять дополнение к существующим аксессуарам и принадлежностям. Большой популярностью среди жителей квартир пользуются промышленный и самодельные электрошашлычницы.
Еще один распространенный пример кухонных самоделок, сделанных своими руками домашнего электрика, – таймеры и автоматика включения освещения над рабочими поверхностями, электроподжиг газовых горелок.
Важно!
Изменение конструкции некоторой бытовой техники, в особенности газовых приборов, может вызвать «непонимание и неприятие» контролирующих организаций. Кроме того, это требует большой аккуратности и внимательности.
Электроника в автомобиле
Самодельные устройства для автомобиля наиболее широкое распространение получили среди владельцев отечественных марок транспорта, которые отличаются минимальным количеством дополнительных функций. Широким спросом пользуются такие схемы:
- Звуковые сигнализаторы поворотов и включения ручного тормоза;
- Сигнализатор режимов работы аккумуляторной батареи и генератора.
Более опытные радиолюбители занимаются оснащением своего автомобиля датчиками парковки, электронными приводами стеклоподъемников, автоматическими датчиками освещенности для управления ближним светом фар.
Самоделки для начинающих
Большинство начинающих радиолюбителей занимаются изготовлением конструкций, которые не требуют высокой квалификации. Простые отработанные конструкции могут служить длительное время и не только ради пользы, но и в качестве напоминания о техническом «взрослении» от начинающего радиолюбителя до профессионала.
Для малоопытных любителей множество производителей выпускают готовые наборы для конструирования, которые содержат в составе печатную плату и набор элементов. Такие наборы позволяют отработать такие навыки:
- Чтение принципиальных и монтажных схем;
- Правильная пайка;
- Настройка и регулировка по готовой методике.
Среди наборов очень распространены электронные часы различных вариантов исполнения и степени сложности.
В качестве области применения знаний и опыта радиолюбители могут конструировать электронные игрушки, используя схемы попроще или переделывая промышленные конструкции под свои пожелания и возможности.
Интересные идеи для поделок можно видеть на примерах изготовления радиоэлектронных поделок из пришедших в негодность деталей вычислительной техники.
Домашняя мастерская
Для самостоятельного конструирования радиоэлектронных устройств необходим некоторый минимум инструментов, приспособлений и измерительных приборов
:
- Паяльник;
- Бокорезы;
- Пинцет;
- Набор отверток;
- Пассатижи;
- Многофункциональный тестер (авометр).
На заметку.
Планируя заниматься электроникой своими руками, не следует браться сразу за сложные конструкции и приобретать дорогостоящий инструмент.
Большинство радиолюбителей начинали свой путь с использования простейшего паяльника 220В 25-40Вт, а из измерительных приборов в домашней лаборатории использовался самый массовый советский тестер Ц-20. Всего этого достаточно для занятий с электричеством, приобретения нужных навыков и опыта.
Начинающему радиолюбителю нет смысла покупать дорогостоящую паяльную станцию, если нет необходимого опыта работы с обычным паяльником. Тем более что возможность применения станции появится еще не скоро, а только по прошествии иногда довольно длительного времени.
Также нет необходимости в профессиональной измерительной аппаратуре. Единственный серьезный прибор, который может понадобиться даже начинающему любителю, – это осциллограф. Для тех, кто уже разбирается в электронике, осциллограф является одним из самых востребованных измерительных инструментов.
В качестве авометра с успехом можно использовать недорогие цифровые приборы китайского производства. Имея богатую функциональность, они обладают высокой точностью измерений, простотой использования и, что важно, имеют встроенный модуль для измерения параметров транзисторов.
Говоря о домашней мастерской у самоделкина, нельзя не упомянуть о материалах, применяемых для пайки. Это припой и флюс. Самым распространенным припоем является сплав ПОС-60, который имеет невысокую температуру плавления и обеспечивает высокую надежность пайки. Большинство припоев, применяемых для пайки всевозможных устройств, является аналогами упомянутого сплава и может быть им с успехом заменено.
В качестве флюса для пайки используется обычная канифоль, но для удобства пользования лучше использовать ее раствор в этиловом спирте. Флюсы на основе канифоли не требуют удаления с монтажа после работы, поскольку являются химически нейтральными при большинстве условий эксплуатации, а тонкая пленка канифоли, образовавшаяся после испарения растворителя (спирта), проявляет неплохие защитные свойства.
Важно!
При пайке электронных компонентов ни в коем случае нельзя использовать активные флюсы. Особенно это касается паяльной кислоты (раствор хлористого цинка), поскольку даже в обычных условиях такой флюс разрушающе воздействует на тонкие медные печатные проводники.
Для облуживания сильно окисленных выводов лучше использовать активный бескислотный флюс ЛТИ-120, который не требует смывания.
Очень удобно работать, используя припой, в состав которого включен флюс. Припой выполнен в виде тонкой трубочки, внутри которой находится канифоль.
Для монтажа элементов хорошо подходят макетные платы из двухстороннего фольгированного стеклотекстолита, которые производятся в широком ассортименте.
Меры безопасности
Занятия электричеством связаны с риском для здоровья и даже жизни, особенно, если электроника своими руками конструируется с сетевым питанием. Самодельные электрические устройства не должны использовать бестрансформаторное питание от бытовой сети переменного тока. В крайнем случае, настройку подобных устройств следует производить, подключая их к сети через разделительный трансформатор с коэффициентом трансформации, равным единице. Напряжение на его выходе будет соответствовать сетевому, но в то же время будет обеспечена надежная гальваническая развязка.
Если у вас где то завалялся низкочастотный динамик,то не плохо для него будет собрать не сложный усилитель для сабвуфера на tda7377
Автомагнитола из модуля с алиэкспресс
Литиевый АКБ своими руками 12 Вольт
Многие используют в составе некоторых устройств популярный свинцово-кислотный аккумулятор 12 В 7,2 Ач. Эту батарею можно найти во многих устройствах, от детских электромобилей до ИБП, или системах поддержки напряжения важных устройств, в случае сбоя питания. Почему он так популярен? Цена — это его главное преимущество и, наверное, единственное.
подключение вольтметра с алиэкспресс
Пришел мне по почте из Китая вольтметр с REM. Первым делом я проверил его работу дома при помощи компьютерного блока питания. И кстати скажу еще о кое чем. некоторые люди мне писали что REM на них не работает, и что вольтметр работает постоянно, даже при выключенном ГУ. Поначалу я тоже так подумал.
Бустер для запуска автомобиля своими руками
При приближении зимы, частая проблема водителей, в том что АКБ может не всегда завести автомобиль, он или подсажен,да и сам акб в мороз работает не очень.
Хорошим решением, будет так же создать бустер своими руками
.
Если простым языком, это такой же внешний аккумулятор(power bank) как для телефона,только в этот раз для нашего автомобиля.
Зарядка для автомобильного аккумулятора из модулей с Ali
С наступлением холодного времени года,все чаще приходится столкнуться автолюбителю, чем же зарядить аккумулятор для автомобиля.
В данной статье,нам понадобится не много, т.к соберем зарядное устройство своими руками из модулей
с известного всем сайта-Aliexpress.
Как подключить потребитель с напряжение питания 12в в сеть 24в
как подключить потребитель с напряжение питания 12в в сеть 24в
(преобразователь напряжения 24в-12в)
Известно,что в некоторых автомобилях, бортовая сеть составляет не 12 Вольт,что больше всего распространено,а 24 Вольта
.
И тут возникает некоторые сложности,а как же подключить тот же антирадар,или видеорегистратор
или другой потребитель работающий от 12 Вольт.
Для этого хорошо будет собрать преобразователь для автомобиля, который будет наши 24 Вольта,преобразовывать 12 Вольт.И можно на эти 12 Вольт установить прикуриватель,и туда уже включать наши потребители.
Наполнитель для короба в сабвуфер
Какой выбрать наполнитель для корпуса в сабвуфер.
При создании сабвуфера своими руками,стоит так же учесть, какой выбрать наполнитель для короба,и так же учесть такие правила как.
1) Материал ящика должен быть максимально глухим.(постучите по фанере 8ке и потом по 20ке и вы поймете о чем я)
2) Коробок должен быть максимально прочным. (стыки и соединения должны быть прочнее чем сам материал)
Раз уж Вы решили стать электриком-самоучкой, то наверняка через небольшой промежуток времени Вам захочется сделать какой-нибудь полезный электроприбор для дома, автомобиля либо дачи своими руками. Одновременно с этим самоделки могут пригодиться не только в быту, но и изготовлены на продажу, к примеру, . На самом деле процесс сборки простых устройств в домашних условиях не представляет ничего сложного. Нужно всего лишь уметь читать схемы и пользоваться инструментом для радиолюбителей.
Что касается первого момента, то перед тем, как приступать к изготовлению электронных самоделок своими руками, Вам нужно научиться читать электросхемы
. В этом случае хорошим помощником будет наш .
Из инструментов для начинающих электриков Вам пригодится паяльник, набор отверток, плоскогубцы и мультиметр
. Для сборки некоторых популярных электроприборов может понадобиться даже сварочный аппарат, но это редкий случай. Кстати, в этом разделе сайта мы рассказали даже, и тот же сварочный аппарат.
Отдельное внимание нужно уделить подручных материалам, из которых каждый электрик новичок сможет сделать элементарные электронные самоделки своими руками. Чаще всего в изготовлении простых и полезных электроприборов используются старые отечественные детали: трансформаторы, усилители, провода и т.д. В большинстве случаев начинающим радиолюбителям и электрикам достаточно поискать все нужные средства в гараже либо сарае на даче.
Когда все будет готово – инструменты собраны, запчасти подысканы и минимальные знания получены, можно переходить к сборке любительских электронных самоделок в домашних условиях. Тут-то как раз, наш небольшой справочник Вам и поможет. Каждая предоставленная инструкция включает в себя не только подробное описание каждого из этапов создания электроприборов, но и сопровождается фото примерами, схемами, а также видео уроками, в которых наглядно показывается весь процесс изготовления. Если же Вы какой-то момент не поняли, то можете уточнить его под записью в комментариях. Наши специалисты постараются своевременно проконсультировать Вас!
Электронные самоделки, на сегодня, являются доступным способом изготовления полезных механизмов, способных облегчить жизнь и разнообразить досуг. Современные умельцы способны своими руками собирать как простые игрушки, так и сложные, многозадачные механизмы. О том, как просто и быстро сделать электронные игрушки, интересные и полезные электронные самоделки для дома и автомобиля своими руками – читайте ниже!
Простая электроника своими руками: делаем спиннер
Электротехника, сегодня, повсеместно используется для реализации как практических, так и развлекательных целей. Некоторые изобретения (такие, как например система “умный дом”) сделать новичку будет достаточно сложно. Они требуют опыта и углубленных знаний по физике. Другие же конструкции являются простыми и доступными для начинающих радиолюбителей. Так, например, своими руками можно сделать интересные игрушки – спиннеры, продажи которых невероятно возросли в этом году.
Чтобы собрать игрушку необходимо будет запастись:
- Деревянной заготовкой размером 9x4x1,2 см;
- Подшипником размером 2,2Х0,8х0,7 см (с резиновым уплотнителем);
- Двумя светодиодами RGB;
- Двумя батарейками и держателями CR2032;
- Болтом из нержавейки 0,8х2 см;
- Колпачковыми гайками М8.
После этого можно приступать к работе. Прежде всего, необходимо будет найти схему конструкции в интернете, и перенести ее на необработанный брусок – заготовку. Чтобы правильно наметить технологические отверстия (их будет три) понадобится линейка.
После чего следует:
- Посередине заготовки высверлить сквозное отверстие диаметром 2,2 см под подшипник;
- Просверлить по бокам заготовки два отверстия диаметром в 2,5 см и глубиной в 7,5 мм;
- При помощи сверла проделать посередине двух несквозных два отверстия диаметром по 6 мм под светодиоды;
- Обработать отверстия зенковкой;
- Придать игрушке закругленную форму при помощи электролобзика, ленточной пилы или лобзикового станка;
- Зашкурить заготовку наждачной бумагой, и покрыть ее лаком;
- Припаять светодиоды к батарейкодержателям;
- Проверить светодиоды, и установить их в посадочные отверстия, зафиксировав на супер-клей;
- Очистить подшипник, и обработать его внутренности WD 40;
- Отрезать шляпку болта, и закрепить ось в подшипнике с двух сторон гайками;
- Установить подшипник в посадочное отверстие.
Спиннер готов! Игрушка будет интересной не только для детей. Такую электронку смогут использовать и взрослые: прибор, вращаясь, поможет расслабиться или отвлечься.
Несложные схемы электронных самоделок: делаем электрозвонок
Достаточно просто и быстро своими руками можно сделать электрозвонок.
Такой звонок прослужит долго, и будет радовать ухо. Ведь, при нажатии, он сможет создавать сигналы различной частоты и тональности.
Так, электрозвонок может быть однотональным и многотональным.
На способность звонка воспроизводить звук в одной или нескольких тональностях будет влиять наличие в схеме радиоконструкции мультивибратора с двумя биполярными транзисторами. Рассмотрим подробно схему электронного звонка со сложным звуковым сигналом.
Так, электронная самодельная схема будет состоять из таких радиодеталей:
- Понижающего трансформатора серии ТА;
- Звонковой кнопки;
- Пяти сплавных кремниевых диодов;
- Электролитического конденсатора емкостью в 1000 микрофарад
- Двух электролитических конденсаторов емкостью в 10 микрофарад;
- Двух подстроечных резисторов с сопротивлением в 470 килоом;
- Двух МЛТ резисторов с сопротивлением 10 килоом;
- Двух МЛТ резисторов с сопротивлением 33 килоом;
- Резистора МЛТ на 1 килоом;
- Резистора МЛТ на 470 килоом;
- Трех кремниево-пленарных транзисторов типа 630Д
- Кремниево-планарного транзистора типа 630Г.
Принцип работы устройства прост. Нажатие кнопки будет открывать третий транзистор типа 630Д, давая проход тока к четвертому транзистору типа 630Г. Это создаст первичный сигнал. При открытии второго транзистора типа 630Д запрутся третий и четвертый транзисторы, создавая сигнал другой тональности.
Самоделки своими руками для автомобиля
Автоэлектроника, на сегодня, имеет огромный спрос. При этом, самодельная автоматика, зачастую, имеет простые схемы, легкое исполнение и монтаж. Какие же электросамоделки можно самостоятельно сделать для своего авто?
Так, своими руками для автомобиля можно сделать:
- Динамические поворотники, используя конструктор KIT DIY;
- Универсальное зарядное устройство из старой электроники;
- Кондиционер на основе водяного насоса;
- Дворники с подогревом и многое другое.
Проще всего будет сконструировать подсветку для замков ремней безопасности. Для этого необходимо будет демонтировать, и разобрать замки с помощью плоской отвертки. После чего, при помощи термоклея в замках необходимо закрепить светодиоды.
Каждый светодиод можно включить через свой токоограничивающий резистор: это продлит срок службы полупроводникового светоизлучающего прибора.
После этого следует собрать замки, а провода, питающие светодиоды, протянуть под сидениями к зажиганию или кнопке габаритов через прикуриватель. По желанию владельца автомобильная подсветка салона может быть дополнена лампами, сигнализирующими о том, что ремень безопасности не пристегнут.
Необычные электронные самоделки: бинарные часы своими руками
Своими руками можно сделать прикольные бинарные часы для дома. Для этого понадобиться платформа Ардуино. Электросхемы на этой платформе отличаются простотой и удобством, используются для изготовления большинства электронных самоделок.
Кроме того, чтобы сделать бинарные часы вам понадобятся:
- Модуль часов реального времени на микросхеме DS1302;
- Диффузные светодиоды с диаметром 1 см (20 штук);
- Резисторы с сопротивлением в 10 Ом (20 штук);
- Резисторы с сопротивлением в 10 килоом (2 штуки);
- Две тактовые кнопки;
- Корпус.
Корпус часов должен состоять из двух половинок, которые можно сделать из дерева, пластика, металла. Это зависит от того в каком стиле будут ваши часы. Прежде, чем изготавливать корпус, нужно будет собрать светодиодную матрицу.
При этом, каждый светодиод необходимо подключать через свой токоограничивающий резистор.
После этого выводы от светодиодов необходимо подключить к платформе. Сам контроллер нужно будет соединить с модулем часов реального времени. После этого контакты от Ардуино и модуля необходимо провести к тактовым кнопкам для настройки времени через резисторы номиналом в 10 килоом. Они будут служить нагрузочными. Под конец следует подключить к схеме кабель питания.
Полезные самоделки своими руками: как делаются бытовые весы
Сегодня, практически в каждом доме есть напольные или кухонные весы. Для того, чтобы самостоятельно сделать этот полезный измерительный прибор, необходимо разобраться с его устройством и принципом работы.
Так, к внешним составным частям весов относят:
- Весопроцессор;
- Корпус;
- Экран для показаний;
- Платформу;
- Ножки.
Принцип работы весов крайне прост. Груз, попадая на платформу, давит на нее за счет силы тяжести, активируя тензометрический датчик веса внутри прибора. Тензодатчик, в свою очередь, влияет на тензорезистор, меняя его сопротивление. Последний передает сигнал аналого-цифровому преобразователю. После этого АЦП переводит сигнал в цифровой и подает его на микроконтроллер, который делает выводы о массе груза на платформе, и выводит значения на экран.
При сборке схемы, необходимо обращать внимание на тип тензометрического датчика.
Так, для центрального расположения под платформой напольных, торговых и технических весов лучше выбирать одноточечный датчик. Для установки на изгиб используют блочный датчик. При этом, нужно следить за тем, чтобы тензодатчик имел надежное соединение с АЦП. Решить проблему подключения устройств поможет весопроцессор.
Радиосхемы своими руками для дома: делаем электронный замок
Электрика может служить и для защиты дома. Так, сегодня, сайты самодельщиков предлагают простые радиосхемы электронных замков для входной двери. Открыть такой замок, используя физический ключ, не получится.
Самая простая электросхема для изготовления замка, обычно, выполняется на основе четырехзначного счетчика Джонсона.
Эту схему можно реализовать в нескольких вариациях. Наиболее простая – с использованием микросхемы 4017. Принцип работы схемы достаточно прост: при вводе правильного кода, состоящего из четырех цифр, на входе микросхемы активируется логическая единица, которая открывает замок.
Рассмотрим работу устройства подробней:
- При нажатие неверных клавиш, схема перезапускается без срабатывания механизма через ввод RESET.
- Правильный сигнал, при нажатии клавиши, должен поступать на полевой транзистор VT1, который, после открытия, подает напряжение на соответствующий клавише вывод;
- После полного введения правильного кода, с выхода, соответствующего последней верной клавише, сигнал подается на подключенный к реле транзистор VT2;
- Транзистор активируется на время, которое определяет емкость конденсатора;
- Реле открывает исполнительное устройство (например, защелку).
Для того, чтобы вскрыть такой замок понадобиться перебрать около десяти тысячи различных кодов. При этом, цифры на коде не должны повторяться. То есть, код 3355 будет невозможен, все цифровые значения должны быть разными.
Большинство электронных самоделок, которые изготавливают современные мастера, призваны выполнять обычные бытовые задачи быстрее и качественнее аутентичных приборов. Так, например, значительно ускорит процесс создания пряжи электропрялка. Быстро сделать электрическую прялку можно, поставив электродвижок на аутентичное устройство.
При этом, двигатель для электропрялки должен иметь мощность не менее 15 Вт.
В качестве двигателя можно будет использовать мотор от вентилятора, автоочистителя, проигрывателя. Для приведения двигателя в действие следует использовать педаль. Менять движения мотора можно будет, включив в схему тумблер ТП типа, обеспечивающий подключение конденсатора и сопротивления к разным обмоткам.
Полезной, простой в сборке и эксплуатации будет электромухобойка.
Для того, чтобы реализовать такой механизм нужно будет собрать стандартный блокинг-генератор. При этом, нужно будет не забыть изолировать ручку мухобойки.
Где найти радиолюбительские схемы и самоделки
Современные сайты радиолюбителей предлагают сделать не только полезные, но и необычные радиосамоделки. Так, например на сайте Мозгочины можно найти интересные радиоэлектронные схемы для изготовления напоминалок на холодильник, термометров, которые меняют цвет в зависимости от температуры и т. д.
Интересными и полезными будут электрические штучки для быта и поделки из подручных материалов для рыбалки с сайта “В гостях у Самоделкина”.
О том, как проектировать, отлаживать и изготавливать электронные механизмы в домашних условиях можно прочесть в книге “Занимательная радиоэлектроника”. Новинки среди радиосамоделок часто выкладывает сайт “Мастерская радиолюбителя”. Занятные и полезные технические материалы содержат новые выпуски журнала “Радиолюбители”.
Самоделки своими руками в домашних условиях (видео)
Радиолюбительские кружки пользуются, сегодня, популярностью как у школьников, так и взрослых. Мастер-классы и радиосхемы, представленные на различных сайтах, позволяют в домашних условиях собрать практически любые электроприборы. Главное – отыскать нужные схемы, четко следовать инструкциям, и придерживаться техники безопасности при работе с электричеством. И вы сможете собрать все, что захотите!
Цифровые электронные часы (рис. 11.9), предлагаемые вашему вниманию, собраны на хорошо известном радиолюбителям комплекте микросхем — К176ИЕ18 (двоичный счетчик для часов с генератором сигнала звонка), К176ИЕ13 (счетчик для часов с будильником) и К176ИД2 (преобразователь двоичного кода в семисегментный). Поэтому на рассказе о работе этих микросхем мы не будем останавливаться.
При включении питания в счетчик часов, минут и в регистр памяти будильника микросхемы U2 автоматически записываются нули. Для установки времени следует нажать кнопку S4 (Time Set) и, придерживая ее, нажать кнопку S3 (Hour) — для установки часов или S2 (Min) — для установки минут. При этом показания соответствующих индикаторов начнут изменяться с частотой 2 Гц от 00 до 59 и далее снова 00. В момент перехода от 59 к 00 показания счетчика часов увеличатся на единицу. Установка времени будильника происходит также, только придерживать нужно кнопку S5 (Alarm Set). После чего следует нажать кнопку S1 для включения будильника (контакты замкнуты). Кнопка S6 (Reset) служит для принудительного сброса индикаторов минут в 00 при настройке. Светодиоды D3 и D4 играют роль разделительных точек, мигающих с частотой 1 Гц. Цифровые индикаторы на схеме расположены в правильном порядке: индикаторы часов, две разделительные точки (светодиоды D3 и D4) и индикаторы минут.
Рис. 11.9. — Схема цифровых электронных часов
В часах использовались резисторы R6-R12 и R14-R16 ваттностью 0,25 Вт остальные — 0,125 Вт. Кварцевый резонатор XTAL1 на частоту 32768 Гц — обычный часовой (лучше «совковый» в виде лодочки, импортные желательно не ставить, так как они не очень точные). Транзисторы КТ315А можно заменить на любые маломощные кремниевые соответствующей структуры, КТ815А — на транзисторы средней мощности со статическим коэффициентом передачи тока базы не менее 40, диоды — любые кремниевые маломощные. Пищалка BZ1 — динамическая, без встроенного генератора, сопротивление обмотки 45 Ом. Кнопка S1 естественно с фиксацией.
Индикаторы TOS-5163AG зеленого свечения, можно применить любые другие с общим катодом, не уменьшая при этом сопротивление резисторов R6-R12. На рис. 11.10 вы видите распиновку данного индикатора, выводы показаны условно, так как представлен вид сверху.
Рис. 11.10. — Цоколевка:
а) — транзистора КТ315;
б) — транзистора КТ815;
в) — индикатора TOS-5163AG (вид сверху)
После сборки часов, возможно, понадобится подстроить частоту кварцевого генератора. Лучше всего это сделать, контролируя цифровым частотомером период колебаний 1 с на выводе 4 микросхемы U1. Настройка генератора по ходу часов потребует значительно большей затраты времени. Может быть, придется также подстроить яркость свечения светодиодов D3 и D4 подбором сопротивления резистора R5, чтобы все светилось равномерно ярко. Потребляемый часами ток не превышает 180 мА.
Часы питаются от обычного блока питания (рис. 11.11), собранного на плюсовом микросхемном стабилизаторе 7809 (рис. 11.12) с выходным напряжением +9 В и током 1,5 А. Трансформатор должен быть с выходным напряжением -9-12 В, лучше ~9 В, потому что в этом случае падение напряжения на микросхемном стабилизаторе будет минимальным, соответственно и его нагрев тоже. Это немаловажно для часов, питающихся от сети непрерывно.
Рис. 11.11. — Схема цифровых блока питания электронных часов
Не забудьте поставить микросхемный стабилизатор на небольшой радиатор, сделанный из куска дюралюминиевой пластины. Конденсатор СЗ расположите вблизи цепи питания микросхем. Элементы часов лучше собрать в корпусе, спаянном из стеклотекстолита, и соединить его фольгу с общим проводом питания. Это устранит помехи в работе часов.
Рис. 11.12. — Распиновка интегрального стабилизатора 7809
Примеры выполнения в корпусе:
Вариант 1
Вариант 2
Корпус может быть любой на свой вкус.
Часы могут работать даже при пропадании света, после их доработки.
Если будут желающие усовершенствовать схему этих часов буду рад помочь и обьяснить что делать.
Лично для себя сделал такое усовершенствование: при пропадании света часы питаются от кроны, индикаторы выключаются и в этом режиме они без света могут проработать недели, так как питание идет только на микросхемы, а индикаторы и периферийные части схемы отключены, при восстановлении питания сети — включаются индикаторы и часы работают в обычном режиме.(будильник во время выключения света работает, хотя можно сделать так чтоб он выключался, ну это уже как кому захочется).
Также есть некоторые ньюансы в наладке часов, если будут вопросы пишите здесь.
© 2010-2021 Все права соблюдены.
Некоторые авто не имеют штатно установленных часов, термометров т.п. индикаторов. Конечно, вполне можно обойтись и без них, но полезная информация всегда приятна глазу.
Итак, авточасы VST-7009V — их тут пока не обозревали и не ломали.
Показывают текущее время, температуру в салоне и за бортом, напряжение бортовой сети. Есть встроенное батарейное питание и будильник в придачу.
Пришли часы в небольшой слегка мятой коробочке.
В коробочку плотно запиханы сами часы в пупырке, кабель подключения питания в прикуриватель, внешний датчик температуры, кружок двустороннего скотча, инструкция на Китайском, Английском и Русском языках.
Корпус пластиковый чёрный с синей вставной окантовкой. Размеры часов без ножки — 94 х 56 х 27мм. Ножка позволяет слегка корректировать положение часов
Сзади под крышкой две часовые батарейки LR44.
Ток потребления часов при отсутствии внешнего питания — 14мкА
Общий вид в работе
Внешний датчик температуры с креплением на самоклейке, длина кабеля 2м.
Подключение через прикуриватель, длина кабеля 1,5м, защитный предохранитель в штекере отсутствует.
Оба провода подключаются посредством разъёмов в соответствии с цветом. Перепутывать разъёмы нельзя — часы мигом сгорят.
Подсветка дисплея оказалась почему-то оранжевая / синяя вместо ожидаемой зелёной. Цвет подсветки переключается сзади часов посредством переключателя. Оранжевый цвет неприятный и раздражающий, синий цвет немного лучше, но всё равно не очень… Моему глазу приятней зелёный или белый цвет.
Пришлось открывать диспут с продавцом на компенсацию за несоответствие (выгадал половину стоимости).
На фото показано, как часы будут показывать днём.
И в сумерках
В отсутствии бортового питания, часы питаются от встроенных батарей, подсветка при этом естественно отключается. Без подсветки дисплей читается плохо. Дополнительного защитного стекла перед экраном — нет.
Нажатие кнопок подтверждается пиком.
Назначение кнопок управления
TIME — Отображение времени — месяца — даты, переключение режима отображения времени 12-24ч, установка времени, месяца, даты, года.
ALM — Отображение времени установки будильника, коррекция времени установки будильника.
SNZ — Установка функции «Соня» для будильника
UP — Включение — отключение будильника, при настройке увеличивает значение.
DOWN — Переключение режима отображения температур Градус — Фаренгейт, включение предупреждения о гололёде, при настройке уменьшает значение.
В диапазоне наружной температуры от -1 до +3гр часы начинают пикать, видимо предупреждая о гололёде на дороге. Чтобы они замолчали, надо нажать кнопку SNZ.
Показания внутреннего датчика на 1гр завышают реальную температуру (скорее всего из-за подогрева схемой). Наружный датчик кажет верно.
Напряжения измеряет в норме, но показания гуляют ± 0,1V
Для соблюдения традиций, часы были разобраны.
Половинки скрепляются одним мелким саморезиком + защёлками.
Внутри ничего необычного не обнаружено — обычные часы китайской сборки.
Монтаж на троечку, плата от флюса не отмыта.
Конструкция типичных настольных часов, компоненты не закреплены и от вибрации со временем наверняка отвалятся. Очень желательно их закрепить нейтральным герметиком.
Индикатор соединяется с платой плёночным шлейфом с графитовыми дорожками, что также нежелательно для авточасов.
При необходимости, крепёжную ногу можно легко открутить.
Реальная схема часов
Имеется стабилизатор напряжения 3,3V.
На плате установлен внутренний датчик температуры (терморезистор 10кОм).
Зачем в авточасы встроен будильник — непонятно…
Правда будильник у меня не заработал, т.к. звуковой излучатель оказался в обрыве, пришлось перепаивать звуковой излучатель.
Подсветка организована двухцветным светодиодом прямоугольного сечения, который вставляется в специальную нишу светорассеивателя. Мысли о замене светодиода рассеялись — такого светодиода нужных цветов найти не удалось…
Производитель заявляет возможность работы от напряжения 8-30V, но я бы не рекомендовал использовать их на авто 24V, т.к. стабилизатор HT7133 может быть перегружен по напряжению и мощности рассеивания.
Операционный усилитель используется в качестве компаратора напряжения, на котором организован простейший интегрирующий АЦП.
Часы были немного доработаны для повышения их живучести и удобства.
1. Запаял в штекер мелкий резистор 2 Ом в качестве предохранителя.
2. Закрепил нейтральным герметиком всё. что может отвалиться от вибрации.
3. Заменил проводки подключения к батарейкам на путёвые.
4. Сделал автоматическую регулировку яркости подсветки дисплея. Дело в том, что ночью яркая подсветка часов немного отвлекает, поэтому захотелось автоматически снижать её уровень.
Схема доработки узла подсветки.
Работает регулятор яркости следующим образом:
— Пока темно или сумеречно — фотодиод и транзистор заперты и яркость подсветки определяется резистором начального тока подсветки (около 1мА). Индикатор тускло подсвечивается, но хорошо читается.
— По мере увеличения освещённости, ток фотодиода увеличивается и транзистор постепенно отпирается, ток через светодиод подсветки увеличивается вплоть до 25мА. Коэффициент изменения тока около 25, но на глаз яркость изменяется раз в 5, чего вполне достаточно.
— На ярком солнце транзистор полностью открыт, ток максимальный 25мА. Ток через фотодиод при этом не превышает 1мА.
Фотодиод взял ИК с боковым приёмом от приёмника команд дистанционного управления старым отечественным телевизором.
Его тип уже не вспомню, но подойдут многие аналогичные видимого и инфракрасного диапазонов (они тоже неплохо видят солнечный свет)
Установил его так — просверлил тонким сверлом корпус под оба вывода, вставил, загнул ножки и приклеил эпоксидным клеем с обоих сторон.
При этом фотодиод торчит, но не выходит за габариты часов и выглядит как микроантенка. Направление чувствительной стороны заранее выбирается в зависимости от места установки часов.
Доработка со стороны печати. Убраны резисторы 20R и 47R, поставлен диод вместо резистора 47R (для выравнивания напряжений светиков) и резистор фоновой подсветки 100R
Доработка со стороны элементов. Добавлена перемычка и P-N-P транзистор SS8550 (можно ставить любой аналогичный).
После запаивания транзистор также закрепляется герметиком.
Основная сложность в процессе переделки — не порвать плёночный шлейф к индикатору, уж больно он слабенький…
После сборки часики выглядят так
Фото установленных на место часов пока нет, как поставлю — добавлю в обзор.
Будут вопросы — задавайте 🙂
p.s. Попробовал смешивать оба цвета, получается вот так:
p.p.s Звуковой сигнал всё-же отремонтировал 🙂
Вывод: часики посредственного качества, в авто без доработки долго не протянут.
Приветствую всех, кто заглянул, очень рад Вам и новой записи в моём блоге после долгого отсутствия из-за банальной нехватки времени.
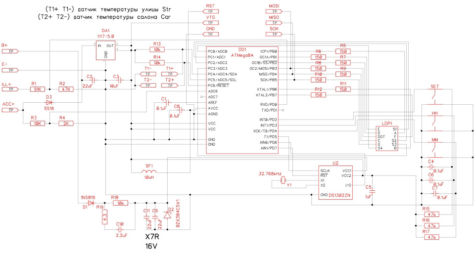
Выполняю давнее обещание о раскрытии секретов данной разработки, далее по тексту будет и схема и её особенности, уточнение некоторых ключевых компонентов и самая последняя стабильная прошивка для двух типов дисплеев с ОА и ОК, которая тестировалась более 2 месяцев и ни разу не подвела.
Вкратце о возможностях данных часов:
1. 24 часовой формат времени
2. регулировка яркости дисплея для двух режимов (с габаритами и без)
3. индикация напряжения бортовой сети
4. два датчика температуры салон+улица
5. суточная автокоррекция секунд (для повышения точности хода)
6. предупреждающая индикация низкого напряжения бортовой сети
7. цикличное отображение основных параметров.
Если у Вас есть 5 минут времени можно посмотреть весь функционал часов и их прошивки на видео:
Ключевые компоненты:
1. Датчики температуры NTC резисторы 10кОм при R25. Почему выбор пал на NTC, потому-что они сами себя не подогревают при низких температурах в отличие от DS18b20 и им подобных, быстро реагируют на изменение температуры воздуха, не страшны помехи при длине провода в 1.5 метра и не требуют качественного доп.питания.
2. Конденсаторы резервной цепи питания, часов реального времени. После всех экспериментов с электролитами от 100 до 2200 мкФ, ионисторами от 0.1 до 5 Фарад, самыми подходящими оказались — керамические X5R X7R класса напряжением пробоя от 16В и суммарной ёмкостью от 22 до 47 мкФ. Всё дело в DS1302, поставите более ёмкий кондёр и будут проблемы с первым запуском, поставите электролит будут проблемы с сохранением хода времени и стабильностью при запуске двигателя. 47мкФ хватает, чтобы часы шли в течение 12-15 минут после отключения питания от резервной цепи BAT.
3. Диоды цепей питания: нужны именно диоды Шоттки 1N5819 SS13 и им подобные, не поставите — получите паразитные утечки в обратном направлении из цепей питания таймера и микроконтроллера.
4.Дисплей. Практика показала, что лучше всего по восприятию динамической индикации — дисплей с общим катодом. т.е. тот у которого на сегменты подаётся плюс, а на выбор разряда (цифры) минус.
5.Фильтры питания. Во всех цепях использовать только керамику X5R X7R, номиналов указанных на схеме. Никаких электролитов. И не забываем про небольшой дроссель на 10мкГ в цепи питания АЦП Atmega8A.
Полный размер
Общая унифицированная схема.
Очень советую не отклоняться от схемы цепи резервного питания RTC (часов реального времени).
Суть стабильной работы и запусков кроется во времени и скорости зарядки и разрядки конденсаторов цепи резервного питания RTC. Будет заряжаться медленно, получите зависающий кварц, который невозможно будет расшевелить ни одним программным способом воздействия на регистры часов. В прошивке заложена целая процедура контроля работы генератора и механизм его запуска, вплоть до контроля целостности регистров «сердца» часов.
Прошивки для «мозга» часов можно скачать по ссылке.
Прошивка v1.9 для часов на Toyota CAMRY/ NOAH/ PREMIO/ CROWN
Фьюз-биты для прошивки микроконтроллера:
Всем удачных выходных.
P.S> чуть не забыл распиновку применимых дисплеев.
типы дисплеев
Обновление от 18.01.2018
Я закрывал эту запись в блоге на время поиска странного бага, который вызывал сброс и зацикливание часов с неизвестной периодичностью при непонятны условиях.
Как оказалось шанс возникновения ошибки 1 к 120 при подаче питания был связан с новшеством прошивки 1.7
Я пытался автоматизировать процесс сброса регистров DS1302 при первом включении, чтобы микроконтроллер сам приводил всё в чувства и запускал отсчёт секунд если к примеру в регистрах DS1302
F1 часов : 5A минут: и FF секунд в этой ситуации сами часы себя не восстанавливают, но и секунды не отсчитываются хотя генерация на кварце есть.
Вот функция antifreeze() которая была введена с версии 1.7 случайным образом вызвалась неоднократно и приводила к сбросу и зацикливанию в случае если при включении часов у нас был интервал между 18.000 и 18.499 секунды
Ошибка исправлена в версии 1.9, кто скачивал отсюда прошивку 1.7 / 1.8 просьба по возможности обновиться 🙂
Инструкция по прошивке и подключению в архиве с обновлённой прошивкой, там же и история изменений.
В завершение примеры часов слева рестайл с душой от меня, справа оригинал от JECO для Toyota.
Полный размер
примеры получившихся часов
История изменений версий ПО для часов.
v1.2
улучшения:
+ добавлен автовывод параметров на экран с настраиваемым интервалом 0/ 5/ 10/ 15 минут
прим.: при 0 автовывод выключен
v1.3
улучшения:
+ добавлено скрытое меню подстройки АЦП (удержать SET перед включением ACC)
v1.4
улучшения:
+ переписан вывод на экран (увеличен FPS в 4 раза) более комфортное восприятие
+ добавлены функции автовозврата в режим часов через 20 секунд из всех режимов кроме вольтметра
v1.5
улучшения:
+ активирована подзарядка резервного питания на 3.6 Вольт (была отключена программно)
прим.: влияет на сохранение хода времени при убитой АКБ и сильной просадке от стартера
+ уменьшено время отображения напряжения питания при включении с 8 секунд до 5
+ оптимизация программного кода.
исправления:
+ не отображалась информация при автоповторе каждые 5 минут, на 55-й минуте.
v1.6
улучшения:
+ добавлена суточная автокоррекция времени +/- 9 секунд (задаётся в системных настройках)
+ добавлен индикатор коррекции (точка горит если будет произведена коррекция суточная времени)
+ расширен диапазон подстройки АЦП, для точного отображения напряжения бортовой сети (задаётся в системных настройках)
v1.7
улучшения:
+ разработана функция AntiFreeze при обнаружении остановки секунд, переписываются все регистры часов и выдаётся предупреждение на отключение питания (перезапуск)
+ коррекция хода -15 . + 9 секунд в сутки
v1.8
улучшения:
+ убрано предупреждение о перезапуске, достаточно нажать кнопку +минуты или +часы
исправления:
+ нейтрализован риск циклической рекурсии если регистр секунд принял значение 10 после сброса.
v1.9
улучшения:
+ косметические исправления отображения температур -09 теперь -9, а 07 теперь 7 градусов.
исправления:
+ убраны повторные проверки времени на интервалах rt, вызывавшие сброс часов и рекурсию если питание было подано на 18-й секунде при включении часов.
Для тех, кто хоть немного разбирается в микроконтроллерах, а также хочет создать несложное и полезное устройство для дома, нет ничего лучше сборки цифровых часов с LED индикаторами. Такая вещь может украсить вашу комнату, а может пойти на уникальный подарок, сделанный своими руками, от чего приобретёт дополнительную ценность. Схема работает как часы и как термометр – режимы переключаются кнопкой или автоматически.
Схема электрическая самодельных часов с термометром
Микроконтроллер PIC18F25K22 берёт на себя всю обработку данных и отсчёт времени, а на долю ULN2803A остаётся согласование его выходов со светодиодным индикатором. Небольшая микросхема DS1302 работает как таймер точных секундных сигналов, частота её стабилизирована стандартным кварцевым резонатором 32768 Гц. Это несколько усложняет конструкцию, зато вам не придётся постоянно подстраивать и корректировать время, которое будет неизбежно запаздывать или спешить, если обойтись случайным ненастроенным кварцевым резонатором на несколько МГц. Подобные часы скорее простая игрушка, чем качественный точный хронометр.
При необходимости, датчики температуры могут быть расположены далеко от основного блока – они соединяются с ним трёхпроводным кабелем. В нашем случае один температурный датчик установлен в блок, а другой расположен снаружи, на кабеле длинной около 50 см. Когда пробовали кабель 5 м, то тоже прекрасно функционировало.
Дисплей часов изготовлен из четырех больших светодиодных цифровых индикаторов. Первоначально они были с общим катодом, но изменены на общий анод в финальной версии. Вы можете ставить любые другие, потом просто подберёте токоограничительные резисторы R1-R7 исходя из требуемой яркости. Можно было разместить его на общей, с электронной частью часов, плате, но так гораздо универсальнее – вдруг вы захотите поставить очень большой LED индикатор, чтоб их было видно на дальнем расстоянии. Пример такой конструкции уличных часов есть тут.
Сама электроника запускается от 5 В, но для яркого свечения светодиодов необходимо использовать 12 В. Из сети, питание поступает через понижающий трансформатор адаптер на стабилизатор 7805, который образует напряжение строго 5 В. Обратите внимание на небольшую зелёную цилиндрическую батарейку – она служит источником резервного питания, на случай пропадания сети 220 В. Её не обязательно брать на 5 В – достаточно литий-ионного или Ni-MH аккумулятора на 3,6 вольта.
Для корпуса можно задействовать различные материалы – дерево, пластик, металл, либо встроить всю конструкция самодельных часов в готовый промышленный, например от мультиметра, тюнера, радиоприёмника и так далее. Мы сделали из оргстекла, потому что оно легко обрабатывается, позволяет увидеть внутренности, чтоб все видели – эти часы собраны своими руками. И, главное, оно было в наличии 🙂
Здесь вы сможете найти все необходимые детали предлагаемой конструкции самодельных цифровых часов, в том числе схему, топологию печатной платы, прошивки PIC и исходный код.
Попросили меня отремонтировать часы из «Ланоса» — сгорела, мол, подсветка. Открываю корпус — внутри четыре светодиода 1206 последовательно. Открываю Интернеты — проблема массовая. А раз так, то можно найти на барахолке часы с нерабочей подсветкой, восстановить её, и пользоваться дальше, пусть уже и без «Ланоса». Получится прекрасная альтернатива большинству парадоксальных часов с «Алиэкспресса», которые дорого стоят, но дёшево выглядят.
Часы в разобранном виде я не фотографировал — ни свои, ни ремонтируемые — но это можно и нагуглить.
Спасибо dj-dance с форума lanos.com.ua за фото.
Часы бывают двух- и трёхкнопочными. Различия:
- двухкнопочные собраны на инверсном ЖК-дисплее (черный фон, белые цифры), подсвечиваются светодиодами, показывают время при выключенном зажигании, формат времени — 24 часа;
- трёхкнопочные порадуют некоторых месье своим теплым ламповым вакуумно-люминесцентным индикатором и режимом секундомера, однако огорчат других месье 12-часовым форматом.
Дальше речь пойдёт сугубо о двухкнопочных.

В часах, что пришли на ремонт, сгорели два светодиода, в моих — только один. Для себя сделал подсветку оранжевой. Попутно подкорректировал резисторы, чтобы дисплей не слепил ни днём, ни ночью.
VCC — 12 вольт от аккумулятора, в «Ланосе» подаются всегда, чтобы не сбивалось время;
L (Light, Ignition, ACC) — 12 вольт с замка зажигания, включают подсветку;
D (Dim, Dimmer, ILL) — 12 вольт с габаритных огней, включают «ночной» режим подсветки (с меньшей яркостью);
T перевернутое — «земля».
R6 увеличил до 510 Ом, R7 — до 4,7 кОм. Подбирал, ориентируясь исключительно на эстетическую составляющую.
Даташит на PCF1175CT уверяет, что микросхеме для счастья нужен только резистор R8 (6,8…10 кОм), с которым она сама себе организует 4,5 вольта питания. Поэтому заводской 7,5 кОм и не трогал.
Подключение дисплея к микросхеме не рисовал — незачем.
В общем, долго ли, коротко, но месяц работали у меня часы от трёх батарей 18650 с периодической подзарядкой. Неудобно, а что поделать! ТЗ было только в процессе. А хотелось вот чего:
- Питание от сетевого адаптера, например, от 12 вольт.
1.1 (приоритетное) Питание от USB как от наиболее универсального источника. - Обязательное резервное питание — источник универсальный, но крайне нестабильный в зимний период из-за выбивающих сетевых автоматов.
- Сделать первую плату на SMD-деталях.
С первым пунктом всё вообще гладко — часам 12 вольт нужны только для подсветки, микросхема ведь питается более низким напряжением.
Попутные наблюдения — от 5 вольт, поданных на микросхему, дисплей начинает пересвечиваться, то есть выключенные в данный момент сегменты чуть-чуть, но включаются, что уменьшает контрастность и читаемость картинки. При 2,5 вольтах на дисплее совсем не видно цифр, но часы по-прежнему идут. Оптимальное напряжение питания — 4…4,2 вольта, что вполне можно сделать из USB.
Из этого же USB при помощи небольшого китайского DC-DC преобразователя производятся 12 вольт для подсветки. Найти его можно на «Алиэкспрессе» по запросу «DC-DC 8W».
Второй пункт заставил призадуматься, ведь вариантов было немало, в том числе и из тех времён, когда часы были полностью двенадцативольтовыми.
Нашлась даже CR2032, ориентированная под пайку, и я бы простил меньшую яркость цифр, чем при 4,2 вольта, но смущало, что она когда-то сядет, и её придется выпаивать. А мой идеал — полностью необслуживаемое устройство, на котором написано No User Serviceable Parts Inside, и не для того, чтобы отогнать мастера Рукосуева, а потому что там реально всё вечное.
Для просвещения прикупил ионистор на 5,5 В и 1 Ф. Вырезая ненужные подробности, скажу, что часы проработали на нём 3,5 часа, и наверняка продержались бы ещё немного, если бы клубок проводов и «крокодилов», называемый «экспериментальной установкой», не развалился. Интенсивность свечения цифр на дисплее, конечно, сильно зависит от напряжения на ионисторе — при трёх вольтах уже надо искать угол, с которого можно считать показания.
С третьим пунктом вообще всё просто — рисуй @ трави.
Итоговая схема.


Как мог, показал, что резистор 7,5 кОм остаётся на месте, просто напряжение на микросхему теперь подаётся за него.
Тем более, что для этого на плате предусмотрена площадка VC. Синие +12 вольт — вход питания микросхемы через резистор R8 — более не используются.
F1 и VD1 можно выбросить — мой TVS-диод должен срабатывать при 6 вольтах, защищая микросхему от превышения напряжения (например, при неисправности USB-блока питания), что совпадает с максимально допустимым входным напряжением DC-DC преобразователя и превышает максимально допустимое напряжение на ионисторе. Защита, которая работает по принципу «сгорела хата — гори, забор», вряд ли вообще нужна.
Отвык я от написания статей, и забыл принцип «что сделал — всё фотографируй». Вот попытался снять приклеенную плату, чтобы показать её — и оторвал с пятаками один «тантал». Получается, в принципиальной схеме выходной конденсатор по двенадцативольтовой шине можно переправлять на 22 мкФ. Впрочем, выход с платы преобразователя фильтруется керамической связкой 2×22 мкФ, что более актуально на частоте 1,2 МГц, чем «танталы».

Заглушку на место шестиконтактного разъема сделал из кусочка пластика от верного, часто светившегося здесь, но более не функционирующего мультиметра. Рядом очень удачно встал переключатель от китайского чего-то. Именно он эмулирует включение габаритных огней несуществующего «Ланоса», вводя VT1 в заблуждение.
Оригинальный разъем и его подключение — если кому-то понадобится проверить часы при покупке.
Конструкция вышла в меру монолитная и в меру разборная, однако ошибок не учитывает и не прощает — плата коммутации питания снова держится на термоклее за оставшийся «тантал».

Дневной и ночной режим по мнению фотоаппарата, который, как обычно, завышает яркость.
Пропало внешнее питание — ионистор тут как тут.

Оказывается, можно говорить даже о трёх часах непрерывной работы.
Ток потребления при зарядке не превышает 70 мА, и к тому же довольно быстро снижается по мере наполнения ионистора.

После полной его зарядки (около получаса) часы потребляют 41,5 мА (дневной режим) и 18 мА (ночной режим). Со светодиодом в DC-DC преобразователе набегало ещё несколько миллиампер, но я его выкорчевал за ненадобностью.

Ножницы по металлу, напильник и надфиль помогли избавиться от не нужных более крепёжных ушек.

А спонсор самоклеющихся резиновых ножек — Андрюха, друг с первого курса. Андрюха, друг с первого курса — ты искал запчасти два месяца только потому, что сразу не обратился ко мне!
Парадокс — часы есть, а времени нет. Всем всего, до следующего проекта!
Дополнение от 18.04.18
Вторые часы получились с жёлтой подсветкой.
В этот раз нашлось время, чтобы сфотографировать плату…

…и даже набросать немного поясняющих надписей.
От бесполезных предохранителя и TVS-диода я отказался, отчего в схеме немного съехала нумерация компонентов. Впрочем, их там так мало, что запутаться невозможно.
Печатная плата в формате .lay6

Здесь у меня C4 состоит из двух танталовых конденсаторов 22 мкФ, а на более свежей «печатке» удалось разместить три. Вопрос некритичный.
Перечень элементов:
Диоды:
VD1, VD2 — BAV70, SOT-23 (2 штуки).
Резисторы:
R1 — 2k2, SMD 0805 (1 штука);
R2 — 10R, SMD 0805 (1 штука).
Конденсаторы керамические:
C1, C3 — 100nF 50V, SMD 0805 (2 штуки).
Конденсаторы танталовые:
C4.1…4.3 — 22uF 16V, size C [TAJC226K016RNJ] (3 штуки).
Ионистор:
С2 — 1,0F 5.5V [SE-5R5105ZC] (1 штука).
Разъёмы:
XS1, XS3 — вилка NXW-02 (2 штуки);
XS2 — вилка NXW-03 (1 штука);
XS4 — вилка NXW-04 (1 штука).
Ответные части разъёмов:
XP1, XP3 — гнездо NXG-02 (2 штуки);
XP2 — гнездо NXG-03 (1 штука);
XP4 — гнездо NXG-04 (1 штука).



















































































