| Главная / GSM сигнализации с камерами GSM камеры предназначены для дистанционнго наблюдения за объектами через GSM каналы связи. GSM видеонаблюдение камерами создают новый уровень охраны и контроля — GSM сигнализация объединена с MMS, GPRS или 3G камерой. Теперь владелец сигнализации может получить больше информации в случае срабатывания системы. Также у владельца на руках остаются неопровержимые доказательства происшествия в виде снимков или записей с камеры системы. Если у Вас нет возможности или желания устанавливать и настраивать оборудование, то наш специалист по установке сигнализаций подберет Вам оборудование, установит и настроит его в соответствии с Вашими пожеланиями. Услуги по установке сигнализации. | |
| ||||||||||||||
| ||||||||||||||
| | ||||||||||||||
| ||||||||||||||
В случае если необходимо организовать круглосуточное видеонаблюдение в непрерывном режиме, то советуем рассмотреть возможность установки беспроводного видеонаблюдения, применение которого позволит обеспечить самый высокий уровень охраны дома или дачи.
Автор Исхаков Максим На чтение 6 мин Просмотров 19.3к. Опубликовано 19.11.2019 Обновлено 19.11.2019

Охрана недвижимых объектов, которые находятся далеко от владельца, это достаточно трудная задача. Многие опытные злоумышленники научились обходить системы охраны механического или электронного типов. Если пользовать комплексными средства безопасности, предоставляемыми специализированными организациями, выходит очень дорого. Отличным выходом из положения станет gsm сигнализация для дачи с видеокамерой. Это инновационная защитная система, настроенная на моментальную передачу владельцу сигнала о незаконном проникновении на дачный участок, а также видеофиксацию правонарушения. Благодаря таким возможностям хозяин сможет своевременно сообщить спецслужбам о попытке взлома и причинении вреда на объекте контроля ,а видео поможет его правильно идентифицировать.
Что входит в состав gsm сигнализации для дачи с видеокамерой?
Охранный комплекс это оборудование, включающая в состав элементы, которые в совокупности позволяют вести наблюдение в непрерывном режиме. Также можно запускать приборы по команде, посылаемой контрольным датчиком, и предупреждать владельца недвижимого объекта об опасности.

Стандартные типы сигнализаций включают следующие элементы оборудования:
- Основной блок, модуль управления. Эти устройства позволяют настраивать конфигурацию прибора на нормальное функционирование или осуществление различных защитных функций. На центральный блок поступают сигналы от связанных с ним датчиков, и он, в свою очередь, контролирует их работу.
- В электронные модули gsm сигнализации с камерой встроены адаптеры, посредством которых передаются тревожные сигналы хозяину дачного участка. Сигнал транслируется через сотовый телефон мобильного оператора, сим-карта которого установлена в конкретном адаптере.
- Комплект датчиков. Это специальное оборудование, в которое встроены сенсоры, реагирующие на движение, вибрации, звук, изменение температуры и т.д. Датчики подают на пульт охраны сигнал при появлении потенциальной опасности в районе их действия.
- Устройства исполнительного типа. В их перечень входят внешние приборы, осуществляющие психологическое воздействие на злоумышленников, препятствуя реализации их преступного плана. В этот перечень входят сирены ,световые элементы, устройства блокировки перемещения по территории объекта и т.д.
- Видеокамера с возможностью архивирования. В комплект сигнализации могут входить цифровым, аналоговые видеокамеры, позволяющие производить съемку в цветном или черно-белом формате с ведением записи в HD. Большинство камер дополнительно оснащены микрофонами, позволяющими записывать изображение вместе со звуком на охраняемом участке. Камеры выпускаются в разных вариациях: статичные устройства, приборы, управляемых человеком посредством интернета, или оборудование, автоматически управляемые через сигналы датчиков. Подвижные варианты более удобны — у них шире угол обзора, что позволяет следить за преступника на большем участке. Архивировать записи можно с помощью следующих устройств: встроенных жестких дисков, флеш-карт, стандартных носителей. Используя такое оборудование, можно посмотреть все ранее сделанные записи в любой момент, идентифицировать преступников и получить хорошую доказательную базу при возбуждении уголовного дела.
Преимущества сигнализации для дачи с камерой
Мультифункциональное оборудование имеет большое количество преимуществ, позволяющим обеспечить на охраняемом объекте повышенную степень защиты в сравнении со стандартными комплексами.
В перечень положительных качеств сигнализации на дачу gsm с камерой входят следующие особенности:
- охранные комплексы подобного типа позволяют передать тревожный сигнал на мобильный телефон (планшет) собственника в момент проникновения. В дополнение к обычному смс-оповещению хозяин сможет передать по запросу изображение или видео с охраняемого участка недвижимого объекта, где сработал соответствующий датчик с автономной или встроенной камерой;
- охранный комплекс с видеофиксацией позволяет проверить подлинность опасности (действительно ли на участке находится злоумышленник, или по земле пробежал какой-то зверь);
- корректная установка и размещение нескольких камер позволит обеспечить просмотр всего периметра дачного участка и внутренних помещений дома. Устройства допускают возможность дистанционного управления посредством использования соответствующего софта вместе с Интернетом.
Недостатки охранного оборудования
В перечень положительных качеств сигнализации на дачу gsm с камерой входят следующие особенности:
- Завышенная цена по сравнению с обычными сигнализациями с GSM.
- Необходимость постоянного подключения к электросети для обеспечения непрерывного выполнения охранной функции. При этом преступники смогут в любой момент отключить сеть.
- Обеспечить длительное автономное функционирование камер без привлечения внешних источников тока можно только с помощью соответствующих мощных аккумуляторов (при большей емкости батареи обеспечивается более длительный период работы камеры).
- Чтобы сохранить видеозаписи, нужно обзавестись накопителем с большой емкостью. При этом накопители должны встраиваться в саму камеру или располагаться на удаленном расстоянии при работе прибора по сети.
- Для использования сетевых возможностей охранных камер необходимо подключать сеть «Интернет», из-за чего появятся дополнительные расходы.
Недостатки, изложенные выше, не превышают степень вреда, который могут нанести злоумышленники при проникновении на неохраняемый участок.
Обзор известных моделей сигнализаций
Наиболее известными моделями являются три варианта:
- Sapsan MMS. Это оборудование выпускается на рынке в нескольких различных модификациях. Наибольший интерес представляет серия GSM MMS, имеющая вместе с основными два дополнительных датчиков (датчики температуры, вибрации, движения). Такая охранная система дополняется камерой, устанавливающейся снаружи и защищенной от вандалов. Главная особенность камеры — встроенная подсветка для работы в ночном режиме. Также в камеру встроен микрофон, который обеспечивает высококачественную прослушку в районе шести метров;
- Revizor X-9. Эти виды устройств относятся к бюджетным вариантам охранной сигнализации с видеокамерой. Они выпускаются в формате камеры со встроенным сенсором движения, дополнительной функцией GSM MMS и выносным источником электроэнергии. Поддержка набора дополнительных функций (до пятнадцати штук) и микрофонов в количестве десяти штук позволяет модернизировать оборудование в многофункциональную систему охраны. Отличительная черта приборов — возможность работы в автономном режиме без получения питания из внешних источников в течение двенадцати часов без перерыва;
- V900 TUTA B20. Такие сигнализации позволяет просматривать видео со звуком с дачного участка и дополнительно вести двусторонний диалог с людьми, которые находятся в периметре действия звукового оборудования. С помощью высокочувствительной камеры можно делать четкие фотографии даже в ночное время суток. У прибора есть один недостаток — он работает с перебоями при температуре ниже десяти градусов.
Современные устройства охраны со встроенной камерой дают возможность обеспечить высокую степень защиты на удаленных недвижимых объектах (загородном доме, даче). С помощью таких приборов можно в любое время просматривать и прослушивать, что происходит на участке, а также получать сигналы при проникновении на территорию злоумышленников.
На видео: 3G MMS сигнализация Часовой 8х8 RF BOX Презентация
Несмотря на то, что повсеместно используются дачные дома из блок контейнеров, есть за городом и полноценные благоустроенные дома и коттеджи. Именно поэтому, многие соотечественники, рано или поздно, задаются вопросом обеспечения охраны этих строительных объектов с целью предупреждения несанкционированного проникновения извне.
Если еще не так давно, некоторые обеспеченные граждане устанавливали в загородных домах специальные устройства для последующего реагирования ведомственной охраны, то сегодня все намного проще. В результате, воспользоваться эффективной, предсказуемой беспроводной сигнализацией может каждый дачник.
Лучшая сигнализация не только функциональна и надёжна, но и неплохо выглядит
В этой статье мы расскажем о том, что собой представляет автономная сигнализация для дачи GSM и каковы особенности ее функционирования.
GSM сигнализация: особенности функционирования
На фото- недорогая система в базовой комплектации
GSM сигнализация на дачу – это современная и высокотехнологичная охранная система беспроводного типа. Применение этой системы позволяет обеспечить удалённый контроль состояния загородного строительного объекта. Система оповещает хозяина о возникновении тех или иных нештатных ситуаций, включая несанкционированное проникновение извне и аварийные ситуации.
Быстрая и эффективная передача данных осуществляется посредством станции автодозвона, которой комплектуется охранная сигнализация. Станция автодозвона проводит голосовые и текстовые оповещения на станцию централизованного наблюдения. Более того, система способна передавать голосовые и текстовые сообщения на мобильный телефон пользователя.
Принцип функционирования удаленной сигнализации
В случае срабатывания тревоги на одном или нескольких участках объекта, GSM дозвонщик отправляет по предварительно установленным номерам телефона текстовое SMS сообщение или голосовое сообщение. В некоторых случаях осуществляется отправка письма на адрес электронной почты (если эта функция поддерживается мобильным оператором).
Система охраны дачи функционирует вместе с определенным количеством датчиков, например с датчиком температуры, которые срабатывают на те или иные изменения внутри или снаружи помещения.
Более доступная демонстрация принципа действия
В зависимости от комплектации, система может реагировать на сигналы радиодатчиков, определяющих степень содержания газа и дыма в помещении, реагирующих на открывание дверей дачи, движение, затопление и т.д.
Отдельные модификации станций дозвона не только реагируют на движение объекта, но и способны определить его координаты в пространстве. Такие устройства используются не только на дачах, но и автотранспортных средствах.
Последние разработки в сфере охранных технологий позволяют уже сегодня приобрести и установить беспроводную охранную систему, взаимодействующую не только с традиционными датчиками, но и с видеокамерой.
Основным преимуществом автоматизированных станций, в сравнении с обычными охранными агентствами, является минимальная вероятность отказа за счет отсутствия пресловутого человеческого фактора.
Критерии, определяющие выбор системы
На фото наиболее распространённые типы датчиков
Давайте выясним, в соответствии, с какими параметрами подбирается GSM MMS сигнализация для дачи.
На выбор охранной беспроводной системы влияют следующие факторы:
- Количество времени проводимого на объекте (сезонность проживания);
- Удалённость загородного дома от основного места проживания;
- Стабильность подачи электроэнергии на объекте;
- Габариты охраняемых помещений;
- Наличие подключения к тем или иным инженерным коммуникациям, включая подачу электроэнергии природного газа, проточной воды и т.д.
Важно: В случае сезонного отсутствия подачи электроэнергии, может потребоваться приобретение или аренда дизель генератора для дачи.
Впрочем, есть более простое решение, а именно, применение сигнализации с полностью автономным питанием от встроенного аккумулятора.
Приобретение компонентов и проектирование системы
Компоненты в составе сигнализации, собранной своими руками
В настоящее время в специализированных магазинах можно приобрести готовые системы, спроектированные под особенности типовых строительных объектов. Так или иначе, более правильным подходом будет предварительное проектирование системы в соответствии с особенностями дачного дома и последующее приобретение необходимых компонентов в соответствии с заранее сделанным планом.
Такой подход гарантирует то, что функционирование установленной системы будет более эффективным и цена всего проекта будет на порядок доступнее.
В магазине вы сможете выбрать как беспроводные, так и проводные системы. Если дача всю зиму содержится без присмотра, от беспроводной системы лучше отказаться в пользу проводного аналога.
Дело в том, что для функционирования беспроводных датчиков необходима батарейка типа ААА. Поэтому велика вероятность того, что уже через месяц после эксплуатации в неотапливаемом помещении батарейки придется менять. Разумеется, с проводами таких проблем нет, хотя при монтаже слаботочной проводки придётся приложить немалые усилия и проявить усердие.
Материалы и инструменты
Минимальный набор устройств для монтажа системы сигнализации
Из материалов, помимо станции и датчиков, потребуется следующее:
- Аккумулятор, рассчитанный на автономную работу в течение 12 часов. В случае если подача электроэнергии будет прервана, питание в автоматическом режиме возобновится с аккумулятора.
- Короб с креплением на стену под аккумулятор и пакетники. Разумеется, все эти приспособления можно навесить просто так, но короб обеспечивает безопасность, да и внешне вся конструкция смотрится более собранно и эстетично.
- Специальный четырехжильный провод, предназначенный для монтажа слаботочных проводок. В среднем, из расчета на стандартный загородный двухэтажный дом потребуется до 90 метров. Чтобы кабеля точно хватило, купите целую бухту на 100 метров.
- Цветная изолента — это необходимый расходный материал, если к одному щиту необходимо подвести несколько пучков проводки из разных помещений. Заматывая каждый пучок определённым цветом, вы сможете в нужный момент определить, что, откуда и куда идет.
- Кабель-каналы для эстетичного монтажа провода. Впрочем, в целях экономии средств можно применить пластиковые скобы, предназначенные для открытой прокладки провода.
Инструмент для снятия изоляции
Из инструментов потребуется:
- Перфоратор с набором сверл (если нужно проходить стены).
- Шуруповерт с набором сверл и бабок.
- Небольшой молоток, весом до 300 грамм.
- Специальные щипцы для удаления оплетки. Разумеется, провода можно чистить ножом или кусачками, но если нет должного опыта, сердцевина будет рваться вместе с изоляцией. Кроме того, придётся чистить немало изоляции, а потому специальные щипцы станут нужным подспорьем.
- Паяльник и сопутствующие принадлежности. Это обязательный инструмент, поскольку провода к выводам датчиков для надёжности нужно не прикручивать, а именно припаивать.
- Фигурная отвёртка с узким жалом для монтажа проводки на задней колодке основного блока.
- Плоскогубцы и кусачки.
- Мультиметр (по окончании работ нужно прозвонить линию на наличие возможных обрывов).
- SIM-карта.
Важно: Выбирая SIM-карту, предпочтение отдаём тем операторам, чье покрытие в регионе наиболее стабильное.
Определившись с оператором, выбираем пакет с самым дешевыми SMS-сообщениями.
После того как план монтажа составлен и все материалы и инструменты заготовлены, пора приступать к установке.
Монтаж системы
На фото — датчик, срабатывающий на открывание двери
Инструкция проведения монтажных работ несложна, но нужно действовать последовательно. Для этого, по окончании каждого этапа в перечне проводимых работ напротив соответствующего пункта ставим галочку. Таким образом, можно будет подстраховаться от того, что какой-то контакт останется неподключенным.
Работаем в следующем порядке:
- Крепим все датчики в соответствии с заранее составленным планом.
- Устанавливаем основной блок. Монтаж головного блока целесообразно проводить в том месте, где он будем менее всего заметен.
- Ведем кабеля от каждого датчика к головному блоку. Как уже было сказано провода с одного и другого конца обматываем изолентой одного цвета. Если цветной изоленты нет, используем бумажный скотч, на котором делаем соответствующие пометки.
- Подключаем кабеля со стороны датчиков и со стороны головного блока.
- Подключаем блок питания к сети и к головному блоку.
Итак, теперь мы знаем, как подключается проводная система удавленной сигнализация. К сведению начинающих монтажников, беспроводная система устанавливается на порядок проще, так как не приходится думать, как целесообразнее провести кабель.
Увеличение функциональности сигнализации
Функциональность высокотехнологичной сигнализации
Установка GSM сигнализации на даче гарантирует множество очевидных преимуществ. Тем не менее, функциональность базовой комплектации устройства ограничивается способностью предупреждать.
Система предупредит о пожаре, прорыве водопровода, об утечке газа, о посторонних в доме и т.д. Но, путём нехитрых модификаций функциональность оборудования можно расширить в разы.
К примеру, по окончанию монтажа системы, во дворе функционирует датчик движения. Благодаря этому датчику вы узнаете, если кто-то посягнул на ваш приусадебный участок. Но ведь можно по углам дома установить по одному светодиодному прожектору.
Теперь если посторонние появятся незамеченными, во дворе зажжётся яркий свет. В большинстве случаев злоумышленники с включением прожекторов уходят.
Подключение прожектора к датчику движения выполняется посредством реле 12-220 В. Еще одно реле следует приобрести и установить для запуска электрообогревателей посредством SMS-команды. Это очень удобная функция, поскольку выезжая на дачу в холодное время года, вы не будете тратить время на отопление помещения дачного дома.
Важно: Выполняя подключение реле, необходимо не забыть о покупке специальных плоских коннекторов.
Без этих коннекторов подключить контакты не получится.
Вывод
Итак, мы рассмотрели то, как своими руками можно установить удаленную сигнализацию в загородном доме. Как вы смогли убедиться, инструкция проведения монтажных работ несложная и, руководствуясь инструкцией производителя, вы наверняка справитесь с поставленной задачей.
Напоследок отметим, что удаленная сигнализация сама по себе не является панацеей, тем более, если вы проживаете в нескольких часах езды от дачи. Если что и случится, вы об этом узнаете, но не сможете экстренно решить проблему.
На помощь местных органов рассчитывать не приходится, так как по телефону придётся долго объяснять, откуда вы знаете об ограблении и можете ли вы в этом быть уверены.
Выход из этой непростой ситуации есть — параллельно с установкой сигнализации составьте договор с местным ЧОПом, если такая организация есть в округе. Так же можно обговорить ситуацию с соседями. Остались какие-либо вопросы? В таком случае посмотрите видео в этой статье.
Понравилась статья? Подписывайтесь на наш канал Яндекс.Дзен
Loading…
Как защитить свое жилье? Ответ прост: «Устанавливаем GSM-сигнализации на даче своими руками«. Для того, чтобы знать о том, что происходит с дачным домом в моменты отсутствия, я решил установить там охранную систему.
Содержание:
Хочу поделиться со всеми этим опытом и деталями ее выбора и установки. Думаю, что многим это окажется полезным.
Выбор GSM-сигнализации
Вначале я проанализировал доступные варианты и понял, что мне подойдет GSM-сигнализация. Попытки выбрать что-то готовое и комплектное в магазинах типа OBI я оставил довольно быстро, т.к. то, что там продается достаточно дорого, изрядно китайско и не подходит для моей задачи по набору компонентов.
Головное устройство GSM-сигнализации
В интернетах я прочитал про GSM-сигнализации и стал искать сайты продавцов. В результате нашлась одна контора, которая предлагала несколько головных блоков на выбор и к ним – всякие датчики и прочую комплектуху. Цена головного устройства в 4000 рублей устроила меня полностью и я стал прикидывать то, что требуется для покупки.
Проектирование GSM-сигнализации
В мой дом можно проникнуть через две двери (первая – на террасе, вторая – собственно вход в дом) и через окна на первом этаже. На второй этаж ведет лестница, расположенная в большой комнате дома.
Исходя из этого я решил, что будет достаточным установить три рубежа охраны:
— Первый датчик движения стоит возле входной двери в дом и мониторит передвижения перед ним. Невозможно приблизиться к дому ближе, чем на 10-15 метров так, чтобы датчик не сработал.
— На обеих дверях стоят датчики открывания. Любое открытие двери вызовет их срабатывание.
— В проходной комнате с лестницей стоит датчик движения. Соответственно, перемещение по дому без срабатывания сигнализации невозможно.
Я не стал ставить датчики на окна и не взял другие типы датчиков – пожарные, температурные и газоанализаторы, потому что не счел это необходимым. В то же время, я забыл купить выносной микрофон для прослушивания помещений, и жалею об этом.
Датчик движения на улице перед входом. Вон он, белый, слева над дверью.
Датчик открытия двери
Датчик движения в проходной комнате. Обведен зеленым кружком.
Приобретение GSM-сигнализации на дачу
Как я уже написал выше, покупка в магазине сразу отпала, т.к. приобрести там что-то подходящее по комплектации и цене, довольно сложно. Поэтому, вместе с менеджером интернет-магазина, мы сформировали заказ. В монтаже, безусловно, проще пользоваться беспроводными датчиками, т.к.
они не требуют прокладки проводов. Но меня остановило то, что в каждом датчике установлена батарейка (пальчиковая или «Крона») и я не уверен, что они смогут пережить холодную зиму без замены. Конечно, это усложняет монтаж системы, но дает надежду на то, что она не отключится из-за погоды.
При покупке важно не забыть о ряде дополнительных вещей, без которых вам будет трудно смонтировать систему:
— Дополнительный аккумулятор. Позволяет сигнализации работать при отключении электричества. Заявлено, что он сможет питать ее часов 12, но я не проверял, т.к. таких длительных отключений пока что не было. Стоит около 500 рублей. Купил там же, где и сигнализацию.
— Короб для аккумулятора и пакетников. Я взял небольшой, но пришлось вырезать в нем отверствия пилкой, потому что внутрь все влезало довольно плохо. Перед покупкой прикиньте, что будет внутри.
Вверху блок питания, внизу стоит аккумулятор
— Провод для монтажа. Это тонкий четырехжильный провод специально для слаботочных систем. Выгодно купить бухту на 100 метров, т.к. на мой дом у меня ушло метров 80. Купил там же.
— Щипцы для снятия оплетки. Т.к. придется зачистить довольно много проводов, то делать это руками довольно неудобно. Продаются в OBI.
Щипцы для снятия оплетки. Очень полезный инструмент
— Паяльник, олово, канифоль. Концы проводов и выводы датчиков, конечно же, надо спаивать, а не скручивать.
— Отвертка с узким жалом (большая часовая) для прикручивания проводов к задней колодке сигнализации, кусачки, плоскогубцы, шурупы и отвертка для обрезки проводов и крепления датчиков. Дрель, если надо будет проходить стены.
— Цветные изоленты. Т.к. у вас в конечном итоге будет довольно много проводов, сходящихся к головному блоку, то надо будет точно понимать, какой из них за что отвечает.
Для этого я маркировал конец провода у датчика и конец провода у головного блока сигнализации одним из цветов, приклеивал в инструкцию к сигнализации кусочек изоленты и подписывал, какой из проводов за что отвечает.
Иначе не представляю, как бы я все это вставлял в колодку. Набор изолент на 10 цветов продается в OBI рублей за 100.
Пучок проводов от датчиков на подходе к головному блоку
Без цветного скотча на проводках запутаться проще простого.
— Мультиметр. Не помешает прозвонить линию, если что-то не сработает. Продается в OBI. Стоит рублей 200.
— SIM-карта. У меня на даче есть уверенное покрытие только от Мегафона, поэтому альтернатив не имелось. Нужно выбрать тарифный план без абонентской платы и с самыми дешевыми SMS-ками.
Пробный монтаж GSM-сигнализации
После того, как курьер привез мне заказ (всего вышло около 7000 рублей), я решил сделать пробную сборку на кухне. Это позволило потренироваться, понять какие-то особенности и, главное, не мучиться с возникающими вопросами уже на месте, когда надо бегать между этажами.
Примерно за час я соединил все датчики короткими проводками по составленной мной схеме и опробовал, как это работает. Важно следить за тем, чтобы не было коротких замыканий, т.к. головной блок мне спалить не удалось, но вот оплетка с провода слезла менее, чем за секунду, когда я нечаянно закоротил аккумулятор. И сам провод раскалился докрасна при этом.
Так что надо соблюдать полярность и работать аккуратно, чтобы потом не возникло ничего подобного и это не привело к пожару.
Задняя колодка головного блока с проводами от датчиков
Довольно хлопотно было настроить головной блок, т.к. все команды для настройки передаются или при помощи SMS, или при помощи тонового набора на клавиатуре телефона.
Это очень большой недочет всей конструкции – невозможность настройки ее через USB и программу-конфигуратор.
Соответственно, никаких профайлов тоже не сохраняется и в случае длительного отключения от питания система сбрасывает все к начальным установкам.
Выезжаем на место
Собрав все в большую коробку, я поехал на дачу. Первым делом я прикрутил все датчики на нужные места. Затем вооружился щипцами и изолентой и стал соединять датчики с проводами. Головной блок я решил поставить в незаметном месте на втором этаже, соответственно, мне пришлось просверлить перекрытие для того, чтобы пропустить туда пучок проводов с первого этажа.
Монтаж занял у меня примерно два дня, т.к., кроме сигнализации, я купил еще четыре прожектора и повесил их с каждой стороны дома, а включатель прожекторов через реле 12-220 В соединил с датчиком движения на улице. Теперь, если кто-то подходит к дому, то весь участок освещается.
Прожекторы для освещения участка на всех стенах дома
Для большей секурности, я запитал сигнализацию в обход щитка, для чего провел к ней один провод питания напрямую. На случай перегрузки, я поставил там пробку-предохранитель, но вот выключить питание сигнализации, обесточив щиток, невозможно.
Второе реле я приспособил для включения электрических обогревателей в доме. При помощи SMS-команды я могу включить отопление заранее и приехать в уже худо-бедно прогретый дом. Реле стоит примерно 50 рублей. Я купил его в магазине «Чип&Дип». К реле надо не забыть купить еще плоские коннекторы, т.к. иначе подключить к нему провода невозможно.
Реле для включения обогрева пока что не внутри короба
К сожалению, мне не удалось подключить кнопку для постановки и снятия сигнализации с охраны. Скорее всего потому, что она оказалась дефектной. Возможно, я заменю ее потом, но пока что все работает и так.
Работа сигнализации
На счастье, сигнализация «по делу» не срабатывала еще ни разу. И я совсем не горю желанием проверить, что будет, если… Датчики запрограммированы следующим образом:
— При появлении кого-то в зоне видимости уличного датчика на три минуты загорается свет вокруг дома. SMS при этом не отсылается, т.к. иногда в поле зрения датчика попадают соседи, и он начинает присылать известия об этом в количестве 10 раз в час.
— При срабатывании какого-либо из датчиков, на два номера (мой и жены) приходят SMS с указанием, какой из датчиков сработал, а после этого раздается телефонный звонок.
— Ежевечернее, в 22 часа, сигнализация присылает мне отчет о том, что она всё еще дома и работает исправно.
Пример сообщений от GSM-сигнализации
— На случай проникновения в дом я договорился с председателем нашего садового товарищества, который постоянно живет рядом, но сейчас планирую заключить договор с ЧОПом, который охраняет местный коттеджный поселок (в 3-х километрах по прямой от нашей дачи), чтобы они приезжали на место. Это будет стоить 1500 рублей в месяц.
Вместо заключения
На самом деле имеется масса направлений для улучшения сигнализаций и формата их работы. Например, вот, что бы я улучшил:
— На сайте продавцов остро не хватает возможности самостоятельного подбора подходящих комплектующих (датчиков) и какой-то подсказки для тех, кто хочет разработать схему установки сигнализации дома. В результате, датчики помогает выбирать сотрудник магазина, а конфигурацию нужно придумывать самому.
— В головных блоках важно понимать, сколько контуров охраны они поддерживают и как можно настроить входы, чтобы иметь возможность выбрать их по таким критериям. Мне хватило 4-х контуров, но кому-то может потребоваться больше.
— Очень огорчает невозможность сохранения профайла настроенной сигнализации в ПК для последующего реконфигурирования и вообще не помешал-бы какой-то веб-интерфейс для работы с устройством.
— Головное устройство не умеет поддерживать видеокамеры и присылать картинки с них, а покупать отдельную камеру (такая есть, например, у Мегафона) довольно дорого.
В принципе, прогресс не стоит на месте, и новые модели головных блоков появляются постоянно. Возможно, сейчас уже есть варианты получше, чем купленный мной в прошлом году.
Источник: habrahabr.ru
Источник: http://abisgroup.ru/articles/gsm-signalizacija-na-dache-svoimi-rukami.htm
Охранная сигнализация для дома, гаража, дачи своими руками: как сделать GSM, лазерную систему в домашних условиях, схемы и решения + видео
Установка охранной сигнализации GSM на даче, в гараже или частном доме позволяет обеспечить безопасность и сохранность имущества. Управление осуществляется посредством телефона, а для монтажа своими руками нужно освоить все особенности системы.
Принцип действия GSM-сигнализации
GSM сигнализация представляет собой комплекс устройств, которые взаимосвязаны между собой сетью GSM и взаимодействуют посредством сигнала. Элементы комплекса устанавливают на объекте, а управление и получение сигналов осуществляется с помощью стационарного или мобильного телефона, находящегося у владельца.
Так можно получать тревожные оповещения о проникновении на охраняемый объект посторонних людей. По этому же принципу осуществляется и управление системой, но для этого нужно с телефона отправить необходимый сигнал.
В результате этого на объекте можно активировать работу систем пожаротушения, управлять электронными замками и другими элементами.

Сфера применения охранной системы
Охранные системы, работающие по сети GSM, разнообразные и широко применяются в частных домах, гаражах, дачах. Эффективно использование сигнализации для автомобилей, но такая система существенно отличается от комплекса для объектов недвижимости.
Небольшие удалённые склады, производственные помещения или другие сооружения легко оснастить подобными приборами.
Функциональная сигнализация позволяет своевременно отреагировать на возгорание или порчу имущества, предотвратить иные неприятные действия злоумышленников.
Приборы в зависимости от модели выполняют следующие функции:
- обеспечение пожарной безопасности дачи, гаража или иного объекта;
- контроль наличия электроэнергии в сети;
- контроль протечек и перекрытие водопроводных клапанов;
- контроль утечки газопровода и перекрытие системы;
- активация сирены, а также отопления или полива на участке;
- прослушивание помещения;
- управление температурой в помещении.
В комплекс устройств можно включать различные датчики, например, для контроля целостности оконных стёкол или датчики задымления. Это позволяет варьировать функциональность охранной системы. Поэтому комплекс GSM оптимален не только для дачи, гаража или частного дома, но и используется для теплиц, строящихся частных объектов и других конструкций.
Компоненты устройства для дома и дачи
Простой вариант сигнализации не предполагает наличие сложных приборов, что позволяет создать систему охраны самостоятельно. При этом необходимо понимание принципа действия всего комплекса. В результате можно своими руками создать эффективную GSM сигнализацию для дачи или гаража. Так легко избежать затрат на приобретение дорогостоящего оборудования.
Для сигнализации понадобятся следующие компоненты:
- простой кнопочный мобильный телефон в рабочем состоянии;
- готовый датчик или геркон+магнит;
- выключатель;
- монтажный провод;
- паяльник и припой;
- сим-карта.

Сборка системы своими руками
Комплекс охранной системы предполагает наличие блока управления с выходами для датчиков и оповещателей. Возникновение чрезвычайных ситуаций приводит в действие команды, которые предварительно программируются.
Например, при нарушении целостности оконных стёкол в доме система способна отправить СМС-сообщение владельцу. Прослушивание всего происходящего в доме возможно также при звонке на блок, находящийся в охраняемом доме.
Предварительно нужно определить датчики какого типа нужны на объекте. Востребованы устройства, определяющие повреждения оконных стёкол, а также чувствительные к задымлению и повышению температуры воздуха. На входную двери также устанавливают специальные датчики движения. После определения типов устройств подбирается место их расположения.

Комплекс работ включает в себя следующие этапы:
- На кнопочном телефоне нужно определить «горячую» клавишу и настроить быстрый набор при возникновении ЧС. Далее отключается звонок и вибрация устройства. Телефон можно подключить к зарядному устройству или же оставить на аккумуляторе, но при условии длительного сохранения работоспособности. Схема такой систему очень проста;
Минимум деталей необходимы для сигнализации
- С телефона нужно снять верхнюю панель и припаять к выбранной кнопке быстрого набора провода герконового датчика. Далее магнит и датчик крепятся к двери. Благодаря этому схема работы проста: при открывании двери подаётся сигнал с геркона на кнопку, а телефон осуществляет вызов по заданному номеру;
Датчик имеет простую конструкцию
- Согласно схеме все детали закрепляются, а телефон должен работать исправно длительное время. При необходимости прибор следует подключить к зарядному устройству.
Видео: сигнализация с датчиком движения
Простая система с минимумом деталей удобна, но более эффективна сигнализация, реагирующая на движения. Систему легко создать своими руками, а видеорекомендации позволяют освоить процесс работы.
Система с реле времени
Схемы GSM сигнализация с реле времени различны, но простые варианты легко создать своими руками. При этом реле необходимо для звучания сирены, а в конструкции могут присутствовать как два, так и один такой элемент.
В первом случае одно реле активирует звуковое оповещение, а другой элемент отключает его по истечении установленного временного промежутка. Элемент имеет две группы контактов.
Если присутствует одно реле, отключение осуществляется вручную, то есть кнопкой отключения сигнализации.
Видеоинструкция по созданию реле времени
GSM сигнализация, оснащённая реле времени, является функциональной и удобной. Освоить правила и принцип действия реле позволяет видео, в котором представлены особенности монтажа.
Недостатки самодельной системы
Простая сборка, экономичность, лёгкое управление и возможность увеличения функциональности являются преимуществами самодельной сигнализации для дачи, гаража или частного дома. Система не лишена недостатков, которые выражены в следующем:
- лёгкая блокировка сигнализации посторонними лицами;
- сбои в работе возникают довольно часто;
- большой набор функций требует правильного монтажа каждого элемента;
- сложная система требует тщательного планирования.
Отзывы специалистов
Источник: https://tehznatok.com/kak-podklyuchit/ohrannaya-signalizatsiya-dlya-doma-svoimi-rukami.html
Охранная сигнализация для дачи своими руками
Оставленная без присмотра на зиму дача легкая добыча для желающих поживиться чужим «добром». При этом процент раскрываемости таких преступлений очень низок. Давайте рассмотрим основные варианты защиты своего имущества:
- установить надежные замки на двери;
- установить на окна решетки;
- завести сторожевую собаку;
- установить устройства имитации присутствия;
- установить сигнализацию.


Оптимальным же решением с позиции удобства и надежности является охранная сигнализация для дома, а установить её своими руками не составит большого труда. Наряду с замками и защитой окон, это будет комплексный и правильный подход.
Что выбрать?
Существует несколько вариантов решения вопроса с системой безопасности:
- обратиться в специализированную компанию – они подбирают и осуществят установку охранного оборудования;
- приобрести готовый комплект охранной сигнализации в магазине или на сайте в Интернете;
- смастерить самостоятельно по схемам.
Самым простым путем является обращение к специалистам. От клиента требуется оплатить работу. Все трудности по выбору модели устройства, монтажу берут на себя работники компании. Плюсы: нет необходимости тратить время на самостоятельную установку. Отрицательные моменты: оплата монтажа, некоторые учреждения предоставляют некачественные услуги.
Альтернативный вариант это самостоятельный монтаж, который имеет множество достоинств. Приниматься за работу стоит при наличии опыта работы с электричеством, но даже если его нет, существуют беспроводные модели сигнализации, которые не требуют прокладки проводов, а основной панель имеет обычный адаптер питания – включил в розетку, настроил, установил датчики – все, система готова к работе.
Для радиолюбителей в справочниках и на просторах Интернета «разбросано» множество схем для самостоятельного изготовления сигнализации. Все требуемые компоненты приобретаются в ближайшем магазине электроники. Охранная сигнализация для частного дома своими руками это оптимальное решение, когда вы умеете правильно и качественно паять.
Основные типы сигнализаций
Все схемы для самостоятельно сборки или уже готовые устройства делятся на типы:
- автономные, т.е. привлекающие внимание «ревуны»;
- GSM, могут оповещать владельца.
Первый тип наиболее простой в установке, недорогой при покупке в сборе. Главное достоинство – возможна автономная работа, без подключения к электропитанию (бытовая электропроводка – 220 В). Отпугивают посторонних лиц громким звуком, привлекают внимание.
Подробнее различные виды охранной сигнализации мы рассматривали в этой статье. В ней приведен обзор основных типов – индивидуальной, автономной и пультовой сигнализации.
А так же основные преимущества и недостатки таких систем.
GSM сигнализации или «дозвонщики» – хороший вариант для дома за городом или дачи. Они могут не только оповестить владельца о нарушении границ его владений, но выполнять иные задачи. Своеобразный аналог «умного дома». Некоторые модели позволяют выполнять операции:
- включать/выключать свет;
- получать информацию с приборов учета;
- перекрывать коммуникации (вода/газ).
При всех достоинствах GSM модули имеют один важный недостаток – необходимо постоянное подключение к 220 В. Отдельные модели снабжаются аккумуляторными батареями. Автономная работа в таком случае зависит от её емкости, как правило, варьируется от 2 до 6 часов. Важно учитывать этот момент при выборе.
На что обратить внимание?
Прежде, чем приступить к выбору определенной модели, важно учесть некоторые моменты. К таковым относятся:
- наличие в доме отопления (температурный режим);
- часто ли отключается напряжение?
- имеются ли дополнительные функции;
- стоимость.

Во многих загородных поселках нередко происходит отключение электричества.
В таком случае необходимо оборудовать систему охраны резервным источником питания – блоком питания, который совмещен с аккумуляторной батареи. В зависимости от её ёмкости будет завесить автономность системы.
Если в дачном поселке бывают перепады напряжения то, что бы ни вышло из строя охранное оборудование, необходимо поставить стабилизатор.

- видеосъемка (запись и передача аудио);
- фото-подтверждение;
- передача иной информации (устанавливаются реле, датчики температуры и другое);
- управление через GSM модуль.
Важным фактором является стоимость. Хозяева стараются сэкономить и приобретают недорогие модели. Не стоит забывать, что цена соответствует качеству. Недорогие модификации не всегда могут быть надежны. В процессе работы обнаруживаются дефекты. Нередко дешевая «сигналка» беспокоит владельца и его соседей ложными срабатываниями.
Основные элементы охранной сигнализации
Перед тем, как приступить к сборке, монтажу, необходимо ознакомиться с основными элементами системы:
- контрольная панель;
- охранные датчики;
- оповещающие устройства;
- пульт управления;
- блок резервного питания.

В комплект «сигналки» могут входить датчики следующих типов:
- инфракрасные – они же датчики движения;
- удара – так же срабатывают от вибрации;
- магнитного типа – срабатывают при открытии окон/дверей;
- акустические – реагируют на звук разбития стекла.
Виды оповещающих устройств (эти устройства предназначены для привлечения внимания):
- звуковые – разнообразные сирены («пищалки», «ревуны»);
- световые – световые индикаторы или строб вспышки и лампы;
Пульт управления предназначен в первую очередь для управления системой – взятием и снятием с охраны, отображения состояния системы. Во вторую для первоначальной настройки и программирования. Пульты бывают с ЖК-экраном или светодиодные, реже с сенсорным экраном, так же имеют пин-пад для набора кода. Иногда вместо пульта может применяться брелоки или ключи TM.
Блок резервного питания – аккумуляторная батарея, обеспечивающая работу системы при отсутствии подключения к сети 220 В. Для большинства сигнализаций стандартом является аккумулятор на 12 В и 7 А*ч.
Монтаж охранной сигнализации своими руками
Для удобства процедуру установки можно разделить на следующие этапы:
- обследование дома – это необходимо для выявления уязвимых мест, через которые может проникнуть нарушитель, например, окна и двери. Их надо оборудовать датчиками в первую очередь. Самое простое это нарисовать план-схему и разместить на ней места установки датчиков и оборудования. Это поможет избежать множества ошибок при монтаже сигнализации в дальнейшем;
- прокладка проводов и установка датчиков на свои места;
- монтаж контрольной панели и клавиатуры;
- настройка системы и проверка, установка сим-карты.
Необходимо перекрыть все пути проникновения в дом:
- двери, окна – требуется подобрать магнито-контактные датчики (реагируют на открытие/закрытие);
- внутри помещения – доступ перекрывается инфракрасными датчиками;
- дополнительные датчики – температурный, утечки газа и воды.
Подготовленная схема охранной сигнализации будет отражать подробную информацию и пригодится в дальнейшем при обслуживании системы. Помимо этого можно сразу же на бумаге прикинуть общую смету всего оборудования.
Следующим этапом является прокладка проводов, монтаж дополнительных устройств. Существуют определенные нюансы выполнения подобных работ. Наиболее существенные:
- прокладка проводов должна осуществляться на расстоянии не менее 20-30 см от проводников 220 В;
- установка различных датчиков имеет свои особенности – они отражаются в инструкции, в каждом случае индивидуальны;
- для каждого устройства необходимо выделить отдельный шлейф – так обеспечивается надежность работы.
Установка контрольной панели и клавиатуры представляет собой минимальную сложность. Важно лишь закрепить их в удобном и не доступном для злоумышленников месте. К ним подводятся и подключаются охранные шлейфы и провода питания. Последний этап – установка сим-карты (если установлен GSM-модуль) и проверка работы всей системы в целом.
Сигнализация из мобильного телефона своими руками
Самостоятельное изготовление GSM сигнализации потребует наличия:
- паяльной станции и умения работать с ней;
- небольшие знаний в области электроники;
- рабочего кнопочного телефона (Nokia 1100 или аналогичный);
- магнитоконтактного датчика или геркон (нормально-замкнутый);
- одноклавишного выключателя и провода.
Принцип работы устройства прост:
Источник: https://azbsec.ru/articles/okhrannaya-signalizaciya/okhrannaya-signalizaciya-dlya-dachi-svoimi-rykami.html
Как организовать GSM сигнализацию для дачи самостоятельно
| Установка GSM сигнализации для дачи своими руками | |||
Большинство хозяев дач всегда часто подумывают о том, как максимально эффективно предотвратить несанкционированное вторжение незваных гостей в частную собственность. Причем, головной болью для дачника является окончание летнего сезона и соответственно редкое посещение своего дачного участка. Поэтому, именно в этот период стоит ждать более учащенные случаи взлома и ограбления, поскольку, сторожа дачных кооперативов не в состоянии контролировать всю огромную территорию одновременно.А храним мы в дачных строениях достаточно много ценных вещей: холодильник, телевизор, газовая или электроплита, газовый баллон, консервация, шланги, садовый инструмент, строительные материалы и так далее. Как же избежать этого? Специальные фирмы, занимающиеся охранным бизнесом с маленькой вероятностью, что будут браться за постановку на пультовую сигнализацию Ваш участок, и стоимость такой услуги, разумеется, не считая абонентской платы, очень высокая. И все же, выход есть! Это gsm сигнализация для дачи своими руками! Чем же это удобно, рассмотрим повнимательнее! Gsm сигнализация для дачи удобна тем, что не требует никакого проводного соединения и является мобильной. Кроме самой сирены, «ревуна», которая к слову, очень мощная и слышна достаточно далеко, в минимальную комплектацию входят основные элементы контроля. Датчик открытия, который устанавливается обычно на входную дверь или окно и срабатывает при разрыве контактов при открытии. Датчик объёма/движения, который срабатывает при изменении объёма в помещении, то есть когда человек входит в охраняемое помещение, объём в нём изменяется и происходит сработка. А так же этот датчик работает на движение.При сработке одного из датчиков включается тревожная сирена, а устройство беспроводной сигнализация для дачи, отправляет звонок, на запрограммированный номер телефона. К слову, таких номеров может быть до шести. Так же, устройство может отправлять sms-сообщения на 3 номера телефона. Это очень удобно, поскольку, даже если Ваш телефон находится вне зоны покрытия оператора мобильной связи, сигнал о проникновении на охраняемую территорию получат Ваши родственники, а кроме них, можно внести в список номера охранников садово-дачного кооператива для оперативной реакции на сложившуюся ситуацию. В минимальный комплект входят два дистанционных пульта снятия/постановки на охрану, кстати, оборудованных тревожной кнопкой, которой, можно воспользоваться, находясь непосредственно на дачном участке в случае какой-либо нестандартной ситуации. Gsm сигнализация для дачи, может быть оборудована дополнительно и другими устройствами контроля: датчиком дыма, что так же может быть очень актуально. Одним из очевидных плюсов данной системы является её мобильность и независимость от сети электропитания. Вы можете абсолютно самостоятельно, при необходимости, перенести оборудование в любое другое помещение, так как все датчики соединены с самим модулем посредством радиосигнала и не требуют прокладки каких-либо кабелей. Система оборудована аккумулятором, что позволяет ей работать даже при отключённом питании от сети 220 вольт. Это тоже является одним из преимуществ, поскольку, как мы знаем, дачные участки очень часто сталкиваются с перебоями в поставке электричества. Сигнализация для дачи своими руками установить не так уж сложно, тем более что в комплект входит подробная схема и инструкция, а также, в интернете очень много видео-инструкций и просто статей со схемами и пояснениями. Мы можем предложить бесплатную консультацию нашего специалиста-инженера, для выбора комплектации оборудования и его расположения с учётом пожеланий клиента и оптимизации защитных свойств gsm сигнализации, как с выездом на место установки, так и без него. Наши специалисты помогут установить оборудование, если Вы не сможете этого сделать самостоятельно. Gsm сигнализация для дачи — наиболее оптимальный и разумный выбор, для обеспечения безопасности дачных строений и имущества в них. По материалам компании OOO «Вектор безопасности» — http://3straja.com.ua | |||
|
Источник: http://3straja.com.ua/news/gsm-signalizatsiya-dlya-dachi-svoimi-rukami.html
Сигнализация для дачи своими руками
Рынок сигнализаций предлагает потребителям множество вариантов защитить их имущество:
- инновационные охранные системы, взломать которые практически невозможно;
- более простые и дешевые, но также довольно надежные устройства.
Впрочем, бывают ситуации, когда чтобы отпугнуть незваных гостей достаточно и самого простого приспособления, сделанного собственноручно. Например, для охраны дачного домика.
Хотя владельцы дач обычно не оставляют там особо ценных предметов, но нередко именно дачи становятся жертвами мелких неразборчивых воришек.
Устройство и особенности установки
Изготовить автономное устройство сможет не каждый, для этого понадобятся специальные знания и навыки работы с электротехникой.
Что же необходимо, чтобы сделать сигнализацию для дачи своими руками?
Основными составляющими такой сигнализации являются датчики из геркона и магнита, фиксирующие проникновение через все возможные входы и выходы. Геркон крепят на неподвижную часть конструкции, а магнит – на движимую. Герконы располагают последовательно. Таким образом, после закрытия двери или окна, цепь замыкается. При ее разрыве на любом участке срабатывает сигнализация.
Можно также использовать объемные или микроволновые чувствительные элементы. Они имеют регулируемую зону действия, поэтому их советуют устанавливать вблизи или над входной дверью, смещая в сторону окон.
Кроме индикаторов придется приобрести звуковой или световой оповещатель (к примеру, пьезоэлектрическую или мощную тревожную сирену), реле управления, транзистор, резистор, провода для соединения, выключатель и, разумеется, источник питания.
Обеспечить питание можно как с помощью 12-вольтового импульсного адаптера, так и аккумуляторной батареи. Но нужно учитывать, что при отключении электроснабжения пользы от адаптера не будет, а батареи требуют регулярной зарядки или замены.
Как работает
Принцип функционирования таких сигнализаций простой: когда в дом проникает посторонний человек, срабатывает звуковое или световое оповещение (или оба вида сразу). Как правило, услышав громкий звук и увидев свет, злоумышленник убегает и больше не возвращается. Усовершенствовав систему, можно сделать так, чтобы сигнал тревоги передавался на мобильный телефон хозяина дачного участка.
Недостатком многих приспособлений, сделанных своими руками, считается невозможность выключить их на расстоянии. Исправить ситуацию поможет реле времени, которое отключит сигналы по истечении заданного времени.
Последовательность монтажа
Установка сигнализации начинается с монтажа датчиков. Затем их соединяют с реле и проверяют как работает система при сомкнутых сигнализаторах. Последний этап – подключение сирены.
Кстати, сирену обязательно крепить в недоступном для грабителей месте. Чаще всего ее устанавливают в самой высокой точке охраняемого строения.
Если все действия были произведены правильно, а элементы исправны – охрана дома своими руками готова
| Сигнализация для гаража своими руками Самый эффективный и наименее затратный способ защитить гаражное помещение от вреда злоумышленников или от других неподконтрольных вам чрезвычайных ситуаций – это сконструировать сигнализацию для гаража своими руками, тем более, этот процесс совсем не хлопотный и требует минимальных технических знаний и навыков. С нашим руководством вы сможете гарантировано обеспечить охрану гаража своими руками, ощутив себя при этом полноценным хозяином и … |
| Рейтинг GSM сигнализаций Использование автономных охранных систем в последнее время становится все более популярным и постепенно вытесняет другие виды сигнализаций с потребительского рынка. Очевидные преимущества могут обосновать такой высокий рейтинг GSM сигнализаций среди всех охранных технологий. Внедрение принципов работы мобильной связи в отрасль обеспечения безопасности произвело своего рода революцию, навсегда изменив мнение о дорогостоящих и неэффективных способах … |
| Работа и эксплуатация сигнализации Системы охранных устройств – гарантия безопасности любого помещения или ценного имущества, которое вы хотите защитить от порчи, кражи, несанкционированных взломов или другого рода вторжений, а также чрезвычайных ситуаций, катастроф, пожаров и других неподконтрольных случаев повреждения имущества. Работа охранной сигнализации направлена на оперативное предотвращение и своевременное уведомление владельца помещения (дома, квартиры, офиса) … |
| Сравнение GSM сигнализаций Век, современниками которого все мы являемся, спокойным можно назвать с большой натяжкой. Достаточно включить новостной канал, где передают сообщения об ограблениях, кражах, разбойных нападениях и проникновениях, чтобы разубедить себя в этом. Опасности подвергается имущество, потеря которого может нанести серьезный крах по материальному состоянию, а также родные и близкие. Существует много способов, позволяющих повысить уровень безопасности дома, … |
| Типы сигнализаций Дома, квартиры, офисы и прочие помещения нуждаются в защите. Во избежание несанкционированного проникновения туда, необходимо повысить уровень безопасности. Для решения данной проблемы владельцы устанавливают в такие помещения сигнализации. Современные сигнализации хороши тем, что наделены достаточно широким функционалом, и наделены большим числом возможностей. В зависимости от своих умений сигнализации делят на виды. Деление по роду деятельности: … |
Источник: http://www.gsmalarm.su/signalizacija-dlja-dachi-svoimi-rukami.htm
GSM сигнализация для дома и дачи своими руками: преимущества
В последнее время широкую популярность среди охранных систем для недвижимости получили GSM-комплексы безопасности. Их популярность во многом определена большой функциональностью и возможностью мгновенного оповещения владельца дома или дачи о взломе. Для этого используются каналы сотовой связи одного из провайдеров.
На потребительском рынке предлагается множество различных моделей GSM-систем, которые стоят достаточно дорого. Но и в этом случае можно найти выход, как получить современную GSM-охрану.
Такого типа оборудование отличается достаточно простой функциональной схемой, поэтому GSM сигнализация для дома своими руками может быть создана каждым, кто хоть немного разбирается в электронике и электромонтажных работах.
Самая простая схема GSM сигнализации для дома
Область применения
Беспроводные охранные системы с GSM-модулем владеют широким практическим применением. Они могут устанавливаться на следующих объектах недвижимости:
- квартиры;
- дачные домики и коттеджи;
- гаражи и складские помещения;
- магазины и киоски;
- офисные помещения.
Учитывая возможности подключения к таким сигнализациям кроме охранных датчиков еще и различных функциональных сенсоров можно существенно расширить область использования GSM-систем. Их можно будет применять в качестве противопожарных систем, устройств контроля утечки газа, воды, систем управления исполнительными устройствами и пр.
Преимущества
Созданная GSM сигнализация для дачи своими руками владеет целым рядом преимуществ. Среди основных следует отметить:
- мгновенное оповещение владельца недвижимости о проникновении на объект;
- передача сигнала тревоги с помощью дозвона;
- возможность передачи тревоги на любое мобильное устройство владельца;
- поддержка работы с разными датчиками;
- возможность управления внешними исполнительными механизмами и устройствами;
- поддержка управления сигнализацией с помощью мобильного телефона;
- минимальные финансовые затраты для создания сигнализации;
- простота монтажа и последующего использования.
Недостатки
К недостаткам, которыми владеет собранная GSM сигнализация для дома своими руками, относятся следующие:
- отсутствие защиты от электронных устройств, которыми пользуются злоумышленники, чтобы заглушить сигнал тревоги;
- не поддерживается работа с SMS и MMS;
- отсутствует возможность управления с помощью дистанционных брелоков;
- не поддерживается работа с охранными пультами специальных служб.
Компоненты для GSM сигнализации своими руками
Охранная система для дачи Gsm своими руками может быть собрана из минимального набора комплектующих:
- неиспользуемый кнопочный мобильный телефон, поддерживающий функцию быстрого вызова;
- геркон с магнитом;
- кнопочный датчик;
- реле;
- аудиосирена;
- провода;
- паяльник и набор для пайки;
- аккумулятор для телефона;
- блок подзарядки аккумуляторной батареи;
- набор инструментов и принадлежностей.
На начальном этапе следует настроить автоматический вызов номера владельца квартиры или дачи. Для этого следует назначить клавишу быстрого вызова для этого номера.
После проведения такой процедуры нужно снять крышку телефона и извлечь клавиатуру. К выбранной кнопке быстрого вызова припаиваются два проводника, которые при замыкании будут выполнять функцию нажатия клавиши, а соответственно и автоматического вызова абонента. Впоследствии эти проводники будут подключены к датчику открытия двери или окна через реле.
Обратите внимание!
В качестве самого простого датчика открытия можно использовать геркон и магнит.
Особенностью такого датчика является то, что пока обе части находятся вместе, электрическая цепь является разомкнутой/замкнутой в зависимости от настроек. Как только дверь откроется, произойдет срабатывание такого датчика, что приведет к переключению контактов реле и, как следствие, к имитации нажатия клавиши быстрого вызова, а также к подаче питания на подключенную сирену.
Чтобы усовершенствовать такую сигнализацию в ее схему можно добавить электронный таймер задержки срабатывания реле и кнопку отключения сигнализации. В таком случае сигнализация не будет срабатывать при открытии дверей хозяином квартиры.
У него будет определенное время, чтобы добраться до кнопки включения/отключения сигнализации, чтобы снять ее с охранного режима.
Важно, чтобы кнопка отключения сигнализация была установлена в потайном месте, о котором знал бы только владелец квартиры и какое не смог бы быстро найти злоумышленник.
Важно!
Чтобы созданная GSM сигнализация для дачи своими руками безотказно работала важно позаботиться о ее автономном питании. Его можно организовать с помощью штатной батареи телефона, к которой нужно подключить зарядное устройство телефона. С его помощью будет осуществляться подзарядка аккумулятора по мере его разрядки в процессе работы самодельной сигнализации.
Заключение
Как видим, имея небольшой набор устройств и комплектующих, которые есть практически в каждом доме, можно без особых усилий создать собственную сигнализацию для дачи или квартиры.
Финансовые затраты в этом случае минимальны.
Установив такую охранную систему у себя дома, в гараже или на даче, владелец сможет получить сигнал тревоги на любом расстоянии от объекта, где только присутствует покрытие сотовой связи выбранного мобильного провайдера.
Источник: https://bezopasnostin.ru/gsm-signalizatsiya/dlya-doma-svoimi-rukami.html
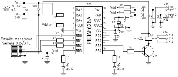
Данная разработка посвящена экономичной GSM сигнализации с использованием телефона Siemens 35/45 серий и 8-разрядного микроконтроллера PIC16F628A фирмы Microchip.
Также в данную GSM сигнализацию отдельно встроена функция реле — позволяющая дистанционно коммутировать любую нагрузку с помощью дозвона.
В настоящее время большую популярность получили так называемые GSM сигнализации. GSM сигнализация в общем случае представляет из себя некоторый блок (GSM контроллер), к которому подключаются датчики (чувствительные элементы), и GSM модем (или сотовый телефон). Очень удобно GSM сигнализацию строить на базе устаревших сотовых телефонов моделей Siemens C35 (C45…). GSM сигнализация очень хорошо подходит для охраны любых удалённых объектов (гаражи, склады, дачи, киоски и пр.). Всё, что необходимо для работы данной системы — наличие электрической энергии, и достаточно устойчивой сотовой связи.
Принцип действия GSM сигнализации (рис. 1) заключается в получении и обработке данных с установленных на объекте датчиков GSM контроллером и, в случае возникновения нештатной ситуации (срабатывании датчика), оповещение через канал сотовой связи любого оператора (сотовый телефон). Кроме того, к GSM контроллеру подключается внешнее питание и, в случае необходимости звуковая сирена (к выходному реле).
Принципиальная электрическая схема GSM контроллера представлена на рисунке ниже. Основу GSM контроллера составляет микроконтроллер PIC16F628A. Схема не содержит дорогостоящих и труднодоступных деталей.
В качестве разъёма к телефону Siemens используется стандартный интерфейсный разъём, их легко можно найти на радиорынках и в магазинах, торгующих электронными компонентами.
К XS1 подключается внешнее питание, которое должно обеспечивать напряжение 6 — 8 вольт при токе нагрузки не менее 300 мА. Можно использовать трансформаторное зарядное устройство от сотового телефона не китайского производства. Сам контроллер питается от интегрированной батареи сотового телефона. Поэтому, кратковременные перебои электроэнергии на работу GSM сигнализации не влияют. Чем выше качество аккумуляторной батареи, тем дольше GSM сигнализация способна сохранять свою работоспособность при пропаже внешнего питания.
GSM контроллер имеет два независимых входа для подключения внешних датчиков. К XS2 и XS3 подключаются любые датчики с нормально замкнутыми или нормально разомкнутыми контактами. Это могут быть обычные кнопки, герконовые датчики, датчики разбития стекла, датчики движения, инфракрасные барьеры, датчики утечки газа, дымовые извещатели, датчики протечки воды и многие другие. Следует отметить, что на один вход можно подцепить сразу несколько датчиков (рис. 3.а,б). В последовательную цепочку (рис. 3.а) те, которые в дежурном режиме нормально замкнуты (в аварийной ситуации размыкаются), и параллельную (рис. 3.б) те, которые в дежурном режиме нормально разомкнуты (в аварийной ситуации замыкаются).
GSM контроллер имеет одно выходное реле (XS4), к которому при необходимости подключается сирена, сигнальная лампа или другое устройство оповещения. Номинальная мощность силовых контактов реле составляет 2400 Вт (10А 240VAC). Как видно из принципиальной электрической схемы (Рис. 2), ВЫХОДНОЕ РЕЛЕ БУДЕТ РАБОТАТЬ ЛИШЬ ПРИ НАЛИЧИИ ВНЕШНЕГО ПИТАНИЯ.
В качестве сотового телефона можно использовать такие модели как: Siemens C35, Siemens S35, Siemens M35, Siemens C45, Siemens S45, Siemens M45, Siemens ME45, Siemens SL45. С ДРУГИМИ МОДЕЛЯМИ ТЕЛЕФОНА ДАННЫЙ GSM КОНТРОЛЛЕР РАБОТАТЬ НЕ БУДЕТ.
Печатная плата GSM контроллера без электронных компонентов представлена на рис. 4.а. Печатная плата с установленными электронными компонентами представлена на рис. 4.б.
На рис. 4.б цифрами 1,3,4,6,5,8,10 пронумерованы выводы на печатной плате, которые должны быть подсоединены к разъёму телефона. Сам провод, идущий от GSM контроллера к телефонному аппарату не следует делать длиннее 30 см. Печатная плата имеет габаритные размеры 33×60 мм, и рассчитана для размещения в корпусе G1011с небольшой доработкой.
Данная GSM сигнализация выгодно отличается тем, что GSM контроллер не имеет никаких кнопок и переключателей, а вся настройка происходит в первой ячейке SIM карты телефонного аппарата. Т. о., в первой ячейке SIM карты телефонного аппарата нужно записать набор цифр, которые бы сконфигурировали GSM контроллер нужным нам образом. Сам набор цифр, записанных в первой ячейке, назовём STATUS. Итак, слово STATUS — является главной настройкой всей системы, и ОБЯЗАТЕЛЬНО ДОЛЖНО РАСПОЛАГАТЬСЯ В ПЕРВОЙ ЯЧЕЙКЕ SIM КАРТЫ ТЕЛЕФОННОГО АППАРАТА. Слово STATUS — 9 битовое слово.
В таблице описаны параметры, которые настраиваются словом STATUS:
Примечания:
Абонент 1 — это владелец телефонного аппарата, который имеет доступ к таким функциям как: постановка в режим охраны (для режима сигнализации), снятие с режима охраны (для режима сигнализации), включение/выключение реле (для режима реле). В режиме сигнализации абонент 1 оповещается дозвоном в случае нештатной ситуации (при срабатывании датчика), а также при дополнительной настройке может получать SMS сообщения о пропаже/восстановлении внешнего питания. Номер абонента 1 должен быть записан во второй ячейке SIM карты телефонного аппарата и иметь вид
8-xxx-xx-xx-xxx.
Абонент 2 — это владелец телефонного аппарата, который имеет доступ к таким функциям как: постановка в режим охраны (для режима сигнализации), снятие с режима охраны (для режима сигнализации), включение/выключение реле (для режима реле). В режиме сигнализации абонент 2 оповещается дозвоном в случае нештатной ситуации (при срабатывании датчика), а также при дополнительной настройке может получать SMS сообщения о пропаже/восстановлении внешнего питания. Номер абонента 2 должен быть записан в третьей ячейке SIM карты телефонного аппарата и иметь вид
8-xxx-xx-xx-xxx.
Абонент 3 — это владелец телефонного аппарата, который имеет доступ к таким функциям как: постановка в режим охраны (для режима сигнализации), снятие с режима охраны (для режима сигнализации), включение/выключение реле (для режима реле). В режиме сигнализации абонент 3 оповещается дозвоном в случае нештатной ситуации (при срабатывании датчика), а также при дополнительной настройке может получать SMS сообщения о пропаже/восстановлении внешнего питания. Номер абонента 3 должен быть записан в четвёртой ячейке SIM карты телефонного аппарата и иметь вид
8-xxx-xx-xx-xxx.
SMS пропажи внешнего питания — если 5 бит слова STATUS имеет значение 1, то, при пропаже внешнего питания, произойдёт отправка СМС сообщения из 1-й ячейки SIM карты на номер, который эта СМС была отправлена при конфигурации (см. пример 2 пункт 5).
SMS появления внешнего питания — если 6 бит слова STATUS имеет значение 1, то, при возникновении внешнего питания, произойдёт отправка СМС сообщения из 2-й ячейки SIM карты на номер, который эта СМС была отправлена при конфигурации (см. пример 2 пункт 5).
Данная GSM сигнализация является одной из самых простых подобного рода устройств, расположенных в просторах интернета. Для её сборки необходимы лишь минимальные навыки работы с паяльником и немного свободного времени. Одновременно с этим GSM сигнализация включает в себя все функции, необходимые для комфортной охраны объектов.
Статья опубликована на сайте сайт по просьбе автора. ICQ автора:
445024064
Домашняя страничка автора схемы.
Там же прошивки, примеры использования, FAQ и т.п.
Список радиоэлементов
| Обозначение | Тип | Номинал | Количество | Примечание | Магазин | Мой блокнот |
|---|---|---|---|---|---|---|
| DD1 | МК PIC 8-бит | PIC16F628A | 1 | В блокнот | ||
| VT1 | Биполярный транзистор | КТ815А | 1 | KT829A | В блокнот | |
| VD1, VD2 | Выпрямительный диод | 1N4007 | 2 | В блокнот | ||
| VD3, VD4 | Выпрямительный диод | 1N4148 | 2 | КД522 | В блокнот | |
| C1, C2 | Конденсатор | 25 пФ | 1 | В блокнот | ||
| C3-C5, C8 | Конденсатор | 0.1 мкФ | 4 | В блокнот | ||
| C6 | Конденсатор | 360 пФ | 1 | В блокнот | ||
| C7 | Электролитический конденсатор | 220 мкФ | 1 | 10 вольт | В блокнот | |
| R1, R4, R5 | Резистор | 4.7 кОм | 3 | В блокнот | ||
| R2, R3 | Резистор | 150 Ом | 2 | В блокнот | ||
| R6 | Резистор | 1 кОм | 1 | В блокнот | ||
| R7, R8 | Резистор | 510 Ом | 2 |
Установка охранной сигнализации GSM на даче, в гараже или частном доме позволяет обеспечить безопасность и сохранность имущества. Управление осуществляется посредством телефона, а для монтажа своими руками нужно освоить все особенности системы.
Принцип действия GSM-сигнализации
GSM сигнализация представляет собой комплекс устройств, которые взаимосвязаны между собой сетью GSM и взаимодействуют посредством сигнала. Элементы комплекса устанавливают на объекте, а управление и получение сигналов осуществляется с помощью стационарного или мобильного телефона, находящегося у владельца. Так можно получать тревожные оповещения о проникновении на охраняемый объект посторонних людей. По этому же принципу осуществляется и управление системой, но для этого нужно с телефона отправить необходимый сигнал. В результате этого на объекте можно активировать работу систем пожаротушения, управлять электронными замками и другими элементами.
Внешний вид GSM сигнализации может быть любым, но всегда присутствует несколько устройств
Сфера применения охранной системы
Охранные системы, работающие по сети GSM, разнообразные и широко применяются в частных домах, гаражах, дачах. Эффективно использование сигнализации для автомобилей, но такая система существенно отличается от комплекса для объектов недвижимости. Небольшие удалённые склады, производственные помещения или другие сооружения легко оснастить подобными приборами. Функциональная сигнализация позволяет своевременно отреагировать на возгорание или порчу имущества, предотвратить иные неприятные действия злоумышленников.
Приборы в зависимости от модели выполняют следующие функции:
- обеспечение пожарной безопасности дачи, гаража или иного объекта;
- контроль наличия электроэнергии в сети;
- контроль протечек и перекрытие водопроводных клапанов;
- контроль утечки газопровода и перекрытие системы;
- активация сирены, а также отопления или полива на участке;
- прослушивание помещения;
- управление температурой в помещении.
В комплекс устройств можно включать различные датчики, например, для контроля целостности оконных стёкол или датчики задымления. Это позволяет варьировать функциональность охранной системы. Поэтому комплекс GSM оптимален не только для дачи, гаража или частного дома, но и используется для теплиц, строящихся частных объектов и других конструкций.
Компоненты устройства для дома и дачи
Простой вариант сигнализации не предполагает наличие сложных приборов, что позволяет создать систему охраны самостоятельно. При этом необходимо понимание принципа действия всего комплекса. В результате можно своими руками создать эффективную GSM сигнализацию для дачи или гаража. Так легко избежать затрат на приобретение дорогостоящего оборудования.
Для сигнализации понадобятся следующие компоненты:
- простой кнопочный мобильный телефон в рабочем состоянии;
- готовый датчик или геркон+магнит;
- выключатель;
- монтажный провод;
- паяльник и припой;
- сим-карта.

Сборка системы своими руками
Комплекс охранной системы предполагает наличие блока управления с выходами для датчиков и оповещателей. Возникновение чрезвычайных ситуаций приводит в действие команды, которые предварительно программируются. Например, при нарушении целостности оконных стёкол в доме система способна отправить СМС-сообщение владельцу. Прослушивание всего происходящего в доме возможно также при звонке на блок, находящийся в охраняемом доме.
Предварительно нужно определить датчики какого типа нужны на объекте.
Востребованы устройства, определяющие повреждения оконных стёкол, а также чувствительные к задымлению и повышению температуры воздуха. На входную двери также устанавливают специальные датчики движения. После определения типов устройств подбирается место их расположения.

Комплекс работ включает в себя следующие этапы:
Видео: сигнализация с датчиком движения
Простая система с минимумом деталей удобна, но более эффективна сигнализация, реагирующая на движения. Систему легко создать своими руками, а видеорекомендации позволяют освоить процесс работы.
Система с реле времени
Схемы GSM сигнализация с реле времени различны, но простые варианты легко создать своими руками. При этом реле необходимо для звучания сирены, а в конструкции могут присутствовать как два, так и один такой элемент. В первом случае одно реле активирует звуковое оповещение, а другой элемент отключает его по истечении установленного временного промежутка. Элемент имеет две группы контактов. Если присутствует одно реле, отключение осуществляется вручную, то есть кнопкой отключения сигнализации.
Видеоинструкция по созданию реле времени
GSM сигнализация, оснащённая реле времени, является функциональной и удобной. Освоить правила и принцип действия реле позволяет видео, в котором представлены особенности монтажа.
Недостатки самодельной системы
Простая сборка, экономичность, лёгкое управление и возможность увеличения функциональности являются преимуществами самодельной сигнализации для дачи, гаража или частного дома. Система не лишена недостатков, которые выражены в следующем:
- лёгкая блокировка сигнализации посторонними лицами;
- сбои в работе возникают довольно часто;
- большой набор функций требует правильного монтажа каждого элемента;
- сложная система требует тщательного планирования.
Отзывы специалистов
Мнения специалистов по поводу эффективности самодельных устройств различны. Важное значение имеет месторасположения объекта, а также тип системы. Наличие сирены часто делает сигнализацию методом отпугивания злоумышленников, но перед созданием системы стоит учесть и отзывы специалистов. Комментарии по поводу эффективности самодельных устройств малочисленны, но содержат некоторые ключевые моменты.
При установке сигнализации в квартире с домашними животными стоит учесть отзывы специалистов:
Проект для самодельных устройств: да или нет?
Необходимость создания проекта при монтаже самодельной GSM сигнализации отсутствует. Обусловлено это тем, что система включает в себя минимальное количество элементов, которые легко соединяются и взаимодействуют друг с другом. При этом стоит определить месторасположения основного блока, а также зоны размещения всех датчиков. Схематичное изображение всей системы позволяет быстро сделать сигнализацию своими руками.
Лазерная сигнализация
Самодельная лазерная сигнализация представляет собой эффективную охранную систему, которая проста в управлении. При этом используются более сложные компоненты, чем для сигнализации GSM. Например, необходимы лазерный источник, резисторы и другие элементы. Принцип действия такой охранной системы заключается в том, что при прерывании лазерного луча напряжение на одном из выводов падает ниже опорного напряжения на другом выводе. При этом на выходе первого операционного усилителя возрастает степень напряжения, а полученный импульс может использоваться для включения сирены, прожектора и других устройств.

Выбор схемы
Сигнализация, действие которой основано на лазерном луче, создаётся по схеме. Существует множество вариантов различной сложности. Выбор зависит от навыков в области электроники. Например, эффективна система с таймером довольно проста и активно применяется для охраны частных объектов.

Создание системы
Для монтажа лазерной сигнализации своими руками необходимо подготовить тиристор BT169, лазер, светодиодную лампочку, конденсатор, резисторы 47k, фоторезистор или LDR. Монтаж включает в себя следующие этапы работ:
Плюсы и минусы
Лазерная сигнализация отличается такими преимуществами, как эффективность, большой радиус действия, надёжность и оперативное реагирование на чрезвычайные ситуации. Для создания своими руками системы необходимы простые элементы, которые легко приобрести. Источник лазерного луча представляет собой обычную указку, которая даёт луч красного или другого цвета. Готовое устройство делает процесс сборки простым.

Сигнализация имеет такие недостатки, как сложность схемы сборки, требующая знаний и навыков в области электроники. Дополнительные элементы в виде таймера или других приспособлений важно правильно монтировать и подключить к системе.
Видео: монтаж лазерной сигнализации
Подробные видеоинструкции позволяют освоить все особенности самостоятельной сборки. При этом сигнализация будет экономичной, качественной и эффективной в применении.
Охранная система GSM или лазерный комплекс позволяют обеспечить сохранность имущества и безопасность объекта. Для дачи или гаража легко создать систему своими руками, но важно соблюдать правила монтажа и использовать качественные компоненты.
Оставленная без присмотра на зиму дача легкая добыча для желающих поживиться чужим «добром». При этом процент раскрываемости таких преступлений очень низок. Давайте рассмотрим основные варианты защиты своего имущества:
- установить надежные замки на двери;
- установить на окна решетки;
- завести сторожевую собаку;
- установить устройства имитации присутствия;
- установить сигнализацию.
Чаще всего используются разного вида замки. Они бывают механические и электронные. Ассортимент представлен большим количеством различных модификаций. Их главным достоинством является отсутствие необходимости обслуживания и простота установки. Надежный замок и установленная противовзломная фурнитура на окнах это только одно из препятствий на пути вора в ваше жилище.

Оптимальным же решением с позиции удобства и надежности является охранная сигнализация для дома, а установить её своими руками не составит большого труда. Наряду с замками и защитой окон, это будет комплексный и правильный подход.
Что выбрать?
Существует несколько вариантов решения вопроса с системой безопасности:
- обратиться в специализированную компанию – они подбирают и осуществят установку охранного оборудования;
- приобрести готовый комплект охранной сигнализации в магазине или на сайте в Интернете;
- смастерить самостоятельно по схемам.
Самым простым путем является обращение к специалистам. От клиента требуется оплатить работу. Все трудности по выбору модели устройства, монтажу берут на себя работники компании. Плюсы: нет необходимости тратить время на самостоятельную установку. Отрицательные моменты: оплата монтажа, некоторые учреждения предоставляют некачественные услуги.
Альтернативный вариант это самостоятельный монтаж, который имеет множество достоинств. Приниматься за работу стоит при наличии опыта работы с электричеством, но даже если его нет, существуют беспроводные модели сигнализации, которые не требуют прокладки проводов, а основной панель имеет обычный адаптер питания – включил в розетку, настроил, установил датчики – все, система готова к работе.
Для радиолюбителей в справочниках и на просторах Интернета «разбросано» множество схем для самостоятельного изготовления сигнализации. Все требуемые компоненты приобретаются в ближайшем магазине электроники. Охранная сигнализация для частного дома своими руками это оптимальное решение, когда вы умеете правильно и качественно паять.
Основные типы сигнализаций
Все схемы для самостоятельно сборки или уже готовые устройства делятся на типы:
- автономные, т.е. привлекающие внимание «ревуны»;
- GSM, могут оповещать владельца.
Первый тип наиболее простой в установке, недорогой при покупке в сборе. Главное достоинство – возможна автономная работа, без подключения к электропитанию (бытовая электропроводка – 220 В). Отпугивают посторонних лиц громким звуком, привлекают внимание.
Подробнее различные виды охранной сигнализации мы рассматривали . В ней приведен обзор основных типов – индивидуальной, автономной и пультовой сигнализации.
А так же основные преимущества и недостатки таких систем.
GSM сигнализации или «дозвонщики» – хороший вариант для дома за городом или дачи. Они могут не только оповестить владельца о нарушении границ его владений, но выполнять иные задачи. Своеобразный аналог «умного дома». Некоторые модели позволяют выполнять операции:
- включать/выключать свет;
- получать информацию с приборов учета;
- перекрывать коммуникации (вода/газ).
При всех достоинствах GSM модули имеют один важный недостаток – необходимо постоянное подключение к 220 В. Отдельные модели снабжаются аккумуляторными батареями. Автономная работа в таком случае зависит от её емкости, как правило, варьируется от 2 до 6 часов. Важно учитывать этот момент при выборе.
На что обратить внимание?
Прежде, чем приступить к выбору определенной модели, важно учесть некоторые моменты. К таковым относятся:
- наличие в доме отопления (температурный режим);
- часто ли отключается напряжение?
- имеются ли дополнительные функции;
- стоимость.

Во многих загородных поселках нередко происходит отключение электричества. В таком случае необходимо оборудовать систему охраны резервным источником питания – блоком питания, который совмещен с аккумуляторной батареи. В зависимости от её ёмкости будет завесить автономность системы. Если в дачном поселке бывают перепады напряжения то, что бы ни вышло из строя охранное оборудование, необходимо поставить стабилизатор.

- видеосъемка (запись и передача аудио);
- фото-подтверждение;
- передача иной информации (устанавливаются реле, датчики температуры и другое);
- управление через GSM модуль.
Важным фактором является стоимость. Хозяева стараются сэкономить и приобретают недорогие модели. Не стоит забывать, что цена соответствует качеству. Недорогие модификации не всегда могут быть надежны. В процессе работы обнаруживаются дефекты. Нередко дешевая «сигналка» беспокоит владельца и его соседей ложными срабатываниями.
Основные элементы охранной сигнализации
Перед тем, как приступить к сборке, монтажу, необходимо ознакомиться с основными элементами системы:
- контрольная панель
;
- охранные датчики
;
- оповещающие устройства
;
- пульт управления
;
- блок резервного питания
.

В комплект «сигналки» могут входить датчики следующих типов:
- инфракрасные
– они же датчики движения;
- удара
– так же срабатывают от вибрации;
- магнитного типа
– срабатывают при открытии окон/дверей;
- акустические
– реагируют на звук разбития стекла.
Виды оповещающих устройств (эти устройства предназначены для привлечения внимания):
- звуковые
– разнообразные сирены («пищалки», «ревуны»);
- световые
– световые индикаторы или строб вспышки и лампы;
Пульт управления предназначен в первую очередь для управления системой – взятием и снятием с охраны, отображения состояния системы. Во вторую для первоначальной настройки и программирования. Пульты бывают с ЖК-экраном или светодиодные, реже с сенсорным экраном, так же имеют пин-пад для набора кода. Иногда вместо пульта может применяться брелоки или ключи TM.
Блок резервного питания – аккумуляторная батарея, обеспечивающая работу системы при отсутствии подключения к сети 220 В. Для большинства сигнализаций стандартом является аккумулятор на 12 В и 7 А*ч.
Монтаж охранной сигнализации своими руками
Для удобства процедуру установки можно разделить на следующие этапы:
- обследование дома
– это необходимо для выявления уязвимых мест, через которые может проникнуть нарушитель, например, окна и двери. Их надо оборудовать датчиками в первую очередь. Самое простое это нарисовать план-схему и разместить на ней места установки датчиков и оборудования. Это поможет избежать множества ошибок при монтаже сигнализации в дальнейшем; - прокладка проводов и установка датчиков
на свои места; - монтаж контрольной панели и клавиатуры
; - настройка системы и проверка
, установка сим-карты.
Необходимо перекрыть все пути проникновения в дом:
- двери, окна
– требуется подобрать магнито-контактные датчики (реагируют на открытие/закрытие);
- внутри помещения
– доступ перекрывается инфракрасными датчиками;
- дополнительные датчики
– температурный, утечки газа и воды.
Подготовленная схема охранной сигнализации будет отражать подробную информацию и пригодится в дальнейшем при обслуживании системы. Помимо этого можно сразу же на бумаге прикинуть общую смету всего оборудования.
Следующим этапом является прокладка проводов, монтаж дополнительных устройств. Существуют определенные нюансы выполнения подобных работ. Наиболее существенные:
- прокладка проводов должна осуществляться на расстоянии не менее 20-30 см от проводников 220 В;
- установка различных датчиков имеет свои особенности – они отражаются в инструкции, в каждом случае индивидуальны;
- для каждого устройства необходимо выделить отдельный шлейф – так обеспечивается надежность работы.
Установка контрольной панели и клавиатуры представляет собой минимальную сложность. Важно лишь закрепить их в удобном и не доступном для злоумышленников месте. К ним подводятся и подключаются охранные шлейфы и провода питания. Последний этап – установка сим-карты (если установлен GSM-модуль) и проверка работы всей системы в целом.
Сигнализация из мобильного телефона своими руками
Самостоятельное изготовление GSM сигнализации потребует наличия:
- паяльной станции и умения работать с ней;
- небольшие знаний в области электроники;
- рабочего кнопочного телефона (Nokia 1100 или аналогичный);
- магнитоконтактного датчика или геркон (нормально-замкнутый);
- одноклавишного выключателя и провода.
Принцип работы устройства прост:
в большинстве кнопочных телефонов при долго зажатой клавише «1» происходит набор голосовой почты (автоответчика). В настройках этот номер можно изменить на любой другой. При открытии двери или окна контакты клавиши «1» замыкаются с помощью магнитоконтактного датчика, например, ИО-102-2 или любого другого. На телефон владельца поступает дозвон, и при ответе вы даже можете услышать, что происходит в помещении. Одноклавишный выключатель необходим для возможности отключения сигнализации, когда вы находитесь на даче.
Охранные сигнализации, способные передавать оповещения по каналу мобильной связи
, уверенно лидируют среди систем безопасности. Полностью готовые к использованию комплекты стоят относительно недорого, но, в некоторых случаях, охранную сигнализацию можно сделать самостоятельно. GSM сигнализация изготовленная своими руками, обеспечит подачу телефонного вызова
на любое устройство мобильной связи.
Самодельная охранная сигнализация
Если возникает необходимость установить на каком-то объекте охранную сигнализацию, то может возникнуть вопрос, а нельзя ли её сделать самостоятельно. Точнее, зачем покупать, если можно сделать, и как альтернатива, зачем делать, если можно купить. В принципе если человек немного разбирается в технике и имеет навык работы с инструментом, то несложную охранную сигнализацию можно сделать самостоятельно.
Для этого понадобятся следующие элементы:
- Старый мобильный телефон с кнопочной клавиатурой
- Магнит + геркон или готовый датчик
- Монтажный провод
- Выключатель
Телефон
Единственное условие – телефон должен быть рабочим и иметь исправную клавиатуру. У всех моделей мобильных телефонов имеется функция «Быстрый набор». Благодаря этой функции заранее записанный в память телефонный номер можно вызвать нажатием одной из кнопок на цифровой клавиатуре. Нажатие кнопки означает замыкание двух контактов. На функции быстрого набора и основан принцип работы самодельной охранной сигнализации. Дело в том, что телефону всё равно замкнуты эти контакты нажатием кнопки на корпусе или дистанционно.
Необходимо прописать номер телефона для подачи тревожного звонка, в режиме «Быстрый набор» на любую цифровую кнопку.
Герконовый датчик
Затем мобильный телефон нужно вскрыть, добраться до печатных проводников клавиатуры и припаять два провода на нужную кнопку. Затем необходимо установить на дверь магнитоконтактный датчик. Этот недорогой прибор можно купить, а можно сделать самостоятельно. Для этого используется небольшой постоянный . В нормальном состоянии, то есть при отсутствии магнита, его контакты должны быть замкнуты, а наличие магнитного поля вызывает их размыкание.
Кабель
Геркон устанавливается в верхней части дверного косяка, а магнит незаметно монтируется на дверное полотно таки образом, чтобы расстояние между ним и герконом, при закрытой двери, вызывало размыкание датчика. Затем провода от геркона необходимо соединить с проводами от кнопки мобильного телефона, при этом и провода и мобильный телефон должны быть скрыты. Теперь если открыть дверь, магнит отойдёт от геркона, его контакты замкнутся, и на записанный номер будет послан сигнал вызова.
Срабатывание датчика
Последнее дополнение. В разрыв провода идущего от геркона к клавиатуре телефона нужно добавить выключатель, который так же должен быть надёжно спрятан. С его помощью система ставится на охрану и снимается неё.
Само собой, для работы такого устройства, в нём должна находиться SIM
-карта с наличием средств
, а аккумулятор мобильного телефона должен быть заряжен. Достоинства такой охранной системы в её почти нулевой стоимости. Цена нескольких метров провода, геркона и выключателя не в счёт. Недостатком можно считать длительное время, порядка 10 секунд, которое требуется для набора заданного номера.
Возможные варианты самодельной охранной сигнализации
В принципе самодельную охранную GSM сигнализацию можно реализовать несколькими способами:
- С помощью мобильного телефона
- С применением микроконтроллера и GSM модуля
- Из дискретных элементов
- С использованием промышленной автономной сигнализации
Простейшая охранная сигнализация с GSM, сделанная своими руками, может считаться оптимальным вариантом для гаража, особенно если он расположен недалеко от дома. Гараж, обычно, не имеет окон, и злоумышленники проникают внутрь, вскрыв замок на двери или воротах. Эти места несложно оборудовать магнитоконтактными датчиками и подключить их к мобильному телефону. Работа охранной системы может осложниться в неотапливаемом гараже, поэтому, в отдельных случаях, лучше установить недорогую автономную сигнализацию промышленного изготовления.
Компоненты схемы GSM-сигнализации
Человек, разбирающийся в электронике, может самостоятельно собрать приличную охранную GSM сигнализацию, используя некоторые покупные компоненты. Для реализации такой системы потребуются следующие элементы:
- Микроконтроллер Arduino Uno
- Модуль SIM900A GSM/GPRS
- Микросхема стабилизатора LM 7805 на + 5 В
- Блок питания 12 В 2А
Arduino Uno – это небольшая плата на которой расположен контроллер ATMega 328, предназначенный для работы с различными устройствами, к которым относятся любые датчики охранной сигнализации. Модуль SIM900 реализуют функцию сотового телефона. Он может звонить, принимать звонки, отправлять и принимать SMS-сообщения. Стабилизатор напряжения LM 7805 нужен для питания платы контроллера, поскольку модуль мобильной связи питается от напряжения 12 В.
Рекомендации по изготовлению такой сигнализации и её программированию это тема отдельной статьи, как и схемы охранной сигнализации, выполненные на дискретных элементах. Изготовление таких устройств, доступно только опытным специалистам. Самодельные модели охранной сигнализации, разработанные и изготовленные профессионалами, могут во многом превосходить фирменные образцы. Тем более что приборы, изготовленные в единственном экземпляре, оборудуются такими сложными системами собственной защиты, что отключить их или заблокировать не представляется возможным.
Модификация охранной сигнализации
Простейшую охранную сигнализацию на базе мобильного телефона
можно немного усложнить. Для этого достаточно установить аналогичные датчики на все двери и окна, и соединить все герконы параллельно. Когда окна и двери закрыты, все контакты разомкнуты, а при попытке открыть окно или дверь какой-либо из герконов замкнётся и вызовет телефонный звонок.
Если в квартире или доме установлена автономная охранная сигнализация с различными датчиками, её можно объединить с мобильным телефоном. Для этого нужен только старый, но рабочий мобильный телефон.
Любой приёмно-контрольный прибор имеет группы контактов реле, предназначенные для включения внешних сигнальных устройств. При срабатывании какого-либо датчика на эти контакты подаётся напряжение 12 В для включения сирены или светового индикатора. Но большинство моделей приборов имеют так называемые «сухие контакты». На них нет напряжения, они не связаны с элементами схемы и прекрасно подходят для подключения к ним кнопки быстрого набора мобильного телефона. При срабатывании фирменной сигнализации происходит то же самое, что и в самом простом варианте с применением геркона и магнита только кнопку вызова замыкает приёмно-контрольный прибор.
Контакты прибора, предназначенные для подключения сирены
или светодиода так же можно использовать, но такая возможность реализуется с помощью дополнительного реле. К контактам нужно подключить малогабаритное реле типа РЭС-10 или герконовое РЭС-55 и уже к контактам этого реле, подключить мобильный телефон. Устройство связи можно разместить в корпусе приёмно-контрольного прибора или вывести в точку уверенного приёма. Как и фирменные GSM сигнализации, самодельные устройства работают только в зоне уверенного покрытия мобильной связи.
Выбор GSM сигнализации
Если проанализировать технические параметры промышленных систем охранной сигнализации
и их простых самодельных аналогов, сравнение окажется не в пользу домашнего конструирования. Исключение может составить схема, где GSM сигнализация имеет нестандартные технические решения. Микроконтроллеры с памятью, используемые в таких устройствах, могут быть запрограммированы на сложный алгоритм работы. В «хитрых» приборах может использоваться принцип ложного отключения
, где все индикаторы показывают состояние «снято с охраны», сирена и световой индикатор не работают, а на самом деле сигнализация активирована и передаёт тревожный сигнал в соответствующие службы.
Поэтому если нет соответствующего опыта в конструировании электронной техники, то лучше воспользоваться промышленной системой безопасности. Простейшей системой сигнализации на базе старого мобильника можно оборудовать гараж, дачу или какие-либо вспомогательные постройки, где нет слишком ценных и дорогих вещей. Для того чтобы обезопасить своё жилище лучше всего использовать готовые комплекты GSM сигнализации.
К таким устройствам относятся следующие модели:
- Optimus AG-200
- ALFA G90B
- Falcon Eye FE Next
- Умный часовой-4
В каждый комплект входит приёмно-контрольный прибор с модулем мобильной связи, минимальный набор датчиков, электронная сирена и блок питания. Для управления режимами используются пульты дистанционного управления, выполненные в виде брелоков. Каждую систему можно наращивать до необходимого уровня, добавлением датчиков любого типа.
Данная статья дает возможность получить информацию о том, какими способами собирается, устанавливается и обслуживается автономная GSM-сигнализация. Каждое устройство подобного типа почти всегда работает на основе специального модуля. Фактически это такой же мобильный телефон, но без клавиш, экрана и корпуса. Вместо указанных приспособлений к главной плате присоединяются разъемы для датчиков. GSM-модули предоставляются такими ведущими корпорациями на рынке производства мобильных телефонов, как Siemens и Motorola.
Разрабатывается большое количество высококачественных профессиональных охранных систем иностранных производителей, приобретение которых ограничено для широкого круга потребителей. Описания принципов сборки подобных устройств практически не встречаются.
GSM-модуль своими руками
Понимание основных принципов функционирования данного вида сигнализации необходимо при начале обустройства любого объекта GSM-установкой. Приборы состоят из с соответствующими выходами для оповещателей и датчиков-извещателей. При возникновении тревожной ситуации устройство можно запрограммировать на выполнение определенных действий. Такие блоки управления способны обрабатывать голосовые сообщения, отправлять SMS-уведомления владельцам охраняемых помещений или соответствующие оповещения на системы безопасности, управляемые сотрудниками правоохранительных органов.
Кроме вышеперечисленного, GSM-сигнализации способны активировать системы светового оповещения, звуковые сирены, и осуществлять массовые рассылки сообщений нескольким абонентам одновременно. Нужно определиться с компонентами, которые планируется установить. Качество функционирования и возможности сигнализации будут зависеть только от разработчика.
Подготовка к установке
В качестве примера рассматривается собранная и настроенная самодельная GSM (охранная сигнализация) в обыкновенной квартире многоэтажного здания. Первым делом подбираются все необходимые датчики. Часто бывает востребована возможность контроля нанятых рабочих, например, нянь. Если планируется разработка GSM-сигнализации для охраны промышленных или коммерческих объектов, кроме устройства для распознавания шумов понадобится также определитель движения и приборы, чувствительные к ударам и разбитию стекол, а также датчики для контроля задымленности и взаимодействия с магнитами.
Чувствительные элементы передают сигнал на GSM-модуль в случае открытия входных дверей, повреждения окон или попытки проникновения в охраняемое помещение любым другим способом. Затем, в зависимости от выставленных настроек, активируется сирена, рассылаются оповещения на запрограммированные номера, включается световая аппаратура или одновременно выполняется несколько функций. Если GSM-сигнализация своими руками была собрана и правильно установлена, необходимо активировать ее каждый раз перед выходом за территорию охраняемого объекта.
Датчики разбития стекол
На данном этапе приходится делать выбор между надежностью и эстетическим оформлением. При выборе первого свойства внешний вид окна может значительно измениться. После монтажа чувствительного устройства на стекле появится прозрачная сетка, которую можно будет заметить, если присмотреться.
При повреждении цельной поверхности стекла датчик передает сигнал на блок управления, который мгновенно начнет выполнение всех вышеперечисленных возможных действий. Чтобы не испортить сеткой внешний вид поверхности, для установки используются новые внутренние аудиоизвещатели, которые направляются на окна. Подобным приборам свойственно безошибочное различение звука разбивающегося стекла и каких-либо других предметов.
Датчики задымленности
Настройка GSM-сигнализации с использованием устройств для определения дыма будет всегда актуальна для любых видов охраняемых объектов. Желательно устанавливать дополнительные приборы для нейтрализации возгорания. При создании сигнализации своими руками в систему можно добавлять огромное количество разнообразных приборов. Нужно понимать, что количество разъемов на GSM-модуле ограничено, и выбор всегда нужно делать с умом.
Распределение устройств
В жилом помещении монтаж датчиков для определения передвижения можно осуществлять на кухне, в комнатах или коридоре. Действия любого человека, попытавшегося проникнуть в здание без ведома хозяина квартиры или ответственного сотрудника предприятия, будут немедленно вычислены специальными охранными устройствами.
GSM-сигнализация, своими руками устанавливаемая, всегда требует выбора места для расположения блока управления и антенны. Если интегрировать ее, извещатель должен быть размещен на минимально возможном расстоянии от окна. Если антенна переносная, ее монтаж придется осуществлять в зоне наилучшего приема сигнала, поданного с главной станции. Блок управления при этом можно устанавливать в наиболее удобном месте. Рекомендуется монтаж на участках стены, недоступных маленьким детям.
Использование старого мобильника
Технология разработки очень простая. На кнопке 1 мобильного телефона есть пиктограмма магнитофона. При продолжительном удерживании можно дозвониться на номер, указанный предварительно. По такому принципу работает GSM-сигнализация.
Инструкция по установке мобильного устройства не представляет собой ничего сложного. Процессор сканирует состояние кнопки. Для замыкания контактов подойдет какой-нибудь маломощный оптрон.
Выходной импульс подается на средний контакт, проверяется уровень сигнала. Гальваническая разрядка от внешних элементов замечательно согласуется со схемами телефона. Оптрон подпаивается к контактам короткими проводниками и закрепляется на мобильнике.
Малогабаритная выносная кнопка используется для выполнения функции клавиши 1. При поступлении импульса выполняется вызов. Абонент может прослушать все, что происходит в помещении, нажав на клавишу приема звонка. Обыкновенное зарядное устройство подходит для питания интегрированного мобильника.
GSM — охранная сигнализация с установленной схемой сопряжения
Данный метод дает возможность применения сигнала, который подается на приборы звукового оповещения. Выход компаратора LM311 откроется спустя какое-то время после набора конденсатором мощности 7 Вольт. После начала работы компаратора по направлению от резистора к оптрону подается ток. Таким образом осуществляется вызов.
При помощи резистора можно настраивать продолжительность задержки на активацию компаратора. Это предусмотрено для предотвращения ложных вызовов во время краткосрочного включения сигнализации. Схема сопряжения помещается на небольшой плате и устанавливается вместе с автозарядником в одном корпусе.
Подключение секретки
Могут возникать ситуации, когда сканируют пароль, воруют у владельца брелок с ключами или взламывают так, что ни разу не срабатывает GSM-сигнализация. Своими руками каждый желающий может создать так называемую секретку. Подключать ее несложно. Контакт устройства для питания светодиода выводится на схему сопряжения. Если после старта двигателя за время набора мощности конденсатора не нажать на секретную кнопку, делается вызов.
Полная handsfree
Эта технология используется только для схем автомобильной сигнализации. Полная HF-система может применяться вместо зарядника. Такие устройства обеспечивают питание и крепление телефонов, повышение качества связи за счет антенны, двухстороннюю громкоговорящую связь.
Для Nokia может быть использована оригинальная система CARK91. будет усовершенствована благодаря такому устройству. Добавляется возможность автоответа. При настройке минимальной громкости все будет слышно отчетливо. Микрофон устанавливается в салоне. Сама система может быть размещена в отделе для огнетушителя.
Заключение
Напоследок стоит добавить несколько слов о том, как должна выглядеть собранная GSM-сигнализация своими руками. Схема обязательно включает в себя все вышеперечисленные датчики. Извещатели и оповещатели должны правильно соединяться с портами программного модуля.
Устанавливать систему дома необходимо до завершения ремонтных работ. В другой ситуации следует прибегнуть к помощи специалистов, чтобы не создать себе дополнительных проблем. После всегда остается много строительного мусора, грязи и пыли в жилом помещении.

































Минимум деталей необходимы для сигнализации
Датчик имеет простую конструкцию
Большинство хозяев дач всегда часто подумывают о том, как максимально эффективно предотвратить несанкционированное вторжение незваных гостей в частную собственность. Причем, головной болью для дачника является окончание летнего сезона и соответственно редкое посещение своего дачного участка. Поэтому, именно в этот период стоит ждать более учащенные случаи взлома и ограбления, поскольку, сторожа дачных кооперативов не в состоянии контролировать всю огромную территорию одновременно.А храним мы в дачных строениях достаточно много ценных вещей: холодильник, телевизор, газовая или электроплита, газовый баллон, консервация, шланги, садовый инструмент, строительные материалы и так далее. Как же избежать этого? Специальные фирмы, занимающиеся охранным бизнесом с маленькой вероятностью, что будут браться за постановку на пультовую сигнализацию Ваш участок, и стоимость такой услуги, разумеется, не считая абонентской платы, очень высокая. И все же, выход есть! Это gsm сигнализация для дачи своими руками! Чем же это удобно, рассмотрим повнимательнее! Gsm сигнализация для дачи удобна тем, что не требует никакого проводного соединения и является мобильной. Кроме самой сирены, «ревуна», которая к слову, очень мощная и слышна достаточно далеко, в минимальную комплектацию входят основные элементы контроля. Датчик открытия, который устанавливается обычно на входную дверь или окно и срабатывает при разрыве контактов при открытии. Датчик объёма/движения, который срабатывает при изменении объёма в помещении, то есть когда человек входит в охраняемое помещение, объём в нём изменяется и происходит сработка. А так же этот датчик работает на движение.
Организация систем безопасности, в частности, комплексного масштаба, в перечень которых входят все охранные подсистемы. Позволяют достичь лучших показателей на предмет создания безопасности в доме или офиса, контроля и учета доступа в помещения, охранно-пожарная сигнализация. Причем, стоимость такого технического решения оправдывает цели, особенно для больших предприятий или огромных жилищных помещений. Правда, что-бы построить грамотную охранную систему, необходимо иметь достаточно большой опыт в проектировании и инсталляции комплексных решений. Поэтому, основное ударение при подборе подрядчика на монтаж технологий безопасности, необходимо выделять из перечня преимуществ…
Правильный подбор камеры видеонаблюдения, будь-то для дома, офиса или большого предприятия играет очень важную роль. Так как, есть большой риск купить камеру видеонаблюдения совсем другого формата или целевого назначения. Поэтому, следует вначале создать для себя четкое техническое задание, а потом смело выбирать устройство под готовое ТЗ. Такая информация намного облегчит поиски, как для самого заказчика, так и для компании-инсталлятора. В итоге правильное подобранное решение обеспечит максимальную функциональность охранного комплекса, а также срок службы оборудования (верно скомпоновано использование техники в для определенной среды)…
Система видеонаблюдения, как отдельный компонент от комплексной системы безопасности, очень часто интегрируется в жилые и офисные помещения Крыма, в частности, Алушта, Ялта, Севастополь и другие курортные города полуострова. Однако это не означает, что порядок выбора и дальнейшая установка оборудования очень простой и быстрый этап, в отличии от глобальной охранной системы. Поэтому, внимательное создание технического задания, грамотный подбор оборудования и профессиональная установка аппаратуры, сделают, в этом случае, высокотехнологичное и качественное решение. А реализовать такую работу, конечно же, под силу только опытным специалистам. Но не тут, то было… 













