Левитрон — это игрушка, демонстрирующая левитацию крутящегося волчка, в котором расположен неодимовый магнит над ферритовым магнитом большего деаметра. Выглядит это удивительно!
Материалы для изготовления Левитрона
Итак, нам понадобится для изготовления игрушки три магнита в форме колец, обладающие достаточной мощностью. Вполне подойдут для нашей цели магниты из низкочастотных динамиков, срок службы которых давно истек.
Для того чтобы сделать волчок, будет нужен неодимный магнит. Взять его можно из динамика, на котором имеется надпись«Neodium transducer». Применяются подобные динамики в сотовых. Самый сильный постоянный магнит сегодня – это неодимный, созданный из сплава, в который входят неодим, бор и железо. Высокая температура негативно повлияет на него, поэтому этот магнит следует беречь от нагревания. Итак, магнит из сотового телефона может оказаться двух видов – в виде круглой пластинки или же в виде кольца. Кольцевой магнит одевается на сам волчок строго по центру, а магнит в форме таблетки приклеивается на ось волчка снизу. Материалом для самого волчка должен служить легкий материал, такой как композит или пластмасса.
Настройка левитрона
К настройке следует подойти с особой скрупулезностью, ведь эта часть работы имеет решающее значение и является наиболее трудоемкой. Кольцевые магниты должны быть соединены между собой разнополярными сторонами. Сверху на них следует установить пластину (не из металла) толщиной до 1 см. Волчок аккуратно будет установлен в основание левитрона – центр магнита. Если Вы заметили, что волчок отклоняется в сторону, значит, магнит нужно заменить на другой, с большим диаметром.
Чтобы запустить волчок, понадобятся еще несколько элементов, с помощью которых можно будет регулировать толщину платформы, чтобы достичь нормального вращения волчка. Нам понадобится пластика из оргстекла с бумажными листами. Если волчок крутится нормально, начинаем плавно приподнимать платформу, пока он не взлетит вверх.
Если наш волчок подлетает с излишней стремительностью, следует увеличить его вес. Если же он отклоняется в одну сторону, то исправить ситуацию можно, подложив бумажные листы под противоположную. Эти действия позволяют настроить основу нашей игрушки, так чтобы она находилась четко на уровне моря.
И видео с левитронами…
.
В этой статье Константин, мастерская How-todo, покажет нам как сделать левитрон.
Итак, левитрон. Принцип работы данной приблуды прост, как саморез. Электромагнитом поднимаем в воздух кусочек некоего магнитного материала. Для создания эффекта парения, электромагнит включаем и выключаем с большой частотой.
То-есть, как-бы поднимаем и бросаем магнитный образец.
Схема такого устройства на удивление проста, и повторить его не составляет сложностей. Вот, собственно, схема.
Нужные нам материалы и компоненты.
Светодиод любого цвета, он не обязателен.
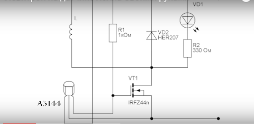
Транзистор IRFZ44N, подойдет практически любой похожий по параметрам полевик.
Диод, здесь автор использует HER207, с тем же успехом будет работать какой-нибудь 1N4007.
Резисторы на 1 кОм и 330Ом (последний не обязателен).
Датчик холла, у меня это A3144 его тоже можно заменить на похожий.
Медный намоточный эмалированный провод диаметром 0,3 0,4 мм, метров 20. У автора провод 0,36 мм.
Неодимовый магнитик типа таблетки, размером 5 на 1 мм, тоже не особо принципиально, в пределах разумного.
В качестве источника питания подойдет ненужный пятивольтовый зарядник от телефона.
Клей, бумага, паяльник припой… стандартный набор паяльщика.
Давайте перейдем к сборке. Для начала необходимо сделать картонную катушку для корпуса будущего электромагнита.
Параметры катушки следующие:
6 мм диаметр внутренней втулки, ширина слоя намотки приблизительно 23 мм и диаметр щечек, с запасом, около 25 мм.
Как видите, Константин соорудил корпус для катушки из картонки и обрезка тетрадного листа, хорошенько смазав их суперклеем.
Закрепим начало провода в каркасе, наберемся терпения и начинаем накручивать примерно 550 витков.
Направление намотки не имеет значения. Можно даже намотать в навал, но это не наш метод.
Наматываем 12 слоев, виток к витку, изолируя каждый слой изолентой.
Потратив часа полтора, закрепляем конец провода и откладываем катушку.
Приступаем к пайке, все согласно схемы, без каких-либо отличий.
Выводы Датчика Холла удлинняем проводками и изолируем термоусадкой, ведь его необходимо расположить внутри катушки.
Собственно все, остается только настроить, для этого устанавливаем датчик Холла внутри катушки и фиксируем подручными средствами.
Подвешиваем катушку, подаём питание.
Поднеся магнит чувствуем, что он притягивается или отталкивается, в зависимости от полярности.
На некотором расстоянии магнит пытается зависнуть, но на длительное время не зависает.
Изучаем документацию на датчик, где специально в картинках показано, с какой стороны у него чувствительная зона.
Вынимаем его и сгибаем таким образом, чтобы плоская сторона с надписями оказалась в итоге параллельно земле.
Запихиваем обратно, на этот раз все значительно лучше.
Но до сих пор не парит.
Проблема заключается в форме магнита, а именно — плоская форма «таблетки».
Не самая удачная, которую можно придумать для левитации. Достаточно всего лишь сместить центр тяжести вниз. Организуем это при помощи куска толстой бумажки.
Кстати, перед приклеиванием противовеса, не забудьте сначала посмотреть с какой стороны магнит притягивается к катушке.
Собственного теперь все более-менее работает, остается только отцентровать и закрепить датчик.
Слово «левитация» происходит от английского «levitate» — парить, подниматься в воздух. То есть левитация — это преодоление объектом гравитации, когда он парит и не касается опоры, не отталкиваясь при этом от воздуха, не используя реактивную тягу. С точки зрения физики, левитация — это устойчивое положение объекта в гравитационном поле, когда сила тяжести скомпенсирована и имеет место возвращающая сила, обеспечивающая объекту устойчивость в пространстве.
В частности магнитная левитация — это технология подъёма объекта с помощью магнитного поля, когда для компенсации ускорения свободного падения или любых других ускорений используется магнитное действие на объект. Именно о магнитной левитации и пойдет речь в данной статье.
Магнитное удержание объекта в состоянии устойчивого равновесия можно реализовать несколькими способами. Каждый из способов имеет свои особенности, и к каждому можно предъявить претензии, вроде «это не настоящая левитация!», и так оно на самом деле и будет. Настоящая левитация в чистом виде недостижима.
Так, теорема Ирншоу доказывает, что, используя только ферромагнетики, невозможно устойчиво удерживать объект в гравитационном поле. Но несмотря на это, с помощью сервомеханизмов, диамагнетиков, сверхпроводников и систем с вихревыми токами возможно достичь подобие левитации, когда какой-нибудь механизм помогает объекту сохранять равновесие, когда тот поднят над опорой магнитной силой. Однако обо всем по порядку.
Электромагнитная левитация с системой слежения
Применив схему на базе электромагнита и фотореле можно заставить левитировать небольшие металлические предметы. Предмет будет парить в воздухе на некотором расстоянии от неподвижно закрепленного на стойке электромагнита. Электромагнит получает питание, пока фотоэлемент, закрепленный в стойке, не затенен парящим предметом, пока на него попадает достаточно света от неподвижно закрепленного контрольного источника, это значит, что объект нужно притянуть.
Когда объект достаточно приподнят, электромагнит отключается, поскольку в этом момент тень от перемещенного в пространстве объекта падает на фотоэлемент, перекрывая свет источника. Объект начинает падать, но упасть не успевает, так как снова включился электромагнит. Так, отрегулировав чувствительность фотореле, можно добиться эффекта, при котором объект будет как-бы висеть на одном месте в воздухе.
На самом деле объект непрерывно то падает, то вновь немного приподнимается электромагнитном. Получается иллюзия левитации. На этом принципе основана работа «левитирующих глобусов» — довольно необычных сувениров, где к глобусу прикреплена магнитная пластина, с которой и взаимодействует электромагнит, скрытый в подставке.
Графитовый грифель от простого карандаша является диамагнетиком, то есть веществом, которое намагничивается против внешнего магнитного поля. В определенных условиях происходит полное вытеснение магнитного поля из материала диамагнетика, например графитовый грифель обладает высокой магнитной восприимчивостью, и начинает парить над неодимовыми магнитами даже при комнатной температуре.
Для устойчивости эффекта магниты следует собрать в шахматном порядке (полюса магнитов), тогда графитовый стержень не выскользнет из «магнитной ловушки» и будет левитировать.
Редкоземельный магнит с индукцией всего 1 Тл может висеть между пластинами висмута, а в магнитном поле с индукцией 11 Тл можно между пальцами стабилизировать «левитацию» маленького неодимового магнита, поскольку руки человека являются диамагнетиком, как и вода.
Известен достаточно широко распространенный опыт с левитирующей лягушкой. Животное аккуратно помещают над магнитом, который создает магнитную индукцию больше 16 Тл и лягушка, демонстрируя диамагнитные свойства, фактически зависает в воздухе на небольшом расстоянии от магнита.
Пластина из оксида иттрия-бария-меди охлаждается до температуры жидкого азота. В этих условиях пластина . Если теперь положить неодимовый магнит на подставку над пластиной, а затем подставку из под магнита вытащить, то магнит зависнет в воздухе — будет левитировать.
Даже небольшой магнитной индукции порядка 1 мТл достаточно чтобы магнит, будучи положен на пластину, приподнялся над охлажденным высокотемпературным сверхпроводником на несколько миллиметров. Чем выше индукция магнита — тем выше он поднимется.
Дело здесь в том, что одно из свойств сверхпроводника — выталкивание магнитного поля из сверхпроводящей фазы, и магнит, отталкиваясь от этого магнитного поля противоположного направления как-бы всплывает и продолжает парить над охлажденным сверхпроводником до тех пор, пока он не выйдет из сверхпроводящего состояния.
Вихревые токи (токи Фуко), наводимые переменными магнитными полями в массивных проводниках также способны удерживать предметы в левитирующем состоянии. Например катушка с переменным током может левитировать над замкнутым кольцом из алюминия, а алюминиевый диск будет парить над катушкой с переменным током.
Объяснение здесь такое: по закону Ленца, индуцируемый в диске или в кольце ток будет создавать такое магнитное поле, что его направление станет препятствовать причине его вызывающей, то есть в каждый период колебаний переменного тока в индукторе, в массивном проводнике будет индуцироваться магнитное поле противоположного направления. Так, массивный проводник или катушка подходящий формы смогут левитировать все время пока включен переменный ток.
Аналогичный механизм удержания проявляется, когда роняют внутри медной трубы — магнитное поле индуцированных вихревых токов направлено противоположно магнитному полю магнита.
Андрей Повный
Здесь рассказано и показано, как сделать крутой левитрон своими руками!
Эту поделку меня вынудили собрать в универе:)
Делал я её в паре с одногруппником, задачей которого было сделать чумовой корпус, а с меня — электронную начинку.
Насколько всё классно получилось — судите сами, пишите комментарии, интересно будет почитать, обсудить.
Не помню, как именно мы пришли именно к идее сделать левитрон, тема поделки была вольная. Конструкция вроде и простая, но глаз притягивает.
Вообще сам левитрон — устройство, которое поддерживает какой-либо предмет в среде, которая никак не соприкасается с какой-либо поверхностью, кроме как через воздух. В вакууме тоже будет работать.
В данном случае электроника заставляет парить магнит, а магнит уже можно приклеить к, например, банке из-под вкусного недорогого напитка:)
Если хорошенько поискать в интернете, то можно увидеть много разных вариантов электромагнитного левитрона, например:
Их можно условно разделить на подвесной и отталкивающий. Если в первом случае необходимо просто компенсировать силу тяжести, то во втором ещё и смещение в горизонтальной плоскости, так как согласно теореме Ирншоу «всякая равновесная конфигурация точечных зарядов неустойчива, если на них кроме кулоновских сил притяжения и отталкивания ничто не действует.» — цитата из вики.
Из этого вытекает, что подвесной левитрон проще в изготовлении и настройке, если таковая вообще необходима. Сильно заморачиваться не хотелось, поэтому для универа сделали подвесной левитрон, о котором здесь идёт речь, а отталкивающий уже делал для себя любимого:) О нём в другой статье будет написано. Чуть позднее удалю этот текст и дам тут ссылку на него. Работает великолепно, но минусы свои тоже имеет.
В свою очередь все подвесные левитроны можно так же условно разделить на цифровые и аналоговые по способу удержания предмета на одном расстоянии. А по типу датчиков их можно разделить на оптические, электромагнитные, звуковые и, наверное, всё.
То есть сигнал о расстоянии магнита до левитрона мы получаем аналоговый, а корректируем силу воздействия на магнит уже цифровым способом. Hi-tech, однако.
Сама идея была позаимствована на сайте geektimes, а печатная плата была изготовлена уже персонально под наш набор деталей. Так же в исходном проекте были использованы трёхвыводные датчики SS49 , но сроки были весьма сжатые, у нас они стоили мягко говоря неоправданно дорого ($4 за штуку против $6 за 10 штук в китае — ссылка для примера), поэтому мы использовали четырёхвыводные датчики Холла. Пришлось изменить схему и внести конструктивные дополнения в устройство. Так же для большей понтовости был добавлен блок светодиодов, которые плавно загораются при поднесении магнита, то есть когда левитрон начинает работать и плавно выключаются, когда магнит убирают. Всё это будет отражено на схеме.
Собственно, схема левитрона на четырёхвыводных датчиках:
И схема левитрона на трёхвыводных датчиках и более простой подсветкой:
Принцип действия довольно прост. Катушка, являющаяся электромагнитом при подаче питания притягивает магнит — предмет притягивается. Датчик, прикреплённый между магнитом и катушкой фиксирует увеличение магнитного потока, что означает приближение магнита. Электроника это отслеживает и отключает катушку от источника напряжения. Магнит начинает падать под действием силы тяжести. Датчик фиксирует уменьшение магнитного потока, что сразу же обнаруживается электроникой и на электромагнит подаётся напряжение, магнит притягивается — и так происходит очень часто — около 100 тысяч раз в секунду. Возникает динамическое равновесие. Человеческий глаз не успевает заметить этого. Частота генератора задаётся резистором и конденсатором на выводах 5 и 6 микросхемы TL494.
Второй датчик на другой стороне электромагнита нужен для того, чтобы компенсировать магнитное поле, создаваемое самой катушкой. То есть, если бы не было этого второго датчика — при включении электромагнита система бы не могла отличить интенсивность магнитного поля неодимового магнита от магнитного поля, создаваемого самим электромагнитом.
Итак, мы имеем систему двух датчиков, сигнал с которых поступает на операционный усилитель в дифференциальном включении. Это значит, что на выходе операционного усилителя появляется лишь разность напряжений, получаемых с датчиков.
Для примера. На одном из датчиков на выходе напряжение 2,5 В, а на другом — 2,6 В. На выходе будет 0,1 В. Этот дифференциальный сигнал находится на выводе 14 микросхемы LM324 по схеме.
Далее этот сигнал поступает на два следующих операционных усилителя — OP1.1, OP 1.3, выходные сигналы которых через диодный вентиль идут на 4 вывод микросхемы TL494. Диодный вентиль на диодах D1, D2 пропускает только одно из напряжений — то, которое будет больше по номиналу. Вывод №4 ШИМ контроллера рулит следующим образом — чем выше напряжение на этом выводе — тем меньше скважность импульсов. Резистор R9 предназначен для того, чтобы в ситуации, когда на входах диодного вентиля напряжения меньше 0,6 В — вывод №4 был однозначно притянут к земле — при этом ШИМ будет выдавать максимально большую скважность.
Вернёмся к операционным усилителям OP1.1, OP 1.3. Первый служит для выключения ШИМ контроллера, пока магнит находится на достаточно большом расстоянии от датчика, чтобы катушка не работала на максимуме вхолостую.
С помощью OP 1.3 задаём коэффициент усиления дифференциального сигнала — по сути задаёт глубину обратной связи (ОС). Чем сильнее обратная связь — тем сильнее система будет реагировать на приближение магнита. Если глубина ОС не достаточна — магнит можно будет поднести вплотную, а прибор не начнёт снижать мощность, накачиваемую в электромагнит. А если глубина ОС будет слишком большая — то скважность начнёт падать до того, как сила притяжения магнита сможет его удерживать на этом расстоянии.
Переменный резистор P3 ставить не обязательно — он служит для настройки частоты генератора.
OP1.2 является генератором напряжения 2,5 В, необходимый для четырёхвыводных датчиков. Для трёхвыводных датчиков типа SS49 он не нужен.
Забыл упомянуть о элементах C1, R6 и R7. Их фишка в том, что постоянный сигнал здесь урезается в 10 раз за счёт резисторов, а переменный за счёт конденсатора спокойно проходит дальше, тем самым достигается упор работы схемы на резкие изменения расстояния магнита до датчика.
Диод SD1 предназначен для гашения обратных выбросов в момент отключения напряжения на электромагните.
Узел на T2 позволяет плавно включать и выключать светодиодную линейку при появлении импульсов на электромагните.
Перейдём к конструктивному исполнению.
Одним из ключевых моментов в левитроне является электромагнит. Мы делали каркас на основе какого-то строительного болта, на котором были вырезаны круглые бортики из фанеры.
Магнитный поток здесь зависит от нескольких ключевых факторов:
- наличие сердечника;
- геометрия катушки;
- ток в катушке
Если проще, то чем больше катушка и больший ток течёт в ней — тем сильнее она притягивает магнитные материалы.
В качестве обмотки использовали провод ПЭЛ 0,8 мм. Мотали на глаз, пока размеры катушки не показались внушительными. Получилось следующее:
Найти необходимый провод в наших краях может не получиться, однако вполне легко находится в интернет магазинах — провод 0,4 мм для намотки катушки .
А пока моталась катушка была подготовлена и вытравлена плата. Делалась по технологии ЛУТ, рисунок платы был сделан в программе Sprint LayOut. Скачать плату левитрона можно по ссылке .
Травилась плата в остатках аммония персульфата, пустая банка которого была успешно применена далее в этом проекте:)
Хочу отметить, что размещение деталей, а так же разводка дорожек подразумевают очень аккуратную пайку, так как легко наделать соединений там, где их быть не должно. Если таковых навыков нету — вполне дозволительно это сделать компонентами больших размеров на макетной плате, типо такой , а соединения выполнять с помощью проводов с обратной стороны.
По итогу плата получилась такая:
Плата очень эргономично вписалась в габариты катушки и была прикреплена прямо на неё с помощью могучего термоклея, тем самым превращаясь в единый моноблок — подключил питание, настроил и система работает.
Но это всё было до того, как был готов электромагнит. Плата была сделана немного раньше и чтобы хоть как-то протестировать работоспособность устройства была временно подключена менее габаритная катушка. Первый результат порадовал.
Датчики, как уже писалось выше, применены от систем слежения положения BLDC двигателей, четырёхвыводные. Так как не удалось найти на них документацию пришлось опытным путём выяснять, какие выводы за что отвечают. Форм-фактор получился такой:
Тем временем подоспел крупногабаритный электромагнит. Эта штука вселяла большую надежду:)
Первые испытания с большим электромагнитом показали довольно большое рабочее расстояние. Тут есть один нюанс — датчик, который расположен на стороне неодимового магнита должен быть немного дальше от катушки для уверенного срабатывания электроники.
Последнее фото больше напоминает некий космический спутник. Кстати, именно так и можно было бы оформить этот левитрон. И у тех, кто намерен повторить конструкцию — всё впереди:)
В качестве левитирующего предмета было решено использовать банку прохладительного напитка. Лепим на двухсторонний скотч магнит к банке, проверяем.
Работает прекрасно, в целом, устройство можно считать готовым. Осталось внешнее оформление. Из брусков и палок была сделана опорная балка, корпус нашего моноблока был выполнен из той самой пустой пластиковой банки из-под аммония персульфата. Из моноблока выходит всего два провода на питание, как и задумывалось.
К этому моменту уже была напаяна навесным монтажом схема плавного включения линейки светодиодов, сама линейка успешно примонтирована на вездесущий термоклей.
В качестве блока питания выступает позаимствованный у какого-то принтера блок, переделанный с 42 В на 12 В.
Внешний вид блока питания тоже покажу:)
Далее из фанеры была сделана подставка, в котором помещался блок питания и разъём для подключения 220 В. Наверху была наклеена матерчатая ткань для красоты, вся конструкция окрашена в жёлто-чёрный цвет. Банку поменяли, так как в ходе экспериментов она немного помялась.
Из этого всего помимо эффекта левитации получился ещё очень даже замечательный ночник.
Видео добавлю чуть позднее, а пока в довершение всему хочу сказать, что мою конструкцию легко повторил 13-летний учащийся моего радиокружка.
Пока ещё внешний вид до законченного варианта не доведён, но электронная начинка работает как положено. Фото его конструкции:
Левитация
(от лат. levitas
«легкость, легковесность») — физическое явление, при котором предмет без видимой опоры пари́т в пространстве, не касаясь твёрдой поверхности. Люди часто связывают это явление с магией, привидениями, НЛО и прочими невероятных явлениями.
С другой стороны, левитация относительно простое физическое явление для металлических предметов, находящихся в магнитном поле.
Предлагаю вам ознакомиться с устройством, предназначенным для левитации металлических предметов
. Принцип работы прост. Для того, чтобы предмет мог висеть в пространстве, вместо постоянного магнита надо использовать электромагнит, управляемый с помощью электронной схемы таким образом, чтобы металлический предмет как бы парил на некотором расстоянии от электромагнита. За положением предмета в пространстве следит оптическая пара, которая состоит из инфракрасного фото и светодиодов. Если объект поднимается слишком высоко, то фотодиод будет менее освещен-ток через обмотку электромагнита уменьшится и его сила притяжения также уменьшится. Если объект опустится слишком низко, фотодиод будет более освещенным, ток через обмотку электромагнита увеличивается, и его сила притяжения увеличится.
Рис. 1 Схема устройства электромагнитной левитации
В схема управления устройства магнитной левитации
(рис.1) используется операционный усилитель (ОУ) 1458 или 4558 и мощный MOSFET с теплоотводом. Опорное напряжение снимается с делителя R3-R4 и подается на неинвертирующий вход 3 ОУ. Контролируемое напряжение подается с делителя R2-VD2 на вход 2 ОУ. При небольшом изменении напряжения на R2-VD2 появляется сигнал рассогласования, который многократно, усиливается и изменяет напряжение на транзисторе VT1.
Электромагнит можно намотать на каркасе большого старого реле. Катушка содержит 1200 витков провода диаметром 0,4-0,5 мм. Железный сердечник имеет диаметр 8-10 мм.
Особых критериев для используемого фотодиода нет, можно использовать ту модель, которая есть у вас под рукой. Но т. к, их характеристики разнятся, резистором R1 настраивают четкую работу схемы при данных параметрах фотодиода.
Если у вас возникнут проблемы с устойчивостью работы устройства (объект вибрирует),то, возможно, потребуется изменить постоянную времени контура. Для этого необходимо экспериментально подобрать номинал конденсатора С1, от 22 мкф до 1мкф, пока цепь не станет работать устойчиво.
Как работает Левитрон?
Теперь, когда вы заинтересовались левитацией, создав или купив свой первый Левитрон, вам осталось только освоить искусство запуска, мы поможем вам в этом, рассмотрев принцип действия. И научим вас искусству запуска Левитрона, расскав о секретах и тонкостях этой технологии.
Овладеть искусством запуска волчка и помещения его в позицию стабильной левитации, вы и окружающие, гарантированно ощутите полное изумление. Сегодня левитация волнует многих людей. Мы получаем многочисленные запросы от клиентов, с вопросами по левитации и объяснения того, как работает левитрон.
Многие экспресс озадаченность, что он работает на всех, часто ссылаясь на теорему, принадлежащую Эрншоу (1,2), как доказательство того, что он не должен работать. Интерес к левитрон имеет всегда кипят среди ученых. в последнее время аналогий левитрон ловушкам для микроскопических частиц (например, электронов, нейтронов) были признаны учеными, работающими в увлекательной области исследований, где материя манипулируют и исследуют, одну такую микроскопическую частицу в то время, . Первый признать аналогию, был доктор Майкл В. Берри из университета Бристоля. Д-р Берри, вдохновленный этим признанием, опубликовал подробное изложение физики функционирования левитрон (в 3). бумага доктора Берри является одним из лучших существующих объяснение того, как работает Левитрон и он любезно приготовил для нас краткую инкапсуляцию основных тем, которые мы представляем ниже. Те, кто желает, чтобы прочитать полную экспозицию следует запросить копию бумаги от доктора Берри.
Что его держит?
«Антигравитация», — это сила, которая отталкивает вершины от основания магнетизм. И верх и тяжелая горбыль внутри базовой коробки намагничиваются, но противоположно. Подумайте основного магнита с его северным полюсом направлен вверх, а сверху, как магнит с его северный полюс направлен вниз (рис.1). Принцип заключается в том, что два одинаковых полюса (например, два Norths) отталкиваются и что два противоположных полюса притягиваются, с силами, которые сильнее, когда полюса ближе. Есть четыре магнитных сил на вершине: на ее северном полюсе, отталкивание с севера в базу и притяжения с юга базу, а также на его южном полюсе, притяжение с севера для базы и отталкивания с юга базы. Из-за способа силы зависят от расстояния, к северо-северо отталкивание доминирует, а верхняя магнитно отталкиваются. Он висит где это вверх отталкивание уравновешивает вниз сила тяжести, то есть в точке равновесия, где суммарная сила равна нулю.
Почему Левитрону нужно вращаться?
Чтобы предотвратить опрокидывание вершины. Помимо обеспечения силы на вершине в целом, магнитное поле базы дает крутящий момент, стремящийся повернуть его ось вращения. Если верхняя не спиннинг, этот магнитный вращающий момент будет перевернуть его. Затем ее южный полюс будет направлена вниз, и сила от основания будет привлекательным, — то есть, в том же направлении, что и силы тяжести — и вершина будет падать. Когда верхний вращается, крутящий момент действует гироскопически и ось не опрокинуть, но вращается вокруг (почти вертикально) направление магнитного поля. Это вращение называется прецессией (рис.2). С Левитроном, ось почти вертикально и прецессии видно, как дрожь, которая получает более произносит как топ замедляется. Эффективность спина в стабилизации магнитно поддерживается вершины, такие как Левитрон был обнаружен Рой М. Harrigan (4).
Почему Левитрон не скользит боком?
Для верхней она остается подвешенной, в одиночку равновесия недостаточно. Равновесие также должна быть стабильной, так что небольшое горизонтальное или вертикальное перемещение производит силой, толкающей вверх назад к точке равновесия. Для Левитрона, стабильности трудно достичь. Это зависит от того факта, что, как вершина перемещается в сторону, в сторону от оси основного магнита, магнитное поле базы, о которой ось волчка прецессировала, слегка отклоняется от вертикали (рис. 2). Если верхний прецессировала о точной вертикали, физика магнитных полей сделало бы равновесие неустойчиво. Поскольку поле настолько близко к вертикали, равновесие устойчиво только в небольшом диапазоне высот — от примерно 1,25 дюйма до 1,75 дюйма выше центра основания. (от 2,5 до 3,0 дюйма для увлечениях «нового Супер Левитрон). Теорема Эрншоу не нарушается поведение Левитрон. Эта теорема утверждает, что никакие статические расположения магнитных (или электрических) зарядов не может быть стабильным, в одиночку или под действием силы тяжести. Это не относится к Левитрон, потому что магнит (в верхней части) крутится и так динамически реагирует на поле от основания.
Почему вес Левитрона важен (и почему он должен быть отрегулирован)?
Вес верхней и силы намагничивания базы и верхний определяют высоту равновесия, где магнетизм уравновешивает силу тяжести. Эта высота должна находиться в стабильном диапазоне. Небольшие изменения температуры изменяет намагниченность базы и сверху. (При повышении температуры, направления атомных магнитов рандомизации и поле ослабевает). Если вес не корректируется, чтобы компенсировать, равновесие будет выходить за пределы диапазона стабильной и вершина будет падать. Так как стабильный диапазон настолько мал, эта регулировка деликатная — самый легкий шайба составляет лишь около 0,3% от веса верхней части.
Почему в конце концов Левитрон падает?
Верхний раскручивает стабилен в диапазоне приблизительно от 20 до 35 оборотов в секунду (RPS). Это совершенно неустойчив выше 35-40 RPS и ниже 18 оборотов в секунду. После того, как вершина прядут и левитировать, это замедляет из-за сопротивления воздуха. Через несколько минут она достигнет нижнего предела устойчивости (18 RPS) и падает. Спин время жизни Левитрон может быть расширен путем помещения его в вакууме. В течение нескольких вакуумных экспериментов, которые были сделаны верхней упала примерно через 30 минут. Почему он делает это не ясно; может быть, при изменении температуры, толкая равновесия из стабильного диапазона; может быть, есть некоторые крошечные остаточные долгосрочной нестабильности, потому что вершина не вращается достаточно быстро; или, возможно, вибрации вакуумного оборудования пробежку поле и постепенно привод оси прецессии от направления магнитного поля. Левитации может быть значительно продлен путем продувки воздуха с соответствующим воздушным зубчатый воротник, расположенных вокруг периферии волчка, с тем, чтобы поддерживать частоту спинов в стабильном диапазоне. В последнее время топ Левитрон хранилась вращающаяся в течение нескольких дней таким образом. Но наиболее успешным средством для продления левитации волчка является новым, электромагнитный импульсный прибор, который может держать верхнюю левитировать в течение многих дней или даже недель.
Как используется принцип Левитрона?
В последние десятилетия, микроскопические частицы изучались захвата их с магнитных и / или электрических полей. Есть несколько видов ловушек. Например, нейтроны могут быть проведены в магнитном поле, создаваемом системой катушек. Нейтроны вращающихся магнитных частиц, поэтому аналогия такой нейтронной ловушки с Левитрон близко.
Левитроном, как известно, называют волчок, вращающийся в воздухе над коробкой, в которой действует источник магнитного поля. Изготовить левитрон можно из популярного датчика холла.
Что такое левитрон
ВНИМАНИЕ!
Найден совершенно простой способ сократить расход топлива! Не верите? Автомеханик с 15-летним стажем тоже не верил, пока не попробовал. А теперь он экономит на бензине 35 000 рублей в год!
Левитрон – это игрушка. Ее нет никакого смысла покупать, если знать варианты изготовления самодельного устройства. Ничего сложного в конструкции такого левитрона не будет, если имеется обычный датчик холла, например, купленный для автомобильного трамблера, и оставленный впрок.
Следует знать, что эффект левитации наблюдается всегда в достаточно узкой зоне. Такие реалии несколько ограничивают свободу действий умельцев, однако при приложении терпения и времени, можно всегда настроить левитрон качественно и эффективно. Он практически не будет падать или скакать.
Левитрон из датчика холла
Левитрон на датчик холла и идея его изготовления проста, как и все гениальное. Благодаря силе магнитного поля в воздух поднимается кусок любого материала с электромагнитными свойствами.
Чтобы создался эффект «зависания», парения в воздухе, подключение осуществляется с большой частотой. Другими словами, магнитное поле, как бы, поднимает и бросает материал.
Схема устройства чересчур проста, и даже школьник, не просидевший уроки физики зря, сможет все самостоятельно соорудить.
- Нужен светодиод (цвет его подбирается в зависимости от индивидуальных предпочтений).
- Транзисторы RFZ 44N (хотя подойдет любой полевик, близкий к этим параметрам).
- Диод 1N 4007.
- Резисторы на 1 кОм и 330 Ом.
- Собственно, сам датчик холла (А3144 или другой).
- Медный намоточный провод размером 0,3-0,4 мм (около 20 метров будет достаточно).
- Неодимовый магнитик в виде таблетки 5х1 мм.
- 5-вольтный зарядочник, предназначенный для мобильника.
Теперь подробно о том, как проводится сборка:
- Делается каркас для электромагнита точно с такими же параметрами, как на фото. 6 мм – диаметр, около 23 мм – длина намотки, 25 мм – диаметр щечек с запасом. Изготавливается каркас из картонки и обычного тетрадного листа, с использованием суперклея.
- Конец медного провода фиксируется на катушке, а затем проводится наматывание (примерно 550 витков). Неважно при этом в какую сторону наматывать. Другой конец провода тоже закрепляется, катушка пока откладывается в сторону.
- Паяем все по схеме.
- Датчик холла припаивается на проводки, а затем ставится на катушку. Надо вдеть его внутрь катушки, зафиксировать подручными средствами.
Внимание. Чувствительная зона датчика (определить ее можно по документации к датчику холла) должна смотреть параллельно земле. Поэтому, перед тем как вдеть датчик в катушку, рекомендуется немного согнуть это место.
- Катушка подвешивается, на нее подается питание через спаянную ранее плату. Катушка фиксируется посредством штатива.
Теперь можно проверить, как работает левитрон. Можно подвести к катушке снизу любой наэлектризованный материал. Он будет либо притягиваться катушкой, либо отталкиваться, в зависимости от полярности. Но нам нужно, чтобы материал зависал в воздухе, парил. Так оно и будет, если форма материала не слишком мала по отношению к катушке.
Примечание. Если магнит в виде таблетки маленький, то он будет левитировать не слишком эффектно. Может падать. Чтобы исключить огрехи в работе, надо сместить центр тяжести материала к низу – в качестве груза подойдет обычный кусок бумажки.
Что касается светодиода, то его можно и не ставить. С другой стороны, если хочется большего эффекта, можно организовать шоу с подсветкой.
Самодельный левитрон в классическом исполнении без датчика
Как видим, благодаря наличию датчика холла удалось изготовить вполне эффектную игрушку. Однако это вовсе не означает, что без датчика не обходится. Напротив, самодельный левитрон в классическом исполнении, это лишь большой магнит от динамика (диаметром 13-15 см) и маленький кольцевой магнит для волчка (2-3 см в диаметре), без использования датчика.
Ось волчка делается, как правило, из старой ручки или карандаша. Главное – стержень подбирается так, чтобы плотно заходил по центру кольцевого магнита. Лишняя часть ручки после этого срезается (примерно 10 см в длину вместе с закрепленным магнитом для волчка, то что надо).
Классическая схема изготовления левитрона подразумевает также наличие десятка различных шайб, вырезанных из плотной бумаги. Для чего они понадобятся? Если в вышеописанном случае тоже использовалась бумага, и как мы помним – для смещения центра тяжести вниз или проще, для настройки. То же самое и здесь. Шайбочки буду нужны для идеальной настройки волчка (при необходимости сажаются после кольцевого магнита на стержень).
Внимание. Чтобы самодельный волчок идеально левитировал, помимо настройки шайбочками, нужно не ошибиться с полярностью. Другими словами, установить кольцевой магнит соосно большому магниту.
Но и это еще не все. Как в первом случае (с использованием датчика холла), так и во втором, надо добиться идеальной ровности источника притяжения. Говоря иначе, поставить большой магнит на идеально ровную поверхность. Чтобы добиться этого, применяются деревянные подставки различной толщины. Если магнит сидит не ровно, подставки ставятся с одной стороны или с нескольких, таким образом, настраивается ровность.
Платформенные левитроны
Отличается платформенная схема левитрона, как правило, наличием не одного, а нескольких магнитов-источников. Парящий в воздухе материал или волчок будет стремиться в этом случае упасть на один из магнитов, сместившись с вертикальной оси. Чтобы этого избежать, надо суметь скорректировать центральную зону притяжения, и сделать это идеально точно.
И тут на помощь приходят те самые катушки, с вдетым внутрь датчиком холла. Пусть таких катушек будет две, и расположить их следует ровно по середине платформы, между магнитами. На схеме это будет выглядеть вот так (1 и 2 — магниты).
Из схемы становится понятно, что целью управления катушками является создание горизонтальной силы, центра притяжения. Сила эта формально названа Fss, и направлена она к оси равновесия при возникновении смещения, указанного на схеме, как Х.
Если подключить катушки так, чтобы импульс создавал зону с обратной полярностью, то можно решить вопрос со смещением. Это подтвердит любой физик.
В качестве корпуса для конструкции платформенного левитрона подбирается любой старый проигрыватель ДВД. Из него снимаются все «внутренности», устанавливаются магниты и катушки, а в целях красоты, верхняя часть закрывается практичной крышкой из тонкого, можно прозрачного материала (пропускающего магнитное поле).
Датчики холла должны выступать через отверстия платформы, должны быть распаяны на разогнутых ножках разъемов.
Что касается магнитов, то это могут быть круглые элементы толщиной в 4 мм. Желательно, чтобы один из магнитов был больше второго по диаметру. Например, 25 и 30 мм.
Существуют и более сложные варианты левитронов, изготовленные по схеме раскручивания волчка, находящегося внутри небольшого глобуса. Эти левитроны также могут строиться с использованием датчиков холла – эффективных составляющих, совершивших целую революцию в автопромышленности и других сферах человеческой деятельности.
Здесь рассказано и показано, как сделать крутой левитрон своими руками!
Эту поделку меня вынудили собрать в универе:)
Делал я её в паре с одногруппником, задачей которого было сделать чумовой корпус, а с меня — электронную начинку.
Насколько всё классно получилось — судите сами, пишите комментарии, интересно будет почитать, обсудить.
Не помню, как именно мы пришли именно к идее сделать левитрон, тема поделки была вольная. Конструкция вроде и простая, но глаз притягивает.
Вообще сам левитрон — устройство, которое поддерживает какой-либо предмет в среде, которая никак не соприкасается с какой-либо поверхностью, кроме как через воздух. В вакууме тоже будет работать.
В данном случае электроника заставляет парить магнит, а магнит уже можно приклеить к, например, банке из-под вкусного недорогого напитка:)
Если хорошенько поискать в интернете, то можно увидеть много разных вариантов электромагнитного левитрона, например:
Их можно условно разделить на подвесной и отталкивающий. Если в первом случае необходимо просто компенсировать силу тяжести, то во втором ещё и смещение в горизонтальной плоскости, так как согласно теореме Ирншоу «всякая равновесная конфигурация точечных зарядов неустойчива, если на них кроме кулоновских сил притяжения и отталкивания ничто не действует.» — цитата из вики.
Из этого вытекает, что подвесной левитрон проще в изготовлении и настройке, если таковая вообще необходима. Сильно заморачиваться не хотелось, поэтому для универа сделали подвесной левитрон, о котором здесь идёт речь, а отталкивающий уже делал для себя любимого:) О нём в другой статье будет написано. Чуть позднее удалю этот текст и дам тут ссылку на него. Работает великолепно, но минусы свои тоже имеет.
В свою очередь все подвесные левитроны можно так же условно разделить на цифровые и аналоговые по способу удержания предмета на одном расстоянии. А по типу датчиков их можно разделить на оптические, электромагнитные, звуковые и, наверное, всё.
То есть сигнал о расстоянии магнита до левитрона мы получаем аналоговый, а корректируем силу воздействия на магнит уже цифровым способом. Hi-tech, однако.
Сама идея была позаимствована на сайте geektimes, а печатная плата была изготовлена уже персонально под наш набор деталей. Так же в исходном проекте были использованы трёхвыводные датчики SS49 , но сроки были весьма сжатые, у нас они стоили мягко говоря неоправданно дорого ($4 за штуку против $6 за 10 штук в китае — ссылка для примера), поэтому мы использовали четырёхвыводные датчики Холла. Пришлось изменить схему и внести конструктивные дополнения в устройство. Так же для большей понтовости был добавлен блок светодиодов, которые плавно загораются при поднесении магнита, то есть когда левитрон начинает работать и плавно выключаются, когда магнит убирают. Всё это будет отражено на схеме.
Собственно, схема левитрона на четырёхвыводных датчиках:
И схема левитрона на трёхвыводных датчиках и более простой подсветкой:
Принцип действия довольно прост. Катушка, являющаяся электромагнитом при подаче питания притягивает магнит — предмет притягивается. Датчик, прикреплённый между магнитом и катушкой фиксирует увеличение магнитного потока, что означает приближение магнита. Электроника это отслеживает и отключает катушку от источника напряжения. Магнит начинает падать под действием силы тяжести. Датчик фиксирует уменьшение магнитного потока, что сразу же обнаруживается электроникой и на электромагнит подаётся напряжение, магнит притягивается — и так происходит очень часто — около 100 тысяч раз в секунду. Возникает динамическое равновесие. Человеческий глаз не успевает заметить этого. Частота генератора задаётся резистором и конденсатором на выводах 5 и 6 микросхемы TL494.
Второй датчик на другой стороне электромагнита нужен для того, чтобы компенсировать магнитное поле, создаваемое самой катушкой. То есть, если бы не было этого второго датчика — при включении электромагнита система бы не могла отличить интенсивность магнитного поля неодимового магнита от магнитного поля, создаваемого самим электромагнитом.
Итак, мы имеем систему двух датчиков, сигнал с которых поступает на операционный усилитель в дифференциальном включении. Это значит, что на выходе операционного усилителя появляется лишь разность напряжений, получаемых с датчиков.
Для примера. На одном из датчиков на выходе напряжение 2,5 В, а на другом — 2,6 В. На выходе будет 0,1 В. Этот дифференциальный сигнал находится на выводе 14 микросхемы LM324 по схеме.
Далее этот сигнал поступает на два следующих операционных усилителя — OP1.1, OP 1.3, выходные сигналы которых через диодный вентиль идут на 4 вывод микросхемы TL494. Диодный вентиль на диодах D1, D2 пропускает только одно из напряжений — то, которое будет больше по номиналу. Вывод №4 ШИМ контроллера рулит следующим образом — чем выше напряжение на этом выводе — тем меньше скважность импульсов. Резистор R9 предназначен для того, чтобы в ситуации, когда на входах диодного вентиля напряжения меньше 0,6 В — вывод №4 был однозначно притянут к земле — при этом ШИМ будет выдавать максимально большую скважность.
Вернёмся к операционным усилителям OP1.1, OP 1.3. Первый служит для выключения ШИМ контроллера, пока магнит находится на достаточно большом расстоянии от датчика, чтобы катушка не работала на максимуме вхолостую.
С помощью OP 1.3 задаём коэффициент усиления дифференциального сигнала — по сути задаёт глубину обратной связи (ОС). Чем сильнее обратная связь — тем сильнее система будет реагировать на приближение магнита. Если глубина ОС не достаточна — магнит можно будет поднести вплотную, а прибор не начнёт снижать мощность, накачиваемую в электромагнит. А если глубина ОС будет слишком большая — то скважность начнёт падать до того, как сила притяжения магнита сможет его удерживать на этом расстоянии.
Переменный резистор P3 ставить не обязательно — он служит для настройки частоты генератора.
OP1.2 является генератором напряжения 2,5 В, необходимый для четырёхвыводных датчиков. Для трёхвыводных датчиков типа SS49 он не нужен.
Забыл упомянуть о элементах C1, R6 и R7. Их фишка в том, что постоянный сигнал здесь урезается в 10 раз за счёт резисторов, а переменный за счёт конденсатора спокойно проходит дальше, тем самым достигается упор работы схемы на резкие изменения расстояния магнита до датчика.
Диод SD1 предназначен для гашения обратных выбросов в момент отключения напряжения на электромагните.
Узел на T2 позволяет плавно включать и выключать светодиодную линейку при появлении импульсов на электромагните.
Перейдём к конструктивному исполнению.
Одним из ключевых моментов в левитроне является электромагнит. Мы делали каркас на основе какого-то строительного болта, на котором были вырезаны круглые бортики из фанеры.
Магнитный поток здесь зависит от нескольких ключевых факторов:
- наличие сердечника;
- геометрия катушки;
- ток в катушке
Если проще, то чем больше катушка и больший ток течёт в ней — тем сильнее она притягивает магнитные материалы.
В качестве обмотки использовали провод ПЭЛ 0,8 мм. Мотали на глаз, пока размеры катушки не показались внушительными. Получилось следующее:
Найти необходимый провод в наших краях может не получиться, однако вполне легко находится в интернет магазинах — провод 0,4 мм для намотки катушки .
А пока моталась катушка была подготовлена и вытравлена плата. Делалась по технологии ЛУТ, рисунок платы был сделан в программе Sprint LayOut. Скачать плату левитрона можно по ссылке .
Травилась плата в остатках аммония персульфата, пустая банка которого была успешно применена далее в этом проекте:)
Хочу отметить, что размещение деталей, а так же разводка дорожек подразумевают очень аккуратную пайку, так как легко наделать соединений там, где их быть не должно. Если таковых навыков нету — вполне дозволительно это сделать компонентами больших размеров на макетной плате, типо такой , а соединения выполнять с помощью проводов с обратной стороны.
По итогу плата получилась такая:
Плата очень эргономично вписалась в габариты катушки и была прикреплена прямо на неё с помощью могучего термоклея, тем самым превращаясь в единый моноблок — подключил питание, настроил и система работает.
Но это всё было до того, как был готов электромагнит. Плата была сделана немного раньше и чтобы хоть как-то протестировать работоспособность устройства была временно подключена менее габаритная катушка. Первый результат порадовал.
Датчики, как уже писалось выше, применены от систем слежения положения BLDC двигателей, четырёхвыводные. Так как не удалось найти на них документацию пришлось опытным путём выяснять, какие выводы за что отвечают. Форм-фактор получился такой:
Тем временем подоспел крупногабаритный электромагнит. Эта штука вселяла большую надежду:)
Первые испытания с большим электромагнитом показали довольно большое рабочее расстояние. Тут есть один нюанс — датчик, который расположен на стороне неодимового магнита должен быть немного дальше от катушки для уверенного срабатывания электроники.
Последнее фото больше напоминает некий космический спутник. Кстати, именно так и можно было бы оформить этот левитрон. И у тех, кто намерен повторить конструкцию — всё впереди:)
В качестве левитирующего предмета было решено использовать банку прохладительного напитка. Лепим на двухсторонний скотч магнит к банке, проверяем.
Работает прекрасно, в целом, устройство можно считать готовым. Осталось внешнее оформление. Из брусков и палок была сделана опорная балка, корпус нашего моноблока был выполнен из той самой пустой пластиковой банки из-под аммония персульфата. Из моноблока выходит всего два провода на питание, как и задумывалось.
К этому моменту уже была напаяна навесным монтажом схема плавного включения линейки светодиодов, сама линейка успешно примонтирована на вездесущий термоклей.
В качестве блока питания выступает позаимствованный у какого-то принтера блок, переделанный с 42 В на 12 В.
Внешний вид блока питания тоже покажу:)
Далее из фанеры была сделана подставка, в котором помещался блок питания и разъём для подключения 220 В. Наверху была наклеена матерчатая ткань для красоты, вся конструкция окрашена в жёлто-чёрный цвет. Банку поменяли, так как в ходе экспериментов она немного помялась.
Из этого всего помимо эффекта левитации получился ещё очень даже замечательный ночник.
Видео добавлю чуть позднее, а пока в довершение всему хочу сказать, что мою конструкцию легко повторил 13-летний учащийся моего радиокружка.
Пока ещё внешний вид до законченного варианта не доведён, но электронная начинка работает как положено. Фото его конструкции:
Принцип действия игрушки левитрон, которая наглядно демонстрирует состояние невесомости, основывается на действии магнитного поля, удерживающего предметы незначительного размера в воздухе.
Такие игрушки, к сожалению, пока не производится отечественной промышленностью, так что спрос на них не может быть удовлетворен. Есть, конечно, возможность заказать левитрон из-за рубежа, но стоимость игрушки (и так довольно высокая – 35 долларов) существенно увеличивается за счет цены доставки.
Но зато ничто не может помешать сделать левитрон собственноручно одним из двух известных способов: на электромагните или на постоянных магнитах.
Второй из указанных способов значительно проще первого, к тому же не потребуются специфические знания в области физики, да и электрическое питание этому устройству также не нужно.
Материалы для изготовления Левитрона
Итак, нам понадобится для изготовления игрушки три магнита в форме колец, обладающие достаточной мощностью. Вполне подойдут для нашей цели магниты из низкочастотных динамиков, срок службы которых давно истек.
Для того чтобы сделать волчок, будет нужен неодимный магнит. Взять его можно из динамика, на котором имеется надпись»Neodium transducer». Применяются подобные динамики в сотовых. Самый сильный постоянный магнит сегодня – это неодимный, созданный из сплава, в который входят неодим, бор и железо. Высокая температура негативно повлияет на него, поэтому этот магнит следует беречь от нагревания. Итак, магнит из сотового телефона может оказаться двух видов – в виде круглой пластинки или же в виде кольца. Кольцевой магнит одевается на сам волчок строго по центру, а магнит в форме таблетки приклеивается на ось волчка снизу.Материалом для самого волчка должен служить легкий материал, такой как композит или пластмасса.
Настройка левитрона
К настройке следует подойти с особой скрупулезностью, ведь эта часть работы имеет решающее значение и является наиболее трудоемкой. Кольцевые магниты должны быть соединены между собой разнополярными сторонами. Сверху на них следует установить пластину (не из металла) толщиной до 1 см. Волчок аккуратно будет установлен в основание левитрона – центр магнита. Если Вы заметили, что волчок отклоняется в сторону, значит, магнит нужно заменить на другой, с большим диаметром.
Чтобы запустить волчок, понадобятся еще несколько элементов, с помощью которых можно будет регулировать толщину платформы, чтобы достичь нормального вращения волчка. Нам понадобится пластика из оргстекла с бумажными листами. Если волчок крутится нормально, начинаем плавно приподнимать платформу, пока он не взлетит вверх.
Если наш волчок подлетает с излишней стремительностью, следует увеличить его вес. Если же он отклоняется в одну сторону, то исправить ситуацию можно, подложив бумажные листы под противоположную. Эти действия позволяют настроить основу нашей игрушки, так чтобы она находилась четко на уровне моря.
Идея устройства очень проста, электромагнит поднимает в воздух магнит, а для создания эффекта левитации в магнитном поле, он подключен к высокочастотному источнику, который то поднимает, то опускает объект.
Шаг 1: Схема устройства
Схема на удивление проста и я полагаю, что у вас не составит труда собрать левитрон своими руками. Вот список компонентов:
- светодиод (любого цвета — это опционально)
- транзистор Irfz44n (или любой подходящий mosfet)
- диод HER207 (с таким же успехом должен работать 1n4007)
- резисторы 1k и 330Om (последний необязателен)
- датчик Холла A3144 (либо аналогичный)
- медный обмоточный провод диаметром 0.3 — 0.4 мм и длиной 20 м
- неодимовые магниты (я использовал 5 * 1 мм)
Шаг 2: Сборка
Приступим к сборке. Сперва нам нужно сделать рамку для электромагнита примерно таких размеров: диаметр 6 мм, высота мотка примерно 23 мм, и диаметр ушек около 25 мм. Как видите, изготовить её можно из обычного листа, картона и суперклея. теперь закрепим начало мотка на рамке и расслабимся — нам нужно будет сделать около 550 оборотов, неважно в каком набавлении. Я сделал 12 слоёв, что отняло у меня 1.5 часа.
Шаг 3: Спайка
Спаиваем всё по схеме, без каких-либо нюансов. Датчик Холла припаян к проводам, т.к. он будет помещён в катушку. Когда всё спаяете, поместите датчик в катушку, закрепите его, подвесьте катушку и подайте ток. Поднеся магнит, вы почувствуете, что он притягивается или отталкивается, в зависимости от полюса, и пытается зависнуть в воздухе, но неудачно.
Шаг 4: Настройка
После 30 минут, потраченных над разгадкой вопроса, «почему эта штука не работает?», я пришел в отчаяние и прибегнул к крайним мерам — начал читать спецификацию к датчику, которую создают для таких людей как я. В спецификации имелись картинки, на которых было изображено, какая из сторон чувствительная.
Вытащив датчик и согнув его таким образом, чтобы плоская сторона с надписями была параллельна земле, я вернул его на место — самодельное устройство стало работать заметно лучше, но магнит всё ещё не левитировал. Понять в чём проблема удалось достаточно быстро: магнит в форме таблетки — не самый лучший экземпляр для левитации. Было достаточно сместить центр тяжести к нижней части магнита (я сделал это при помощи куска толстой бумаги). Кстати, не забудьте проверить, какая сторона магнита притягивается к катушке. Теперь всё работало более или менее нормально и осталось закрепить и защитить датчик.
Какие еще нюансы есть в этом проекте? Сначала я хотел использовать адаптер на 12V, но электромагнит быстро грелся, и мне пришлось переключить его на 5V, я не заметил никаких ухудшений в работе, а нагрев был практически устранён. Диод и ограничивающий резистор были практически сразу отключены. Также я снял с катушки синюю бумагу — мотки медной проволоки смотрятся гораздо красивее.
Шаг 5: Финал
Магнитная левитация всегда выглядит впечатляюще и завораживающе. Такое устройство сегодня можно не только купить, но и сделать самому. И для того, чтобы создать такое устройство магнитной левитации не обязательно тратить на это много денег и времени.
В данном материале будет представлена схема и инструкция по сборке магнитного левитатора из недорогих компонентов. На саму сборку уйдет не более двух часов.
Идея данного устройства под названием левитрон очень проста. Электромагнитная сила поднимает в воздух кусок магнитного материала, а для того, чтобы создать парящий эффект, происходит поднятие и опускание объекта в очень малом диапазоне высот, но с очень большой частотой.
Чтобы собрать левитрон понадобятся всего лишь семь компонентов, включая катушку. Схема устройства магнитной левитации представлена ниже.
Итак, как мы видим по схеме, помимо катушки нам понадобятся полевой транзистор, например, IRFZ44N или другой подобный MOSFET, диод HER207 или что-то вроде 1n4007, резисторы 1 КОм и 330 Ом, датчик Холла A3144, а также опционально индикаторный светодиод. Катушку можно сделать самостоятельно, для этого потребуется 20 метров провода диаметром 0.3-0.4 мм. Для питания схемы можно взять зарядное устройство 5 В.
Чтобы сделать катушку, нужно взять основу с размерами, показанными на следующем рисунке. Для нашей катушки будет достаточно намотать 550 витков. Закончив намотку, катушку желательно заизолировать какой-нибудь изолентой.
Теперь запаяйте почти все компоненты кроме датчика Холла и катушки на небольшой плате. Датчик Холла поместите в отверстие катушки.
Зафиксируйте катушку так, чтобы она была над поверхностью на некотором расстоянии. После этого на данное устройство магнитной левитации можно подать питание. Возьмите небольшой кусочек неодимового магнита и поднесите его к низу катушки. Если все сделано правильно, то электромагнитная сила подхватит его и будет удерживать в воздухе.
Если у вас это устройство не работает должным образом, то проверьте датчик. Его чувствительная часть, то есть плоская сторона с надписями должна быть параллельно земле. Также для левитации форма таблетки, которая присуща большинству продаваемых неодимовых магнитов, не является самой удачной. Чтобы центр тяжести не «гулял», нужно перенести его на дно магнита, прикрепив к нему что-нибудь не слишком тяжелое, но и не слишком легкое. Например, можно добавить кусок картона или плотной бумаги, как на первом изображении.
В некоторых продвинутых магазинах можно увидеть стенды с рекламой, на которых показываются интереснейшие эффекты, когда какая-то вещь с витрины или предмет с изображением бренда левитирует. Иногда добавляется вращение. Но такую установку вполне по силам сделать даже человеку без особого опыта в самоделках. Для этого нужен неодимовый магнит, который можно найти в запчастях от компьютерной техники.
Свойства магнита удивительны. Одно из таких свойств отталкиваться одинаковыми полюсами используется в предметах, которые используются как поезда на магнитной подушке, забавные игрушки или основа для эффектных дизайн-объектов и др. Как сделать левитирующий объект на основе магнитов?
Магнитная левитация на видео
Левитация волчка над пятью точечными неодимовыми магнитами. Magnetic Levitation, magnétismo, magnetic experiment, truco magnética, moto perpetuo, amazing game. Занимательная физика.
Обсуждение
hawk
При вращении магнита присутствует левитация а если обороты магнита уменьшаются падает с орбиты… обоснуй этот эффект. Взаимодействие магнитных полей между магнитами это ясно но какая роль вращения. Можно переменным магнитным полем от катушек удерживать магнит в воздухе также.
pukla777
Просьба проработать тему – маховик генератор. Думаю она будет иметь полезное практичное применение. К тому же, оно у вас было очень давно снято в ролике, но очень мало и без информации.
RussiaPrezident
А что если:
Запустить этот волчок и каком нибудь кубе и создать там Вакуум, по идеи не будет сопротивления воздуха и он будет крутиться практически бесконечно! А если не него ещё и медь правильно накрутить и снимать энергию?
Евгений Петров
Читаю комментарии, удивлен, какая нитка!? Там все как есть магнитный волчок, ему задали мех. энергию и есть постоянное магнитное поле волчка при вращении которого вращается и магнитное поле, но главное как! В магнитах домены упакованы не равно распределено это технически не возможно поэтому сам магнит пассивный не может удержаться на магнитной подушке он уйдет на более сильную сторону где разница вообще мизерная, поэтому вращение поля не дает это сделать.
Вячеслав Субботин
Ещё идея, а что если светить лазером постоянно с одной стороны? Изменится ли время вращения волчка из-за давления света? Если взять сильный лазер, то может быть получится сделать, чтобы волчок вообще не останавливался.
Никто Неизвестный
Старая игрушка… я помню данный волчок и пластину под ним на ферритовых магнитах, на неодиме это уже скучно, причем нижний магнит основания представлял собой одну сплошную плиту, а не пять отдельных магнитов, только он был намагничен хитрым образом…
Алигарх Леопольд
Игорь Белецкий, можно сделать колпак на который будет приземляться волчёк, чтоб его не ловить. Можно ли к нему добавить вращающееся магнитное поле чтоб поддерживать вращение? к примеру если его магнитный стол вращать..
Тимур Аминев
А расскажите пожалуйста как магнитное поле Земли тормозит волчок? В смысле какие моменты сил направленные против вращения возникают и почему.
Александр Васильевич
Если сверху над магнитом (или снизу было бы вообще шикарно!) приделать катушку и подкручивать ею волчок, то получится некое подобие двигателя на магнитном подвесе. Вещь абсолютно бестолковая, но красивая. Крутиться будет пока источник питания не убрать))
Иван Петров
Ну это мы уже видели. Сделай так чтобы магнит левитировал без вращения! (и без опор и жидкого азота конечно).
Высокий эльф
Развод для двоечников, это можно было назвать левитацией, если магнит не надо было раскручивать. Сам магнит, что сверху, будет соскальзывать если ему не придать вращение.
Андрей Соломенников
А что если приделать на платформу огонь, а к гироскопу (Юле) пропеллеры, что бы вращалась пока горит огонь внизу. Не помню как называется двигатель, но суть его – вращение, так сказать, ротора при помощи тепла.
волжанин
Игорь,есть такая идея… У тебя на столе не равномерное магнитное поле,а если и волчок сделать из нескольких магнитиков, а стол раскрутить…Может и волчок не будет обороты терять… Как думаешь?..
Антон Симовских
Игорь Белецкий, разобрались в физике процесса? Почему левитация возможна лишь в динамике? Влияют ли на стабилизацию волчка токи фуко, в нем возникающие?
Простейшая установка с левитирующим объектом на магните
Для этого понадобятся: бокс от СД-дисков, один или два диска, много кольцевых магнитов и супер-клей. Приобрести любой магнит можно в китайском интернет-магазине.
Когда к вам придут ваши друзья в гости, они удивятся эффектной конструкции, которую вы создали сами.
На идею этого урока натолкнул проект краудфандинговой платформы Kickstarter под названием «Air Bonsai», действительно красивый и загадочный, который сделали японцы.
Но любая загадка может быть объяснена, если посмотреть внутрь. Фактически это магнитная левитация, когда есть объект, левитирующий сверху, и электромагнит, контролируемый схемой. Давайте попробуем вместе реализовать этот загадочный проект.
Мы выяснили, что схема устройства на Кикстартере была довольно сложной, без какого-либо микроконтроллера. Не было возможности найти её аналоговую схему. На самом деле, если посмотреть более внимательно, принцип левитации довольно прост. Нужно сделать магнитную деталь, «плавающую» над другой магнитной деталью. Основная дальнейшая работа заключалась в том, чтобы левитирующий магнит не падал.
Было также предположение, что сделать это с Arduino на самом деле намного проще, чем пытаться понять схему японского устройства. На самом деле всё оказалось намного проще.
Магнитная левитация состоит из двух частей: базовой части и плавающей (левитирующей) части.
Основание
Эта часть находится внизу, которая состоит из магнита для создания круглого магнитного поля и электромагнитов для управления этим магнитным полем.
Каждый магнит имеет два полюса: север и юг. Эксперименты показывают, что противоположности притягиваются и одинаковые полюса отталкиваются. Четыре цилиндрических магнита помещаются в квадрат и имеют одинаковую полярность, образуя круглое магнитное поле вверх, чтобы вытолкнуть любой магнит, который имеет один и тот же полюс между ними.
Есть четыре электромагнита вообще, они помещены в квадрат, два симметричных магнита — пара, и их магнитное поле всегда противоположно. Датчик Холла и цепь управляют электромагнитами. Создаем противоположные полюса на электромагнитах током через них.
Плавающая деталь
Деталь включает в себя магнит, плавающий над основанием, который может нести небольшой горшок с растением или другие предметы.
Магнит сверху поднимается магнитным полем нижних магнитов, потому что они с одинаковыми полюсами. Однако, как правило, он склоняется к падению и притягиванию друг к другу. Чтобы предотвратить переворот и падение верхней части магнита, электромагниты создадут магнитные поля, чтобы толкать или тянуть, дабы сбалансировать плавающую часть, благодаря датчику Холла. Электромагниты управляются двумя осями X и Y, в результате чего верхний магнит поддерживается сбалансированным и плавающим.
Контролировать электромагниты нелегко, требуется ПИД-регулятор, который подробно обсуждается на следующем шаге.
Шаг 2: ПИД-регулятор (PID)
Из Википедии: «Пропорционально-интегрально-дифференцирующий (ПИД) регулятор — устройство в управляющем контуре с обратной связью. Используется в системах автоматического управления для формирования управляющего сигнала с целью получения необходимых точности и качества переходного процесса. ПИД-регулятор формирует управляющий сигнал, являющийся суммой трёх слагаемых, первое из которых пропорционально разности входного сигнала и сигнала обратной связи (сигнал рассогласования), второе — интеграл сигнала рассогласования, третье — производная сигнала рассогласования.»
В простом понимании: «ПИД-регулятор вычисляет значение «ошибки» как разность между измеренным [Входом] и желаемой установкой. Контроллер пытается свести к минимуму ошибку, отрегулировав [выход]».
Итак, вы указываете PID, что измерить (Вход), какое значение вы хотите и переменную, которая поможет иметь это значение на выходе. Далее ПИД-регулятор настраивает выходной сигнал, чтобы сделать вход равным установке.
Для примера
: в автомобиле у нас три значения (Вход, Установка, выход) будут — скорость, желаемая скорость и угол педали газа, соответственно.
В данном проекте:
- Вход представляет собой текущее значение в реальном времени от датчика холла, которое обновляется непрерывно, поскольку положение плавающего магнита будет меняться в реальном времени.
- Заданное значение — это значение от датчика холла, которое измеряется, когда плавающий магнит находится в положении баланса, в центре основания магнитов. Этот индекс фиксирован и со временем не изменяется.
- Выходной сигнал — скорость для управления электромагнитами.
Стоит поблагодарить сообщество любителей Arduino, которое написало PID-библиотеку и которая очень проста в использовании. Дополнительная информация об Arduino PID есть на официальном сайте Arduino . Нам нужно использовать пару ПИД-регуляторов под Arduino, один для оси X и другой для оси Y.
Шаг 3: Комплектующие
Список комплектующих для урока получается приличным. Ниже приведен список компонентов, которые вы должны купить для этого проекта, убедитесь, что у вас есть все перед запуском. Некоторые из компонентов очень популярны, и, вероятно, вы найдете их на своем собственном складе или дома.
Шаг 4: Инструменты
Вот список инструментов, наиболее часто используемых:
- Паяльник
- Ручная пила
- Мультиметр
- Дрель
- Осциллограф (по желанию, можете использовать мультиметр)
- Настольное сверло
- Горячий клей
- Плоскогубцы
Шаг 5: LM324 Op-amp, L298N драйвер и SS495a
LM324 Op-amp
Операционные усилители (op-amp) являются одними из наиболее важных, широко используемых и универсальных схем, используемых сегодня.
Мы используем операционный усилитель для усиления сигнала от датчика Холла, цель которого — увеличить чувствительность, чтобы ардуино легко распознало изменение магнитного поля. Изменение нескольких мВ на выходе датчика холла, после прохождения усилителя может измениться на несколько сотен единиц в Arduino. Это необходимо для обеспечения плавного и стабильного функционирования ПИД-регулятора.
Обычным операционным усилителем, который мы выбрали, является LM324, это дешево, и вы можете купить его в любом магазине электроники. LM324 имеет 4 внутренних усилителя, которые позволяют гибко его использовать, однако в этом проекте нужны только два усилителя: один для оси X, а другой для оси Y.
Модуль L298N
Двойной H-мост L298N обычно используется для управления скоростью и направлением двух двигателей постоянного тока или с легкостью управляет одним биполярным шаговым двигателем. L298N может использоваться с двигателями с напряжением от 5 до 35 В постоянного тока.
Существует также встроенный регулятор 5V, поэтому, если напряжение питания до 12 В, вы также можете подключить источник питания 5 В от платы.
В этом проекте использован L298N для управления двумя парами катушек электромагнита и использован выход 5 В для питания Arduino и датчика холла.
Распиновка модулей:
- Out 2: пара электромагнитов X
- Out 3: пара электромагнитов Y
- Входное питание: вход постоянного тока 12 В
- GND: Земля
- Выход 5v: 5v для датчиков Arduino и холла
- EnA: Включает сигнал PWM для выхода 2
- In1: Включить для выхода 2
- In2: Enable for Out 2
- In3: Включить для выхода 3
- In4: Включить для выхода 3
- EnB: Включает PWM-сигнал для Out3
Подключение к Arduino: нам нужно удалить 2 перемычки в контактах EnA и EnB, затем подключить 6 контактов In1, In2, In3, In4, EnA, EnB к Arduino.
SS495a Датчик Холла
SS495a — это линейный датчик Холла с аналоговым выходом. Обратите внимание на разницу между аналоговым выходом и цифровым выходом, вы не можете использовать датчик с цифровым выходом в этом проекте, он имеет только два состояния 1 или 0, поэтому вы не можете измерить выход магнитных полей.
Аналоговый датчик приведет к диапазону напряжений от 250 до Vcc, который вы можете прочитать с помощью аналогового входа Arduino. Для измерения магнитного поля в обеих осях X и Y требуются два датчика холла.
Шаг 6: Неодимовые магниты NdFeB (неодим-железо-бор)
Из Википедии: «Неодим — химический элемент, редкоземельный металл серебристо-белого цвета с золотистым оттенком. Относится к группе лантаноидов. Легко окисляется на воздухе. Открыт в 1885 году австрийским химиком Карлом Ауэром фон Вельсбахом. Используется как компонент сплавов с алюминием и магнием для самолёто- и ракетостроения.»
Неодим — это металл, который является ферромагнитным (в частности, он показывает антиферромагнитные свойства), что означает, что подобно железу его можно намагнитить, чтобы он стал магнитом. Но его температура Кюри составляет 19К (-254 ° С), поэтому в чистом виде его магнетизм проявляется только при чрезвычайно низких температурах. Однако соединения неодима с переходными металлами, такими как железо, могут иметь температуры Кюри значительно выше комнатной температуры, и они используются для изготовления неодимовых магнитов.
Сильный — это слово, которое используют для описания неодимового магнита. Вы не можете использовать ферритовые магниты, потому что их магнетизм слишком слаб. Неодимовые магниты намного дороже ферритовых магнитов. Маленькие магниты используются для основы, большие магниты для плавающей/левитирующей части.
Внимание
! Вам нужно быть осторожным при использовании неодимовых магнитов, так как их сильный магнетизм может навредить вам, или они могут сломать данные вашего жесткого диска или других электронных устройств, на которые влияют магнитные поля.
Совет
! Вы можете отделить два магнита, потянув их в горизонтальное положение, вы не сможете отделить их в противоположном направлении, потому что их магнитное поле слишком сильное. Они также очень хрупкие и легко ломаются.
Шаг 7: Готовим основание
Использовали небольшой терракотовый горшок, который обычно используется для выращивания суккулента или кактуса. Вы также можете использовать керамический горшок или деревянный горшок, если они подходят. Используйте сверло диаметром 8 мм, чтобы создать отверстие в нижней части горшка, которое используется для удерживания гнезда постоянного тока.
Шаг 8: 3D-печать плавающей части
Если у вас есть 3D-принтер — здорово. У вас есть возможность сделать все с помощью него. Если принтера нет — не отчаивайтесь, т.к. вы можете использовать дешевую услугу 3D-печати, которая сейчас очень популярна.
Для лазерной резки файлы также в архиве выше — файл AcrylicLaserCut.dwg (это autocad). Акриловая деталь используется для поддержки магнитов и электромагнитов, остальные — для покрытия поверхности терракотового горшка.
Шаг 9: Подготовка SS495a модуля датчика Холла
Вырежьте макет PCB на две части, одну часть, чтобы прикрепить датчик холла, а другой — к цепи LM324. Прикрепите два магнитных датчика перпендикулярно печатной плате. Используйте тонкие провода для соединения двух штырей датчиков VCC вместе, сделайте то же самое с контактами GND. Выходные контакты отдельно.
Шаг 10: Цепь Op-amp
Припаяйте гнездо и резисторы к печатной плате, следуя схеме, обратив внимание на то, чтобы поместить два потенциометра в одном направлении для более легкой калибровки позже. Присоедините LM324 к гнезду, затем подключите два выхода модуля датчиков холла к цепи op-amp.
Два выходных провода LM324 подключите к Arduino. Вход 12 В с входом 12 В модуля L298N, выход 5 В модуля L298N к 5V потенциометра.
Шаг 11: Сборка электромагнитов
Соберите электромагниты на акриловый лист, они закреплены в четырех отверстиях вблизи центра. Затяните винты, чтобы избежать движения. Поскольку электромагниты симметричны по центру, они всегда находятся на полюсах напротив, так что провода на внутренней стороне электромагнитов соединены вместе, а провода на внешней стороне электромагнитов подключены к L298N.
Протяните провода под акриловым листом через соседние отверстия, чтобы подключиться к L298N. Медный провод покрыт изолированным слоем, поэтому вы должны удалить его ножом, прежде чем вы сможете припаять их вместе.
Шаг 12: Сенсорный модуль и магниты
Используйте горячий клей для фиксации модуля датчика между электромагнитами, обратите внимание, что каждый датчик должен быть квадратным с двумя электромагнитами, один на передней и другой на задней панели. Попробуйте выполнить калибровку двух датчиков как можно более централизованно, чтобы они не перекрывались, что сделает датчик наиболее эффективным.
Следующий шаг — собрать магниты на акриловой основе. Объединяя два магнита D15*4 мм и магнит D15*3 мм вместе, чтобы сформировать цилиндр, это приведет к тому, что магниты и электромагниты будут иметь одинаковую высоту. Соберите магниты между парами электромагнитов, обратите внимание, что полюса восходящих магнитов должны быть одинаковыми.
Шаг 13: Разъем питания постоянного тока и выход L298N 5V
Припаяйте гнездо питания постоянного тока двумя проводами и используйте термоусадочную трубку. Подключенный разъем питания постоянного тока к входу модуля L298N, его выход 5 В будет подавать питание на Arduino.
Шаг 14: L298N и Arduino
Подключите модуль L298N к Arduino, следуя приведенной выше схеме:
L298N → Ардуино
5V → VCC
GND → GND
EnA → 7
В1 → 6
В2 → 5
В3 → 4
В4 → 3
EnB → 2
Шаг 15: Arduino Pro Mini программер
Поскольку у Arduino pro mini нет USB-порта для последовательного порта, вам необходимо подключить внешний программатор. FTDI Basic будет использоваться для программирования (и питания) Pro Mini.
Начитался тут всяких интернетов и решил сваять свой собственный левитрон, без всяких цифровых глупостей. Сказано – сделано. Выкладываю муки творчества на всеобщее обозрение.
1.Краткое описание
Левитрон – это устройство, удерживающее объект в равновесии с силами гравитации с помощью магнитного поля. Давно известно, что невозможно левитировать объект, используя статичные магнитные поля. В школьной физике это называлось состоянием неустойчивого равновесия, насколько я помню. Однако, затратив немного желания, знаний, усилий, денег и времени, возможно левитировать объект динамически путем использования электроники в качестве обратной связи.
Получилось вот что:
2.Фунциональная схема
Электро-магнитные датчики, расположенные на торцах катушки, выдают напряжение, пропорциональное уровню магнитной индукции. В случае отсутствия внешнего магнитного поля эти напряжения будут одинаковы вне зависимости от величины тока катушки.
При наличии постоянного магнита вблизи нижнего датчика блок управления будет формировать сигнал, пропорциональный полю магнита, усиливать его до нужного уровня и передавать на ШИМ для управления током через катушку. Таким образом, возникает обратная связь и катушка будет генерировать такое магнитное поле, которое будет удерживать магнит в равновесии с силами гравитации.
Что-то заумно все получилось, попробую по другому:
— Нет никакого магнита — индукция на торцах катушки одинакова — сигнал с датчиков одинаков — блок управления выдает минимальный сигнал — катушка работает на всю мощь;
— Близко поднесли магнит — индукция сильно разная — сигналы от датчиков сильно разные — блок управления выдает максимальный сигнал — катушка отключается совсем — магнит никто не держит и он начинает падать;
— Манит падает — отдаляется от катушки — разница сигналов с датчиков уменьшается — блок управления уменьшает выходной сигнал — ток через катушку увеличивается — увеличивается индукция катушки — магнит начинает притягиваться;
— Манит притягивается — приближается к катушке — разница сигналов с датчиков увеличивается — блок управления увеличивает выходной сигнал — ток через катушку уменьшается — уменьшается индукция катушки — магнит начинает падать;
— Чудо — магнит не падает и не притягивается — вернее, и падает и притягивается несколько тысяч раз в секунду — то есть возникает динамическое равновесие — магнит просто висит в воздухе.
3.Конструкция
Главным элементом конструкции является электро-магнитная катушка (соленоид), которая и удерживает своим полем постоянный магнит.
На пластиковый каркас D36x48 плотно намотано 78 метров медного эмалированного провода диаметром 0.6 мм, получилось где-то 600 витков. По расчетам, при сопротивлении 4.8Ом и питании 12В, ток будет 2.5А, мощность 30Вт. Это необходимо для подбора внешнего блока питания. (По факту получилось 6.0Ом, вряд ли нарезали больше провода, скорее сэкономили на диаметре.)
Внутрь катушки вставлен стальной сердечник от дверной петли диаметром 20мм. На его торцах с помощью термоклея закреплены датчики, которые обязательно должны быть ориентированы в одинаковом направлении.
Катушка с датчиками закреплена на кронштейне из алюминиевой полосы, который, в свою очередь, крепится к корпусу, внутри которого находится плата управления.
На корпусе расположен светодиод, выключатель и гнездо питания.
Внешний блок питания (GA-1040U) взят с запасом по мощности и обеспечивает ток до 3.2А при 12В.
В качестве левтитрующего объекта используется N35H магнит D15x5 с приклеенной банкой из под кока-колы. Сразу скажу, что полная банка не годится, поэтому тонким сверлом делаем отверстия по торцам, сливаем ценный напиток (можно выпить если не боитесь стружки) и к верхнему колечку клеим магнит.
4.Принципиальная схема
Сигналы с датчиков U1 и U2 подаются на операционный усилитель OP1/4, включенный по дифференциальной схеме. Верхний датчик U1 подключен к инвертирующему входу, нижний U2 – к неинвертирующему, то есть сигналы вычитаются, и на выходе OP1/4 получаем напряжение, пропорциональное только уровню магнитной индукции, создаваемому постоянным магнитом вблизи нижнего датчика U2.
Комбинация элементов C1,R6 и R7 является изюминкой данной схемы и позволяет достичь эффекта полной стабильности, магнит будет висеть как вкопанный. Как это работает? Постоянная составляющая сигнала проходит через делитель R6R7 и ослабляется в 11 раз. Переменная составляющая проходит через фильтр C1R7 без ослабления. Откуда вообще берется переменная составляющая? Постоянная часть зависит от положения магнита вблизи нижнего датчика, переменная часть возникает из-за колебаний магнита вокруг точки равновесия, т.е. от изменения положения во времени, т.е. от скорости. Нам интересно, чтобы магнит был неподвижен, т.е. его скорость была равна 0. Таким образом, в управляющем сигнале мы имеем две составляющих – постоянная отвечает за положение, а переменная – за стабильность этого положения.
Далее, подготовленный сигнал усиливается на OP1/3. С помощью переменного резистора P2 устанавливается необходимый коэффициент усиления на этапе настройки для достижения равновесия в зависимости от конкретных параметров магнита и катушки.
На OP1/1 собран простой компаратор, который отключает ШИМ и, соответственно, катушку, когда рядом нет магнита. Очень удобная вещь, не надо вынимать блок питания из розетки если убрали магнит. Уровень срабатывания задается переменным резистором P1.
Далее, управляющий сигнал подается на широтно-импульсный модулятор U3. Размах выходного напряжения 12В, частота выходных импульсов задается номиналами C2,R10 и P3, а скважность зависит от уровня входного сигнала на входе DTC.
ШИМ управляет переключением силового транзистора T1, а тот, в свою очередь, током через катушку.
Светодиод LED1 можно и не ставить, а вот диод SD1 нужен обязятельно, для слива лишнего тока и избежания перенапряжения в моменты выключения катушки из-за явления самоиндукции.
NL1 – это наша самодельная катушка, коей посвящен отдельный раздел.
В результате, в режиме равновесия, картина будет примерно такая: U1_OUT=2.9V, U2_OUT=3.6V, OP1/4_OUT=0.7V, U3_IN=1.8V, T1_OPEN=25%, NL1_CURR=0.5A.
Для наглядности прикладываю графики передаточной характеристики, АЧХ и ФЧХ, и осциллогаммы на выходе ШИМ и катушки.
5.Выбор компонентов
Устройство собрано из недорогих и доступных компонентов. Самой дорогой оказалась медная проволока WIK06N, за 78 метров WIK06N заплатил 1200 руб, все остальное, вместе взятое, обошлось значительно дешевле. Тут вообще широкое поле для экспериментов, можно обойтись без сердечника, можно взять проволоку потоньше. Главное не забывать, что индукция по оси катушки зависит от количества витков, тока по ним и геометрии катушки.
В качестве датчиков магнитного поля U1 и U2 используются аналоговые датчики Холла SS496A с линейной характеристикой вплоть до 840Гс, это самое то для нашего случая. При использовании аналогов с другой чувствительностью потребуется корректировка коэффициента усиления на OP1/3, а также проверка на уровень максимальной индукции на торцах вашей катушки (в нашем случае с сердечником она достигает 500Гс), чтобы датчики не входили в насыщение при пиковой нагрузке.
OP1 -это счетверенный операционный усилитель LM324N. При выключенной катушке выдает 20мВ вместо нуля на 14 выходе, но это вполне приемлемо. Главное не забыть выбрать из кучки 100К резисторов наиболее близкие по фактическому номиналу для установки в качестве R1,R2,R3,R4.
Номиналы C1,R6 и R7 выбраны путем проб и ошибок как самый оптимальный вариант для стабилизации магнитов разных калибров (тестировались N35H магниты D27x8, D15x5 и D12x3). Соотношение R6/R7 можно оставить как есть, а номинал C1 увеличивать до 2-5мкФ, в случае возникновения проблем.
При использовании очень маленьких магнитов, вам возможно будет не хватать коэффициента усиления, в этом случае урежьте номинал R8 до 500Ом.
D1 и D2 это обычные выпрямительные диоды 1N4001, тут подойдут любые.
В качестве широтно-импульсного модулятора U3 используется распространенная микросхема TL494CN. Частота работы задается элементами C2, R10 и P3 (по схеме 20кГц). Оптимальный диапазон 20-30кГц, при меньшей частоте появляется свист катушки. Вместо R10 и P3 можно просто поставить резистор 5.6K.
T1 это полевой транзистор IRFZ44N, подойдет и любой другой из этой же серии. При выборе других транзисторов может потребоваться установка радиатора, ориентируйтесь на минимальные значения сопротивления канала и заряда затвора.
SD1 это диод шоттки VS-25CTQ045, тут я хватанул с большим запасом, подойдет и обычный быстродействующий диод, но, возможно, будет сильно греться.
LED1 желтый светодиод L-63YT, здесь, как говорится, на вкус и цвет, можно их и побольше наставить, чтобы все светилось разноцветными огнями.
U4 это стабилизатор напряжения 5В L78L05ACZ для питания датчиков и операционного усилителя. При использовании внешнего блока питания с дополнительным выходом 5В, можно обойись и без него, но конденсаторы лучше оставить.
6.Заключение
Все получилось как задумано. Устройство стабильно работает круглые сутки, потребляет всего 6Вт. Ни диод, ни катушка, ни транзистор не греются. Прикладываю еще пару фоток и финальное видео:
7. Дисклаймер
Я не электронщик и не писатель, просто решил поделиться опытом. Может что-то покажется вам слишком очевидным, а что-то слишком сложным, а о чем-то забыл упомянуть вообще. Не стесняйтесь вносить конструктивные предложения и по тексту и по улучшению схемы, чтобы люди могли запросто это повторить, если будет такое желание.
Левитация
(от лат. levitas
«легкость, легковесность») — физическое явление, при котором предмет без видимой опоры пари́т в пространстве, не касаясь твёрдой поверхности. Люди часто связывают это явление с магией, привидениями, НЛО и прочими невероятных явлениями.
С другой стороны, левитация относительно простое физическое явление для металлических предметов, находящихся в магнитном поле.
Предлагаю вам ознакомиться с устройством, предназначенным для левитации металлических предметов
. Принцип работы прост. Для того, чтобы предмет мог висеть в пространстве, вместо постоянного магнита надо использовать электромагнит, управляемый с помощью электронной схемы таким образом, чтобы металлический предмет как бы парил на некотором расстоянии от электромагнита. За положением предмета в пространстве следит оптическая пара, которая состоит из инфракрасного фото и светодиодов. Если объект поднимается слишком высоко, то фотодиод будет менее освещен-ток через обмотку электромагнита уменьшится и его сила притяжения также уменьшится. Если объект опустится слишком низко, фотодиод будет более освещенным, ток через обмотку электромагнита увеличивается, и его сила притяжения увеличится.
Рис. 1 Схема устройства электромагнитной левитации
В схема управления устройства магнитной левитации
(рис.1) используется операционный усилитель (ОУ) 1458 или 4558 и мощный MOSFET с теплоотводом. Опорное напряжение снимается с делителя R3-R4 и подается на неинвертирующий вход 3 ОУ. Контролируемое напряжение подается с делителя R2-VD2 на вход 2 ОУ. При небольшом изменении напряжения на R2-VD2 появляется сигнал рассогласования, который многократно, усиливается и изменяет напряжение на транзисторе VT1.
Электромагнит можно намотать на каркасе большого старого реле. Катушка содержит 1200 витков провода диаметром 0,4-0,5 мм. Железный сердечник имеет диаметр 8-10 мм.
Особых критериев для используемого фотодиода нет, можно использовать ту модель, которая есть у вас под рукой. Но т. к, их характеристики разнятся, резистором R1 настраивают четкую работу схемы при данных параметрах фотодиода.
Если у вас возникнут проблемы с устойчивостью работы устройства (объект вибрирует),то, возможно, потребуется изменить постоянную времени контура. Для этого необходимо экспериментально подобрать номинал конденсатора С1, от 22 мкф до 1мкф, пока цепь не станет работать устойчиво.
Коротенькое видео о том, что из себя представляет сделанный левитрон:
www.youtube.com/watch?feature=player_embedded&v=vypjmqq9…
Если кто-то не побоится сделать такую же интересную штуку, то вот вам подробная инструкция:
Немного теории
Начнем, пожалуй, с механической схемы платформенного левитрона, сложившейся в моем понимании. Магнит, который парит над платформой, я буду здесь для краткости называть словом «фишка».
Эскиз платформы левитрона
(сверху) изображен на рис. 1.
На рис. 2 – силовая схема вертикального разреза по центральной оси платформы (как я ее себе представляю) в состоянии покоя и без тока в катушках. Все хорошо, кроме того, что состояние покоя в такой системе нестабильно. Фишка стремится сместиться с вертикальной оси системы и с силой шлепнуться на один из магнитов. При «ощупывании» фишкой пространства над магнитами ощущается силовой «горб» над центром платформы с вершиной, лежащей на центральной оси.
mg – вес фишки,
F1 и F2 – силы взаимодействия фишки с магнитами платформы,
Fmag – суммарное воздействие, уравновешивающее вес фишки,
ДХ – датчики Холла.
На рис. 3. изображено взаимодействие фишки с катушками (опять же, по моему понятию), а остальные силы – опущены.
Из рисунка 3 видно, что цель управления катушками – создать горизонтальную силу Fss, направленную всегда к оси равновесия при возникновении смещения
Х
. Для этого достаточно включить катушки так, чтобы одинаковый ток в них создавал магнитное поле противоположного направления. Остался пустяк: измерить смещение фишки от оси (величину
Х
) и определить направление этого смещения с помошью датчиков Холла, а потом пропустить в катушках подходящей силы токи.
Простой повтор электронных схем – не в наших традициях, тем более, что:
— нет в наличии двух TDA2030A, а есть TDA1552Q;
— нет датчиков Холла SS496 (доступны примерно по $2 за штуку), а есть датчики, похожие на HW101, по 3 шт даром в каждом двигателе диска CD- или DVD-драйва;
— лень возиться с двуполярным питанием.
Даташиты:
SS496 — http://sccatalog.honeywell.com/pdbdownload/images/ss496.seri…HW101- http://www.alldatasheet.com/datasheet-pdf/pdf/143838/ETC1/HW101A.html
Схема представляет собой два идентичных усилительных канала с дифференциальными входами и мостовыми выходами. На рис. 4 приведена полностью схема только одного канала усиления. Использованы микросхемы LM358 (http://www.ti.com/lit/ds/symlink/lm158-n.pdf) и TDA1552Q (http://www.nxp.com/documents/data_sheet/TDA1552Q_CNV.pdf).
На вход каждого канала подключена пара датчиков Холла так, чтобы подать на усилитель разностный сигнал. Выходы датчиков включены встречно. Это значит, что, когда пара датчиков находится в магнитном поле с одинаковой напряженностью, с нее на вход усилителя поступает нулевое разностное напряжение.
Балансировочные резисторы R10 взяты многооборотные, старые, советские.
В попытках выжать из усилителя достаточно высокий коэффициент усиления, я получил банальное самовозбуждение, предположительно, из-за бардака на монтажной плате. Вместо «уборки» в схему введены частотнозависимые RС-цепочки R15C2; они не обязательны. Если все же пришлось их установить, то сопротивление R15 нужно подобрать наибольшим, при котором самовозбуждение гаснет.
Питание всего устройства — адаптер (импульсный) на 12В 1,2А, перенастроенный на 15В. Энергопотребление в нормальном состоянии (с выключенным вентилятором) в итоге оказалось вполне скромным: 210-220 мА.
Конструкция
В качестве корпуса выбран кожух дисковода 3,5”, что приблизительно соответствует габаритам прототипов. Для горизонтирования платформы
ножки сделаны из винтов М3.
В верхней части корпуса вырезано фигурное отверстие, хорошо видимое на рис.5. Впоследствии оно закрыто декоративной зеркальной пластиной из хромированной латуни, закрепленной винтиками от винчестеров.
1 – места установки магнитов (снизу) и индикаторов баланса (опционально)
2 – «полюсные наконечники» катушек
3 – датчики Холла
4 – светодиоды подсветки (опционально)
Датчики Холла расположены в отверстиях стеклотекстолитового основания платформы и распаяны на разогнутых ножках разъемов (не знаю типа). Разъемы выглядели как на рис.6.
Датчики выпаяны из двигателей CD- или DVD-привода. Там они расположены под краем ротора и хорошо видны на рис.7. На один канал нужно брать пару датчиков из одного двигателя – так они будут наиболее одинаковыми. Выпаянные датчики – на рис.8.
Для катушек были куплены пластмассовые шпули для швейных машинок, но на них оказалось мало места для обмотки. Тогда от шпуль были отрезаны щечки и приклеены на отрезки тонкостенной латунной трубки наружным диаметром 6мм и длиной 14мм. Трубка раньше была сегментом телескопической стержневой антенны. На четырех таких каркасах проводом 0,3 мм намотаны обмотки «почти послойно» (без фанатизма!) до заполнения. Сопротивление выровнено на 13 Ом.
Магниты – прямоугольные 20х10х5 мм и дисковые диаметром 25 и 30 мм толщиной 4 мм (рис.9) – пришлось все-таки купить… Прямоугольные магниты установлены под основанием платформы, а из дисковых сделаны фишки.
Вид устройства снизу и сзади (вверх дном) – на рис. 10 и 11 (легенда одна на оба рисунка). Бардак, конечно, живописный…
Микросхема U2 TDA1552Q (3) размещена на теплоотводе (9), который раньше работал на видеокарте. Сам радиатор закреплен винтами на отогнутых частях верхней крышки корпуса. На радиаторе (9) закреплены также гнездо питания (1), контрольные гнезда (2) и узел терморегулирования (5).
Кусок стеклотекстолита, который раньше был клавиатурой, служит основанием платформы. Катушки (7) закреплены на основании винтами М4 и гайками. На нем же с помощью хомутов и саморезов укреплены магниты (6).
Контрольные гнезда (2) сделаны из компьютерного разъема питания и закреплены сзади устройства вблизи балансировочных резисторов (10) так, что легко доступны без разборки. Подключены гнезда, естественно, к выходам обоих каналов усилителя.
Схема предусилителя и его стабилизатора питания, включая балансировочные резисторы (10), смонтирована на макетной плате и в результате наладки превратилась в живописный свинарничек, от макрофотографирования которого пришлось воздержаться.
1 – крепление гнезда питания
2 – контрольные гнезда
3 – TDA1552Q
4 – выключатель питания
5 – узел терморегулирования
6 – магниты под хомутиками
7 – катушки
8 – магнитные шунты
9 – теплоотвод
10 – балансировочные резисторы
Наладка
Выставление нулей на выходах обоих каналов при каждом отладочном включении – обязательно. Можно без фанатизма: +–20 мВ – вполне приемлемая точность. Возможно некоторое взаимовлияние между каналами, так что при значительном начальном отклонении (больше 1-1.5 вольт по выходу канала) выставление нулей лучше сделать дважды. Стоит помнить, что при железном корпусе баланс разобранного и собранного устройства – это две большие разницы.
Проверка фазировки каналов
Фишку нужно взять в руку и поместить над центром платформы включенного левитрона на высоте примерно 10-12мм. Каналы проверяются поочередно и раздельно. При смещении фишки рукой вдоль линии, соединяющей противоположные от центра датчики, рука должна чувствовать заметное сопротивление, создаваемое магнитным полем катушек. Если сопротивления не чувствуется, а руку с фишкой «сносит» от оси, нужно поменять местами провода с выхода проверяемого канала.
Настройка положения парящей фишки
На видеороликах о самодельных платформенных левитронах нередко можно видеть, что фишка парит в наклонном положении, даже если сделана на базе дисковых магнитов, то есть, достаточно хорошо симметрирована. Не обошлось без перекоса и в описываемой конструкции. Возможно, в этом виноват металлический корпус…
Первая мысль: сместить вниз магниты с той стороны, где фишку излишне «подпирает».
Вторая мысль: сместить дальше от центра магниты с той стороны, где фишку излишне «подпирает».
Третья мысль: если магниты смещать, то магнитной ось системы постоянных магнитов платформы перекосится относительно магнитной оси системы катушек, из-за чего поведение фишки станет непредсказуемым (особенно при разном ее весе).
Четвертая мысль: сделать сильнее магниты с той стороны, куда наклонена фишка – была отброшена как несбыточная, потому что широкого ассортимента магнитов для подгонки негде было взять.
Пятая мысль: сделать слабее магниты с той стороны, где фишку излишне «подпирает» – оказалась удачной. Более того, достаточно простой в реализации. Магнит, как источник магнитного поля, можно шунтировать, то есть, закоротить часть магнитного потока, так что в окружающем пространстве магнитное поле станет немного слабее. В качестве магнитных шунтов были применены маленькие ферритовые кольца (10х6х3, 8х4х2 и т.д.), бесплатно выковырянные из дохлых ламп-экономок (8 на рис.10). Эти кольца нужно просто примагнитить к слишком сильному магниту (или двум-трем) с той их стороны, что дальше от центра платформы. Оказалось, что подбирая количество и размеры шунтов для каждого «слишком сильного» магнита, можно достаточно точно отгоризонтировать положение парящей симметричной фишки. Не забывайте выполнить электрическую балансировку после каждого изменения в магнитной системе!
Опции
К опциям относятся: индикаторы разбаланса усилителя, узел терморегулирования, подсветка и регулируемые ножки платформы.
Индикаторы разбаланса усилителя – две пары светодиодов, расположенные на тех же радиусах, что и датчики, в толще стеклотекстолитового основания платформы (1 на рис. 5). Светодиоды, очень маленькие и плоские, раньше работали в каком-то модеме, но подойдут и от старой мобилки (в SMD исполнении). Светодиоды утоплены в отверстиях, так как фишка, срываясь из центра, шлепается на ближайший магнит и вполне способна разрушить светодиод.
Схема индикатора для одного канала – на рис. 12. Светодиоды должны быть с рабочим напряжением 1,1-1,2 В, т.е. простенькие красные, оранжевые, желтые. При более высоких напряжениях LED-ов (2,9-3,3 В для сверхъярких) следует пересчитать количество диодов в цепочке D3-D6 для сведения к минимуму «мертвой зоны» – минимального напряжения на выходе канала, при котором ни один из светодиодов не светится.
Я расположил индикаторы так, чтобы светился тот, в сторону которого фишка смещена от центра. Индикаторы помогают легко повесить фишку над левитроном, а также горизонтировать платформу. В нормальном состоянии все они погашены.
Схема узла терморегулирования – на рис. 13. Его назначение – не дать оконечному усилителю перегреться. На выходе термоузла включен вентилятор 50х50 мм 12В 0,13А от компьютера.
В схеме термоузла легко узнать немного измененный триггер Шмитта. Вместо первого транзистора использована микросхема TL431. Тип транзистора Q1 указан условно – я воткнул первый попавшийся NPN, способный выдержать рабочий ток вентилятора. В качестве термодатчика использован терморезистор, найденный на старой материнской плате в процессорном сокете. Термодатчик приклеен на радиатор оконечного усилителя. Подбором резистора R1 можно отрегулировать термоузел на срабатывание при температуре 50-60С. Резистор R5 совместно с коллекторным током Q1 определяет величину гистерезиса схемы относительно напряжения на управляющем входе U1.
В схеме на рис. 13 резистор R7 введен для снижения напряжения на вентиляторе и, соответственно, шума от него.
На рис. 14 видно, как вентилятор врезан в нижнюю крышку корпуса.
Другой способ применения термоузла – подключение к управляющему выводу MUTE микросхемы оконечного усилителя (рис. 15). Величина указанного на схеме номинала R5 предполагает подключение MUTE (вывода 11 микросхемы U2 по рис. 4) к питанию через резистор 1кОм (НЕ напрямую, как в даташите!). Вентилятор в таком случае не нужен. Правда, при подаче сигнала MUTE на усилитель фишка падает, и после снятия сигнала MUTE сама (почему-то?) не взлетает.
Подсветка – 4 ярких светодиода диаметром 3мм, расположенные наклонно к центру в отверстиях основания платформы и декоративной пластины в тех местах, куда фишка не падает. Они включены последовательно и через резистор 150 Ом – к цепи общего питания устройства 15В.
Заключение
Грузоподъемность
Чтоб «добить» тему, сняты «грузовые характеристики» левитрона с фишками 25 и 30 мм диаметром. Грузовыми характеристиками я тут назвал зависимость высоты парения фишки над платформой (от декоративной пластины) от суммарного веса фишки.
Для фишки с магнитом 25 мм и общим весом 19г максимальная высота составила 16мм, а минимальная – 8 мм при весе 38г. Между этими точками характеристика практически линейная. Для фишки с магнитом 30 мм грузовая характеристика оказалась между точками 16 мм при 24г и 8 мм при 48г.
С высоты ниже 8 мм от платформы фишка падает, притягиваясь к железным сердечникам катушек.
НЕ делай, как я!
Во-первых, не стоит экономить на датчиках. «Голые» датчики Холла, вынутые попарно для каждого канала из двух двигателей (то есть, практически одинаковые!) – все равно проявляют свой безобразно большой температурный коэффициент сопротивления. Даже при одинаковых цепях питания и встречно-разностном включении выходов датчиков, можно получить заметное смещение нуля на выходе канала при изменении температуры. Интегральные датчики SS496 (SS495) имеют не только встроенный усилитель, но и термостабилизацию. Внутренний усилитель датчиков позволит сделать существенно выше общий коэффициент усиления каналов, да и схема их питания выходит попроще.
Во-вторых, следует, по возможности, воздержаться от размещения левитрона в железном корпусе.
В-третьих, двуполярное питание все-таки предпочтительнее, потому что управление коэффициентом усиления и юстировкой нулей получаются проще.
Спасибо за внимание!
На идею этого урока натолкнул проект краудфандинговой платформы Kickstarter под названием «Air Bonsai», действительно красивый и загадочный, который сделали японцы.
Но любая загадка может быть объяснена, если посмотреть внутрь. Фактически это магнитная левитация, когда есть объект, левитирующий сверху, и электромагнит, контролируемый схемой. Давайте попробуем вместе реализовать этот загадочный проект.
Мы выяснили, что схема устройства на Кикстартере была довольно сложной, без какого-либо микроконтроллера. Не было возможности найти её аналоговую схему. На самом деле, если посмотреть более внимательно, принцип левитации довольно прост. Нужно сделать магнитную деталь, «плавающую» над другой магнитной деталью. Основная дальнейшая работа заключалась в том, чтобы левитирующий магнит не падал.
Было также предположение, что сделать это с Arduino на самом деле намного проще, чем пытаться понять схему японского устройства. На самом деле всё оказалось намного проще.
Магнитная левитация состоит из двух частей: базовой части и плавающей (левитирующей) части.
Основание
Эта часть находится внизу, которая состоит из магнита для создания круглого магнитного поля и электромагнитов для управления этим магнитным полем.
Каждый магнит имеет два полюса: север и юг. Эксперименты показывают, что противоположности притягиваются и одинаковые полюса отталкиваются. Четыре цилиндрических магнита помещаются в квадрат и имеют одинаковую полярность, образуя круглое магнитное поле вверх, чтобы вытолкнуть любой магнит, который имеет один и тот же полюс между ними.
Есть четыре электромагнита вообще, они помещены в квадрат, два симметричных магнита — пара, и их магнитное поле всегда противоположно. Датчик Холла и цепь управляют электромагнитами. Создаем противоположные полюса на электромагнитах током через них.
Плавающая деталь
Деталь включает в себя магнит, плавающий над основанием, который может нести небольшой горшок с растением или другие предметы.
Магнит сверху поднимается магнитным полем нижних магнитов, потому что они с одинаковыми полюсами. Однако, как правило, он склоняется к падению и притягиванию друг к другу. Чтобы предотвратить переворот и падение верхней части магнита, электромагниты создадут магнитные поля, чтобы толкать или тянуть, дабы сбалансировать плавающую часть, благодаря датчику Холла. Электромагниты управляются двумя осями X и Y, в результате чего верхний магнит поддерживается сбалансированным и плавающим.
Контролировать электромагниты нелегко, требуется ПИД-регулятор, который подробно обсуждается на следующем шаге.
Шаг 2: ПИД-регулятор (PID)
Из Википедии: «Пропорционально-интегрально-дифференцирующий (ПИД) регулятор — устройство в управляющем контуре с обратной связью. Используется в системах автоматического управления для формирования управляющего сигнала с целью получения необходимых точности и качества переходного процесса. ПИД-регулятор формирует управляющий сигнал, являющийся суммой трёх слагаемых, первое из которых пропорционально разности входного сигнала и сигнала обратной связи (сигнал рассогласования), второе — интеграл сигнала рассогласования, третье — производная сигнала рассогласования.»
В простом понимании: «ПИД-регулятор вычисляет значение «ошибки» как разность между измеренным [Входом] и желаемой установкой. Контроллер пытается свести к минимуму ошибку, отрегулировав [выход]».
Итак, вы указываете PID, что измерить (Вход), какое значение вы хотите и переменную, которая поможет иметь это значение на выходе. Далее ПИД-регулятор настраивает выходной сигнал, чтобы сделать вход равным установке.
Для примера
: в автомобиле у нас три значения (Вход, Установка, выход) будут — скорость, желаемая скорость и угол педали газа, соответственно.
В данном проекте:
- Вход представляет собой текущее значение в реальном времени от датчика холла, которое обновляется непрерывно, поскольку положение плавающего магнита будет меняться в реальном времени.
- Заданное значение — это значение от датчика холла, которое измеряется, когда плавающий магнит находится в положении баланса, в центре основания магнитов. Этот индекс фиксирован и со временем не изменяется.
- Выходной сигнал — скорость для управления электромагнитами.
Стоит поблагодарить сообщество любителей Arduino, которое написало PID-библиотеку и которая очень проста в использовании. Дополнительная информация об Arduino PID есть на официальном сайте Arduino . Нам нужно использовать пару ПИД-регуляторов под Arduino, один для оси X и другой для оси Y.
Шаг 3: Комплектующие
Список комплектующих для урока получается приличным. Ниже приведен список компонентов, которые вы должны купить для этого проекта, убедитесь, что у вас есть все перед запуском. Некоторые из компонентов очень популярны, и, вероятно, вы найдете их на своем собственном складе или дома.
Шаг 4: Инструменты
Вот список инструментов, наиболее часто используемых:
- Паяльник
- Ручная пила
- Мультиметр
- Дрель
- Осциллограф (по желанию, можете использовать мультиметр)
- Настольное сверло
- Горячий клей
- Плоскогубцы
Шаг 5: LM324 Op-amp, L298N драйвер и SS495a
LM324 Op-amp
Операционные усилители (op-amp) являются одними из наиболее важных, широко используемых и универсальных схем, используемых сегодня.
Мы используем операционный усилитель для усиления сигнала от датчика Холла, цель которого — увеличить чувствительность, чтобы ардуино легко распознало изменение магнитного поля. Изменение нескольких мВ на выходе датчика холла, после прохождения усилителя может измениться на несколько сотен единиц в Arduino. Это необходимо для обеспечения плавного и стабильного функционирования ПИД-регулятора.
Обычным операционным усилителем, который мы выбрали, является LM324, это дешево, и вы можете купить его в любом магазине электроники. LM324 имеет 4 внутренних усилителя, которые позволяют гибко его использовать, однако в этом проекте нужны только два усилителя: один для оси X, а другой для оси Y.
Модуль L298N
Двойной H-мост L298N обычно используется для управления скоростью и направлением двух двигателей постоянного тока или с легкостью управляет одним биполярным шаговым двигателем. L298N может использоваться с двигателями с напряжением от 5 до 35 В постоянного тока.
Существует также встроенный регулятор 5V, поэтому, если напряжение питания до 12 В, вы также можете подключить источник питания 5 В от платы.
В этом проекте использован L298N для управления двумя парами катушек электромагнита и использован выход 5 В для питания Arduino и датчика холла.
Распиновка модулей:
- Out 2: пара электромагнитов X
- Out 3: пара электромагнитов Y
- Входное питание: вход постоянного тока 12 В
- GND: Земля
- Выход 5v: 5v для датчиков Arduino и холла
- EnA: Включает сигнал PWM для выхода 2
- In1: Включить для выхода 2
- In2: Enable for Out 2
- In3: Включить для выхода 3
- In4: Включить для выхода 3
- EnB: Включает PWM-сигнал для Out3
Подключение к Arduino: нам нужно удалить 2 перемычки в контактах EnA и EnB, затем подключить 6 контактов In1, In2, In3, In4, EnA, EnB к Arduino.
SS495a Датчик Холла
SS495a — это линейный датчик Холла с аналоговым выходом. Обратите внимание на разницу между аналоговым выходом и цифровым выходом, вы не можете использовать датчик с цифровым выходом в этом проекте, он имеет только два состояния 1 или 0, поэтому вы не можете измерить выход магнитных полей.
Аналоговый датчик приведет к диапазону напряжений от 250 до Vcc, который вы можете прочитать с помощью аналогового входа Arduino. Для измерения магнитного поля в обеих осях X и Y требуются два датчика холла.
Шаг 6: Неодимовые магниты NdFeB (неодим-железо-бор)
Из Википедии: «Неодим — химический элемент, редкоземельный металл серебристо-белого цвета с золотистым оттенком. Относится к группе лантаноидов. Легко окисляется на воздухе. Открыт в 1885 году австрийским химиком Карлом Ауэром фон Вельсбахом. Используется как компонент сплавов с алюминием и магнием для самолёто- и ракетостроения.»
Неодим — это металл, который является ферромагнитным (в частности, он показывает антиферромагнитные свойства), что означает, что подобно железу его можно намагнитить, чтобы он стал магнитом. Но его температура Кюри составляет 19К (-254 ° С), поэтому в чистом виде его магнетизм проявляется только при чрезвычайно низких температурах. Однако соединения неодима с переходными металлами, такими как железо, могут иметь температуры Кюри значительно выше комнатной температуры, и они используются для изготовления неодимовых магнитов.
Сильный — это слово, которое используют для описания неодимового магнита. Вы не можете использовать ферритовые магниты, потому что их магнетизм слишком слаб. Неодимовые магниты намного дороже ферритовых магнитов. Маленькие магниты используются для основы, большие магниты для плавающей/левитирующей части.
Внимание
! Вам нужно быть осторожным при использовании неодимовых магнитов, так как их сильный магнетизм может навредить вам, или они могут сломать данные вашего жесткого диска или других электронных устройств, на которые влияют магнитные поля.
Совет
! Вы можете отделить два магнита, потянув их в горизонтальное положение, вы не сможете отделить их в противоположном направлении, потому что их магнитное поле слишком сильное. Они также очень хрупкие и легко ломаются.
Шаг 7: Готовим основание
Использовали небольшой терракотовый горшок, который обычно используется для выращивания суккулента или кактуса. Вы также можете использовать керамический горшок или деревянный горшок, если они подходят. Используйте сверло диаметром 8 мм, чтобы создать отверстие в нижней части горшка, которое используется для удерживания гнезда постоянного тока.
Шаг 8: 3D-печать плавающей части
Если у вас есть 3D-принтер — здорово. У вас есть возможность сделать все с помощью него. Если принтера нет — не отчаивайтесь, т.к. вы можете использовать дешевую услугу 3D-печати, которая сейчас очень популярна.
Для лазерной резки файлы также в архиве выше — файл AcrylicLaserCut.dwg (это autocad). Акриловая деталь используется для поддержки магнитов и электромагнитов, остальные — для покрытия поверхности терракотового горшка.
Шаг 9: Подготовка SS495a модуля датчика Холла
Вырежьте макет PCB на две части, одну часть, чтобы прикрепить датчик холла, а другой — к цепи LM324. Прикрепите два магнитных датчика перпендикулярно печатной плате. Используйте тонкие провода для соединения двух штырей датчиков VCC вместе, сделайте то же самое с контактами GND. Выходные контакты отдельно.
Шаг 10: Цепь Op-amp
Припаяйте гнездо и резисторы к печатной плате, следуя схеме, обратив внимание на то, чтобы поместить два потенциометра в одном направлении для более легкой калибровки позже. Присоедините LM324 к гнезду, затем подключите два выхода модуля датчиков холла к цепи op-amp.
Два выходных провода LM324 подключите к Arduino. Вход 12 В с входом 12 В модуля L298N, выход 5 В модуля L298N к 5V потенциометра.
Шаг 11: Сборка электромагнитов
Соберите электромагниты на акриловый лист, они закреплены в четырех отверстиях вблизи центра. Затяните винты, чтобы избежать движения. Поскольку электромагниты симметричны по центру, они всегда находятся на полюсах напротив, так что провода на внутренней стороне электромагнитов соединены вместе, а провода на внешней стороне электромагнитов подключены к L298N.
Протяните провода под акриловым листом через соседние отверстия, чтобы подключиться к L298N. Медный провод покрыт изолированным слоем, поэтому вы должны удалить его ножом, прежде чем вы сможете припаять их вместе.
Шаг 12: Сенсорный модуль и магниты
Используйте горячий клей для фиксации модуля датчика между электромагнитами, обратите внимание, что каждый датчик должен быть квадратным с двумя электромагнитами, один на передней и другой на задней панели. Попробуйте выполнить калибровку двух датчиков как можно более централизованно, чтобы они не перекрывались, что сделает датчик наиболее эффективным.
Следующий шаг — собрать магниты на акриловой основе. Объединяя два магнита D15*4 мм и магнит D15*3 мм вместе, чтобы сформировать цилиндр, это приведет к тому, что магниты и электромагниты будут иметь одинаковую высоту. Соберите магниты между парами электромагнитов, обратите внимание, что полюса восходящих магнитов должны быть одинаковыми.
Шаг 13: Разъем питания постоянного тока и выход L298N 5V
Припаяйте гнездо питания постоянного тока двумя проводами и используйте термоусадочную трубку. Подключенный разъем питания постоянного тока к входу модуля L298N, его выход 5 В будет подавать питание на Arduino.
Шаг 14: L298N и Arduino
Подключите модуль L298N к Arduino, следуя приведенной выше схеме:
L298N → Ардуино
5V → VCC
GND → GND
EnA → 7
В1 → 6
В2 → 5
В3 → 4
В4 → 3
EnB → 2
Шаг 15: Arduino Pro Mini программер
Поскольку у Arduino pro mini нет USB-порта для последовательного порта, вам необходимо подключить внешний программатор. FTDI Basic будет использоваться для программирования (и питания) Pro Mini.
Левитроном, как известно, называют волчок, вращающийся в воздухе над коробкой, в которой действует источник магнитного поля. Изготовить левитрон можно из популярного датчика холла.
Что такое левитрон
ВНИМАНИЕ!
Найден совершенно простой способ сократить расход топлива! Не верите? Автомеханик с 15-летним стажем тоже не верил, пока не попробовал. А теперь он экономит на бензине 35 000 рублей в год!
Левитрон – это игрушка. Ее нет никакого смысла покупать, если знать варианты изготовления самодельного устройства. Ничего сложного в конструкции такого левитрона не будет, если имеется обычный датчик холла, например, купленный для автомобильного трамблера, и оставленный впрок.
Следует знать, что эффект левитации наблюдается всегда в достаточно узкой зоне. Такие реалии несколько ограничивают свободу действий умельцев, однако при приложении терпения и времени, можно всегда настроить левитрон качественно и эффективно. Он практически не будет падать или скакать.
Левитрон из датчика холла
Левитрон на датчик холла и идея его изготовления проста, как и все гениальное. Благодаря силе магнитного поля в воздух поднимается кусок любого материала с электромагнитными свойствами.
Чтобы создался эффект «зависания», парения в воздухе, подключение осуществляется с большой частотой. Другими словами, магнитное поле, как бы, поднимает и бросает материал.
Схема устройства чересчур проста, и даже школьник, не просидевший уроки физики зря, сможет все самостоятельно соорудить.
- Нужен светодиод (цвет его подбирается в зависимости от индивидуальных предпочтений).
- Транзисторы RFZ 44N (хотя подойдет любой полевик, близкий к этим параметрам).
- Диод 1N 4007.
- Резисторы на 1 кОм и 330 Ом.
- Собственно, сам датчик холла (А3144 или другой).
- Медный намоточный провод размером 0,3-0,4 мм (около 20 метров будет достаточно).
- Неодимовый магнитик в виде таблетки 5х1 мм.
- 5-вольтный зарядочник, предназначенный для мобильника.
Теперь подробно о том, как проводится сборка:
- Делается каркас для электромагнита точно с такими же параметрами, как на фото. 6 мм – диаметр, около 23 мм – длина намотки, 25 мм – диаметр щечек с запасом. Изготавливается каркас из картонки и обычного тетрадного листа, с использованием суперклея.
- Конец медного провода фиксируется на катушке, а затем проводится наматывание (примерно 550 витков). Неважно при этом в какую сторону наматывать. Другой конец провода тоже закрепляется, катушка пока откладывается в сторону.
- Паяем все по схеме.
- Датчик холла припаивается на проводки, а затем ставится на катушку. Надо вдеть его внутрь катушки, зафиксировать подручными средствами.
Внимание. Чувствительная зона датчика (определить ее можно по документации к датчику холла) должна смотреть параллельно земле. Поэтому, перед тем как вдеть датчик в катушку, рекомендуется немного согнуть это место.
- Катушка подвешивается, на нее подается питание через спаянную ранее плату. Катушка фиксируется посредством штатива.
Теперь можно проверить, как работает левитрон. Можно подвести к катушке снизу любой наэлектризованный материал. Он будет либо притягиваться катушкой, либо отталкиваться, в зависимости от полярности. Но нам нужно, чтобы материал зависал в воздухе, парил. Так оно и будет, если форма материала не слишком мала по отношению к катушке.
Примечание. Если магнит в виде таблетки маленький, то он будет левитировать не слишком эффектно. Может падать. Чтобы исключить огрехи в работе, надо сместить центр тяжести материала к низу – в качестве груза подойдет обычный кусок бумажки.
Что касается светодиода, то его можно и не ставить. С другой стороны, если хочется большего эффекта, можно организовать шоу с подсветкой.
Самодельный левитрон в классическом исполнении без датчика
Как видим, благодаря наличию датчика холла удалось изготовить вполне эффектную игрушку. Однако это вовсе не означает, что без датчика не обходится. Напротив, самодельный левитрон в классическом исполнении, это лишь большой магнит от динамика (диаметром 13-15 см) и маленький кольцевой магнит для волчка (2-3 см в диаметре), без использования датчика.
Ось волчка делается, как правило, из старой ручки или карандаша. Главное – стержень подбирается так, чтобы плотно заходил по центру кольцевого магнита. Лишняя часть ручки после этого срезается (примерно 10 см в длину вместе с закрепленным магнитом для волчка, то что надо).
Классическая схема изготовления левитрона подразумевает также наличие десятка различных шайб, вырезанных из плотной бумаги. Для чего они понадобятся? Если в вышеописанном случае тоже использовалась бумага, и как мы помним – для смещения центра тяжести вниз или проще, для настройки. То же самое и здесь. Шайбочки буду нужны для идеальной настройки волчка (при необходимости сажаются после кольцевого магнита на стержень).
Внимание. Чтобы самодельный волчок идеально левитировал, помимо настройки шайбочками, нужно не ошибиться с полярностью. Другими словами, установить кольцевой магнит соосно большому магниту.
Но и это еще не все. Как в первом случае (с использованием датчика холла), так и во втором, надо добиться идеальной ровности источника притяжения. Говоря иначе, поставить большой магнит на идеально ровную поверхность. Чтобы добиться этого, применяются деревянные подставки различной толщины. Если магнит сидит не ровно, подставки ставятся с одной стороны или с нескольких, таким образом, настраивается ровность.
Платформенные левитроны
Отличается платформенная схема левитрона, как правило, наличием не одного, а нескольких магнитов-источников. Парящий в воздухе материал или волчок будет стремиться в этом случае упасть на один из магнитов, сместившись с вертикальной оси. Чтобы этого избежать, надо суметь скорректировать центральную зону притяжения, и сделать это идеально точно.
И тут на помощь приходят те самые катушки, с вдетым внутрь датчиком холла. Пусть таких катушек будет две, и расположить их следует ровно по середине платформы, между магнитами. На схеме это будет выглядеть вот так (1 и 2 — магниты).
Из схемы становится понятно, что целью управления катушками является создание горизонтальной силы, центра притяжения. Сила эта формально названа Fss, и направлена она к оси равновесия при возникновении смещения, указанного на схеме, как Х.
Если подключить катушки так, чтобы импульс создавал зону с обратной полярностью, то можно решить вопрос со смещением. Это подтвердит любой физик.
В качестве корпуса для конструкции платформенного левитрона подбирается любой старый проигрыватель ДВД. Из него снимаются все «внутренности», устанавливаются магниты и катушки, а в целях красоты, верхняя часть закрывается практичной крышкой из тонкого, можно прозрачного материала (пропускающего магнитное поле).
Датчики холла должны выступать через отверстия платформы, должны быть распаяны на разогнутых ножках разъемов.
Что касается магнитов, то это могут быть круглые элементы толщиной в 4 мм. Желательно, чтобы один из магнитов был больше второго по диаметру. Например, 25 и 30 мм.
Существуют и более сложные варианты левитронов, изготовленные по схеме раскручивания волчка, находящегося внутри небольшого глобуса. Эти левитроны также могут строиться с использованием датчиков холла – эффективных составляющих, совершивших целую революцию в автопромышленности и других сферах человеческой деятельности.
На просьбу подарить вам на Новый год антигравитацию Дед Мороз не должен отвечать «Миссия невыполнима». Услышите такой ответ, знайте — Дед поддельный. Потому что научные игрушки с элементами антигравитации существуют и не первый год продаются по $30-60.
Есть в Сиэтле компания под предобрым названием «Очаровательные игрушки и подарки» (Fascinations Toys and Gifts). Очарование её продукции в том, что поначалу она кажется нереальной. Правда, в отличие от фокусников, создатели необычных сувениров охотно раскрывают свои секреты.
Прежде всего, хочется сказать о «Левитроне» (Levitron) . Перед нами нечто вроде пепельницы (будем называть её основой) над которой висит в воздухе и крутится волчок. Антигравитационный такой приборчик. Развлекает «Левитрон» следующим образом:
Вы берёте в руку идущую в комплекте пластину и держите её над основой. Ставите на пластину сверху волчок и сильно раскручиваете его указательным и большим пальцами.
Затем пластину медленно поднимают, потом опускают и убирают прочь — гироскоп остаётся висеть в воздухе, вращаясь и немного покачиваясь.
Штука хорошая, но в хозяйстве практически бесполезная (фото hobbytron.net).
Никакого электричества игрушка не требует. Здесь использованы постоянные магниты, размещённые как в основе, так и в гироскопе.
С точки зрения классической физики невозможно добиться устойчивости двух отталкивающихся магнитов, один из которых плавает над другим.
Специалисты же из Fascinations объясняют, что им удалось найти исключение из правил.
Точнее, его нашёл изобретатель Рой Хэрриген (Roy M. Harrigan) и запатентовал в мае 1983 года.
Как вы догадались, вращение удерживает верхний магнит от опрокидывания. Но что мешает ему скользить боком и слететь с магнитной подушки?
Нижний магнит, и его поле соответственно, имеет сложную форму. И при отклонении волчка от центра возникает сила, подталкивающая его обратно в точку равновесия.
Так выглядит «Левитрон», сделанный своими руками (фото hcrs.at).
Сила эта очень мала и потому запуск «Левитрона» потребует тренировки.
Равновесие в этой системе настолько тонкое, что на него влияют температура в комнате или даже небольшие колебания в земном магнетизме.
В комплект игрушки входит набор из 5 грузиков — весом от 3 до 0,1 грамма. Их комбинацией достигается равновесие.
Регулируемые ножки основы позволяют установить её точно горизонтально, да, к тому же, необходимо соблюдать определённую ориентацию на стороны света.
Наконец сам процесс подъёма и удаления пластины с вращающимся гироскопом требует чрезвычайной осторожности. И, чем быстрее вы сможете закрутить волчок, тем дольше он будет парить.
Если левитирующий волчок вас в должной степени очаровал, новаторы из Сиэтла готовы предложить вам дополнительные аксессуары к «Левитрону».
Например, «Перпетуатор» (Perpetuator), на этот раз уже подключаемый к розетке. В отличие от обычной основы, здесь добавлены электромагнитные поля, которые поддерживают вращение волчка, так что он может висеть над вашим столом неделями.
Другая антигравитационная игрушка называется Art Bank . Эта коробка, внутри которой левитируют теннисный шарик, модель самолёта, монетка или фантик.
Кроме того, имеется «летающий глобус» — Amazing Anti-Gravity Globes .
Антигравитационный глобус — действительно вещь (фото fascinations.com).
Ещё одно «физическое» творение Fascinations — легкие и прозрачные водопады (Gosammer Falls). Это целая коллекция водопадиков, так сказать, для дома и офиса.
Упоминания они заслуживают потому, что в отличие от множества аналогов, демонстрируют интересный эффект.
Вода в них льётся широкой и тонкой плёнкой, которая ни разу не разрывается, ни в одном месте. Как это возможно?
Вода, выливаясь даже из тонкой протяжённой щели, стремится собраться в более-менее компактную струю, а если это невозможно — разрывается на отдельные потоки, дробится на капли.
.
В этой статье Константин, мастерская How-todo, покажет нам как сделать левитрон.
Итак, левитрон. Принцип работы данной приблуды прост, как саморез. Электромагнитом поднимаем в воздух кусочек некоего магнитного материала. Для создания эффекта парения, электромагнит включаем и выключаем с большой частотой.
То-есть, как-бы поднимаем и бросаем магнитный образец.
Схема такого устройства на удивление проста, и повторить его не составляет сложностей. Вот, собственно, схема.
Нужные нам материалы и компоненты.
Светодиод любого цвета, он не обязателен.
Транзистор IRFZ44N, подойдет практически любой похожий по параметрам полевик.
Диод, здесь автор использует HER207, с тем же успехом будет работать какой-нибудь 1N4007.
Резисторы на 1 кОм и 330Ом (последний не обязателен).
Датчик холла, у меня это A3144 его тоже можно заменить на похожий.
Медный намоточный эмалированный провод диаметром 0,3 0,4 мм, метров 20. У автора провод 0,36 мм.
Неодимовый магнитик типа таблетки, размером 5 на 1 мм, тоже не особо принципиально, в пределах разумного.
В качестве источника питания подойдет ненужный пятивольтовый зарядник от телефона.
Клей, бумага, паяльник припой… стандартный набор паяльщика.
Давайте перейдем к сборке. Для начала необходимо сделать картонную катушку для корпуса будущего электромагнита.
Параметры катушки следующие:
6 мм диаметр внутренней втулки, ширина слоя намотки приблизительно 23 мм и диаметр щечек, с запасом, около 25 мм.
Как видите, Константин соорудил корпус для катушки из картонки и обрезка тетрадного листа, хорошенько смазав их суперклеем.
Закрепим начало провода в каркасе, наберемся терпения и начинаем накручивать примерно 550 витков.
Направление намотки не имеет значения. Можно даже намотать в навал, но это не наш метод.
Наматываем 12 слоев, виток к витку, изолируя каждый слой изолентой.
Потратив часа полтора, закрепляем конец провода и откладываем катушку.
Приступаем к пайке, все согласно схемы, без каких-либо отличий.
Выводы Датчика Холла удлинняем проводками и изолируем термоусадкой, ведь его необходимо расположить внутри катушки.
Собственно все, остается только настроить, для этого устанавливаем датчик Холла внутри катушки и фиксируем подручными средствами.
Подвешиваем катушку, подаём питание.
Поднеся магнит чувствуем, что он притягивается или отталкивается, в зависимости от полярности.
На некотором расстоянии магнит пытается зависнуть, но на длительное время не зависает.
Изучаем документацию на датчик, где специально в картинках показано, с какой стороны у него чувствительная зона.
Вынимаем его и сгибаем таким образом, чтобы плоская сторона с надписями оказалась в итоге параллельно земле.
Запихиваем обратно, на этот раз все значительно лучше.
Но до сих пор не парит.
Проблема заключается в форме магнита, а именно — плоская форма «таблетки».
Не самая удачная, которую можно придумать для левитации. Достаточно всего лишь сместить центр тяжести вниз. Организуем это при помощи куска толстой бумажки.
Кстати, перед приклеиванием противовеса, не забудьте сначала посмотреть с какой стороны магнит притягивается к катушке.
Собственного теперь все более-менее работает, остается только отцентровать и закрепить датчик.
Какие еще были особенности. Попытка питать устройство от 12В адаптера приводит к сильному нагреву электромагнита.
Пришлось перейти на 5В, при этом какого-то ухудшения работы замечено не было, а нагрев практически полностью был устранен.
Еще светодиод и его ограничительный резистор почти сразу был исключен из схемы, ибо смысла от них нет.
Финальный штрих, синий бумажный скотч показался недостаточно эстетичным.
Главная
»
Декорирование »
Как сделать левитрон из магнитов. Платформенный левитрон своими руками
Самый простой и наглядный пример магнитной левитации, которая создается на постоянных магнитах – это так называемый левитрон. Эту игрушку придумал американский изобретатель почти 30 лет назад. В основе конструкции всего два кольцевых магнита. Большой лежит строго горизонтально, а маленький вращается и зависает над ним. Что же его удерживает от падения? За счет чего достигается такой эффект? Игорь Белецкий высказывает на видео идеи практической реализации левитрона и проводит опыты.
Естественно, постоянные магниты направлены друг к другу одноименными полюсами, что и заставляет их отталкиваться. Но для устойчивой этого мало. Большой кольцевой магнит создает особую форму магнитного поля. Другими словами образуется магнитная впадина или потенциально яма, на дне которой волчок и находят свою устойчивость. Но это всего лишь позволяет ему не свалиться в сторон.
Решающим фактором для стабильной левитации является вращение самого волчка, вследствие чего возникает в гироскопический эффект, благодаря нему волчок не опрокидывается, хотя постоянно к этому стремится, и как только трение а воздух притормозит его вращение, сила магнитного притяжения возьмет верх.
Было бы заманчиво найти практическое применение такому подвесу. Например, сделать бесконтактный маховик – накопителя энергии. Но беда в том, что что по схеме левитрона, когда большой магнит удерживает маленький, не получается подвесить массивное тело. Сила отталкивания крайне мала – жалкие 30 грамм. Это предел. Нагрузишь больше и система сложится, а увеличивать габариты магнита непрактично и дорого. Но как же так? Неодимовые магниты обладают просто чудовищной силой отталкивания, и это действительно так.
Продаются магниты дешевле в этом китайском магазине .
Автор видео Игорь Белецкий попытался реализовать динамическую левитацию по принципу магнитного подвеса, расположив ось вращения вертикально.Вес маховика легко компенсируется двумя маленькими кольцевыми магнитами, а вот осевую стабилизацию должны были обеспечить небольшие магниты на концах оси. Плюс гироскопический эффект от вращения самого маховика. К сожалению, проведя множество экспериментов, он так и не добился желаемого. Возможно, он снова выбрал не самую удачную схему, потому что, чем больше в системе магнитов, а значит и напряжений, тем сложнее ее уравновесить.
Самый простой и дешевый способ магнитного подвеса предложил еще профессор механики Нурбей Гулия. Он просто перенес всю массу маховика на кольцевые магниты, а осевую стабилизацию оставил за обычными подшипниками, что вполне логично, ведь при вертикальной оси вращения нагрузка на них минимальная, как и потери на трение. Это, конечно, не чистая левитация, но что то весьма близкое. Автор ролика быстро собрал похожую конструкцию и убедился в ее практичности. Вместо подшипников для стабилизации оси он использовал графитовые втулки. Трение у них действительно минимально. Теперь бы еще поместить всё в безвоздушную капсулу и получится настоящий накопитель механической энергии. А потом, для полного счастья, было бы логично сделать бесконтактный отбор мощности. Самый простой способ – превратить маховик в магнитный ротор. Например, добавим катушку индуктивности и получим генератор, который при необходимости сможет работать и как электромотор для раскрутки маховика накопителя. Но это уже совсем другая история.
Левитация
(от лат. levitas
«легкость, легковесность») — физическое явление, при котором предмет без видимой опоры пари́т в пространстве, не касаясь твёрдой поверхности. Люди часто связывают это явление с магией, привидениями, НЛО и прочими невероятных явлениями.
С другой стороны, левитация относительно простое физическое явление для металлических предметов, находящихся в магнитном поле.
Предлагаю вам ознакомиться с устройством, предназначенным для левитации металлических предметов
. Принцип работы прост. Для того, чтобы предмет мог висеть в пространстве, вместо постоянного магнита надо использовать электромагнит, управляемый с помощью электронной схемы таким образом, чтобы металлический предмет как бы парил на некотором расстоянии от электромагнита. За положением предмета в пространстве следит оптическая пара, которая состоит из инфракрасного фото и светодиодов. Если объект поднимается слишком высоко, то фотодиод будет менее освещен-ток через обмотку электромагнита уменьшится и его сила притяжения также уменьшится. Если объект опустится слишком низко, фотодиод будет более освещенным, ток через обмотку электромагнита увеличивается, и его сила притяжения увеличится.
Рис. 1 Схема устройства электромагнитной левитации
В схема управления устройства магнитной левитации
(рис.1) используется операционный усилитель (ОУ) 1458 или 4558 и мощный MOSFET с теплоотводом. Опорное напряжение снимается с делителя R3-R4 и подается на неинвертирующий вход 3 ОУ. Контролируемое напряжение подается с делителя R2-VD2 на вход 2 ОУ. При небольшом изменении напряжения на R2-VD2 появляется сигнал рассогласования, который многократно, усиливается и изменяет напряжение на транзисторе VT1.
Электромагнит можно намотать на каркасе большого старого реле. Катушка содержит 1200 витков провода диаметром 0,4-0,5 мм. Железный сердечник имеет диаметр 8-10 мм.
Особых критериев для используемого фотодиода нет, можно использовать ту модель, которая есть у вас под рукой. Но т. к, их характеристики разнятся, резистором R1 настраивают четкую работу схемы при данных параметрах фотодиода.
Если у вас возникнут проблемы с устойчивостью работы устройства (объект вибрирует),то, возможно, потребуется изменить постоянную времени контура. Для этого необходимо экспериментально подобрать номинал конденсатора С1, от 22 мкф до 1мкф, пока цепь не станет работать устойчиво.
Левитрон — это игрушка, демонстрирующая левитацию крутящегося волчка, в котором расположен неодимовый магнит над ферритовым магнитом большего деаметра. Выглядит это удивительно!
Материалы для изготовления Левитрона
Итак, нам понадобится для изготовления игрушки три магнита в форме колец, обладающие достаточной мощностью. Вполне подойдут для нашей цели магниты из низкочастотных динамиков, срок службы которых давно истек.
Для того чтобы сделать волчок, будет нужен неодимный магнит. Взять его можно из динамика, на котором имеется надпись«Neodium transducer». Применяются подобные динамики в сотовых. Самый сильный постоянный магнит сегодня – это неодимный, созданный из сплава, в который входят неодим, бор и железо. Высокая температура негативно повлияет на него, поэтому этот магнит следует беречь от нагревания. Итак, магнит из сотового телефона может оказаться двух видов – в виде круглой пластинки или же в виде кольца. Кольцевой магнит одевается на сам волчок строго по центру, а магнит в форме таблетки приклеивается на ось волчка снизу. Материалом для самого волчка должен служить легкий материал, такой как композит или пластмасса.
Настройка левитрона
К настройке следует подойти с особой скрупулезностью, ведь эта часть работы имеет решающее значение и является наиболее трудоемкой. Кольцевые магниты должны быть соединены между собой разнополярными сторонами. Сверху на них следует установить пластину (не из металла) толщиной до 1 см. Волчок аккуратно будет установлен в основание левитрона – центр магнита. Если Вы заметили, что волчок отклоняется в сторону, значит, магнит нужно заменить на другой, с большим диаметром.
Чтобы запустить волчок, понадобятся еще несколько элементов, с помощью которых можно будет регулировать толщину платформы, чтобы достичь нормального вращения волчка. Нам понадобится пластика из оргстекла с бумажными листами. Если волчок крутится нормально, начинаем плавно приподнимать платформу, пока он не взлетит вверх.
Если наш волчок подлетает с излишней стремительностью, следует увеличить его вес. Если же он отклоняется в одну сторону, то исправить ситуацию можно, подложив бумажные листы под противоположную. Эти действия позволяют настроить основу нашей игрушки, так чтобы она находилась четко на уровне моря.
И видео с левитронами…
Слово «левитация» происходит от английского «levitate» — парить, подниматься в воздух. То есть левитация — это преодоление объектом гравитации, когда он парит и не касается опоры, не отталкиваясь при этом от воздуха, не используя реактивную тягу. С точки зрения физики, левитация — это устойчивое положение объекта в гравитационном поле, когда сила тяжести скомпенсирована и имеет место возвращающая сила, обеспечивающая объекту устойчивость в пространстве.
В частности магнитная левитация — это технология подъёма объекта с помощью магнитного поля, когда для компенсации ускорения свободного падения или любых других ускорений используется магнитное действие на объект. Именно о магнитной левитации и пойдет речь в данной статье.
Магнитное удержание объекта в состоянии устойчивого равновесия можно реализовать несколькими способами. Каждый из способов имеет свои особенности, и к каждому можно предъявить претензии, вроде «это не настоящая левитация!», и так оно на самом деле и будет. Настоящая левитация в чистом виде недостижима.
Так, теорема Ирншоу доказывает, что, используя только ферромагнетики, невозможно устойчиво удерживать объект в гравитационном поле. Но несмотря на это, с помощью сервомеханизмов, диамагнетиков, сверхпроводников и систем с вихревыми токами возможно достичь подобие левитации, когда какой-нибудь механизм помогает объекту сохранять равновесие, когда тот поднят над опорой магнитной силой. Однако обо всем по порядку.
Электромагнитная левитация с системой слежения
Применив схему на базе электромагнита и фотореле можно заставить левитировать небольшие металлические предметы. Предмет будет парить в воздухе на некотором расстоянии от неподвижно закрепленного на стойке электромагнита. Электромагнит получает питание, пока фотоэлемент, закрепленный в стойке, не затенен парящим предметом, пока на него попадает достаточно света от неподвижно закрепленного контрольного источника, это значит, что объект нужно притянуть.
Когда объект достаточно приподнят, электромагнит отключается, поскольку в этом момент тень от перемещенного в пространстве объекта падает на фотоэлемент, перекрывая свет источника. Объект начинает падать, но упасть не успевает, так как снова включился электромагнит. Так, отрегулировав чувствительность фотореле, можно добиться эффекта, при котором объект будет как-бы висеть на одном месте в воздухе.
На самом деле объект непрерывно то падает, то вновь немного приподнимается электромагнитном. Получается иллюзия левитации. На этом принципе основана работа «левитирующих глобусов» — довольно необычных сувениров, где к глобусу прикреплена магнитная пластина, с которой и взаимодействует электромагнит, скрытый в подставке.
Графитовый грифель от простого карандаша является диамагнетиком, то есть веществом, которое намагничивается против внешнего магнитного поля. В определенных условиях происходит полное вытеснение магнитного поля из материала диамагнетика, например графитовый грифель обладает высокой магнитной восприимчивостью, и начинает парить над неодимовыми магнитами даже при комнатной температуре.
Для устойчивости эффекта магниты следует собрать в шахматном порядке (полюса магнитов), тогда графитовый стержень не выскользнет из «магнитной ловушки» и будет левитировать.
Редкоземельный магнит с индукцией всего 1 Тл может висеть между пластинами висмута, а в магнитном поле с индукцией 11 Тл можно между пальцами стабилизировать «левитацию» маленького неодимового магнита, поскольку руки человека являются диамагнетиком, как и вода.
Известен достаточно широко распространенный опыт с левитирующей лягушкой. Животное аккуратно помещают над магнитом, который создает магнитную индукцию больше 16 Тл и лягушка, демонстрируя диамагнитные свойства, фактически зависает в воздухе на небольшом расстоянии от магнита.
Пластина из оксида иттрия-бария-меди охлаждается до температуры жидкого азота. В этих условиях пластина . Если теперь положить неодимовый магнит на подставку над пластиной, а затем подставку из под магнита вытащить, то магнит зависнет в воздухе — будет левитировать.
Даже небольшой магнитной индукции порядка 1 мТл достаточно чтобы магнит, будучи положен на пластину, приподнялся над охлажденным высокотемпературным сверхпроводником на несколько миллиметров. Чем выше индукция магнита — тем выше он поднимется.
Дело здесь в том, что одно из свойств сверхпроводника — выталкивание магнитного поля из сверхпроводящей фазы, и магнит, отталкиваясь от этого магнитного поля противоположного направления как-бы всплывает и продолжает парить над охлажденным сверхпроводником до тех пор, пока он не выйдет из сверхпроводящего состояния.
Вихревые токи (токи Фуко), наводимые переменными магнитными полями в массивных проводниках также способны удерживать предметы в левитирующем состоянии. Например катушка с переменным током может левитировать над замкнутым кольцом из алюминия, а алюминиевый диск будет парить над катушкой с переменным током.
Объяснение здесь такое: по закону Ленца, индуцируемый в диске или в кольце ток будет создавать такое магнитное поле, что его направление станет препятствовать причине его вызывающей, то есть в каждый период колебаний переменного тока в индукторе, в массивном проводнике будет индуцироваться магнитное поле противоположного направления. Так, массивный проводник или катушка подходящий формы смогут левитировать все время пока включен переменный ток.
Аналогичный механизм удержания проявляется, когда роняют внутри медной трубы — магнитное поле индуцированных вихревых токов направлено противоположно магнитному полю магнита.
Андрей Повный
Идея устройства очень проста, электромагнит поднимает в воздух магнит, а для создания эффекта левитации в магнитном поле, он подключен к высокочастотному источнику, который то поднимает, то опускает объект.
Шаг 1: Схема устройства
Схема на удивление проста и я полагаю, что у вас не составит труда собрать левитрон своими руками. Вот список компонентов:
- светодиод (любого цвета — это опционально)
- транзистор Irfz44n (или любой подходящий mosfet)
- диод HER207 (с таким же успехом должен работать 1n4007)
- резисторы 1k и 330Om (последний необязателен)
- датчик Холла A3144 (либо аналогичный)
- медный обмоточный провод диаметром 0.3 — 0.4 мм и длиной 20 м
- неодимовые магниты (я использовал 5 * 1 мм)
Шаг 2: Сборка
Приступим к сборке. Сперва нам нужно сделать рамку для электромагнита примерно таких размеров: диаметр 6 мм, высота мотка примерно 23 мм, и диаметр ушек около 25 мм. Как видите, изготовить её можно из обычного листа, картона и суперклея. теперь закрепим начало мотка на рамке и расслабимся — нам нужно будет сделать около 550 оборотов, неважно в каком набавлении. Я сделал 12 слоёв, что отняло у меня 1.5 часа.
Шаг 3: Спайка
Спаиваем всё по схеме, без каких-либо нюансов. Датчик Холла припаян к проводам, т.к. он будет помещён в катушку. Когда всё спаяете, поместите датчик в катушку, закрепите его, подвесьте катушку и подайте ток. Поднеся магнит, вы почувствуете, что он притягивается или отталкивается, в зависимости от полюса, и пытается зависнуть в воздухе, но неудачно.
Шаг 4: Настройка
После 30 минут, потраченных над разгадкой вопроса, «почему эта штука не работает?», я пришел в отчаяние и прибегнул к крайним мерам — начал читать спецификацию к датчику, которую создают для таких людей как я. В спецификации имелись картинки, на которых было изображено, какая из сторон чувствительная.
Вытащив датчик и согнув его таким образом, чтобы плоская сторона с надписями была параллельна земле, я вернул его на место — самодельное устройство стало работать заметно лучше, но магнит всё ещё не левитировал. Понять в чём проблема удалось достаточно быстро: магнит в форме таблетки — не самый лучший экземпляр для левитации. Было достаточно сместить центр тяжести к нижней части магнита (я сделал это при помощи куска толстой бумаги). Кстати, не забудьте проверить, какая сторона магнита притягивается к катушке. Теперь всё работало более или менее нормально и осталось закрепить и защитить датчик.
Какие еще нюансы есть в этом проекте? Сначала я хотел использовать адаптер на 12V, но электромагнит быстро грелся, и мне пришлось переключить его на 5V, я не заметил никаких ухудшений в работе, а нагрев был практически устранён. Диод и ограничивающий резистор были практически сразу отключены. Также я снял с катушки синюю бумагу — мотки медной проволоки смотрятся гораздо красивее.
Шаг 5: Финал
На идею этого урока натолкнул проект краудфандинговой платформы Kickstarter под названием «Air Bonsai», действительно красивый и загадочный, который сделали японцы.
Но любая загадка может быть объяснена, если посмотреть внутрь. Фактически это магнитная левитация, когда есть объект, левитирующий сверху, и электромагнит, контролируемый схемой. Давайте попробуем вместе реализовать этот загадочный проект.
Мы выяснили, что схема устройства на Кикстартере была довольно сложной, без какого-либо микроконтроллера. Не было возможности найти её аналоговую схему. На самом деле, если посмотреть более внимательно, принцип левитации довольно прост. Нужно сделать магнитную деталь, «плавающую» над другой магнитной деталью. Основная дальнейшая работа заключалась в том, чтобы левитирующий магнит не падал.
Было также предположение, что сделать это с Arduino на самом деле намного проще, чем пытаться понять схему японского устройства. На самом деле всё оказалось намного проще.
Магнитная левитация состоит из двух частей: базовой части и плавающей (левитирующей) части.
Основание
Эта часть находится внизу, которая состоит из магнита для создания круглого магнитного поля и электромагнитов для управления этим магнитным полем.
Каждый магнит имеет два полюса: север и юг. Эксперименты показывают, что противоположности притягиваются и одинаковые полюса отталкиваются. Четыре цилиндрических магнита помещаются в квадрат и имеют одинаковую полярность, образуя круглое магнитное поле вверх, чтобы вытолкнуть любой магнит, который имеет один и тот же полюс между ними.
Есть четыре электромагнита вообще, они помещены в квадрат, два симметричных магнита — пара, и их магнитное поле всегда противоположно. Датчик Холла и цепь управляют электромагнитами. Создаем противоположные полюса на электромагнитах током через них.
Плавающая деталь
Деталь включает в себя магнит, плавающий над основанием, который может нести небольшой горшок с растением или другие предметы.
Магнит сверху поднимается магнитным полем нижних магнитов, потому что они с одинаковыми полюсами. Однако, как правило, он склоняется к падению и притягиванию друг к другу. Чтобы предотвратить переворот и падение верхней части магнита, электромагниты создадут магнитные поля, чтобы толкать или тянуть, дабы сбалансировать плавающую часть, благодаря датчику Холла. Электромагниты управляются двумя осями X и Y, в результате чего верхний магнит поддерживается сбалансированным и плавающим.
Контролировать электромагниты нелегко, требуется ПИД-регулятор, который подробно обсуждается на следующем шаге.
Шаг 2: ПИД-регулятор (PID)
Из Википедии: «Пропорционально-интегрально-дифференцирующий (ПИД) регулятор — устройство в управляющем контуре с обратной связью. Используется в системах автоматического управления для формирования управляющего сигнала с целью получения необходимых точности и качества переходного процесса. ПИД-регулятор формирует управляющий сигнал, являющийся суммой трёх слагаемых, первое из которых пропорционально разности входного сигнала и сигнала обратной связи (сигнал рассогласования), второе — интеграл сигнала рассогласования, третье — производная сигнала рассогласования.»
В простом понимании: «ПИД-регулятор вычисляет значение «ошибки» как разность между измеренным [Входом] и желаемой установкой. Контроллер пытается свести к минимуму ошибку, отрегулировав [выход]».
Итак, вы указываете PID, что измерить (Вход), какое значение вы хотите и переменную, которая поможет иметь это значение на выходе. Далее ПИД-регулятор настраивает выходной сигнал, чтобы сделать вход равным установке.
Для примера
: в автомобиле у нас три значения (Вход, Установка, выход) будут — скорость, желаемая скорость и угол педали газа, соответственно.
В данном проекте:
- Вход представляет собой текущее значение в реальном времени от датчика холла, которое обновляется непрерывно, поскольку положение плавающего магнита будет меняться в реальном времени.
- Заданное значение — это значение от датчика холла, которое измеряется, когда плавающий магнит находится в положении баланса, в центре основания магнитов. Этот индекс фиксирован и со временем не изменяется.
- Выходной сигнал — скорость для управления электромагнитами.
Стоит поблагодарить сообщество любителей Arduino, которое написало PID-библиотеку и которая очень проста в использовании. Дополнительная информация об Arduino PID есть на официальном сайте Arduino . Нам нужно использовать пару ПИД-регуляторов под Arduino, один для оси X и другой для оси Y.
Шаг 3: Комплектующие
Список комплектующих для урока получается приличным. Ниже приведен список компонентов, которые вы должны купить для этого проекта, убедитесь, что у вас есть все перед запуском. Некоторые из компонентов очень популярны, и, вероятно, вы найдете их на своем собственном складе или дома.
Шаг 4: Инструменты
Вот список инструментов, наиболее часто используемых:
- Паяльник
- Ручная пила
- Мультиметр
- Дрель
- Осциллограф (по желанию, можете использовать мультиметр)
- Настольное сверло
- Горячий клей
- Плоскогубцы
Шаг 5: LM324 Op-amp, L298N драйвер и SS495a
LM324 Op-amp
Операционные усилители (op-amp) являются одними из наиболее важных, широко используемых и универсальных схем, используемых сегодня.
Мы используем операционный усилитель для усиления сигнала от датчика Холла, цель которого — увеличить чувствительность, чтобы ардуино легко распознало изменение магнитного поля. Изменение нескольких мВ на выходе датчика холла, после прохождения усилителя может измениться на несколько сотен единиц в Arduino. Это необходимо для обеспечения плавного и стабильного функционирования ПИД-регулятора.
Обычным операционным усилителем, который мы выбрали, является LM324, это дешево, и вы можете купить его в любом магазине электроники. LM324 имеет 4 внутренних усилителя, которые позволяют гибко его использовать, однако в этом проекте нужны только два усилителя: один для оси X, а другой для оси Y.
Модуль L298N
Двойной H-мост L298N обычно используется для управления скоростью и направлением двух двигателей постоянного тока или с легкостью управляет одним биполярным шаговым двигателем. L298N может использоваться с двигателями с напряжением от 5 до 35 В постоянного тока.
Существует также встроенный регулятор 5V, поэтому, если напряжение питания до 12 В, вы также можете подключить источник питания 5 В от платы.
В этом проекте использован L298N для управления двумя парами катушек электромагнита и использован выход 5 В для питания Arduino и датчика холла.
Распиновка модулей:
- Out 2: пара электромагнитов X
- Out 3: пара электромагнитов Y
- Входное питание: вход постоянного тока 12 В
- GND: Земля
- Выход 5v: 5v для датчиков Arduino и холла
- EnA: Включает сигнал PWM для выхода 2
- In1: Включить для выхода 2
- In2: Enable for Out 2
- In3: Включить для выхода 3
- In4: Включить для выхода 3
- EnB: Включает PWM-сигнал для Out3
Подключение к Arduino: нам нужно удалить 2 перемычки в контактах EnA и EnB, затем подключить 6 контактов In1, In2, In3, In4, EnA, EnB к Arduino.
SS495a Датчик Холла
SS495a — это линейный датчик Холла с аналоговым выходом. Обратите внимание на разницу между аналоговым выходом и цифровым выходом, вы не можете использовать датчик с цифровым выходом в этом проекте, он имеет только два состояния 1 или 0, поэтому вы не можете измерить выход магнитных полей.
Аналоговый датчик приведет к диапазону напряжений от 250 до Vcc, который вы можете прочитать с помощью аналогового входа Arduino. Для измерения магнитного поля в обеих осях X и Y требуются два датчика холла.
Шаг 6: Неодимовые магниты NdFeB (неодим-железо-бор)
Из Википедии: «Неодим — химический элемент, редкоземельный металл серебристо-белого цвета с золотистым оттенком. Относится к группе лантаноидов. Легко окисляется на воздухе. Открыт в 1885 году австрийским химиком Карлом Ауэром фон Вельсбахом. Используется как компонент сплавов с алюминием и магнием для самолёто- и ракетостроения.»
Неодим — это металл, который является ферромагнитным (в частности, он показывает антиферромагнитные свойства), что означает, что подобно железу его можно намагнитить, чтобы он стал магнитом. Но его температура Кюри составляет 19К (-254 ° С), поэтому в чистом виде его магнетизм проявляется только при чрезвычайно низких температурах. Однако соединения неодима с переходными металлами, такими как железо, могут иметь температуры Кюри значительно выше комнатной температуры, и они используются для изготовления неодимовых магнитов.
Сильный — это слово, которое используют для описания неодимового магнита. Вы не можете использовать ферритовые магниты, потому что их магнетизм слишком слаб. Неодимовые магниты намного дороже ферритовых магнитов. Маленькие магниты используются для основы, большие магниты для плавающей/левитирующей части.
Внимание
! Вам нужно быть осторожным при использовании неодимовых магнитов, так как их сильный магнетизм может навредить вам, или они могут сломать данные вашего жесткого диска или других электронных устройств, на которые влияют магнитные поля.
Совет
! Вы можете отделить два магнита, потянув их в горизонтальное положение, вы не сможете отделить их в противоположном направлении, потому что их магнитное поле слишком сильное. Они также очень хрупкие и легко ломаются.
Шаг 7: Готовим основание
Использовали небольшой терракотовый горшок, который обычно используется для выращивания суккулента или кактуса. Вы также можете использовать керамический горшок или деревянный горшок, если они подходят. Используйте сверло диаметром 8 мм, чтобы создать отверстие в нижней части горшка, которое используется для удерживания гнезда постоянного тока.
Шаг 8: 3D-печать плавающей части
Если у вас есть 3D-принтер — здорово. У вас есть возможность сделать все с помощью него. Если принтера нет — не отчаивайтесь, т.к. вы можете использовать дешевую услугу 3D-печати, которая сейчас очень популярна.
Для лазерной резки файлы также в архиве выше — файл AcrylicLaserCut.dwg (это autocad). Акриловая деталь используется для поддержки магнитов и электромагнитов, остальные — для покрытия поверхности терракотового горшка.
Шаг 9: Подготовка SS495a модуля датчика Холла
Вырежьте макет PCB на две части, одну часть, чтобы прикрепить датчик холла, а другой — к цепи LM324. Прикрепите два магнитных датчика перпендикулярно печатной плате. Используйте тонкие провода для соединения двух штырей датчиков VCC вместе, сделайте то же самое с контактами GND. Выходные контакты отдельно.
Шаг 10: Цепь Op-amp
Припаяйте гнездо и резисторы к печатной плате, следуя схеме, обратив внимание на то, чтобы поместить два потенциометра в одном направлении для более легкой калибровки позже. Присоедините LM324 к гнезду, затем подключите два выхода модуля датчиков холла к цепи op-amp.
Два выходных провода LM324 подключите к Arduino. Вход 12 В с входом 12 В модуля L298N, выход 5 В модуля L298N к 5V потенциометра.
Шаг 11: Сборка электромагнитов
Соберите электромагниты на акриловый лист, они закреплены в четырех отверстиях вблизи центра. Затяните винты, чтобы избежать движения. Поскольку электромагниты симметричны по центру, они всегда находятся на полюсах напротив, так что провода на внутренней стороне электромагнитов соединены вместе, а провода на внешней стороне электромагнитов подключены к L298N.
Протяните провода под акриловым листом через соседние отверстия, чтобы подключиться к L298N. Медный провод покрыт изолированным слоем, поэтому вы должны удалить его ножом, прежде чем вы сможете припаять их вместе.
Шаг 12: Сенсорный модуль и магниты
Используйте горячий клей для фиксации модуля датчика между электромагнитами, обратите внимание, что каждый датчик должен быть квадратным с двумя электромагнитами, один на передней и другой на задней панели. Попробуйте выполнить калибровку двух датчиков как можно более централизованно, чтобы они не перекрывались, что сделает датчик наиболее эффективным.
Следующий шаг — собрать магниты на акриловой основе. Объединяя два магнита D15*4 мм и магнит D15*3 мм вместе, чтобы сформировать цилиндр, это приведет к тому, что магниты и электромагниты будут иметь одинаковую высоту. Соберите магниты между парами электромагнитов, обратите внимание, что полюса восходящих магнитов должны быть одинаковыми.
Шаг 13: Разъем питания постоянного тока и выход L298N 5V
Припаяйте гнездо питания постоянного тока двумя проводами и используйте термоусадочную трубку. Подключенный разъем питания постоянного тока к входу модуля L298N, его выход 5 В будет подавать питание на Arduino.
Шаг 14: L298N и Arduino
Подключите модуль L298N к Arduino, следуя приведенной выше схеме:
L298N → Ардуино
5V → VCC
GND → GND
EnA → 7
В1 → 6
В2 → 5
В3 → 4
В4 → 3
EnB → 2
Шаг 15: Arduino Pro Mini программер
Поскольку у Arduino pro mini нет USB-порта для последовательного порта, вам необходимо подключить внешний программатор. FTDI Basic будет использоваться для программирования (и питания) Pro Mini.
.
В этой статье Константин, мастерская How-todo, покажет нам как сделать левитрон.
Итак, левитрон. Принцип работы данной приблуды прост, как саморез. Электромагнитом поднимаем в воздух кусочек некоего магнитного материала. Для создания эффекта парения, электромагнит включаем и выключаем с большой частотой.
То-есть, как-бы поднимаем и бросаем магнитный образец.
Схема такого устройства на удивление проста, и повторить его не составляет сложностей. Вот, собственно, схема.
Нужные нам материалы и компоненты.
Светодиод любого цвета, он не обязателен.
Транзистор IRFZ44N, подойдет практически любой похожий по параметрам полевик.
Диод, здесь автор использует HER207, с тем же успехом будет работать какой-нибудь 1N4007.
Резисторы на 1 кОм и 330Ом (последний не обязателен).
Датчик холла, у меня это A3144 его тоже можно заменить на похожий.
Медный намоточный эмалированный провод диаметром 0,3 0,4 мм, метров 20. У автора провод 0,36 мм.
Неодимовый магнитик типа таблетки, размером 5 на 1 мм, тоже не особо принципиально, в пределах разумного.
В качестве источника питания подойдет ненужный пятивольтовый зарядник от телефона.
Клей, бумага, паяльник припой… стандартный набор паяльщика.
Давайте перейдем к сборке. Для начала необходимо сделать картонную катушку для корпуса будущего электромагнита.
Параметры катушки следующие:
6 мм диаметр внутренней втулки, ширина слоя намотки приблизительно 23 мм и диаметр щечек, с запасом, около 25 мм.
Как видите, Константин соорудил корпус для катушки из картонки и обрезка тетрадного листа, хорошенько смазав их суперклеем.
Закрепим начало провода в каркасе, наберемся терпения и начинаем накручивать примерно 550 витков.
Направление намотки не имеет значения. Можно даже намотать в навал, но это не наш метод.
Наматываем 12 слоев, виток к витку, изолируя каждый слой изолентой.
Потратив часа полтора, закрепляем конец провода и откладываем катушку.
Приступаем к пайке, все согласно схемы, без каких-либо отличий.
Выводы Датчика Холла удлинняем проводками и изолируем термоусадкой, ведь его необходимо расположить внутри катушки.
Собственно все, остается только настроить, для этого устанавливаем датчик Холла внутри катушки и фиксируем подручными средствами.
Подвешиваем катушку, подаём питание.
Поднеся магнит чувствуем, что он притягивается или отталкивается, в зависимости от полярности.
На некотором расстоянии магнит пытается зависнуть, но на длительное время не зависает.
Изучаем документацию на датчик, где специально в картинках показано, с какой стороны у него чувствительная зона.
Вынимаем его и сгибаем таким образом, чтобы плоская сторона с надписями оказалась в итоге параллельно земле.
Запихиваем обратно, на этот раз все значительно лучше.
Но до сих пор не парит.
Проблема заключается в форме магнита, а именно — плоская форма «таблетки».
Не самая удачная, которую можно придумать для левитации. Достаточно всего лишь сместить центр тяжести вниз. Организуем это при помощи куска толстой бумажки.
Кстати, перед приклеиванием противовеса, не забудьте сначала посмотреть с какой стороны магнит притягивается к катушке.
Собственного теперь все более-менее работает, остается только отцентровать и закрепить датчик.
Какие еще были особенности. Попытка питать устройство от 12В адаптера приводит к сильному нагреву электромагнита.
Пришлось перейти на 5В, при этом какого-то ухудшения работы замечено не было, а нагрев практически полностью был устранен.
Еще светодиод и его ограничительный резистор почти сразу был исключен из схемы, ибо смысла от них нет.
Финальный штрих, синий бумажный скотч показался недостаточно эстетичным.
Как работает Левитрон?
Теперь, когда вы заинтересовались левитацией, создав или купив свой первый Левитрон, вам осталось только освоить искусство запуска, мы поможем вам в этом, рассмотрев принцип действия. И научим вас искусству запуска Левитрона, расскав о секретах и тонкостях этой технологии.
Овладеть искусством запуска волчка и помещения его в позицию стабильной левитации, вы и окружающие, гарантированно ощутите полное изумление. Сегодня левитация волнует многих людей. Мы получаем многочисленные запросы от клиентов, с вопросами по левитации и объяснения того, как работает левитрон.
Многие экспресс озадаченность, что он работает на всех, часто ссылаясь на теорему, принадлежащую Эрншоу (1,2), как доказательство того, что он не должен работать. Интерес к левитрон имеет всегда кипят среди ученых. в последнее время аналогий левитрон ловушкам для микроскопических частиц (например, электронов, нейтронов) были признаны учеными, работающими в увлекательной области исследований, где материя манипулируют и исследуют, одну такую микроскопическую частицу в то время, . Первый признать аналогию, был доктор Майкл В. Берри из университета Бристоля. Д-р Берри, вдохновленный этим признанием, опубликовал подробное изложение физики функционирования левитрон (в 3). бумага доктора Берри является одним из лучших существующих объяснение того, как работает Левитрон и он любезно приготовил для нас краткую инкапсуляцию основных тем, которые мы представляем ниже. Те, кто желает, чтобы прочитать полную экспозицию следует запросить копию бумаги от доктора Берри.
Что его держит?
«Антигравитация», — это сила, которая отталкивает вершины от основания магнетизм. И верх и тяжелая горбыль внутри базовой коробки намагничиваются, но противоположно. Подумайте основного магнита с его северным полюсом направлен вверх, а сверху, как магнит с его северный полюс направлен вниз (рис.1). Принцип заключается в том, что два одинаковых полюса (например, два Norths) отталкиваются и что два противоположных полюса притягиваются, с силами, которые сильнее, когда полюса ближе. Есть четыре магнитных сил на вершине: на ее северном полюсе, отталкивание с севера в базу и притяжения с юга базу, а также на его южном полюсе, притяжение с севера для базы и отталкивания с юга базы. Из-за способа силы зависят от расстояния, к северо-северо отталкивание доминирует, а верхняя магнитно отталкиваются. Он висит где это вверх отталкивание уравновешивает вниз сила тяжести, то есть в точке равновесия, где суммарная сила равна нулю.
Почему Левитрону нужно вращаться?
Чтобы предотвратить опрокидывание вершины. Помимо обеспечения силы на вершине в целом, магнитное поле базы дает крутящий момент, стремящийся повернуть его ось вращения. Если верхняя не спиннинг, этот магнитный вращающий момент будет перевернуть его. Затем ее южный полюс будет направлена вниз, и сила от основания будет привлекательным, — то есть, в том же направлении, что и силы тяжести — и вершина будет падать. Когда верхний вращается, крутящий момент действует гироскопически и ось не опрокинуть, но вращается вокруг (почти вертикально) направление магнитного поля. Это вращение называется прецессией (рис.2). С Левитроном, ось почти вертикально и прецессии видно, как дрожь, которая получает более произносит как топ замедляется. Эффективность спина в стабилизации магнитно поддерживается вершины, такие как Левитрон был обнаружен Рой М. Harrigan (4).
Почему Левитрон не скользит боком?
Для верхней она остается подвешенной, в одиночку равновесия недостаточно. Равновесие также должна быть стабильной, так что небольшое горизонтальное или вертикальное перемещение производит силой, толкающей вверх назад к точке равновесия. Для Левитрона, стабильности трудно достичь. Это зависит от того факта, что, как вершина перемещается в сторону, в сторону от оси основного магнита, магнитное поле базы, о которой ось волчка прецессировала, слегка отклоняется от вертикали (рис. 2). Если верхний прецессировала о точной вертикали, физика магнитных полей сделало бы равновесие неустойчиво. Поскольку поле настолько близко к вертикали, равновесие устойчиво только в небольшом диапазоне высот — от примерно 1,25 дюйма до 1,75 дюйма выше центра основания. (от 2,5 до 3,0 дюйма для увлечениях «нового Супер Левитрон). Теорема Эрншоу не нарушается поведение Левитрон. Эта теорема утверждает, что никакие статические расположения магнитных (или электрических) зарядов не может быть стабильным, в одиночку или под действием силы тяжести. Это не относится к Левитрон, потому что магнит (в верхней части) крутится и так динамически реагирует на поле от основания.
Почему вес Левитрона важен (и почему он должен быть отрегулирован)?
Вес верхней и силы намагничивания базы и верхний определяют высоту равновесия, где магнетизм уравновешивает силу тяжести. Эта высота должна находиться в стабильном диапазоне. Небольшие изменения температуры изменяет намагниченность базы и сверху. (При повышении температуры, направления атомных магнитов рандомизации и поле ослабевает). Если вес не корректируется, чтобы компенсировать, равновесие будет выходить за пределы диапазона стабильной и вершина будет падать. Так как стабильный диапазон настолько мал, эта регулировка деликатная — самый легкий шайба составляет лишь около 0,3% от веса верхней части.
Почему в конце концов Левитрон падает?
Верхний раскручивает стабилен в диапазоне приблизительно от 20 до 35 оборотов в секунду (RPS). Это совершенно неустойчив выше 35-40 RPS и ниже 18 оборотов в секунду. После того, как вершина прядут и левитировать, это замедляет из-за сопротивления воздуха. Через несколько минут она достигнет нижнего предела устойчивости (18 RPS) и падает. Спин время жизни Левитрон может быть расширен путем помещения его в вакууме. В течение нескольких вакуумных экспериментов, которые были сделаны верхней упала примерно через 30 минут. Почему он делает это не ясно; может быть, при изменении температуры, толкая равновесия из стабильного диапазона; может быть, есть некоторые крошечные остаточные долгосрочной нестабильности, потому что вершина не вращается достаточно быстро; или, возможно, вибрации вакуумного оборудования пробежку поле и постепенно привод оси прецессии от направления магнитного поля. Левитации может быть значительно продлен путем продувки воздуха с соответствующим воздушным зубчатый воротник, расположенных вокруг периферии волчка, с тем, чтобы поддерживать частоту спинов в стабильном диапазоне. В последнее время топ Левитрон хранилась вращающаяся в течение нескольких дней таким образом. Но наиболее успешным средством для продления левитации волчка является новым, электромагнитный импульсный прибор, который может держать верхнюю левитировать в течение многих дней или даже недель.
Как используется принцип Левитрона?
В последние десятилетия, микроскопические частицы изучались захвата их с магнитных и / или электрических полей. Есть несколько видов ловушек. Например, нейтроны могут быть проведены в магнитном поле, создаваемом системой катушек. Нейтроны вращающихся магнитных частиц, поэтому аналогия такой нейтронной ловушки с Левитрон близко.
Левитрон — это игрушка, демонстрирующая левитацию крутящегося волчка, в котором расположен неодимовый магнит над ферритовым магнитом большего деаметра. Выглядит это удивительно!
Материалы для изготовления Левитрона
Итак, нам понадобится для изготовления игрушки три магнита в форме колец, обладающие достаточной мощностью. Вполне подойдут для нашей цели магниты из низкочастотных динамиков, срок службы которых давно истек.
Для того чтобы сделать волчок, будет нужен неодимный магнит. Взять его можно из динамика, на котором имеется надпись«Neodium transducer». Применяются подобные динамики в сотовых. Самый сильный постоянный магнит сегодня – это неодимный, созданный из сплава, в который входят неодим, бор и железо. Высокая температура негативно повлияет на него, поэтому этот магнит следует беречь от нагревания. Итак, магнит из сотового телефона может оказаться двух видов – в виде круглой пластинки или же в виде кольца. Кольцевой магнит одевается на сам волчок строго по центру, а магнит в форме таблетки приклеивается на ось волчка снизу. Материалом для самого волчка должен служить легкий материал, такой как композит или пластмасса.
Настройка левитрона
К настройке следует подойти с особой скрупулезностью, ведь эта часть работы имеет решающее значение и является наиболее трудоемкой. Кольцевые магниты должны быть соединены между собой разнополярными сторонами. Сверху на них следует установить пластину (не из металла) толщиной до 1 см. Волчок аккуратно будет установлен в основание левитрона – центр магнита. Если Вы заметили, что волчок отклоняется в сторону, значит, магнит нужно заменить на другой, с большим диаметром.
Чтобы запустить волчок, понадобятся еще несколько элементов, с помощью которых можно будет регулировать толщину платформы, чтобы достичь нормального вращения волчка. Нам понадобится пластика из оргстекла с бумажными листами. Если волчок крутится нормально, начинаем плавно приподнимать платформу, пока он не взлетит вверх.
Если наш волчок подлетает с излишней стремительностью, следует увеличить его вес. Если же он отклоняется в одну сторону, то исправить ситуацию можно, подложив бумажные листы под противоположную. Эти действия позволяют настроить основу нашей игрушки, так чтобы она находилась четко на уровне моря.
И видео с левитронами…
Принцип работы: В данной схеме сила притяжения генерируется между электромагнитом и постоянным магнитом. Равновесное положение нестабильно, и поэтому используется система автоматического контроля и управления. Датчиком контроля служит магнитоуправляемый датчик положения на основе эффекта Холла MD1. Он расположен в центре торца катушки и закреплен. Катушка намотана лакированной проволокой 0,35-04 мм, и имеет около 550 витков. Светодиод НL1 показывает своим свечением, что схема работает. Диод D1 обеспечивает быстродействие работы катушки.
Схема работает следующим образом. При включении ток идет через катушку, которая создает магнитное поле и притягивает магнит. Для того чтобы магнит не перевернулся, его стабилизируют, прикрепив к нему что нибудь снизу. Магнит взлетает и притягивается к электромагниту, но когда магнит попадает в зону действия датчика положения (МD1) он своим магнитным полем отключает его. Датчик в свою очередь подает сигнал на транзистор, который отключает электромагнит. Магнит падает. Выйдя из зоны чувствительности датчика, электромагнит снова включается и магнит опять притягивается к электромагниту. Таким образом, система непрерывно колеблется около некоторой точки.
Схема:
Для сборки нам понадобится:
1) резисторы 270Ом и 1кОм (0.125Вт)
2) транзистор IRF 740
3) светодиод
4) диод 1N4007
5) датчик Холла AH443
6) макетная плата
7) лакированная проволока 0.35-0.4мм
+ корпус, паяльник и т.п.
Схема:
Собираем катушку. Каркас можно сделать используя тонкий лист стеклотекстолита и старый фломастер.
Вырезаем: (примерный размер катушки: высота — 22мм, диаметр — 27мм)
Склеиваем вместе:
Наматываем примерно 550витков: (лакированная проволока 0.35-0.4мм, в навал, но более-менее стараемся мотать равномерно)
Паяем плату управления: (в качестве разъема питания я использовал обычный 3.5 mm miniJack)
Цоколевка:
Для удобства сборки можно использовать штырьковые разъемы:
В корпусе вырезаем все необходимые отверстия:
Устанавливаем все на свое место:
Теперь необходимо сделать крепление для катушки:
Прикручиваем к корпусу и крепим катушку:
Именно так нужно выгнуть датчик Холла, припаиваем к нему провода:
Подключаем всё до кучи:
После того, как достанем магнит, нужно определить какой стороной его ориентировать к электромагниту. Для этого помещаем и временно закрепляем датчик Холла в самом низу катушки. Включаем левитрон (должен загореться светодиод) и подносим магнит. Если он притягивается к катушке — то магнит ориентирован правильно, но если же магнитное поле катушки выталкивает его, то магнит необходимо перевернуть. Снизу магнита необходимо прикрепить что-то легкое. В моем случае это светодиод.
Перемещая датчик Холла добиваемся стабильного зависания на максимальном расстоянии от катушки. Закрепляем его:
Как сделать платформенный левитрон своими руками. Краткое руководство. «Levitron» (PCBWay)
🌑 ЧУДО МАГНИТНОЙ ЛЕВИТАЦИИ СВОИМИ РУКАМИ LEVITRON CASERO Antigravity ИГОРЬ БЕЛЕЦКИЙ
🌑 МАГНИТНАЯ ЛЕВИТАЦИЯ за 5 минут Сделай сам Очень простой способ Levitron Caseiro Игорь Белецкий
Наш проект живет и развивается для тех, кто ищет ответы на свои вопросы и стремится не потеряться в бушующем море зачастую бесполезной информации. На этой странице мы рассказали (а точнее — показали 🙂 вам Как сделать левитрон на постоянных магнитах своими руками. Кроме этого, мы нашли и добавили для вас тысячи других видеороликов, способных ответить, кажется, на любой ваш вопрос. Однако, если на сайте все же не оказалось интересующей информации — напишите нам, мы подготовим ее для вас и добавим на наш сайт!
Если вам не сложно — оставьте, пожалуйста, свой отзыв, насколько полной и полезной была размещенная на нашем сайте информация о том, Как сделать левитрон на постоянных магнитах своими руками.






























































































































































