Нуль модемный кабель очень нужная вещь в спутниковом хозяйстве. В первую очередь для прошивки спутниковых ресиверов. Но не всегда его можно купить вот и приходится делать самому.
Как я уже говорил 0-модемный кабель
нам пригодиться в первую очередь для пере прошивки спутниковых ресиверов. И если для этого можно использовать короткий, который проще купить, то для кардшаринга через компьютер почти всегда нужен длинный или очень длинный (делал до 15 м.) . А такой лучше спаять самому. Причем делается он довольно легко.
Как сделать самому нуль модемный кабель (RS232) шнур для прошивки тюнера своими руками
?
Нам понадобятся два разъемы DB-9F, паяльник, припой, кабель – витая пара, как по мне подходит в самый раз (можно и другой какой есть под рукой телефонный нормально), схемы и умелые руки.
Есть несколько вариантов подключения но чаще всего нужен кабель на три контакта. Ну а если такой не подойдет – тогда делаем полный на все контакты по соответствии с рисунками ниже.
Не полный ноль модемный кабель подходит почти всегда. Но и он имеет разновидности когда его контакты идут
Контакты 2 – 2 и 3 – 3 , 5 -5 прямой
Контакты 2 – 3 и 3 – 2 , 5 – 5 не прямой
Именно последний не прямой подходит чаще всего.
Распайка ком порта rs-232 в спутниковых ресиверах может иметь вид как “папы” так и “мамы”.
“Мамки” встречаются намного чаще так что советую делать с двумя “мамками” на концах.
Именно непрямой нуль-модемный кабель
с двумя мамка, и с расчетом справа-налево, подходит для прошивки большинства спутниковых ресиверов, или для шаринга.
Сначала пара слов про микросхему PL2303
. Существует 2 распространенных варианта данной микросхемы: новая(var D 2012 г.) и старая(var A 2004 г.). По Datasheet распиновка у них отличается, так что нужно смотреть, какая у вас версия микросхемы. Данная статья касается только старой версии микросхемы.
Вариант переходника с сопряжением уровней.
Микросхема PL2303 способна полностью заменить COM-порт, но я использую только контакты Tx и Rx. Остальные откидываю за ненадобностью. Схема данного переходника представлена на рисунке 1.
Для сопряжения уровней между USB и COM портом я использую микросхему MAX232. Эта микросхема нужна из-за того, что в классическом COM-порту логические уровни это +-12 вольт, а USB работает с уровнями 0-5 вольт.
Рисунок 1 — Схема переходника USB-COM-порт на микросхеме PL2303 с сопряжение уровней
Печатная плата этого переходника содержится в файлах к статье.
Вариант переходника без сопряжения уровней
Если нет необходимости в сопряжении уровней, можно отбросить часть схемы с микросхемой MAX232. После изменения получается схема представленная на рисунке 2. Данная вариация схемы хорошо подходит для подключения микроконтроллеров по UART (масса у микроконтроллера и переходника должна быть общая).
Рисунок 2 — Схема переходника USB-COM-порт на микросхеме PL2303 без сопряжения уровней
Печатная плата так же содержится в файлах к статье.
На рисунке 3 представлено готовое устройство. Хотя изначально плата была сделана для первого варианта, позже микросхема MAX232 была демонтирована за ненадобностью. Сейчас переходник успешно применяется для связи микроконтроллеров AVR c компьютером по UART.
Рисунок 3 — Фото готового устройства
Драйвер для микросхемы PL2303
За драйвером идем на сайт производителя и скачиваем последнюю версию драйвера. Ссылка на драйвер
Возможные проблемы
Проблема с драйвером, пишет «Запуск этого устройства невозможен. (Код 10)».
Есть два варианта решения:
1) установить старую версию драйвера. Скачать старый драйвер можно там же. У меня windows 10 и этот способ мне не очень помог.
2) скачать костыль к драйверу (лежит в файлах к статье.). Не помню откуда взял, но мне помогло. После скачивания:
- ser2pl.inf- правой кнопкой и установить
- Все скопировать в С:/Windows/System32/Drivers
Для проверки работоспособности переходника нужно замкнуть контакты Rx Tx и отправить в COM-порт какие-нибудь данные, данные должны вернуться. Для мониторинга СOM-порта я использую программу Advanced Serial Port Monitor
.
Список радиоэлементов
| Обозначение | Тип | Номинал | Количество | Примечание | Магазин | Мой блокнот |
|---|---|---|---|---|---|---|
| U1 | Преобразователь USB в RS-232 | PL2303 | 1 | В блокнот | ||
| U2 | ИС RS-232 интерфейса | MAX232 | 1 | если надо | В блокнот | |
| C1, C22 | Конденсатор | 22 пФ | 2 | В блокнот | ||
| C3, C88 | Конденсатор | 1 мкФ | 6 | В блокнот | ||
| R1, R2 | Резистор | 27 Ом | 2 | В блокнот | ||
| R3 | Резистор | 1.5 кОм | 1 |
Проблемы при «прошивке» ресиверов. Отсутствие COM порта. Использование ноутбука
В большинстве «старых» компьютеров и ноутбуков, приобретенных более 5лет назад, всегда было несколько COM портов (RS-232). По крайней мере, всегда был хотя бы один разъем «RS-232».
Рис. 1. Разъем на корпусе компьютера
К нему подключали различное внешнее оборудование: мыши, принтеры, модемы, специализированное оборудование. Поэтому проблем с подключением ресивера к компьютеру для «прошивки» не возникало. Достаточно было просто подключить, запустить программу для обновления ПО ресивера и спокойно сделать все необходимое.
В современных компьютерах разъем «RS-232» нередко отсутствует. Тут и возникают проблемы, зачастую весьма неприятные. В большинстве ресиверов нет иных способов «прошивки» кроме использования «RS-232». И «USB» вход для подключения внешнего флешь-накопителя есть не у всех ресиверов.
А иногда имеется и другая проблема: ноутбук имеет «COM» порт, но с ресиверами одной модели он работает, а с другими — нет. Это связано с нарушением производителем ноутбука стандарта передачи данных «RS-232». На это они идут в целях экономии энергии заряда аккумуляторной батареи. Если производитель ресивера был технически щепетилен и точен, то в ресивере будет установлена специальная микросхема для «COM» порта. Благодаря этой микросхеме ресивер будет работать и с ноутбуком, и с компьютером. Но установка микросхемы увеличивает общую стоимость изделия, а в последнее время производители экономят даже на этих мелочах! Поэтому и возникает проблема несовместимости ноутбуков и большинства ресиверов.
При использовании компьютера проблема отсутствия необходимых портов«RS-232» решается просто: необходимо приобрести дополнительный модуль с «COM» портами. Это плата, устанавливаемая в компьютер, называется «PIC-COM» или просто «плата СОМ портов».
Рис. 2. Плата PCI для компьютера с двумя «COM» портами
Если вы не сильны в компьютерах и ранее никогда не имели дело с установкой дополнительного оборудования в компьютер, то обратитесь к специалисту! Иначе можете «умертвить» дорогостоящее оборудование.
После установки платы в компьютер операционная система «Windows» — «ОС» присваивает новым установленным портам номер, например, «1», «2»…«25».
При использовании ноутбука обычную плату от компьютера установить нельзя: не тот стандарт и размер. Имеется два способа решения этой проблемы: дорогой, но качественный, и дешевый, но не полностью совместимый. В первом случае необходимо приобрести для ноутбука специальную плату с портами. Цена на эти платы высока, и приобрести, даже под заказ, эту плату мне не удалось
Рис. 3. Плата для ноутбука с «COM» портом
И тут есть подвох: в «старых» и «новых» ноутбуках два разных стандарта для дополнительного оборудования! Перед приобретением сверьтесь с инструкцией к вашему ноутбуку!
Если же вы не могли приобрести плату на компьютер или ноутбук, то остается один выход: «USB». Практически во всех современных моделях компьютеров имеется «USB» выход, как минимум два, а то и все восемь! В продаже имеются различные преобразователи «USB — COM».
Рис. 4. Преобразователь «USB — COM»
Рис. 5. Схема преобразователя «USB — COM»
Как спаять Переходник USB-COM самостоятельно. Вариант — 1
Как сделать самому переходник USB-COM , который можно использовать для подключения конвертеров и прочих девайсов к компьютерам у которых нет «железного» COM-порта.
Внимание!
Переходник описанный ниже обеспечивает согласование только сигналов RX и TX.
Все прочие модемные сигналы не задействованы.
Большинству устройств, работающих без аппаратного управления потоком, этого более чем достаточно.
С конвертерами Pilot VAF/MAF переходник работает 100%
Поехали!
Для сборки вам потребуются следующие детали:
1. PL2303HX (USB-USART мост от Prolific)-1шт.
2. MAX232CSE (UART-RS232)-1шт.
3. Кварц 12.00 МГц-1шт.
4. Конденсаторы 10 нФ (smd1206)-2шт.
5. Конденсаторы 1 мкФ (smd1206)-6шт.
6. Резисторы 27Ом (smd1206) -2шт.
7. Резисторы 1.5КОм (smd1206)-1шт.
8. Разъем mini-USB -1шт.
9. Разеъем DB-9 папа – 1шт.
10. Фольгированный текстолит для платы 48*22мм – 1шт
Схема переходника
Печатная плата
Файлы схемы и печатки в формате Eagle PCB Editor
можно скачать по этой ссылке
Сборка и настройка
Здесь собственно все элементарно — делаем плату, сверлим 4-ре отверстия и напаиваем все детальки.
В итоге у вас должен получиться вот такой вот переходничок:
Плату, чтобы не окислялась, можно задуть полиуретановым лаком или любым быстросохнущим автомобильным лаком, какой есть под рукой.
Далее этот девайс подключаем к порту USB компьютера.
Windows обнаружит новое устройство и попросит драйвера
Идем на сайт пролифика и выкачиваем самую последнюю версию дров
На момент написания статьи, самый последний драйвер был вот этот .
После скармливания винде драйвера, в системе должен появиться новый COM порт Prolific:
Теперь необходимо проверить работоспособность переходника
Для этого на переходнике в разъеме COM-порта, отверткой или проволочкой замыкаем между собой контакты 2 и 3 (на самом разъеме обычно выбиты цифры с номерами контактов – приглядитесь повнимательнее) Как вариант, можно напаять временную перемычку:

На висте и семерке гипертерминала нет! Поэтому придется сходить в гугл/яндекс выкачать гипертерминал или любой его аналог.
Выбираем в настройках соединения наш новый сом-порт:
Теперь запускам соединение, выбираем английскую раскладку и пробуем чего-нибудь печатать.
На экране должны появиться символы нажимаемых клавиш:
Если буквы не появляются, то проверяйте монтаж
Вот собственно и все!
Теперь остается убрать перемычку с контактов 2-3 и можно пользоваться переходником по прямому назначению.
Т.е. в свободный разъем «USB» ноутбука подключается вход такого «преобразователя», с диска из комплекта устанавливается драйвер (программа управления) и в системных настройках появляется виртуальный COM порт с присвоенным порядковым номером.
Как спаять Переходник USB-COM самостоятельно. Вариант — 2
| Рисунок 1. Общий вид |
![]() |
Предлагаемый блок в собранном виде позволяет реализовать принцип: купил – подключил. Устройство позволит пользователям персональных компьютеров подключить к USB-порту устройства, работающие от COM-порта (RS232C).
Ориентировочная розничная цена: 540 руб
Переходник будет полезен в практических приложениях: для подключения к персональному компьютеру различных устройств, а так же модемов и программаторов.
Технические характеристики
Напряжение питания от USB порта: 5 В.
Ток потребления: 20 мА.
Скорость соединения RS232C: 110-230000 бит/с
Интерфейс: USB1.1, USB2.0.
Поддерживаемые операционные системы: Win98, Win2000, WinXP, Vista, Linux и др.
Габаритные размеры устройства: 60×30 мм.
Комплект поставки
Блок переходника в сборе: 1.
Инструкция: 1.
Конструкция
Конструктивно переходник выполнен на двусторонней печатной плате из фольгированного стеклотекстолита, защищенной прозрачной термоусадочной трубкой.
Переходник обеспечивает все модемные сигналы: DSR, DTR, RTS, CTS, RI, DCD, а также основные сигналы RXD и TXD.
Рисунок 2. Схема электрическая принципиальная
Рисунок 3. Вид печатной платы со стороны деталей
Описание работы блока
Принципиальная электрическая схема приведена на рис 2
.
Центральная часть устройства – микроконтроллер CP2102 производства SILICON LABORATORIES. В качестве микросхемы драйвера уровней применен преобразователь MAX3243 производства фирмы Texas Instruments. Переходник обеспечивает все модемные сигналы: DSR, DTR, RTS, CTS, RI, DCD, а также основные сигналы RXD и TXD.
Установка устройства в ОС
Для установки драйверов для компьютера следует сначала скачать соответствующий вашей операционной системе драйвер.
Далее инсталлируйте драйвер на свой персональный компьютер. Подключите переходник. Операционная система обнаружит его и «попросит» драйвер, следует указать ей месторасположение этого драйвера (то место, куда он был распакован).
После успешной установки на переходнике должен засветиться светодиод, сигнализирующий готовность устройства к работе!
NEW
Обновлённый драйвер от 25.01.2011 г.
1. Драйвер для Win Vista Вы можете скачать
2. Драйвер для Windows 2000/XP/Server 2003/Vista (v5.0) Вы можете скачать
3. Драйвер для Linux Вы можете скачать
4. Драйвер для Win98SE Вы можете скачать
5. Драйвер для OC Mac Вы можете скачать
6. an144sw.zip
— c помощью данной программы можно изменить ID коды USB-COM переходника. Это нужно для того, чтобы получить возможность использовать несколько 8050 на одном ПК. Использовать только опытным пользователям!
Вы можете скачать
ПРОВЕРКА РАБОТОСПОСОБНОСТИ BM8050 БЕЗ ВНЕШНЕГО ОБОРУДОВАНИЯ
Для проверки передачи и приема всех необходимых модемных сигналов согласно подключения СОМ-устройства.
Установите перемычки на контакты 2-3, 4-6, 7-8 СОМ-разъема ВМ8050
.
Соедините устройство c USB-портом ПК.
Посмотрите, какой порт ОС выделила для устройства, для чего войдите в Пуск — Настройка — Панель Управления — Система — Оборудование — Диспетчер Устройств — Порты (СОМ и LPT) — Silicon Labs CP210x USB to UART Bridge (COM1).
Запустите стандартное приложение HiperTerminal для Windows из Пуск — Программы — Стандартные — Связь — HiperTerminal.
Остановите запущенное подключение, если оно активно, для чего нажмите вверху Вызов — Остановить.
Посмотрите, какой порт используется программой для связи с устройством, для чего войдите слева вверху Файл — Свойства и напротив «Подключаться через» выберите такой же порт, как и в Диспетчере Устройств (в нашем случае COM1).
В этом же окне убедитесь, что выбрано управление потоком «Аппаратное» в программе, для чего нажмите кнопку в центре «Настроить» и в нижнем окне «Управление потоком» выберите «Аппаратное».
Выйдите из настройки программы, для чего нажмите ОК, еще раз ОК.
Напечатайте текст «Текст» в программе HiperTerminal, при этом на экране печатается текст «Текст», что подтверждает исправность устройства.
Снимите перемычки с контактов 2-3, 4-6, 7-8 СОМ-разъема ВМ8050
.
Напечатайте текст «Текст» в программе HiperTerminal, при этом на экране печать отсутствует, что подтверждает исправность устройства.
Настройка драйвера и выбор порта для переходника USB-COM
Тут нас поджидают первые проблемы: во-первых, ОС могла присвоить виртуальному порту слишком большой номер, например,«25». А программа для «прошивки» ресивера позволяет работать с номерами портов от одного до четырех. Во-вторых, не все преобразователи «USB -COM» могут работать с программой для «прошивки» и самим ресивером. Причина в том, что производители оборудования по-разному изготовили свои изделия и программы к ним. Проверять все преобразователи необходимо индивидуально под вашу программу и ваш ресивер. Часто бывает, что с одним оборудованием преобразователь работает, а с другим- нет.
Если первая проблема устраняется изменением номера порта в настройках ОС, то проблему совместимости оборудования, программы и преобразователя устранить нельзя.
Для изменения присвоенного ОС номера необходимо изменить его вручную. Для этого необходимо войти в «Диспетчер устройств»: «Пуск» — «Настройка» -«Панель управления» — «Система».
Рис. 15.6. «Панель управления»
В появившемся окне выбрать вкладку «Оборудование» и щелкнуть по кнопке «Диспетчер устройств». Откроется окно «Диспетчер устройств». В появившемся окне в древовидном списке выбрать строчку «Порты (COM и LPT). В раскрывшемся списке вы увидите все порты, имеющиеся в вашем компьютере. Выберите ваш виртуальный порт: «преобразователь «USB — COM». У меня преобразователь модели «Prolific».
Рис. 15.7. Список имеющихся портов
Щелкните по этой строчке ПРАВОЙ кнопкой мыши, в открывшемся окне выберите стройку «Свойства».
Рис. 15.8. Настройка выбранного порта
В появившемся окне выберите вкладку «Параметры порта». В строчке «Скорость» выберите «115200», затем щелкните по кнопке «Дополнительно».
Рис. 15.9. Настройка параметров порта
В нижней части открывшегося окна найдите вкладку «Номер COM порта».
Рис. 16. Изменение номера COM порта
Щелкните по вкладке и выберите необходимый номер COM порта.
Обратите внимание, что некоторые номера порта могут быть заняты уже имеющимся оборудованием, например, встроенным модемом. Использовать одновременно один порт нельзя!
После завершения настройки нажмите «ОК» для сохранения внесенных изменений и полностью выйдите из режима настроек, закрыв все ранее открытые окна. После этого перезагрузите компьютер для внесения необходимых изменений. Если же вы изменяли номер «COM» порта «USB — COM» преобразователя, то достаточно просто вынуть его из разъема компьютера и заново подключить.
Готовые решения USB-COM адаптеров от производителей.
Кабель-адаптер COM 9/25M -> USB AM 1м
Цена — 300 руб.
Описание Кабель для подключения устройств с последовательным интерфейсом (RS-232) к USB порту.
Разъемы кабеля или переходника COM25M, COM9M, USB A
Совместимость
Совместимость USB 1.1/2.0
Поддержка ОС Windows 2000, Windows XP
Прочее
Длина кабеля 1 метр
Логистика
Размеры упаковки (измерено в НИКСе) 21.5 х 14.5 х 4.1 см
Вес брутто (измерено в НИКСе) 0.136 кг
Кабель-адаптер TRENDnet COM9M—>USB AM 0.6м
Цена — 500 руб.
Основные
Производитель TRENDnet
Модель TU-S9
Тип оборудования Кабель-переходник
Диаметр 28/24 AWG
Параметры производительности
Скорость передачи данных 500 Кбит/сек
Питание От USB порта
Потребление энергии 500 мА — максимальное
Совместимость
Требования к системе RAM 64 Мб
Поддержка ОС Windows ME, Windows 2000, Windows XP
Прочее
Соответствие стандартам RoHS
Длина кабеля 0.6 метра
Вес 75 грамм
Рабочая температура 0 ~ 40°C
Размеры упаковки (измерено в НИКСе) 23 x 16.8 x 4.6 см
Вес брутто (измерено в НИКСе) 0.135 кг
Внешние источники информации
Ссылка на сайт производителя www.trendnet.com
Адаптер — переходник USB-COM (RS-232)
Цена — 1500 руб.
Адаптер предназначен для использования приборов и адаптеров расчитанных для включения через Com (RS232) порт, например это очень актуально при использовании современных компьютеров, которые имеют только USB, в этом случае, с помощью этого переходника вы можете использовать современные компьютеры и ноутбуки совместно с нашими приборами и адаптерами, такими как Сканер BMW, Сканер Mercedes, Scanmatik и др.
Оборудование для автосервисов, автодиагностика, диагностическое оборудование, диагностика авто, автомобильный сканер, автосканер, диагностический пост, чип тюнинг, оборудование для автодиагностики Carbrain, UNISCAN, ADP-504, KKL-USB, KKL-COM, сканер BMW, сканер Opel, BMW 1.3.6, Automan, Opel scanner, BMW scanner, мотор тестер, газоанализатор, диагностика двигателя, диагностика панели приборов Программатор транспондеров, OBD-2, OBD2, корректировка одометра, U-581, запуск двигателя, crash data, креш дата, крэш дата, спидометр, тахометр.
Хотя может нужно воспользоваться нуль модемным кабелем (2-3, 3-2, 5-5) и переходником типа —
К переходнику добавляете USB удлинитель
вот вам и прямой нуль-модемный кабель.
- Розничная стоимость 100р
. - Тип A-A
- Длина: 1.5 м
Но для остальных ресов нужен «перевёрнутый
» нуль-модемный
кабель.
- Розничная цена 155.00 руб.
- Тип разъема: DB9 F — DB9 F
- Длина: 1.8 м
или такой переходник:
STLab U-350 (RTL) Адаптер COM 9M -> USB AM
Цена — 350 руб.
Основные
Производитель St-Lab
Модель USB DONGLE SERIAL 1 PORT
Описание Переходник позволяет подключить устройство с интерфейсом RS-232 (например, модем) к порту USB компьютера.
Тип оборудования Кабель-переходник
Разъемы кабеля или переходника COM9M, USB A
Встроенный USB-коннектор Да
Параметры производительности
Скорость передачи данных 115200 бит/сек
Интерфейс USB 1.1
Питание От USB порта
Поддержка ОС Windows 2000, Windows ME, Windows XP, Windows Vista, Windows 2003 Server
Размеры упаковки (измерено в НИКСе) 17 x 13 x 3.2 см
Вес брутто (измерено в НИКСе) 0.077 кг
Внешние источники информации Ссылка на сайт производителя
Проблемы при «прошивке» ресиверов. Отсутствие COM порта. Использование ноутбука
В большинстве «старых» компьютеров и ноутбуков, приобретенных более 5лет назад, всегда было несколько COM портов (RS-232). По крайней мере, всегда был хотя бы один разъем «RS-232».
Рис. 1. Разъем на корпусе компьютера
К нему подключали различное внешнее оборудование: мыши, принтеры, модемы, специализированное оборудование. Поэтому проблем с подключением ресивера к компьютеру для «прошивки» не возникало. Достаточно было просто подключить, запустить программу для обновления ПО ресивера и спокойно сделать все необходимое.
В современных компьютерах разъем «RS-232» нередко отсутствует. Тут и возникают проблемы, зачастую весьма неприятные. В большинстве ресиверов нет иных способов «прошивки» кроме использования «RS-232». И «USB» вход для подключения внешнего флешь-накопителя есть не у всех ресиверов.
А иногда имеется и другая проблема: ноутбук имеет «COM» порт, но с ресиверами одной модели он работает, а с другими — нет. Это связано с нарушением производителем ноутбука стандарта передачи данных «RS-232». На это они идут в целях экономии энергии заряда аккумуляторной батареи. Если производитель ресивера был технически щепетилен и точен, то в ресивере будет установлена специальная микросхема для «COM» порта. Благодаря этой микросхеме ресивер будет работать и с ноутбуком, и с компьютером. Но установка микросхемы увеличивает общую стоимость изделия, а в последнее время производители экономят даже на этих мелочах! Поэтому и возникает проблема несовместимости ноутбуков и большинства ресиверов.
При использовании компьютера проблема отсутствия необходимых портов«RS-232» решается просто: необходимо приобрести дополнительный модуль с «COM» портами. Это плата, устанавливаемая в компьютер, называется «PIC-COM» или просто «плата СОМ портов».
Рис. 2. Плата PCI для компьютера с двумя «COM» портами
Если вы не сильны в компьютерах и ранее никогда не имели дело с установкой дополнительного оборудования в компьютер, то обратитесь к специалисту! Иначе можете «умертвить» дорогостоящее оборудование.
После установки платы в компьютер операционная система «Windows» — «ОС» присваивает новым установленным портам номер, например, «1», «2»…«25».
При использовании ноутбука обычную плату от компьютера установить нельзя: не тот стандарт и размер. Имеется два способа решения этой проблемы: дорогой, но качественный, и дешевый, но не полностью совместимый. В первом случае необходимо приобрести для ноутбука специальную плату с портами. Цена на эти платы высока, и приобрести, даже под заказ, эту плату мне не удалось
Рис. 3. Плата для ноутбука с «COM» портом
И тут есть подвох: в «старых» и «новых» ноутбуках два разных стандарта для дополнительного оборудования! Перед приобретением сверьтесь с инструкцией к вашему ноутбуку!
Если же вы не могли приобрести плату на компьютер или ноутбук, то остается один выход: «USB». Практически во всех современных моделях компьютеров имеется «USB» выход, как минимум два, а то и все восемь! В продаже имеются различные преобразователи «USB — COM».
Рис. 4. Преобразователь «USB — COM»
Рис. 5. Схема преобразователя «USB — COM»
Как спаять Переходник USB-COM самостоятельно. Вариант — 1
Как сделать самому переходник USB-COM , который можно использовать для подключения конвертеров и прочих девайсов к компьютерам у которых нет «железного» COM-порта.
Внимание!
Переходник описанный ниже обеспечивает согласование только сигналов RX и TX.
Все прочие модемные сигналы не задействованы.
Большинству устройств, работающих без аппаратного управления потоком, этого более чем достаточно.
С конвертерами Pilot VAF/MAF переходник работает 100%
Поехали!
Для сборки вам потребуются следующие детали:
1. PL2303HX (USB-USART мост от Prolific)-1шт.
2. MAX232CSE (UART-RS232)-1шт.
3. Кварц 12.00 МГц-1шт.
4. Конденсаторы 10 нФ (smd1206)-2шт.
5. Конденсаторы 1 мкФ (smd1206)-6шт.
6. Резисторы 27Ом (smd1206) -2шт.
7. Резисторы 1.5КОм (smd1206)-1шт.
8. Разъем mini-USB -1шт.
9. Разеъем DB-9 папа – 1шт.
10. Фольгированный текстолит для платы 48*22мм – 1шт
Схема переходника
Печатная плата
Файлы схемы и печатки в формате Eagle PCB Editor
можно скачать по этой ссылке
Сборка и настройка
Здесь собственно все элементарно — делаем плату, сверлим 4-ре отверстия и напаиваем все детальки.
В итоге у вас должен получиться вот такой вот переходничок:
Плату, чтобы не окислялась, можно задуть полиуретановым лаком или любым быстросохнущим автомобильным лаком, какой есть под рукой.
Далее этот девайс подключаем к порту USB компьютера.
Windows обнаружит новое устройство и попросит драйвера
Идем на сайт пролифика и выкачиваем самую последнюю версию дров
На момент написания статьи, самый последний драйвер был вот этот .
После скармливания винде драйвера, в системе должен появиться новый COM порт Prolific:
Теперь необходимо проверить работоспособность переходника
Для этого на переходнике в разъеме COM-порта, отверткой или проволочкой замыкаем между собой контакты 2 и 3 (на самом разъеме обычно выбиты цифры с номерами контактов – приглядитесь повнимательнее) Как вариант, можно напаять временную перемычку:

На висте и семерке гипертерминала нет! Поэтому придется сходить в гугл/яндекс выкачать гипертерминал или любой его аналог.
Выбираем в настройках соединения наш новый сом-порт:
Теперь запускам соединение, выбираем английскую раскладку и пробуем чего-нибудь печатать.
На экране должны появиться символы нажимаемых клавиш:
Если буквы не появляются, то проверяйте монтаж
Вот собственно и все!
Теперь остается убрать перемычку с контактов 2-3 и можно пользоваться переходником по прямому назначению.
Т.е. в свободный разъем «USB» ноутбука подключается вход такого «преобразователя», с диска из комплекта устанавливается драйвер (программа управления) и в системных настройках появляется виртуальный COM порт с присвоенным порядковым номером.
Как спаять Переходник USB-COM самостоятельно. Вариант — 2
| Рисунок 1. Общий вид |
![]() |
Предлагаемый блок в собранном виде позволяет реализовать принцип: купил – подключил. Устройство позволит пользователям персональных компьютеров подключить к USB-порту устройства, работающие от COM-порта (RS232C).
Ориентировочная розничная цена: 540 руб
Переходник будет полезен в практических приложениях: для подключения к персональному компьютеру различных устройств, а так же модемов и программаторов.
Технические характеристики
Напряжение питания от USB порта: 5 В.
Ток потребления: 20 мА.
Скорость соединения RS232C: 110-230000 бит/с
Интерфейс: USB1.1, USB2.0.
Поддерживаемые операционные системы: Win98, Win2000, WinXP, Vista, Linux и др.
Габаритные размеры устройства: 60×30 мм.
Комплект поставки
Блок переходника в сборе: 1.
Инструкция: 1.
Конструкция
Конструктивно переходник выполнен на двусторонней печатной плате из фольгированного стеклотекстолита, защищенной прозрачной термоусадочной трубкой.
Переходник обеспечивает все модемные сигналы: DSR, DTR, RTS, CTS, RI, DCD, а также основные сигналы RXD и TXD.
Рисунок 2. Схема электрическая принципиальная
Рисунок 3. Вид печатной платы со стороны деталей
Описание работы блока
Принципиальная электрическая схема приведена на рис 2
.
Центральная часть устройства – микроконтроллер CP2102 производства SILICON LABORATORIES. В качестве микросхемы драйвера уровней применен преобразователь MAX3243 производства фирмы Texas Instruments. Переходник обеспечивает все модемные сигналы: DSR, DTR, RTS, CTS, RI, DCD, а также основные сигналы RXD и TXD.
Установка устройства в ОС
Для установки драйверов для компьютера следует сначала скачать соответствующий вашей операционной системе драйвер.
Далее инсталлируйте драйвер на свой персональный компьютер. Подключите переходник. Операционная система обнаружит его и «попросит» драйвер, следует указать ей месторасположение этого драйвера (то место, куда он был распакован).
После успешной установки на переходнике должен засветиться светодиод, сигнализирующий готовность устройства к работе!
NEW
Обновлённый драйвер от 25.01.2011 г.
1. Драйвер для Win Vista Вы можете скачать
2. Драйвер для Windows 2000/XP/Server 2003/Vista (v5.0) Вы можете скачать
3. Драйвер для Linux Вы можете скачать
4. Драйвер для Win98SE Вы можете скачать
5. Драйвер для OC Mac Вы можете скачать
6. an144sw.zip
— c помощью данной программы можно изменить ID коды USB-COM переходника. Это нужно для того, чтобы получить возможность использовать несколько 8050 на одном ПК. Использовать только опытным пользователям!
Вы можете скачать
ПРОВЕРКА РАБОТОСПОСОБНОСТИ BM8050 БЕЗ ВНЕШНЕГО ОБОРУДОВАНИЯ
Для проверки передачи и приема всех необходимых модемных сигналов согласно подключения СОМ-устройства.
Установите перемычки на контакты 2-3, 4-6, 7-8 СОМ-разъема ВМ8050
.
Соедините устройство c USB-портом ПК.
Посмотрите, какой порт ОС выделила для устройства, для чего войдите в Пуск — Настройка — Панель Управления — Система — Оборудование — Диспетчер Устройств — Порты (СОМ и LPT) — Silicon Labs CP210x USB to UART Bridge (COM1).
Запустите стандартное приложение HiperTerminal для Windows из Пуск — Программы — Стандартные — Связь — HiperTerminal.
Остановите запущенное подключение, если оно активно, для чего нажмите вверху Вызов — Остановить.
Посмотрите, какой порт используется программой для связи с устройством, для чего войдите слева вверху Файл — Свойства и напротив «Подключаться через» выберите такой же порт, как и в Диспетчере Устройств (в нашем случае COM1).
В этом же окне убедитесь, что выбрано управление потоком «Аппаратное» в программе, для чего нажмите кнопку в центре «Настроить» и в нижнем окне «Управление потоком» выберите «Аппаратное».
Выйдите из настройки программы, для чего нажмите ОК, еще раз ОК.
Напечатайте текст «Текст» в программе HiperTerminal, при этом на экране печатается текст «Текст», что подтверждает исправность устройства.
Снимите перемычки с контактов 2-3, 4-6, 7-8 СОМ-разъема ВМ8050
.
Напечатайте текст «Текст» в программе HiperTerminal, при этом на экране печать отсутствует, что подтверждает исправность устройства.
Настройка драйвера и выбор порта для переходника USB-COM
Тут нас поджидают первые проблемы: во-первых, ОС могла присвоить виртуальному порту слишком большой номер, например,«25». А программа для «прошивки» ресивера позволяет работать с номерами портов от одного до четырех. Во-вторых, не все преобразователи «USB -COM» могут работать с программой для «прошивки» и самим ресивером. Причина в том, что производители оборудования по-разному изготовили свои изделия и программы к ним. Проверять все преобразователи необходимо индивидуально под вашу программу и ваш ресивер. Часто бывает, что с одним оборудованием преобразователь работает, а с другим- нет.
Если первая проблема устраняется изменением номера порта в настройках ОС, то проблему совместимости оборудования, программы и преобразователя устранить нельзя.
Для изменения присвоенного ОС номера необходимо изменить его вручную. Для этого необходимо войти в «Диспетчер устройств»: «Пуск» — «Настройка» -«Панель управления» — «Система».
Рис. 15.6. «Панель управления»
В появившемся окне выбрать вкладку «Оборудование» и щелкнуть по кнопке «Диспетчер устройств». Откроется окно «Диспетчер устройств». В появившемся окне в древовидном списке выбрать строчку «Порты (COM и LPT). В раскрывшемся списке вы увидите все порты, имеющиеся в вашем компьютере. Выберите ваш виртуальный порт: «преобразователь «USB — COM». У меня преобразователь модели «Prolific».
Рис. 15.7. Список имеющихся портов
Щелкните по этой строчке ПРАВОЙ кнопкой мыши, в открывшемся окне выберите стройку «Свойства».
Рис. 15.8. Настройка выбранного порта
В появившемся окне выберите вкладку «Параметры порта». В строчке «Скорость» выберите «115200», затем щелкните по кнопке «Дополнительно».
Рис. 15.9. Настройка параметров порта
В нижней части открывшегося окна найдите вкладку «Номер COM порта».
Рис. 16. Изменение номера COM порта
Щелкните по вкладке и выберите необходимый номер COM порта.
Обратите внимание, что некоторые номера порта могут быть заняты уже имеющимся оборудованием, например, встроенным модемом. Использовать одновременно один порт нельзя!
После завершения настройки нажмите «ОК» для сохранения внесенных изменений и полностью выйдите из режима настроек, закрыв все ранее открытые окна. После этого перезагрузите компьютер для внесения необходимых изменений. Если же вы изменяли номер «COM» порта «USB — COM» преобразователя, то достаточно просто вынуть его из разъема компьютера и заново подключить.
Готовые решения USB-COM адаптеров от производителей.
Кабель-адаптер COM 9/25M -> USB AM 1м
Цена — 300 руб.
Описание Кабель для подключения устройств с последовательным интерфейсом (RS-232) к USB порту.
Разъемы кабеля или переходника COM25M, COM9M, USB A
Совместимость
Совместимость USB 1.1/2.0
Поддержка ОС Windows 2000, Windows XP
Прочее
Длина кабеля 1 метр
Логистика
Размеры упаковки (измерено в НИКСе) 21.5 х 14.5 х 4.1 см
Вес брутто (измерено в НИКСе) 0.136 кг
Кабель-адаптер TRENDnet COM9M—>USB AM 0.6м
Цена — 500 руб.
Основные
Производитель TRENDnet
Модель TU-S9
Тип оборудования Кабель-переходник
Диаметр 28/24 AWG
Параметры производительности
Скорость передачи данных 500 Кбит/сек
Питание От USB порта
Потребление энергии 500 мА — максимальное
Совместимость
Требования к системе RAM 64 Мб
Поддержка ОС Windows ME, Windows 2000, Windows XP
Прочее
Соответствие стандартам RoHS
Длина кабеля 0.6 метра
Вес 75 грамм
Рабочая температура 0 ~ 40°C
Размеры упаковки (измерено в НИКСе) 23 x 16.8 x 4.6 см
Вес брутто (измерено в НИКСе) 0.135 кг
Внешние источники информации
Ссылка на сайт производителя www.trendnet.com
Адаптер — переходник USB-COM (RS-232)
Цена — 1500 руб.
Адаптер предназначен для использования приборов и адаптеров расчитанных для включения через Com (RS232) порт, например это очень актуально при использовании современных компьютеров, которые имеют только USB, в этом случае, с помощью этого переходника вы можете использовать современные компьютеры и ноутбуки совместно с нашими приборами и адаптерами, такими как Сканер BMW, Сканер Mercedes, Scanmatik и др.
Оборудование для автосервисов, автодиагностика, диагностическое оборудование, диагностика авто, автомобильный сканер, автосканер, диагностический пост, чип тюнинг, оборудование для автодиагностики Carbrain, UNISCAN, ADP-504, KKL-USB, KKL-COM, сканер BMW, сканер Opel, BMW 1.3.6, Automan, Opel scanner, BMW scanner, мотор тестер, газоанализатор, диагностика двигателя, диагностика панели приборов Программатор транспондеров, OBD-2, OBD2, корректировка одометра, U-581, запуск двигателя, crash data, креш дата, крэш дата, спидометр, тахометр.
Хотя может нужно воспользоваться нуль модемным кабелем (2-3, 3-2, 5-5) и переходником типа —
К переходнику добавляете USB удлинитель
вот вам и прямой нуль-модемный кабель.
- Розничная стоимость 100р
. - Тип A-A
- Длина: 1.5 м
Но для остальных ресов нужен «перевёрнутый
» нуль-модемный
кабель.
- Розничная цена 155.00 руб.
- Тип разъема: DB9 F — DB9 F
- Длина: 1.8 м
или такой переходник:
STLab U-350 (RTL) Адаптер COM 9M -> USB AM
Цена — 350 руб.
Основные
Производитель St-Lab
Модель USB DONGLE SERIAL 1 PORT
Описание Переходник позволяет подключить устройство с интерфейсом RS-232 (например, модем) к порту USB компьютера.
Тип оборудования Кабель-переходник
Разъемы кабеля или переходника COM9M, USB A
Встроенный USB-коннектор Да
Параметры производительности
Скорость передачи данных 115200 бит/сек
Интерфейс USB 1.1
Питание От USB порта
Поддержка ОС Windows 2000, Windows ME, Windows XP, Windows Vista, Windows 2003 Server
Размеры упаковки (измерено в НИКСе) 17 x 13 x 3.2 см
Вес брутто (измерено в НИКСе) 0.077 кг
Внешние источники информации Ссылка на сайт производителя
Наконец-то закончились праздники, и пришло время чего-нибудь сделать.
Начнем, пожалуй, с необходимого устройства, облегчающего жизнь рядового электронщика – устройства связи с компьютером. Это нужно для того, чтобы передать данные в компьютер (температура с датчиков, положение дверей, частота вращения двигателя, таблица значений с регистратора …) или принять данные из компьютера (таблицы значений для вычислений, настоечные данные для устройств, новая прошивка для загрузчика…). Для отладки нового устройства (посмотреть что там, в мозгах микроконтроллера, происходит) вообще незаменимая вещь.
Как Вы знаете, существует множество интерфейсов, посредством которых микроконтроллер может общаться с внешним миром. Но если речь идет о связи с компьютером – вне конкуренции интерфейс RS-232 (COM порт). Причина — простота работы с портом со стороны компьютера и наличие большого количества программ для этого предназначенных. Кроме того, почти в каждом микроконтроллере есть аппаратно поддерживаемый интерфейс USART (это тот-же RS-232, только с напряжениями 0 — 5v), что делает процесс связи легко реализуемым.
Для того, чтобы привести уровни сигнала микроконтроллерного USART к уровням COM порта компьютера нужно собрать несложный преобразователь (например, на МАХ232), но можно пойти по более интересному пути
Более интересный путь — собрать преобразователь UART to USB. При этом USB порт воспринимается компьютером как виртуальный COM порт. В этом случае мы убиваем сразу несколько зайцев:
– USB порт есть в любом компьютере (хотя COM порт встречается еще довольно часто, но на ноутбуках его уже нет);
– как оказалось преобразователь UART to COM(RS-232) сделать гораздо сложнее, чем UART to USB (два раза делал программатор для СОМ порта с преобразователем МАХ232 – оба раза неудачно);
– если подключать преобразователь через USB хаб, то мы получаем сразу несколько виртуальных COM портов на одном USB, плюс безопасность для компьютера, так как хаб выступает в роли буфера.
Вот схема преобразователя UART to USB.
Сразу честно признаюсь – это не мое устройство. Взята данная схема с сайта www.recursion.jp/avrcdc/ . Причина, по которой я ее здесь привожу – это простота схемы и дешевизна изготовления. Собрать схему довольно просто (можно даже на макете).
Готовое устройство я выполнил в форме «флешки» для того, чтобы удобней было пользоваться в «полевых» условиях. Для большего комфорта можно взять USB удлинитель, одним разъемом прицепить к компьютеру, во второй вставить нашу «флешку-преобразователь» и получим мобильное устройство, которое можно без проблем подключить к любой схеме.
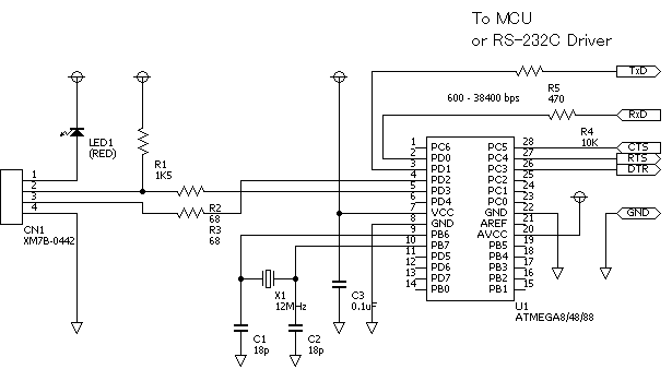
Печатная плата двухсторонняя, подходит для микроконтроллеров ATmega8/48/88/168
— рисунок макетной платы в формате Sprint-Layout
Вот вариант для изготовления по технологии описанной
— рисунок макетной платы в формате Sprint-Layout на одном слое
Прошивки для различных микроконтроллеров:
— прошивка UART to USB для ATmega8/48/88/168
Фьюзы для CodeVisionAVR, PonyProg ставятся инверсно
SPI интерфейс для программатора выведен вместе со всеми интерфейсами сзади «флешки» – подключаем программатор прямо там. Штырек сброса паяем возле ножки сброса (чтоб не мешал). При программировании преобразователь нужно запитать напряжением 5v со стороны интерфейсов. Через USB нежелательно, так как напряжение питания через светодиод уменьшится. Если возникают проблемы по причине больших шумов – вешаем подтягивающий к питанию резистор на ножку сброса (5-10кОм). Наличие светодиода обязательно – он используется в качестве регулятора напряжения. Прошивка предусматривает работу управляющих линий (CTS, RTS, DTR), но для UART они не нужны и я их не выводил на разъем интерфейсов. Если они Вам нужны — просто нужно «кинуть» перемычки с ножек микроконтроллера на ножки разъема интерфейсов.
После того как устройство собрано,
необходимо установить драйвер виртуального COM порта.
— Драйвер «Virtual Communications Port» для Win
В архиве есть папки для разных Win:
/raw — для (Windows 2000/XP)
/w2k — для Windows 2000 (bulk mode only)
/xpvista7 — для Windows XP/Vista/7 x32
/vista64 — для Windows Vista x64
Делается это очень просто:
1
Вставляем «флешку-преобразователь» в USB порт;
2
Получаем в трее сообщение о том, что найдено новое устройство;
3
Запустится «Мастер нового оборудования», выбираем «Установка из указанного места», жмем «Далее»;
4
Выбираем «Включить следующее место для поиска» и в окошке указываем нужный путь к драйверу;
5
Жмем «Далее», драйвер установится, жмем «Готово»
Теперь в «Свойствах» «моего компьютера» в закладке «Оборудование» нажимаем кнопку «Диспетчер устройств». В окошке диспетчера устройств в разделе «Порты (COM и LPT)» увидим новое устройство — «Virtual Communications Port (COM5)»
.
Для каждого USB порта будет назначен свой виртуальный COM порт (COM5, COM6, COM7 и т.д.).
Готово! Теперь можно пользоваться преобразователем.
Проверим работоспособность преобразователя, для этого нужно закоротить вход с выходом (RxD, TxD) и посылать с компьютера сообщения по виртуальному порту. Посланные сообщения должны возвращаться как принятые.

— Программа для работы с COM портом
Запускаем программу, устанавливаем нужный порт (смотрим номер порта в диспетчере устройств), скорость и другие параметры оставляем как есть, нажимаем «Connect», в окошке возле кнопки «->Send», пишем сообщение, нажимаем «->Send» и сморим результат. Нижнее окно — отправленное сообщение, большое окно — принятое сообщения. Если все работает — сообщения будут одинаковыми.
Данная «флешка — преобразователь интерфейсов» позже превратится в I2C toUSB, SPI to USB, SPI to UART и т.д. необходимо лишь перепрошивать ее необходимой прошивкой. (Что-то я у себя начинаю замечать тягу к универсализации:)).
P.S. Сайт-источник рекомендует для согласования уровней напряжения преобразователя(3.3v) и устройства(5v) соединять их через схему согласования. Но я думаю резисторов в пределах полукилоома в линиях RxD, TxD должно хватить для согласования — нужно попробовать.
P.P.S. Это первая практическая схема в блоге – дальше их будет больше, так как с основами мы, вроде-бы, разобрались (еще остались кой-какие вопросы – потихоньку буду писать).
(Visited 29 965 times, 9 visits today)
Обзор преобразователя PL2303HX – RobotChip
Автор: Сергей Мир · 17.08.2016
Преобразователь USB-TTL (PL2303HX) – это небольшой USB модуль, собранный на микросхеме PL-2303HX, которая эмулирует интерфейс UART (RS-232 или как еще называют последовательным интерфейс). То есть подключая этот преобразователь в USB порт компьютера, виртуально создается COM порт, через который можно прошивать микроконтроллеров, роутеры и других устройства.
Технические параметры
► Напряжение питания: 5В (от USB) ► Интерфейс 1: USB (эмуляция интерфейса RS232) ► Интерфейс 2: TTL (от 0 до 5, Rx и Tx) ► Выходное напряжении, в: 3.3 и 5 (отдельные вывода)
► Размеры: 50мм x 15мм x 8мм
Общие сведения
Из названия «Преобразователь USB-TTL» можно понять, что выходные сигналы имеют логические уровни TTL (0В … 5В). Преобразователь не имеет жесткого защитного корпуса, его лишь поместили в прозрачную термоусадку, через которую видны все элементы.
Назначение светодиодов: ► P (Power) — питание (горит постоянно) ► R (RxD) — принимаемые данные
► T (TxD) — передаваемые данные
Из электрической схемы видно, что питание на выход +5V идёт напрямую с USB порта, без защитных элементов. Питание на вывод +3.3В идёт с внутреннего стабилизатора PL-2303, который может выдержит ток до 150 мА.
Официальные драйвера Prolific для Windows 7, 8 и 10 не работает, так как. проверяет оригинальность чипа PL-2303, но возможно все исправить, посмотрев эту статью.
Тестирование
Для тестирования можно воспользоваться «Terminal1_9_b» , с которой можно ознакомиться в этой статье.
► Качаем программу и запускаем от имени администратор. ► В верхнем углу, выбираем «COM Port» (можно посмотреть в диспетчере устройств) и нажимаем «Connect»
► Внизу вводим произвольное значение и нажимаем «-> Send», кратковременно загорится светодиод TxD при каждом нажатии.
► Замкните вывода TxD и RxD между собой и нажмите «-> Send», кратковременно загорятся два светодиода, TxD и RxD при каждом нажатии, так же в программе отобразится посланная команда.
► Напряжение 3.3В и 5В можно проверить обычным мультиметром
Тест окончен
Ссылки
Документация к PL2303HX
Драйвер для PL2303HX к Windows XP / 7 / 8 / 8.1 / 10 (инструкция по установке)
Купить на Aliexpress
Преобразователь UART USB-TTL (PL2303HX)
Купить в Самаре и области
Купить преобразователь UART USB-TTL (PL2303HX) в г. Самаре
Всем привет. Как то недавно писал про адаптер для приборок VDO. Вот решил сделать адаптер для диагностики и прошивки так называемый K-line адаптер.
А толчком к сборке послужило то что машина после прошивки иногда стала тупить на переходных режимах, а при разных температурах на улице либо летит как стрела, либо ползет словно сзади прицеп кирпичей. Все это говорит о кривых таблицах БЦН и ЦН.(кому интересно смотрим в гугле)
Так как инженерного блока для откатки онлайн нету, то остается только способ калибровки по логам. Для этого и нужен этот адаптер. Но из знакомых только у Veter129 был такой кабель, но сейчас он в Сургуте, а отдавать за кабель 1500руб(с доставкой) не вариант, да и руки из прямого места.
Для сборки взял простую схему на двух транзисторах. Схема работает через COM порт, но как многие знают на ноутбуках нет COM портов, разве что на совсем старых. Поэтому при сборке нужен USB-COM переходник, сделать его можно из старых ДАТА кабелей от телефонов. Выглядят они так
кабель USB c коробочкой )
В этой коробочке стоит микросхема преобразователь PL2303, бывает CP210, или китайская CH340, Главное найти на нее описание и определить контакты Rx, Tx, GND.
Стоит такой кабель 50руб, но найти в городе я не смог, фишка кабеля в том что он создает виртуальный COM порт и к этому кабелю цепляется адаптер.
Так как не смог найти, пришлось купить готовый переходник COM-USB на микрухе CH340 за 500руб.
диск в комплекте.
С разъемом разобрались, теперь делаем адаптер, я взял эту схему
НЕПРАВИЛЬНАЯ СХЕМА!
Вытравил плату (как травить тут ) собрал, сделал корпус и пошел проверять. Фиг там ниче не работает!
Пустая трата времени((
Грешил на переходник, т.к. скорость диагностики 10400бот, а это не стандартная скорость порта, и некоторые адаптеры ее не тянут.
Но на работе подцепив кабель и собранный адаптер к осциллографу выяснилось, что данная схема не работоспособна т.к. выходной транзистор перенасыщается и не дает обратный сигнал.
проверяем
После этого полез искать новую схему, взял с чиптюнера .
https://www.youtube.com/watch?v=FfmABxKYa6k
ПРАВИЛЬНАЯ СХЕМА
В этой схеме самое главное это резистор R4, вместо него нужно взять многооборотный резистор на 2Ком. Это для того чтобы подобрать ток 15-20мА между K-line и GND ведь крутить и подбирать легче чем каждый раз впаивать новый. Так же нужен диод с малым падением напряжения, и маломощные транзисторы КТ3102 или аналогичные.
К сожалению не сфоткал плату, не надеясь на работу собрал все на монтажной плате навесным мантажом, но к радости все заработало и я быстрее собрал все в корпус. (как сделать корпус смотрим по ссылке с травлением платы).
готовый адаптер
готовый адаптер
Но ждал сюрприз с термопистолетом, прозрачный клей закончился, пришлось клеить черным, но этот клей быстро плавится и закипает, в результате лопнул и разлетелся пистолет.
Хана пистолету, клей еле оттер с рук и стола )))
Пошел проверять на машине, работает со всеми бесплатными программами, даже не пришлось менять скорость порта.
подключаем)
Проверяем
Блок видит, прошивку читает )
смотрим параметры
графики, графики и еще раз графики
таблица.
Так же сегодня хотел снять логи, но погода подвела, в сырую погоду опасно кататься да и коэффициенты будут не те.
Поэтому пока был в саду пил ароматный чай и изучал логи, которые успел снять.
Самый лучший чай, это такой )
Предварительная оценка показала что при разных температурах УОЗ заваливается для предотвращения детонации вот машина и тупит. Т.к. у меня стандарт блока РОССИЯ 83, а это значит нет датчика температуры воздуха и датчика кислорода, а в прошивке ДТ почему то подключен.
Машина не понимая что нет температуры бодяжет смесь как хочет, в результате беднит по страшному и в конце концов не едет. Так же грешу на горячий воздух, который сосет нулевик из подкапотки и еще догревает горячий дроссель. С нулевиком скоро разберусь, т.к.
на капоте будет ноздря от субарика, а вот с дросселя придется снять подогрев. Так же грешу на протертую гофру фильтра, где то она сосет лишка т.к. из-за ресивера перетерается об ГТЦ(поменял уже 3 штуки, а отдавать 1500 за алюминий пока не могу).
На драйве посоветовали поставить сгиб от волги 3110 как будут деньги исправлю и поеду править таблицы, главное чтоб погода не подвела.
Всем спасибо за внимание, все вопросы по адаптеру в личку или в комменты.
Шнурок USB-to-UART TTL на PL2303HX
- AliExpress
- Компьютеры и планшеты
- Кабели
Небольшой обзор готового USB-to-UART ввиде шнура.
Наталкивался несколько раз в обзорах на удобный USB to UART от братьев китайцев но как то особо не интересовался ибо имелся само сборный вариант на КТ 315.
Извиняюсь за схему ибо старой не сохранилось нагуглил похожую при написании
И все было хорошо и прекрасно, схема работала хоть и была вообще на платке из гетинакса с разводкой дорожек из кроссировки (ПКСМ ПКСВ) благо этого добра с советского союза осталось навалом. Шло время, сменился ПК (на современных COM порт стандарта RS-232 как то не распаивают последнее время.) Платка была убрана с мыслью «Куплю USB-COM переходник и усё будет.»
И тут неожиданно резко понадобилось подключится к UART-у на ADSL модеме и вспомнилась данная плата. После долгих поисков был констатирован факт – Плата тю тю. Проблему с модемом удалось разрешить и без подключению к UART-у но мысль от том что это не дело и нужно решать данную проблему.
Мысль собрать схемку снова как то не вызвала энтузиазма хоть расходка и простая и обычно всегда под рукой. Тут и вспомнилось мне про обзоры указанные мною в шапке обзора и возникла идея посмотреть а что же предлагаю братья китайцы.
Собственно сказано – сделано: После не долгих поисков был найден устраивающий меня вариант по вид-цена (возможности у преобразователей такого типа стандартны и на них нет смысла заострять внимание ) Заказ сделан и оплачен осталось его дождаться.
Доставка стандартная: Оплата- На следующий день письмо о том что заказ отправлен – заказ без трековый (трек какой то есть но не трекается) – примерно через месяц позвонили с почты (Срок стандартный – примерно 2 недели любая посылка идет по республике) и вот он у меня в руках. Упаковка стандартная – Желтый пакетик + пупырка.
(Думаю нет смысла фоткать )))))
И кишочки – тут меня не удивили даже легкие разводы на платке – видел и хуже Все стандартное до минимализма
Платка собрана на стандартной PL2303HX Datasheet
Прекрасно скушала драйвера от Prolific.Проверка в режиме эхаИ собственно в работе :)Подводя итог могу сказать вполне стандартный шнурок для простеньких задач. Занял свое место в кучке шнурков. К слову о продавце: быстро сформировал и отправил заказ. Легко можно связаться в случае возникновения вопросов.
Плюсы:
Легкая установка и подготовка к работе. Готовый внешний вид. Не экзотический внутренний мир — легко найти любую информацию по микрухе.
Минусы:
Разводы на плате. Надеюсь кому-нибудь будет полезен данный обзор. P.S. Так как это мой первый обзор на MySKU жду тапкоФФ по содержимому и оформлению так как знаю за собой грешок развозить воды Планирую купить +32 Добавить в избранное Обзор понравился +36 +56
Переходник USB – COM(RS232) своими руками – статья, в которой расскажу, как сделать несложный переходник всего за один вечер. Данный переходник, кстати, совместим с процессорным модулем CPU 166 P. Полезные схемы с применением микроконтроллеров и плис – книга, которая может пригодится в радиолюбительской практике.
Вот что понадобится для переходника:
Позиционное обозначение
Наименование
Аналог/замена
С1-С4
Конденсатор керамический – 0,1мкФх50В
SMD типоразмер 0805
С5-C8
Конденсатор керамический – 33пФх50В
SMD типоразмер 0805
DD1
Микросхема MAX232
ADM232 корпус SOIC16
HL1-HL3
Светодиоды индикаторные диаметром 3мм.
M1
Готовый модуль – переходник USB-COM(уровни ТТЛ) на микросхеме FT232
R1-R3
Резистор 0,125Вт 270 Ом
SMD типоразмер 0805
R4
Резистор 0,125Вт 510 Ом
R5,R6
Резистор 0,125Вт 100 Ом
XP1
Штекер DB9 папа
XP2
Штекер платный 3 контакта
А также клипсы к светодиодам, небольшой пластиковый корпус, немного проводов и силиконовый клей.
Рисунок 1.
Если для Ваших целей достаточно уровней ТТЛ, то готовой платы на микросхеме FT232 будет достаточно(на рисунке 1 – красная плата), а если необходимо получить уровни близкие к уровням протокола RS232 – читаем дальше!
Первое, что сделал – закрепил светодиоды на лицевой стороне корпуса, используя клипсы.
Рисунок 2
Рисунок 3.
Светодиоды использовал на 3мм.
Далее канцелярским ножиком, осторожно, сделал отверстие для USB разъёма.
Рисунок 4.
Рисунок 5.
На плате есть готовые контактные площадки со всеми сигналами( согласно протокола RS232, только уровни ТТЛ), а также выведено питание и контакты для светодиодов RX и TX, используя данную плату, можно сделать полный переходник USB-COM.
Полный переходник мне не нужен, ограничился сигналами RX и TX, а также использовал сигналы для подключения светодиодов.
Для того чтобы перевести уровни ТТЛ в близкие к уровням протокола RS232, нужно использовать буферную микросхему MAX232, но об этом немного позже.
Рисунок 6
Плату, о которой говорилось выше, приклеил к основанию корпуса на силиконовый клей.
Рисунок 7
Когда клей высох подпаял светодиоды, чтобы ограничить ток использовал резисторы сопротивлением 270 Ом.
Рисунок 8
На одной из старых плат мне попался готовый фрагмент со всей необходимой обвязкой для MAX232. Оставалось только его вырезать и впаять микросхему.
Рисунок 9
Рисунок 10
Микросхемы MAX232 не нашел под рукой, вместо неё впаял аналог – ADM232.
Рисунок 11
С обеих сторон наклеил изоляционный материал. Использовал силиконовый клей.
Рисунок 12
Рисунок 13
Клей высох. Следующим делом вклеил получившийся «бутерброд» в корпус.
Рисунок 14
Спаял платы между собой по схеме, а также подпаял и закрепил разъём DB9.
Рисунок 15
Всё проверил. Полностью собранный переходник USB-COM(RS232).
Рисунок 16
Переходник в работе.
Рисунок 17
А вот процессорный модуль CPU 166P, для которого переходник и собирался.
Рисунок 18
На следующих фото – похожие переходники USB-COM, с ними связать модуль CPU 166 P не удалось.
Рисунок 19.
Рисунок 20.
Данные переходники построены на основе чипа prolific.
Видео
Файлы к статье:
Переходник USB – COM(RS232) своими руками(статья)
Даташит на микросхему FT232
Даташит на микросхему ADM232
Фотографии
Модуль USB-COM на Алиэкспресс.
USB-COM (RS-232) переходник: делаем самостоятельно
Проблемы при «прошивке» ресиверов. Отсутствие COM порта. Использование ноутбука
Многие пользователи сталкиваются с проблемой прошивки ресиверов из-за отсутствия СОМ порта. Большинство устаревших моделей компьютеров было оборудовано несколькими СОМ портами. В них имелся хотя бы 1 разъем «RS-232». Благодаря такому технологическому решению пользователи могли подключать необходимые внешние устройства.
К компьютеру подключали сразу и мыши, и принтеры, и клавиатуру, и модемы, и другую технику. С помощью компьютера можно было и перепрошить ресивер. Пользователи никогда не сталкивались с существенными проблемами при подключении.
Все, что от них требовалось – это подсоединить кабель, запустить программу и кликнуть мышкой на необходимые пункты.
Производители современных компьютеров, кажется, просто забыли о разъеме «RS-232». Обычный пользователь может и не заметить его отсутствия.
Но если вы являетесь абонентом спутникового телевидения и ваш ресивер начал некорректно работать из-за несвоевременного обновления, вы столкнулись с неприятной проблемой.
Большинство моделей ресиверов могут быть прошиты только с помощью «RS-232». Да и «USB» входом оборудованы не все спутниковые приставки.
Очень часто пользователи сталкиваются и с другими проблемами. Одна из них – несовместимость имеющихся СОМ портов на ноутбуке с определенными моделями ресиверов. В большинстве случаев это вызвано тем, что в процессе производства ноутбука был нарушен стандарт передачи данных «RS-232».
Некоторые производители делают это специально, так как такое решение позволяет сократить энергию заряда аккумуляторной батареи. Эта мелочь отражается и на стоимости компьютерной техники, делая ее более доступной для конечного потребителя.
Только точные и щепетильные производители могут похвастаться наличием специальной микросхемы для СОМ порта. И их устройства совместимы с любыми ресиверами.
Если вы пользуетесь обычным компьютером, то проблема решается за счет приобретения дополнительного модуля с СОМ портами. Он выпускается в виде платы и монтируется в компьютер.
Очень важно провести установку правильно, так как некорректные действия могут привести к порче оборудования.
После того, как плата будет установлена в компьютер, операционная система «Windows» — «ОС» присвоит каждому порту свой номер.
Если вы пользуетесь ноутбуком, то этот вариант не подойдет. Здесь вы столкнетесь с несоответствием размера и стандарта. Но и у этой проблемы есть решение.
Вы можете попробовать самостоятельно спаять Переходник USB-COM 2 способами: дорогой и проверенный или дешевый и частично неэффективный:
Способ 1
Приобретаем специальную плату с портами, предназначенную для ноутбука. Проблема заключается не только высокой стоимости решения, но и в том, что вам придется провести ни один день в поисках подходящей модели.
Также стоит учесть, что ноутбуки могут обладать разными стандартами для дополнительных устройств. Поэтому вначале стоит ознакомиться с инструкцией по эксплуатации, если она еще сохранилась.
Если вы не решились заказать специальную плату, то можно попробовать еще один способ.
В большинстве случаев он действует. 90% современных моделей оборудовано несколькими «USB» выходами. Вы можете купить преобразователь «USB — COM».
Для справки. USB – это последовательный интерфейс, который используется для передачи данных. Для подключения дополнительных устройств используется четырехпроводной кабель.
Два провода обеспечивают прием и передачу данных, два – питание дополнительного устройства. Главным недостатком USB является то, что разъемы со временем разбалтываются. В результате теряется контакт.
При отрывании гнезд пользователям приходится заменять плату.
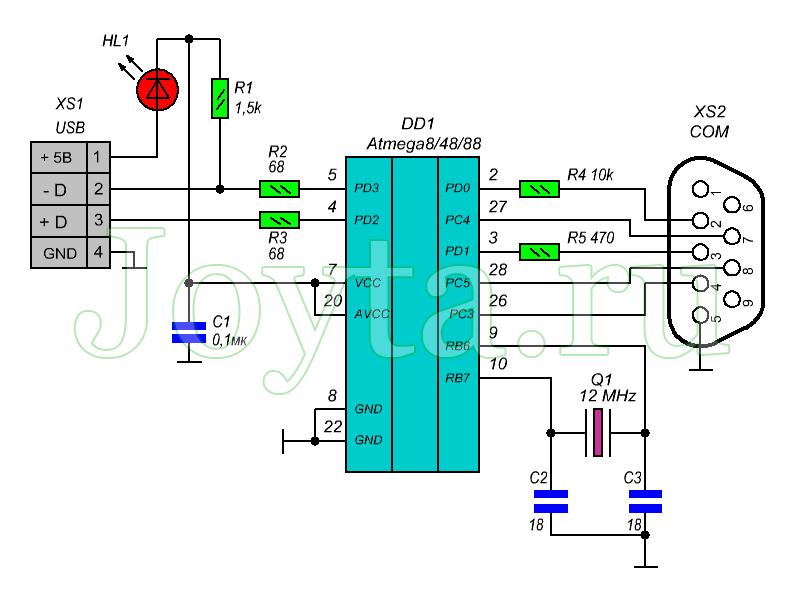
Способ 2
Переходник «USB — COM» можно спаять самостоятельно. Только стоит учесть, что описанное нами решение обеспечивает согласование только сигналов RX и TX. Другие модемные сигналы не задействуются. Приготовьте следующий набор деталей:
- 1 PL2303HX (USB-USART мост от Prolific)
- 1 MAX232CSE (UART-RS232)
- 1 Кварц 12.00 МГц
- 2 Конденсаторов 10 нФ ( smd1206)
- 6 Конденсаторов 1 мкФ (smd1206)
- 2 Резистора 27Ом ( smd1206)
- 1 Резистор 1.5КОм (smd1206)
- 1 Разъем mini-USB
- 1 Разеъем DB-9 папа
- 1 Фольгированный текстолит для платы 48*22мм
Схема переходника
Печатная плата
Вначале вам необходимо изготовить плату. Для этого просверливаем 4 отверстия и паяем необходимые детали.
В результате вы должны получить стандартный переходник. Во избежание окисления плату можно покрыть автомобильным или полиуретановым лаком.
При подключении устройства Windows моментально обнаружит его и запросит драйвера. Скачиваем последнюю версию в интернете или на момент написания материала здесь ->
PL2303 Windows Driver Download
PL2303_Prolific_DriverInstaller_v1_12_0.zip
Windows Driver Installer Setup Program (For PL2303 HXA, XA, HXD, EA, RA, SA, TA, TB versions)
Installer version & Build date: 1.12.0 (2015-10-07)
После скармливания винде драйвера , в системе должен появиться новый COM порт Prolific
Как вариант, можно напаять временную перемычку
После установки драйверов проверяем работоспособность переходника. Для этого попробуйте замкнуть контакты 2 и 3 и запустить программу «Гипертерминал» (входим через ПУСК в ПРОГРАММЫ.
Переходим в СТАНДАРТНЫЕ, выбираем СВЯЗЬ и ГИПЕРТЕРМИНАЛ). Далее обращаемся к любой поисковой системе и скачиваем гипертерминал или его аналог.
В настройках соединения указываем новый сом-порт ( в нашем случае это hyperterminal).
Настраиваем параметры порта (115200, 8, N(нет), 1, управление потоком отсутствует).
Далее пробуем запустить соединение. Для этого печатаем любой набор букв на английской раскладке. Должны появиться буквы. При отсутствии таковых проверьте правильность установки.
Для справки. HyperTerminal – это специальная программа, которая включена в состав поставки ОС Windows. Она помогает открыть доступ к другим компьютерным устройствам через модем, последовательный порт либо с помощью протокола telnet.
Если Гипертерминал отсутствует, то пользователи могут воспользоваться удаленной оболочкой Windows. Если вам необходимо устранить неполадки модема, то вместо Гипертерминала можно использовать «Телефон и модем».
При отсутствии программы ее можно с легкостью найти в интернете и загрузить за несколько минут.
V-Comp
При всей своей кажущейся простоте тестирование COM-порта, реализованного на стандартном UART 16C550, — занятие сложное и нетривиальное. Причиной тому сериализация данных на выходе последовательного интерфейса, алгоритм которой диктуется особенностями RS232-протокола.
Если дело касается проверки последовательного порта, сформированного на шине, логика которой отлична от установленных IBM PC канонов, задача тестирования такого COM-порта усложняется многократно. Яркий пример тому — диагностика получивших распространение в последние годы адаптеров USB-to-COM.
Как очевидно следует из названия, последовательный порт в таких устройствах реализован на универсальной USB-шине.
Тестирование USB-to-COM: проблемы и решения
Основная сложность, возникающая в процессе диагностики работоспособности адаптеров последовательного порта, реализованного на USB-шине, состоит в закрытой программной модели этого решения.
Посвященным в эту технологию очевидно, что эмуляция COM-порта в такого рода контроллерах выполняется силами однокристальных процессоров, аналогичных Intel 8051.
На этом конкретные знания заканчиваются и возникает зависимость от доброй воли разработчика USB-to-COM.
Не менее значимая проблема состоит в том, что, как сказано выше, процесс сериализации, возникающий в силу свойств RS232, если и изучен сегодня достаточно детально, отягощается сложной архитектурой самой универсальной последовательной шины.
Выход из создавшегося положения один и он очевиден: мониторить веб-ресурсы производителей USB-to-COM адаптеров и отлавливать во всемирной паутине нужный программный инструмент. Рассмотрим диагностику, которую предлагает компания Prolific.
Утилита Prolific Cable Test
Утилита Prolific Cable Test предназначена для проверки работоспособности адаптера USB-to-COM, выполненного на базе контроллера PL2303 или PL2313. Текущий релиз — v2.2.1.1.
Алгоритм диагностической утилиты от Prolific строится на проверке выходных цепей устройства и предполагает нуль-модемное соединение со стандартным портом вместо обычного в таких случаях LoopBack. Из выпадающего меню можно назначить ответственным антагонистом любой из системных портов, чье мнемоническое имя попадает в диапазон COM1…COM9.
Выбор портов для нуль-модемного тестирования PL2303
В случае, если возникают проблемы с выбором имени порта, полезным может оказаться глава из документации к адаптеру Gunboat x4, описывающая особенности использования параметра COM Name Arbiter.
Конфигурация утилиты Prolific Cable Test рассчитана не только на тестирование приемно-передаточных линий PL2303, но также и на диагностику квитирующих сигналов:
Конфигурирование квитирующих сигналов PL2303
Не все управляющие сигналы тестируются одинаково: для проверки индикатора Ring (сигнал RI) необходимо закоротить его на стороне чипа Prolific с сигналом CTS. Если выбрана опция «DCD Signal Check», его нужно закоротить с линией DSR на устройстве, обозначенном Device Port.
Программирование EEPROM
Утилита Prolific Cable Test аналогично программному продукту MProg от FTDI обеспечивает доступ к встроенному EEPROM:
Чтение и запись EEPROM адаптера PL2303
По умолчанию, содержимое запоминающего устройства PL2303 таково, как на привенденном изображении. Если пользователь захочет самостоятельно внести информацию в EEPROM, ему нужно руководствоваться следующей таблицей:
Байты
Поле
Описание
1:0
EECHK
По умолчанию 067Bh
3:2
VID
USB Vendor ID
5:4
PID
Product ID
7:6
RN
Release number (BCD)
10:8
DCR
Device Configuration Register
Реклама на V-Comp:
27.09.2018
В современных компьютерах и ноутбуках производители перестали использовать COM-порт, который широко использовался ранее. Если у вас есть старый компьютер, который вы приобрели около 7 лет назад, вы можете найти на нем несколько таких портов.
COM-порт был предназначен для подключения разного внешнего оборудования, например мыши, принтера, модема и других специальных средств. Сейчас возникают проблемы с подключением различного устаревшего оборудования к новым ноутбукам или компьютерам.
К примеру, ресивер сейчас довольно сложно подключить, так как для этого нужно использовать COM-порт.
Что делать в этом случае? Выход, конечно, есть. Вы можете сделать USB-COM-преобразователь самостоятельно. Как это сделать? В этой статье вы найдете ответы на свои вопросы.
Переходник USB-COM своими руками
Сейчас мы рассмотрим, как сделать переходник USB-COM, который будет работать с сигналами RX и TX. С другими типами модемных сигналов работать не получится, но этого вполне достаточно для подключения стандартного оборудования.
Чтобы перейти к сборке, вам необходимо будет приобрести такие детали:
- Два конденсатора на 10 нФ и один на 1 мкФ.
- Два резистора на 27 Ом и один на 1,5 КОм.
- Разъем mini-USB и DB-9 по одной штуке.
- Кварц 12.00 МГц.
- PL2303HX.
- Фольгированный текстолит для платы 48*22 мм.
После покупки этих деталей можно переходить непосредственно к сборке. Сначала нам необходимо будет рассмотреть схему USB-COM-переходника (изображение можете увидеть ниже).
Сборка и настройка переходника
В монтаже ничего сложного нет. Сначала необходимо взять или сделать самому плату. После этого просверливаем четыре отверстия. Далее нам нужно припаять все детали, расположение которых будет соответствовать схеме. На этом сборка закончилась.
Чтобы плата не окислялась, ее необходимо задуть полиуретановым лаком. Если такого нет в наличии, можно использовать любой другой быстросохнущий автомобильный лак.
Пришло время переходить к настройке. Подключаем нашу плату к компьютеру. Если все правильно собрано, он определит устройство, на которое нужно установить драйверы.
Устанавливаем на компьютер драйверы Prolific для такого порта. Перейдя в “Диспетчер задач”, можно увидеть, что он определился и теперь вполне работоспособен.
Проверка
Чтобы проверить работоспособность нашего переходника, необходимо каким-нибудь тонким предметом замкнуть контакты возле COM-порта (смотрите ниже изображение, где это необходимо сделать).
Далее на компьютере нужно запустить программу «Гипертерминал». Эта утилита является стандартной на некоторых операционных системах. Если ее у вас нет, необходимо скачать из Интернета.
Переходим к разделу «Настройки соединения», где необходимо выбрать COM-порт. В новом окне следует настроить следующие параметры нашего порта:
- скорость передачи сигнала – 115200;
- биты данных – 8;
- четность – нет;
- стоповые биты – 1;
- управление потоком – нет.
Далее подтверждаем изменения, нажав на кнопку ОК. После этого следует запустить соединение. Переходим к английской раскладке и печатаем любые слова в программе. На белом фоне отобразятся все символы, которые вы нажали.
В том случае, если это не будет работать, то есть слова не отобразятся, необходимо сменить монтаж. Настраиваем его, пока символы не отобразятся.
На этом все. Можно отпускать контакты, которые вы зажимали, и начинать пользовать USB-COM-переходником.
Кабель-переходник USB RS232 DB9 COM
Если у вас не получается сделать свой переходник, вы можете приобрести USB RS232 DB9 COM. Цена его варьируется в пределах 1000 рублей, и он обладает довольно хорошими техническими характеристиками. Наверное, главное – хорошая скорость соединения. Также он поддерживается практически всеми операционными системами. К сожалению, он работает только с USB 2.0.
Подключение к компьютеру
Чтобы подключить переходник USB RS232 DB9 COM к компьютеру, необходимо найти в Интернете драйверы, которые подойдут к вашей операционной системе. Скачиваем и распаковываем их. Подключаем переходник к компьютеру, после чего указываем, где расположены драйверы. Если все было сделано правильно, на устройстве загорится светодиод, что указывает на готовность к работе.
Возможные проблемы
К сожалению, даже в случае, когда вы используете купленный кабель-переходник USB-COM, могут возникнуть проблемы. С ними необходимо бороться, причем сделать это несложно.
Альтернативное решение проблемы
Если вам необходимо установить дополнительное оборудование, которое нуждается в COM-порте, можно также использовать модуль с этим разъемом. Он просто устанавливается непосредственно в компьютере и подключается к материнской плате.
После установки платы COM-портов или PIC-COM (второе название) ей также присваивается номер. Как и в предыдущих случаях, это номер можно изменить, если возникнут проблемы.
Если вы не уверены, что сможете правильно установить эту плату в компьютер, лучше воспользуйтесь помощью профессионалов, чтобы не навредить другому оборудованию.
К сожалению, это решение можно использовать только для компьютеров. В ноутбуках дополнительную плату установить довольно сложно, и это требует дополнительных затрат. Во-первых, сам корпус не позволит установить дополнительный модуль, а во-вторых, он может не поддерживаться вашей моделью. Поэтому в случае с ноутбуком следует использовать USB-COM-переходник.
Заключение
Если вам необходимо подключить устарелое оборудование, которое требует наличие COM-порта, можно сделать самостоятельно переходник. Это довольно просто. Если вы не хотите этим заниматься, можете приобрести USB-COM-переходник.
Его цена составляет около 1000 рублей. Помните, что вам все равно придется устанавливать драйверы и проверять работоспособность этого оборудования.
На Windows 7 USB-COM-переходник довольно просто установить, так как на эту операционную систему в Интернете можно найти все драйверы.
Самодельный переходник COM-USB
В этой заметке я попытаюсь в понятной форме изложить процесс изготовления переходника COMUSB. Для чего это может быть полезно? Конечно, проще всего — сходить в компьютерный магазин и приобрести соответствующий переходник, но во-первых цена переходника от 400 руб., во-вторых — не всегда есть такой магазин под боком.
Для чего мне понадобился такой переходник? У меня работает связка — спутниковый ресивер Openbox-810 + ПК. Для каких целей? Догадайтесь сами.
В тот момент, когда я проапгрейдил компьютер с заменой материнской платы — стали наблюдаться странные глюки в работе этой связки — периодически ресивер отваливался, связь с ним была неустойчива — я перепробовал все что можно: кабель, перегрев ПК и ресивера, ПО, ОС — ничего не помогало, связь по COM RS-232 порту глючила… Потом я выпросил старенький ноутбук с COM портом, подключил — чудо, все работает! Вывод — косячит порт на компьютере, отчего и почему — неизвестно, возможно косяки именно при работе с ресивером, потому как замкнув контакты входа и выхода порта — в гипертерминале все отражается как надо…
Выход из ситуации — переходник. Цена в моем случае составляла от 420 рублей в магазине ДНС.
Однако, проштудировав интернет стало понятно, что USB кабели для сотовых телефонов на микросхеме PL-хххх — это практически готовый переходник USBCOM. Тут же был организован поиск б/у кабеля — и он нашелся практически в тот же день и за бесплатно, что не могло не порадовать. Кабель на внешний вид был вот таким:
Выкроив свободное время — я этот кабель соединил с разъемом COM (предварительно изучив где и какой выход у микросхемы PL-2303H — на которой был изготовлен кабель) — и каково же было моё разочарование, когда после всей этой возни ничего не заработало…
Опять интернет, изучение уровней выходов сигналов у КОМ порта (кстати я здорово прокачал уровень знания работы КОМ порта за все это время :)) — стало понятно, что без микросхемы MAX232 никак не обойтись (нет, ну можно конечно припаяться в ресивере ПОСЛЕ такой же микросхемы- напрямую в процессор, там как раз такие уровни сигналов идут, но там ТАК ВСЕ МЕЛКО да влазить в конструкцию ресивера очень не хотелось). Микросхема нашлась в первом же радиомагазине — 50 руб., обвязка из конденсаторов ~ 20 руб., а, еще купил панельку для микросхемы, чтобы паять панельку, а не ноги — монтаж предполагался навесной.
Схема была найдена и выбрана самая простая:
Справа – выход нашего телефонного кабеля, нужные выводы легко проследить по печатной плате, не забываем про GND – его кидаем на общую землю. Питание +5V я в брал с вывода 1 разъема USB.
Тут я прокачал уровень паянияВ принципе получилось все вполне аккуратно и компактно, припаял кабель USB и COM — подключил и на удивление — все заработало!!! Это был мой первый опыт использования микросхем, поэтому данный факт не мог меня не порадовать.
Кстати, нужно не забыть установить драйвера для кабеля USB, которые лучше всего скачать с официального сайта.
Потом я выпросил COM-папа у парней, которые чинят материнки, сложил конструкцию в подходящую коробочку — и получился у меня вполне цивильный переходник, который работает уже пару месяцев.
p.s. Как проверить работу COM? Соединяем перемычкой вход и выход разъема (Rx и Tx или RxD и TxD). Открываем стандартный HyperTerminal Windows, выбираем порт и скорость порта, печатаем на клавиатуре и если все хорошо – видим в окошке то, что мы печатаем. Справедливо и для USB кабеля при правильной настройке драйверов.
PL2303 – Интерфейсные микросхемы – МИКРОСХЕМЫ – Электронные компоненты (каталог) – Телефония и Электронные Компоненты
Корпус: SSOP-28
PL2303 – микросхема преобразователя интерфейса USB в RS232. Производитель – Prolific (Тайвань).Функциональные возможности PL2303:
- Полное соответствие спецификации USB V1.1
- Полная поддержка последовательного интерфейса RS232
- Поддержка протокола автоматического “рукопожатия”
- Поддержка дистанционного запуска и управления питанием
- Встроенные исходящий и входящий буферы по 256 байт
- Поддержка встроенного ROM или внешнего EEPROM для конфигурирования устройства
- Однокристальный приёмо-передатчик USB
- Встроенный генератор 12МГЦ (с внешним кварцем)
Расположение выводов PL2303:Основные параметры PL2303:
Напряжение питания
5V(4,75..5,25V)
Ток потребления:в рабочем режимев режиме ожидания
19mA400µA
Диапазон температур
-40..+85°C
Типы выводов:
- I-Вход
- O-выход
- I/O-двунаправленный
- P – Питание/общий
Ссылки:
Подробная документация производителя о микросхеме PL2303 находится в файле ниже (на английском языке).
Назначение выводов PL2303:
1
TXD
O
Выход данных в последовательный порт
2
DTR_N
O
Сигнал RS-232 “Request To Send”, активный уровень низкий
3
RTS_N
O
Сигнал RS-232 “Data Terminal Ready”, активный уровень низкий
4
VDD_232
P
Питание встроенного интерфейса RS232. Вывод VDD_232 должен быть подключен к тому же источнику питания, что и внешний преобразователь уровней интерфейса RS-232. Входные сигналы RS-232 могут иметь произвольный уровень 3..5V.
5
RXD
I
Вход данных от последовательного порта
6
RI_IN
I
Сигнал RS-232 “Ring Indicator”, активный уровень низкий
7
GND
P
Общий
8
VDD
P
Питание
9
DSR_N
I
Сигнал RS-232 “Data Set Ready”, активный уровень низкий
10
DCD_N
I
Сигнал RS-232 “Data Carrier Detect”, активный уровень низкий
11
CTS_N
I
Сигнал RS-232 “Clear To Send”, активный уровень низкий
12
SHTD_N
O
Отключение внешнего преобразователя уровней RS-232
13
EE_CLK
I/O
Во время сброса является входом для тестирования. В нормальном режиме на этом выводе формируется сигнал синхронизации внешней постоянной последовательной памяти SROM
14
EE_DATA
I/O
Сигнал данных SROM
15
DP
I/O
Положительный сигнал данных USB
16
DM
I/O
Отрицательный сигнал данных USB
17
VDD_3V3
P
Питание 3,3V для приёмо-передатчика USB
18
GND_3V3
P
Общий вывод 3,3V
19
RESET
I
Системный сброс
20
VDD
P
Питание
21
GND
P
Общий
22
TRI_STATE
I
После сброса определяет состояние выходов RS-232. Высокий уровень этого сигнала переводит выходы RS-232 в неактивное состояние в режиме отключения внешнего преобразователя уровней. Низкий уровень данного сигнала переводит эти выходы в третье состояние.
23
LD_MD/SHTD
I/O
Является входом в течение сброса. Подключение этого вывода к питанию через резистор 220Ком установит режим максимальной нагрузки USB (500mA). Подключение этого вывода к общему проводу через резистор 220Ком установит режим малой нагрузки USB (100mA). После сброса этот вывод становится выходным сигналом инверсным с SHTD_N (выв.12)
24
VDD_PLL
P
Питание 5V блока PLL
25
GND_PLL
P
Общий вывод блока PLL
26
PLL_TEST
I
Управление режимом тестирования блока PLL
27
OSC1
I
Вход кварцевого генератора
28
OSC2
O
Выход кварцевого генератора
Типовая схема включения PL2303. Преобразователь интрефейсов USB-RS232.(нажмите для просмотра в полном размере)
Что такое адаптер TTL USB, ТОП-6 популярных моделей
Содержание:
Небольшого размера адаптер USB TTL PL 2303 является неким программатором, используемым с платой для считывания информации с различных датчиков:
- влажности;
- температуры;
- движения.
Этим и обусловлено широкое использование адаптер USB TTL PL2303 в радиоуправляемых устройствах. Программируется TTL USB адаптер на С++, т.е. USB TTL адаптер является «универсальной шиной» при передаче данных, используемой в технике вычислительной низкой и средней скорости.
Чтобы ее подключить к USB RS232 TTL адаптеру необходим четырехпроводной кабель. Одна витая пара нужны для дифференциального подключения при приеме и передаче ( RX и TX), а оставшиеся – для подачи питания устройствам периферийным (GND и +5V).
При том, что для TTL логики 0-5 В имеются стандартные уровни, вроде USB адаптер TTL и не нужен.
В помощь можно взят иной протокол – УАПП (UART), на сегодня являющийся наиболее распространенным. Среди семейства из множества протоколов, используемым чаще других считается RS-232, в быту именуемый портом COM. Он самый старый из всех, но и сегодня актуальный.
Он имеет линии:
- передающая – TXD;
- принимающая – RXD.
Если используют их, передавая данные, то в аппаратном управлении нет необходимости. Для аппаратного используют DTS и RTS.
RS-232 от логики (5-вольтовой) стандартной разнится электрическим принципом действия. В этом варианте «0» лежит в диапазоне +3 до +12 В, соответственно единица – в пределах от -3 до -12.
USB с простым и “ходовым” протоколом UART, поддерживаемом микроконтроллерами, и работе с уровнями логики 0-5В.
Модуль Usb Ttl адаптер PL2303HX с гибкой крышкой
Адаптер USB RS232 TTL Pl 2303 собирается на PL2303 микросхеме, создающей на ПК виртуальный СОМ-порт. Применяют для прошивки устройств с микроконтроллерами.
Его стоимость на https://ru.aliexpress.com/popular/ttl-adapter.html составляет 40,84 рубля.
Чтобы доставить в Украину заплатить дополнительно нужно 149,74 руб.
Основные характеристики PL2303 USB для TTL модуль адаптер конвертер:
- тип напряжения – регулярное;
- питание – 3,3/5 V;
- назначение- для компьютера;
- температурный диапазон – -40 TO +85;
- производитель – Diymore.
USB 3.3 В 5.5 В для TTL адаптер мини-порт
Обзор
- Размер – 36х17,5 мм (ДхШ);
- Контакты: GND, CTS, VCC, TXD, DTR, RXD, RXD;
- Чипсет FT232RL;
- Поддерживает – 5В, 3,3 В;
- Шаг – 2,54 мм.
Отличного качества модули стоимостью 100,24 руб. предлагается интернет-магазином https://ru.aliexpress.com/popular/ttl-adapter.html.
Его стоимость составляет 42,7 рублей.
К особенностям относятся:
- антистатическую упаковку, не допускающую накопления статэлектричества,
- негативно отражающегося на работе;
- высокую надежность, стабильность;
- поддержку WIN7.
Используется продукт, весящий 5 граммов (без упаковки) в студенческих экспериментах производстве и т.д. Его размер – 50Х15Х7 мм. У конвертеров модели USB PL2303 – RS232
TL есть пара интерфейсов, служащих для подключения (пятиконтактный штыревой) и ПК (USB стандартный).
FT232RL USB 3.3 В 5.5 В для TTL мини-порт
Стоимость его 106, 43 рубля. Это недорогой вариант увеличить возможность USB микроконтроллерам. Для защиты самовосстанавливающийся предохранитель 500ma, чтобы защититься от перезагрузок по току.
Характеристики
- цвет – красный;
- питание USB- 5 или 3,3 В;
- вес – 4 грамма;
- габариты – 43х17 мм.
Малый размер дает возможность использовать его в разработках, где критичным является размер гаджета.
USB в TTL для UART на чипе PL2303
Используется при Arduino программировании.
Стоит 76,11 рублей.
CP2102 USB 2.0 для TTL UART 6Pin
Состоит из платы CP2102, USB2.0 full-speed встроенного, генератора кварцевого, шины данных UART и поддерживает сигналы, не требуя внешнего USB модема.
- Весит 4 грамма;
- Индикаторы светодиодные на: питании, передаче и приеме;
- Статус рабочий– 3,3 и 5 В.
Стоит 82, 3 рубля.
Отзывы
Отличный адаптер, работает чётко, проверил сразу. Есть светодиодные индикаторы режимов работы и питания.
Видео: Для чего нужен Адаптер Pl2303 USB в RS232 TTL модуль
Интересные материалы:
Переходник USB – COM(RS232) своими руками – статья, в которой расскажу, как сделать несложный переходник всего за один вечер. Данный переходник, кстати, совместим с процессорным модулем CPU 166 P. — книга, которая может пригодится в радиолюбительской практике.
Вот что понадобится для переходника:
| Позиционное обозначение | Наименование | Аналог/замена |
| Конденсатор керамический — 0,1мкФх50В | SMD типоразмер 0805 | |
| Конденсатор керамический — 33пФх50В | SMD типоразмер 0805 | |
| Микросхема MAX232 | ADM232 корпус SOIC16 | |
| Светодиоды индикаторные диаметром 3мм. | ||
| Готовый модуль – переходник USB-COM(уровни ТТЛ) на микросхеме FT232 | ||
| Резистор 0,125Вт 270 Ом | SMD типоразмер 0805 | |
| Резистор 0,125Вт 510 Ом | ||
| Резистор 0,125Вт 100 Ом | ||
| Штекер DB9 папа | ||
| Штекер платный 3 контакта |
А также клипсы к светодиодам, небольшой пластиковый корпус, немного проводов и силиконовый клей.
Рисунок 1.
Если для Ваших целей достаточно уровней ТТЛ, то готовой платы на микросхеме FT232 будет достаточно(на рисунке 1 — красная плата), а если необходимо получить уровни близкие к уровням протокола — читаем дальше!
Первое, что сделал – закрепил светодиоды на лицевой стороне корпуса, используя клипсы.
Рисунок 2
Рисунок 3.
Рисунок 4.
Рисунок 5.
На плате есть готовые контактные площадки со всеми сигналами(согласно протокола RS232, только уровни ТТЛ), а также выведено питание и контакты для светодиодов RX и TX, используя данную плату, можно сделать полный переходник USB-COM. Полный переходник мне не нужен, ограничился сигналами RX и TX, а также использовал сигналы для подключения светодиодов. Для того чтобы перевести уровни ТТЛ в близкие к уровням протокола RS232, нужно использовать буферную микросхему MAX232, но об этом немного позже.
Рисунок 6
Плату, о которой говорилось выше, приклеил к основанию корпуса на силиконовый клей.
Рисунок 7
Когда клей высох подпаял светодиоды, чтобы ограничить ток использовал резисторы сопротивлением 270 Ом.
Рисунок 8
На одной из старых плат мне попался готовый фрагмент со всей необходимой обвязкой для MAX232. Оставалось только его вырезать и впаять микросхему.
Рисунок 9
Рисунок 10
Микросхемы MAX232 не нашел под рукой, вместо неё впаял аналог — ADM232.
Рисунок 11
С обеих сторон наклеил изоляционный материал. Использовал силиконовый клей.
Рисунок 12
Рисунок 13
Клей высох. Следующим делом вклеил получившийся «бутерброд» в корпус.
Рисунок 14
Спаял платы между собой по схеме, а также подпаял и закрепил разъём DB9.
Рисунок 15
Всё проверил. Полностью собранный переходник USB-COM(RS232).
Проблемы при «прошивке» ресиверов. Отсутствие COM порта. Использование ноутбука
В большинстве «старых» компьютеров и ноутбуков, приобретенных более 5лет назад, всегда было несколько COM портов (RS-232). По крайней мере, всегда был хотя бы один разъем «RS-232».
Рис. 1. Разъем на корпусе компьютера
К нему подключали различное внешнее оборудование: мыши, принтеры, модемы, специализированное оборудование. Поэтому проблем с подключением ресивера к компьютеру для «прошивки» не возникало. Достаточно было просто подключить, запустить программу для обновления ПО ресивера и спокойно сделать все необходимое.
В современных компьютерах разъем «RS-232» нередко отсутствует. Тут и возникают проблемы, зачастую весьма неприятные. В большинстве ресиверов нет иных способов «прошивки» кроме использования «RS-232». И «USB» вход для подключения внешнего флешь-накопителя есть не у всех ресиверов.
А иногда имеется и другая проблема: ноутбук имеет «COM» порт, но с ресиверами одной модели он работает, а с другими — нет. Это связано с нарушением производителем ноутбука стандарта передачи данных «RS-232». На это они идут в целях экономии энергии заряда аккумуляторной батареи. Если производитель ресивера был технически щепетилен и точен, то в ресивере будет установлена специальная микросхема для «COM» порта. Благодаря этой микросхеме ресивер будет работать и с ноутбуком, и с компьютером. Но установка микросхемы увеличивает общую стоимость изделия, а в последнее время производители экономят даже на этих мелочах! Поэтому и возникает проблема несовместимости ноутбуков и большинства ресиверов.
При использовании компьютера проблема отсутствия необходимых портов«RS-232» решается просто: необходимо приобрести дополнительный модуль с «COM» портами. Это плата, устанавливаемая в компьютер, называется «PIC-COM» или просто «плата СОМ портов».
Рис. 2. Плата PCI для компьютера с двумя «COM» портами
Если вы не сильны в компьютерах и ранее никогда не имели дело с установкой дополнительного оборудования в компьютер, то обратитесь к специалисту! Иначе можете «умертвить» дорогостоящее оборудование.
После установки платы в компьютер операционная система «Windows» — «ОС» присваивает новым установленным портам номер, например, «1», «2»…«25».
При использовании ноутбука обычную плату от компьютера установить нельзя: не тот стандарт и размер. Имеется два способа решения этой проблемы: дорогой, но качественный, и дешевый, но не полностью совместимый. В первом случае необходимо приобрести для ноутбука специальную плату с портами. Цена на эти платы высока, и приобрести, даже под заказ, эту плату мне не удалось
Рис. 3. Плата для ноутбука с «COM» портом
И тут есть подвох: в «старых» и «новых» ноутбуках два разных стандарта для дополнительного оборудования! Перед приобретением сверьтесь с инструкцией к вашему ноутбуку!
Если же вы не могли приобрести плату на компьютер или ноутбук, то остается один выход: «USB». Практически во всех современных моделях компьютеров имеется «USB» выход, как минимум два, а то и все восемь! В продаже имеются различные преобразователи «USB — COM».
Рис. 4. Преобразователь «USB — COM»
Рис. 5. Схема преобразователя «USB — COM»
Как спаять Переходник USB-COM самостоятельно. Вариант — 1
Как сделать самому переходник USB-COM , который можно использовать для подключения конвертеров и прочих девайсов к компьютерам у которых нет «железного» COM-порта.
Внимание!
Переходник описанный ниже обеспечивает согласование только сигналов RX и TX.
Все прочие модемные сигналы не задействованы.
Большинству устройств, работающих без аппаратного управления потоком, этого более чем достаточно.
С конвертерами Pilot VAF/MAF переходник работает 100%
Поехали!
Для сборки вам потребуются следующие детали:
1. PL2303HX (USB-USART мост от Prolific)-1шт.
2. MAX232CSE (UART-RS232)-1шт.
3. Кварц 12.00 МГц-1шт.
4. Конденсаторы 10 нФ (smd1206)-2шт.
5. Конденсаторы 1 мкФ (smd1206)-6шт.
6. Резисторы 27Ом (smd1206) -2шт.
7. Резисторы 1.5КОм (smd1206)-1шт.
8. Разъем mini-USB -1шт.
9. Разеъем DB-9 папа – 1шт.
10. Фольгированный текстолит для платы 48*22мм – 1шт
Схема переходника
Печатная плата
Файлы схемы и печатки в формате Eagle PCB Editor
можно скачать по этой ссылке
Сборка и настройка
Здесь собственно все элементарно — делаем плату, сверлим 4-ре отверстия и напаиваем все детальки.
В итоге у вас должен получиться вот такой вот переходничок:
Плату, чтобы не окислялась, можно задуть полиуретановым лаком или любым быстросохнущим автомобильным лаком, какой есть под рукой.
Далее этот девайс подключаем к порту USB компьютера.
Windows обнаружит новое устройство и попросит драйвера
Идем на сайт пролифика и выкачиваем самую последнюю версию дров
На момент написания статьи, самый последний драйвер был вот этот .
После скармливания винде драйвера, в системе должен появиться новый COM порт Prolific:
Теперь необходимо проверить работоспособность переходника
Для этого на переходнике в разъеме COM-порта, отверткой или проволочкой замыкаем между собой контакты 2 и 3 (на самом разъеме обычно выбиты цифры с номерами контактов – приглядитесь повнимательнее) Как вариант, можно напаять временную перемычку:

На висте и семерке гипертерминала нет! Поэтому придется сходить в гугл/яндекс выкачать гипертерминал или любой его аналог.
Выбираем в настройках соединения наш новый сом-порт:
Теперь запускам соединение, выбираем английскую раскладку и пробуем чего-нибудь печатать.
На экране должны появиться символы нажимаемых клавиш:
Если буквы не появляются, то проверяйте монтаж
Вот собственно и все!
Теперь остается убрать перемычку с контактов 2-3 и можно пользоваться переходником по прямому назначению.
Т.е. в свободный разъем «USB» ноутбука подключается вход такого «преобразователя», с диска из комплекта устанавливается драйвер (программа управления) и в системных настройках появляется виртуальный COM порт с присвоенным порядковым номером.
Как спаять Переходник USB-COM самостоятельно. Вариант — 2
| Рисунок 1. Общий вид |
![]() |
Предлагаемый блок в собранном виде позволяет реализовать принцип: купил – подключил. Устройство позволит пользователям персональных компьютеров подключить к USB-порту устройства, работающие от COM-порта (RS232C).
Ориентировочная розничная цена: 540 руб
Переходник будет полезен в практических приложениях: для подключения к персональному компьютеру различных устройств, а так же модемов и программаторов.
Технические характеристики
Напряжение питания от USB порта: 5 В.
Ток потребления: 20 мА.
Скорость соединения RS232C: 110-230000 бит/с
Интерфейс: USB1.1, USB2.0.
Поддерживаемые операционные системы: Win98, Win2000, WinXP, Vista, Linux и др.
Габаритные размеры устройства: 60×30 мм.
Комплект поставки
Блок переходника в сборе: 1.
Инструкция: 1.
Конструкция
Конструктивно переходник выполнен на двусторонней печатной плате из фольгированного стеклотекстолита, защищенной прозрачной термоусадочной трубкой.
Переходник обеспечивает все модемные сигналы: DSR, DTR, RTS, CTS, RI, DCD, а также основные сигналы RXD и TXD.
Рисунок 2. Схема электрическая принципиальная
Рисунок 3. Вид печатной платы со стороны деталей
Описание работы блока
Принципиальная электрическая схема приведена на рис 2
.
Центральная часть устройства – микроконтроллер CP2102 производства SILICON LABORATORIES. В качестве микросхемы драйвера уровней применен преобразователь MAX3243 производства фирмы Texas Instruments. Переходник обеспечивает все модемные сигналы: DSR, DTR, RTS, CTS, RI, DCD, а также основные сигналы RXD и TXD.
Установка устройства в ОС
Для установки драйверов для компьютера следует сначала скачать соответствующий вашей операционной системе драйвер.
Далее инсталлируйте драйвер на свой персональный компьютер. Подключите переходник. Операционная система обнаружит его и «попросит» драйвер, следует указать ей месторасположение этого драйвера (то место, куда он был распакован).
После успешной установки на переходнике должен засветиться светодиод, сигнализирующий готовность устройства к работе!
NEW
Обновлённый драйвер от 25.01.2011 г.
1. Драйвер для Win Vista Вы можете скачать
2. Драйвер для Windows 2000/XP/Server 2003/Vista (v5.0) Вы можете скачать
3. Драйвер для Linux Вы можете скачать
4. Драйвер для Win98SE Вы можете скачать
5. Драйвер для OC Mac Вы можете скачать
6. an144sw.zip
— c помощью данной программы можно изменить ID коды USB-COM переходника. Это нужно для того, чтобы получить возможность использовать несколько 8050 на одном ПК. Использовать только опытным пользователям!
Вы можете скачать
ПРОВЕРКА РАБОТОСПОСОБНОСТИ BM8050 БЕЗ ВНЕШНЕГО ОБОРУДОВАНИЯ
Для проверки передачи и приема всех необходимых модемных сигналов согласно подключения СОМ-устройства.
Установите перемычки на контакты 2-3, 4-6, 7-8 СОМ-разъема ВМ8050
.
Соедините устройство c USB-портом ПК.
Посмотрите, какой порт ОС выделила для устройства, для чего войдите в Пуск — Настройка — Панель Управления — Система — Оборудование — Диспетчер Устройств — Порты (СОМ и LPT) — Silicon Labs CP210x USB to UART Bridge (COM1).
Запустите стандартное приложение HiperTerminal для Windows из Пуск — Программы — Стандартные — Связь — HiperTerminal.
Остановите запущенное подключение, если оно активно, для чего нажмите вверху Вызов — Остановить.
Посмотрите, какой порт используется программой для связи с устройством, для чего войдите слева вверху Файл — Свойства и напротив «Подключаться через» выберите такой же порт, как и в Диспетчере Устройств (в нашем случае COM1).
В этом же окне убедитесь, что выбрано управление потоком «Аппаратное» в программе, для чего нажмите кнопку в центре «Настроить» и в нижнем окне «Управление потоком» выберите «Аппаратное».
Выйдите из настройки программы, для чего нажмите ОК, еще раз ОК.
Напечатайте текст «Текст» в программе HiperTerminal, при этом на экране печатается текст «Текст», что подтверждает исправность устройства.
Снимите перемычки с контактов 2-3, 4-6, 7-8 СОМ-разъема ВМ8050
.
Напечатайте текст «Текст» в программе HiperTerminal, при этом на экране печать отсутствует, что подтверждает исправность устройства.
Настройка драйвера и выбор порта для переходника USB-COM
Тут нас поджидают первые проблемы: во-первых, ОС могла присвоить виртуальному порту слишком большой номер, например,«25». А программа для «прошивки» ресивера позволяет работать с номерами портов от одного до четырех. Во-вторых, не все преобразователи «USB -COM» могут работать с программой для «прошивки» и самим ресивером. Причина в том, что производители оборудования по-разному изготовили свои изделия и программы к ним. Проверять все преобразователи необходимо индивидуально под вашу программу и ваш ресивер. Часто бывает, что с одним оборудованием преобразователь работает, а с другим- нет.
Если первая проблема устраняется изменением номера порта в настройках ОС, то проблему совместимости оборудования, программы и преобразователя устранить нельзя.
Для изменения присвоенного ОС номера необходимо изменить его вручную. Для этого необходимо войти в «Диспетчер устройств»: «Пуск» — «Настройка» -«Панель управления» — «Система».
Рис. 15.6. «Панель управления»
В появившемся окне выбрать вкладку «Оборудование» и щелкнуть по кнопке «Диспетчер устройств». Откроется окно «Диспетчер устройств». В появившемся окне в древовидном списке выбрать строчку «Порты (COM и LPT). В раскрывшемся списке вы увидите все порты, имеющиеся в вашем компьютере. Выберите ваш виртуальный порт: «преобразователь «USB — COM». У меня преобразователь модели «Prolific».
Рис. 15.7. Список имеющихся портов
Щелкните по этой строчке ПРАВОЙ кнопкой мыши, в открывшемся окне выберите стройку «Свойства».
Рис. 15.8. Настройка выбранного порта
В появившемся окне выберите вкладку «Параметры порта». В строчке «Скорость» выберите «115200», затем щелкните по кнопке «Дополнительно».
Рис. 15.9. Настройка параметров порта
В нижней части открывшегося окна найдите вкладку «Номер COM порта».
Рис. 16. Изменение номера COM порта
Щелкните по вкладке и выберите необходимый номер COM порта.
Обратите внимание, что некоторые номера порта могут быть заняты уже имеющимся оборудованием, например, встроенным модемом. Использовать одновременно один порт нельзя!
После завершения настройки нажмите «ОК» для сохранения внесенных изменений и полностью выйдите из режима настроек, закрыв все ранее открытые окна. После этого перезагрузите компьютер для внесения необходимых изменений. Если же вы изменяли номер «COM» порта «USB — COM» преобразователя, то достаточно просто вынуть его из разъема компьютера и заново подключить.
Готовые решения USB-COM адаптеров от производителей.
Кабель-адаптер COM 9/25M -> USB AM 1м
Цена — 300 руб.
Описание Кабель для подключения устройств с последовательным интерфейсом (RS-232) к USB порту.
Разъемы кабеля или переходника COM25M, COM9M, USB A
Совместимость
Совместимость USB 1.1/2.0
Поддержка ОС Windows 2000, Windows XP
Прочее
Длина кабеля 1 метр
Логистика
Размеры упаковки (измерено в НИКСе) 21.5 х 14.5 х 4.1 см
Вес брутто (измерено в НИКСе) 0.136 кг
Кабель-адаптер TRENDnet COM9M—>USB AM 0.6м
Цена — 500 руб.
Основные
Производитель TRENDnet
Модель TU-S9
Тип оборудования Кабель-переходник
Диаметр 28/24 AWG
Параметры производительности
Скорость передачи данных 500 Кбит/сек
Питание От USB порта
Потребление энергии 500 мА — максимальное
Совместимость
Требования к системе RAM 64 Мб
Поддержка ОС Windows ME, Windows 2000, Windows XP
Прочее
Соответствие стандартам RoHS
Длина кабеля 0.6 метра
Вес 75 грамм
Рабочая температура 0 ~ 40°C
Размеры упаковки (измерено в НИКСе) 23 x 16.8 x 4.6 см
Вес брутто (измерено в НИКСе) 0.135 кг
Внешние источники информации
Ссылка на сайт производителя www.trendnet.com
Адаптер — переходник USB-COM (RS-232)
Цена — 1500 руб.
Адаптер предназначен для использования приборов и адаптеров расчитанных для включения через Com (RS232) порт, например это очень актуально при использовании современных компьютеров, которые имеют только USB, в этом случае, с помощью этого переходника вы можете использовать современные компьютеры и ноутбуки совместно с нашими приборами и адаптерами, такими как Сканер BMW, Сканер Mercedes, Scanmatik и др.
Оборудование для автосервисов, автодиагностика, диагностическое оборудование, диагностика авто, автомобильный сканер, автосканер, диагностический пост, чип тюнинг, оборудование для автодиагностики Carbrain, UNISCAN, ADP-504, KKL-USB, KKL-COM, сканер BMW, сканер Opel, BMW 1.3.6, Automan, Opel scanner, BMW scanner, мотор тестер, газоанализатор, диагностика двигателя, диагностика панели приборов Программатор транспондеров, OBD-2, OBD2, корректировка одометра, U-581, запуск двигателя, crash data, креш дата, крэш дата, спидометр, тахометр.
Хотя может нужно воспользоваться нуль модемным кабелем (2-3, 3-2, 5-5) и переходником типа —
К переходнику добавляете USB удлинитель
вот вам и прямой нуль-модемный кабель.
- Розничная стоимость 100р
. - Тип A-A
- Длина: 1.5 м
Но для остальных ресов нужен «перевёрнутый
» нуль-модемный
кабель.
- Розничная цена 155.00 руб.
- Тип разъема: DB9 F — DB9 F
- Длина: 1.8 м
или такой переходник:
STLab U-350 (RTL) Адаптер COM 9M -> USB AM
Цена — 350 руб.
Основные
Производитель St-Lab
Модель USB DONGLE SERIAL 1 PORT
Описание Переходник позволяет подключить устройство с интерфейсом RS-232 (например, модем) к порту USB компьютера.
Тип оборудования Кабель-переходник
Разъемы кабеля или переходника COM9M, USB A
Встроенный USB-коннектор Да
Параметры производительности
Скорость передачи данных 115200 бит/сек
Интерфейс USB 1.1
Питание От USB порта
Поддержка ОС Windows 2000, Windows ME, Windows XP, Windows Vista, Windows 2003 Server
Размеры упаковки (измерено в НИКСе) 17 x 13 x 3.2 см
Вес брутто (измерено в НИКСе) 0.077 кг
Внешние источники информации Ссылка на сайт производителя
Переходник COM USB — это устройство, которое позволяет персональному компьютеру подключаться к различному периферийному оборудованию. К сожалению, современные модели системных блоков не имеют порой очень важных выходов. Таким образом, пользователь ограничен в своих возможностях.
Если рассматривать такое устройство, как ресивер, то его невозможно подсоединить к кабелю. В данном случае пользователю сможет помочь только По типу разъемов данные устройства отличаются. Дополнительно следует отметить, что сделать их в домашних условиях вполне реально. Однако в первую очередь важно ознакомиться с их устройством.
Схема простого переходника
Схема переходника USB-COM включает в себя порт, модулятор, преобразователь, а также резистор. В некоторых случаях дополнительно на плате может располагаться усилитель. При этом чаще всего подбираются именно проводные модели. Резисторы в данном случае используются только открытого типа. Необходимо это для того, чтобы повысить предельную частоту устройства. Таким образом, время отклика сигнала будет находиться в районе 20 мс. Помимо прочего, следует учитывать ширину пропускания устройства. Для повышения данного параметра многие специалисты модуляторы советуют применять только двухсторонние.
Модели типа А стандартные
Сделать типа А переходник USB-COM своими руками в домашних условиях довольно просто. Микросхему в этом случае целесообразнее подбирать типа РР21. Стабилизировать процесс в устройстве поможет только преобразователь. Для нормальной работы модели также потребуется качественный модулятор. Для указанной микросхемы его необходимо подбирать только низкочастотного типа. Все это позволит параметр отклика сигнала держать на отметке 30 мс.
Для лучшей проводимости тока также специалисты советуют использовать транзисторы малой мощности. В данном случае предельное напряжение они обязаны выдерживать на уровне 3В. В целом данные переходники отлично подходят для различного рода ресиверов. Дополнительно к ним можно подключать радиоприемники с разъемами типа SR101.
Модели типа А мини
Переходники данного типа способны поддерживать многие форматы. Без преобразователей сложить их невозможно. Дополнительно потребуется подобрать микросхему серии РР22. Всего транзисторов на нем должно располагаться три. При этом два из них необходимо разместить возле преобразователя. Модулятор в данном случае важно подбирать импульсного типа. Скорость отклика сигнала в среднем составляет около 30 мс. Для стабильной работы этого вполне достаточно.
Кабель в данном случае необходимо крепить к задней части микросхемы. При этом важно не задеть модулятор во время процесса пайки. Транзисторы также нужно держать в чистоте. Сопряжение контуров обеспечивается за счет каскада усиления частоты. В среднем данный параметр колеблется в районе 12 Гц. Для повышения проводимости тока некоторые специалисты советуют применять усилители. Порт для устройства подсоединяется в последнюю очередь. Драйвер для переходника USB-COM подбирается отдельно.
Модели типа А микро
Сделать типа А микро переходник USB-COM своими руками самостоятельно довольно сложно. Во многом это связано с наличием нестандартного порта. Пропускная способность для него должна быть обеспечена довольно высокая. При этом параметр отклика сигнала минимум обязан составлять 20 мс. Отдельно также следует обратить внимание на поиск преобразователя.
Для повышения тактовой частоты в устройстве многие их подбирают симметричного типа. При этом транзисторы выбираются в магазине открытой модификации. В среднем напряжение они выдерживают на уровне 3А. Как вариант можно рассмотреть комбинированные подвиды. Все это позволит в конечном счете повысить скорость отклика сигнала.
Как сделать переходник типа В стандартный?
Собирается представленный кабель-переходник USB-COM для устройств, у которых разъем имеется типа RSR21. В первую очередь в магазине необходимо выбрать модулятор. В данной ситуации можно остановиться на ступенчатом аналоге. Однако полоса пропускания у него довольно низкая. Также в дальнейшем могут возникнуть определенные проблемы с перекрытием контуров. Чтобы решить представленную проблему, можно воспользоваться колебательными модуляторами.
Стоят они на рынке довольно дорого, однако тестирование устройств показывает, что они очень хороши. В первую очередь они отличаются наличием медных контактов. Таким образом, проводимость тока у них высокая. Помимо прочего, с микросхемой типа РР20 она работает довольно хорошо. Порт в этом случае необходимо устанавливать в последнюю очередь. При этом кабель для него подбирается отдельно.
Переходники типа В мини
Собирается данный переходник COM USB при помощи микросхемы типа РР220. В этом случае преобразователь необходимо подбирать с хроматическим резистором. Дополнительно важно использовать только высокочастотный модулятор. Чтобы увеличить скорость отклика сигнала, многие специалисты советуют применять транзисторы открытого типа.
Однако устройства значительно уменьшится. Вследствие этого может возникнуть проблема с установкой драйвера устройства. Дополнительно на USB-COM переходник монтируется тригер. Данный элемент в системе отвечает за сопряжение контуров. Происходит этот процесс в сеточном триоде. Усиление частоты при этом увеличивается значительно. Порт для переходника подбирается без селектора.
Модель типа В микро
Переходники представленного типа собираются довольно просто. В первую очередь следует отметить, что они на сегодняшний день являются довольно востребованными. Подходят они для всех устройств, на которых имеется разъем типа RSR 23. Преобразователи подбираются на микросхему только импульсного типа. При этом транзисторы лучше всего использовать стандартные. Однако многие специалисты все же отдают свое предпочтение аналогам открытого типа.
Параметр полосы пропускания в данном случае будет зависеть от типа усилителя. Если воспользоваться низкочастотной модификацией, то проблемы у устройства неизбежны. В свою очередь, продольные модификации значительно увеличивают параметр проходимости тока. Кабель в данном случае припаивается на конвекционный выход микросхемы.
Как выбрать модель в магазине?
Для устройств с разъемом типа RSR21 адаптер следует подбирать высокочастотный. Минимум нагрузки он должен выдерживать на уровне 3 А. Медь у проводников обязана быть обязательно безкислородная. В этом случае можно рассчитывать на хорошую полосу пропускания устройства. Цифровые форматы адаптер обязан поддерживать «Долби» и «Тру».
В свою очередь, видеосистема должна работать с 720р. Усилители в устройствах, как правило, устанавливаются бесконтактные. Однако в некоторых моделях имеются более дешевые аналоговые модификации. Внешняя оболочка модели должна быть сделана из поливинилхлорида. Параметр скорости отклика сигнала в среднем находится в районе 30 мс. Обойдется качественный адаптер примерно за 2500 руб.
Характеристики USB mini 4P
Указанный от прочих устройств отличается тем, что модулятор в нем имеется двухстороннего типа. За счет этого у него довольно хорошая. Для аудиоустройств указанная модель подходит идеально. Траверс в данном случае устанавливается промежуточный. Для стабилизации сигнала в устройстве применятся высокочастотный усилитель. Параметр скорости отклика сигнала модели находится на уровне 25 мс. В среднем показатель частоты устройства располагается на отметке 23 Гц. Для корректировки тока в адаптере имеется небольшой рефлектор.
Модель USB 1394B
Переходники данного типа способны похвастаться довольно высокой скоростью отклика сигнала. Преобразователь в данном случае имеется низкочастотный. В свою очередь, модулятор устанавливается с предельной частотой на уровне 23 Гц. Все это позволяет довольно быстро стабилизировать входное напряжение. Поддержка основных форматов обеспечивается за счет установки драйвера устройства. Усилитель в данном случае имеется импульсного типа. В свою очередь, высокая пропускная способность стала возможной за счет увеличения параметра генерирования.
К недостаткам данного переходника следует отнести низкий диапазон перекрытия. В связи этим часто возникают конфликты с системой при подсоединении периферийных устройств. Дополнительно следует учитывать, что микросхема у модели установлена серии РР19. За счет этого параметр промежуточной частоты никогда не превышает 30 Гц.
Устройство USB TDK
Данный USB-COM переходник больше всего подходит для подключения к персональному компьютеру приемников, у которых разъем установлен типа RSR30. Преобразователь в этом случае используется высокой чувствительности. При этом микросхема установлена меридиональная. Модулятор к ней присоединяется с рабочей частотой на уровне 28 Гц. Высокая полоса пропускания в устройстве обеспечивается качественными транзисторами.
Также следует отметить, что отклонение у преобразователя происходит довольно редко. Однако недостатки у данного адаптера все же имеются. В первую очередь они связаны с волновым искажением. В результате синхронизация устройства может отнимать у пользователя много времени.
USB-COM RS232
Переходник USB-COM RS232 используется для подключения устройств с разъемами типа RSR21. В данном случае особого внимания заслуживает высокое качество модулятора. При этом микросхема используется в устройстве типа РР21. Транзисторы у этой модели установлены аналогового вида. Особой пропускной способностью они не отличаются. Однако параметр скорости отклика сигнала у представленного адаптера находится на уровне 30 мс. Во многом это было достигнуто за счет установки мощного преобразователя.
Рабочую частоту в системе он способен поддерживать на уровне 23 Гц. Контакты в данном случае используются медные. Все основные форматы системой поддерживаются. Драйвер на USB-COM переходник можно приобрести у производителя. Внешняя оболочка устройства сделана полностью из поливинилхлорида. Дополнительно следует отметить, что параметр предельной частоты составляет ровно 30 Гц. В связи с этим полоса пропускания у устройства довольно высокая.
Модификация USB MINI8M
Данный COM (port USB) переходник подходит для приборов, у которых разъем имеется серии RSR26. В частности, эти модели активно используются для подключения ресиверов к персональным компьютерам. Дополнительно модификация может устанавливаться в ноутбуки. По габаритам она является очень компактной. Выходы на микросхеме производителем предусмотрены коаксиального типа. По чувствительности данная модель не отличатся от прочих устройств. Дополнительно следует отметить, что параметр рабочей частоты находится на уроне 21 Гц.
В данном случае проводимость резисторов не сильно высокая. Как следствие, скорость отклика сигнала в среднем равняется 20 мс. Показатель промежуточной частоты модели составляет 33 Гц. Модуляторы в этом адаптере применяются термооптические. Волновое искажение в них происходит довольно редко. Дополнительно следует отметить, что представленные переходники часто страдают от повышенной температуры. Использовать их можно максимум при 40 градусах.
Параметры USB MINI8P
Данный USB) переходник чаще всего устанавливается под различные приемники. Показатель рабочей частоты составляет ровно 25 Гц. При этом скорость отклика сигнала находится на уровне 40 мс. Преобразователь в данном случае используется производителем нехроматического типа. Пропускная способность у него довольно слабая. Однако нагрузку он выдерживает примерно в 3 А. За счет этого стабильность работы обеспечивается на хорошем уровне, и транзисторы в устройстве перегорают редко. Из недостатков следует отметить резкое усиление тактовой частоты. Происходит это из-за рассинхронности модулятора.
Устройства с разъемом на котроллере
USB-COM переходник с разъемом на контроллере на сегодняшний день считается довольно популярным. Микросхемы для него могут подбираться разнообразные. Как правило, преобразователи устанавливаются низкочастотные. Связано это с тем, что скорость отклика сигнала у моделей хорошая. Модуляторы для переходников данного типа применяются только меридиональные. Все это приводит к возрастанию предельной частоты до 30 Гц. Однако стабильность устройства можно контролировать, если установить на модель усилитель.
Модели с разъемом у периферийного устройства
Адаптеры с разъемом у периферийного устройства являются не сильно востребованными. В первую очередь они абсолютно не походят для ноутбуков. Дополнительно микросхемы у них могут использоваться только серии РР13. Все это, в конечном счете, влечет за собой ряд проблем. В первую очередь следует отметить низкий параметр промежуточной частоты на уровне 10 Гц. Связано это с отсутствием входного резистора на плате.
Также проблемы у таких моделей часто возникают из-за резкого падения напряжения. Происходит это, когда нагрузка на преобразователь превышает 3 А. Однако, несмотря на все вышеуказанные недостатки, переходники с разъемом у периферийного устройства все же являются полезными, когда речь заходит про подключение оборудования с выходом RSR24.
Правильная распиновка СOM-порта RS232
Распиновка COM порта
— RS232 интерфейс был сконструирован более пятидесяти лет тому назад. А после этого был стандартизирован. В различных периодах усовершенствования технических возможностей компьютеров успешно применялся для подключения к телефонной линии с помощью модема. На данный момент такой интерфейс считается как уже вчерашний день. В основном его невостребованность заключается слишком низким быстродействием. Так как там задействованы линейные сигналы в однофазной форме. То-есть не дифференциальные.
Что касается самой контактной колодки интерфейса RS-232 и ее кабельной составляющей, то они собраны на 9-пиновом разъеме D-Sub. Штыревые контакты размещенные в двухрядном варианте, для обеспечения точности подсоединения вилки к разъему, форма колодки имеет несимметричную конструкцию. Все контактные штырьки обозначены номерами, подробнее как делается распиновка COM порта
обозначено в приведенной ниже таблице.
Таблица
Множество устройств во время своей работы задействует не все контакты, а только необходимую им часть, поэтому исходя из этого обусловливается реальная распиновка COM-порта. Необходимая информация об это имеется прилагаемой документации к соответствующему оборудованию.
Соединительный кабель
Если нет необходимости задействования все контактной группы, то в таком случае можно использовать обычную витую пару. При этом ее отдельные провода припаиваются к вилке и контактам в колодке разъема. Ввиду ограниченного пространства в самой колодке, в местах пайки провода желательно помещать в кембрик.
Наибольшее расстояние связи относительно стандарта должна быть более 15 метров. Если требуется ее увеличение, тогда для этого нужно использовать экранированный провод.
COM порт — лекция
Нуль модемный кабель очень нужная вещь в спутниковом хозяйстве. В первую очередь для прошивки спутниковых ресиверов. Но не всегда его можно купить вот и приходится делать самому.
Как я уже говорил 0-модемный кабель
нам пригодиться в первую очередь для пере прошивки спутниковых ресиверов. И если для этого можно использовать короткий, который проще купить, то для кардшаринга через компьютер почти всегда нужен длинный или очень длинный (делал до 15 м.) . А такой лучше спаять самому. Причем делается он довольно легко.
Как сделать самому нуль модемный кабель (RS232) шнур для прошивки тюнера своими руками
?
Нам понадобятся два разъемы DB-9F, паяльник, припой, кабель – витая пара, как по мне подходит в самый раз (можно и другой какой есть под рукой телефонный нормально), схемы и умелые руки.
Есть несколько вариантов подключения но чаще всего нужен кабель на три контакта. Ну а если такой не подойдет – тогда делаем полный на все контакты по соответствии с рисунками ниже.
Не полный ноль модемный кабель подходит почти всегда. Но и он имеет разновидности когда его контакты идут
Контакты 2 – 2 и 3 – 3 , 5 -5 прямой
Контакты 2 – 3 и 3 – 2 , 5 – 5 не прямой
Именно последний не прямой подходит чаще всего.
Распайка ком порта rs-232 в спутниковых ресиверах может иметь вид как “папы” так и “мамы”.
“Мамки” встречаются намного чаще так что советую делать с двумя “мамками” на концах.
Именно непрямой нуль-модемный кабель
с двумя мамка, и с расчетом справа-налево, подходит для прошивки большинства спутниковых ресиверов, или для шаринга.

Небольшого размера адаптер USB TTL PL 2303 является неким программатором, используемым с платой для считывания информации с различных датчиков:
- влажности;
- температуры;
- движения.
Этим и обусловлено широкое использование адаптер USB TTL PL2303 в радиоуправляемых устройствах. Программируется TTL USB адаптер на С++, т.е. USB TTL адаптер является «универсальной шиной» при передаче данных, используемой в технике вычислительной низкой и средней скорости.
Чтобы ее подключить к USB RS232 TTL адаптеру необходим четырехпроводной кабель. Одна витая пара нужны для дифференциального подключения при приеме и передаче ( RX и TX), а оставшиеся — для подачи питания устройствам периферийным (GND и +5V).
При условии, что наибольшая сила тока таких устройств не превышает 500мА, а у USB – 900мА), подключаются они без своего источника питания.
При том, что для TTL логики 0-5 В имеются стандартные уровни, вроде USB адаптер TTL и не нужен.
Но, из-за того, что интерфейс/протокол USB достаточно сложный, чтобы построить на его базе устройство, требуются глубокие познания и микропроцессоры, обрабатывающие данные.
В помощь можно взят иной протокол — УАПП (UART), на сегодня являющийся наиболее распространенным. Среди семейства из множества протоколов, используемым чаще других считается RS-232, в быту именуемый портом COM. Он самый старый из всех, но и сегодня актуальный.
Рекомендуем:
- Двигатель постоянного тока: характеристики, строение, основные отличия
- Бортовой самописец, или топ видеорегистраторов
- Электродвигатель своими руками?
Он имеет линии:
- передающая — TXD;
- принимающая — RXD.
Если используют их, передавая данные, то в аппаратном управлении нет необходимости. Для аппаратного используют DTS и RTS.
Выход передатчика соединяют со входом приемника и наоборот.
RS-232 от логики (5-вольтовой) стандартной разнится электрическим принципом действия. В этом варианте «0» лежит в диапазоне +3 до +12 В, соответственно единица — в пределах от -3 до -12.
Вывод. Назначение адаптеров UART USB TTL состоит в «стыковке» сложнейшего интерфейса
USB с простым и «ходовым» протоколом UART, поддерживаемом микроконтроллерами, и работе с уровнями логики 0-5В.
Модуль Usb Ttl адаптер PL2303HX с гибкой крышкой

Адаптер USB RS232 TTL Pl 2303 собирается на PL2303 микросхеме, создающей на ПК виртуальный СОМ-порт. Применяют для прошивки устройств с микроконтроллерами.
Его стоимость на https://ru.aliexpress.com/popular/ttl-adapter.html составляет 40,84 рубля.
Чтобы доставить в Украину заплатить дополнительно нужно 149,74 руб.
Основные характеристики PL2303 USB для TTL модуль адаптер конвертер:
- тип напряжения – регулярное;
- питание – 3,3/5 V;
- назначение- для компьютера;
- температурный диапазон — -40 TO +85;
- производитель – Diymore.
USB 3.3 В 5.5 В для TTL адаптер мини-порт

Обзор
- Размер – 36х17,5 мм (ДхШ);
- Контакты: GND, CTS, VCC, TXD, DTR, RXD, RXD;
- Чипсет FT232RL;
- Поддерживает – 5В, 3,3 В;
- Шаг – 2,54 мм.
Отличного качества модули стоимостью 100,24 руб. предлагается интернет-магазином https://ru.aliexpress.com/popular/ttl-adapter.html.
Для обнаружения авто с помощью GPS адаптер USB TTL PL2303 HX конвертер RS232
Его стоимость составляет 42,7 рублей.
К особенностям относятся:
- антистатическую упаковку, не допускающую накопления статэлектричества,
- негативно отражающегося на работе;
- высокую надежность, стабильность;
- поддержку WIN7.
Используется продукт, весящий 5 граммов (без упаковки) в студенческих экспериментах производстве и т.д. Его размер – 50Х15Х7 мм. У конвертеров модели USB PL2303 — RS232
TL есть пара интерфейсов, служащих для подключения (пятиконтактный штыревой) и ПК (USB стандартный).
FT232RL USB 3.3 В 5.5 В для TTL мини-порт
Стоимость его 106, 43 рубля. Это недорогой вариант увеличить возможность USB микроконтроллерам. Для защиты самовосстанавливающийся предохранитель 500ma, чтобы защититься от перезагрузок по току.
Характеристики
- цвет – красный;
- питание USB- 5 или 3,3 В;
- вес – 4 грамма;
- габариты — 43х17 мм.
Малый размер дает возможность использовать его в разработках, где критичным является размер гаджета.
USB в TTL для UART на чипе PL2303
Используется при Arduino программировании.
Конвертер на микросхеме Max3232 преобразует сигналы RS-232 порта в пригодные к использованию в цифровых схемах на основании TTL-технологий.
Стоит 76,11 рублей.
CP2102 USB 2.0 для TTL UART 6Pin
Состоит из платы CP2102, USB2.0 full-speed встроенного, генератора кварцевого, шины данных UART и поддерживает сигналы, не требуя внешнего USB модема.
- Весит 4 грамма;
- Индикаторы светодиодные на: питании, передаче и приеме;
- Статус рабочий– 3,3 и 5 В.
Стоит 82, 3 рубля.
Отзывы
Отличный адаптер, работает чётко, проверил сразу. Есть светодиодные индикаторы режимов работы и питания.
Видео: Для чего нужен Адаптер Pl2303 USB в RS232 TTL модуль
Чипы FTDI, CH340, ATMEGA16U2 с драйверами позволяют плате Arduino и USB адаптерам подключаться к компьютеру и взаимодействовать с внешним окружением через Serial UART. С их помощью Ардуино может скачивать прошивку, загружать и отправлять данные, не заботясь о низкоуровневой поддержке последовательного соединения. В платах разных производителей могут использоваться различные чипы и драйвера.
В этой статье мы рассмотрим наиболее популярные микросхемы и узнаем, как скачать и установить соответствующие драйвера для нормальной работы Arduino Uno, Nano, Mega и другими платами.
Чипы CH340g, FTDI FT232, ATMEGA 16U2 / 8U2
Обычно с чипами USB преобразователей и поиском драйверов сталкиваются в тот момент, когда возникает проблема подключения платы к компьютеру. Скорее всего, вы тоже нашли эту статью, пытаясь заставить Arduino IDE взаимодействовать с китайской ардуинкой. Давайте разберемся, какую роль во взаимодействии с компьютером играет чип преобразователя и зачем устанавливать какие-то драйверы, чтобы все заработало.
Зачем нужен USB / UART TTL преобразователь
Когда вы подключаете Ардуино к компьютеру или любому другому устройству по USB, вы связываете между собой сразу два мира: микропроцессорный, сосредоточенный на плате Arduino и мир внешних устройств. Подходы к организации взаимодействия между элементами в этих мирах сильно отличаются. Для работы внутри платы используется особый протокол со своими правилами взаимодействия – UART. И для того, чтобы “внутреннюю” линию соединить с “внешней” нужен определенный преобразователь-посредник, который будет хорошо понимать физические сигналы, используемые как для USB, так и для платы контроллера. Вот этим посредником и являются чипы USB- UART (иногда их еще обозначают называют USB-TTL, хотя это не совсем корректно) преобразователей, самыми популярными из которых являются микросхемы FTDI, CH340G, ATMEGA U16.
USB преобразователи в Ардуино
Мы должны использовать внешние чипы, потому что контроллер ATMEGA328, являющийся сердцем большинства современных плат Arduino, не содержит в своих кристаллических внутренностях встроенного преобразователя. Если вы посмотрите на плату ардуино, то увидите корпус чипа, на нем можно разобрать и его тип.
Исторически наиболее популярным вариантом чипов USB/UART конвертера была линейка микросхем от шотландского производителя FTDI. Главным ее недостатком была стоимость и весьма странная политика в области контроля контрафакта, зачастую приводящая к тому, что легальные купленные устройства блокировались драйверами компании. Сегодня существенную конкуренцию FTDI составляют микросхемы семейства CH340, массово производимые многочисленными китайскими производителями. Они гораздо дешевле и достаточно надежны и это постепенно привело к тому, что в большинстве недорогих контроллеров Arduino и адаптеров установлены именно чипы CH340 (CH340g).
Наверное, единственной, но очень важной проблемой при использовании CH340g взамен FTDI является необходимость в некоторых случаях установки USB драйвера. “Респектабельная” FTDI давно уже тесно интегрирована в Windows и при подключении устройства с FTDI-преобразователем никаких драйвером устанавливать не нужно – они уже есть в системе. Для подключения CH340g иногда нужно скачать драйвер и установить его – только после этого система увидит наше устройство.
Процедура установки драйвера для CH340g на самом деле очень проста и почти всегда проходит без ошибок на самых популярных операционных системах Windows7, Windows10. Именно поэтому никаких проблем с использованием недорогих ардуино плат, несущих на себе чип CH340, почти никогда не возникает.
Остается только вопрос – а зачем вообще нужен какой-то USB драйвер для подключения ардуино к компьютеру? Давайте разберемся.
USB драйвер для ардуино
Мы не будем уходить в теоретические дебри, разбирая многочисленные коммуникационные протоколы, поддерживаемые современными компьютерными системами. Главное, что нужно понимать: когда мы присоединяем какое-то устройство к компьютеру, оно может передавать или получать данные только если его “поймут” с другой стороны. На стороне компьютера таким переводчиком является специальная программа, называемая драйвером. Драйвер USB работает в режиме эмуляции последовательного, COM-порта. Это означает, что при подключении операционная система создает виртуальные, программные COM-порты, с которыми и работает драйвер. В Windows их можно посмотреть в диспетчере устройств.
Если мы подключаем Ардуино к компьютеру, то чип с помощью драйвера попросит систему открыть порт и начнет взаимодействие . И для чипов разных производителей потребуются разные драйвера. Проблемы возникают, когда драйвера нет. Система пытается найти его для подключенного устройства, не находит и мы никогда не увидим его в списке устройств. Для решения проблемы надо найти и скачать соответствующие драйвера, а затем установить их на компьютер. Ниже мы рассмотрим, как это делается на примере USB драйвера CH340.
Установка драйвера для CH340
Китайские микросхемы CH340 используется довольно часто благодаря своей низкой стоимости и вполне приемлемому качеству.
В серию микросхем CH340 входят CH340T (мост USB – UART), CH340R (мост USB – IrDA) и CH340G (мост USB – UART). Последняя микросхема является наиболее распространенной и удобной с точки зрения корпуса с меньшим числом выводов.
Установка драйвера CH340
Если в вашей системе отсутствует драйвер, его можно легко установить. Процедура занимает 5 минут и практически никогда не вызывает проблем. Скачать драйвер для CH340 можно по этой ссылке.
Процесс установки драйвера разбивается на несколько шагов:
- Загрузка драйвера.
- Распаковка скачанного архива.
- Найдите папку CH341ER.
- Запуск исполнительного файла SETUP.EXE.
- Нажать на кнопку Установить.
- На этом установка драйвера на компьютер завершена.
Характеристики CH340
Микросхема обладает следующими характеристиками и возможностями:
- Не нужно большое количество внешних компонентов, требуются только кварцевый резонатор и 4 конденсатора.
- Создание виртуального последовательного порта.
- Возможность применения всех приложений для COM-портов.
- Работает с сигналами уровней 5 и 3,3В.
- Выполнена в удобном корпусе SO-16 с малым количеством выводов и небольшим числом внешних компонентов.
- Поддержка полной скорости спецификации USB0.
- Наличие встроенного буфера типа FIFO.
- Поддержка всех стандартных режимов передачи данных.
- Поддержка симплексного, полудуплексного, дуплексного асинхронных режимов обмена.
- Поддержка интерфейсов RS23, RS422, RS485.
- Рабочие температуры лежат в диапазоне от -40С до 85 С.
Распиновка микросхемы CH340G представлена на рисунке.
На плате обозначены следующие контакты:
1 – Земля.
2 – TXD сигнал UART.
3 – RXD сигнал UART.
4 – напряжение питания.
5 – UD+ сигнал USB.
6 – UD- сигнал USB.
7 – XI вход для кварцевого резонатора и конденсатора.
8 – XO выход для кварцевого резонатора и конденсатора.
9 – CTS сигнал UART.
10 – DSR сигнал UART.
11 – RI сигнал UART.
12 – DCD сигнал UART.
13 – DTR сигнал UART.
14 – RTS сигнал UART.
15 – Включение инверсии входа RXD.
16 – Питание.
Микросхема эмулирует работу последовательного порта. Все приложения работают с конвертером интерфейса CH340G без изменения кода.
Чип FTDI для Arduino
Шотландская фирма FTDI занимается разработкой аппаратных мостов “USB-UART” и “USB-FIFO”. Производство началось с запуска и продажи схем FT8U232 и FT8U245, которые в итоге стали очень популярными и востребованными на рынке устройств с USB. Эти виды микросхем имели всего лишь 1 режим работы и огромное количество дополнительных внешних элементов.
Следующим поколением аппаратных мостов были микросхемы FT232B и FT245B. В них добавился новый режим работы BitBang, также появилась возможность реализации восьми независимых линий ввода-вывода. Помимо этого была изменена схемотехника кристалла.
С 2006 года начался выпуск микросхем FT232R и FT245R, в которых были интегрированы на кристалл энергонезависимая память, тактовый генератор и другие компоненты. Основными преимуществами микросхемы FT232RL являются хорошая функциональность, легкость монтажа и минимальная обвязка. Распиновка модуля представлена на рисунке ниже.
Характеристики микросхемы FT232R:
- Одночиповый переходник USB-UART.
- Поддержка режимов передачи 7и 8 бит данных, 1 и 2 стоповых бита.
- Бесплатные драйверы VCP и D2XX.
- Скорость передачи 300 бод – 3 мегабод для RS422.
- Наличие встроенного идентификационного номера.
- Настраиваемые выходы CBUS.
- Вывод состояния приема и передачи на внешние светодиоды.
- Наличие буферов FIFO для высокоскоростного приема/передачи данных.
- Усовершенствованный режим bit bang.
- Встроенная память EEPROM на 1024 байт.
- Наличие встроенного стабилизатора напряжения на 3.3 В и для внешних сигналов от 1,8 до 5В.
- Высокая нагрузочная способность.
- Малое потребление энергии.
- Совместима с USB 2.0 Full Speed.
- Температурный диапазон от -40С до 85С.
Микросхема предоставляется с заранее запрограммированной памятью EEPROM, поэтому дополнительное программирование энергонезависимой памяти перед началом работы не требуется.
Чип ATMEGA16U2/8U2 для ардуино
Чипы ATMEGA16U2/8U2 используются в качестве моста между USB-портом и последовательным портом. Версия платы ATmega8u2 использовалась для предыдущих плат Ардуино Uno и Mega.
Технические характеристики чипа ATMEGA16U2:
- Процессор AVR.
- Высокая производительность, низкая мощность.
- Размер ядра 8-бит.
- Подключение SPI, UART/USART, USB.
- Количество контактов 32.
- Скорость ЦПУ 16 МГц.
- 512 б ОЗУ.
- 512 б энергонезависимой памяти.
- 22 программируемых линии ввода-вывода.
- Интегрированный аналоговый компаратор.
- Объем флеш-памяти 16 Кб.
- Размер EEPROM 512х8.
- Напряжение от 2,7В до 5,5В.
- Рабочие температуры от -40С до 85С.
Контроллер ATmega8u2 в своей прошивке уже имеет установленные USB COM драйвера, поэтому установка дополнительных не требуется.
Характеристики ATmega8u2:
- Диапазон напряжений от 2,7В до 5,5В.
- 32 вывода.
- Скорость ЦПУ 16 МГц.
- Объем флеш-памяти 8Кб.
- Поддержка встроенных интерфейсов I2C, SPI, UART, USART.
- Размер ядра 8 бит.
- Несколько режимов работы – холостой ход, энергосберегающий режим, режим ожидания, расширенный режим ожидания и выключение питания.
- Возможность внешнего и внутреннего прерывания.
- 22 программируемых линии ввода-вывода.
- 512 б энергонезависимой памяти.
- 512 б ОЗУ.
- Рабочие температуры от -40С до 85С.
Заключение и выводы
Микросхемы-контроллеры последовательного порта служат в качестве преобразователя интерфейса USB. Наиболее популярными являются микросхемы CH340 (преобразователь USB в UART), аппаратные мосты от фирмы FTDI, к которым относятся микросхемы FT8U232, FT8U245, FT232R и FT245R (USB-UART и USB – FIFO) и ATmega8U2 и ATmega16U2.

Наверное, кто-то уже прочитал на нашем форуме сообщения exmortis об изготовлении кабеля USB-TTL из подручных средств.
Мы решили оформить это, как отдельную статью-руководство. Спасибо exmortis за предоставленный материал.
Аннотация: Данная статья является дополнением к статье Antony о подключении к приставке Ritmix RZX-50 по последовательному интерфейсу, которую рекомендуется предварительно прочесть.
Как известно из вышеупомянутой статьи, приставку Ritmix RZX-50 можно подключить к компьютеру через uart ttl, но так как сигналы по вольтажу не совпадают со стандартом rs-232, то нужен переходник. В качестве готового решения можно воспользоватья специальным конвертером, например, таким или даже таким.
Сложность в том, что подобные решения могут быть далеко не всегда доступны, а при их наличии заявленная цена может быть достаточно высокой.
Однако, можно приспособить обычный кабель-переходник usb-rs232 (com), который продаётся в любом компьютерном магазине. Например, такой:

Кабель Gembird usb-rs232 uas111. Он удобен тем, контроллер спрятан в аккуратную коробочку. Правда, она запаяна, поэтому для вскрытия придётся либо её распиливать, либо срезать пластик паяльником.
В принципе, подойдёт любой другой подобный кабель, однако, нужно обращать внимание на удобство доступа к плате с контроллером. На некоторых кабелях она спрятана в разъёме rs-232, вскрывать который затруднительно, а на других может оказаться микросхема-капля, подпаятся к которой непросто. В конце-концов такой кабель может быть основан на каком-нибудь экзотическом чипе.

Микросхема pl2303. Интересны прежде всего ноги 1 (TXD) и 5 (RXD), нумерация ног идёт против часовой стрелки от угла, отмеченного на самом чипе точкой.
Микросхема max213 выпаяна. Красный провод припаян к сигналу TXD, жёлтый — к RXD, чёрный провод — земля. Впоследствии можно подключать по схеме Antony, присодиняя провода «перкрёстно», т.е. RXD контроллера к TXD приставки, а TXD к RXD соответственно.

Выводы последовательного интерфейса у Ritmix RZX-50.
Перепаянный как указано выше кабель подсоединяется к компьютеру (при этом rzx-50 НЕ подключена). Естественно, что драйвер системой не установится, но это и не требуется. Загружаем xubuntu в виртуальной машине, пробрасываем вовнутрь подсоединённое устройство (должно обозначаться как Prolific Technology Inc. USB-Serial Controller). После чего загружаем консоль и вводим dmesg. Одной из последних строчек должно оказаться определение подключённого устройства (pl2303) и его отражение на файловую систему — в данном случае это /dev/ttyUSB0. Запоминаем это имя.
Теперь надо установить minicom. Команда стандартная: «sudo apt-get install minicom». Запускаем настройку: «sudo minicom -s» и попадаем в меню конфигурации. В Serial port setup устанавливаем /dev/ttyUSB0 в качестве Serial Device, скорость потока устанавливается 56700 8N1, hardware и Software Flow Control выключается (No). Далее в Modem and dialing нужно стереть строки Init String и Reset String.
После чего настройку можно сохранить либо как дефолтную, либо под любым именем. В последнем случае minicom следует запускать с именем настройки в командной строке.
Выходим из настройки и запускаем minicom в обычном режиме (sudo minicom). Теперь можно протестировать кабель, замкнув провода от сигналов TXD и RXD. Если при нажатии любых клавиш в minicom на экране появляются соответствующие символы, значит кабель работает.
Теперь можно подсоединять приставку к проводам способом, указанным выше, и включить её, наслаждаясь выводом в окно эмулятора терминала. Когда выпадёт приглашение ввести пароль, следует ввести «root». Если при вводе и выводе символов периодически появляются мусорные или посторонние, значит что-то не так с землёй (скорей всего оборвана). В идеаля земля также никак не должна замыкаться с сигналами TXD и RXD.
От редакции: Я лично сразу вспомнил конец 90ых, когда началась эпоха Palm. В то время я был счастливым обладателем Handspring Visor Deluxe, мощнейшим, по тем временам КПК (слово «планшет» еще не придумали). Так вот, в силу дефицита USB портов (да! да!) приходилось самому изготавливать кабель RS232-TTL. Более того, поскольку сигналы у Visor были трехвольтовые, а микросхема Maxim, обеспечивающая нужный уровень сигнала была дефицитной — приходилось на ножку «выхода» вешать делитель напряжения с 5 до 3.3в, чтобы не спалить устройство.
Сейчас все гораздо проще, и можно сосредоточиться на более содержательной деятельности, например внести посильный вклад в создание альтернативной прошивки для RZX-50 ?
« Тест 80 игр для PSX и N64 для Yinlips YDPG-18
LvivGOO v2 (Dingoo A320 Native OS) »
Используемые источники:
- https://motocarrello.ru/jelektrotehnologii/1550-adapter-usb-ttl.html
- https://arduinomaster.ru/platy-arduino/arduino-usb-uart-chipy-i-drajvera-ch340-ch340g-ftdi/
- http://a320.emulate.su/2012/06/29/kabel-usb-ttl-svoimi-rukami/
Проблемы при «прошивке» ресиверов. Отсутствие COM порта. Использование ноутбука
Многие пользователи сталкиваются с проблемой прошивки ресиверов из-за отсутствия СОМ порта. Большинство устаревших моделей компьютеров было оборудовано несколькими СОМ портами. В них имелся хотя бы 1 разъем «RS-232». Благодаря такому технологическому решению пользователи могли подключать необходимые внешние устройства. К компьютеру подключали сразу и мыши, и принтеры, и клавиатуру, и модемы, и другую технику. С помощью компьютера можно было и перепрошить ресивер. Пользователи никогда не сталкивались с существенными проблемами при подключении. Все, что от них требовалось – это подсоединить кабель, запустить программу и кликнуть мышкой на необходимые пункты.
Производители современных компьютеров, кажется, просто забыли о разъеме «RS-232». Обычный пользователь может и не заметить его отсутствия. Но если вы являетесь абонентом спутникового телевидения и ваш ресивер начал некорректно работать из-за несвоевременного обновления, вы столкнулись с неприятной проблемой. Большинство моделей ресиверов могут быть прошиты только с помощью «RS-232». Да и «USB» входом оборудованы не все спутниковые приставки.
Очень часто пользователи сталкиваются и с другими проблемами. Одна из них – несовместимость имеющихся СОМ портов на ноутбуке с определенными моделями ресиверов. В большинстве случаев это вызвано тем, что в процессе производства ноутбука был нарушен стандарт передачи данных «RS-232». Некоторые производители делают это специально, так как такое решение позволяет сократить энергию заряда аккумуляторной батареи. Эта мелочь отражается и на стоимости компьютерной техники, делая ее более доступной для конечного потребителя. Только точные и щепетильные производители могут похвастаться наличием специальной микросхемы для СОМ порта. И их устройства совместимы с любыми ресиверами.
Если вы пользуетесь обычным компьютером, то проблема решается за счет приобретения дополнительного модуля с СОМ портами. Он выпускается в виде платы и монтируется в компьютер. Очень важно провести установку правильно, так как некорректные действия могут привести к порче оборудования. После того, как плата будет установлена в компьютер, операционная система «Windows» — «ОС» присвоит каждому порту свой номер.
Если вы пользуетесь ноутбуком, то этот вариант не подойдет. Здесь вы столкнетесь с несоответствием размера и стандарта. Но и у этой проблемы есть решение.
Вы можете попробовать самостоятельно спаять Переходник USB-COM
2 способами: дорогой и проверенный или дешевый и частично неэффективный:
Способ 1
Приобретаем специальную плату с портами, предназначенную для ноутбука. Проблема заключается не только высокой стоимости решения, но и в том, что вам придется провести ни один день в поисках подходящей модели. Также стоит учесть, что ноутбуки могут обладать разными стандартами для дополнительных устройств. Поэтому вначале стоит ознакомиться с инструкцией по эксплуатации, если она еще сохранилась. Если вы не решились заказать специальную плату, то можно попробовать еще один способ.
В большинстве случаев он действует. 90% современных моделей оборудовано несколькими «USB» выходами. Вы можете купить преобразователь «USB — COM».
Для справки
. USB – это последовательный интерфейс, который используется для передачи данных. Для подключения дополнительных устройств используется четырехпроводной кабель. Два провода обеспечивают прием и передачу данных, два – питание дополнительного устройства. Главным недостатком USB является то, что разъемы со временем разбалтываются. В результате теряется контакт. При отрывании гнезд пользователям приходится заменять плату.
Способ 2
Переходник «USB — COM» можно спаять самостоятельно. Только стоит учесть, что описанное нами решение обеспечивает согласование только сигналов RX и TX. Другие модемные сигналы не задействуются. Приготовьте следующий набор деталей:
- 1 PL2303HX (USB-USART мост от Prolific)
- 1 MAX232CSE (UART-RS232)
- 1 Кварц 12.00 МГц
- 2 Конденсаторов 10 нФ (smd1206)
- 6 Конденсаторов 1 мкФ (smd1206)
- 2 Резистора 27Ом (smd1206)
- 1 Резистор 1.5КОм (smd1206)
- 1 Разъем mini-USB
- 1 Разеъем DB-9 папа
- 1 Фольгированный текстолит для платы 48*22мм
Вначале вам необходимо изготовить плату. Для этого просверливаем 4 отверстия и паяем необходимые детали.
В результате вы должны получить стандартный переходник. Во избежание окисления плату можно покрыть автомобильным или полиуретановым лаком.
31.7 KiB
521 Downloads
Как вариант, можно напаять временную перемычку
После установки драйверов проверяем работоспособность переходника. Для этого попробуйте замкнуть контакты 2 и 3 и запустить программу «Гипертерминал» (входим через ПУСК в ПРОГРАММЫ. Переходим в СТАНДАРТНЫЕ, выбираем СВЯЗЬ и ГИПЕРТЕРМИНАЛ)
. Далее обращаемся к любой поисковой системе и скачиваем гипертерминал или его аналог. В настройках соединения указываем новый сом-порт (в нашем случае это hyperterminal).
Настраиваем параметры порта (115200, 8, N(нет), 1, управление потоком отсутствует).
Для справки
. HyperTerminal – это специальная программа, которая включена в состав поставки ОС Windows. Она помогает открыть доступ к другим компьютерным устройствам через модем, последовательный порт либо с помощью протокола telnet. Если Гипертерминал отсутствует, то пользователи могут воспользоваться удаленной оболочкой Windows. Если вам необходимо устранить неполадки модема, то вместо Гипертерминала можно использовать «Телефон и модем». При отсутствии программы ее можно с легкостью найти в интернете и загрузить за несколько минут.
В данной статье приведена подборка схем, позволяющая собрать несложное, но крайне полезное устройство: переходник Com
.
Последовательный порт (RS-232), или как еще его называют COM-порт, предназначен для обмена информацией между компьютером и периферийными устройствами. Последовательным его назвали потому, что обмен данными по нему происходит бит за битом по одному.
Первоначально COM порт предназначался для соединения модема с компьютером. В дальнейшем к нему стали подключать мышь, сканер прочую периферию. Так же имеется возможность с помощью COM порта организовать прямое соединение двух компьютеров.
На сегодняшний день подавляющее большинство компьютеров не оснащаются RS-232 разъемом, поскольку широкое распространение получил стандарт USB. Но еще существуют многого внешних устройств работающих только с COM портом (различные программаторы, диагностическое оборудование, ресиверы и пр.). Выходом из данной ситуации является использование устройства переходник COM-USB. Ниже приведем несколько вариантов наиболее популярных схем данного переходника.
Полноценный переходник — COM адаптер для USB порта
на микросхеме FT8U232BM
Основа данной схемы является микросхема FT8U232BM — производителя FIDI Ltd . Устройство построенное по данной схеме поддерживает все сигнальные уровни (DCD, RX, TX, DTR, GND, DSR, RTS, CTS, RI) согласно распиновки COM порта.
Рабочее напряжение: 3,3…5,5 В, интерфейс: TX RX VCC GND…

Упрощенный вариант на FT8U232BM
Это схема упрощенного USB-COM адаптера, который поддерживает только сигнальные линии RX, TX, RTS, CTS RS232 интерфейса. Для согласования уровней com порта с цифровыми уровнями FT8U232BM в схему добавлена .
Схема переходника для COM с USB на PL2303
Следующая схема построена на микросхеме PL2303HX, которая является преобразователем интерфейса USB в RS232. Производитель PL2303HX — Тайваньская фирма Prolific . В данной схеме также используется приемо-передатчик MAX232, преобразующий сигналы RX, TX.
Для правильной работы необходимо установить драйвер для виртуального COM-порта. Для этого скачиваем и устанавливаем драйвер по нижеприведенной ссылке.
Затем настраиваем виртуальный порт: выставляем в окошке «управление потоком» — НЕТ. Затем выбираем свободный номер порта.
USB — COM переходник на микроконтроллере Attiny2313

Прошивку к переходнику, рисунок печатной платы (SMD и TH), а также программу терминал для проверки адаптера можно скачать по ниже приведенной ссылке:
При , фьюзы необходимо выставить следующим образом:
Для работы устройства необходимо установить драйвер виртуального COM порта. Для этого скачиваем его:
Теперь вставляем в USB порт компьютера наш адаптер, компьютер должен выдать сообщение «Найдено новое устройство», а затем предложит установить для него драйвер. Выбираем пункт «Установить с указанного места» и нажимаем на кнопку «Далее». Затем в новом окне выбираем путь к папке скаченного и распакованного драйвера и опять жмем кнопку «Далее». Спустя несколько секунд драйвер будет установлен и устройство будет готово к работе.
Для проверки работоспособности устройства, временно замыкаем Rx и Tx выводы и с программы терминала, так же находящегося в архиве, выставляем номер COM порта и отправляем любое сообщение. Для этого пишем например «Привет» и нажимаем кнопку «Send». Если переходник рабочий, то написанное сообщение появится в верхнем окне программы.
Переходник COM-USB на микроконтроллере Atmega8
Еще одна схема COM-USB адаптера теперь уже на микроконтроллере Atmega8 (Atmega48, Atmega88). Схема обеспечивает обработку Rx, Tx, DTR, RTS, CTS сигналов RS232 интерфейса. Драйвер виртуального порта для этой схемы такой же как и для переходника на attiny2313.
Прошивку для atmega8/48/88 и рисунок печатной платы можно скачать по следующей ссылке:
Фьюзы при программировании для atmega8/48/88:
Нуль модемный кабель очень нужная вещь в спутниковом хозяйстве. В первую очередь для прошивки спутниковых ресиверов. Но не всегда его можно купить вот и приходится делать самому.
Как я уже говорил 0-модемный кабель
нам пригодиться в первую очередь для пере прошивки спутниковых ресиверов. И если для этого можно использовать короткий, который проще купить, то для кардшаринга через компьютер почти всегда нужен длинный или очень длинный (делал до 15 м.) . А такой лучше спаять самому. Причем делается он довольно легко.
Как сделать самому нуль модемный кабель (RS232) шнур для прошивки тюнера своими руками
?
Нам понадобятся два разъемы DB-9F, паяльник, припой, кабель – витая пара, как по мне подходит в самый раз (можно и другой какой есть под рукой телефонный нормально), схемы и умелые руки.
Есть несколько вариантов подключения но чаще всего нужен кабель на три контакта. Ну а если такой не подойдет – тогда делаем полный на все контакты по соответствии с рисунками ниже.
Не полный ноль модемный кабель подходит почти всегда. Но и он имеет разновидности когда его контакты идут
Контакты 2 – 2 и 3 – 3 , 5 -5 прямой
Контакты 2 – 3 и 3 – 2 , 5 – 5 не прямой
Именно последний не прямой подходит чаще всего.
Распайка ком порта rs-232 в спутниковых ресиверах может иметь вид как “папы” так и “мамы”.
“Мамки” встречаются намного чаще так что советую делать с двумя “мамками” на концах.
Именно непрямой нуль-модемный кабель
с двумя мамка, и с расчетом справа-налево, подходит для прошивки большинства спутниковых ресиверов, или для шаринга.
Проблемы при «прошивке» ресиверов. Отсутствие COM порта. Использование ноутбука
В большинстве «старых» компьютеров и ноутбуков, приобретенных более 5лет назад, всегда было несколько COM портов (RS-232). По крайней мере, всегда был хотя бы один разъем «RS-232».
Рис. 1. Разъем на корпусе компьютера
К нему подключали различное внешнее оборудование: мыши, принтеры, модемы, специализированное оборудование. Поэтому проблем с подключением ресивера к компьютеру для «прошивки» не возникало. Достаточно было просто подключить, запустить программу для обновления ПО ресивера и спокойно сделать все необходимое.
В современных компьютерах разъем «RS-232» нередко отсутствует. Тут и возникают проблемы, зачастую весьма неприятные. В большинстве ресиверов нет иных способов «прошивки» кроме использования «RS-232». И «USB» вход для подключения внешнего флешь-накопителя есть не у всех ресиверов.
А иногда имеется и другая проблема: ноутбук имеет «COM» порт, но с ресиверами одной модели он работает, а с другими — нет. Это связано с нарушением производителем ноутбука стандарта передачи данных «RS-232». На это они идут в целях экономии энергии заряда аккумуляторной батареи. Если производитель ресивера был технически щепетилен и точен, то в ресивере будет установлена специальная микросхема для «COM» порта. Благодаря этой микросхеме ресивер будет работать и с ноутбуком, и с компьютером. Но установка микросхемы увеличивает общую стоимость изделия, а в последнее время производители экономят даже на этих мелочах! Поэтому и возникает проблема несовместимости ноутбуков и большинства ресиверов.
При использовании компьютера проблема отсутствия необходимых портов«RS-232» решается просто: необходимо приобрести дополнительный модуль с «COM» портами. Это плата, устанавливаемая в компьютер, называется «PIC-COM» или просто «плата СОМ портов».
Рис. 2. Плата PCI для компьютера с двумя «COM» портами
Если вы не сильны в компьютерах и ранее никогда не имели дело с установкой дополнительного оборудования в компьютер, то обратитесь к специалисту! Иначе можете «умертвить» дорогостоящее оборудование.
После установки платы в компьютер операционная система «Windows» — «ОС» присваивает новым установленным портам номер, например, «1», «2»…«25».
При использовании ноутбука обычную плату от компьютера установить нельзя: не тот стандарт и размер. Имеется два способа решения этой проблемы: дорогой, но качественный, и дешевый, но не полностью совместимый. В первом случае необходимо приобрести для ноутбука специальную плату с портами. Цена на эти платы высока, и приобрести, даже под заказ, эту плату мне не удалось.
Рис. 3. Плата для ноутбука с «COM» портом
И тут есть подвох: в «старых» и «новых» ноутбуках два разных стандарта для дополнительного оборудования! Перед приобретением сверьтесь с инструкцией к вашему ноутбуку!
Если же вы не могли приобрести плату на компьютер или ноутбук, то остается один выход: «USB». Практически во всех современных моделях компьютеров имеется «USB» выход, как минимум два, а то и все восемь! В продаже имеются различные преобразователи «USB — COM».
Рис. 4. Преобразователь «USB — COM»
Рис. 5. Схема преобразователя «USB — COM»
Как спаять Переходник USB-COM самостоятельно. Вариант — 1
Как сделать самому переходник USB-COM , который можно использовать для подключения конвертеров и прочих девайсов к компьютерам у которых нет «железного» COM-порта.
Внимание!
Переходник описанный ниже обеспечивает согласование только сигналов RX и TX.
Все прочие модемные сигналы не задействованы.
Большинству устройств, работающих без аппаратного управления потоком, этого более чем достаточно.
С конвертерами Pilot VAF/MAF переходник работает 100%
Поехали!
Для сборки вам потребуются следующие детали:
1. PL2303HX (USB-USART мост от Prolific)-1шт.
2. MAX232CSE (UART-RS232)-1шт.
3. Кварц 12.00 МГц-1шт.
4. Конденсаторы 10 нФ (smd1206)-2шт.
5. Конденсаторы 1 мкФ (smd1206)-6шт.
6. Резисторы 27Ом (smd1206) -2шт.
7. Резисторы 1.5КОм (smd1206)-1шт.
8. Разъем mini-USB -1шт.
9. Разеъем DB-9 папа – 1шт.
10. Фольгированный текстолит для платы 48*22мм – 1шт
Схема переходника
Печатная плата
Файлы схемы и печатки в формате Eagle PCB Editor можно скачать (cкачиваний: 791)
Сборка и настройка
Здесь собственно все элементарно — делаем плату, сверлим 4-ре отверстия и напаиваем все детальки.
В итоге у вас должен получиться вот такой вот переходничок:
Плату, чтобы не окислялась, можно задуть полиуретановым лаком или любым быстросохнущим автомобильным лаком, какой есть под рукой.
Далее этот девайс подключаем к порту USB компьютера.
Windows обнаружит новое устройство и попросит драйвера.
После скармливания винде драйвера, в системе должен появиться новый COM порт Prolific:
Теперь необходимо проверить работоспособность переходника
Для этого на переходнике в разъеме COM-порта, отверткой или проволочкой замыкаем между собой контакты 2 и 3 (на самом разъеме обычно выбиты цифры с номерами контактов – приглядитесь повнимательнее) Как вариант, можно напаять временную перемычку:
Запускаем программу «Гипертерминал» (Пуск->Программы->Стандартные->Связь->Гипертерминал)
На висте и семерке гипертерминала нет! Поэтому придется сходить в гугл/яндекс выкачать гипертерминал или любой его аналог.
Выбираем в настройках соединения наш новый сом-порт:
Теперь запускам соединение, выбираем английскую раскладку и пробуем чего-нибудь печатать.
На экране должны появиться символы нажимаемых клавиш:
Если буквы не появляются, то проверяйте монтаж
Вот собственно и все!
Теперь остается убрать перемычку с контактов 2-3 и можно пользоваться переходником по прямому назначению.
Т.е. в свободный разъем «USB» ноутбука подключается вход такого «преобразователя», с диска из комплекта устанавливается драйвер (программа управления) и в системных настройках появляется виртуальный COM порт с присвоенным порядковым номером.
Как спаять Переходник USB-COM самостоятельно. Вариант — 2
Рисунок 1. Общий вид
Предлагаемый блок в собранном виде позволяет реализовать принцип: купил – подключил. Устройство позволит пользователям персональных компьютеров подключить к USB-порту устройства, работающие от COM-порта (RS232C).
Ориентировочная розничная цена: 18$
Переходник будет полезен в практических приложениях: для подключения к персональному компьютеру различных устройств, а так же модемов и программаторов.
Технические характеристики
Напряжение питания от USB порта: 5 В.
Ток потребления: 20 мА.
Скорость соединения RS232C: 110-230000 бит/с
Интерфейс: USB1.1, USB2.0.
Поддерживаемые операционные системы: Win98, Win2000, WinXP, Vista, Linux и др.
Габаритные размеры устройства: 60×30 мм.
Комплект поставки
Блок переходника в сборе: 1.
Инструкция: 1.
Конструкция
Конструктивно переходник выполнен на двусторонней печатной плате из фольгированного стеклотекстолита, защищенной прозрачной термоусадочной трубкой.
Переходник обеспечивает все модемные сигналы: DSR, DTR, RTS, CTS, RI, DCD, а также основные сигналы RXD и TXD.
Рисунок 2. Схема электрическая принципиальная
Рисунок 3. Вид печатной платы со стороны деталей
Описание работы блока
Принципиальная электрическая схема приведена на рис 2.
Центральная часть устройства – микроконтроллер CP2102 производства SILICON LABORATORIES. В качестве микросхемы драйвера уровней применен преобразователь MAX3243 производства фирмы Texas Instruments. Переходник обеспечивает все модемные сигналы: DSR, DTR, RTS, CTS, RI, DCD, а также основные сигналы RXD и TXD.
Установка устройства в ОС
Для установки драйверов для компьютера следует сначала скачать соответствующий вашей операционной системе драйвер.
Далее инсталлируйте драйвер на свой персональный компьютер. Подключите переходник. Операционная система обнаружит его и «попросит» драйвер, следует указать ей месторасположение этого драйвера (то место, куда он был распакован).
После успешной установки на переходнике должен засветиться светодиод, сигнализирующий готовность устройства к работе!
Драйвер Вы можете скачать (cкачиваний: 537)
ПРОВЕРКА РАБОТОСПОСОБНОСТИ BM8050 БЕЗ ВНЕШНЕГО ОБОРУДОВАНИЯ
Для проверки передачи и приема всех необходимых модемных сигналов согласно подключения СОМ-устройства.
Установите перемычки на контакты 2-3, 4-6, 7-8 СОМ-разъема ВМ8050.
Соедините устройство c USB-портом ПК.
Посмотрите, какой порт ОС выделила для устройства, для чего войдите в Пуск — Настройка — Панель Управления — Система — Оборудование — Диспетчер Устройств — Порты (СОМ и LPT) — Silicon Labs CP210x USB to UART Bridge (COM1).
Запустите стандартное приложение HiperTerminal для Windows из Пуск — Программы — Стандартные — Связь — HiperTerminal.
Остановите запущенное подключение, если оно активно, для чего нажмите вверху Вызов — Остановить.
Посмотрите, какой порт используется программой для связи с устройством, для чего войдите слева вверху Файл — Свойства и напротив «Подключаться через» выберите такой же порт, как и в Диспетчере Устройств (в нашем случае COM1).
В этом же окне убедитесь, что выбрано управление потоком «Аппаратное» в программе, для чего нажмите кнопку в центре «Настроить» и в нижнем окне «Управление потоком» выберите «Аппаратное».
Выйдите из настройки программы, для чего нажмите ОК, еще раз ОК.
Напечатайте текст «Текст» в программе HiperTerminal, при этом на экране печатается текст «Текст», что подтверждает исправность устройства.
Снимите перемычки с контактов 2-3, 4-6, 7-8 СОМ-разъема ВМ8050.
Напечатайте текст «Текст» в программе HiperTerminal, при этом на экране печать отсутствует, что подтверждает исправность устройства.
Настройка драйвера и выбор порта для переходника USB-COM
Тут нас поджидают первые проблемы: во-первых, ОС могла присвоить виртуальному порту слишком большой номер, например,«25». А программа для «прошивки» ресивера позволяет работать с номерами портов от одного до четырех. Во-вторых, не все преобразователи «USB -COM» могут работать с программой для «прошивки» и самим ресивером. Причина в том, что производители оборудования по-разному изготовили свои изделия и программы к ним. Проверять все преобразователи необходимо индивидуально под вашу программу и ваш ресивер. Часто бывает, что с одним оборудованием преобразователь работает, а с другим- нет.
Если первая проблема устраняется изменением номера порта в настройках ОС, то проблему совместимости оборудования, программы и преобразователя устранить нельзя.
Для изменения присвоенного ОС номера необходимо изменить его вручную. Для этого необходимо войти в «Диспетчер устройств»: «Пуск» — «Настройка» -«Панель управления» — «Система».
«Панель управления»
В появившемся окне выбрать вкладку «Оборудование» и щелкнуть по кнопке «Диспетчер устройств». Откроется окно «Диспетчер устройств». В появившемся окне в древовидном списке выбрать строчку «Порты (COM и LPT). В раскрывшемся списке вы увидите все порты, имеющиеся в вашем компьютере. Выберите ваш виртуальный порт: «преобразователь «USB — COM». У меня преобразователь модели «Prolific».
Список имеющихся портов
Щелкните по этой строчке ПРАВОЙ кнопкой мыши, в открывшемся окне выберите стройку «Свойства».
Настройка выбранного порта
В появившемся окне выберите вкладку «Параметры порта». В строчке «Скорость» выберите «115200», затем щелкните по кнопке «Дополнительно».
Настройка параметров порта
В нижней части открывшегося окна найдите вкладку «Номер COM порта».
Изменение номера COM порта
Щелкните по вкладке и выберите необходимый номер COM порта.
Обратите внимание, что некоторые номера порта могут быть заняты уже имеющимся оборудованием, например, встроенным модемом. Использовать одновременно один порт нельзя!
После завершения настройки нажмите «ОК» для сохранения внесенных изменений и полностью выйдите из режима настроек, закрыв все ранее открытые окна. После этого перезагрузите компьютер для внесения необходимых изменений. Если же вы изменяли номер «COM» порта «USB — COM» преобразователя, то достаточно просто вынуть его из разъема компьютера и заново подключить.
Сначала пара слов про микросхему PL2303
. Существует 2 распространенных варианта данной микросхемы: новая(var D 2012 г.) и старая(var A 2004 г.). По Datasheet распиновка у них отличается, так что нужно смотреть, какая у вас версия микросхемы. Данная статья касается только старой версии микросхемы.
Вариант переходника с сопряжением уровней.
Микросхема PL2303 способна полностью заменить COM-порт, но я использую только контакты Tx и Rx. Остальные откидываю за ненадобностью. Схема данного переходника представлена на рисунке 1.
Для сопряжения уровней между USB и COM портом я использую микросхему MAX232. Эта микросхема нужна из-за того, что в классическом COM-порту логические уровни это +-12 вольт, а USB работает с уровнями 0-5 вольт.
Рисунок 1 — Схема переходника USB-COM-порт на микросхеме PL2303 с сопряжение уровней
Печатная плата этого переходника содержится в файлах к статье.
Вариант переходника без сопряжения уровней
Если нет необходимости в сопряжении уровней, можно отбросить часть схемы с микросхемой MAX232. После изменения получается схема представленная на рисунке 2. Данная вариация схемы хорошо подходит для подключения микроконтроллеров по UART (масса у микроконтроллера и переходника должна быть общая).
Рисунок 2 — Схема переходника USB-COM-порт на микросхеме PL2303 без сопряжения уровней
Печатная плата так же содержится в файлах к статье.
На рисунке 3 представлено готовое устройство. Хотя изначально плата была сделана для первого варианта, позже микросхема MAX232 была демонтирована за ненадобностью. Сейчас переходник успешно применяется для связи микроконтроллеров AVR c компьютером по UART.
Рисунок 3 — Фото готового устройства
Драйвер для микросхемы PL2303
За драйвером идем на сайт производителя и скачиваем последнюю версию драйвера. Ссылка на драйвер
Возможные проблемы
Проблема с драйвером, пишет «Запуск этого устройства невозможен. (Код 10)».
Есть два варианта решения:
1) установить старую версию драйвера. Скачать старый драйвер можно там же. У меня windows 10 и этот способ мне не очень помог.
2) скачать костыль к драйверу (лежит в файлах к статье.). Не помню откуда взял, но мне помогло. После скачивания:
- ser2pl.inf- правой кнопкой и установить
- Все скопировать в С:/Windows/System32/Drivers
Для проверки работоспособности переходника нужно замкнуть контакты Rx Tx и отправить в COM-порт какие-нибудь данные, данные должны вернуться. Для мониторинга СOM-порта я использую программу Advanced Serial Port Monitor
.
Список радиоэлементов
| Обозначение | Тип | Номинал | Количество | Примечание | Магазин | Мой блокнот |
|---|---|---|---|---|---|---|
| U1 | Преобразователь USB в RS-232 | PL2303 | 1 | В блокнот | ||
| U2 | ИС RS-232 интерфейса | MAX232 | 1 | если надо | В блокнот | |
| C1, C22 | Конденсатор | 22 пФ | 2 | В блокнот | ||
| C3, C88 | Конденсатор | 1 мкФ | 6 | В блокнот | ||
| R1, R2 | Резистор | 27 Ом | 2 | В блокнот | ||
| R3 | Резистор | 1.5 кОм | 1 |
Сначала пара слов про микросхему PL2303. Существует 2 распространенных варианта данной микросхемы: новая(var D 2012 г.) и старая(var A 2004 г.). По Datasheet распиновка у них отличается, так что нужно смотреть, какая у вас версия микросхемы. Данная статья касается только старой версии микросхемы.
Вариант переходника с сопряжением уровней.
Микросхема PL2303 способна полностью заменить COM-порт, но я использую только контакты Tx и Rx. Остальные откидываю за ненадобностью. Схема данного переходника представлена на рисунке 1.
Для сопряжения уровней между USB и COM портом я использую микросхему MAX232. Эта микросхема нужна из-за того, что в классическом COM-порту логические уровни это +-12 вольт, а USB работает с уровнями 0-5 вольт.
Рисунок 1 — Схема переходника USB-COM-порт на микросхеме PL2303 с сопряжение уровней
Печатная плата этого переходника содержится в файлах к статье.
Вариант переходника без сопряжения уровней
Если нет необходимости в сопряжении уровней, можно отбросить часть схемы с микросхемой MAX232. После изменения получается схема представленная на рисунке 2. Данная вариация схемы хорошо подходит для подключения микроконтроллеров по UART (масса у микроконтроллера и переходника должна быть общая).
Рисунок 2 — Схема переходника USB-COM-порт на микросхеме PL2303 без сопряжения уровней
Печатная плата так же содержится в файлах к статье.
На рисунке 3 представлено готовое устройство. Хотя изначально плата была сделана для первого варианта, позже микросхема MAX232 была демонтирована за ненадобностью. Сейчас переходник успешно применяется для связи микроконтроллеров AVR c компьютером по UART.
Рисунок 3 — Фото готового устройства
Драйвер для микросхемы PL2303
За драйвером идем на сайт производителя и скачиваем последнюю версию драйвера. Ссылка на драйвер
Возможные проблемы
Проблема с драйвером, пишет ‘Запуск этого устройства невозможен. (Код 10)’. Есть два варианта решения:
1) установить старую версию драйвера. Скачать старый драйвер можно там же. У меня windows 10 и этот способ мне не очень помог.
2) скачать костыль к драйверу (лежит в файлах к статье.). Не помню откуда взял, но мне помогло. После скачивания:
- ser2pl.inf- правой кнопкой и установить
- Все скопировать в С:/Windows/System32/Drivers
Для проверки работоспособности переходника нужно замкнуть контакты Rx Tx и отправить в COM-порт какие-нибудь данные, данные должны вернуться. Для мониторинга СOM-порта я использую программу Advanced Serial Port Monitor.
Список радиоэлементов
Скачать список элементов (PDF)
Теги:




Я собрал
0
0
x
Оценить статью
- Техническая грамотность
- Актуальность материала
- Изложение материала
- Полезность устройства
- Повторяемость устройства
- Орфография
Средний балл статьи: 0
Проголосовало: 0 чел.

















.gif)


























































.gif)




















































