Как простым способом настроить самодельный передатчик в резонанс, и измерить визуально его выходную мощность.Волномер на стрелочном индикаторе своими руками.
Видео Волномер для настройки самодельного УКВ ЧМ передатчика своими руками. канала Артем 83
Показать
В большинстве случаев, когда речь заходит об антеннах, люди представляют себе большие «тарелки», которые установлены за окном или на крыше дома. Однако стоит понимать, что это далеко не так. Дело в том, что размер антенны зависит от того, какую частоту и длину волны она будет ловить. Естественно, если вы хотите ловить сигнал спутника, чтобы транслировать несколько десятков телевизионных каналов, то вам понадобится большая антенна. Но далеко не всегда вам нужен такой сигнал. Именно поэтому и стоит рассмотреть такую вещь, как антенна 433 МГц. Это устройство сильно отличается от тех антенн, которые вы привыкли видеть на окнах и крышах. Оно является очень маленьким и, как уже можно заметить по названию, принимает не самые длинные волны сигнала. Зачем могут пригодиться такие волны? Большинство людей не обращают на них внимания, однако если вы любите наполнять свой дом различными предметами, работающими на дистанционном управлении, то вам определенно понадобится далеко не одна антенна 433 МГц. Если вы научитесь пользоваться их свойствами, то сможете создавать в своей квартире такие вещи, как радиорозетка или даже кормушка для домашнего питомца с дистанционным управлением. Заинтересованы? Тогда читайте статью далее, и вы узнаете, что представляет собой данная антенна, как ее использовать, где купить, а самое главное — как сделать ее собственными руками, если вы не хотите тратиться на покупку.
Что это за антенна?
Итак, в первую очередь необходимо разобраться с тем, что представляет собой антенна 433 МГц. Как вы уже могли понять, это устройство, которое позволяет вам настроить определенный прибор на конкретную частоту, чтобы затем взаимодействовать с ним. Установив антенну в конкретный прибор, вы сможете затем посылать ей сигнал на определенной частоте, чтобы активировать этот прибор и контролировать его. Это очень полезная функция в любом доме, так как вы сможете значительно упростить многие процессы. Однако далеко не каждый сможет проделать нечто подобное – вам нужно хорошо разбираться в данной сфере, чтобы настроить приборы на нужную частоту. Но если вы поставите перед собой цель, то достигнуть ее определенно сможете. Просто вам придется как следует постараться, и начать стоит с изучения именно этой антенны, так как она является одним из самых главных элементов. Вам определенно стоит знать, что антенна 433 МГц бывает трех типов: штыревой, спиральной и вытравленной на печатной плате. Чем они различаются? Какую лучше выбрать? Именно об этом и пойдет речь дальше. Вам предстоит узнать, что представляет собой каждая из этих антенн и понять, какая из них лучше всего подходит для вашей конкретной цели.
Штыревые антенны
Как может оказаться в вашем распоряжении антенна на 433 МГц? Своими руками сделать ее довольно просто, но также вы можете приобрести и готовую, которая обойдется вам немного дороже, но сэкономит немного времени. В любом случае вам сначала нужно определиться с тем, какой именно тип вы хотите получить. И первый тип, о котором пойдет речь, – это штыревая антенна. Ее основным преимуществом является то, что она имеет самые лучше технические характеристики по сравнению с остальными видами. Именно поэтому практически всегда люди делают выбор в ее пользу. Более того, ее сделать своими руками гораздо проще. Так что в целом это наилучшая антенна на 433 МГц, своими руками сделанная или же купленная в магазине. Однако при этом вам не стоит думать, что она идеальна. Если бы ситуация обстояла именно так, то потребности в других видах попросту не было бы. Именно поэтому необходимо отдельно рассмотреть недостатки, которые имеет этот вид антенн, чтобы вы были в курсе всех особенностей, прежде чем принимать решение о покупке.
Недостатки штыревых антенн
Первый недостаток, которым обладают штыревые направленные антенны 433 МГц, – это подверженность влиянию окружающей среды. Проблема заключается в очень сильном отражении и интерференции, которые возникают, если вы пытаетесь использовать антенну в закрытом помещении. Таким образом, она больше подходит для переносных приборов, а не для домашних бытовых приборов, так как в домах из-за малого количества пространства, препятствий в виде мебели и стен сигнал может искажаться, теряться и не доходить до целевого устройства. Так что в первую очередь вам стоит задуматься о том, с какой целью вы собираетесь использовать антенну, а затем уже принимать решение о ее покупке. Однако это не единственный недостаток штыревых антенн, которые изначально могли показаться идеальными. Оказывается, штырь в этой антенне должен быть практически (или полностью) параллельным заземленной пластине, на которой находится сама конструкция. Как вы легко можете понять, в небольших бытовых приборах это очень сложно реализовать. Поэтому вы уже могли сообразить, что штыревые направленные антенны 433 МГц лучше всего подходят для различных портативных приборов более-менее крупных размеров или же тех, на которых антенну можно установить снаружи. В домашних условиях использовать такие антенны не рекомендуется. Но чем же их тогда заменить? Насколько вы помните, существуют еще два вида таких антенн, так что пришло время обратить внимание на них.
Спиральные антенны
Проще всего вам дастся штыревая самодельная антенна на 433 МГц, однако, как вы уже могли заметить выше, она неидеальна. Поэтому стоит обратить внимание на другие виды, например, на спиральную антенну. Чем она отличается от штыревой? Во-первых, она также имеет неплохие технические характеристики, так что в этом плане вы можете использовать с полным спокойствием как первый, так и второй вид. Что же насчет помех? Оказывается, они у спиральной антенны также присутствуют в закрытых помещениях, причем иногда бывают даже более сильными, чем у штыревых. Поэтому остается взглянуть на последний параметр – компактность. Как вы помните, штыревые антенны из-за особенности конструкции должны либо размещаться на корпусе устройства, либо внутри него, но при этом внутри устройства должно быть довольно много свободного места, чего сложно добиться, когда речь идет о небольших бытовых приборах домашнего использования. И по этому параметру спиральная антенна обходит штыревую, потому что она является крайне компактной и позволит вам сделать радиоуправляемым практически каждый прибор в вашем доме. Естественно, самодельная направленная антенна 433 МГц, сделанная таким образом, займет у вас гораздо больше времени, но если вы собираетесь купить антенну, то вам определенно стоит взглянуть на спиральные версии, так как они могут вам пригодиться и очень сильно помочь.
Антенна на плате
Если вам нужна качественная компактная коллинеарная антенна на 433 МГц, то вам определенно стоит обратить внимание на этот вид, то есть на антенны, которые втравлены в плату. Это означает, что данный вид невозможно (или же очень сложно) сделать своими руками, поэтому рассматриваться они будут исключительно как покупные. В чем их преимущества перед описанными выше двумя типами? В первую очередь, они имеют неплохие характеристики. Конечно, не такие впечатляющие, как у предыдущих двух вариантов, однако достаточно хорошие для повседневного использования. Основным их преимуществом является компактность – такие антенны можно разместить абсолютно в любом устройстве. Но, как уже было сказано выше, основным их недостатком является то, что двухдиапазонная антенна 144-433 МГц на плате, сделанная своими руками – это нечто фантастическое. Именно поэтому далее этот вариант рассматриваться не будет по той причине, что оставшаяся часть статьи будет уделена созданию антенны своими руками. Насколько это сложно сделать? Что для этого понадобится? Обо всем этом вы узнаете далее.
Необходимые расчеты
Но если вы решились сделать антенну своими руками, то вам понадобится немало теоретических знаний по этой теме. Дело в том, что любое отклонение в процессе изготовления не позволит вам настроить антенну на прием конкретной частоты. Поэтому все должно выполняться очень точно, так что начинать всегда рекомендуется с расчетов. Сделать их не так сложно, потому что все, что вам нужно рассчитать, – это длина волны. Возможно, вы разбираетесь в физике, поэтому вам будет намного проще, так как вы будете понимать, о чем идет речь. Но даже если физика – это не самая сильная ваша сторона, вам не обязательно нужно понимать, что означает каждая переменная, чтобы провести необходимые расчеты. Итак, как же высчитывается длина антенны 433 МГц? Самое основное уравнение, которое вам нужно знать, – это то, которое позволит вам высчитать необходимую длину антенны. Для этого вам нужно сначала рассчитать длину волны, так как длина антенны составляет одну четвертую часть длины волны. Те люди, которые разбираются в физике, могут сами рассчитать необходимую длину волны для конкретной частоты: в данном случае это 433 МГц. Что необходимо сделать? Вам необходимо взять показатель скорости света, который является постоянным, а затем разделить его на необходимую вам частоту. В результате получается, что длина волны для данной частоты составляет около 69 сантиметров, но при такой детальной настройке лучше использовать более точные значения, поэтому стоит сохранить хотя бы два знака после запятой, то есть финальный результат – 69.14 сантиметра. Теперь необходимо разделить полученное значение на четыре, и получится четверть длины волны, то есть 17.3 сантиметра. Такой длины должна быть ваша J-антенна 433 МГц или любой другой вид, который вы захотите использовать. Помните, что независимо от типа, длина антенны должна оставаться неизменной.
Использование полученных данных
Теперь вам необходимо использовать данные, которые вы получили, на практике. Антенна 144-433 МГц может делаться различными способами, однако практическое применение теоретических сведений должно всегда быть одинаковым. О чем идет речь? Во-первых, вам необходимо всегда брать проволоку на несколько сантиметров длиннее, чем желаемая длина антенны. Почему? Дело в том, что в теории все получается довольно точно, однако на практике работать все будет далеко не всегда так, как вы планируете. Поэтому вам стоит всегда иметь некоторый запас на тот случай, если что-то пойдет не так или сигнал не будет ловиться на той частоте, на которой вы хотели. Всегда можно легко откусить проволоку в конкретном месте, когда вы определите необходимую длину. Во-вторых, вам стоит всегда помнить, что длина отсчитывается от того места, где проволока выходит из основания. Таким образом, полученные 17 сантиметров должны отсчитываться от основания вашей антенны. Чаще всего вам придется использовать немного более длинную проволоку, так как вам нужно будет запаять вашу антенну. Антенна 433 МГц штыревая тем лучше будет работать, чем больше вы штырей используете, поэтому вам стоит позаботиться о том, чтобы каждый из них был одинаковой длины.
Подготовка материалов
Итак, с теорией покончено, пришло время заняться практикой. А для этого вам нужно будет взять все, что вам понадобится для создания собственной антенны. В первую очередь, это проволока или прутья, которые будут составлять основную приемную часть вашей антенны. Во-вторых, вам понадобится основа для вашей антенны. Желательно, чтобы в ней было несколько отверстий, которые вы сможете использовать для крепления штырей. Если эти отверстий не будет, вам придется или просверливать дыры, или же паять прямо к прямому металлу, что не очень удобно и не позволит вам правильно подсчитать длину заранее. Поэтому используйте основание с готовыми отверстиями. Естественно, вам понадобятся и другие вещи, такие как, например, паяльник, однако об этом известно каждому, поэтому нет смысла перечислять все такие предметы.
Выполнение работ
В первую очередь вам нужно подготовить материал для дальнейшей работы. Для этого все штыри вам нужно зачистить, залудить и обработать флюсом. После этого вам нужно обрезать штыри до необходимой длины, но при этом не забывайте о том, чтобы оставить немного длины, чтобы затем подкорректировать готовый результат. Затем вам нужно браться за паяние – каждый из штырей необходимо запаять с обратной стороны антенны, а затем взять еще один, который будет крепиться к антенне. Его длина уже не играет роли, так как он будет исполнять функцию держателя и не будет отвечать за принятие сигнала. Его также нужно запаять, после чего вы уже можете полюбоваться на результат вашей работы.
Финальные шаги
Что ж, ваша антенна уже готова к использованию. Вам осталось лишь сделать финальные шаги. Обрежьте лишнюю длину штырей, чтобы сигнал принимался идеально. Если у вас есть термоусадка – используйте ее. И помните – это лишь один из примеров самодельной антенны. Вы можете сделать также и спиральную антенну, а штыревая антенна в вашем исполнении может выглядеть совершенно иначе. Однако расчеты для получения длины антенны актуальны в любом случае, да и шаги создания антенны собственными руками также будут отличаться лишь в деталях.
15.01.2017|
alexxlab|
Передатчик 433 мгц своими руками – RF РАДИОМОДУЛИ НА 433 МГЦ
О работе пультов и радиомодулей на 433 МГц
В сети можно найти массу примеров использования радиомодулей на 433 МГц совместно с Arduino. Обычно эти примеры ограничиваются чем-то вроде «а давайте подключим библиотеку VirtualWire, воспользуемся парой процедур из нее, и опа, все магическим образом работает». Само собой разумеется, меня такое положение дел не устраивает, потому что я хочу знать точно, как эти модули общаются с Arduino, и что именно они передают в эфир. Давайте же во всем разберемся!
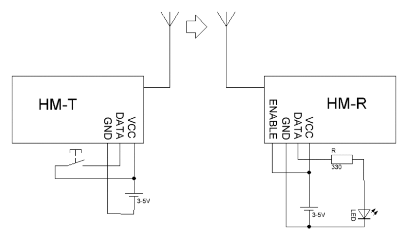
Так выглядят классические радиомодули на 433 МГц:
На фото слева находится передатчик, а справа — приемник. Модули осуществляют одностороннюю связь. Для двусторонней потребуется два приемника и два передатчика. На AliExpress комплект из двух передатчиков и двух приемников обойдутся вам в районе 2$ с доставкой, или даже дешевле.
Как ни странно, в пределах одной комнаты модули вполне сносно обмениваются данными без каких-либо антенн. Однако для лучшей работы антенны к ним лучше припаять. В качестве антенны можно использовать медный провод длиной 1/4 длины волны, то есть, в нашем случае, около 17 сантиметров. Это будет так называемая штыревая антенна. В качестве альтернативы можно использовать цилиндрические спиральные антенны. Они существенно короче штыревых антенн (4-15% длины волны), правда и радиус действия у них меньше. Как вы можете видеть по фото, я решил использовать штыревые антенны. Штыревая антенна и цилиндрическая спиральная антенна являются частными случаями монополя.
Fun fact! Существуют другие, но совместимые передатчики на 433 МГц, в частности раз и два. Кроме того, есть и альтернативный приемник. Но он не вполне совместим, так как на выходе всегда выдает какой-то сигнал, независимо от того, осуществляется ли реально сейчас передача, или нет.
Для своих экспериментов я также использовал купленный на eBay пульт от гаража с внутренним DIP-переключателем:
При некотором везении такие пульты все еще можно найти как на eBay, так и на AliExpress по запросу вроде «garage door opener 433mhz with dip switch». Но в последнее время их вытесняют «программируемые» пульты, умеющие принимать и копировать сигнал других пультов. Доходит вплоть до того, что продавцы высылают пульты без DIP-переключателя даже в случае, если он явно изображен на представленном ими фото и указан в описании товара. Полагаться на внешнюю схожесть пульта с тем, что использовал я, также не стоит. Впрочем, если вы решите повторить шаги из этой заметки, наличие или отсутствие DIP-переключателя не сыграет большой роли.
Модули крайне просто использовать в своих проектах:
Как приемник, так и передатчик, имеет пины VCC, GND и DATA. У приемника пин DATA повторяется дважды. Питаются модули от 5 В. На фото слева собрана схема, в который светодиод подключен к пину DATA приемника. Справа собрана схема с передатчиком, чей пин DATA подключен к кнопке и подтягивающему резистору. Плюс в обоих схемах используется стабилизатор LM7805. Проще некуда.
Fun fact! Один из способов угона автомобилей или кражи из них ценных вещей заключается в том, чтобы во время, когда водитель ставит автомобиль на сигнализацию, глушить несущую пульта от сигнализации, те самые 433 МГц. Водитель в спешке может на заметить, что машина не мигнула фарами, и оставить ее без сигнализации. Приведенная выше схема с приемником и светодиодом в сущности является вполне законченным устройством, определяющим, не глушит ли кто-нибудь соответствующие частоты.
При нажатии на кнопку светодиод загорается. Если посмотреть на сигнал, выдаваемый приемником, с помощью осциллографа, он будет выглядеть как-то так:
Вскоре после отпускания кнопки на какое-то время появляется, и затем исчезает, шум. Сказать по правде, мне этот эффект не совсем понятен. Он может возникать в результате дребезга контактов, либо просто потому что модули не рассчитаны на продолжительную передачу постоянного сигнала.
Если же попробовать понажимать кнопки на пульте, светодиод замигает. Осциллограмма при этом будет примерно следующей:
Можно заметить явное соответствие между полученным сигналом, и положением DIP-переключателей в пульте в сочетании с нажатой кнопкой. Это соответствие иллюстрирует следующая табличка, где точка представляет короткий сигнал на осциллограмме, а тире — длинный:
DIP Switch: 1 1 0 1 0 0 1 0
Замочек — — .. — .. .. — .. .. .. .. — .
Вверх — — .. — .. .. — .. .. .. — .. .
Квадратик — — .. — .. .. — .. .. — .. .. .
Вниз — — .. — .. .. — .. — .. .. .. .
Как видите, каждый бит информации передается дважды. К сожалению, на данном этапе нельзя с полной уверенностью сказать, то ли это особенность работы приемника, то ли пульт действительно так передает данные, например, для борьбы с помехами. Понять, что же действительно происходит в эфире, нам поможет Software-Defined Radio. Я лично использовал LimeSDR, но в данном конкретном случае подойдет, пожалуй, любая железка, в том числе и RTL-SDR. Тема SDR ранее подробно рассматривалась в заметке Начало работы с LimeSDR, Gqrx и GNU Radio.
Запишем сигнал при помощи Gqrx и откроем получившийся файл в Inspectrum:
Здесь мы видим такие же короткие и длинные сигналы, что нам показал осциллограф. Кстати, такой способ кодирования сигнала называется On-Off Keying. Это, пожалуй, самый простой способ передачи информации при помощи радиоволн, который только можно вообразить.
Используя GNU Radio, можно пойти чуть дальше, и построить зависимость амплитуды сигнала от времени. Соответствующий проект (исходники на GitHub):
Запускаем, и на Scope Plot видим:
Практически такой же сигнал, что нам показал осциллограф!
Как видите, копеечные радиомодули на 433 МГц дают нам огромный простор для творчества. Их можно использовать не только друг с другом, но и со многими другими устройствами, работающими на той же частоте. Можно вполне успешно использовать их в чисто аналоговых устройствах без какого-либо микроконтроллера, например, с таймером 555. Можно реализовывать собственные протоколы с чексуммами, сжатием, шифрованием и так далее, безо всяких ограничений, скажем, на длину пакета, как у NRF24L01. Наконец, модули прекрасно подходят для broadcast посылки сообщений.
А какие потрясающие применения этим радиомодулям приходят вам на ум?
Дополнение: Также вас могут заинтересовать посты Наблюдаем за самолетами при помощи RTL-SDR и ADS-B, Декодируем сигнал с OOK-модуляцией и паяем кликер и Изучаем сигналы NRF24L01 с помощью LimeSDR.
Метки: SDR, Беспроводная связь, Электроника.
eax.me
ДИСТАНЦИОННОЕ УПРАВЛЕНИЕ ПО РАДИОКАНАЛУ
Данное устройство позволяет управлять четырьмя нагрузками по радиоканалу. В качестве процессора используется PIC12F675. В нем залиты ключи активации для всех 4х каналов. В качестве радиомодулей применены дешевые FS1000A с несущей частотой 433 МГц.
Схема передатчика радиоуправления 433 МГц
Схема приемника радиоуправления 433 МГц
На схеме транзистор на выводе 7 контроллера показан для примера коммутации мощной нагрузки в ключевом режиме. Номера внутри «схемы МК» номера каналов управления. Переключатель используется для активации режима триггера. Во включенном состоянии — кратковременное нажатие на пульте активирует нагрузку и приемник удерживает ее до тех пор, пока не поступит следующее нажатие. Выключенное состояние — кратковременное нажатие кнопки на пульте — кратковременное включение нагрузки.
Все каналы независимы и можно использовать одновременно все. Устройство довольно легко повторяется. Дальность активации нагрузок по прямой видимости до 70 метров. Вся сложность при изготовлении заключается в прошивке микроконтроллера PIC12F675. Для прошивки использовал программу winpic800 и вот такой очень простой COM-программатор:
Схема COM-программатора для прошивки
Транзистор полевой BS170 заменил на 2N7000. Как программатор поведет себя с переходниками USB-COM не знаю.
При первом чтении МК ОБЯЗАТЕЛЬНО записываем или гравируем на чипе последние 4 символа в коде. До прошивки, открываем hex файл и добавляем в конец кода значения константы (4 символа — они разные для каждого МК). Это заводская константа, если ее не записывать, то можно выкинуть контроллера. Затем только прошиваем микроконтроллер. WinPic800 сама записывает значения константы и прошивает все правильно, но на всякий случай лучше записать их где-нибудь.
Прошивка написана товарищем «4uvak» с сайта «паяльник». Вот архив с файлами, в том числе на печатные платы. А вот готовое устройство дистанционного управления по радиоканалу:
Пульт ДУ упаковал так:
При изготовлении, прежде чем думать о том, что устройство не работает — проверьте, работают ли модули FS1000A. Провести испытание можно по этой схеме. Светодиод должен немного подмигивать при нажатии кнопки у передатчика.
Схема испытания модулей ДУ
Насчет антенн — это куски провода 0.5-1 мм в диаметре, длиной 16 см. Это как раз 1/4 волны с учетом коэффициента укорочения. В спираль антенны не советую закручивать, диаграмма направленности при этом будет не круговая, а похожа на штаны.
Где можно использовать такую штуку? Практически везде, где используется электричество. Самый простой вариант — в качестве нагрузки приемника реле использовать и коммутировать уже все что угодно, начиная от настольных ламп и утюгов, заканчивая компьютерами и замками. А можно и машинку на радиоуправлении сделать — команды ведь как раз четыре (^ v < >).
Автор прошивки 4uvak, сборка и испытание схемы BFG5000.
Форум
Обсудить статью ДИСТАНЦИОННОЕ УПРАВЛЕНИЕ ПО РАДИОКАНАЛУ
radioskot.ru
Четырехканальный программируемый радиобрелок 433 МГц
Все началось с того, что я захотел ходить на работу как белый человек. Иными словами, не через калитку для всех, а через автомобильные ворота с автоматикой Nice. Понимаю, абсурдно, но вот уж как есть.
Отчасти поэтому, отчасти от нечего делать, пошел на Aliexpress искать решение своей проблемы. А именно — обучаемого пульта, чтобы скопировать один из работающих брелков, и горя не знать.
В общем, это у меня так и не получилось, но зато брелки пригодились для управления светом дома.
Если честно, это уже второй комплект брелков. Первый оказался совершенно бесполезным, потому что я допустил стратегический просчет. Я не очень хорошо разбираюсь во всякой там воротно-гаражно-шлагбаумной автоматике, поэтому сначала попер напролом. И заказал обычные брелки с фиксированным жестко зашитым кодом.
Почему? Эти брелки — программируемые и жестко прошитые — выглядят одинаково, и я подумал, что китайцы, вероятно, сами не знают, что продают. Но когда получил заказ, то понял — знают.
Помимо того, что первые брелки оказались необучаемыми, их код нельзя было прописать в контроллере Nice FLO X1R. В общем, так у меня оказалась пара симпатичных брелков для ношения ключей.
Во второй раз я оказался умнее, и купил именно что обучаемые брелки. Пришли в спартанском виде: маленький желтый конвертик, в котором два брелка в индивидуальных целлофановых пакетиках.
Качество изготовления, по-моему, очень хорошее. Брелки довольно увесистые (26 г), из гладкого пластика (АБС, наверное) с металлической вставой и металлическим карабином для ключа или кольца с ключами. Серебристая окантовка — пластик. Еще плюс — сдвижная шторка, которая защищает кнопки от случайного нажатия. Дома, разумеется, не нужно, но для уличного применения — самое то.
Разбираются элементарно. Выкручиваем три самореза, разнимаем половинки корпуса, вынимаем серебристую окантовку, которая по совместительству фиксирует плату.
Батарейка уже внутри, что само по себе приятно.
mysku.me
Урок 26.6 Соединяем две arduino по радиоканалу 433 МГц
При создании некоторых проектов, требуется разделить выполняемые задачи между несколькими arduino.
В этом уроке мы научимся соединять две Arduino по радиоканалу, на частоте 433,920 МГц, используя радио модули FS1000A и MX-RM-5V, на расстоянии до 100 м. Данное расстояние можно увеличить, припаяв антенны к передатчику (FS1000A) и приёмнику (MX-RM-5V), см. схему подключения.
Преимущества:
- Отсутствие проводов между Arduino.
- Простота подключения. Рассматриваемые модули, в отличии от nRF24L01+, питаются от напряжения 5 В.
- Доступность. Радио модули выпускаются множеством производителей, в различном исполнении и являются взаимозаменяемыми.
Недостатки:
- На частоте 433,920 МГц работают множество других устройств (радио люстры, радио розетки, радио брелки, радио модели и т.д.), которые могут «глушить» передачу данных между радио модулями.
- Отсутствие обратной связи. Модули разделены на приёмник и передатчик. Таким образом, в отличии от модуля nRF24L01+, приемник не может отправить передатчику, сигнал подтверждения приёма.
- Низкая скорость передачи данных, до 5 кбит/сек.
- Приёмник MX-RM-5V критичен даже к небольшим пульсациям на шине питания. Если Arduino управляет устройствами вносящими даже небольшие, но постоянные, пульсации в шину питания (сервоприводы, LED индикаторы, ШИМ и т.д.), то приёмник расценивает эти пульсации как сигнал и не реагирует на радиоволны передатчика. Влияние пульсаций на приёмник можно снизить одним из способов:
- Использовать, для питания Arduino, внешний источник, а не шину USB. Так как напряжение на выходе многих внешних источников питания контролируется или сглаживается. В отличии от шины USB, где напряжение может существенно «проседать».
- Установить на шине питания приёмника сглаживающий конденсатор.
- Использовать отдельное стабилизированное питание для приёмника.
- Использовать отдельное питание для устройств вносящих пульсации в шину питания.
Нам понадобится:
Для реализации проекта нам необходимо установить библиотеки:
- Библиотека iarduino_RF433 (для работы с радио модулями FS1000A и MX-RM-5V).
- Библиотека iarduino_4LED, (для работы с Trema четырехразрядным LED индикатором).
О том как устанавливать библиотеки, Вы можете ознакомиться на странице Wiki — Установка библиотек в Arduino IDE.
Антенна:
Первый усилитель любого приёмника и последний усилитель любого передатчика, это антенна. Самая простая антенна — штыревая (отрезок провода определённой длины). Длина антенны (как приёмника, так и передатчика), должна быть кратна четверти длины волны несущей частоты. То есть, штыревые антенны, бывают четвертьволновые (L/4), полуволновые (L/2) и равные длине волны (1L).
Длинна радиоволны вычисляется делением скорости света (299’792’458 м/с) на частоту (в нашем случае 433’920’000 Гц).
L = 299’792’458 / 433’920’000 = 0,6909 м = 691 мм.
Таким образом длина антенн для радио модулей на 433,920 МГц может быть: 691 мм (1L), 345 мм (L/2), или 173 мм (L/4). Антенны припаиваются к контактным площадкам, как показано на схеме подключения.
Видео:
Схема подключения:
Радиопередатчик подключён к выводу D12 (можно подключить к любому выводу Arduino). Радиоприёмник подключён к выводу D2 (при работе с библиотекой iarduino_RF433, его можно подключить только к выводам использующим внешние прерывания). Trema четырехразрядный LED индикатор подключён к цифровым выводам D6 и D7 (можно подключить к любым выводам Arduino). Светодиод подключён к цифровому выводу D11 (для изменения яркости нужны выводы, которые используют ШИМ). Trema потенциометр и слайдер подключены к аналоговым входам A1 и A0 (можно подключить к любым аналоговым входам).
У радиоприёмника имеются два выхода DATA, они электрически соединены между собой, так что Вы можете использовать любой выход.
Приёмник MX-RM-5V критичен даже к небольшим пульсациям на шине питания (см. раздел недостатки).
Для питания Arduino, используйте внешний источник питания, а не шину USB.
Библиотека iarduino_RF433 (а также библиотеки RemoteSwitch и RCSwitch), в отличии от библиотеки VirtualWire, использует не аппаратный таймер, а внешнее прерывание. Это даёт возможность использовать другие библиотеки использующие первый аппаратный таймер и использовать любые выводы ШИМ, но радиоприёмник можно подключить только к тем выводам, которые используют внешнее прерывание:
| Плата Arduino | Выводы использующие внешнее прерывание |
|---|---|
| Uno, ProMini, Nano, Ethernet | 2, 3 |
| Leonadro, Micro | 2, 3, 0, 1, 7 |
| Mega 2560 | 2, 3, 18, 19, 20, 21 |
| Due | Любые выводы |
Алгоритм работы:
Передатчик:
При старте (в коде setup) скетч настраивает работу радиопередатчика, указывая скорость передачи данных и номер трубы. После чего, постоянно (в коде loop), считывает показания с Trema потенциометра и Trema слайдера, сохраняя их в массив data, и отправляет его радиопередатчику.
Приёмник:
При старте (в коде setup) скетч настраивает работу радиоприёмника, указывая те же параметры что и у передатчика, а также инициирует работу с LED индикатором. После чего, постоянно (в коде loop), проверяет нет ли в буфере данных, принятых радиоприёмником. Если данные есть, то они читаются в массив data, после чего значение 0 элемента (показания Trema слайдера) выводится на LED индикатор, а значение 1 элемента (показания Trema потенциометра) преобразуются и используется для установки яркости светодиода.
Код программы:
Передатчик:
lesson.iarduino.ru
Жучок на 100-433 МГц на полевом транзисторе
Отличная схема на полевом транзисторе. Показала хорошую стабильность, низкое потребление и очень неплохую чувствительность по звуку. Не содержит дефицитных деталей, легко повторяется.
Приблизительная дальность действия — 150-200 м (в диапазоне 100 МГц чуть меньше — 50-100 м). Это на хороший приемник, само собой. Несущая чистая, без паразитных излучений, хорошая акустическая чувствительность.
Почти все радиодетали — SMD типоразмера 0805. Катушка L1 представляет собой 4.5-5.5 витков провода 0.4-0.5 мм, намотанные на оправке диаметром 4 мм.
Принципиальная схема:
Варианты печатных плат:
Внимание! Схема капризна к качеству монтажа и разводке печатной платы. Чтобы не наступать не чужие грабли, используйте уже проверенную печатку и тщательно смывайте весь флюс. Два проверенных варианты печатных плат можно скачать по этой ссылке. Платы созданы в программе Sprint Layout.
Рабочая частота задается параметрами контура L1, C6, C7 (на схеме указаны номиналы для частоты ~100 МГц).
Для повышения рабочей частоты до 400-433 МГц необходимо использовать следующие номиналы: С6 — 6,8 пФ, С7 — 18 пФ, L1 — 2,5 вит провода 0,4-0,5 мм на оправке 2мм, связь с варикапом С5 — 2,2…3,3 пФ. Также имеет смысл уменьшить ёмкость между антенной и стоком до 1-3 пФ.
Микрофон любой миниатюрный электретный (от домофона, китайских магнитол и прочего).
Минус, как правило, соединен с корпусом. Проверять микрофоны следует «продувкой»: включить тестер в режиме измерения сопротивления и подуть в микрофон, если сопротивление меняется, значит он рабочий.
Если есть микрофон от старого телефона Самсунга С100, то берите его — получите очень нехилую чувствительность радиомикрофона (будет слышно каждый шорох).
В качестве антенны — кусок провода длиной в четверть длины волны (на 100 МГц ~70 см, на 400 МГц ~19 см).
Варикап ВВ135 можно заменить на ВВ134. Также можно использовать ВВ133, но тогда придется уменьшить емкость связи с варикапом (на 400 МГц поставить 1,5-2,2 пФ, а на 100 МГц — 5,6-6,8 пФ). Иначе будет перемодуляция.
Транзистор BC847 можно заменить на аналоги: BC846, BC850, MMBTA05, MMBTA06, MMBTA42. Цоколевка у них у всех одна и та же.
Батарейки CR2032 хватает приблизительно на 6-8 часов непрерывной работы (потребляемый схемой ток — 2,5-4 мА). Литий-ионного аккумулятора от мобильника хватит на несколько недель работы.
Радиомикрофон собирается на плате из двустороннего стеклотекстолита толщиной 1.5 мм. Необходимо соединить «землю» с обеих сторон через сквозные отверстия в плате (чем больше, тем лучше). Для уменьшения влияния окружающих предметов на частоту жучка, элементы монтажа можно закрыть экраном высотой 4-6 мм из луженой жести. Для повышения стабильности и увеличения излучаемой мощности для намотки катушки L1 рекомендуется использовать посеребрённый провод.
Собранные радиомикрофоны:
Повторяемость устройства очень хорошая, при правильном и качественном монтаже начинает работать сразу. Нужно только подстроить частоту путем растяжения/сжатия витков катушки L1. Больше никаких настроек не требуется.
Если не заработало — ищите ошибки в монтаже, сопли в пайке, неисправные или не туда запаянные детали. Вполне возможно, что схема работает, просто сигнал не попадает в диапазон вашего приемника. Тут вам очень бы пригодился индикатор поля (волномер).
electro-shema.ru
Отличная схема на полевом транзисторе. Показала хорошую стабильность, низкое потребление и очень неплохую чувствительность по звуку. Не содержит дефицитных деталей, легко повторяется.
Приблизительная дальность действия — 150-200 м (в диапазоне 100 МГц чуть меньше — 50-100 м). Это на хороший приемник, само собой. Несущая чистая, без паразитных излучений, хорошая акустическая чувствительность.
Почти все радиодетали — SMD типоразмера 0805. Катушка L1 представляет собой 4.5-5.5 витков провода 0.4-0.5 мм, намотанные на оправке диаметром 4 мм.
Принципиальная схема:
Варианты печатных плат:
Внимание! Схема капризна к качеству монтажа и разводке печатной платы. Чтобы не наступать не чужие грабли, используйте уже проверенную печатку и тщательно смывайте весь флюс. Два проверенных варианты печатных плат можно скачать по этой ссылке. Платы созданы в программе Sprint Layout.
Рабочая частота задается параметрами контура L1, C6, C7 (на схеме указаны номиналы для частоты ~100 МГц).
Для повышения рабочей частоты до 400-433 МГц необходимо использовать следующие номиналы: С6 — 6,8 пФ, С7 — 18 пФ, L1 — 2,5 вит провода 0,4-0,5 мм на оправке 2мм, связь с варикапом С5 — 2,2…3,3 пФ. Также имеет смысл уменьшить ёмкость между антенной и стоком до 1-3 пФ.
Микрофон любой миниатюрный электретный (от домофона, китайских магнитол и прочего).
Минус, как правило, соединен с корпусом. Проверять микрофоны следует «продувкой»: включить тестер в режиме измерения сопротивления и подуть в микрофон, если сопротивление меняется, значит он рабочий.
Если есть микрофон от старого телефона Самсунга С100, то берите его — получите очень нехилую чувствительность радиомикрофона (будет слышно каждый шорох).
В качестве антенны — кусок провода длиной в четверть длины волны (на 100 МГц ~70 см, на 400 МГц ~19 см).
Варикап ВВ135 можно заменить на ВВ134. Также можно использовать ВВ133, но тогда придется уменьшить емкость связи с варикапом (на 400 МГц поставить 1,5-2,2 пФ, а на 100 МГц — 5,6-6,8 пФ). Иначе будет перемодуляция.
Транзистор BC847 можно заменить на аналоги: BC846, BC850, MMBTA05, MMBTA06, MMBTA42. Цоколевка у них у всех одна и та же.
Батарейки CR2032 хватает приблизительно на 6-8 часов непрерывной работы (потребляемый схемой ток — 2,5-4 мА). Литий-ионного аккумулятора от мобильника хватит на несколько недель работы.
Радиомикрофон собирается на плате из двустороннего стеклотекстолита толщиной 1.5 мм. Необходимо соединить «землю» с обеих сторон через сквозные отверстия в плате (чем больше, тем лучше). Для уменьшения влияния окружающих предметов на частоту жучка, элементы монтажа можно закрыть экраном высотой 4-6 мм из луженой жести. Для повышения стабильности и увеличения излучаемой мощности для намотки катушки L1 рекомендуется использовать посеребрённый провод.
Собранные радиомикрофоны:


Повторяемость устройства очень хорошая, при правильном и качественном монтаже начинает работать сразу. Нужно только подстроить частоту путем растяжения/сжатия витков катушки L1. Больше никаких настроек не требуется.
Если не заработало — ищите ошибки в монтаже, сопли в пайке, неисправные или не туда запаянные детали. Вполне возможно, что схема работает, просто сигнал не попадает в диапазон вашего приемника. Тут вам очень бы пригодился индикатор поля (волномер).
433/315 МГц, вы узнаете из этого небольшого обзора. Эти радиомодули обычно продают в паре — с одним передатчиком и одним приемником. Пару можно купить на eBay по $4, и даже $2 за пару, если вы покупаете 10 штук сразу.
Большая часть информации в интернете обрывочна и не очень понятна. Поэтому мы решили проверить эти модули и показать, как получить с их помощью надежную связь USART -> USART.
Распиновка радиомодулей
В общем, все эти радиомодули имеют подключение 3 основных контакта (плюс антенна);
Передатчик
- Напряжение vcc (питание +) 3В до 12В (работает на 5В)
- GND (заземление -)
- Приём цифровых данных.
Приемник
- Напряжение vcc (питание +) 5В (некоторые могут работать и на 3.3 В)
- GND (заземление -)
- Выход полученых цифровых данных.
Передача данных
Когда передатчик не получает на входе данных, генератор передатчика отключается, и потребляет в режиме ожидания около нескольких микроампер. На испытаниях вышло 0,2 мкА от 5 В питания в выключенном состоянии. Когда передатчик получает вход каких-то данных, он излучает на 433 или 315 МГц несущей, и с 5 В питания потребляет около 12 мА.
Передатчик можно питать и от более высокого напряжения (например 12 В), которое увеличивает мощность передатчика и соответственно дальность. Тесты показали с 5 В питанием до 20 м через несколько стен внутри дома.
Приемник при включении питания, даже если передатчик не работает, получит некоторые статические сигналы и шумы. Если будет получен сигнал на рабочей несущей частоте, то приемник автоматически уменьшит усиление, чтобы удалить более слабые сигналы, и в идеале будет выделять модулированные цифровые данные.
Важно знать, что приемник тратит некоторое количество времени, чтобы отрегулировать усиление, так что никаких «пакетов» данных! Передачу следует начинать с «вступления» до основных данных и затем приемник будет иметь время, чтобы автоматически настроить усиление перед приёмом важных данных.
Тестирование RF модулей
При испытаниях обоих модулей от +5В источника постоянного тока, а также с 173 мм вертикальной штыревой антенной. (для частоты 433,92 МГц это «1/4 волны»), было получено реальных 20 метров через стены, и тип модулей не сильно влияет на эти тесты. Поэтому можно предположить, что эти результаты типичны для большинства блоков. Был использован цифровой источник сигнала с точной частотой и 50/50 скважностью, это было использовано для модуляции данных передатчика.
Обратите внимание, что все эти модули, как правило, стабильно работают только до скорости 1200 бод или максимум 2400 бод серийной передачи, если конечно условия связи идеальные (высокий уровень сигнала).
Выше показан простой вариант блока для последовательной передачи информации микроконтроллеру, которая будет получена с компьютера. Единственное изменение — добавлен танталовый конденсатор 25 В 10 мкф на выводы питания (Vcc и GND) на оба модуля.
Вывод
Множество людей используют эти радиомодули совместно с контроллерами Arduino и другими подобными, так как это самый простой способ получить беспроводную связь от микроконтроллера на другой микроконтроллер, или от микроконтроллера к ПК.
Обсудить статью RF РАДИОМОДУЛИ НА 433 МГЦ
Сигнал с микрофона, усиленный транзистором VT1, через резистор R4 подается на варикап VD1, который служит для модуляции кварцевого генератора, построенного на VT2. Модуляция производится затягиванием частоты кварца ZQ1 варикапом, емкость которого изменяется в такт входным сигналам. Рабочая точка варикапа определяется резистором R2. Катушка L1 компенсирует емкость варикапа в режиме отсутствия модуляции.
Выходной контур генератора L2C3 настроен на первую гармонику кварца 54 МГц. Каскад удвоения частоты, собранный на транзисторе VT3, работает по схеме с общей базой и индуктивно связан через катушку L3. Колебательный контур L4C6 в цепи коллектора транзистора настроен на частоту 108 МГц. Раскачку транзистора VT3 можно регулировать с помощью подстроечника катушек L2L3. Этот каскад одновременно работает и в качестве оконечного усилителя, работая в режиме С, а гармоника колебательного контура L4C6 управляет работой выходной цепи которая умножает частоту раскачки до 432 МГц. Умножение частоты в последнем каскаде производят с помощью варикапа VD2, работающего при связи по току (параллельное включение), который устанавливают в согласную цепочку. Такая схема обеспечивает КПД порядка 55% и не требует жесткого выдерживания номиналов элементов.
Последовательный колебательный контур C8L5, настроенный на частоту 108 МГц, обеспечивает эффективную раскачку варикапа и за счет этого повышает КПД схемы. Сопротивление шунтирующего резистора R10 определяет рабочую точку варикапа, через него проходит ток, выпрямленный при детектировании. Его сопротивление, составляющее 30….200 кОм, подбирают опытным путем.
При помощи LC — цепочки L6C9 контур Целлера, настроенный на частоту 324 МГц, согласуются с выходом каскада, где происходит смешение частот, приводящее к суммированию и вычитанию высших гармоник. В результате дополнительно к составляющей высшей гармоники 4*f2-432 МГц образуется дополнительная составляющая f2+3f2=108+324=432 МГц, что еще больше повышает КПД выходной цепи. Необходимая высшая гармоника 432 МГц отфильтровывается цепочкой L7C10C11 и подается в антенну.
Настройка передатчика требует довольно большего терпения. Все контуры выходной цепи оказывают взаимное влияние на согласование и резонансные частоты друг друга. Чтобы оптимально настроить передатчик, все конденсаторы должны быть переменными, при этом можно использовать абсорбционный волномер, индикаторную лампочку (2,5 В, 0,7 А) с катушкой связи (2 витка) и измеритель напряженности поля. Настройка оконечного каскада должна выявить отсутствие каких либо скачков (потребляемого тока, напряженности поля), которые являются признаком присутствия нежелательных колебаний. Резонансы во всех точках должны быть устойчивыми.
Посредством оптимальной настройки выходной цепи получают максимальную мощность высшей гармоники. При этом варикап не должен быть перегружен термически и по напряжению. Нагрузка варикапа должна составлять максимум 30% мощности насыщения.
В качестве варикапа VD2 желательно использовать приборы типа КВ901, КВ102, КВ104, КВ107, КВ110. Антенна кусок многожильного провода длинной 170 мм.
Катушка L1 имеет 15 витков провода ПЭВ 0,25 мм, намотанных на оправе 4 мм. Катушка L2 имеет 5 витков такого же провода, намотанных на каркасе диаметром 6 мм, поверх нее наматывают катушку L3 — 2 витка провода 0,25 мм. Внутрь каркаса вставлен ферритовый сердечник. Катушки L4, L5 имеют 3,5 и 7 витков соответственно, намотанных посеребренным проводом диаметром 0,36 мм на оправках диаметром 6 мм. Катушки L6, L7 имеют 3,5 и 2 витка соответственно, намотанных посеребренным проводом диаметром 0,56 мм на оправках диаметром 6 мм.
Список радиоэлементов
| Обозначение | Тип | Номинал | Количество | Примечание | Магазин | Мой блокнот |
|---|---|---|---|---|---|---|
| VT1 | Биполярный транзистор | КТ315А | 1 | В блокнот | ||
| VT2, VT3 | Биполярный транзистор | КТ368А | 2 | В блокнот | ||
| VD1 | Варикап | КВ110А | 1 | В блокнот | ||
| VD2 | Варикап | КВ102А | 1 | В блокнот | ||
| VD3 | Стабилитрон | КС156А | 1 | В блокнот | ||
| С1 | Конденсатор | 0.1 мкФ | 1 | В блокнот | ||
| С2 | Конденсатор | 0.01 мкФ | 1 | В блокнот | ||
| С3 | Конденсатор | 22 пФ | 1 | В блокнот | ||
| С4 | Конденсатор | 100 пФ | 1 | В блокнот | ||
| С5 | Конденсатор | 1000 пФ | 1 | В блокнот | ||
| С6, С8, С9, С11 | 4-20 пФ | 4 | В блокнот | |||
| С7 | Конденсатор | 2.2 пФ | 1 | В блокнот | ||
| С101 | Конденсатор переменной емкости | 3-12 пФ | 1 | В блокнот | ||
| R1 | Резистор | 3 кОм | 1 | В блокнот | ||
| R2 | Резистор | 220 кОм | 1 | В блокнот | ||
| R3, R4, R10 | Резистор | 100 кОм | 3 | В блокнот | ||
| R5 | Резистор | 390 Ом | 1 | В блокнот | ||
| R6 | Резистор | 10 кОм | 1 | В блокнот | ||
| R7 | Резистор | 3.9 кОм | 1 | В блокнот | ||
| R8 | Резистор |
Принципиальная схема системы радиоуправления, построенной на основе телефона-трубки, рабочая частота — 433МГц. В конце 90-х были очень популярны телефоны-трубки, да и сейчас они повсюду продаются. Но, сотовая связь болееудобна и сейчас повсеместно вытесняет стационарную.
Купленные когда-то телефонные аппараты становятся ненужными. Если так образовался ненужный, но исправный телефон-трубка с переключателем «тон/пульс», на его основе можно сделать систему дистанционного управления.
Чтобы телефон-трубка стал генератором DTMF-кода нужно его переключить в положение «тон» и подать на него питание, достаточное для нормальной работы его схемы тонального набора. Затем, с него подать сигнал на вход передатчика.
Принципиальная схема
На рисунке 1 показана схема передатчика такой системы радиоуправления. Напряжение на телефон-трубку ТА подается от источника постоянного тока напряжением 9V через резистор R1, который является в данном случае нагрузкой схемы тонального набора ТА. Когда нажимаем кнопки на ТА на резисторе R1 присутствует переменная составляющая сигнала DTMF.
С резистора R1 НЧ сигнал поступает на модулятор передатчика. Передатчик состоит из двух каскадов. На транзисторе VТ1 выполнен задающий генератор. Его частота стабилизирована резонатором на ПАВ на 433,92МГц. На этой частоте и работает передатчик.
Рис. 1. Принципиальная схема передатчика на 433МГц к телефонной трубке-номеронаберателю.
Усилитель мощности выполнен на транзисторе VТ2. Амплитудная модуляция осуществляется в этом каскаде, путем смешения сигнала ЗЧ с напряжением смещения, поступающим на базу транзистора. НЧ-сигнал DTMF кода с резистора R1 поступает в цепь создания напряжения на базе VТ2, состоящую из резисторов R7, R3 и R5.
Конденсатор С3 совместно с резисторами образует фильтр, разделяющий РЧ и НЧ. Нагружен усилитель мощности на антенну через П-образный фильтр C7-L3-C8.
Чтобы радиочастота с передатчика не проникала в схему телефонного аппарата питание на него подается через дроссель L4, заграждающий путь РЧ сигналу. Приемный тракт (рисунок 2) сделан по сверхрегенеративной схеме. На транзисторе VТ1 выполнен сверхрегенеративный детектор.
УРЧ нет, сигнал от антенны поступает через катушку связи L1. Принятый и продетектированный сигнал выделяется на R9, входящем в состав делителя напряжения R6-R9, создающего среднюю точку на прямом входе ОУ А1.
Основное усиление НЧ происходит в операционном усилителе А1. Его коэффициент усиления зависит от сопротивления R7 (при налаживании им можно корректировать усиление до оптимального). Затем через резистор R10, которым регулируется уровень продетектирован-ного сигнала, DTMF — код поступает на вход микросхемы А2 типа КР1008ВЖ18.
Схема декодера DTMF-кода на микросхеме А2 почти не отличается от типовой, разве что, используется только три разряда выходного регистра. Полученный в результате декодирования трехразрядный двоичный код поступает на десятичный дешифратор на мультиплексоре К561КП2. И далее, — на выход. Выходы обозначены соответственно номерам, которыми подписаны кнопки.
Рис. 2. Схема приемника радиоуправления с частотой 433МГц и с дешифратором на К1008ВЖ18.
Чувствительность входа К1008ВЖ18 зависит от сопротивления R12 (вернее, от соотношения R12/R13).
При приеме команды логическая единица возникает на соответствующем выходе.
В отсутствие команды выходы находятся в высокоомном состоянии, кроме выхода, соответствующего последней полученной команде, — на нем будет логический ноль. Это необходимо учесть при выполнении схемы подлежащей управлению. В случае необходимости все выходы можно подтянуть к нулю постоянными резисторами.
Детали
Антенна представляет собой проволочную спицу длиной 160 мм. Катушки L1 и L2 передатчика (рис. 1) одинаковые, они имеют по 5 витков ПЭВ-2 0,31, бескаркасные, внутренним диаметром 3 мм, намотаны виток к витку. Катушка L3 — такая же, но намотана с шагом в 1 мм.
Катушка L4 — готовый дроссель на 100 мкГн или больше.
Катушки приемника (рис.2) L1 и L2 при монтаже расположены вплотную друг к другу, на общей оси, так как будто бы одна катушка является продолжением другой. L1 — 2,5 витка, L2 — 10 витков, ПЭВ 0,67, внутренний диаметр намотки 3 мм, каркаса нет. Катушка L3 — 30 витков провода ПЭВ 0,12, она намотана на постоянном резисторе МЛТ-0,5 сопротивлением не менее 1М.
Шатров С. И. РК-2015-10.
Литература: С. Петрусь. Радиоудлинитель ИК ПДУ спутникового тюнера, Р-6-200.
MP433PRO — Комплект беспроводного приемника и передатчика большой дальности 433 мГц купить в Мастер Кит. Драйвер, программы, схема, отзывы, инструкция, своими руками, DIY
У нас Вы можете купить Мастер Кит MP433PRO — Комплект беспроводного приемника и передатчика большой дальности 433 мГц: цена, фото, DIY, своими руками, технические характеристики и комплектация, отзывы, обзор, инструкция, драйвер, программы, схема
Мастер Кит, MP433PRO, Комплект беспроводного приемника и передатчика большой дальности 433 мГц, цена, описание, фото, купить, DIY, своими руками, отзывы, обзор, инструкция, доставка, драйвер, программы, схема
https://сайт/shop/1923380
Простое решение для вашей задачи!
Есть в наличии
Купить оптом
Набор беспроводного приемника и передатчика диапазона 433 мГц. Предназначен для построения беспроводных систем на базе микроконтроллера Arduino и Raspberry.
Полезен для проектов управления авио и авто моделями. А также проектов охраны и автоматики, для построения беспроводных датчиков и исполнительных реле, дистанционного управления электроприборами до 600 метров.
Незаменим для расширения рабочих температур до -30С и увеличения дальности беспроводных систем семейства WOOKEE и TELEIMPEX, а так же модулей из каталога Мастер Кит MA3484BM, MA3686B, MA0353A, MA8182, MA8183, MA8184, MA9801E27, MA9802E27, MA9803E27, MA9938G1, MA9938G2, MA9938G3, MA3171E, MA3272B, MA3373E.
Технические характеристики
| Диапазон напряжений питания (B) | 3,2…5,5 |
| Рабочая частота (мГц) | 433.92 |
| Рекомендованная температура эксплуатации (°С) | -40…+60 |
| Напряжение питания приемника (В) | 5 |
| Напряжение питания передатчика (В) | 12 |
| Вес, не более (г) | 20 |
| Ток потребления приемника (мА) | 1,5 |
| Ток потребления передатчика (мА) | 25 |
| Входная чувствительность (мкВ) | 0,2 |
| Длина приемника (мм) | 20 |
| Длина передатчика (мм) | 45 |
| Входной уровень данных передатчика (В) | 5 |
| Выходной уровень данных приемника (В) | 0,7 |
| Ширина передатчика (мм) | 15 |
| Высота передатчика (мм) | 7 |
| Ширина приемника (мм) | 20 |
| Высота приемника (мм) | 7 |
| Вес | 20 |
Особенности
- Низкое энергопотребление приемника в режиме ожидания 5 мА
- Большая дальность действия комплекта, не менее 500 метров.
- Высокая чувствительность приемника 0,2 мкВ
- Высокая помехоустойчивость приемника
- Возможность прямой замены модулей MP433
- Широкий диапазон рабочей температуры -30С…+60С
Принцип работы
Передатчик имеет кварцевый генератор. Что повышает стабильность излучаемого сигнала.Приемник построен по супергетеродинной схеме. Что способствует увеличению чувствительности и помехоустойчивости.
Конструкция устройства
Конструктивно модули выполнены на печатной плате размерами:передатчик 20х20х7 мм, приемник 43х15х7 мм. Для удобства эксплуатации, на модулях установлены PLS разъемы.
Дополнительная информация
Схемы
3x-ЭЛЕМЕНТНЫЙ ВОЛНОВОЙ НА 435МГЦ С МАКСИМАЛЬНЫМ УСИЛЕНИЕМ,
ДЛЯ ВЫСОКОГОРНЫХ ЭКСПЕДИЦИЙ
Проверено в горах Северного Кавказа!
Хочу обратить внимание, что поход по высокогорью имеет свою специфику и соответственно это отражается на том оборудовании которое радиолюбитель берёт с собой. В горах, на больших высотах (от 3000 метров и выше), не нужны мачты и антенны с усилением более 5-9дб. Конструкция должна быть не разборной или состоять из минимального количества частей, в реальных условиях, при температуре -20С, собрать антенну будет очень проблематично.
Эта антенна была разработана специально для высокогорных походов, исходя из моего предыдущего опыта, где на первое место выходят следующие характеристики: усиление, вес, надежность. Антенна оптимизирована на максимальное усиление вперёд. Конструкция сделана в двух вариантах, неразборной (что очень удобно, так как антенна всегда готова к работе) и разборной (так антенна занимает очень мало места). При работе, антенну держат за «хвост» и направляют на корреспондента.
рис.1
Внешний вид неразборной антенны показан на рис.1. Бум сделан из эбонитовой круглой болванке длиной 412мм и диаметром 8мм. Элементы и вибратор сделаны из медной проволоки диаметром 2мм. Кабель 50ом припаивается к вибратору напрямую, без всяких согласующих элементов и прокладывается вдоль бума выходя за хвостом. Антенна не разборная, все элементы и вибратор жёстко приклеены к буму эпоксидной смолой. Эта антенна легко помещается внутрь рюкзака или прикрепляется к нему сверху. Погнутые элементы, легко выровнять и начать связь.
Длина 50и омного кабеля от разьема СР-50 до места соединения с вибратором 640мм (кабель не должен быть длинным). Место пайки кабеля к вибратору необходимо облепить сырой резиной. Вес антенны 150гр. Реальное усиление, относительно диполя, 7.4дб. КСВ по диапазону: 433=1.8, 435=1.4, 438=1.0, 440=1.5 (измерения производились прибором SWR-121).
длина рефлектора 329мм длина активного элемента 293мм ширина активного элемента 20мм длина директора 304мм расстояние между рефлектором и активным элементом 107мм (от центра) расстояние между активным элементом и директором 187мм (от центра) |
Разборный вариант антенны, вы видите на рис.2 и рис.3, появился он после того как антенна побывала в нескольких экспедициях и активно использовалась в горах и лесах Северного Кавказа. Кострукция очень компактна и помещается даже в маленький рюкзак, время сборки-разборки примерно 2 минуты. Все элементы изготовлены и медной проволоки диаметром 2.5мм. Бум сделан из пластиковой водопроводной трубки длиной 430мм и диаметром 16мм. Запитывается антенна 50омным кабелем длиной 550мм (не критично). Центральная частота 435мгц, КСВ на ней 1.0 (измерения проводились прибором SWR-121).
рис.2
Во время походов, была замечена одна интересная особенность, когда между корреспондентами отсутствует прямая видимость, то эта простая 3х элементная антенна всегда выигрывала у других антенн с там же или чуть большим усилением. Сравнения проводились с 9-и эл. yagi, 4quads, 4x эл. yagi, 5quads. Незнаю с чем это связано, но эффект наблюдался многократно в разное время и в разных местах (возможно это связано с более широким лепестком). Поэтому рекомендую, не тащить с собой в горы многоэлементные антенны, а взять эту маленькую.
Еще, я пробовал оптимизировать антенну в программе MMANA, но результаты полученные на испытательном стенде не совсем соответствовали тому что показала эта программа.
рис.3
Эту антенну я рекомендую для использования с безлицензионными, маломощными, радиостанциями для диапазона 433-434Мгц. Дальность уверенной связи, на открытой местности, между двумя радиостанциями мощностью 50мВт с описанной антенной, составит 30-50км. в горах, при прямой видимости. Антенна подходит и для стационарного использования в диапазоне 430-440МГц, но кабель должен быть как можно короче.
Имея описанную выше конструкцию, радиостанцию C-568 (мощность передатчика 5Вт) и находясь на южном склоне Эльбруса с высоты 3700м, мне легко удавались связи с турецкими радиолюбителями до которых 300-500км. При этом, на штатную резинку прием отсутствовал. Иногда наблюдались сильные замирания сигналов, иногда приём был очень уверенный.
С горы Бештау (высота 1403м) при использовании этой антенны и VX-1R (мощность 500 мВт) легко удавались QSO с Нефтекумском и Буденновском, расстояние 170-200км. Чтобы лучше разобраться в конструкции антенны, смотрите дополнительные фотографии: фото 1, фото 2, фото 3, фото 4, фото 5.
3x-ЭЛЕМЕНТНЫЙ ВОЛНОВОЙ НА 435МГЦ С МАКСИМАЛЬНЫМ УСИЛЕНИЕМ,
ДЛЯ ВЫСОКОГОРНЫХ ЭКСПЕДИЦИЙ
Проверено в горах Северного Кавказа!
Хочу обратить внимание, что поход по высокогорью имеет свою специфику и соответственно это отражается на том оборудовании которое радиолюбитель берёт с собой. В горах, на больших высотах (от 3000 метров и выше), не нужны мачты и антенны с усилением более 5-9дб. Конструкция должна быть не разборной или состоять из минимального количества частей, в реальных условиях, при температуре -20С, собрать антенну будет очень проблематично.
Эта антенна была разработана специально для высокогорных походов, исходя из моего предыдущего опыта, где на первое место выходят следующие характеристики: усиление, вес, надежность. Антенна оптимизирована на максимальное усиление вперёд. Конструкция сделана в двух вариантах, неразборной (что очень удобно, так как антенна всегда готова к работе) и разборной (так антенна занимает очень мало места). При работе, антенну держат за «хвост» и направляют на корреспондента.
рис.1
Внешний вид неразборной антенны показан на рис.1. Бум сделан из эбонитовой круглой болванке длиной 412мм и диаметром 8мм. Элементы и вибратор сделаны из медной проволоки диаметром 2мм. Кабель 50ом припаивается к вибратору напрямую, без всяких согласующих элементов и прокладывается вдоль бума выходя за хвостом. Антенна не разборная, все элементы и вибратор жёстко приклеены к буму эпоксидной смолой. Эта антенна легко помещается внутрь рюкзака или прикрепляется к нему сверху. Погнутые элементы, легко выровнять и начать связь.
Длина 50и омного кабеля от разьема СР-50 до места соединения с вибратором 640мм (кабель не должен быть длинным). Место пайки кабеля к вибратору необходимо облепить сырой резиной. Вес антенны 150гр. Реальное усиление, относительно диполя, 7.4дб. КСВ по диапазону: 433=1.8, 435=1.4, 438=1.0, 440=1.5 (измерения производились прибором SWR-121).
длина рефлектора 329мм длина активного элемента 293мм ширина активного элемента 20мм длина директора 304мм расстояние между рефлектором и активным элементом 107мм (от центра) расстояние между активным элементом и директором 187мм (от центра) |
Разборный вариант антенны, вы видите на рис.2 и рис.3, появился он после того как антенна побывала в нескольких экспедициях и активно использовалась в горах и лесах Северного Кавказа. Кострукция очень компактна и помещается даже в маленький рюкзак, время сборки-разборки примерно 2 минуты. Все элементы изготовлены и медной проволоки диаметром 2.5мм. Бум сделан из пластиковой водопроводной трубки длиной 430мм и диаметром 16мм. Запитывается антенна 50омным кабелем длиной 550мм (не критично). Центральная частота 435мгц, КСВ на ней 1.0 (измерения проводились прибором SWR-121).
рис.2
Во время походов, была замечена одна интересная особенность, когда между корреспондентами отсутствует прямая видимость, то эта простая 3х элементная антенна всегда выигрывала у других антенн с там же или чуть большим усилением. Сравнения проводились с 9-и эл. yagi, 4quads, 4x эл. yagi, 5quads. Незнаю с чем это связано, но эффект наблюдался многократно в разное время и в разных местах (возможно это связано с более широким лепестком). Поэтому рекомендую, не тащить с собой в горы многоэлементные антенны, а взять эту маленькую.
Еще, я пробовал оптимизировать антенну в программе MMANA, но результаты полученные на испытательном стенде не совсем соответствовали тому что показала эта программа.
рис.3
Эту антенну я рекомендую для использования с безлицензионными, маломощными, радиостанциями для диапазона 433-434Мгц. Дальность уверенной связи, на открытой местности, между двумя радиостанциями мощностью 50мВт с описанной антенной, составит 30-50км. в горах, при прямой видимости. Антенна подходит и для стационарного использования в диапазоне 430-440МГц, но кабель должен быть как можно короче.
Имея описанную выше конструкцию, радиостанцию C-568 (мощность передатчика 5Вт) и находясь на южном склоне Эльбруса с высоты 3700м, мне легко удавались связи с турецкими радиолюбителями до которых 300-500км. При этом, на штатную резинку прием отсутствовал. Иногда наблюдались сильные замирания сигналов, иногда приём был очень уверенный.
С горы Бештау (высота 1403м) при использовании этой антенны и VX-1R (мощность 500 мВт) легко удавались QSO с Нефтекумском и Буденновском, расстояние 170-200км. Чтобы лучше разобраться в конструкции антенны, смотрите дополнительные фотографии: фото 1, фото 2, фото 3, фото 4, фото 5.
Наиболее удобный по волновым свойствам диапазон радиоизлучения для маячковой системы поиска 433-435МГц. Наиболее проста, доступная для самостоятельного изготовления и очень приличная по возможностям антенна для этой системы – антенна типа «волновой канал» или «яга», от английского Yagi.
Честно говоря, я хреновый специалист в антенной теории, но на практике мне, всеми правдами и неправдами, даже без спецоборудования, удалось сделать неплохую 4-х элементную ягу для маяка с частотой 433,1 МГц.
Поскольку я сделал две таких антенны и их характеристики оказались идентичными, могу утверждать, что конструкция достаточно отработана и вполне годится для повторения.
Материалы
Материалы для антенны недорогие и не дефицитные, но хочу обратить внимание, что надо как можно точнее выполнить все рекомендации по размерам и материалам. Иначе за результат не гарантирую. Антенна – дело тонкое.

Затем надо купить в сантехнике дюймовую ПВХ трубу. Диаметр примерно 25 мм. Метра будет достаточно.
Важным элементом антенны является высокочастотный кабель. Нужен кабель с сопротивлением 50 Ом, например RG58. Я, правда, в первом варианте антенны использовал обычный телевизионный кабель (75 Ом), и особых проблем не испытал. Оптимальная длина кабеля 60 см, но можно и поварьировать из соображений удобства.
Обязательно надо продумать соединение антенны с рацией, т.е. кабеля с рацией. Модель разъема зависит от рации, к которой подключается антенна. Я использую китайскую рацию Baofeng. Для нее нужен разъем типа SMA. Его можно приобрести на Алиэкспрессе, только не надо путать с RP-SMA. Очень хорошее решение, которое я применил во втором варианте антенны, купить на Алиэкспрессе кабель с уже пристыкованным разъемом. Такие по 50 см длинной тоже продаются на Алиэкспрессе.
Кабели и разъемы можно поискать на радиорынках. Разъем можно и сколхозить, но в современных условиях в этом нет необходимости.
Понадобятся еще кое-какие мелочи, будет ясно по ходу, ну и чтобы попаять, посверлить, попилить.
Изготовление
Собираем антенну согласно схеме на рис.1.
Нарезаем из медной жилы элементы антенны с максимально доступной точностью.
Отрезаем для несущей части, бума, кусок пластиковой трубы. Чтобы элементы антенны были расположены в одной плоскости, применяем хитрый способ сверления. Сначала по краям бума просверливаем отверстия для пары гвоздей, диаметром в районе 3 мм. Гвозди должны плотно входить в отверстия без люфта. Отверстия должны быть примерно в одном направлении. Прибиваем этими гвоздями бум к ровному деревянному бруску. Так мы жестко фиксируем бум и получаем четкую опору для сверления. Теперь, разметив положения отверстий для элементов антенны, засверливаем сверлом 4,2 мм на сверлильном станке, оперев на столик станка брусок с бумом. Если сверлите дрелью, то нужен станочек для дрели. Отверстия получаются строго в одной плоскости и в одном направлении.
Теперь вставляем элементы антенны в соответствующие отверстия согласно схеме. Вставляются они в натяг и хорошо держатся. При желании можно подмазать суперклеем стыки элементов с бумом. Предварительно, конечно надо все отцентровать. Чтобы вставить вибратор придется проявить некоторую сноровку и сообразительность, но главное – надо предварительно залудить припоем торцы вибратора, дабы облегчить припайку кабеля в перспективе. И еще, прежде чем вставлять вибратор, надо просверлить в стенке бума отверстие 12 мм в районе размыкания кольца вибратора, т.е. нулевой точки. Это отверстие делается, естественно, перпендикулярно направлению отверстий под элементы и нужно для доступа к торцам вибратора для подпайки кабеля.
Как пишут спецы, просто подсоединить кабель к вибратору будет неправильно. Надо организовать согласование кабеля с вибратором. Наиболее удобным способом согласования, на мой взгляд, является, так называемый, четвертьволновой стакан. Делается он очень просто. Со стороны контакта кабеля с вибратором на расстоянии 120 мм от края снимаем узкую полоску изоляции кабеля, обнажая полоску оплетки примерно 5 мм шириной. Далее берем полосу пищевой фольги шириной 120мм и обматываем крайний участок кабеля этой фольгой с заходом на оголенную оплетку. Тонкой проволокой прижимаем фольгу в районе оголенной оплетки, обеспечивая контакт фольги с оплеткой. Можно это место пропаять. Вместо фольги можно взять кусок оплетки с другого кабеля. Длина стакана получается 115 мм.
Теперь можно закрепить фольгу термоусадочной трубкой. Для фиксации кабеля в буме я надел на кабель пробку из пористой резины. Если к кабелю уже присоединен разъем для рации, то можно его паять к вибратору. Паяем через окошко 12 мм, которое мы подготовили – оплетку к одному торцу вибратора, центральную жилу к другому. Зафиксировав кабель резиновой пробкой от болтанки и смещения, мы завершаем изготовление антенны.
Использование
Антенна используется с рацией в качестве приемной. Принимается сигнал от радиомаяка, установленного на ракете. Дальность приема зависит от многих факторов. Я на практике получал 600-800м. Это при обычных условиях – ровное поле и маяк лежит на земле.
Направление на ракету определяется по максимуму громкости принимаемого рацией сигнала, который должен соответствовать прямому направлению антенны на ракету. Чем острее диаграмма направленности антенны, тем по идее проще определить направление. Расчет в программе MMANA-GAL дает диаграмму, как показано на фото. Практическую диаграмму можно получить с помощью самодельного индикатора излучения.
На практике все получается несколько сложнее. На современных рациях вмешивается аппаратная компенсация силы сигнала от источника. Это очень мешает нахождению максимума сигнала. Я применил обходной маневр, который дал очень неплохой результат. Сначала определял примерное направление на ракету. Затем определял минимум сигнала при отклонении антенны влево, минимум при отклонении вправо и брал результирующее направление по биссектрисе. Такой способ дал очень хороший результат как в полевых испытаниях антенны, так и в конкретном поиске ракеты Эврика-1, пуск от 22.07.2014. /15.08.2016 kia-soft/
Модификация 5-ти элементная
Схема представлена на рис.2. Технология и материалы все те же. Кабель 50 ом. Разъемчик к рации типа SMA с Алиэкспресса.
Естественно, размеры дополнительного директора брались не с потолка, а просчитывались в программе MMANA-GAL. Расчет показал возможность увеличения усиления антенны, хотя и не большое. Форма диаграммы направленности не супер вытянутая, но есть один существенный нюанс – заметно возросло отношение максимального и минимального сигнала.
Полевые испытания очень обнадежили. Если 4-х элементка уже затыкалась на 800м, то 5-ти элементная модификация ловила на 800м очень уверенно. К сожалению, проверить полную рабочую дальность не хватило расстояния поля, но думаю на 1000м работать должна. Это в условиях прямой видимости, когда маяк лежит на земле. От маяка тоже зависит, я работал с Rockwell-B7+ от Слона. Его мощность 100мВт.
При испытаниях выяснилась одна любопытная вещь. Я выше упоминал, что значительно увеличилось отношение максимального и минимального сигнала. Это оказалось очень полезным при поиске по минимуму сигнала. Т.е. мы поворачиваем антенну до максимального ухудшения сигнала в обе стороны, а направление поиска получаем по биссектрисе этих двух направлений. В условиах современных раций с АРУ это наиболее надежный способ. Так вот в данном случае у 5-ти элементной антенны получилось очень четкое падение сигнала на определенном угле, что сильно облегчило задачу определения направления поиска.
В общем, модификация оказалась весьма полезной. Антенна успешно была использована при запуске ракеты Круиз-1М. /20.08.2017 kia-soft/
***





















































