Делаем ВЫСОКОВОЛЬТНЫЙ ТРАНСФОРМАТОР из сетевого шнура. Обогреватель болта и плазменная зажигалка.
DIY Высоковольтный Преобразователь Против Китайского HV Преобразователя | CC#10
DIY Высоковольтный Преобразователь Против Китайского HV Преобразователя | CC#10
Как сделать высоковольтный преобразователь напряжения с низковольтным питанием своими руками!
Как сделать высоковольтный преобразователь напряжения с низковольтным питанием своими руками!
Программатор выполнен на основе драйвера от Objective Development и полностью совместим по командам с оригинальным программатором AVR910 от ATMEL. Описание устройства. Предохранитель защищает линий питания порта USB от случайного замыкания по цепям питания программатора. Диоды VD1, VD2 впрямительные кремниевые, они предназначены для понижения питания микроконтроллера до 3,6 В. Согласно документации, контроллер может работать при таком напряжении питания до частоты чуть более 14 МГц. Светодиоды VL1 («RD
”), VL2 («WR
”) сигнализируют о текущих действиях программатора и обозначают режимы чтения и записи. Светодиод VL3 («PWR
”) показывает подачу питания на .
Джампер J1 — (MODify
) служит для начального программирования управляющего МК программатора. При его замыкании, к разъему ISP подключается внешний программатор и производится загрузка в МК управляющей программы. После программирования управляющего МК программатора этот джампер необходимо разомкнуть и замкнуть джампер J2 — NORMal.
Джампер J3 LOW SCK
понижает тактовую частоту порта SPI МК программатора до ~20 кГц. При разомкнутом джампере частота SPI нормальная, при замкнутом — пониженная. Переключать джампер можно на ходу, так как управляющая программа МК программатора проверяет состояние линии PB0 при каждом обращении к порту SPI. Не рекомендуется переключать джампер при запущенном процессе записи/чтения программируемого МК, т.к., скорее всего, это приведет к искажению записываемых/читаемых данных. Джампер J3 введен для возможности программирования МК AVR, тактируемых от внутреннего генератора 128 кГц.
Резисторы R10 — R14 предназначены для согласования уровней сигналов микроконтроллера программатора и внешних цепей (программируемый МК или другой программатор). Тактовая частота порта SPI МК программатора при разомкнутом джампере J3 равна 187,5 кГц. Это позволяет программировать контроллеры с тактовой частотой примерно от 570 кГц для ATtiny/ATmega, 750 кГц для 90S и 7,5 МГц для 89S. Контроллеры программируются от 10 до 30 секунд (при использовании утилиты AVRProg v.1.4 из пакета AVR Studio) вместе с верификацией в зависимости от объема FLASH памяти и тактовой частоты.
На вывод LED разъема ISP выведен меандр с частотой 1 МГц для «оживления» МК, у которых были ошибочно запрограммированы фьюз-биты, отвечающие за тактирование. Сигнал генерируется постоянно и не зависит от режима работы программатора. Программатор тестировался с программами AVRProg v.1.4 (входит в пакет AVRStudio), ChipBlasterAVR v.1.07 Evaluation, CodeVisionAVR, AVROSP (ATMEL AVR Open Source Programmer). Для нормального функционирования контроллера в схеме необходимо, чтобы были запрограммированы (установлены в «0») биты SPIEN
, CKOPT
, SUT0
и BODEN
. Обычно микроконтроллеры, идущие с завода, т.е. новые, имеют уже запрограммированный бит SPIEN
. Остальные биты должны быть незапрограммированные (установлены в «1»).
Инструкция по установке и работе. Прошить контроллер. Подключить свежеиспеченный программатор к компьютеру через USB. Операционная система найдет новое устройство — AVR910 USB Programmer, при предложении автоматически найти драйвер, отказаться, и указать путь к inf-файлу, в зависимости от установленной на вашем компьютере операционной системы.
На форуме находятся все файлы, а также печатная плата для нашего программатора avr. Здесь покажу технологию сборки USB программатора AVR и упаковки в корпус. Для начала скачиваем архив и делаем печатную плату.
Потом впаиваем на неё все детали. Не смог найти маленький кварц, поэтому впаял большой, но на длинных ножках, чтобы потом загнуть, чтоб не мешал при установки платы в корпус. Далее подбираем подходящий корпус, у меня был готовый.
Подгоняем плату под корпус, делаем все замеры, сверлим отверстия и вот вам готовый прибор, с универсальной платой.
Если нет специальной измерительной аппаратуры, можно произвести проверку при помощи светодиода. Светодиод подключается анодом к контакту LED, катодом к любому контакту GND ISP-разъема. При подаче питания светодиод должен светится в «полнакала». При замыкании пинцетом ножек кварцевого генератора светодиод должен либо засветится в «полный накал», либо свечение должно отсутствовать.
Без ощибок собранный программатор с правильно запрограммированным микроконтроллером в настройке не нуждается. Но если у программируемого МК вход RESET подтянут к напряжению питания резистором, то номинал резистора не должен быть ниже 10 кОм — это связанно с пониженным напряжением питания управляющего контроллера в схеме программатора и введением ограничительных резисторов на шине ISP-разъема.
Обсудить статью ПРОГРАММАТОР AVR USB
Данный программатор не нуждается в первичном программировании — протравил печатную плату, спаял и пользуйся. Автор данного устройства указан в конце статьи, а здесь приведу небольшую выдержку из руководства, чтоб было понятнее, о чём речь: правильный USB-программатор — вещь, фактически, универсальная. Его можно воткнуть в любой современный компьютер и без проблем перешить нужный микроконтроллер с любым объемом FLASH-памяти на довольно высокой скорости. Но ключевое слово здесь — «правильный», который нормально работает без настройки и танцев с бубном над ним сразу же после установки и монтажа деталей. Который не глючит при переходе от одного ПК к другому или смене ОС. Правильный — это такой, драйвера на который есть для любой современной широко используемой версии ОС, и эти дрова неглючные. Каждый определит еще с десяток критериев правильности для себя лично, но вышеперечисленные — основные, без соблюдения которых нормально работать с микроконтроллером невозможно будет в принципе.
В настоящее время в Интернете полно различных схем . Условно их можно разделить на две большие группы.
Первая группа
включает в себя программаторы, построенные на основе микроконтроллеров (в частности, AVR). Собирал несколько штук программаторов от Prottoss’а (AVR910), себе и своим знакомым, а также несколько штук USBasp. Двое из знакомых, одаренных сиими дывайсами, в восторге. Удачно шьют камни в течение уже нескольких лет. У остальных (в частности — у меня лично) собранные программаторы особой радости не вызвали. Не говорю, что они плохие, просто вот так складывались обстоятельства: на одном компьютере работает, на другом нет. Или, проработав пару часов, оказывались невидимыми для софта, через который шьется камень. И много еще чего. Сразу оговорю — я не разбирался с прошивкой контроллеров, на которых данные программаторы собраны. Правда, перепробовал кучу программ-прошивальщиков, через которые данные программаторы, вроде как без проблем должны шить камни. Однако, результат в виде частых глюков меня не особо удовлетворил. Исключение составила только программа AVRDUDE в комплексе с графической оболочкой SinaProg, но о ней я узнал слишком поздно. Кстати, заметил такую тенденцию: чем древнее железо ПК, тем лучше работают данные программаторы. Ну и самый неприятный момент для тех, кто выбрал второй вариант знакомства с микроконтроллерами AVR — чтобы программатор заработал, нужно чем-то прошить входящий в его состав камень. То есть получается так: чтобы пользоваться программатором нужно сделать/найти программатор, чтобы прошить мозги этого программатора. Вот такой вот замкнутый круг.
И вторая группа
USB-программаторов включает в себя решение на базе специализированной микросхемы FT232Rx. В свое время данная микросхема стала своего рода революцией. Мало того, что она без особых заморочек для разработчика преобразует USB в UART (и, наверное, 95% разработчиков используют ее именно в этих целях). Она еще умеет эмулировать полноценный COM-порт, причем состояние «второстепенных» линий (таких, как RTS, CTS, DTR и т.д.) можно задать/считать не из виртуального COM-порта, а напрямую через драйвер FTDI (разработчика FT232Rx). Таким образом, появилось новое, без необходимости первичной прошивки мозгов программатора, решение, для прошивки микроконтроллеров, причем, довольно быстрое.
Принципиальная схема программатора USB
Данная схема просто направляет сигналы MOSI, MISO, SCK и RESET, которые формируются на выводах DCD, DTR, RTS и DSR микросхемы DD1 (FT232RL) соответственно, на нужные выводы прошиваемого микроконтроллера (т.е., фактически является аналогом «древних» программаторов). Причем, делает это только в момент программирования камня, в остальные моменты времени программатор отключен от прошиваемой платы за счет 4-х буферных элементов микросхемы DD2 (74HC125D). Состояние линий MOSI, MISO, SCK и RESET устанавливается/считывается прошивающим софтом на компьютере. Передача данных между ПК и микросхемой FT232RL идет по шине USB (от которой еще и получает питание программатор).
Светодиод HL2 («PWR») сигнализирует о подаче на программатор напряжения питания с шины USB. Светодиод HL1 («PROG») индицирует процесс прошивки микроконтроллера (горит только во время прошивки). Вот, в принципе, и все описание собственно схемы электрической принципиальной. Единственное что хотелось бы отметить: во-первых, для подключения программатора к прошиваемой плате используется разъем IDC-10MR (XP2 «ISP»), распиновка которого совпадает с широко распространенной распиновкой разъема программатора
STK200/STK300:
XP2 «ISP» разъем для подключения устройства к программируемому микроконтроллеру
XP3 «MISC» разъем для использования дополнительных функций программатора
В общем микросхема FT232RL имеет довольно серьёзный потенциал для разработчика (например, линии шины CBUS можно использовать как обычные линии ввода-вывода микроконтроллера), поэтому неплохо бы иметь доступ ко всем ее выводам. Ну и доступ к напряжениям +5,0 В и +3,3 В тоже лишним никогда не будет. В приклеплении печатная плата и полное подробное описание. Разработка и мануал — [email protected]
, испытание — SssaHeKkk
.
Обсудить статью USB ПРОГРАММАТОР
Конкурс начинающих радиолюбителей
“Моя радиолюбительская конструкция”
Схема и программное обеспечение простого высокоскоростного USB AVR программатора, который может собрать своими руками и начинающий радиолюбитель
Конкурсная конструкция начинающего радиолюбителя –
“USB AVR программатор”
Здравствуйте уважаемые друзья и гости сайта!
Представляю на ваш суд вторую конкурсную работу.
Автор конструкции – Григорьев Илья Сергеевич
.
Теперь на нашем сайте не только “Лед тронулся”, но и “Заседание продолжается”.
USB AVR программатор
Немного о данной конструкции.
На первый взгляд кажется, что эта схема сложна, не “по зубам” начинающим, а автор – уже довольно опытный радиолюбитель.
Смею всех заверить, Илья Сергеевич – начинающий радиолюбитель. А своей конструкцией он доказал, что при желании, настойчивости, целеустремленности, конструкцию такой сложности сможет собрать любой начинающий радиолюбитель.
Ну а теперь, слово автору.
Григорьев Илья Сергеевич, город Хабаровск
Всем привет!
Представляю на ваш суд вторую свою завершенную работу (первая- простая мигалка).
Решил, что в будущем буду собирать схемы, на основе каких-либо микросхем, которые нужно программировать, для чего нужен, собственно говоря, программатор!
В интернете огромное количество схем, на любой вкус, но основная проблема и замечание к схемам – это то, что у меня нет ни LTP, ни COM порта, остается вариант USB программатора. Но и тут есть своя загвоздка – для большинства программаторов, для начала работы, их микросхемы нужно запрограммировать на работу, а для этого нужен… – правильно, программатор! Можно было конечно собрать программатор Громова, пройтись по друзьям и найти LTP или COM порт, но мне этого не хотелось. Оставался последний вариант – это использовать программатор на основе микросхемы FT232RL, минус у этого программатора и у этой микросхемы только цена последней – она у нас в Хабаровске стоит в районе 230 рублей. Я решил на таком денег не экономить и взяться за сборку программатора на FT232RL.
Итак, список деталек:
Это сердце программатора – FT232RL . Цена- 230р
Вторая микросхема- 74HC244, она нужна, т.к у этого программатора есть еще один минус — он не отдает линию RESET по завершении программирования. Поэтому, чтобы схема стартанула, надо выдрать из платы разьем ISP, что очень неудобно. Это можно решить просто добавив к этой схеме буфферную микросхему 74HC244. Цена 20-30 р
И далее набор мелочевки:
– 4 резистора по 47 Ом
– 4 резистора по 100 Ом
– 1 резистор на 4.7 Ком
– 3 резистора на 300 Ом
– 3 кондера по 0.1u
– 3 светодиода(к,з,ж)
– 1 диод Шоттки (чтобы возможный обратный ток от прошиваемого устройства не сжег программатор и ПК)
– 1 USB type B, его еще называют принтерным
Вот и все, что надо! Мелочевка стоит в районе 50 рублей
Все компоненты я брал в обычном исполнении и smd, т.к. до конца не знал, как получится у меня работа с smd компонентами, вдруг пришлось бы собирать большой вариант.
Вот сама схема:
Принцип работы.
Программатор запитывается от USB порта. Уровни выходных сигналов программатора с помощью джампера JP1 могут быть заданы или 5-ти вольтовыми, или 3-ех вольтовыми.
Напряжение питания программатора может быть подано через разъем X2 на программируемую плату, для чего нужно замкнуть джампер JP2.
Следует иметь ввиду, что при 5-ти вольтовом питании напряжение подается с USB порта. И максимально ток, который можно получить с программатора, ограничен величиной 500 мА. Однако для такого тока микросхему FT232 нужно настроить с помощью утилиты FT Prog.
При 3-ех вольтовом питании напряжение берется с выхода внутреннего стабилизатора микросхемы FT232, максимальный ток которого равен порядка 50 мА.
Для предотвращения подачи питания на USB порт от внешнего устройства на программаторе установлен диод Шоттки (у них маленькое падение напряжения в прямом направлении). При желании диод VD1 можно заменить обычным диодом или перемычкой, но эту уже на ваш страх и риск.
Также программатор можно использовать как USB-UART преобразователь. Для этого на разъем Х2 выведены сигналы RXD, TXD и подключены светодиоды LED2, LED3. Они вспыхивают, когда происходит передача данных.
Программатор не нужно отключать от программируемой платы, потому что после программирования микросхема DD1 переводит выходные буферы в третье состояние.
Светодиод LED1 загорается, когда идет процесс программирования.
На контактную площадку JP можно вывести тактовый сигнал. Для этого требуется конфигурирование FT232 с помощью утилиты FT Prog.
Сам процесс сборки.
Сначала я распечатал схему на глянцевый листок от журнала (использовал и фотобумагу и клейкую бумагу для принтера, все не то… самый лучший эффект – это печать схемы на глянцевом журнале). Потом, после соединения глянцевого листочка с кусочком текстолита, начинаем гладить утюгом, выставив на нем максимальную температуру. Сначала я приложил утюг прям на листик, что бы он приклеился к текстолиту, подержал так секунд 10, затем сверху положил листок бумаги и начал гладить в течении 3-4 минут, затем, убрал листок бумаги и еще на несколько секунд приложил утюг и острым уголком утюга поводил по тем местам, где будут будущие дорожки для микросхем.
После этого убираем утюг, и даем плате полностью остыть. Потом окунаем на 5 минут наш текстолит с глянцевой бумажкой в теплую воду, что бы бумага намокла и отстала он текстолита, потом скатываем осторожно бумагу. Вот что получается:
Затем травим. Я травлю хлорным железом: наливаю почти горячую воду, растворяю в нем порошок, окунаю текстолит и потом наливаю в тазик горячую воду и туда окунаю плошку с хлорным железом. Чем больше концентрация раствора и температура- тем быстрее пройдет реакция.
Вот что получилось:
Затем я взял ватку с ацетоном и снял тонер, потом залудил.
И начал паять:
Собрал программатор, после чего ОБЯЗАТЕЛЬНО проверил все на наличие короткого замыкания. Вообще, т.к. я впервые работал с такой мелочью, то после каждого резистора, после каждого кондера я проверял программатор на просвет(очень хорошо видно попал ли припой на соседние дорожки) и проверял мультиметром на замыкание цепи. Итог такой- 2 раза были замыкания под резисторами…все удачно исправил.
Так же после сборки программатора не следует сразу включать его в USB порт. Убедитесь в отсутствии замыканий между землей и плюсом питания, установите джамперы в требуемое положение и только затем подключайте программатор к компьютеру.
Честно сказать- я волновался, хоть и был уверен в отсутствии КЗ.
После подключения я почувствовал нагревание платы, в районе FT232RL, а ПК выдал сообщение о подключении неизвестного устройства с неправильной работой. Я быстро отключил программатор и еще раз, внимательно просмотрел все дорожки на предмет прилипания припоя к соседним дорожкам и еще раз пропаял все выводы микросхем. После этого еще раз подключил программатор и, о чудо! , программатор определился и попросил установить дрова! Поставил дрова и в диспетчере приложения появились 2 новых устройства:
Ура! Теперь можно всерьез задуматься о работе с микросхемами!
Спасибо за внимание!
(666.9 KiB, 2,785 hits)
Уважаемые друзья и гости сайта!
Не забывайте высказывать свое мнение по конкурсным работам и принимайте участие в обсуждениях на форуме сайта. Спасибо.
В современных электронных схемах все чаще и чаще применяются микроконтроллеры. Да что там говорить, если сегодня не найти даже обыкновенную елочную гирлянду без микроконтроллера внутри — он задает различные программы иллюминации.
Я впервые столкнулся с микроконтроллерами, когда собирал свой первый . Вот тогда-то и выяснилось, что контроллер без прошивки — это просто кусок пластмассы с ножками.
А чтобы залить нужную прошивку в АТМЕГу, никак не обойтись без программатора. Далее мы рассмотрим две самые простые и проверенные временем схемы программаторов.
Схема первая
С помощью этого программатора можно прошивать практически любой AVR-контроллер от ATMEL, надо только свериться с распиновкой микросхемы.
СОМ-разъем на схеме — это «мама».
На всякий случай привожу разводку печатной платы для атмеги8 (), хотя такую примитивную схему проще нарисовать от руки. Плату перед печатью нужно отзеркалить.
Файл печатной платы открывать с помощью популярной программы Sprint Layout (если она у вас еще не установлена, то или лучше сразу ).
Как понятно из схемы, для сборки программатора потребуется ничтожно малое количество деталек:
Вместо КТ315 я воткнул SMD-транзистор BFR93A, которые у меня остались после сборки .
А вот весь программатор в сборе:
Питание (+5В) я решил брать с USB-порта.
Если у вас новый микроконтроллер (и до этого никто не пытался его прошивать), то кварц с сопутствующими конденсаторами можно не ставить. Работа без кварцевого резонатора возможна благодаря тому, что камень с завода идет с битом на встроенный генератор и схема, соответственно, тактуется от него.
Если же ваша микросхема б/у-шная, то без внешнего кварца она может и не запуститься. Тогда лучше ставьте кварц на 4 МГц, а конденсаторы лучше на 33 пФ.
Как видите, я кварц с конденсаторами не ставил, но на всякий случай предусмотрел под них места на плате.
Заливать прошивку лучше всего с помощью программы PonyProg (скачать).
Прошивка с помощью PonyProg
Заходим в меню Setup -> Calibration -> Yes. Должно появиться окошко «Calibration OK».
Теперь втыкаем микроконтроллер в панельку программатора, и подаем питание 5 вольт (можно, например, от отдельного источника питания или порта ЮСБ). Затем жмем Command -> Read All.
После чтения появляется окно «Read successful». Если все ок, то выбираем файл с нужной прошивкой для заливки: File -> Open Device File. Жмем «Открыть».
Теперь жмем Command -> Security and Configuration Bits и выставляем фьюзы, какие нужно.
Вот и все, МК прошит и готов к использованию!
Имейте в виду, что при прошивке с помощью других программ (не PonyProg) биты могут быть инверсными! Тогда их надо выставлять с точностью до наоборот. Определить это можно, считав фьюзы и посмотрев на галку «SPIEN».
Схема вторая
Еще одна версия программатора, с помощью которого можно залить прошивку в микроконтроллер АТМЕГа (так называемый программатор Геннадия Громова). Схема состоит всего из 10 детатей:
Все это можно собрать навесным монтажом прямо на разъеме, но если вы крутой паяльник и знаете, что такое smd-монтаж, то можете сделать красиво:
Алгоритм прошивки с помощью программатора Громова
Программатор с установленной микросхемой подключаем к СОМ-порту компьютера, затем запускаем Uniprof, затем подаем питание на микроконтроллер. И первым делом проверяем, читаются ли фьюз-биты.
Если все ок, выбираем файл с нужной прошивкой и жмем запись.
Будьте предельно внимательны и осторожны, потому что если глюканет при записи фьюзов, то МК либо на выброс, либо паять схему доктора (а она сложная). Если поменяете бит SPIEN на противоположный — результат будет тот же (к доктору).
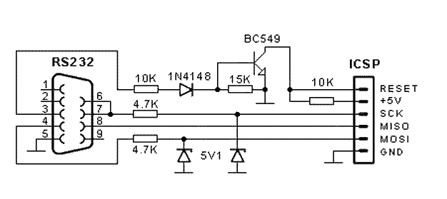
Еще одним несложным, в плане изготовления, является COM программатор. При условии использования альтернативного режима COM порта Bitbang, отпадает необходимость в преобразовании интерфейса RS232 COM порта в SPI, необходимый для программирования. Остается только привести уровни сигналов COM порта (-12В, +12В) к необходимым (0, +5В). Это и делает
схема COM программатора для AVR микроконтроллеров:
Данная схема программатора достаточно распространена и известна как программатор Громова. Название пошло от автора программы Геннадия Громова, который и предложил такую схему.
Чтобы собрать программатор Громова нам нужно следующее:
Диоды КД522, КД510, 1N4148 или им подобные. Резисторы можно использовать любые, какие найдете. В качестве шлейфа можно использовать IDE шлейф. При подключении шлейфа, для более устойчивой работы программатора, каждый «сигнальный» провод должен чередоваться с «земляным» проводом. Это позволит уменьшить уровень помех наводимых в линиях и за счет этого увеличить длину программирующего провода. Длина шлейфа должна быть в пределах 50 см. Еще нужен разъем для подключения к программируемому устройству.
Для внутрисхемного программирования Atmel рекомендует стандартные разъемы:
Если Вы планируете серьезно заняться микроконтроллерами, сделайте разъемы стандартными. Для разового программирования устройства я рекомендую использовать на программаторе (такими разъемами к материнской плате подключаются кнопки и светодиоды корпуса компа — именно их я и взял) и штырьки PLS «папы» на плате. Это позволяет максимально упростить разводку платы устройства, так как штырьки для программатора устанавливаются в непосредственной близости возле ножек микроконтроллера. Ножки MOSI, MISO, SCK у микроконтроллеров AVR всегда расположены вместе, поэтому для них можно применить строенный разъем. Отдельно делаем подключение для «земли»-GND и «сброса»-Reset.
Собрать COM программатор не составит труда:
Я сознательно не даю печатной платы под этот программатор, так как схема проста и возня с разводкой и травлением платы просто себя не оправдывает.
Для того чтобы наш COM программатор заработал
нужна , к которой мы подключим программатор и для микроконтроллера.
— Так как режим Bitbang нестандартный для COM порта компьютера, то возможны сбои в работе (хотя у меня такого не было). Особенно это касается ноутбуков. Как вариант решения этой проблемы можно рекомендовать «поиграться» настройками COM порта (скорость, биты данных, варианты управления потоком, величины буфера …).
— Отдельный разъем для «земли» желательно подключить первым, чтобы уравнять потенциалы «земли» программируемого устройства и компьютера. Для тех, кто не знает, если у Вас компьютер включен в обычную розетку, без заземляющего контакта, то в виду особенности фильтра блока питания компьютера, на корпусе компьютера всегда присутствует потенциал в 110В.
Заключение:
— COM программатор Громова простой и надежный. Я не перестал пользоваться им даже собрав USB программатор (если какой либо микроконтроллер перестает программироваться USB программатором я обязательно перепроверю его на программаторе Громова).
— Так как программатор Громова собран на пассивных элементах он не требует для себя питания. Мало того, из-за паразитного питания, микроконтроллер можно запрограммировать вообще не подключая к нему источника питания! Хотя так программировать я не рекомендую, но сам факт интересен.
— Для пользователей Algorithm Builder есть приятный бонус! Этот программатор можно использовать для внутрисхемной отладки кристалла (программный JTAG).
О всяком… — Параллельный высоковольтный программатор для AVR
В процессе работы с микроконтроллёрами с архитектурой AVR производства Atmel рано или поздно возникает необходимость работы в параллельном режиме программирования. ISP и JTAG в этот случае не позволяют провести отладку. Так же могут оказывается не достаточными возможности по восстановлению фьюзов, реализованными в AVR fusebit doctor
Статья рассказывает о моей версии популярного параллельного программатора HVProg. Статья появилась, как интерактивная. Впервые опубликована она была ещё 23.02.2015
В сети встречал и гибриды «доктора» с обычным ISP программатором. Но многие из схем не имеют реализации в «железе», содержат ошибки как в разводке, так и в проектировании. Т.к. мне не особо было и нужно, то рабочую схему такого гибрида специально не искал и не собирал.
Тем не менее перейдем непосредственно к параллельным программаторам.
В сети, как не странно, довольно мало статей и авторских схем по этому вопросу. Видать не пользуются они популярностью. В отличие от ISP-программаторов, коих создано просто тьма-тьмущая. И на базе ATTiny 2313 и на базе ATmega8/88 с различными вариациями вроде введения оптической развязки и/или введения в схему FT232 (USBasp, USB TinyISP, AVR ISP MkII (или тут), ucGoZilla (с ней у меня свои счеты ? ), AVR910 (или тут) и т.д.). По параллельным программаторам история иная. На одном из форумов собраны ссылки на существующие любительские параллельные программаторы. Дополнительно я нашел еще и еще. Что можно сказать? За исключением ParaProg собранной на FT232DT (реализация USB- интерфейса) и Mega16, остальные версии, которые все же содержат МК, собраны на ATMega8535. В варианте RA4NAL видимо в качестве интерфейсной введена отдельная AT90S2313 (предок Tiny2313), как пишет автор: «для записи новых версий прошивок в основной контроллер». Остальная обвязка тривиальна. К тому же все тот же вездесущий RS232-интерфейс на входе. Так что схема меня не впечатлила и перетаскивать ее к себе для наглядности я не буду.
Так что мой выбор пал на HVProg тем более, что на упомянутом форуме имеется весьма положительный отзыв:
Der Hammer, HVProg — STK500 for ATMEL. Parallels and serial’s High-Voltage Programmer.
http://www.der-hammer.info/hvprog/Наверное, самый лучший из доступных для повторения радиолюбителями средней квалификации.
Урезанный вариант STK500 от фирмы-производителя ATMEL.
У меня запустился без проблем, чего и Вам желаю.
пройдусь еще раз по рунету, но уже по конкретным запросам по HVProg.
- «Программатор HVProg by Hammer» — статья является сокращенным переводом сайта, с которого я взял схемы программатора. Есть архив с файлами схемы и платы, а также. что ценно, с прошивкой. Любопытно, что в статье так же как и к меня, но гораздо раньше по времени, добавлены те же самые схемы. ?
- Сообщение на форуме — тоже перевод. Авторство переводов и пословное сличение я не проводил.
HV-Prog от Der Hammer — опять перевод статьи с приложенным файлом схем и прошивки. Странно что архив носит то же название. что и в ссылке в пункте 1, но имеет другой размер.- Сообщение на форуме — практическая реализация программатора. В схему внесены минимальные изменения — выкинут один конденсатор, — остальное без изменений. Добавлена отладочная панель для целевых процессоров в DIP-корпусах. Сообщение датировано мартом 2014 т.е. достаточное свежее — есть еще интерес к данной теме :).
- Тема на форуме — есть много полезных ссылок, например, на конверторы форматов прошивок.
- Доработка программатора HVProg — очень глубоко переработанная схема программатора с добавлением USB-интерфейса на основе FT232. Так же автор постарался избавиться от внешнего питания и впихнул повышающий преобразователь на MC34063. Схема получилась красивой — фото платы есть по ссылке. Статья датирована еще 2008 годом. (Пост. прим. введение импульсного преобразователя в схему авторы мотивируют тем, что никаких больших токов не нужно. Нужно именно напряжение. Ну вроде как в регуляторах на базе tl431. И что такие схемы с успехом работают в программаторах для микроконтроллеров PIC. Может быть и так. Не буду спорить т.к. на настоящий момент ещё не разбирался в этом вопросе.)
Как обычно перенесу родную схему к себе (публикация картинки с сайта автора)
Прокрутим страничку чуть вниз и найдем ссылку на стороннюю реализацию этого программатора (картинка ниже представляет собой скрин окна редактора, потому даты указаны на момент пересохранения файла для дальнейшего редактирования, а не на момент, когда автор его создавал):
Видно, что схемы различаются. в первом случае единый 20-ти выводной интерфейс, а во-втором выделены отдельные подкасты. Возможно. что в первом варианте 20-ти выводной разъем полностью соответствует «родному» STK500, но у меня все равно нет ни одной отладочной платы с готовым портом параллельного программирования, так что повторять оригинальную распиновку смысла особого нет. Возьму пожалуй за основу вторую разводку.
Итак, интерфейс RS232 на MAX232 удаляем и заменяем ее знакомым по AVR JTAG ICE my clone USB-интерфейсом на СР2102 (собственно сам обвес микросхемы полностью повторяет рекомендации даташита).
Теперь попробуем разобраться с питанием. Питание должно быть внешним, как это в схемах выше. Какое выбрать? В первой схеме два линейный стабилизатора стоят параллельно, а на входе установлен диодный мост, что позволяет не заботиться о полярности. Во второй схеме в качестве защиты от переплюсовки использован один диод Шоттки. Но там есть еще один ньанс: стабилизатор на пять вольт выбран в корпусе ТО92 и стоит последовательно после стабилизатора на 12 В. Это не есть хорошо. Т.к. на 78L05 «гаситься» не менее 7 В напряжения, что при незначительной нагрузке, скажем 100 мА уже требует рассеять 0,7 Вт энергии. Да и из-за последовательного включения линейных стабилизаторов общий потребляемый ток возрастает. С другой стороны стабильность шины +5 В конечно же возрастает. Но я всё-таки буду использовать вариант питания из первой схемы, но с диодом Шоттки.
Вот что получилось — вид сверху должен быть примерно таким:
На практике плата получилось такой:
И вид снизу
Уделив повышенное внимание разводке сигнальных линий я откровенно прозевал шины питания +12В и +5 В :(.Так что выкладывать схему (проект) не буду. Может быть позже, когда переделаю его.
ovsjakom.info
Параллельной программатор для AVR
В данной работе описывается конструкция параллельного программатора, единственной задачей которого является восстановление значений фьюзов микроконтроллера «по умолчанию», т.е. записанных на заводе. К достоинствам прибора следует отнести его простоту, автономность (независимость от ПК), а также возможность постоянно модернизировать и усовершенствовать, в зависимости от поставленных задач. Недостатком является, пожалуй, необходимость задействования достаточно большого количества линий связи с микроконтроллером, но иначе нельзя, ведь это — параллельное программирование.
Идея разработки этого устройства родилась после ошибочной записи значений фьюзов в ATmega8, после которой вывод сброса стал обычным вводом/выводом порта, синхронизация предусматривала внешний источник, да ещё и запрещалось программирование по SPI — короче говоря «полный набор». Поиск схем параллельного программатора по интернету и в печати не дал практически ничего, что удовлетворяло бы заданным условиям простоты и повторяемости. После изучения соответствующих даташитов решено было разработать устройство на одном микроконтроллере, которое восстанавливало бы значения фьюзов, необходимые для работы на обычном последовательном программаторе. Вообще-то, честно говоря, параллельный программатор больше ни для чего и не нужен в любительском конструировании — все функции программирования успешно выполняют широко распространённые последовательные «5 проводков», «STK-200», «AVR910», «usbasp» иже с ними.
Итак, задача поставлена — ищем решение. Начинаем, конечно, с выбора контроллера. Для параллельного программирования необходимо иметь как минимум 19 выводов ( см. таблицу).
Восьмивыводные кристаллы сразу отпадают. Можно, открывая ключи +5В и +12В от одного вывода, использовать 18 линий- в этом случае появляется возможность использовать 20-ти выводные корпуса, ATtiny2313, например. В своей же конструкции я использовал ATmega8515, исходя исключительно из удобства расположения портов (на одной стороне) и линий питания — всё для упрощения разводки печатной платы. Можно применить и 28-ми выводные контроллеры, но я изначально планировал последующее подключение LCD-индикатора и 4-х кнопочной клавиатуры. А, в принципе, собрать устройство можно на любом имеющемся кристалле с необходимым количеством выводов — длина кода — 330 байт.
Кроме того, для коммутирования напряжений питания 5 В и программирования 12 В необходимы соответствующие ключи. Изобретать велосипед я не стал, и использовал широко известное схемное решение в виде транзисторного ключа.
Как и в любой диалоговой системе необходимы устройства ввода и вывода — добавляем, соответственно, кнопку и светодиод.
В результате родилась схема, представленная на рисунке:
Схема, как вы видите, проста до безобразия и особых разъяснений не требует. Единственное, что вызовет определенные конструктивные затруднения — это подключение программируемых контроллеров к программатору. Можно это сделать, например, коммутацией проводниками на макетной плате, а можно (и гораздо удобнее) собрать универсальную плату расширения для основных типов контроллеров (или для тех, с которыми постоянно работаешь), подключаемую к программатору шлейфом.
Питать устройство необходимо от стабилизированного источника 12 В. На микросхеме IC1 собран стабилизатор напряжения питания 5 В. Кнопка SA1 «PROG»- даёт команду на перезапись фьюзов, светодиод зелёного свечения VD1 «DONE» — сигнализирует об успешном перепрограммировании. На транзисторах VT1 — VT4 собраны ключи для коммутации напряжений питания и программирования. Сразу оговорюсь, что схему можно совершенствовать сколько душе угодно. Допустим, установить стабилизатор на 12 В — в этом случае можно питать устройство от нестабилизированного источника 16-22 В. Возможно заменить транзисторные ключи на микросхему коммутатора тока и пр.
Конструкция программатора может быть любой — в зависимости от Ваших возможностей и умения. Я сам программатор сделал на печатной плате, а программируемые микроконтроллеры подключал через макетку. В дальнейшем планирую сделать универсальную плату расширения и подключать к программатору 20-ти жильным шлейфом. Детали любые малогабаритные, номиналы указаны на схеме.
Пару слов о программной части. Программа написана на языке С в оболочке WinAVR. Порядок действий в ней полностью соответствует даташиту ATmega8 (раздел о параллельном программировании).
Работать с программатором очень просто. Контроллер, в котором необходимо переписать фьюзы, вставляется в соответствующую панельку. Включается питание и нажимается кнопка «PROG». Загоревшийся светодиод «DONE» сигнализирует об успешной перезаписи. Питание выключается и, после изъятия из панельки, контроллер используется обычным способом.
В своей конструкции я подключал к программатору, кроме панели для ATmega8 ещё панель для ATmega16, поскольку алгоритм программирования для него почти такой же и прошиваемые значения фьюзов позволяют работать с последовательным программатором. В результате устройство даже в такой представленной «игрушечной» версии успешно «реанимирует» кроме ATmega8 ещё и ATmega8535, ATmega16, ATmega32 — это то, что я лично пробовал перепрограммировать
В дальнейшем я планирую дополнить программатор некоторыми функциями, расширить номенклатуру «реанимируемых» контроллеров. В планах добавить функцию считывания байта сигнатуры и, в зависимости от типа контроллера, прошивать его своими «даташитовскими» значениями. А, вообще, приведённых сведений более чем достаточно, чтобы пользователь мог сам модернизировать программатор — хоть в схемной, хоть в программной части.
Источник
shemu.ru
AVR. Учебный курс. Трактат о программаторах
Программа для микроконтроллера пишется на любом удобном языке программирования, компилируется в бинарный файл (или файл формата intel HEX) и заливается в микроконтроллер посредством программатора.
Итак, первым шагом в освоении микроконтроллера обычно становится программатор. Ведь без программатора невозможно загнать программу в микроконтроллер и он так и останется безжизненным куском кремния.
Что же представляет из себя это устройство?
В простейшем случае программатор это девайс который связывает микроконтроллер и компьютер, позволяя с компа залить файл прошивки в память контроллера. Также нужна прошивающая программа, которая по специальному протоколу загонит данные в микроконтроллер.
Программаторы бывают разные под разные семейства контроллеров существуют свои программаторы. Впрочем, бывают и универсальные. Более того, даже ту же простейшую AVR’ку можно прошить несколькими способами:
Внутрисхемное программирование (ISP)
Самый популярный способ прошивать современные контроллеры. Внутрисхемным данный метод называется потому, что микроконтроллер в этот момент находится в схеме целевого устройства — он может быть даже наглухо туда впаян. Для нужд программатора в этом случае выделяется несколько выводов контроллера (обычно 3..5 в зависимости от контроллера).
К этим выводам подключается прошивающий шнур программатора и происходит заливка прошивки. После чего шнур отключается и контроллер начинает работу.
У AVR прошивка заливается по интерфейсу SPI и для работы программатора нужно четыре линии и питание (достаточно только земли, чтобы уравнять потенциалы земель программатора и устройства):
- MISO — данные идущие от контроллера (Master-Input/Slave-Output)
- MOSI — данные идущие в контроллер (Master-Output/Slave-Input)
- SCK — тактовые импульсы интерфейса SPI
- RESET — сигналом на RESET программатор вводит контроллер в режим программирования
- GND — земля
Сам же разъем внутрисхемного программирования представляет собой всего лишь несколько штырьков. Лишь бы на него было удобно надеть разъем. Конфигурация его может быть любой, как тебе удобней.
Однако все же есть один популярный стандарт:
Для внутрисхемной прошивки контроллеров AVR существует не один десяток разнообразных программаторов. Отличаются они в первую очередь по скорости работы и типу подключения к компьютеру (COM/LPT/USB). А также бывают безмозглыми или со своим управляющим контроллером.
Безмозглые программаторы, как правило, дешевые, очень простые в изготовлении и наладке. Но при этом обычно работают исключительно через архаичные COM или LPT порты. Которые найти в современном компьютере целая проблема. А еще требуют прямого доступа к портам, что уже в Windows XP может быть проблемой. Плюс бывает зависимость от тактовой частоты процессора компьютера.
Так что твой 3ГГЦ-овый десятиядерный монстр может пролететь, как фанера над Парижем.
Идеальный компьютер для работы с такими программаторами это какой-нибудь PIII-800Mhz с Windows98…XP.
Вот очень краткая подборка проверенных лично безмозглых программаторов:
- Программатор Громова.
Простейшая схема, работает через оболочку UniProf(удобнейшая вещь!!!), но имеет ряд проблем. В частности тут COM порт используется нетрадиционно и на некоторых материнках может не заработать. А еще на быстрых компах часто не работает. Да, через адаптер USB-COM эта схема работать не будет. По причине извратности подхода ? - STK200
Надежная и дубовая, как кувалда, схема. Работает через LPT порт. Поддерживается многими программами, например avrdude. Требует прямого доступа к порту со стороны операционной системы и наличие LPT порта. - FTBB-PROG.
Очень надежный и быстрый программатор работающий через USB, причем безо всяких извратов. C драйверами под разные операционные системы. И мощной оболочкой avrdude. Недостаток один — содержит редкую и дорогую микросхему FTDI, да в таком мелком корпусе, что запаять ее без меткого глаза, твердой руки и большого опыта пайки весьма сложно. Шаг выводов около 0.3мм. Данный программатор встроен в демоплаты Pinboard
Программаторы с управляющим контроллером лишены многих проблем безмозглых. Они без особых проблем работают через USB. А если собраны на COM порт, то без извращенских методик работы с данными — как честный COM порт. Так что адаптеры COM-USB работают на ура. И детали подобрать можно покрупней, чтобы легче было паять. Но у этих программаторов есть другая проблема — для того чтобы сделать такой программатор нужен другой программатор, чтобы прошить ему управляющий контроллер. Проблема курицы и яйца. Широко получили распространение такие программаторы как:
- USBASP
- AVRDOPER
- AVR910 Protoss
Внутрисхемное программирование, несмотря на все его удобства, имеет ряд ограничений.
Микроконтроллер должен быть запущен, иначе он не сможет ответить на сигнал программатора. Поэтому если неправильно выставить биты конфигурации (FUSE), например, переключить на внешний кварцевый резонатор, а сам кварц не поставить. То контроллер не сможет запуститься и прошить его внутрисхемно будет уже нельзя. По крайней мере до тех пор пока МК не будет запущен.
Также в битах конфигурации можно отключить режим внутрисхемной прошивки или преваратить вывод RESET в обычный порт ввода-вывода (это справедливо для малых МК, у которых RESET совмещен с портом). Такое действо тоже обрубает программирование по ISP.
Параллельное высоковольтное программирование
Обычно применяется на поточном производстве при массовой (сотни штук) прошивке чипов в программаторе перед запайкой их в устройство.
Параллельное программирование во много раз быстрей последовательного (ISP), но требует подачи на RESET напряжения в 12 вольт. А также для параллельной зашивки требуется уже не 3 линии данных, а восемь + линии управления. Для программирования в этом режиме микроконтроллер вставляется в панельку программатора, а после прошивки переставляется в целевое устройство.
Для радиолюбительской практики он особо не нужен, т.к. ISP программатор решает 99% насущных задач, но тем не менее параллельный программатор может пригодиться. Например, если в результате ошибочных действий были неправильно выставлены FUSE биты и был отрублен режим ISP. Параллельному программатору на настройку FUSE плевать с высокой колокольни. Плюс некоторые старые модели микроконтроллеров могут прошиваться только высоковольтным программатором.
Из параллельных программаторов для AVR на ум приходит только:
- HVProg от ElmChan
- Paraprog
- DerHammer
А также есть универсальные вроде TurboProg 6, BeeProg, ChipProg++, Fiton которые могут прошивать огромное количество разных микроконтроллеров, но и стоят неслабо. Тысяч по 10-15. Нужны в основном только ремонтникам, т.к. когда не знаешь что тебе завтра притащат на ремонт надо быть готовым ко всему.
Прошивка через JTAG
Вообще JTAG это отладочный интерфейс. Он позволяет пошагово выполнять твою программу прям в кристалле. Но с его помощью можно и программу прошить, или FUSE биты вставить. К сожалению JTAG доступен далеко не во всех микроконтроллерах, только в старших моделях в 40ногих микроконтроллерах. Начиная с Atmega16.
Компания AVR продает фирменный комплект JTAG ICEII для работы с микроконтроллерами по JTAG, но стоит он (как и любой профессиональный инструмент) недешево. Около 10-15тыр. Также есть первая модель JTAG ICE. Ее можно легко изготовить самому, а еще она встроена в мою демоплату Pinboard.
Прошивка через Bootloader
Многие микроконтроллеры AVR имеют режим самопрошивки. Т.е. в микроконтроллер изначально, любым указанным выше способом, зашивается спец программка — bootloader. Дальше для перешивки программатор не нужен. Достаточно выполнить сброс микроконтроллера и подать ему специальный сигнал. После чего он входит в режим программирования и через обычный последовательный интерфейс в него заливается прошивка. Подробней описано в статье посвященной бутлоадеру.
Достоинство этого метода еще и в том, что работая через бутлоадер очень сложно закосячить микроконтроллер настолько, что он не будет отвечать вообще. Т.к. настройки FUSE для бутлоадера недоступны.
Бутлоадер также прошит по умолчанию в главный контроллер демоплаты Pinboard чтобы облегчить и обезопасить первые шаги на пути освоения микроконтроллеров.
Pinboard II
Прошивка AVR с помощью демоплаты Pinboard II (для Pinboard 1.1 все похоже)
easyelectronics.ru
РадиоКот :: «РЕАНИМАТОР» для AVR.
РадиоКот >Лаборатория >Цифровые устройства >
«РЕАНИМАТОР» для AVR.
Идея разработки этого устройства родилась после ошибочной записи значений фьюзов в ATmega8, после которой вывод сброса стал обычным вводом/выводом порта, синхронизация предусматривала внешний источник, да ещё и запрещалось программирование по SPI — короче говоря «полный набор». Поиск схем параллельного программатора по интернету и в печати не дал практически ничего, что удовлетворяло бы заданным условиям простоты и повторяемости. После изучения соответствующих даташитов решено было разработать устройство на одном микроконтроллере, которое восстанавливало бы значения фьюзов, необходимые для работы на обычном последовательном программаторе. Вообще-то, честно говоря, параллельный программатор больше ни для чего и не нужен в любительском конструировании — все функции программирования успешно выполняют широко распространённые последовательные «5 проводков», «STK-200», «AVR910», «usbasp» иже с ними.
Итак, задача поставлена — ищем решение. Начинаем, конечно, с выбора контроллера. Для параллельного программирования необходимо иметь как минимум 19 выводов ( см. таблицу).
Восьмивыводные кристаллы сразу отпадают. Можно, открывая ключи +5В и +12В от одного вывода, использовать 18 линий- в этом случае появляется возможность использовать 20-ти выводные корпуса, ATtiny2313, например. В своей же конструкции я использовал ATmega8515, исходя исключительно из удобства расположения портов (на одной стороне) и линий питания — всё для упрощения разводки печатной платы. Можно применить и 28-ми выводные контроллеры, но я изначально планировал последующее подключение LCD-индикатора и 4-х кнопочной клавиатуры. А, в принципе, собрать устройство можно на любом имеющемся кристалле с необходимым количеством выводов — длина кода — 330 байт.
Кроме того, для коммутирования напряжений питания 5 В и программирования 12 В необходимы соответствующие ключи. Изобретать велосипед я не стал, и использовал широко известное схемное решение в виде транзисторного ключа.
Как и в любой диалоговой системе необходимы устройства ввода и вывода — добавляем, соответственно, кнопку и светодиод.
В результате родилась схема, представленная на рисунке:
Схема, как вы видите, проста до безобразия и особых разъяснений не требует. Единственное, что вызовет определенные конструктивные затруднения — это подключение программируемых контроллеров к программатору. Можно это сделать, например, коммутацией проводниками на макетной плате, а можно (и гораздо удобнее) собрать универсальную плату расширения для основных типов контроллеров (или для тех, с которыми постоянно работаешь), подключаемую к программатору шлейфом.
Питать устройство необходимо от стабилизированного источника 12 В. На микросхеме IC1 собран стабилизатор напряжения питания 5 В. Кнопка SA1 «PROG»- даёт команду на перезапись фьюзов, светодиод зелёного свечения VD1 «DONE» — сигнализирует об успешном перепрограммировании. На транзисторах VT1 — VT4 собраны ключи для коммутации напряжений питания и программирования. Сразу оговорюсь, что схему можно совершенствовать сколько душе угодно. Допустим, установить стабилизатор на 12 В — в этом случае можно питать устройство от нестабилизированного источника 16-22 В. Возможно заменить транзисторные ключи на микросхему коммутатора тока и пр.
Конструкция программатора может быть любой — в зависимости от Ваших возможностей и умения. Я сам программатор сделал на печатной плате, а программируемые микроконтроллеры подключал через макетку. В дальнейшем планирую сделать универсальную плату расширения и подключать к программатору 20-ти жильным шлейфом. Детали любые малогабаритные, номиналы указаны на схеме.
Пару слов о программной части. Программа написана на языке С в оболочке WinAVR. Порядок действий в ней полностью соответствует даташиту ATmega8 (раздел о параллельном программировании).
Работать с программатором очень просто. Контроллер, в котором необходимо переписать фьюзы, вставляется в соответствующую панельку. Включается питание и нажимается кнопка «PROG». Загоревшийся светодиод «DONE» сигнализирует об успешной перезаписи. Питание выключается и, после изъятия из панельки, контроллер используется обычным способом.
В своей конструкции я подключал к программатору, кроме панели для ATmega8 ещё панель для ATmega16, поскольку алгоритм программирования для него почти такой же и прошиваемые значения фьюзов позволяют работать с последовательным программатором. В результате устройство даже в такой представленной «игрушечной» версии успешно «реанимирует» кроме ATmega8 ещё и ATmega8535, ATmega16, ATmega32 — это то, что я лично пробовал перепрограммировать
В дальнейшем я планирую дополнить программатор некоторыми функциями, расширить номенклатуру «реанимируемых» контроллеров. В планах добавить функцию считывания байта сигнатуры и, в зависимости от типа контроллера, прошивать его своими «даташитовскими» значениями. А, вообще, приведённых сведений более чем достаточно, чтобы пользователь мог сам модернизировать программатор — хоть в схемной, хоть в программной части.
Файлы:
Прошивка МК.
Вопросы, как обычно, складываем тут.
| Как вам эта статья? | Заработало ли это устройство у вас? |
www.radiokot.ru
РадиоКот :: Универсальный AVR-программатор на Arduino.
РадиоКот >Схемы >Цифровые устройства >Примочки к ПК >
Универсальный AVR-программатор на Arduino.
Как то понадобилось мне позаливать скетч из Arduino IDE в мелкий восьминогий ATTiny85, как правило, для этого используется Arduino с соответствующим скетчем ArduinoISP. Несколько китайских клонов Arduino Nano у меня имелось, поэтому и использовал их. Все бы хорошо, но мне не недоставало одного вывода. Точнее он имеется у тини (вывод RESET), но чтобы задействовать его как цифровой вход, нужно запрограммировать соответствующий фьюз. С помощью ArduinoISP это можно сделать только один раз, и последующие попытки заливки скетчей с помощью этого и других программаторов ISP становятся невозможными, поскольку вывод с функцией RESET становится не доступным. Если дальнейшей модификации скетча (программы) не требуется, то и проблем нет, но в процессе разработки какого то устройства требуется неоднократная перепрошивка мк. Выход из этой ситуации один – использование высоковольтного программатора. Для AVR контроллеров с выводами 8, 14 используется высоковольтное последовательное программирование, а для мк с выводами 20 и больше – высоковольтное параллельное. Я озадачился поиском подобного программатора, но для меня было принципиально важно, чтобы он был на основе Arduino и работал из под Arduino IDE. Рассматривал вариант использования восстановителя фьюзов для тини, но уж очень хлопотная получается перепрошивка. Это нужно сначала восстановить фьюз, затем перепрошить мк, затем фьюз и т.д. В силу своих скромных способностей в программировании, вариант самому написать скетч для высоковольтного программатора на Arduino отпадал. А вот поиск в инете увенчался успехом. Спасибо парню по имени Matthias Neerache, который создал для нас этот уникальный софт для ардуино.
Итак, какие функции умеет выполнять Arduino под управлением этой «подопытной обезьяны» (ScratchMonkey). Из мануала —
ScratchMonkey использует расширенную версию протокола STK500v2. Он реализует следующие методы программирования:
— ISP (In-Sistem Programming) внутрисхемное программирование использует 4х проводный протокол SPI для программирования и поддерживается почти всеми AVR мк. Главный недостаток – при определенных установках фьюзов может быть не пригодным для использования. В ISP режиме ScratchMonkey работает аналогично встроенному в IDE ArduinoISP программатору. Однако, ScratchMonkey немного более универсальный, поддерживает микроконтроллеры с более чем 128КБ флэш-памяти, и может работать с различными настройками фьзов определяющих режим генератора тактовой частоты мк. Имеет дополнительный выход XTAL (сигнал тактовой частоты), что позволяет запрограммировать мк с настройкой фьюзов на внешний генератор. Кроме того, ScratchMonkey может эмулировать SPI (на те же пины) на более низкой частоте чем аппаратный SPI (Limp Mode), что позволяет программировать мк с внутренним генератором тактовой частоты, настроенным на 128 кГц.
— HVSP (High Voltage Serial Programming) высоковольтное последовательное используется для программирования мк 8 и 14 пин и не зависит от состояния фьюзов. Требует внешний источник 12В и транзисторный ключ для подачи высокого напряжения на RESET пин.
— HVPP (High Voltage Parallel Programming) высоковольтное параллельное используется для программирования мк от 20 пин и выше, не зависит от состояния фьюзов. Также требует внешний источник 12В и транзисторный ключ для подачи высокого напряжения на RESET пин.
— TPI (Tiny Programming Interface) Тини программный интерфейс для мк семейства ATtiny4/5/9/10 (SOT23-6 package). ТПИ использует только 3 вывода, и может работать либо в режиме низкого напряжения или в режиме высокого напряжения. RESET пин может использоваться как обычные линии ввода/вывода.
Более чем достаточно функций для моих целей. Для начала тестирования составил простейшую схему (рис.1) на основе диаграммм из мануала ScratchMonkey и изготовил на макетке типа шилда для Arduino Nano (клона), Рис.2,3 (только ISP и HVSP режимы). Транзистор любой n-p-n.
Рис.1
Рис.1
Рис.3
Для начала этот программатор нужно “прописать” в ArduinoIDE . Делаем так: в папке ScratchMonkey/hardware/scratchmonkey , находим и открываем файл programmers.txt , копируем из него строки:
scratchmonkey_stk500v2.name=ScratchMonkey (STK500 Mode)
scratchmonkey_stk500v2.communication=serial
scratchmonkey_stk500v2.protocol=stk500v2
scratchmonkey_stk500v2_hvsp.name=ScratchMonkey HVSP (STK500 Mode)
scratchmonkey_stk500v2_hvsp.communication=serial
scratchmonkey_stk500v2_hvsp.protocol=stk500hvsp
Вставляем эти строки в аналогичный файл IDE: arduino-1.6.12/hardware/arduino/avrp/rogrammers.txt. Добавляем к этим строчкам еще по 3 строки (выделены на рис.4), без них не работает. Открываем ArduinoIDE и видим, что добавились два программатора ScrstchMonkey (Рис.5).
Рис.4
Рис.5
В IDE открываем скетч ScratchMonkey.ino и прежде чем залить в Arduino добавим одну строчку. Дело в том, что при высоковольтном последовательном программировании было выявлено, что пин D11Arduino, подающий напряжение питания на мк при обращении к нему остается в 1, а значит программируемый мк остается под напряжением все время, что «не есть гуд». Я не знаю с какой целью автор это упустил, но при параллелном программировании питание отключается после обращения к мк. Открываем вкладку с файлом SMoHWIF_HVSP.h, находим функцию Stop() и добавляем строку digitalWrite(HVSP_VCC, LOW) Рис.6.
Рис.6
Компилим и заливаем скетч в Arduino (без шилда). Вставляем Arduino в шилд, подключаем к разъему (ISP или HVSP) через переходник Attiny. Для режима HVSP подключаем 12V. В пункте Инструменты/Программатор выбираем соответствующий программатор (Рис.5). В пункте «Плата» выбираем предварительно установленные тини. Как добавить ATTiny в IDE здесь. Открываем в IDE файл скетча для тини и заливаем в мк кнопкой «Загрузка» или «Загрузить через программатор».
Что бы сделать действительно универсальный программатор AVR микроконтроллеров из Arduino родилась такая схема, Рис.7, реализующая все возможности ScratchMonkey.
Рис.7
Как видим схема гораздо проще, по сравнению с программаторами с аналогичными возможностями. На линии портов установлены ограничительные резисторы 1кОм, с целью предотвращения кз на этих линиях при неблагоприятных условиях. DD2 – dc/dc конвертер на микросхеме ME2149F 5/12V c Aliexpres Рис.8.
Рис.8
Или самодельный на MC34063, Рис.9. Рис.9
SA1 включает высокое напряжение и переключает низковольтный и высоковольтный режимы. Светодиоды показывают состояние программатора. Разъем XR1 (Debag) для дополнительной отладки программатора, если что-то пойдет не так и сообщений avrdude не достаточно. Подключается к выводам RX и общий конвертера USB/UART, например к такому, Рис.10:
Рис.10
На компе запускается еще один ArduinoIDE и включается монитор предварительно выбранного порта. В мониторе будет выводиться информация ввиде как на рис. 11 слева. Расшифровка этой информации также показана на рисунке. Режим отладки «включается» в файле SmoConfig.h, где в одной из строк
#undef DEBUG_ISP
#undef DEBUG_HVSP
#undef DEBUG_HVPP
#undef DEBUG_TPI
#undef DEBUG_COMM
#undef нужно заменить на #define. Залить скетч заново в Arduino. Следует отметить, что процессы чтения/записи в режиме отладки замедляются раз в 100.
Рис.11
При параллельном программировании к разъему HVPP контроллеры подключаются согласно таблице 1 и даташиту.
Рис.12
Чтобы работали индикаторы и программатор TPI, как заявляет автор, необходимо пропатчить исходники avrdude, заново собрать и скомпилировать.
Кому интересно как это делается можно посмотреть здесь , но сначала нужно пропатчить ( внести изменения в исходники avrdude). Patch –файл можно найти в папке ScratchMonkey — avrdude.patch.
Пропатченные и скомпилированные файлы avrdude.exe и avrdude.conf вставляются в папки ArduinoIDE вместо штатных файлов. В файл programmers.txt вставляются строки:
scratchmonkey.name=ScratchMonkey ISP/TPI
scratchmonkey.communication=serial
scratchmonkey.protocol=scratchmonkey
scratchmonkey.program.protocol= scratchmonkey
scratchmonkey.program.tool=avrdude
scratchmonkey.program.extra_params=-P{serial.port}
scratchmonkey_hvsp.name=ScratchMonkey HVSP
scratchmonkey_hvsp.communication=serial
scratchmonkey_hvsp.protocol=scratchmonkey_hvsp
scratchmonkey_hvsp.program.protocol= scratchmonkey_hvsp
scratchmonkey_hvsp.program.tool=avrdude
scratchmonkey_hvsp.program.extra_params=-P{serial.port}
scratchmonkey_hvpp.name=ScratchMonkey HVPP
scratchmonkey_hvpp.communication=serial
scratchmonkey_hvpp.protocol=scratchmonkey_pp
scratchmonkey_hvpp.program.protocol= scratchmonkey_hvpp
scratchmonkey_hvpp.program.tool=avrdude
scratchmonkey_hvpp.program.extra_params=-P{serial.port}
Готово. В списке программаторов IDE должны добавиться три программатора:
ScratchMonkey ISP/TPI
ScratchMonkey HVSP
ScratchMonkey HVPP
При программировании должны работать индикация и TPI программирование.
Так как ScratchMonkey использует avrdude, то он будет работать и с оболочками дуды. Например с AVR8-Barn-O-Mat (барномат), необходимо только в установках указать пути расположения файлов avrdude, тогда при следующем запуске «барномата» в списках программаторов увидим ScratchMonkey. Оболочки удобны при заливке HEX-файлов.
Успехов.
Файлы:
Пропатченная дуда
Схемы
Все вопросы в
Форум.
| Как вам эта статья? | Заработало ли это устройство у вас? |
www.radiokot.ru
ParaPROG
ParaPROG
| AVR ParaPROG |
| Параллельный программатор для микроконтроллеров AVR |
| Новую версию управляющей программы для PC смотрим внизу странички. |
| Что и зачем: |
| Поводом для создания данного устройства послужило появление новых чипов AVR поддерживающих отладку по протоколу debugWIRE. Так как он не является протоколом программирования, то после смены исходного кода во время отладки и, естесственно, забыв отключить фуз DWEN — AVRStudio не может заново «подключиться» к отлаживаему кристаллу. Это значит, что фуз DWEN не может быть «сброшен» и, следовательно, отлаживаемый чип больше не может быть запрограммирован через SPI. |
| После «убийства» двух tiny2313 была написана программа для mega16, которая позволяла, подключившись к меге через житаг, в AVRStudio перепрограммировать фузы тини в параллельном режиме. |
| Правда это было несколько неудобно и была написана программа для PC, в которой была возможность программирования всех бит фузов для tiny2313. |
| Дальнейшим развитием стало введение возможности программирования, проверки и чтения Flash памяти, а также введена поддержка других МК. |
| Поддержка программирования EEPROM не вводилась в виду ненадобности. Вообще программа для МК должна быть написана таким образом, чтоб она сама устанавливала начальные значения EEPROM. |
| Самым очевидным недостатком данного устройства является то, что для сборки программатора AVR необходимо запрограммировать mega16. Однако такой подход имеет право на существование, т.к. даже Atmel предлагает для своего программатора AVRISP схему на своем же микроконтроллере. |
| Mega16, используемая в данном устройстве, может быть запрограммирована при помощи программатора AVReal и схемы FBPRG («6 проводков на LPT»). Или через интерфейс JTAG с помощью AVR miniICE |
| К сожалению COM порт компьютера не позволил реализовать «супербыстрое» программирование. Однако на глаз все равно оно проходит быстрее чем последовательное. |
| DIP корпуса использованы исключительно потому, что автором при отладке используются именно они. Желающие могут сами переделать всю эту конструкцию под SMD. |
| Все приводимое на этой страничке программное обеспечение распространяется свободно. Автор не несет никакой ответсвенности за возможный причиненный ущерб. |
| Исходные коды программного обеспечения не распространяются. |
| Дальнейшее развитие этого проекта будет производиться по мере необходимости автора и наличия свободного времени. |
| По всем вопросам можно писать на [email protected] |
Особенности:
- Программирование AVR в
параллельном режиме. - Возможность
«безболезненно»
программировать фузы DWEN
и RSTDISBL - Возможность программирования
фуза SPIEN
Поддерживаемые
микроконтроллеры:
- ATtiny 2313
- ATmega32, ATmega16, ATmega8515, ATmega8535, ATmega8,
ATmega48, ATmega88, ATmega168
Схема:
Схема проста и не имеет каких то
особенностей.
- На микросхеме DA1 собран
стабилизатор напряжения +5V - На транзисторах VT1 и VT2
реализован конвертер TTL — RS232 - Микросхема DD2 может быть
применена с любым буквенным
индексом - Разъем XS2 служит для
подключения к COM порту
компьютера - К разъему XS3 подключается
программируемый
микроконтроллер. - Разъем XS4 предназначался для
внутрисхемной отладки и может
быть исключен или же
использован для
программирования mega16
по интерфейсу JTAG - Питание устройства
осуществялется от внешнего
стабилизированного источника
+12V
| Mega16 должна быть запрограммирована файлом code.hex из прилагаемого архива. |
| Фузы mega16 должны быть запрограммированы следующим образом: |
| В архиве также имеется схема в форматах PDF и PCAD2002, разведенная печатная плата для головного модуля устройства и адаптеров для различных видов МК. |
Пример реализации:
центральный модуль
плата адаптеров
Работа с устройством:
Перед началом работы необходимо
вставить программируемый
микроконтроллер в соответсвующую
панельку. Соединить центральный
модуль устройства с платой
адаптеров 20-ти проводным кабелем.
Подать питание и запустить
управляющую программу ParaPROG.exe
После старта управляющая
программа имеет следующий вид:
Доступна только одна кнопка «Read
Chip». При нажатии на эту кнопку
программа ParaPROG осуществляет поиск
программируемого микроконтроллера
и пытается прочесть фузы и лок биты.
Если поиск устройства был
неудачным программа выводит
сообщение о неудачной попытке и
остается в прежнем состоянии.
При удачном поиске
осуществляется автоопределение
подключенного микроконтроллера,
считываются фузы, лок биты и вся эта
информация выводится в основном
окне программы. Становятся
доступны все остальные кнопки.
Значения фузов и лок битов
выводятся в формате принятом Atmel.
Т.е. 1 = бит не запрограммирован
(соответсвует установленному
флажку) и 0 = бит запрограммирован
(соответсвует снятому флажку)
Кнопки выполняют следующие
функции:
| Read Chip |
| Нажатие на эту кнопку осуществляет синхронизацию управляющей программы и центрального модуля программатора, поиск программируемого микроконтроллера, читает сигнатуру, фузы и лок биты |
| Write Fuses |
| Запись фузов в соответсвии со значениями заданными флажками для фузов |
| Write Lock Bits |
| Запись лок битов соответсвии со значениями заданными флажками для фузов |
| Chip Erase |
| Стирает Flash память программируемого микроконтроллера и сброс лок битов |
| Write Flash |
| Программирование Flash памяти в соответсвии с файлом, имя которого задано в поле рядом с этой кнопкой |
| Verify Flash |
| Сравнение Flash памяти с содержимым файла, имя которого задано в поле рядом с кнопкой Write Flash |
| Read Flash |
| Считывание Flash памяти в файл, имя которого задано в поле рядом с этой кнопкой |
Программа принимает для
записи/сравнения, а также выходным
для чтения Flash является файлы binary
формата. Получить их можно при
помощи утилиты hex2bin из прилагаемого
архива.
Во время работы программой
выводятся сообщения в строке
состояния, диалоговых окнах
помогающие пользователю
сориентироваться в работе
программы.
Замеченные и пока не
устранненные ошибки:
- Так как при постоянно поданном
напряжении +12V на Reset
программируемые МК довольно
сильно грелись, алгоритм
работы устройства был сменен
на временное включение режима
программирования и
немедленное выключение его
после выполнения действия.
Вледсвие этого при работе с
некоторыми МК (например мега48)
происходит рассинхронизация
управляющей программы и
основного модуля
программатора. Поэтому
рекомендуется иногда нажимать
кнопку «Read Chip» проводя
этим повторную синхронизацию
(желательно перед каждым новым
действием) - Иногда имя выходного файла при
операции «Read Flash»
самопроизвольно меняется на
имя «Reading Flash»
Прилагаемые файлы:
Прошивка,
управляющая программа, схема и
печатные платы
Дополнения:
09.01.2006
Новая
версия управляющей программы 0.2.0.7
Добавлено:
- Поддержка ATmega162.
- Возможность добавления
пользователем новых
кристаллов. Поддержка
различных процессоров
вынесена в INI-файлы. Теперь для
добавления нового процессора
достаточно создать для него
файл. В этом файле помимо всего
прочего есть дефолтные
значения для фузов (из
даташита). - После считывания битов
конфигурации с чипа для
каждого байта отображается его
HEX-представление (для более
удобного переноса значений,
например, в скрипт пакетной
прошивки PonyProg). - Значения фузов, не
соответствующие дефолтным,
отображаются красным цветом. - Окошко ввода ком-порта и
сохранение этой информации, а
также путей к файлам BIN и HEX, в
файл конфигурации. - Ручной выбор программируемого
кристалла. Это полезно, когда у
программируемого чипа
испортились байты сигнатуры и
обычным способом он не видится
программатором (иногда бывает
? ). - Автоматический запуск
конвертера hex2bin при выборе для
заливки во флэш файла типа HEX. - Исправлена ошибка
самопроизвольного изменения
имени выходного файла при
операции «Read Flash».
ParaPROG
v 0.2.0.7
13.03.2007
На одном из форумов
в интернете наткнулся на
человека, который собрал
программатор и сам переразвел
печатные платы в SprintLayout. Мне
понравились его платы и дополнения.
Поэтому с разрешения автора
выкладываю их у себя на страничке.
Дополнения от Sailanser.
22.02.2008
pol-sem.narod.ru
Параллельной программатор для AVR
В данной работе описывается конструкция параллельного программатора, единственной задачей которого является восстановление значений фьюзов микроконтроллера «по умолчанию», т.е. записанных на заводе. К достоинствам прибора следует отнести его простоту, автономность (независимость от ПК), а также возможность постоянно модернизировать и усовершенствовать, в зависимости от поставленных задач. Недостатком является, пожалуй, необходимость задействования достаточно большого количества линий связи с микроконтроллером, но иначе нельзя, ведь это — параллельное программирование.
Идея разработки этого устройства родилась после ошибочной записи значений фьюзов в ATmega8, после которой вывод сброса стал обычным вводом/выводом порта, синхронизация предусматривала внешний источник, да ещё и запрещалось программирование по SPI — короче говоря «полный набор». Поиск схем параллельного программатора по интернету и в печати не дал практически ничего, что удовлетворяло бы заданным условиям простоты и повторяемости. После изучения соответствующих даташитов решено было разработать устройство на одном микроконтроллере, которое восстанавливало бы значения фьюзов, необходимые для работы на обычном последовательном программаторе. Вообще-то, честно говоря, параллельный программатор больше ни для чего и не нужен в любительском конструировании — все функции программирования успешно выполняют широко распространённые последовательные «5 проводков», «STK-200», «AVR910», «usbasp» иже с ними.
Итак, задача поставлена — ищем решение. Начинаем, конечно, с выбора контроллера. Для параллельного программирования необходимо иметь как минимум 19 выводов ( см. таблицу).
Восьмивыводные кристаллы сразу отпадают. Можно, открывая ключи +5В и +12В от одного вывода, использовать 18 линий- в этом случае появляется возможность использовать 20-ти выводные корпуса, ATtiny2313, например. В своей же конструкции я использовал ATmega8515, исходя исключительно из удобства расположения портов (на одной стороне) и линий питания — всё для упрощения разводки печатной платы. Можно применить и 28-ми выводные контроллеры, но я изначально планировал последующее подключение LCD-индикатора и 4-х кнопочной клавиатуры. А, в принципе, собрать устройство можно на любом имеющемся кристалле с необходимым количеством выводов — длина кода — 330 байт.
Кроме того, для коммутирования напряжений питания 5 В и программирования 12 В необходимы соответствующие ключи. Изобретать велосипед я не стал, и использовал широко известное схемное решение в виде транзисторного ключа.
Как и в любой диалоговой системе необходимы устройства ввода и вывода — добавляем, соответственно, кнопку и светодиод.
В результате родилась схема, представленная на рисунке:
Схема, как вы видите, проста до безобразия и особых разъяснений не требует. Единственное, что вызовет определенные конструктивные затруднения — это подключение программируемых контроллеров к программатору. Можно это сделать, например, коммутацией проводниками на макетной плате, а можно (и гораздо удобнее) собрать универсальную плату расширения для основных типов контроллеров (или для тех, с которыми постоянно работаешь), подключаемую к программатору шлейфом.
Питать устройство необходимо от стабилизированного источника 12 В. На микросхеме IC1 собран стабилизатор напряжения питания 5 В. Кнопка SA1 «PROG»- даёт команду на перезапись фьюзов, светодиод зелёного свечения VD1 «DONE» — сигнализирует об успешном перепрограммировании. На транзисторах VT1 — VT4 собраны ключи для коммутации напряжений питания и программирования. Сразу оговорюсь, что схему можно совершенствовать сколько душе угодно. Допустим, установить стабилизатор на 12 В — в этом случае можно питать устройство от нестабилизированного источника 16-22 В. Возможно заменить транзисторные ключи на микросхему коммутатора тока и пр.
Конструкция программатора может быть любой — в зависимости от Ваших возможностей и умения. Я сам программатор сделал на печатной плате, а программируемые микроконтроллеры подключал через макетку. В дальнейшем планирую сделать универсальную плату расширения и подключать к программатору 20-ти жильным шлейфом. Детали любые малогабаритные, номиналы указаны на схеме.
Пару слов о программной части. Программа написана на языке С в оболочке WinAVR. Порядок действий в ней полностью соответствует даташиту ATmega8 (раздел о параллельном программировании).
Работать с программатором очень просто. Контроллер, в котором необходимо переписать фьюзы, вставляется в соответствующую панельку. Включается питание и нажимается кнопка «PROG». Загоревшийся светодиод «DONE» сигнализирует об успешной перезаписи. Питание выключается и, после изъятия из панельки, контроллер используется обычным способом.
В своей конструкции я подключал к программатору, кроме панели для ATmega8 ещё панель для ATmega16, поскольку алгоритм программирования для него почти такой же и прошиваемые значения фьюзов позволяют работать с последовательным программатором. В результате устройство даже в такой представленной «игрушечной» версии успешно «реанимирует» кроме ATmega8 ещё и ATmega8535, ATmega16, ATmega32 — это то, что я лично пробовал перепрограммировать
В дальнейшем я планирую дополнить программатор некоторыми функциями, расширить номенклатуру «реанимируемых» контроллеров. В планах добавить функцию считывания байта сигнатуры и, в зависимости от типа контроллера, прошивать его своими «даташитовскими» значениями. А, вообще, приведённых сведений более чем достаточно, чтобы пользователь мог сам модернизировать программатор — хоть в схемной, хоть в программной части.
Источник
shemu.ru
No related posts.
admin / 01.02.2018
Программатор для avr своими руками
В данной статье мы опишем „шаг за шагом” этапы изготовления USBasp программатора для микроконтроллеров AVR. В отдельных статьях приведем описание установки драйверов для операционных систем Windows XP и Windows 7 (x64/x86). В конце поста размещена ссылка с необходимой документацией для изготовления программатора USBasp своими руками.
Программатор USBasp, благодаря своей простоте в изготовлении и использовании недорогих и широкодоступных элементов, стал очень популярным среди радиолюбителей. Его параметры работы не уступают профессиональным и дорогим программаторам микроконтроллеров AVR.
Основные характеристики программатора USBasp
- Работает с несколькими операционными системами – Linux, Mac OS X и Windows – включая Windows 8!
- Не требует внешнего питания.
- Умеет программировать со скоростью вплоть до 5kB/s
- Есть вариант (Switch 2) снижения скорость программирования – для процессоров с кварцем меньше 1,5 Мгц
- Обеспечивает напряжение для программирования (Switch 1) 5 вольт
- Указание работы программатора с помощью светодиода
Перед началом работы, стоит ознакомиться с последовательностью всех выполняемых действий, а именно:
- Выбор схемы/рисунка печатной платы
- Перенос рисунка печатной платы на фольгированный стеклотекстолит
- Травление печатной платы в растворе хлорного железа
- Сверление отверстий
- Монтаж элементов (пайка)
- Программирование Atmaga8 программатора
- Подключение программатора к компьютеру
- Установка драйверов – Windows XP, Windows 7
- Выбор программы с поддержкой USBasp
Существует много версий USBasp программатора, но все они основаны на главной схеме, автором которой является Thomas Fischl. Прошивка микроконтроллера программатора также является его авторством.
Оригинальная схема программатора:
В данном случае за основу была выбрана оригинальная схема. Поскольку использование перемычек в оригинальной схеме не совсем удобно, было принято решение использовать DIP переключатели. Так же были изменены некоторые значения резисторов.
Более того, в оригинальной схеме линии TxD и RxD выведены на разъем ISP, хотя это не нужно (точнее не используются на практике).
Ниже приведена схема с внесенными изменениями:
Строительство USBasp программатора
Существует много версий печатной платы данного программатора, некоторые можно найти на официальном сайте USBasp. Однако, была сделана своя на основе выше представленной схемы.
К сожалению, из-за применения DIP переключателей, рисунок платы стал немного сложнее, что привело к применению 2 коротких перемычек, с целью чтобы печатная плата была по-прежнему односторонней.
Ниже результат печатной платы:
Как видно на рисунке, в программаторе не применялись SMD элементы. Пустое пространство на плате „залито” полем массы, главным образом для того, чтобы не вытравливать большое количество меди, а также снизить влияние помех на программатор.
Список элементов используемых в USBasp программаторе:
- R1: 10к
- R2: 180
- R3: 100
- R5, R6: 68
- R7: 2к2
- C1, C2: 22п
- C3: 10мк
- C4: 100н
- LED1: Красный светодиод на 20мА
- LED2: Зеленый светодиод на 20мА
- D2, D3: стабилитроны на 3,6В
- X1: Разъем USB, тип B
- SV1: Гнездо под разъем IDC-10
- Q1: Кварц 12МГц, корпус HC49-S
- SW1: Dip переключатель трехпозиционный
- IC1: Atmega8 (ПРИМЕЧАНИЕ: Не следует использовать микроконтроллер Atmega8 — PU из-за его ограничение максимальной тактовой частотой до 8 МГц!)
Перенос рисунка печатной платы USBasp программатора на стеклотекстолит выполнен с помощью метода ЛУТ (лазерно-утюжной технологии). Как это делать описывать не будем, поскольку данной информации в сети много.
Вкратце скажем, что сначала рисунок в масштабе 1:1 печатается на глянцевой бумаге, затем он накладывается на очищенную и обезжиренную медную сторону стеклотекстолита и фиксируется с помощью бумажного скотча. Далее бумажная сторона тщательно разглаживается утюгом на 3-ке. После все это дело вымачивается в воде и аккуратно очищается от бумаги.
Следующий этап – вытравливание платы в растворе хлорного железа. Во время травления желательно поддерживать температуру раствора не ниже 40 C, поэтому банку с раствором погружаем в горячую воду:
После завершения процесса травления необходимо удалить тонер ацетоном.
Остается теперь только просверлить отверстия. После завершения процесса изготовления платы можно приступать к пайке элементов USBasp программатора, начиная с перемычек.
Готовые к печати (в формате PDF) рисунок печатной платы находится в конце статьи. Вы также можете найти несколько вариантов на официальном сайте проекта.
Первый запуск USBasp программатора
Теперь, когда все детали спаяны, остается только «прошить» микроконтроллер Atmegę8 самого программатора. Для этого нужен отдельный программатор, это может быть, например, STK 200 (LPT порт), STK500 и т. д. LPT программатор подключается к USBasp через разъем IDC-10.
Обратите внимание, что распределение пинов в разъеме оригинального программатора (USBasp) находится справа, в то время как в версии, описываемой в этой статье – слева:
Распределение, показанное на рисунке справа, соответствует тем, которые применяет компания Atmel в своих оригинальных программаторах. Такое распределение уменьшает риск возникновения помех во время программирования в случае применения длинных проводов от программатора к контроллеру, так как каждая сигнальная линия экранирована массой, кроме MOSI.
На время программирования включите режим SELF путем переключения DIP переключателя № 3 в положение ON. Благодаря этому появляется возможность запрограммировать Atmega8. После завершения программирования, положение переключателя (3) должна быть переведено в состоянии OFF.
Последнюю версию прошивки можно скачать с официального сайта. Рекомендуем версию для Atmega8, которая находится в архиве: usbasp.2011-05-28.tar.gz.
Обратите внимание, чтобы перед программированием Atmega8 необходимо выставить фьюзы которые имеют следующие значения:
- # для Atmega8: HFUSE=0xC9 LFUSE=0xEF
- # для Atmega48: HFUSE=0xDD LFUSE=0xFF
В случае успешного программирования, подключаем программатор к USB разъему компьютера, при этом должен загореться красный светодиод, а компьютер должен оповестить об обнаружении нового оборудования.
Установка драйверов USBasp программатора
Способ установки драйверов программатора описан в отдельных статьях, там же имеются и сами драйвера. Ниже приведены прямые ссылки на эти статьи:
- Установка драйверов для программатора USBasp под Windows XP
- Установка драйверов для программатора USBasp Windows 7 x64/x86
Программы для работы программатора USBasp
Самой популярной программой, поддерживающей программатор USBasp, это консольная программа AVRdude. Так же существует множество производных программ, использование которых намного удобнее. Они представлены в статье Сравнение программ для поддержки программатора USBasp.
Скачать прошивку, рисунок печатной платы и драйвер USBasp программатора (скачено: 1 161)
Оригинал статьи
9zip.ru

В радиолюбительских журналах и сети Интернет приводится множество схем программаторов. Они отличаются способом подключения к компьютеру: через LPT, COM, USB. Программаторы для порта LPT наиболее простые, для COM — чуть сложнее. Для программатора, подключаемого к USB-порту, нужно иметь либо микроконтроллер, либо специализированную микросхему, преобразователь USB — UART. Кроме этого, разные программаторы предназначены для прошивки разных микроконтроллеров: AVR или PIC, при том, что алгоритм программирования этих двух типов микроконтроллеров отличается незначительно. Поэтому само собой напрашивается желание собрать универсальный программатор для любых микроконтроллеров — AVR и PIC.
Оптимальной нам показалась приведённая ниже схема программатора. Он подключается к 
Переключение режимов AVR — PIC производится микропереключателем. Процесс работы устройства индицируется четырьмя светодиодами. Программатор прост и не требует наладки, используются очень распространённые детали.
Вместо микросхемы 74LS00 можно поставить К555ЛА3 или КР1533ЛА3, транзисторы, в принципе, заменимы на похожие. У данной схемы есть одна странность — номиналы токоограничительных резисторов для светодиодов. Так как светодиоды подключены к разным участкам схемы, напряжения на этих участках также разные, из-за чего светодиоды светятся с разной яркостью. Для того, чтобы это исправить, можно попробовать подобрать резисторы, в частности — уменьшить R4 и R7. Вместо КД523 можно использовать распространённые 1N4148.


Работа с IC-PROG
Скачивать программу нужно с официального сайта:
http://www.ic-prog.com/index1.htm
В каталоге программы должны находиться следующие файлы:
icprog.exe — непосредственно программа
icprog.sys — драйвер доступа к портам под XP
Необходимо нажать правой клавишей мыши на файле icprog.exe и выбрать «свойства». На вкладке «совместимость» необходимо поставить галочку «запустить в режиме совместимости» и выбрать Windows 2000.
Далее необходимо зайти в меню «Настройки» и выбрать пункт «Программатор». Тип программатора необходимо установить JDM и указать COM-порт, к которому физически подключен программатор. Для очень быстрых компьютеров можно также установить задержку ввода-вывода. В этом же окне необходимо указать интерфейс «Прямой доступ к портам». Все галочки параметров сигналов должны быть сняты.
Затем необходимо зайти в меню «Настройки» и выбрать пункт «Опции», вкладку «Общие», где установить галочку «Включить NT/2000/XP драйвер». При этом появится окно подтверждения установки драйвера и программа перезапустится.
После этого программа готова к работе с программатором.
7

![]() | Понравилась статья? Похвастайся друзьям: |
Хочешь почитать ещё про схемы своими руками? Вот что наиболее популярно на этой неделе:


Коля одобряет.
Есть вопросы, комментарии? Напиши:
Комментарии: 12345
кондеры надо на керамику на 1 мкф
кондер С3 надо подключить к +
А кондюк 232 со второй ноги правильно стоит???
Да, разумеется.
Понял,спасибо.Тогда сщё вопрос-будет ли он работать с ПОНЬКОЙ.
AVR шьёт аналогично.
Есть вопрос.PICи он шьёт без проблем , а как насчёт AVRов? Просто есть желание собрать данный дивайс и убрать отделные програмеры со стола куда нибуть в ящик.
Посмотрите даташит на вашу MAX232, может быть надо по-другому включить конденсаторы. Если светодиоды мигают, значит интерфейс работает. Попробуйте подробно всё описать, может что-нибудь придумаем. Так-то это проверенный программатор.
С 2011 года много воды утекло,и возможно что менялось в схеме и забылось.Если можно,то на емаил :ra4art@mail.ru,скиньте рабочий программатор,схему и фото или что нибудь из печатки.Не хочет работать и всё!
Программатор по приводимым здесь схеме и печатке собран в 2011 году и прекрасно работает до сих пор.
КРЕНка подключена правильно.
Собрал данный девайс и был потрясён,спалил 3 микрухи max232 а толков никаких,не читает,не записывает,даже не стирает.Единственное что хорошо делает то моргают красиво светодиоды.8-волтовая КРЕНка подключена землёй к 5 вольтам,в процессе работы на шине 5Вольт появляется напряжение 6,7В .Печатка выполнена как у китайцев под продажу.У кого может есть переработанная рабочая схема?Жаль такая хорошая печатка получилась.
Всё работает! В радиомаркете продали 2 битых атмеги. Спасибо за участие!, также спасибо автору статьи за прогер!
А переключатель выбора микроконтроллера правильно стоит?
Собрал девайс. Микросхема MAX232CPE, пришлось перепаять С3 и С5.Горит Power, моргают RXd и VPP при чтении и записи пишет ошибка, что не так? Помогите пожалуста!!!
Тут задавали вопрос по поводу отсутствия контакта PGM на разъёме PIC. Тоже обратил внимание на этот момент. Кто может, внесите ясность.
Одно из двух: или по схеме или по даташиту. Говорят, есть разные ревизии MAX232, отсюда и такие варианты с этим конденсатором. Не знаю, насколько это правда, но у одних работает так, у других — этак.
Тут на форуме отметили непонятное подключение С3. Так куда же его всё таки подсоединять, на «+» или «землю»?
Добрый день. Эта схема с печатной платой были найдены в интернете в 2011 году, конструкция была успешно повторена.
USBasp программатор AVR микроконтроллеров делаем сами
Работает именно в таком варианте, без доработок, с AVR и PIC.
Стабилизаторы рекомендуется брать в мощных корпусах, потому что они нагреваются, т.к. разница напряжений на выходе и выходе существенна. Но радиаторы к ним не требуются. Диод можно заменить на 1N4148 или подобный.
По поводу остального подсказать могут только посетители.
1. Добрый день. Есть несколько вопросов по схеме.
Скажите пожалуйста, в вашей схеме программатора выход «reset» для AVR не стоит подтягивать к «+» резистором 4,7 — 10 к?
2. Есть ли смысл VСС запитывать от отдельного стабилизатора 7805 и развязать от питания IC1 и IC2?
3. Ещё один вопрос. В схемах других программаторов на разъёме PIC есть контакт PGM, посаженный на землю через резистор 1к. Он нужен?
4. Есть смысл на шину VСС разъёма PIC поставить джампер на случай повторного перепрограммирования БУ контроллеров или задержка питания VСС делается программно?
5. Стабилизаторы в каких корпусах лучше брать в мощных или маломощных? Греться будут?
6. Можно заменить диод КД523 на КД 521 или КД522?
7. Под какой программой удобнее всего работать?
8. Могут программы для этого программатора – IC-PROG, PonyProg, WinPic работать под Win7-32? Что для этого надо сделать?
Вопросы появились после анализа кучи схем программаторов. В этих делах полный чайник. Но уже припирает. Спасибо большое за внимание и ответ. Прошу прощения за большую кучу вопросов. У вас очень удобный сайт.
Для получения нужного напряжения, очевидно.
Почему «земля» 7808 подключена на «+» 7805 ?
Комментарии: 12345
Пользовательские теги: програматор авр схемауниверсальный программатор своими руками[ Что это? ]
Дальше в разделе радиотехника, электроника и схемы своими руками: Источник ультрафиолетового излучения из лампы ДРЛ, мощный источник уф излучения из лампы дрл. включение лампы по бездроссельной схеме.
Разное
Главная 

Khazama AVR Programmer на русском
Программатор Khazama AVR Programmer достаточно популярен среди любителей радиоэлектроники. Однако, среди начинающих пользователей, которые только знакомятся с 8-битными микроконтроллерами AVR, имеются и те, кто слабо владеет английским языком (ведь интерфейс программы доступен только на английском и русскоязычного перевода в сети Интернет не найти, сама программа последний раз была обновлена аж в июле 2011 года и возможности установки сторонних переводов не поддерживает).
Как быть?
Альтернатива Khazama AVR Programmer на русском языке
Самый простой выход — найти альтернативное решение, то есть программатор на русском языке с тем же функционалом.
ПРОГРАММАТОР AVR USB
Это такой софт как:
1.AVRDUDE_PROG (можно найти версию с интерфейсом преимущественно на русском языке);
2.PonyProg (свободное ПО, распространяется бесплатно, можно найти русифицированную версию);
3.Atmel Studio (для русификации потребуется установить Visual Studio);
4.И т.д.
Перевод Khazama AVR Programmer на русский
Если альтернативный софт вас не устраивает по ряду параметров, можно использовать Khazama AVR на английском, но с русскими подсказками по основным меню. А подсказки с переводом мы дадим ниже.
Скачать саму утилиту можно с оф.сайта — http://khazama.com/project/programmer/ (доступны 2 версии — v1.7 и v1.6.2, последняя предполагает поддержку ATMega88 и ATMega8).
Первый пункт меню “File” (Файл) выглядит следующим образом:
Раздел «AVR» — здесь можно найти поддерживаемы серии программируемых микроконтроллеров.
Пункт «Load FLASH file to Buffer» переводится как «Загрузить файл прошивки типа Flash в буфер».
Позволяет подготовить прошиваемый файл и загрузить его в оперативную память ПК для быстрого чтения при последующей записи.
Пункт «Load EEPROM file to Buffer» отвечает за аналогичную операцию, но для памяти типа EEPROM.
Пункт «Save FLASH Buffer as…» позволяет сохранить ранее считанные данные памяти Flash в буфер, как отдельный файл на жестком диске (сохранение производится без каких-либо расширений, поэтому, если работаете со специфичным софтом, можно добавить расширение самостоятельно, например, .hex).
Пункт «Save EEPROM Buffer as…» — аналогичная операция, но для данных, считанных с памяти EEPROM.
Exit – выход.
Второй пункт View (на русск. «Просмотр», «Обзор») имеет следующие вложенные меню.
«View Flash Hex Data» – открывает шестнадцатеричный редактор данных Flash.
«View EEPROM Hex Data» — открывает шестнадцатеричный редактор данных EEPROM.
Третий раздел Command (русск. «Команды») выглядит так.
Fuses and Lock Bits… — «Фьюзы (флаги настроек микроконтроллера) и блокирующие биты».
Открывает окно управления битами настроек и блокировок.
Read Osc Calibrations – считать данные генератора частоты.
Read Chip Signature – считать подпись микросхемы (сверка целостности).
Write Flash Buffer to Chip – записать данные для Flash памяти из буфера в микроконтроллер.
Write EEPROM Buffer to Chip – аналогично для EEPROM памяти.
Read Flash to Buffer – считать данные микроконтроллера в буфер. Текущая прошивка чипа считывается в буфер (операция нужна, например, для создания резервной копии заводской прошивки или предыдущей работоспособной).
Read EEPROM to Buffer – аналогично для EEPROM.
Verify Flash – проверить Flash (верификация).
Verify EEPROM – проверить EEPROM.
Erase Chip – стереть данные микроконтроллера.
Auto Program – автоматическая программа (выполняются сценарии, определенные в пункте ниже).
Program Options – опции программы (имеется ввиду автопрограмма).
Ну и последний пункт «Help» («Помощь») предназначен для проверки обновлений программы, уточнения версии ПО и перехода на официальный сайт.
Часть из перечисленных команд для удобства вынесена пиктограммами ниже основного меню, при наведении отображаются выполняемые действия (смотри перевод выше).
Автор: RadioRadar
Дата публикации: 28.11.2017
Мнения читателей
- Serg / 06.05.2018 — 04:30
и ни слова под какое железо stc500 у меня не видит
Вы можете оставить свой комментарий, мнение или вопрос по приведенному вышематериалу:
ПРОГРАММАТОР ДЛЯ НАЧИНАЮЩИХ
Рассказать в:
Сейчас мы соберём USB программатор для начинающих (начинающих радиолюбителей), большинство скажет это сложная схема, начнем с LPT, но я хочу сказать, что схема очень простая, а нужно запрограммировать только один раз и не паритесь. Схема программатора 
Простейший программатор для ATmega8
А сейчас небольшая фотосессия. Но сначала разводка USB: 











Раздел: [Схемы]
Сохрани статью в:
Оставь свой комментарий или вопрос:
Наше сообщество в VK, а ты с нами? Присоединяйся!!!
Тясячи схем в категориях:
->Прочее
->Измерительная техника
->Приборы
->Схемыэлектрооборудования
->Источники питания (прочие полезные конструкции)
->Теоретические материалы
->Справочные материалы
->Устройства на микроконтроллерах
->Зарядные устройства (для батареек)
->Зарядные устройства (для авто)
->Преобразователи напряжения (инверторы)
->Все для кулера (Вентилятора)
->Радиомикрофоны, жучки
->Металоискатели
->Регуляторы мощности
->Охрана (Сигнализация)
->Управление освещением
->Таймеры (влажность, давление)
->Трансиверы и радиостанции
->Конструкции для дома
->Конструкции простой сложности
->Конкурс на лучшую конструкцию на микроконтроллерах
->Конструкции средней сложности
->Стабилизаторы
->Усилители мощности низкой частоты (на транзисторах)
->Блоки питания (импульсные)
->Усилители мощности высокой частоты
->Приспособления для пайки и конструирования плат
->Термометры
->Борт. сеть
->Измерительные приборы (тахометр, вольтметр итд)
->Железо
->Паяльники ипаяльные станции
->Радиопередатчики
->Вспомогательные устройства
->Телевизионная техника
->Регуляторы тембра, громкости
->Блоки питания (лабораторные)
->Усилители мощности низкой частоты (на микросхемах)
->Другие устройства для усилителей
->Cветовое оформление новогодней ёлки или праздничного зала
->Глушилки
->Телефонные жуки
->Инфракрасная техника
->Медицинская техника
->Телефония
->Для животного мира
->Конструируем усилители
->Антенны и усилители к ним
->Звонки
->Электронные игрушки
->Усилители мощности низкой частоты (ламповые)
->Управление двигателями (питание от однофазной сети)
->Программаторы микроконтроллеров
->Сверлилки
->Изучаем микроконтроллеры
->Радиоприемники
->Сигнализации
->Сотовая связь
->USB-устройства
->Блоки питания (трансформаторные)
->Радиостанции простые в изготовлении
->Источники питания (для усилителей)
->Прочеее
->защита от короткого замыкания (электронные предохранители)
->Зарядные устройства (для радиостанций)
->Мигалки
->Cварочное оборудование
->Кодовые электронные замки
->Блоки питания (бестрансформаторные)
->Часы
->Управление поворотниками
->Зажигание
->Управление водой (насосы для скважин или колодцев, полив растений)
->Моделирование
->Блоки управления стеклоочистителями
->Предварительные усилители
->Защита от перегрузки и перегрева
->Динамики
->Ремонт бытовой техники
->Дистанционное управление компьютером
->Акустические микрофоны и преобразователи
->Спутниковое ТВ
->Gsm антенны, примочки, усилители, ретрансляторы.
->Пищалки
->Роботы
->Ретрансляторы
->Паяльники и паяльные станции
->Звуковые сигнализаторы
->Рули и джойстики
->Схемы электрооборудования
->Все для «кулера» (Вентилятора)
->Работа с BGA микросхемами
->Фильтры
->Сабвуферы
FILED UNDER : IT
admin
06-01-2011
Описание
Этот простой AVR программатор позволит вам безболезненно загружать программы в формате hex в большинство AVR микроконтроллеров от ATMEL, не жертвуя своим бюджетом и временем. Он более надежен, чем большинство других простых доступных AVR программаторов, и на его сборку уйдет гораздо меньше времени.
AVR программатор состоит из внутрисхемного последовательного программатора (с разъемом) и маленькой печатной платы с DIP панелькой, в которую вы можете поместить свой микроконтроллер и быстро его запрограммировать.
Вы также можете использовать этот программатор только как внутрисхемный, с помощью которого можно легко программировать AVR микроконтроллер, не извлекая его из устройства.
Весь AVR программатор собирается из широко распространенных компонентов и умещается в корпусе разъема COM порта. Печатная плата с DIP панелькой позволяет вставлять в нее 28-выводной AVR микроконтроллер ATmega8 в корпусе DIP, но вы можете изготовить печатные платы для микроконтроллеров в любых других корпусах. Этот программатор совместим с популярным ПО PonyProg, которое показывает вам ход процесса прошивки в виде шкального индикатора статуса.
Внутрисхемный последовательный программатор AVR
Плата с панелькой для AVR
Плата имеет минимальное количество компонентов и используется для программирования микроконтроллеров вне целевого устройства.
Плата включает в себя 28 выводную DIP панельку, кварцевый резонатор на 4 МГц или резонатор с двумя конденсаторами по 22 пФ, и два разъема. Двухконтактный разъем служит для подключения к AVR микроконтроллеру питания +5 В, а 6-контактный — для подключения программатора.
Питание микроконтроллера от внешнего источника напряжения, а не непосредственно от последовательного порта, гарантирует, что контроллер получит именно 5 В и обеспечит надежную и безошибочную прошивку.
ПО PonyProg
Чтобы иметь возможность загружать hex файлы из компьютера в микроконтроллер, вам потребуется скачать и установить ПО . После установки, первое, что предстоит сделать, это сконфигурировать PonyProg для работы с AVR программатором. Для того, чтобы сделать это, войдите в меню «Setup» и выберите пункт «Interface Setup». Ниже на рисунке подсвечены именно те опции, которые вам следует выбрать.
Следующим шагом выберите «AVR micro» и тип микроконтроллера, который хотите запрограммировать (например ATmega8).
Теперь конфигурирование PonyProg завершено, и мы можем открыть hex файл с программой, которая будет зашита в микроконтроллер. Перейдите в меню «File», выберите «Open Program (FLASH) File …» и укажите на hex файл, который надо зашить. Вы должны увидеть шестнадцатеричные значения, примерно такие, как показаны на рисунке ниже. Если вы все еще не подключили программатор к последовательному порту компьютера, то сейчас самое время это сделать. Убедитесь, что ваш программатор физически подключен к AVR микроконтроллеру через плату с панелькой или 6 контактный разъем ICSP. Наконец, кликните на подсвеченной иконке «Write Program Memory (FLASH)» или идите в меню «Command» и выберите «Write Program (FLASH)».
Кликните на кнопке «Yes», чтобы подтвердить запись.
Теперь сядьте поудобнее, расслабьтесь и наблюдайте за процессом программирования по индикатору состояния. PonyProg прошьет AVR микроконтроллер и проверит, загрузился ли hex файл без ошибок. Этот процесс обычно занимает от 10 до 30 секунд, в зависимости от размера программы, которую вы будете зашивать в микроконтроллер.
После программирования появится окно «Write successful», показывающее, что AVR микроконтроллер был запрограммирован и теперь готов к использованию.
- Проверяйте монтаж и подключение к целевому микроконтроллеру.
- ну в этой схеме нет ничего военного и изготовлять ее не надо а включил ком порт лоника в комп и вперед,правда в моем еще по ком порту стоит буфер чтобы случайно не сжечь.А что касаеться по пользованию прогой пони -забыли про одно из главного сказать-про фьюзы.ведь неправильно установишь и микросхема залочиться
- ком порт устарел. если есть только usb то работу с контроллерами можно считать оконченой даже не начав???? usb-com ни кто в сети не предлогает.а если и предлогают то в схеме как раз стоит контроллер. если уж собирать самому то с нуля. а не так как сейчас многие делают, заказал конструктор, напихал в дырки элементов,запаял,и всё.таких гениев на службе хватает. а подойдёш к такиму с вопросом он и толком знать не знает. а ведь хочется знать подробно.
- Ну конечно никто (пишется слитно!) не предлАгает. Поскольку куча готовых микросхем есть в типовом включении — мостов USB-COM на 5В и 3.3В питания. Но шибко грамотные граждане естественно об этом не знают.
Про AVR910-аналог от Проттоса тоже не знают, в котором МК по USB виртуальный COM-порт изображает и программирует по ISP. Например.
У буржуев тоже куча аналогичных конструкций.
И описаний подробных конечно нет — это же искать надо. А хочется сразу готовенького — нажал на одну кнопку и все-все на блюдечке с голубой каемочкой.
А может лучше уроки учить? - много уважаемый SergeBS этот форум не для орфографических ошибок и тем более не для поучений о том что оно есть. тут помощи и совета просят у людей которые знают и сталкивались с той или иной проблеммой. а то что есть готовое и можно купить и не напрягаться это конечно круто.
P.S тем не менее спасибо ВАМ за участие в проблемме. И ОТДЕЛЬНОЕ ЗА ОЧЕНЬ ПРИГОДИВШИЕСЯ ПОУЧЕНИЯ. буржуям привет, а то что у них до?рена чего есть этого то я и знать не мог. куда нам крестьянам. - Угу. Типа «крютые», которые как хотят так и пишут. Причем «проблемму» и сформулировать не могут. Сопли типа:»хачу чавой-то знать, а чаво — ня знаю самм» — не в счет.:)
- Вы ещё не знаете из чего всё это делается…
На китайской барахолке детали для ваших схем продают на вес килограммами и никакие стандарты качества к таким деталям не имеют отношения. Покупайте только фирменные товары в соответствующих фирмах. - Заказываю в Интернет-магазинах (российских). Пока (тьфу * 3) на брак/халтуру и т.п. не налетал.
- Здравствуйте! Всех с наступающим Новым Годом! 🙂
Собрал программатор для AVR по указанной схеме (проверял 3 раза все). Но понипрог 2000 отказывается видеть и программировать контроллер ATMega168-20PU — выдает ошибку device missing or unknown device (-24).
Использовал стабилитроны КС407Г, Транзистор КТ3102АМ и диод КД522Б. Кварц у меня был на 4.032 МГц. Питание от L7805.
Перед возникновением ошибки успевают придти сервисные сообщения, которые я мониторю с помощью Advanced Serial Port Monitor, но там только включение и выключение Break в процессе записи. Никакие данные не уходят.
Настраивал ПониПрог2000 все по инструкции. Шаг за шагом.
С чем эта ошибка может быть связана? Нужно ли подсоединять 22 ножку к земле и 20 к питанию (аналоговые земля и питание)? Почему не используется чип-селект (SS ножка 16 контроллера)?
Спасибо за помощь! - Я собрал этот программатор и использовал:
Резисторы — указанных номиналов
Транзистор — KT3102ГМ
Диод H48 это аналог 1N4148
Стабилитроны — BZX55C 5.1 вольта
Также кварц на 4Мгц и 2 керамических конденсатора на 22 пФ, но я не думаю что они обязательны т.к. использование кварца внутренний/внешний мы устанавливаем программируемыми битами, с завода микрухи запрограммированы использовать внутрений кварц(если я не ошибся)
Внешнее питание от +5В обязательно.Я подключил от БП того же ПК с которого заливал прошивку.
Диод H48 (такая маркировка на присутствует на корпусе этого диода) на просторах интернета говорят что это аналог 1N4148.
У меня всё работает, ПониПрог 2000 успешно залила прошивку в ATmega8.
Фотоhttp://i.imgur.com/gCzAuzA.jpg
- Посоветую один из проектов avr mk ii clone, на базе либы и примера от lufa. Контроллер at90usb168 обычно идет с бутлоадером, позволяющим после сборки залить прошивку через usb без внешнего программатора.
Поддерживает все нынешние avr, включая xmega и новые тиньки, pdi/tpi протокол. Работает с avrstudio и dude, разные прошивки для них. Исходники открыты, шишки отработаны.
Например, для новых студий достаточно инкрементить версию fw в настройках прошивки.
Собирается прошивка под winavr.
Мой вариант в этой теме, от 12 года. С фоточкой.
http://m.radiokot.ru/forum/viewtopic…rt=700&t=26417 - Здраствуйте.собрал этот прогроматор для прошивки ATtiny 2313
все работае прог.читаем МК без проблем но вот такая проблема
атор схемы для которой я прошиваю МК написал что первый раз можно прошивать без внешнего кварца,но при этом сперва заливать прошивку МК,а потом менять Fuse
короче я залил прошивку,встала нормально,потом поменял Fuse и нажал Write
но после таго как я нажал Write вылезла вот это Device missing or unknown device (-24) и после этого больше МК не читаеться в чом может быть проблема - это обратно я подскажите пожалуста попробывал прошить ATtiny 2313 с внешним
кварцем ипоставил 2 конденсатора,кварц на 8 МГц,подк. прогром.он прочитал МК
открыл прошивку в пони выставил Fuse какие надо вот это заводскиеа вот такие надо прошить
но еще что я заметил в заводских стоит одна галочка которую нельзя убрать называеться SPIEN ,а какие надо прошить там нет этой галочки
ну ладно дальше продолжу свою проблему
после таго как я откры прошивку и выставил Fuse как на второй картинке
я нажал READ DEVICE пошол процес прошивки и в завершении вышло
вот этопотом я закрыл пони и открыл снова и нажал прочитать МК и получил вот это
Device missing or unknown device (-24) такое же что я прошивал без внешнего кварца,выше описанное,и после этого этот МК больше не читался
кто может сказать в чом дело,что я зделал не так Просто уже 3 МК убил
большое спасибо прото я в этом новичок - У меня эта ошибка вылазила только когда я внешнее питанее не подключал, ну естественно у тебя в схеме могут быть ошбки, может ты не на ту микруху пони прог настроил(но маловероятно ведь прошивка залилась я сам новичёк.)
SPIEN – фьюз, который разрешает работу МК по интерфейсу SPI. Все микроконтроллеры выпускаются с уже установленным битом SPIEN. Считается опасным фьюзом… - Fuse-бит SPIEN установлен по умолчанию в микроконтроллерах AVR (режим внутрисхемного программирования) и с помощью PonyProg его убрать не получится. Да и вообще его лучше не трогать…
Установив и запрограммировав Fuse-биты как на последней картинке, вы настроили мк на работу от внешнего кварца 8 Мгц, отключили внутренний делитетель тактовой частоты на 8 и включили Brown-Out Detector (модуль контроля питания) с уровнем 2.7 В.
И после этого программатор микроконтроллер не увидел, поэтому логично было бы подать на микроконтроллер внешнее питание (не от PonyProg) и попробовать прочитать его снова.
PS: Конечно, если изначально все было сделано корректно (тип микроконтроллера в программаторе ри программировании был выбран правильно и Fuse-биты были правильно установлены) - спасибо за ответ
просто я прошил на 3 МК нету прошивку и теперь прогром.не видет их и мне надо их перешить и я всегда подовал внешние питание при прошивки
но пони всеравно его не видит,но МК работает,я вставлял ее на прибор для кокого я ее прошивал все три рабочие,но мне надо туда другие залить Я спросил у автора схемы для которой я их прошивал как их перешить он мне сказал что если с внешним кварцем неопределяеться
то надо еще внешний генератор тактовой частоты делать и подовать сигнал на МК XTAL 1 и тогда прогром. увидет МК если кто может кинте не сложную схемку внешний генератор тактовой частоты сколько гуглил не чего чот не нашол или может кто другой способ
а Fuse мне обезателно надо было помннять как на второй картинке потомучто с заводскими работать не будет
спасибки за помощь - Спасибо за статью! Отличный адаптер. Работает шустро, без ошибок. Я первым делом под LPT порт спаял, не было под рукой COM штекера. Дак LPT порт сгорел на первой же заливке. Пришлось бежать за COM штекером в магаз. Так же рекомендую спаять фьюз доктора — очень полезная штука. Я первый-же кристал так отфьюзил, казалось что он выпустил свою душу (синий дымок), а нннет! — Дохдур фьюз его моментально вернул к жизни. Вот и выходит: этот адаптер + док фьюз = полноценный параллельный программатор.
- После «синего дымка» ни один доктор его бы к жизни не вернул.
А «Доктор фьюз» — да, наверное, иногда может быть полезным. Но почти всегда удается обойтись и без него, нужно только затактировать МК не от кварца, а от внешнего генератора… - А вот мне посчастливилось, при первом же конфигурировании фьюзов, захлопнуть так, что ни один генератор не спасёт. Я не знал, что бывают 2 варианта отображения фьюзов: Прямой (исторический, канонический) и инвертированный (интуитивно удобный). Вот я и выставил в каноническом галки с фото инвертированного. Кстати, PonyProg, оперирует фьюзами в инвертированном представлении.
- Читать всем:
В интернете представлено множество схем программаторов микроконтроллеров. Представляю вариант внутрисхемного универсального USB программатора с возможностью отладки, которым пользуюсь я. Вы сможете собрать данный программатор своими руками.
Основой программатора является микросхема FT2232D . Представляет она собой преобразователь USB в два порта UART. Особенность заключается в том, что «верхний» канал А может работать в режимах JTAG, SPI и I 2 C, что и требуется для программирования микроконтроллеров, различных микросхем памяти и т.п.
Разработка данного USB-программатора ведется на компьютере с использованием библиотек от фирмы FTDI Chip.
Питается устройство от интерфейса USB. При правильной сборке схема не нуждается в настройке. Функционирование устройства зависит от мастерства разработчика ПО. Резисторы R8, R9, R12, R13, R14, R15, R16 являются токоограничивающими при неправильном соединении с устройством, соответственно, выводы программируемого устройства не должны соединяться с другими элементами в схеме, или иметь такие подтяжки, которые при образовании делителей напряжения не искажали бы логические уровни. Микросхема U1 используется для сохранения пользовательских настроек.
Выводы U2 (канал А):
24 — ADBUS0 – выход- в режиме JTAG TCK, в режиме SPI SK;
23 — ADBUS1 – выход- в режиме JTAG TDI, в режиме SPI DO;
22 — ADBUS2 – вход- в режиме JTAG TDO, в режиме SPI DI;
21 — ADBUS3 – выход- в режиме JTAG TMS, в режиме SPI как вспомогательный сигнал(CS);
20 — ADBUS4 – в режиме JTAG входвыход, в режиме SPI вспомогательный выход. Этот вывод используется для подачи сигнала RESET в микроконтроллер;
15 — AСBUS0 – свободно программируемый входвыход во всех режимах (опционно используется для подачи питания в программируемое устройство);
13 — AСBUS1 – свободно программируемый входвыход во всех режимах.
В принципе, эти выводы многофункциональные. Их поведение определяется выбранным режимом при открытии порта.
Канал В используется для отладки программируемого устройства. Для этого нужно только иметь незадействованный порт UART в микроконтроллере. Далее дело техники. В программе микроконтроллера в нужных местах используем функцию форматированного вывода printf().
40 -BDBUS0 – выход- в режиме UART TXD;
39 -BDBUS1 – вход- в режиме UART RXD;
28 — BСBUS2 – выход- в режиме UART LED-индикатор (зажигается при передаче данных через USB);
27 — BСBUS3 – выход- в режиме UART LED-индикатор (зажигается при приеме данных через USB).
Ниже приведена печатная плата программатора
На сегодняшний день данный универсальный программатор поддерживает микроконтроллеры AVR по интерфейсам JTAG и SPI. Причем скорость прошивки Atmega64 по JTAG не более 5-и секунд, по SPI не более 8-ми секунд. Принципиально, прошивать можно любые микроконтроллеры, к которым распространяется спецификация для программатора. В настоящий момент, например, ведется разработка для поддержки микроконтроллеров NEC.
Рабочая форма поделена на две части: слева таблицы для работы с FLASH (сверху) и EEPROM (снизу), сюда можно открывать файлы или загружать прошивки из микроконтроллера, делать верификацию, править содержимое ячеек памяти; справа текстовое поле для отладки, сюда выводятся данные с канала В, также можно там вводить текст, который отправится в порт (функционально это аналог HyperTerminal). Разработка ведется на платформе Visual C# под Windows. Также есть возможность разрабатывать на других языках. Программатор может работать и под Linux.
Используемая литература:
1. А.В. Евстигнеев «Микроконтроллеры AVR семейств Tiny и Mega фирмы ATMEL», М. Издательский дом «Додэка-ХХI», 2005.
2. Future Technology Devices International Ltd. “FT2232D Dual USB UART/FIFO I.C.” , Datasheet, 2006.
3. Future Technology Devices International Ltd. “Software Application Development D2XX Programmer»s Guide” , Document, 2009.
4. Future Technology Devices International Ltd. “Programmers Guide for High Speed FTCJTAG DLL” , Application note AN_110, 2009.
5. Future Technology Devices International Ltd. “Programmers Guide for High Speed FTCSPI DLL” , Application note AN_111, 2009.
6. Эндрю Троелсен «С# и платформа.NET» М.,С-П. Питер, 2007.
Скачать исходники ПО и печатную плату в формате вы можете ниже
Борисов Алексей () г.Сызрань, Самарская обл.
Список радиоэлементов
| Обозначение | Тип | Номинал | Количество | Примечание | Магазин | Мой блокнот |
|---|---|---|---|---|---|---|
| U1 | Микросхема | AT93C46D-8S | 1 | В блокнот | ||
| U2 | Микросхема | FT2232D | 1 | В блокнот | ||
| VT1 | MOSFET-транзистор | BSS84 | 1 | В блокнот | ||
| С1 | Конденсатор | 0.01 мкФ | 1 | В блокнот | ||
| С2, С3 | Конденсатор | 27 пФ | 2 | В блокнот | ||
| С4, С5, С7, С9, С10 | Конденсатор | 0.1 мкФ | 5 | В блокнот | ||
| С6 | Конденсатор | 0.033 мкФ | 1 | В блокнот | ||
| С8 | Электролитический конденсатор | 10 мкФ | 1 | В блокнот | ||
| R1 | Резистор | 2.2 кОм | 1 | 0.05Вт | В блокнот | |
| R2 | Резистор | 10 кОм | 1 | 0.05Вт | В блокнот | |
| R3, R4 | Резистор | 27 Ом | 2 | 0.05Вт | В блокнот | |
| R5 | Резистор | 470 Ом | 1 | 0.05Вт | В блокнот | |
| R6, R7 | Резистор | 1.5 кОм | 2 | 0.05Вт | В блокнот | |
| R8-R16 | Резистор |
22 сентября 2011 в 20:11
- Программирование микроконтроллеров
Как театр начинается с вешалки, так программирование микроконтроллеров начинается с выбора хорошего программатора. Так как начинаю осваивать микроконтроллеры фирмы ATMEL, то досконально пришлось ознакомится с тем что предлагают производители. Предлагают они много всего интересного и вкусного, только совсем по заоблачным ценам. К примеру, платка с одним двадцатиногим микроконтроллером с парой резисторов и диодов в качестве обвязки, стоит как «самолет». Поэтому остро встал вопрос о самостоятельной сборке программатора. После долгого изучения наработок радиолюбителей со стажем, было решено собрать хорошо зарекомендовавший себя программатор USBASP, мозгом которого служит микроконтроллер Atmega8 (так же есть варианты прошивки под atmega88 и atmega48). Минимальная обвязка микроконтроллера позволяет собрать достаточно миниатюрный программатор, который всегда можно взять с собой, как флэшку.
Автором данного программатора является немец Thomas Fichl, страничка его разработки со схемами, файлами печатных плат и драйверами.
Раз решено было собрать миниатюрный программатор, то перерисовал схему под микроконтроллер Atmega8 в корпусе TQFP32 (распиновка микроконтроллера отличается от распиновки в корпусе DIP):
Перемычка J1 применяется, в случае если необходимо прошить микроконтроллер с тактовой частотой ниже 1,5МГц. Кстати, эту перемычку вообще можно исключить, посадив 25 ногу МК на землю. Тогда программатор будет всегда работать на пониженной частоте. Лично для себя отметил, что программирование на пониженной скорости на доли секунды дольше, и поэтому теперь перемычку не дёргаю, а постоянно шью с ней.
Стабилитроны D1 и D2 служат для согласования уровней между программатором и USB шиной, без них работать будет, но далеко не на всех компьютерах.
Светодиод blue показывает наличие готовности к программированию схемы, red загорается во время программирования. Контакты для программирования выведены на разъем IDC-06, распиновка соответствует стандарту ATMEL для 6-ти пинового ISP разъема:
На этот разъем выведены контакты для питания программируемых устройств, здесь оно берется напрямую с USB порта компьютера, поэтому нужно быть внимательным и не допускать кз. Этот же разъем применяется и для программирования управляющего микроконтроллера, для этого достаточно соединить выводы Reset на разъеме и на мк (см. красный пунктир на схеме). В авторской схеме это делается джампером, но я не стал загромождать плату и убрал его. Для единичной прошивки хватит и простой проволочной перемычки. Плата получилась двухсторонняя, размерами 45х18 мм.
Разъем для программирования и перемычка для снижения скорости работы программатора вынесены на торец устройства, это очень удобно
Прошивка управляющего микроконтроллера
Итак, после сборки устройства осталось самое важное — прошить управляющий микроконтроллер. Для этих целей хорошо подходят друзья у которых остались компьютеры с LPT портом:) Простейший программатор на пяти проводках для AVR
Микроконтроллер можно прошивать с разъема программирования, соединив выводы Reset микроконтроллера (29 нога) и разъема. Прошивка существует для моделей Atmega48, Atmega8 и Atmega88. Желательно использовать один из двух последних камней, так как поддержка версии под Atmega48 прекращена и последняя версия прошивки датируется 2009 годом. А версии под 8-й и 88-й камни постоянно обновляются, и автор вроде как планирует добавить в функционал внутрисхемный отладчик. Прошивку берем на странице немца. Для заливки управляющей программы в микроконтроллер я использовал программу PonyProg. При программировании необходимо завести кристалл на работу от внешнего источника тактирования на 12 МГц. Скрин программы с настройками fuse перемычек в PonyProg:
После прошивки должен загореться светодиод подключенный к 23 ноге микроконтроллера. Это будет верный признак того, что программатор прошит удачно и готов к работе.
Установка драйвера
Установка велась на машину с системой Windows 7 и никаких проблем не возникло. При первом подключении к компьютеру выйдет сообщение об обнаружении нового устройства, с предложением установки драйвера. Выбираем установку из указанного места:
Мигом появится окно с предупреждением о том, что устанавливаемый драйвер не имеет цифровой подписи у мелкомягких:
Забиваем на предупреждение и продолжаем установку, после небольшой паузы появится окно, сообщающее об успешном окончании операции установки драйвера
Все, теперь программатор готов к работе.
Khazama AVR Programmer
Для работы c программатором я выбрал прошивальщик Khazama AVR Programmer . Замечательная программка, с минималистичным интерфейсом.
Она работает со всеми ходовыми микроконтроллерами AVR, позволяет прошивать flash и eeprom, смотреть содержимое памяти, стирать чип, а также менять конфигурацию фьюз-битов. В общем, вполне стандартный набор. Настройка фьюзов осуществляется выбором источника тактирования из выпадающего списка, таким образом, вероятность залочить кристалл по ошибке резко снижается. Фьюзы можно менять и расстановкой галок в нижнем поле, при этом нельзя расставить галки на несуществующую конфигурацию, и это тоже большой плюс в плане безопасности.
Запись фьюзов в память мк, как можно догадаться, осуществляется при нажатии кнопки Write All. Кнопка Save сохраняет текущую конфигурацию, а Load возвращает сохраненную. Правда я так и не смог придумать практического применения этих кнопок. Кнопка Default предназначена для записи стандартной конфигурации фьюзов, такой, с какой микроконтроллеры идут с завода (обычно это 1МГц от внутреннего RC).
В общем, за все время пользования этим программатором, он показал себя с наилучшей стороны в плане стабильности и скорости работы. Он без проблем заработал как на древнем стационарном пк так и на новом ноутбуке.
Скачать файл печатной платы в SprintLayout можно по
В моём случае это абсолютный рекордсмен по скорости доставки — около 5 месяцев беспечного блуждания непонятно где. Несмотря на чудовищную задержку по времени, пакет я всё-таки получил, чему несказанно рад, не взирая на недочёты, о коих поведаю ниже. Поскольку у меня весьма плохая память, то нужно было объединить найденную полезную информацию где-то в одном месте в виде памятки, собирать её по крупицам в разных закоулках сети оказалось делом нетривиальным, поэтому оформлю всё это отдельным постом.
USB ISP — самый дешёвый программатор контроллеров AVR, что можно найти в продаже, брался для расширения кругозора и более углубленного изучения AVR.
Обзор в себя включает: описание программатора, как его подключить к чипу, настройку его работы в программах AvrDude Prog, Khazama, Atmel Studio 7, и не только это.
Конечно вместо него можно использовать Arduino UNO с прошитым в него скетчем ArduinoISP, но это не удобно, возня с проводами, особенно если UNO всего одна, отбивает энтузиазм. Проще было заиметь отдельно такой программатор, точнее два. По двум причинам:
1)
Ещё перед покупкой уже из отзывов было понятно, что качество пайки этих устройств страдает, а некоторым ещё и с расколотыми стабилитронами они приходили. Решено было подстраховаться, заказав два.
2)
Один программатор к тому же можно шить другим, переставив перемычку на ведомом устройстве.
Технические характеристики
Поддерживаемые ОС:
Windows, MacOS, Linux
Процессор:
Atmega8A
Интерфейс подключения к ПК:
USB
Интерфейс программирования:
ISP (внутрисхемное)
Напряжение программирования:
5В или 3.3В (в зависимости от положения перемычки JP2)
Частота программирования:
375кГц (по умолчанию) и 8кГц (при замкнутой перемычке JP3)
Поддерживаемые контроллеры:
все AVR с интерфейсом SPI
Описание:
Список поддерживаемых микроконтроллеров
ATmega серия
ATmega8 ATmega48 ATmega88 ATmega168 ATmega328
ATmega103 ATmega128 ATmega1280 ATmega1281 ATmega16
ATmega161 ATmega162 ATmega163 ATmega164 ATmega169
ATmega2560 ATmega2561 ATmega32 ATmega324 ATmega329
ATmega3290 ATmega640 ATmega644 ATMEGA64 ATmega649
ATmega6490 ATmega8515 ATmega8535
Tiny серия
ATtiny12 ATtiny13 ATtiny15 ATtiny26 ATTINY25
ATtiny45 Attiny85 ATtiny2313
Серия Classic
AT90S1200 AT90S2313 AT90S2333 AT90S2343 AT90S4414
AT90S4433 AT90S4434 AT90S8515
AT90S8535
CAN серия
AT90CAN128
PWM серия
AT90PWM2 AT90PWM3
Внешний вид
Комплект поставки минимальный — программатор + шлейф без резинки. В моём случае в удвоенном количестве.
Культура исполнения и вправду хромает, мне в глаза сразу бросились криво припаянные гребёнки. Везде где только можно — имеются следы флюса, причём с окислами, по всей видимости, программаторы давно валялись на складе, а сборка их производилась с присущей китайцам быстротой.
Некоторые отверстия не целиком заполнены припоем
SMD-элементы тоже криво припаяны
Гребёнку чуть позже выровнял, уж больно неприятно на такую раскосую смотреть, элементы пропаял, а плату затем отмыл
Размеры платы несколько больше USB-TTL-конвертера на CP2102
Длина шлейфа около 30см, бытует мнение, что чем короче шлейф, тем лучше. Некоторые его специально укорачивают. Если заказать оригинальный USBASP — там комплектный шлейф уже 50см.
Органы управления на плате
На плате имеются три перемычки, задающие разные режимы работы программатора:
JP1 —
замыкается в случае обновления прошивки самого программатора
JP2 —
тройная перемычка, здесь выбирается, какое напряжение будет подаваться на прошиваемый микроконтроллер, либо 5В (левое положение) и 3.3В (правое положение)
JP3 —
если её замкнуть, то программирование контроллера будет происходить с пониженной частотой, однако китайцы не стали сюда впаивать гребёнку, т.к. на данной прошивке она не требуется
Программатор, как можно заметить, построен на базе Atmega8 с кварцем на 12МГц. Самый правый верхний элемент, подписанный F1, с перевёрнутой цифрой 4 — самовосстанавливающийся предохранитель, защищает USB-порт ПК/ноутбука, если на прошиваемой плате вдруг произошло короткое замыкание. Под перемычкой JP2
находится LDO-стабилизатор 662К
, понижающий напряжение с 5В до 3.3В, если перемычка установлена в правое положение.
Установка драйверов
Чтобы начать пользоваться программатором, необходимо сперва поставить на него драйвера. Вставляю любой программатор в USB-порт ПК, звучит сигнал о новом оборудовании, на самом девайсе горит светодиод, но автоматического поиска драйверов не происходит.
примечание.
перед установкой драйвера необходимо отключить проверку цифровой подписи в Windows
1)
Скачать , распаковать в удобное место.
2)
Зайти в «Диспетчер устройств», например навести курсор на главную кнопку (Win10), нажать ПКМ и выбрать пункт «Диспетчер устройств».
3)
В ветке «Другие устройства» можно увидеть неопознанное устройство USBASP с оранжевым треугольничком — > навести на него курсор, нажать ПКМ -> «Обновить драйверы…»
4)
Указать путь до раннее распакованной папки с драйверами — «libusb_1.2.4.0», нажать «ОК»
5)
«Всё равно установить этот драйвер»
6)
Готово, теперь оранжевый треугольничек пропал, драйвера поставлены
Прошивка собрата
Мне уже было известно до этого, что китайцы продают эти программаторы с не самой свежей прошивкой. Решил сперва обновить прошивку на одном из них, а затем ради интереса сравнить оба программатора в работе. Для этого соединяю шлейфом оба устройства, на ведущем (который вставляю в USB-порт) никакие перемычки не трогаются, а на ведомом программаторе (на котором будем обновлять прошивку) я переставил перемычку с JP2
на JP1
:
Захожу в программу Khazama AVR Programmer, выбираю из выпадающего списка ATmega8 и сперва считаю Flash-память через пункт меню «Command» -> «Read FLASH to Buffer», чтобы cохранить китайскую заводскую прошивку у себя. На всякий случай.
При этом периодически будет выпадать такая ошибка, закрыв окно, программа продолжит работу.
Идёт считывание, которое завершается всплывающим окном об успешном считывании FLASH-памяти в буфер
Теперь нужно сохранить содержимое буфера: «File» -> «Save FLASH Buffer As…». Выбрать удобное место, куда старая прошивка сохранится, дать имя (я например её назвал firmware_1) и дописать расширение *.hex — если его не писать, то она сохранится как просто файл без расширения.
Скачиваю прошивку для программатора с странички, архив usbasp.2011-05-28.tar.gz
(в этом же архиве есть драйвера для Windows, распаковываю содержимое в удобное место.
Тем временем в Khazama загружу скачанную прошивку в буфер. «File» -> «Load FLASH File to Buffer». Выбираю прошивку, где в названии написано atmega8, поскольку прошиваемый программатор на этом чипе.
Как видно, здесь три прошивки — для Atmega8, 48 и 88. В нашем случае Atmega 8 — её и выбираю.
Прошиваю. «Command» -> «Write FLASH File to Buffer». Снова возникает ошибка, но после идёт процесс, завершающийся успехом.
Поскольку в обычном понимании «запрограммировать» означает выставить 1, то при работе со фьюзами всё ровно наоборот, от чего возникает путаница и в этом случае можно по неосторожности заблокировать контроллер и прошить потом его будет уже нельзя. Программа Khazama AVR Programmer удобна просмотром фьюз-битов — там наглядно видно и
расписано
, какие из них установлены, а какие нет.
Находятся они по пути «Command» -> «Fuses and Lock Bits…», откроется окно:
Где по нажатии кнопки «Read All» считаются фьюз- и лок-биты, а пресловутая ошибка успеет вылезти аж 5 раз подряд. Ошибки сыпятся именно на заводской китайской прошивке. Но если вставить в USB-порт недавно прошитый программатор, прошивкой скаченной по ссылке выше, то этих ошибок вылазить уже не будет, однако баги вылезут в другом месте, но о них позже.
Связь с платой Pro Mini (Atmega 168, 3.3V/8MHz)
В этом случае выводы программатора соединяются с выводами платы Pro Mini, как проиллюстрировано на схематичном рисунке ниже. Перемычки не переставляются, т.е. остаётся в положении 5В.
Несмотря на то, что плата Pro Mini подписана как 3.3В, на 168-ю Атмегу можно подавать и 5В. Стабилизатор AMS1117 на 3.3В кстати вообще выпаян из платы.
AVRDUDE PROG 3.3
Консольная программа для прошивки микросхем, своего графического интерфейса не имеет, в стоке работает из командной строки, но энтузиастами было написано немало оболочек на неё, для удобства работы с ней. Одна из таких оболочек называется AVRDUDE PROG, созданная русскоязычными разработчиками. Эта оболочка, на мой взгляд удобна как раз для Flash-перепрошивки МК. После её запуска выбирается контроллер, в данном случае Atmega168 и тип программатора — USBasp. После чего можно заниматься записью/считыванием памяти. Что на заводской прошивке, что на новой — в обоих случаях никаких проблем с общением с Atmega168 не возникло. Прошил ради интереса ардуиновский стандартный blink-скетч, экспортированный в бинарный HEX-файл. Всё гладко.
Khazama AVR Programmer
Здесь достаточно выбрать микроконтроллер из выпадающего списка и можно уже работать с памятью/битами.
Однако если на самом программаторе установлена заводская прошивка, периодически будут сыпаться ошибки, о чём выше уже было упомянуто, на новой прошивке — данных ошибок уже нет.
Связь с контроллером ATtiny13A в корпусе SOIC8
Соединение согласно схеме ниже. Но тут всё немного интереснее.
Поскольку голый чип в SMD-корпусе SOIC8, в данном случае я поместил его в переходник SOIC8-DIP8 для удобства соединения с программатором в дальнейшем. Обзор на этот переходник можно почитать .
AVRDUDE PROG 3.3
Тут выбирается из списка одноимённый контроллер, программатор USBasp и, если программатор прошит заводской китайской прошивкой, то все операции проходят ровно и гладко. Однако стоит заменить программатор на другой, с обновлённой прошивкой, то при любой операции возникает ошибка.
Появляется она из-за того, что ни программа, ни программатор не могут автоматически перейти в режим медленного программирования, необходимый для ATtiny13. Но есть как минимум два выхода:
1)
Железный: замкнуть перемычку JP3
2)
Программный: отредактировать файл «programm.ini» в папке с программой AVRDUDE PROG 3.3
Внести туда четыре строчки кода и сохранить. (взято )
progisp=jtag2pdiportprog=COM1portenabled=1
progisp=Usbasp -B 3
portprog=usb
portenabled=0
Примечание.
Здесь применён ключ «-B», который и занимается переводом программатора на пониженную частоту программирования. Значение «3» — время в микросекундах
После этого снова запустить AVRDUDE PROG 3.3 и в выпадающем списке программаторов выбрать UsbaspSpeed. Теперь работа с ATtiny13 на программаторе с новой прошивкой будет уже без ошибок, а перемычку JP3 замыкать больше не потребуется в этом случае.
Khazama AVR Programmer
Выбирается контроллер из списка и почти та же ситуация.
Программатор с заводской прошивкой нормально работает с ATtiny13, если не считать постоянно появляющихся окон с ошибкой, о чём раннее уже рассказывал.
Но с программатором на новой прошивке уже появляется иная ошибка с невозможностью прочесть сигнатуру (цифровую подпись) контроллера.
Но стоит замкнуть перемычку JP3
, и можно спокойно работать
Или просто задать частоту работы из выпадающего списка по пути «Command» -> «Programm Options», я выставил частоту 187.5кГц.
Примечание.
Частота программирования должна быть меньше тактовой частоты прошиваемой микросхемы не менее, чем в 4 раза. Но если посмотреть на считанные с ATtiny13 фьюзы, то на последней строчке Int.Rc.Osc. указано 9.6МГц.
Как минимум, у новичка возникнет вопрос — почему на выставленных в KHazame 1.5МГц — появляется та же ошибка? А также почему, если в AtmelStudio написать например код мигания светодиода с частотой раз в секунду и в макросе прописать:
#define f_cpu 9600000
то загрузив код на Attiny13, светодиод будет мигать очень медленно?
— посмотрим на предпоследнюю строчку, где Divide Clock by 8 Internally
— это включенный предделитель частоты, который делит эти 9.6МГц на 8, и поэтому реальная частота чипа здесь — 1.2МГц. Поэтому при выборе частоты 187.5кГц или меньше, ошибки исчезают и можно работать нормально с контроллером.
Примечание 2.
Способ с выбором частоты в KHazame по скорости работы в несколько раз выигрывает у метода с физическим замыканием перемычки JP3, потому как в последнем случае частота понижается до 8кГц.
Интеграция программатора в Atmel Studio 7
Atmel Studio — среда разработки от фирмы Atmel, но напрямую работать с USBASP, тем более китайским, она не может. Однако благодаря той же программе AVRDUDE, входящий в состав пакета AVRDUDE PROG 3.3, которая будет играть здесь роль посредника, можно соорудить «костыль», а уже в самой среде затем добавить возможность прошивать МК, подключенный через USBASP.
Сперва нужно запустить среду, предполагается, что некий код у нас уже написан и собран. В моём примере это простая мигалка светодиодом — Blink.
На верхней панели инструментов выбрать «Tools» — «External Tools…»
Откроется небольшое окно, нажать «Add»
В самом верхнем поле «Title:»
ввести любое удобное название, я написал «Atmega168», т.к. та конфигурация, что приведу чуть ниже относится конкретно к этому контроллеру, и для любого другого контроллера она настраивается индивидуально.
В большом поле наверху, название инструмента будет автоматически продублировано.
Вторая строка, поле «Command:»
— здесь нужно указать путь до файла «avrdude.exe», который находится в папке с вышерассмотренной программой
Третья строка, поле «Arguments:»
необходимо ввести собственно саму конфигурацию
Конфигурация для Atmega168
P m168 -c usbasp -P usb -U flash:w:$(ProjectDir)Debug$(TargetName).hex:a
-p — наименование контроллера
-с — какой программатор
-P — порт, через который будет заливаться прошивка
-U — какая операция с какой памятью будет производится (в данном случае запись во Flash)
Если нужно настроить для другого МК, то параметр «m168» нужно изменить на соответствующий контроллер, который будет прошиваться. Например «m8» для Atmega8 или «m328p», если Atmega328p. Параметры для других МК смотрите — также там найдёте описания ключей AVRDUDE.
Конфигурация для ATtiny13
После заполнения полей нажать «Apply» и «ОК». Окно закроется
Теперь, если снова кликнуть по «Tools», там появится только что созданный инструмент. И по нажатии по нему откомпилированный код будет автоматически прошит в контроллер.
Но эта операция происходит в два клика, что не очень удобно. Надо вынести этот инструмент на главную панель инструментов, чтобы он был всегда на виду.
Для этого нужно снова зайти в «Tools», затем кликнуть по пункту «Customize…»
Откроется следующее окно:
Перейти во вкладку «Commands» — нажать кнопку «Add Command…»
Ещё одно окно появится. В нём — в левой колонке выбрать «Tools», а в правой колонке выделить «External Command 1». Нажать «OK»
«External Command 1» окажется наверху списка, и, обратите внимание на саму панель инструментов — в интерфейсе появился пункт «Atmega168».
Но как мне кажется, место ему отведено не совсем удачное, желательно его сдвинуть вправо, для этого нажимается кнопка «Move Down» (одно нажатие = сдвиг на одну позицию вправо). После этого можно закрывать окно по кнопке «Close» и шить чип прямо из студии в один клик через обозреваемый программатор.
При перепрошивке чипа таким методом, на секунду появляется консольное окно AVRDUDE. Но может возникнуть необходимость как-то сохранить этот лог для дальнейшего его просмотра — тогда в окне «External tools» нужно поставить галку на «Use Output window».
И теперь лог будет отображаться в окне вывода, что внизу программы ATmel Studio 7. Данная галка может задаваться отдельно для каждого добавленного в «External tools» контроллера.
Дополнение по фьюзам программатора
Из документа READMI, идущего в комплекте с драйверами и прошивкой для USBASP, позже выяснилось, что разработчик рекомендует выставить определённую конфигурацию фьюз-битов, определяющих работу внешнего резонатора.
Минусом khazam»ы является то, что в окне со фьюзами не отображаются HEX-значения выставленных битов. Это уже можно посмотреть в AVRDUDE PROG. Заводские фьюзы, выставленные китайцами, выглядят так (обязательно поставить точку «инверсные» — выделил синим прямоугольником
):
Это нужно снять две галки с «BODEN» и «SUT1» (выделено красным овалом),
поставить две галки на «CKOPT» и «SUT0» (выделено зелёным прямоугольником),
справа в колонке при этом будут отображаться HEX-значения изменённых битов (выделено жирным красным прямоугольником): Lock Byte: 3F
, Fuse High Byte: C9
, Fuse Low Byte: EF
.
Если всё сходится, можно нажимать «программирование»
ВНИМАНИЕ.
Злой фьюз-бит RSTDISBL
— не трогать ни в коем случае, иначе его установка заблокирует контроллер и прошить потом через USBASP его уже будет нельзя.
_____________________________________
Выводы
Опробовано, работает. Если khazam не планируется использовать, то в обновлении прошивки для программатора — смысла нет, благо и так прекрасно работает, причём в случае с ATtiny13 никаких правок и перемычек вносить не требуется. Последняя прошивка — почему-то оказалась более капризна в этом плане. Единственное, после получения, плату надо пропаять и отмыть.
Список ссылок
У радиотехников, которые любят заниматься конструированием электронных приборов, время от времени возникает необходимость использования в своих разработках микроконтроллеров. Применение этих полупроводниковых приборов
открывает огромные перспективы перед радиотехником. Микроконтроллеры выпускаются всего несколькими фирмами, лидерами из которых являются MicrochipTechnology, ATMEL, ARMLimited. Главной особенностью подобных приборов является необходимость их программной прошивки. Для этого и необходимы программаторы. На сегодняшний день существует огромный выбор различных типов программаторов, правда, цена таких изделий весьма высока, и не каждый радиолюбитель сможет позволить себе приобрести такое устройство.
В этой статье мы рассмотрим USB-программатор (AVR) на базе управляющего микроконтроллера Atmega 8. Это изделие достаточно простое, для того чтобы радиолюбитель смог собрать его самостоятельно и не тратил большие деньги на фирменное изделие. Выбранный нами USB-программатор (AVR) имеет минимальную обвязку микроконтроллера, что позволяет собрать весьма миниатюрный прибор. Такое изделие не займет много места, оно имеет обычной флэшки. USB-программатор (AVR) в своей схеме содержит микроконтроллер тип корпуса — TQFP 32 (не следует путать с типом корпуса DIP, так как у них различные распиновки). Схема такого устройства приведена на фото.
Приступим к описанию схемы прибора. Перемычка J1 используется в том случае, когда возникает необходимость прошивки микроконтроллера, имеющего тактовую частоту ниже 1,5 Мгц. При желании эта перемычка легко исключается из схемы, для этого 25-й вывод контроллера садится на «землю». В таком случае AVR-USB-программатор всегда будет функционировать на пониженной частоте. Следует учесть, что программирование на занимает больше времени, но решать, конечно же, вам. Стабилитроны D1, D2 применяются для согласования уровня между USB-шиной и программатором. Голубой светодиод сигнализирует о готовности устройства к программированию микроконтроллера, красный диод горит в процессе программирования. Схема имеет IDC-06 разъем, на который выведены контакты, распиновка которых соответствует типу ATMEL 6-пинового разъема ISP. На указанный разъем выводятся контакты питания микроконтроллеров, оно берется с USB-порта персонального компьютера, следовательно, необходимо быть внимательным, чтобы не допустить С помощью этого же разъема происходит программирование и управляющего контроллера, для этого необходимо соединить контакты Reset на контроллере и на разъеме (на схеме показано красным пунктиром).
Перемычка снижения скорости программатора и разъем подключения микроконтроллера расположены на торце устройства. Вот что представляет собой USB-программатор (AVR), как видите, все элементарно.
После сборки устройства необходимо прошить управляющий микроконтроллер, для этого рекомендую использовать программу PonyProg. При программировании заводим кристалл на функционирование от внешнего тактирующего источника на 12 Мгц.
Описанный в этой статье USB-программатор для AVR работает со всеми микроконтроллерами типа AVR, позволяет прошивать их, смотреть записанное содержимое устройства, стирать чипы, менять конфигурацию.




























___w1488.jpg)

















































































































































